Fissaggio per tubo portante

Per i nostri tubi portanti sono disponibili svariati supporti e fissaggi a ringhiere, a parti in muratura o a sostegni tondi in acciaio. In parte con possibilità di collegamento per l'equipotenzialità.

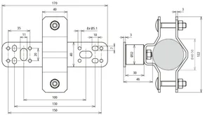
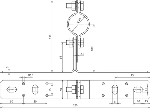
Angolare per il fissaggio orizzontale piatto a parete

1 Prodotto

Art. 105140 WB D40 WA V2A

GTIN (EAN) 4013364112650, Codice doganale (EU): 85389099, Peso lordo: 653.00 g, UM: 1.00 pz.


Immagini

Maggior informazioni

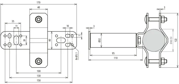
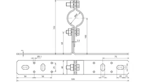
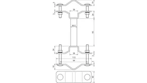
Staffa per aste di captazione D40 e DEHNcon-H INOX montaggio orizzontale
Staffa per aste di captazione D40 e DEHNcon-H
per il fissaggio delle aste di captazione D40
o dei tubi portanti
sulla costruzione da proteggere o sulla parete
Materiale: INOX
Fissaggio: [8x] Ø5,1 / [4x] 11 x 20 mm
Distanza parete: 80 mm
Campo di serraggio asta di captazione: 40 mm

Fabbricato: DEHN
Tipo: WB D40 WA V2A
Art.: 105140
o similare.

Certificati

 

Caratteristiche tecniche

Materiale INOX
Fissaggio [8x] Ø5,1 / [4x] 11 x 20 mm
Distanza parete 80 mm
Campo di serraggio asta di captazione 40 mm

Prodotto 105140 è stato aggiunto al blocco note.

Prodotto 105140 è stato aggiunto al carrello.

Apri Web-Shop

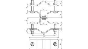
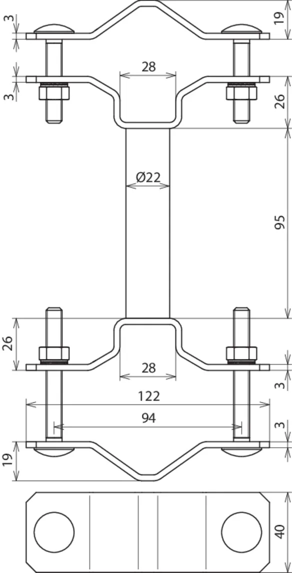
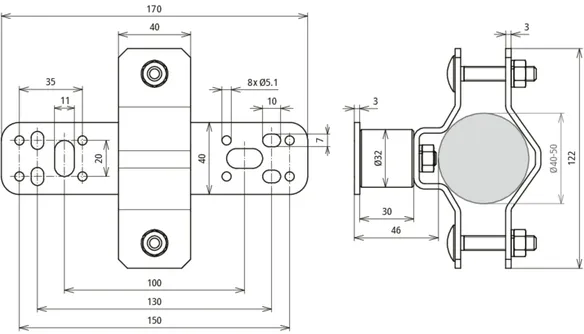
Angolare di fissaggio con campo di serraggio regolabile 230-1300 mm

3 Prodotti

Art. 105347 WB D40.50 V230.400 STTZN V2A

GTIN (EAN) 4013364278554, Codice doganale (EU): 85389099, Peso lordo: 2.42 kg, UM: 1.00 pz.


Immagini

Maggior informazioni


Materiale angolare: Fe/tZn / INOX
Campo di serraggio tubo portante: 40-50 mm
Distanza parete: 230-400 mm
Dimensioni piastra: 120 x 120 x 4 mm
Fissaggio: [4x] 12 x 26 mm

Fabbricato: DEHN
Tipo: WB D40.50 V230.400 STTZN V2A
Art.: 105347
o similare.

Certificati

 

Caratteristiche tecniche

Materiale angolare Fe/tZn / INOX
Campo di serraggio tubo portante 40-50 mm
Distanza parete 230-400 mm
Dimensioni piastra 120 x 120 x 4 mm
Fissaggio [4x] 12 x 26 mm

Prodotto 105347 è stato aggiunto al blocco note.

Prodotto 105347 è stato aggiunto al carrello.

Apri Web-Shop

Art. 105349 WB D40.50 V700.1300 STTZN V2A

GTIN (EAN) 4013364288614, Codice doganale (EU): 85389099, Peso lordo: 5.80 kg, UM: 1.00 pz.


Immagini

Maggior informazioni


Materiale angolare: Fe/tZn / INOX
Campo di serraggio tubo portante: 40-50 mm
Distanza parete: 700-1300 mm
Dimensioni piastra: 120 x 120 x 4 mm
Fissaggio: [4x] 12 x 26 mm

Fabbricato: DEHN
Tipo: WB D40.50 V700.1300 STTZN V2A
Art.: 105349
o similare.

Certificati

 

Caratteristiche tecniche

Materiale angolare Fe/tZn / INOX
Campo di serraggio tubo portante 40-50 mm
Distanza parete 700-1300 mm
Dimensioni piastra 120 x 120 x 4 mm
Fissaggio [4x] 12 x 26 mm

Prodotto 105349 è stato aggiunto al blocco note.

Prodotto 105349 è stato aggiunto al carrello.

Apri Web-Shop

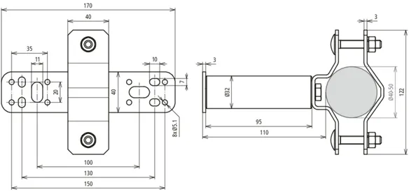
Art. 105343 WB D40.50 V400.700 STTZN V2A

GTIN (EAN) 4013364118515, Codice doganale (EU): 85389099, Peso lordo: 3.60 kg, UM: 1.00 pz.


Immagini

Maggior informazioni

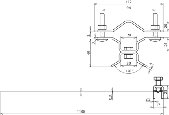
Staffa per aste di captazione D40 e DEHNcon-H
Staffa per aste di captazione D40 e DEHNcon-H
Angolare per il fissaggio a parete, regolabile da 400-700 mm
Materiale angolare: Fe/tZn / INOX
Campo di serraggio tubo portante: 40-50 mm
Distanza parete: 400-700 mm
Dimensioni piastra: 120 x 120 x 4 mm
Fissaggio: [4x] 12 x 26 mm

Fabbricato: DEHN
Tipo: WB D40.50 V400.700 STTZN V2A
Art.: 105343
o similare.

Certificati

 

Caratteristiche tecniche

Materiale angolare Fe/tZn / INOX
Campo di serraggio tubo portante 40-50 mm
Distanza parete 400-700 mm
Dimensioni piastra 120 x 120 x 4 mm
Fissaggio [4x] 12 x 26 mm

Prodotto 105343 è stato aggiunto al blocco note.

Prodotto 105343 è stato aggiunto al carrello.

Apri Web-Shop

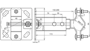
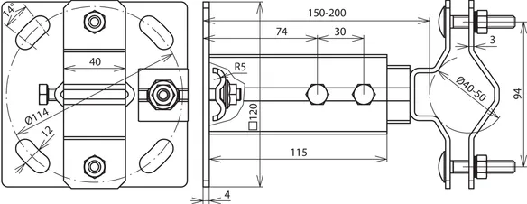
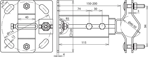
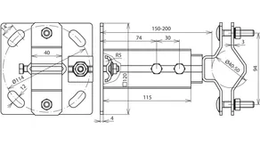
Angolare di fissaggio con campo di serraggio regolabile 150-200 mm

1 Prodotto

Art. 105344 WB D40.50 V150.200 V2A

GTIN (EAN) 4013364147300, Codice doganale (EU): 85389099, Peso lordo: 1.52 kg, UM: 1.00 pz.


Immagini

Maggior informazioni

Staffa per aste di captazione D40 e DEHNcon-H con campo di serraggio regolabile
Staffa per aste di captazione D40 e DEHNcon-H
per il fissaggio di aste di captazione D40
o di tubi portanti sulla
costruzione da proteggere o sulla parete
Campo di serraggio regolabile 150-200 mm
Materiale angolare: INOX
Campo di serraggio Td: 8-10 mm
Campo di serraggio tubo portante: 40-50 mm
Distanza parete: 150-200 mm
Dimensioni piastra: 120 x 120 x 4 mm
Fissaggio: [4x] 12 x 26 mm
Riferimento norma: CEI EN 62561-1

Fabbricato: DEHN
Tipo: WB D40.50 V150.200 V2A
Art.: 105344
o similare.

Certificati

 

Caratteristiche tecniche

Materiale angolare INOX
Campo di serraggio Td 8-10 mm
Campo di serraggio tubo portante 40-50 mm
Distanza parete 150-200 mm
Dimensioni piastra 120 x 120 x 4 mm
Fissaggio [4x] 12 x 26 mm
Riferimento norma CEI EN 62561-1

Prodotto 105344 è stato aggiunto al blocco note.

Prodotto 105344 è stato aggiunto al carrello.

Apri Web-Shop

Supporto per aste di captazione e tubi portanti

1 Prodotto

Art. 105160 BSC D40.50 SB50.300 V2A

GTIN (EAN) 4013364113022, Codice doganale (EU): 85389099, Peso lordo: 506.20 g, UM: 1.00 pz.


Immagini

Maggior informazioni

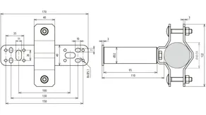
Collare di fissaggio a fascetta
Collare di fissaggio a fascetta
Materiale: INOX
Campo di serraggio Ø tubo: 50-300 mm
Campo di serraggio asta di captazione: 40-50 mm
Dimensione nastro: 25 x 0,3 mm
Riferimento norma: CEI EN 62561-1

Fabbricato: DEHN
Tipo: BSC D40.50 SB50.300 V2A
Art.: 105160
o similare.

Certificati

 

Caratteristiche tecniche

Materiale INOX
Campo di serraggio Ø tubo 50-300 mm
Campo di serraggio asta di captazione 40-50 mm
Dimensione nastro (la x sp) 25 x 0,3 mm
Riferimento norma CEI EN 62561-1
*) Per l’attribuzione precisa vedere il certificato di prova.

Prodotto 105160 è stato aggiunto al blocco note.

Prodotto 105160 è stato aggiunto al carrello.

Apri Web-Shop

Fascetta di fissaggio

1 Prodotto

Art. 105161 BSC D40 D45.65 V2A

GTIN (EAN) 4013364118324, Codice doganale (EU): 85389099, Peso lordo: 667.00 g, UM: 1.00 pz.


Immagini

Maggior informazioni

Collare di fissaggio per DEHNcon-H
Collare per il fissaggio dei tubi portanti p.es. al palo d'antenna con distanziatore di lunghezza 30 mm, da poter compensare elementi di fissaggio delle antenne
Materiale: INOX
Campo di serraggio tubo Ø : 45-65 mm (1 1/2-2'')
Campo di serraggio tubo portante: 40-50 mm
Lunghezza elemento distanziatore: 30 mm

Fabbricato: DEHN
Tipo: BSC D40 D45.65 V2A
Art.: 105161
o similare.

 

Caratteristiche tecniche

Materiale INOX
Campo di serraggio tubo Ø 45-65 mm (1 1/2-2'')
Campo di serraggio tubo portante 40-50 mm
Lunghezza elemento distanziatore 30 mm

Prodotto 105161 è stato aggiunto al blocco note.

Prodotto 105161 è stato aggiunto al carrello.

Apri Web-Shop

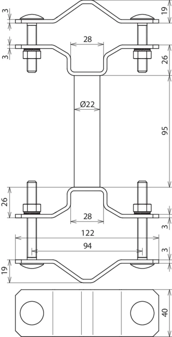
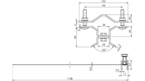
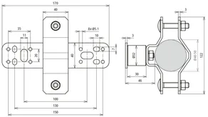
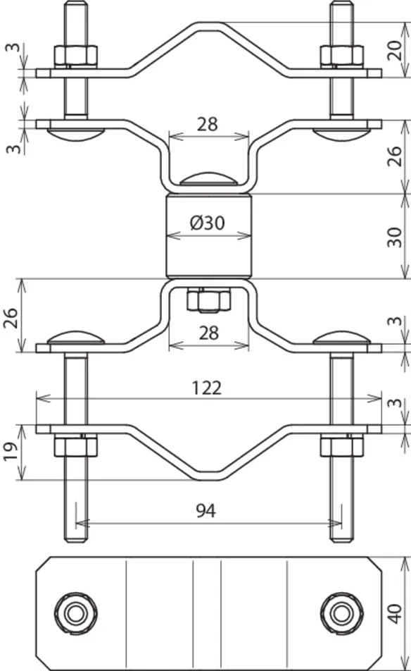
Angolare di fissaggio per montaggio verticale

2 Prodotti

Art. 105342 WB D40.50 SE WA46 V2A

GTIN (EAN) 4013364111141, Codice doganale (EU): 85389099, Peso lordo: 514.00 g, UM: 1.00 pz.


Immagini

Maggior informazioni

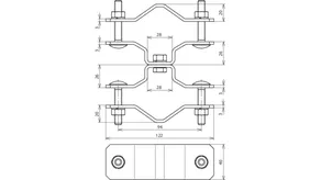
Staffa per aste di captazione D40 e DEHNcon-H
Staffa per aste di captazione D40 e DEHNcon-H
Angolare per il fissaggio verticale a parete
Materiale angolare: INOX
Fissaggio: [8x] Ø5,1 / [4x] 7 x 10 / [2x] 11 x 20 mm
Campo di serraggio tubo portante: 40-50 mm
Distanza parete: 46 mm

Fabbricato: DEHN
Tipo: WB D40.50 SE WA46 V2A
Art.: 105342
o similare.

Certificati

 

Caratteristiche tecniche

Materiale angolare INOX
Fissaggio [8x] Ø5,1 / [4x] 7 x 10 / [2x] 11 x 20 mm
Campo di serraggio tubo portante 40-50 mm
Distanza parete 46 mm

Prodotto 105342 è stato aggiunto al blocco note.

Prodotto 105342 è stato aggiunto al carrello.

Apri Web-Shop

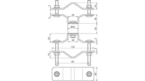
Art. 105348 WB D40.50 SE WA110 V2A

GTIN (EAN) 4013364287013, Codice doganale (EU): 85389099, Peso lordo: 540.00 g, UM: 1.00 pz.


Immagini

Maggior informazioni


Materiale angolare: INOX
Fissaggio: [8x] Ø5,1 / [4x] 7 x 10 / [2x] 11 x 20 mm
Campo di serraggio tubo portante: 40-50 mm
Distanza parete: 110 mm

Fabbricato: DEHN
Tipo: WB D40.50 SE WA110 V2A
Art.: 105348
o similare.

Certificati

 

Caratteristiche tecniche

Materiale angolare INOX
Fissaggio [8x] Ø5,1 / [4x] 7 x 10 / [2x] 11 x 20 mm
Campo di serraggio tubo portante 40-50 mm
Distanza parete 110 mm

Prodotto 105348 è stato aggiunto al blocco note.

Prodotto 105348 è stato aggiunto al carrello.

Apri Web-Shop

Fissaggio per ringhiere

1 Prodotto

Art. 105354 BS D40.50 D48.60 V2A

GTIN (EAN) 4013364098725, Codice doganale (EU): 85389099, Peso lordo: 637.00 g, UM: 5.00 pz.


Immagini

Maggior informazioni

Fissaggio per aste di captazione D40 e fissaggio per ringhiere INOX DEHNcon-H
Fissaggi per ringhiere
per fissare tubi portanti
o aste di captazione D40 su
componenti di costruzione
ad es. tubi per ringhiere
Materiale: INOX
Campo di serraggio tubo Ø: 48-60 mm (11/2-2'')
Campo di serraggio tubo portante: 40-50 mm

Fabbricato: DEHN
Tipo: BS D40.50 D48.60 V2A
Art.: 105354
o similare.

Certificati

 

Caratteristiche tecniche

Materiale INOX
Campo di serraggio tubo Ø 48-60 mm (11/2-2'')
Campo di serraggio tubo portante 40-50 mm

Prodotto 105354 è stato aggiunto al blocco note.

Prodotto 105354 è stato aggiunto al carrello.

Apri Web-Shop

Fissaggio per ringhiere

1 Prodotto

Art. 105162 BSC D40 DS95 D45.65 V2A

GTIN (EAN) 4013364146433, Codice doganale (EU): 85389099, Peso lordo: 600.00 g, UM: 1.00 pz.


Immagini

Maggior informazioni

Fissaggio per ringhiere per DEHNcon-H
Fissaggio per ringhiere cn elemento distanziatore da poter compensare elementi di fissaggio delle antenne
Materiale: INOX
Campo di serraggio tubo Ø: 45-65 mm (1 1/2-2'')
Campo di serraggio tubo portante: 40-50 mm
Lunghezza elemento distanziatore: 95 mm
Riferimento norma: CEI EN 62561-1

Fabbricato: DEHN
Tipo: BSC D40 DS95 D45.65 V2A
Art.: 105162
o similare.

Certificati

 

Caratteristiche tecniche

Materiale INOX
Campo di serraggio tubo Ø 45-65 mm (1 1/2-2'')
Campo di serraggio tubo portante 40-50 mm
Lunghezza elemento distanziatore 95 mm
Riferimento norma CEI EN 62561-1
*) Per l’attribuzione precisa vedere il certificato di prova.

Prodotto 105162 è stato aggiunto al blocco note.

Prodotto 105162 è stato aggiunto al carrello.

Apri Web-Shop

back to top