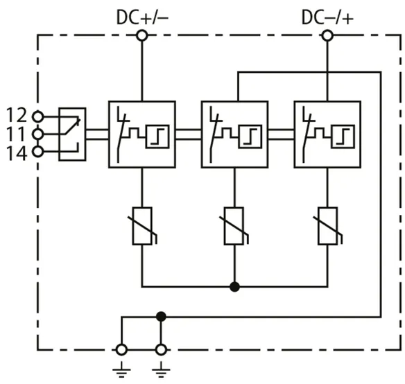
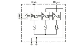
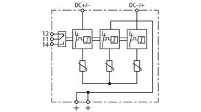
Box PV tipo 1

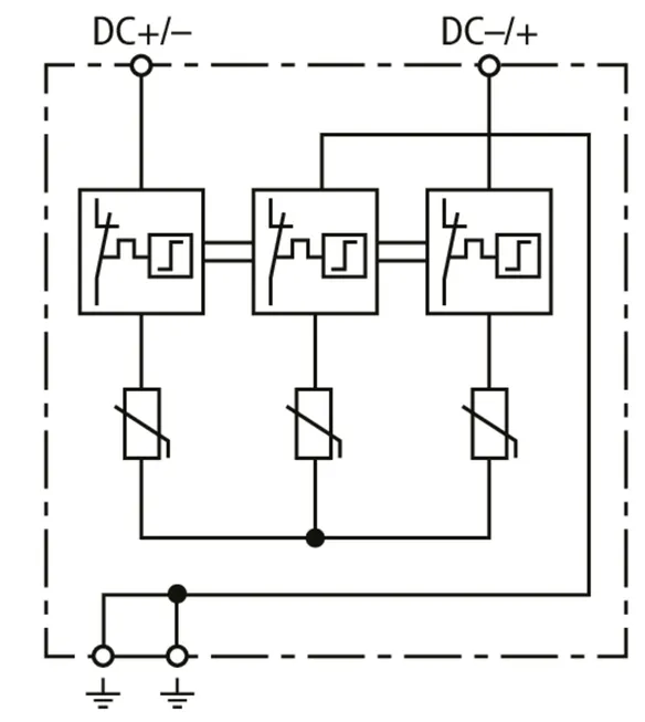
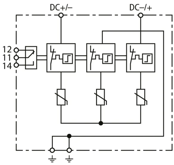
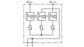
  • Scaricatore combinato precablato tipo 1 + tipo 2 per circuiti elettrici di generatori fotovoltaici
  • Il dispositivo combinato di sezionamento e cortocircuito con sezionamento elettrico sicuro (principio SCI brevettato)
  • Il circuito a "Y" collaudato, resistente ai guasti previene danni della protezione da sovratensioni in caso di guasti all'isolamento nel circuito del generatore
  • Provato secondo EN 50539-11
  • Utilizzabile in tutti i sistemi FV secondo IEC 60364-7-712
  • Indicazione di funzionamento / guasto tramite marcatura colorata verde-rossa nella finestrella di visualizzazione

PVB 1 1200

2 Prodotti

Art. 041161

GTIN (EAN) , Peso lordo: , UM:


Immagini

Maggior informazioni

 

Caratteristiche tecniche

Dati scaricatore
SPD secondo EN 50539-11 Tipo 1 + Tipo 2
Tensione max. FV [DC+ -> DC-] (UCPV ) ≤ 1200 V
Tenuta al corto circuito (ISCPV ) 10 kA
Corrente impulsiva di scarica complessiva (10/350 µs) [DC+/DC- -> PE] (Itotal ) 12,5 kA
Corrente impulsiva di fulmine (10/350 µs) [DC+ -> PE/DC- -> PE] (Iimp ) 6,25 kA
Livello di protezione [(DC+/DC-) -> PE] (UP ) ≤ 3,8 kV
Omologazioni KEMA
Dati involucro
Grado di protezione IP 65
Passante per cavi 2x MC4 collegamento a spina DC/+, 2x MC4 collegamento a spina DC/-, 1x vite M16 x 1,5
Spazio disponibile di montaggio 4 unità, DIN 43880
Dimensioni (la x lu x p) 125 x 200 x 110 mm

Prodotto 041161 è stato aggiunto al blocco note.

Prodotto 041161 è stato aggiunto al carrello.

Apri Web-Shop

Art. 041166

GTIN (EAN) , Peso lordo: , UM:


Immagini

Maggior informazioni

 

Caratteristiche tecniche

Dati scaricatore
SPD secondo EN 50539-11 tipo 1 + tipo 2
Tensione max. FV [DC+ -> DC-] (UCPV ) ≤ 1200 V
Tenuta al corto circuito (ISCPV ) 10 kA
Corrente impulsiva di scarica complessiva (10/350 µs) [DC+/DC- -> PE] (Itotal ) 12,5 kA
Corrente impulsiva di fulmine (10/350 µs) [DC+ -> PE/DC- -> PE] (Iimp ) 6,25 kA
Livello di protezione [(DC+/DC-) -> PE] (UP ) ≤ 3,8 kV
Omologazioni KEMA
Dati involucro
Grado di protezione IP 65
Passante per cavi 2x MC4 collegamento a spina DC/+, 2x MC4 collegamento a spina DC/-, 1x vite M16 x 1,5
Spazio disponibile di montaggio 4 unità, DIN 43880
Dimensioni (la x lu x p) 125 x 200 x 110 mm

Prodotto 041166 è stato aggiunto al blocco note.

Prodotto 041166 è stato aggiunto al carrello.

Apri Web-Shop

PVB 2 1200

2 Prodotti

Art. 041261

GTIN (EAN) , Peso lordo: , UM:


Immagini

Maggior informazioni

 

Caratteristiche tecniche

Dati scaricatore
SPD secondo EN 50539-11 Tipo 1 + Tipo 2
Tensione max. FV [DC+ -> DC-] (UCPV ) ≤ 1200 V
Tenuta al corto circuito (ISCPV ) 10 kA
Corrente impulsiva di scarica complessiva (10/350 µs) [DC+/DC- -> PE] (Itotal ) 12,5 kA
Corrente impulsiva di fulmine (10/350 µs) [DC+ -> PE/DC- -> PE] (Iimp ) 6,25 kA
Livello di protezione [(DC+/DC-) -> PE] (UP ) ≤ 3,8 kV
Omologazioni KEMA
Dati involucro
Grado di protezione IP 65
Passante per cavi 4x MC4 collegamento a spina DC/+, 4x MC4 collegamento a spina DC/-, 1x vite M16 x 1,5
Spazio disponibile di montaggio 8 unità, DIN 43880
Dimensioni (la x lu x p) 200 x 210 x 110 mm

Prodotto 041261 è stato aggiunto al blocco note.

Prodotto 041261 è stato aggiunto al carrello.

Apri Web-Shop

Art. 041266

GTIN (EAN) , Peso lordo: , UM:


Immagini

Maggior informazioni

 

Caratteristiche tecniche

Dati scaricatore
SPD secondo EN 50539-11 Tipo 1 + Tipo 2
Tensione max. FV [DC+ -> DC-] (UCPV ) ≤ 1200 V
Tenuta al corto circuito (ISCPV ) 10 kA
Corrente impulsiva di scarica complessiva (10/350 µs) [DC+/DC- -> PE] (Itotal ) 12,5 kA
Corrente impulsiva di fulmine (10/350 µs) [DC+ -> PE/DC- -> PE] (Iimp ) 6,25 kA
Livello di protezione [(DC+/DC-) -> PE] (UP ) ≤ 3,8 kV
Omologazioni KEMA
Dati involucro
Grado di protezione IP 65
Passante per cavi 4x MC4 collegamento a spina DC/+, 4x MC4 collegamento a spina DC/-, 1x vite M16 x 1,5
Spazio disponibile di montaggio 8 unità, DIN 43880
Dimensioni (la x lu x p) 200 x 210 x 110 mm

Prodotto 041266 è stato aggiunto al blocco note.

Prodotto 041266 è stato aggiunto al carrello.

Apri Web-Shop

back to top