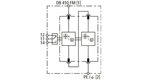
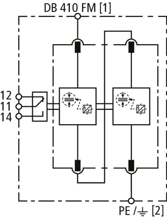
Art. 999892 DV M2 DB 410 FM
GTIN (EAN) 4013364521353, Codice doganale (EU): 85363090, Peso lordo: 314.27 g, UM: 1.00 pz.
Caratteristiche tecniche
| SPD secondo CDV IEC 61643-41 | Tipo 1 + tipo 2 |
| Tensione massima continuativa DC (UC ) | 410 V |
| Corrente impulsiva di fulmine (10/350 µs) [DC+ -> DC-] (Iimp ) | 12,5 kA |
| Livello di protezione [DC+ --> DC-] (UP ) | ≤ 2,5 kV |
| Prefusibile max fino a IK = 4 kA | 160 A gG |
| Contatto di segnalazione remota / forma di contatto | sì / contatto di scambio |
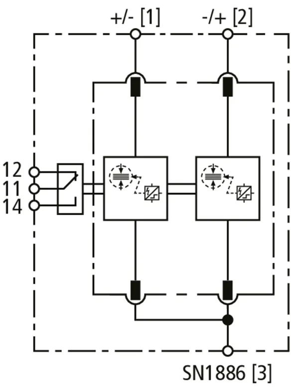
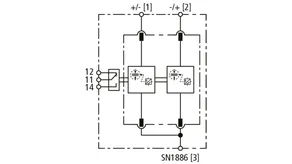
Art. 961149 DV M2 410 SN1886 FM
GTIN (EAN) 4013364521377, Codice doganale (EU): 85363090, Peso lordo: 290.00 g, UM: 1.00 pz.
Caratteristiche tecniche
| SPD secondo IEC 61643-11 | Tipo 1 + tipo 2 |
| Tensione massima continuativa AC (UC ) | 255 V |
| Corrente impulsiva di fulmine (10/350 µs): (Iimp ) | 25 kA |
| Livello di protezione (UP ) | ≤ 2,5 kV |
| Prefusibile max fino a IK = 4 kA | 160 A gG |
| Contatto di segnalazione remota / forma di contatto | sì / contatto di scambio |