Morsetti di collegamento per trave d’acciaio per zone Ex Zona 2/22

Versione pesante; per il collegamento a strutture in acciaio.Tutte le connessioni sono dotate di sistema anti-allentamento.
  • Connessione con la struttura d’acciaio mediante viti rivestite di collante
  • Collegamento del conduttore a sezione tonda tramite grova
Adatto all’impiego nelle zone Ex 2/22.

Versione verticale con connettore KS

2 Prodotti

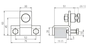
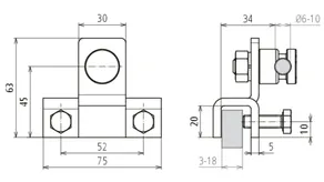
Art. 372169 AK 6.10 KSV FER S KBF3 18 V2A

GTIN (EAN) 4013364463660, Codice doganale (EU): 85359000, Peso lordo: 289.60 g, UM: 10.00 pz.


Immagini

Maggior informazioni

Morsetti di collegamento per travi d’acciaio verticali con connettore KS in acciaio inox
Morsetti di collegamento per travi d’acciaio
versione pesante,
per il collegamento a
strutture in acciaio
Viti assicurate contro l’auto-allentamento
mediante grova
Adatti ad ambienti Ex Zona 2/22
Campo di serraggio: 3-18 mm
Materiale morsetto: INOX
Campo di serraggio Td: 6-10 mm
Riferimento norma: CEI EN 62561-1

Fabbricato: DEHN
Tipo: AK 6.10 KSV FER S KBF3 18 V2A
Art.: 372169
o similare.

Certificati

 

Caratteristiche tecniche

Campo di serraggio 3-18 mm
Materiale morsetto INOX
Campo di serraggio Td 6-10 mm
Riferimento norma CEI EN 62561-1
*) Per l’attribuzione precisa vedere il certificato di prova.

Prodotto 372169 è stato aggiunto al blocco note.

Prodotto 372169 è stato aggiunto al carrello.

Apri Web-Shop

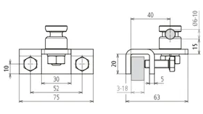
Art. 372179 AK 6.10 KSV FER S KBF18 35 V2A

GTIN (EAN) 4013364463684, Codice doganale (EU): 85359000, Peso lordo: 342.50 g, UM: 10.00 pz.


Immagini

Maggior informazioni

Morsetti di collegamento per travi d’acciaio verticali con connettore KS in acciaio inox
Morsetti di collegamento per travi d’acciaio
versione pesante, per il collegamento a
strutture in acciaio
Viti assicurate contro l’auto-allentamento
mediante grova
Adatti ad ambienti Ex Zona 2/22
Campo di serraggio: 18-35 mm
Materiale morsetto: INOX
Campo di serraggio Td: 6-10 mm
Riferimento norma: CEI EN 62561-1

Fabbricato: DEHN
Tipo: AK 6.10 KSV FER S KBF18 35 V2A
Art.: 372179
o similare.

Certificati

 

Caratteristiche tecniche

Campo di serraggio 18-35 mm
Materiale morsetto INOX
Campo di serraggio Td 6-10 mm
Riferimento norma CEI EN 62561-1
*) Per l’attribuzione precisa vedere il certificato di prova.

Prodotto 372179 è stato aggiunto al blocco note.

Prodotto 372179 è stato aggiunto al carrello.

Apri Web-Shop

Versione orizzontale con connettore KS

2 Prodotti

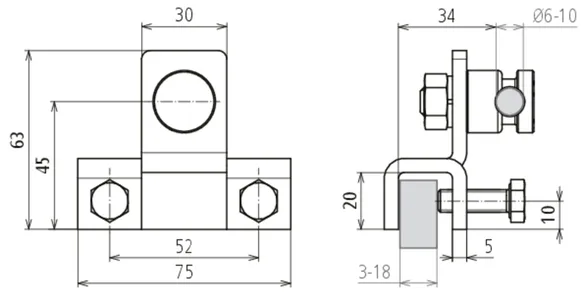
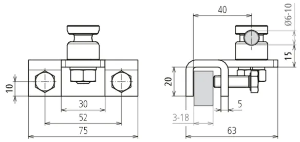
Art. 372269 AK 6.10 KSV FER W KBF3 18 V2A

GTIN (EAN) 4013364463677, Codice doganale (EU): 85359000, Peso lordo: 290.00 g, UM: 10.00 pz.


Immagini

Maggior informazioni

Morsetti di collegamento per travi d’acciaio orizzontali con connettore KS in acciaio inox
Morsetti di collegamento per travi d’acciaio
versione pesante, per il collegamento
a strutture in acciaio
Viti assicurate contro l’auto-allentamento
mediante grova
Adatti ad ambienti Ex Zona 2/22
Campo di serraggio: 3-18 mm
Materiale morsetto: INOX
Campo di serraggio Td: 6-10 mm
Riferimento norma: CEI EN 62561-1

Fabbricato: DEHN
Tipo: AK 6.10 KSV FER W KBF3 18 V2A
Art.: 372269
o similare.

Certificati

 

Caratteristiche tecniche

Campo di serraggio 3-18 mm
Materiale morsetto INOX
Campo di serraggio Td 6-10 mm
Riferimento norma CEI EN 62561-1
*) Per l’attribuzione precisa vedere il certificato di prova.

Prodotto 372269 è stato aggiunto al blocco note.

Prodotto 372269 è stato aggiunto al carrello.

Apri Web-Shop

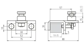
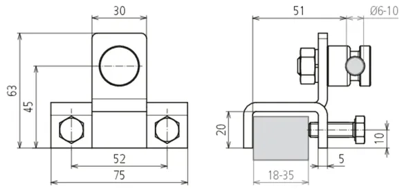
Art. 372279 AK 6.10 KSV FER W KBF18 35 V2A

GTIN (EAN) 4013364463691, Codice doganale (EU): 85359000, Peso lordo: 341.90 g, UM: 10.00 pz.


Immagini

Maggior informazioni

Morsetti di collegamento per travi d’acciaio orizzontali con connettore KS in acciaio inox
Morsetti di collegamento per travi d’acciaio
versione pesante, per il collegamento
a strutture in acciaio
Viti assicurate contro l’auto-allentamento
mediante grova
Adatti ad ambienti Ex Zona 2/22
Campo di serraggio: 18-35 mm
Materiale morsetto: INOX
Campo di serraggio Td: 6-10 mm
Riferimento norma: CEI EN 62561-1

Fabbricato: DEHN
Tipo: AK 6.10 KSV FER W KBF18 35 V2A
Art.: 372279
o similare.

Certificati

 

Caratteristiche tecniche

Campo di serraggio 18-35 mm
Materiale morsetto INOX
Campo di serraggio Td 6-10 mm
Riferimento norma CEI EN 62561-1
*) Per l’attribuzione precisa vedere il certificato di prova.

Prodotto 372279 è stato aggiunto al blocco note.

Prodotto 372279 è stato aggiunto al carrello.

Apri Web-Shop

back to top