Elemento terminale

Da avvitare al punto fisso di terra per il collegamento p.es. di una barra equipotenziale oppure per il collegamento di elementi costruttivi (p.es. travi in acciaio o simili) mediante viti.

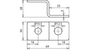
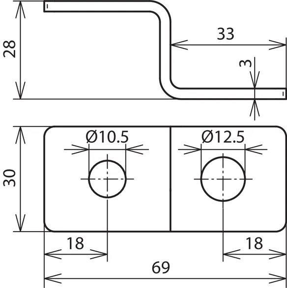
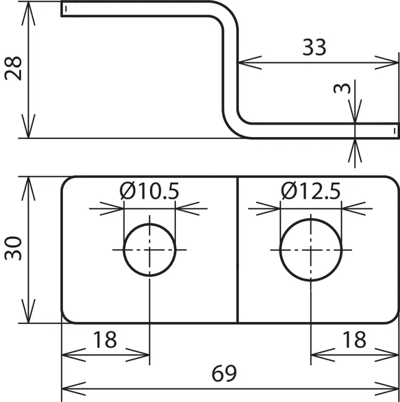
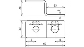
Esecuzione semplice

Per l'utilizzo universale con collegamenti M10 e M12 p.es. al punto fisso di terra.
Per collegamento Td p.es. con connettore KS (Art. 301 019) oppure per collegamento Pt con viti e dadi M10 oppure M12.

1 Prodotto

Art. 390499 ES ZF 2XB18 V2A

GTIN (EAN) 4013364127517, Codice doganale (EU): 85359000, Peso lordo: 58.20 g, UM: 50.00 pz.

Predecessore

Immagini

Maggior informazioni

Elemento terminale versione semplice in acciaio inox
Elementi terminali
di avvitamento al punto fisso di terra
per il collegamento, ad es., di una barra equipotenziale.
per l'utilizzo universale con collegamenti M10 e M12
per collegamento Td, ad es., con connettore a vite e morsetto (n. art. 301 019)
o per collegamento Pt con bulloni e dadi M10
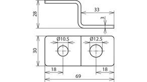
Materiale: INOX
Foro Ø: 10,5 / 12,5 mm

Fabbricato: DEHN
Tipo: ES ZF 2XB18 V2A
Art.: 390499
o similare.

Certificati

 

Caratteristiche tecniche

Materiale INOX
Foro Ø 10,5 / 12,5 mm

Prodotto 390499 è stato aggiunto al blocco note.

Prodotto 390499 è stato aggiunto al carrello.

Apri Web-Shop

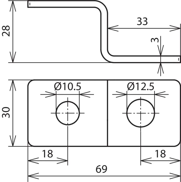
Esecuzione con buchi quadrati

Dimensioni 11 x 11 mm, per collegamento Td p.es. con connettore KS (Art. 301 019) oppure per collegamento Pt con viti e dadi M10.

1 Prodotto

Art. 390479 ES ZF 2X11.11 1XB13 V2A

GTIN (EAN) 4013364035324, Codice doganale (EU): 85359000, Peso lordo: 75.90 g, UM: 50.00 pz.

Predecessore

Immagini

Maggior informazioni

Elemento terminale Esecuzione Esecuzione con fori quadrati INOX
Elemento terminale da avvitare al punto fisso di terra per il collegamento p.es. di una barra equipotenziale oppure per il collegamento di elementi costruttivi (p.es. travi in acciaio o simili) mediante viti
Dimensioni 11 x 11 mm, per collegamento Td p.es. con connettore KS (Art. 301 019) oppure per collegamento Pt con viti e dadi M10
Materiale: INOX
Foro Ø: 13 mm

Fabbricato: DEHN
Tipo: ES ZF 2X11.11 1XB13 V2A
Art.: 390479
o similare.

Certificati

 

Caratteristiche tecniche

Materiale INOX
Distanza foro 30 mm
Foro Ø 13 mm

Prodotto 390479 è stato aggiunto al blocco note.

Prodotto 390479 è stato aggiunto al carrello.

Apri Web-Shop

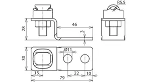
Esecuzione con fori e connettore KS

Con fori di collegamento Ø11 mm.

1 Prodotto

Art. 363010 ES ZF 2XB11 KSV 7.10 STTZN

GTIN (EAN) 4013364045743, Codice doganale (EU): 85359000, Peso lordo: 126.40 g, UM: 50.00 pz.


Immagini

Maggior informazioni

Elemento terminale, esecuzione con fori e connettori KS Fe/tZn
Elementi terminali da avvitare al punto fisso di terra (EFP)
per il collegamento ad es. di una barra equipotenziale con
fori di collegamento 11 mm e connettori KS
Materiale: Fe/tZn
Foro Ø: 11 mm
Campo di serraggio Td: 7-10 mm
Riferimento norma: CEI EN 62561-1

Fabbricato: DEHN
Tipo: ES ZF 2XB11 KSV 7.10 STTZN
Art.: 363010
o similare.

Certificati

 

Caratteristiche tecniche

Materiale Fe/tZn
Distanza foro 22 mm
Foro Ø 11 mm
Campo di serraggio Td 7-10 mm
Riferimento norma CEI EN 62561-1
*) Per l’attribuzione precisa vedere il certificato di prova.

Prodotto 363010 è stato aggiunto al blocco note.

Prodotto 363010 è stato aggiunto al carrello.

Apri Web-Shop

Esecuzione con fori

Con fori di collegamento Ø11 mm.

1 Prodotto

Art. 363000 ES ZF 3XB11 STTZN

GTIN (EAN) 4013364045750, Codice doganale (EU): 85359000, Peso lordo: 68.00 g, UM: 50.00 pz.


Immagini

Maggior informazioni

Elemento terminale, esecuzione con fori Fe/tZn
Elementi terminali da avvitare al punto fisso di terra (EFP)
per il collegamento p.es. di una barra equipotenziale con
fori di collegamento 11 mm, senza connettori KS
Materiale: Fe/tZn
Foro Ø: 11 mm

Fabbricato: DEHN
Tipo: ES ZF 3XB11 STTZN
Art.: 363000
o similare.

Certificati

 

Caratteristiche tecniche

Materiale Fe/tZn
Distanza foro 22 mm
Foro Ø 11 mm

Prodotto 363000 è stato aggiunto al blocco note.

Prodotto 363000 è stato aggiunto al carrello.

Apri Web-Shop

back to top