Sistema di messa a terra per strutture ferroviarie

Il nostro sistema DEHN di messa a terra per strutture ferroviarie si è dimostrato particolarmente efficace per l’impiego nell’ingegneria del traffico, poiché è stato appositamente sviluppato per la messa a terra di armature di elementi in calcestruzzo nelle vicinanze di impianti elettrici ad alta tensione. Serve, da un lato, per l’equipotenzialità e, dall’altro, per la trasmissione della corrente di cortocircuito nei casi in cui si arriva alla distruzione della linea di contatto.
Inoltre, DEHN mette a disposizione dell’utilizzatore diversi ponti di messa a terra e connettori di messa a terra che offrono un vasto sistema modulare con numerose possibilità di combinazione grazie ad una varietà di fissaggi per terminali e di elementi di connessione. I nostri sistemi DEHN di messa a terra per strutture ferroviarie sono approvati dalle ferrovie tedesche.

Ponti di messa a terra in acciaio inossidabile D BEB 16

I ponti di messa a terra sono richiesti per la messa a terra, per i circuiti di corrente di ritorno e per l’equipotenzialità nel campo delle linee ferroviarie. Il ponte di messa a terra in acciaio inossidabile assicura il tutto tramite un cordone di saldatura al conduttore di messa a terra. Questo ponte di messa a terra possiede inoltre l’approvazione tecnica delle ferrovie tedesche e può quindi essere utilizzato sulla rete ferroviaria tedesca senza problemi di compatibilità progettuale.

1 Prodotto

Art. 419160 D BEB 16 - 105 / 3 EBS 15-03-19-38

GTIN (EAN) 4013364510203, Codice doganale (EU): 85369010, Peso lordo: 697.72 g, UM: 8.00 pz.


Immagini

Maggior informazioni

Ponte di messa a terra in acciaio inossidabile D BEB 16 - 105 / 3 EBS 15-03-19-38
Ponte di messa a terra in acciaio inossidabile
D BEB 16 - 105 / 3 EBS 15-03-19-38
Per la messa a terra
dell’armatura di
elementi in calcestruzzo con
omologazione delle
ferrovie tedesche
Materiale elemento di connessione: INOX
Materiale n.: 1.4301
Materiale dell’angolare: Acciaio
Corrente di cortocircuito: > 25 kA
Corrente di prova: 40 kA / 100 ms
Corrente di corto circuito (AC 50 Hz / DC): 12,6 kA
Filetto: M16
Diametro piastra di connessione: 40 mm
Dimensioni dell’angolare: 50 x 50 x 5 mm
Altezza totale: 105 mm
Disegno DB (ferrovie tedesche) n.: 3 Ebs 15.03.19 - 38
Riferimento normativo: Ril 997.0205A01

Fabbricato: DEHN
Tipo: D BEB 16 - 105 / 3 EBS 15-03-19-38
Art.: 419160
o similare.

 

Caratteristiche tecniche

Materiale elemento di connessione INOX
Materiale n. 1.4301
Materiale dell’angolare Acciaio
Corrente di cortocircuito > 25 kA
Corrente di prova 40 kA / 100 ms
Corrente di corto circuito (AC 50 Hz / DC) (1 s; ≤ 300 °C) 12,6 kA
Filetto M16
Diametro piastra di connessione 40 mm
Dimensioni dell’angolare (lu x la x p) 50 x 50 x 5 mm
Altezza totale 105 mm
Disegno DB (ferrovie tedesche) n. 3 Ebs 15.03.19 - 38
Riferimento normativo Ril 997.0205A01

Prodotto 419160 è stato aggiunto al blocco note.

Prodotto 419160 è stato aggiunto al carrello.

Apri Web-Shop

Ponti di messa a terra in laminato di acciaio piatto D BEB 1-NR

I ponti di messa a terra sono richiesti per la messa a terra, per i circuiti di corrente di ritorno e per l’equipotenzialità nel campo delle linee ferroviarie. Questa variante assicura tutto questo essendo installata a livello con la superficie ed essendo saldata con il laminato di acciaio piatto – tramite un cordone di saldatura – all’armatura collegata a terra. Questo ponte di messa a terra possiede inoltre l’approvazione tecnica delle ferrovie tedesche e può quindi essere utilizzato sulla rete ferroviaria tedesca senza problemi di compatibilità progettuale.

1 Prodotto

Art. 419012 D BEB 1-NR / EBS 15-03-19

GTIN (EAN) 4013364439467, Codice doganale (EU): 85369010, Peso lordo: 1.46 kg, UM: 1.00 pz.


Immagini

Maggior informazioni

Ponti di messa a terra in laminato di acciaio piatto D BEB 1-NR / EBS 15-03-19
Per la messa a terra dell’armatura di elementi in calcestruzzo
con omologazione delle ferrovie tedesche
Materiale elemento di connessione: INOX
Materiale n.: 1.4301
Materiale laminato acciaio piatto: S235
Corrente di cortocircuito: > 25 kA
Corrente di prova: 40 kA / 100 ms
Corrente di corto circuito (AC 50 Hz / DC): 12,6 kA
Filetto: M16
Diametro piastra di connessione: 50 mm
Dimensioni laminato acciaio piatto: 400 x 50 x 5 mm
Altezza totale: 63 mm
Disegno DB (ferrovie tedesche) n.: 3 Ebs 15.03.19 - 36
Riferimento normativo: Ril 997.0205A01

Fabbricato: DEHN
Tipo: D BEB 1-NR / EBS 15-03-19
Art.: 419012
o similare.

 

Caratteristiche tecniche

Materiale elemento di connessione INOX
Materiale n. 1.4301
Materiale laminato acciaio piatto S235
Corrente di cortocircuito > 25 kA
Corrente di prova 40 kA / 100 ms
Corrente di corto circuito (AC 50 Hz / DC) (1 s; ≤ 300 °C) 12,6 kA
Filetto M16
Diametro piastra di connessione 50 mm
Dimensioni laminato acciaio piatto 400 x 50 x 5 mm
Altezza totale 63 mm
Disegno DB (ferrovie tedesche) n. 3 Ebs 15.03.19 - 36
Riferimento normativo Ril 997.0205A01

Prodotto 419012 è stato aggiunto al blocco note.

Prodotto 419012 è stato aggiunto al carrello.

Apri Web-Shop

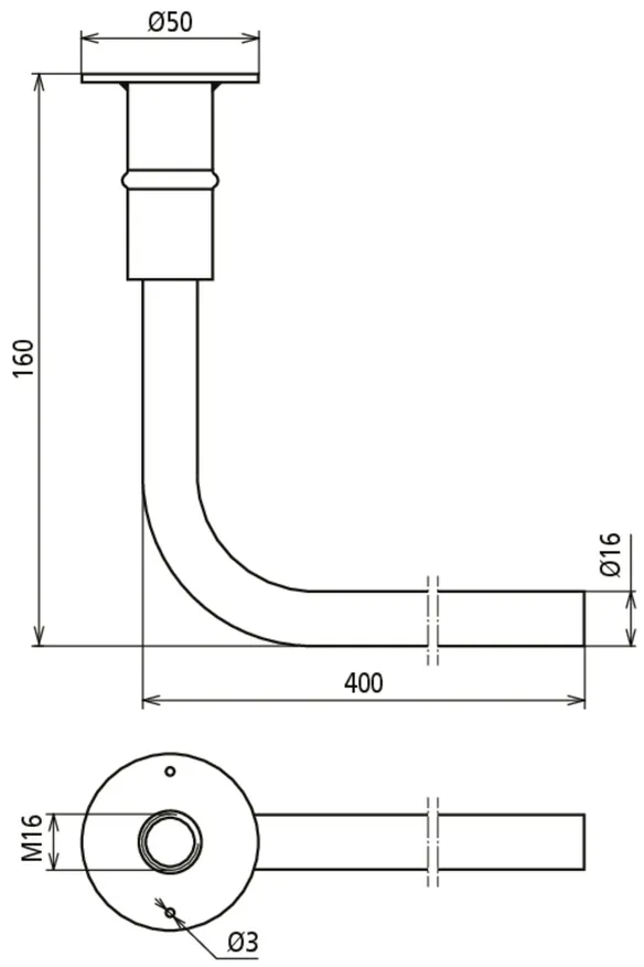
Ponti di messa a terra in tondino d'acciaio D BEB 2

I ponti di messa a terra sono richiesti per la messa a terra, per i circuiti di corrente di ritorno e per l’equipotenzialità nel campo delle linee ferroviarie. Questa variante viene installata a livello con la superficie e viene saldata con il tondino d’acciaio ricurvo all’armatura collegata a terra, soprattutto nelle situazioni di installazione che presentano criticità in termini di spazio. Questo ponte di messa a terra possiede inoltre l’approvazione tecnica delle ferrovie tedesche e può quindi essere utilizzato sulla rete ferroviaria tedesca senza problemi di compatibilità progettuale.

1 Prodotto

Art. 419020 D BEB 2 / EBS 15-03-19

GTIN (EAN) 4013364439405, Codice doganale (EU): 85369010, Peso lordo: 950.00 g, UM: 1.00 pz.


Immagini

Maggior informazioni

Ponti di messa a terra in tondino d’acciaio D BEB 2 / EBS 15-03-19
Per la messa a terra dell’armatura di elementi in calcestruzzo
con omologazione delle ferrovie tedesche
Materiale piastra: INOX
Materiale n.: 1.4301
Materiale boccola: Fe / Cu
Materiale astina: Tondino d'acciaio B500B
Corrente di cortocircuito: > 25 kA
Corrente di prova: 40 kA / 100 ms
Corrente di corto circuito (AC 50 Hz / DC): 12,6 kA
Filetto: M16
Diametro piastra di connessione: 50 mm
Diametro tondino d'acciaio: 16 mm
Altezza di montaggio: 160 mm
Lunghezza: 400 mm
Disegno DB (ferrovie tedesche) n.: 3 Ebs 15.03.19 - 31
Riferimento normativo: Ril 997.0205A01

Fabbricato: DEHN
Tipo: D BEB 2 / EBS 15-03-19
Art.: 419020
o similare.

 

Caratteristiche tecniche

Materiale piastra INOX
Materiale n. 1.4301
Materiale boccola Fe / Cu
Materiale astina Tondino d'acciaio B500B
Corrente di cortocircuito > 25 kA
Corrente di prova 40 kA / 100 ms
Corrente di corto circuito (AC 50 Hz / DC) (1 s; ≤ 300 °C) 12,6 kA
Filetto M16
Diametro piastra di connessione 50 mm
Diametro tondino d'acciaio 16 mm
Altezza di montaggio 160 mm
Lunghezza 400 mm
Disegno DB (ferrovie tedesche) n. 3 Ebs 15.03.19 - 31
Riferimento normativo Ril 997.0205A01

Prodotto 419020 è stato aggiunto al blocco note.

Prodotto 419020 è stato aggiunto al carrello.

Apri Web-Shop

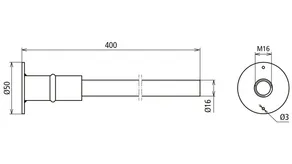
Ponti di messa a terra in tondino d'acciaio D BEB 3

I ponti di messa a terra sono richiesti per la messa a terra, per i circuiti di corrente di ritorno e per l’equipotenzialità nel campo delle linee ferroviarie. Questa variante viene installata a livello con la superficie e viene saldata con il tondino d’acciaio all’armatura collegata a terra. Questo ponte di messa a terra possiede inoltre l’approvazione tecnica delle ferrovie tedesche e può quindi essere utilizzato sulla rete ferroviaria tedesca senza problemi di compatibilità progettuale.

1 Prodotto

Art. 419030 D BEB 3 / EBS 15-03-19

GTIN (EAN) 4013364439474, Codice doganale (EU): 85369010, Peso lordo: 750.00 g, UM: 1.00 pz.


Immagini

Maggior informazioni

Ponti di messa a terra in tondino d’acciaio D BEB 3 / EBS 15-03-19
Per la messa a terra dell’armatura di elementi in calcestruzzo
con omologazione delle ferrovie tedesche
Materiale piastra: INOX
Materiale n.: 1.4301
Materiale boccola: Fe / Cu
Materiale astina: Tondino d'acciaio B500B
Corrente di cortocircuito: > 25 kA
Corrente di prova: 40 kA / 100 ms
Corrente di corto circuito (AC 50 Hz / DC): 12,6 kA
Filetto: M16
Diametro piastra di connessione: 50 mm
Diametro tondino d'acciaio: 16 mm
Lunghezza: 400 mm
Disegno DB (ferrovie tedesche) n.: 3 Ebs 15.03.19 - 31
Riferimento normativo: Ril 997.0205A01

Fabbricato: DEHN
Tipo: D BEB 3 / EBS 15-03-19
Art.: 419030
o similare.

 

Caratteristiche tecniche

Materiale piastra INOX
Materiale n. 1.4301
Materiale boccola Fe / Cu
Materiale astina Tondino d'acciaio B500B
Corrente di cortocircuito > 25 kA
Corrente di prova 40 kA / 100 ms
Corrente di corto circuito (AC 50 Hz / DC) (1 s; ≤ 300 °C) 12,6 kA
Filetto M16
Diametro piastra di connessione 50 mm
Diametro tondino d'acciaio 16 mm
Lunghezza 400 mm
Disegno DB (ferrovie tedesche) n. 3 Ebs 15.03.19 - 31
Riferimento normativo Ril 997.0205A01

Prodotto 419030 è stato aggiunto al blocco note.

Prodotto 419030 è stato aggiunto al carrello.

Apri Web-Shop

Ponti di messa a terra con cavo in rame D BEB 4 / 5

I ponti di messa a terra sono richiesti per la messa a terra, per i circuiti di corrente di ritorno e per l’equipotenzialità nel campo delle linee ferroviarie. Questa variante viene installata a livello con la superficie e viene saldata, con la staffa d’acciaio ramata pressata sul cavo in rame, all’armatura collegata a terra. La flessibilità del cavo facilita all’utilizzatore l’installazione nell’armatura. La varianti speciali FLEX sono particolarmente adatte alle situazioni di installazione che presentano criticità in termini di spazio, e che richiedono l’impiego di cavi in rame molto flessibili con fili sottili. Questi ponti di messa a terra possiedono inoltre l’approvazione tecnica delle ferrovie tedesche e possono quindi essere utilizzati sulla rete ferroviaria tedesca senza problemi di compatibilità progettuale.
Sono disponibili lunghezze speciali su richiesta: fino a 500 mm di lunghezza totale con incrementi di 50 mm e a partire da 500 mm di lunghezza totale con incrementi di 100 mm.

7 Prodotti

Art. 419040 D BEB 4 / EBS 15-03-19

GTIN (EAN) 4013364439481, Codice doganale (EU): 85369010, Peso lordo: 640.00 g, UM: 1.00 pz.


Immagini

Maggior informazioni

Ponti di messa a terra con cavo in rame D BEB 4 / EBS 15-03-19
Per la messa a terra dell’armatura di elementi in calcestruzzo
con omologazione delle ferrovie tedesche
Materiale piastra: INOX
Materiale n.: 1.4301
Materiale boccola: Fe / Cu
Materiale staffa: Fe / Cu
Materiale cavo: Cu
Corrente di cortocircuito: ≤ 25 kA
Corrente di prova: 25 kA / 100 ms
Corrente di corto circuito (AC 50 Hz / DC): 7,9 kA
Filetto: M16
Diametro piastra di connessione: 50 mm
Cavo: NYY-O
Sezione trasversale cavo: 70 mm²
Diametro cavo: 17 mm
Dimensioni staffa: 80 x 30 mm
Lunghezza: 500 mm
Disegno DB (ferrovie tedesche) n.: 3 Ebs 15.03.19 - 32
Riferimento normativo: Ril 997.0205A01

Fabbricato: DEHN
Tipo: D BEB 4 / EBS 15-03-19
Art.: 419040
o similare.

 

Caratteristiche tecniche

Materiale piastra INOX
Materiale n. 1.4301
Materiale boccola Fe / Cu
Materiale staffa Fe / Cu
Materiale cavo Cu
Corrente di cortocircuito ≤ 25 kA
Corrente di prova 25 kA / 100 ms
Corrente di corto circuito (AC 50 Hz / DC) (1 s; ≤ 300 °C) 7,9 kA
Filetto M16
Diametro piastra di connessione 50 mm
Cavo NYY-O
Sezione trasversale cavo 70 mm²
Diametro cavo 17 mm
Dimensioni staffa 80 x 30 mm
Lunghezza 500 mm
Disegno DB (ferrovie tedesche) n. 3 Ebs 15.03.19 - 32
Riferimento normativo Ril 997.0205A01

Prodotto 419040 è stato aggiunto al blocco note.

Prodotto 419040 è stato aggiunto al carrello.

Apri Web-Shop

Art. 419050 D BEB 5 / EBS 15-03-19

GTIN (EAN) 4013364439504, Codice doganale (EU): 85369010, Peso lordo: 710.00 g, UM: 1.00 pz.


Immagini

Maggior informazioni

Ponti di messa a terra con cavo in rame D BEB 5 / EBS 15-03-19
Per la messa a terra dell’armatura di elementi in calcestruzzo
con omologazione delle ferrovie tedesche
Materiale piastra: INOX
Materiale n.: 1.4301
Materiale boccola: Fe / Cu
Materiale staffa: Fe / Cu
Materiale cavo: Cu
Corrente di cortocircuito: > 25 kA
Corrente di prova: 40 kA / 100 ms
Corrente di corto circuito (AC 50 Hz / DC): 12,6 kA
Filetto: M16
Diametro piastra di connessione: 50 mm
Cavo: NYY-O
Sezione trasversale cavo: 95 mm²
Diametro cavo: 19 mm
Dimensioni staffa: 80 x 30 mm
Lunghezza: 500 mm
Disegno DB (ferrovie tedesche) n.: 3 Ebs 15.03.19 - 32
Riferimento normativo: Ril 997.0205A01

Fabbricato: DEHN
Tipo: D BEB 5 / EBS 15-03-19
Art.: 419050
o similare.

 

Caratteristiche tecniche

Materiale piastra INOX
Materiale n. 1.4301
Materiale boccola Fe / Cu
Materiale staffa Fe / Cu
Materiale cavo Cu
Corrente di cortocircuito > 25 kA
Corrente di prova 40 kA / 100 ms
Corrente di corto circuito (AC 50 Hz / DC) (1 s; ≤ 300 °C) 12,6 kA
Filetto M16
Diametro piastra di connessione 50 mm
Cavo NYY-O
Sezione trasversale cavo 95 mm²
Diametro cavo 19 mm
Dimensioni staffa 80 x 30 mm
Lunghezza 500 mm
Disegno DB (ferrovie tedesche) n. 3 Ebs 15.03.19 - 32
Riferimento normativo Ril 997.0205A01

Prodotto 419050 è stato aggiunto al blocco note.

Prodotto 419050 è stato aggiunto al carrello.

Apri Web-Shop

Art. 419051 D BEB 5-FLEX / EBS 15-03-19

GTIN (EAN) 4013364439511, Codice doganale (EU): 85369010, Peso lordo: 640.00 g, UM: 1.00 pz.


Immagini

Maggior informazioni

Ponti di messa a terra con cavo in rame D BEB 5-FLEX / EBS 15-03-19
Per la messa a terra dell’armatura di elementi in calcestruzzo
con omologazione delle ferrovie tedesche
Materiale piastra: INOX
Materiale n.: 1.4301
Materiale boccola: Fe / Cu
Materiale staffa: Fe / Cu
Materiale cavo: Cu
Corrente di cortocircuito: > 25 kA
Corrente di prova: 40 kA / 100 ms
Corrente di corto circuito (AC 50 Hz / DC): 12,6 kA
Filetto: M16
Diametro piastra di connessione: 50 mm
Cavo: H07V-K
Sezione trasversale cavo: 95 mm²
Diametro cavo: 19 mm
Dimensioni staffa: 80 x 30 mm
Lunghezza: 500 mm
Disegno DB (ferrovie tedesche) n.: 3 Ebs 15.03.19 - 32
Riferimento normativo: Ril 997.0205A01

Fabbricato: DEHN
Tipo: D BEB 5-FLEX / EBS 15-03-19
Art.: 419051
o similare.

 

Caratteristiche tecniche

Materiale piastra INOX
Materiale n. 1.4301
Materiale boccola Fe / Cu
Materiale staffa Fe / Cu
Materiale cavo Cu
Corrente di cortocircuito > 25 kA
Corrente di prova 40 kA / 100 ms
Corrente di corto circuito (AC 50 Hz / DC) (1 s; ≤ 300 °C) 12,6 kA
Filetto M16
Diametro piastra di connessione 50 mm
Cavo H07V-K
Sezione trasversale cavo 95 mm²
Diametro cavo 19 mm
Dimensioni staffa 80 x 30 mm
Lunghezza 500 mm
Disegno DB (ferrovie tedesche) n. 3 Ebs 15.03.19 - 32
Riferimento normativo Ril 997.0205A01

Prodotto 419051 è stato aggiunto al blocco note.

Prodotto 419051 è stato aggiunto al carrello.

Apri Web-Shop

Art. 419501 D BEB 5 - L700 / EBS 15-03-19

GTIN (EAN) 4013364458390, Codice doganale (EU): 85369010, Peso lordo: 980.00 g, UM: 1.00 pz.


Immagini

Maggior informazioni

Ponti di messa a terra con cavo in rame D BEB 5 / EBS 15-03-19
Per la messa a terra dell’armatura di elementi in calcestruzzo
con omologazione delle ferrovie tedesche
Materiale piastra: INOX
Materiale n.: 1.4301
Materiale boccola: Fe / Cu
Materiale staffa: Fe / Cu
Materiale cavo: Cu
Corrente di cortocircuito: > 25 kA
Corrente di prova: 40 kA / 100 ms
Corrente di corto circuito (AC 50 Hz / DC): 12,6 kA
Filetto: M16
Diametro piastra di connessione: 50 mm
Cavo: NYY-O
Sezione trasversale cavo: 95 mm²
Diametro cavo: 19 mm
Dimensioni staffa: 80 x 30 mm
Lunghezza: 700 mm
Disegno DB (ferrovie tedesche) n.: 3 Ebs 15.03.19 - 32
Riferimento normativo: Ril 997.0205A01

Fabbricato: DEHN
Tipo: D BEB 5 - L700 / EBS 15-03-19
Art.: 419501
o similare.

 

Caratteristiche tecniche

Materiale piastra INOX
Materiale n. 1.4301
Materiale boccola Fe / Cu
Materiale staffa Fe / Cu
Materiale cavo Cu
Corrente di cortocircuito > 25 kA
Corrente di prova 40 kA / 100 ms
Corrente di corto circuito (AC 50 Hz / DC) (1 s; ≤ 300 °C) 12,6 kA
Filetto M16
Diametro piastra di connessione 50 mm
Cavo NYY-O
Sezione trasversale cavo 95 mm²
Diametro cavo 19 mm
Dimensioni staffa 80 x 30 mm
Lunghezza 700 mm
Disegno DB (ferrovie tedesche) n. 3 Ebs 15.03.19 - 32
Riferimento normativo Ril 997.0205A01

Prodotto 419501 è stato aggiunto al blocco note.

Prodotto 419501 è stato aggiunto al carrello.

Apri Web-Shop

Art. 419502 D BEB 5 - L1000 / EBS 15-03-19

GTIN (EAN) 4013364458406, Codice doganale (EU): 85369010, Peso lordo: 1.40 kg, UM: 1.00 pz.


Immagini

Maggior informazioni

Ponti di messa a terra con cavo in rame D BEB 5 / EBS 15-03-19
Per la messa a terra dell’armatura di elementi in calcestruzzo
con omologazione delle ferrovie tedesche
Materiale piastra: INOX
Materiale n.: 1.4301
Materiale boccola: Fe / Cu
Materiale staffa: Fe / Cu
Materiale cavo: Cu
Corrente di cortocircuito: > 25 kA
Corrente di prova: 40 kA / 100 ms
Corrente di corto circuito (AC 50 Hz / DC): 12,6 kA
Filetto: M16
Diametro piastra di connessione: 50 mm
Cavo: NYY-O
Sezione trasversale cavo: 95 mm²
Diametro cavo: 19 mm
Dimensioni staffa: 80 x 30 mm
Lunghezza: 1000 mm
Disegno DB (ferrovie tedesche) n.: 3 Ebs 15.03.19 - 32
Riferimento normativo: Ril 997.0205A01

Fabbricato: DEHN
Tipo: D BEB 5 - L1000 / EBS 15-03-19
Art.: 419502
o similare.

 

Caratteristiche tecniche

Materiale piastra INOX
Materiale n. 1.4301
Materiale boccola Fe / Cu
Materiale staffa Fe / Cu
Materiale cavo Cu
Corrente di cortocircuito > 25 kA
Corrente di prova 40 kA / 100 ms
Corrente di corto circuito (AC 50 Hz / DC) (1 s; ≤ 300 °C) 12,6 kA
Filetto M16
Diametro piastra di connessione 50 mm
Cavo NYY-O
Sezione trasversale cavo 95 mm²
Diametro cavo 19 mm
Dimensioni staffa 80 x 30 mm
Lunghezza 1000 mm
Disegno DB (ferrovie tedesche) n. 3 Ebs 15.03.19 - 32
Riferimento normativo Ril 997.0205A01

Prodotto 419502 è stato aggiunto al blocco note.

Prodotto 419502 è stato aggiunto al carrello.

Apri Web-Shop

Art. 419503 D BEB 5 - L1500 / EBS 15-03-19

GTIN (EAN) 4013364458413, Codice doganale (EU): 85369010, Peso lordo: 2.10 kg, UM: 1.00 pz.


Immagini

Maggior informazioni

Ponti di messa a terra con cavo in rame D BEB 5 / EBS 15-03-19
Per la messa a terra dell’armatura di elementi in calcestruzzo
con omologazione delle ferrovie tedesche
Materiale piastra: INOX
Materiale n.: 1.4301
Materiale boccola: Fe / Cu
Materiale staffa: Fe / Cu
Materiale cavo: Cu
Corrente di cortocircuito: > 25 kA
Corrente di prova: 40 kA / 100 ms
Corrente di corto circuito (AC 50 Hz / DC): 12,6 kA
Filetto: M16
Diametro piastra di connessione: 50 mm
Cavo: NYY-O
Sezione trasversale cavo: 95 mm²
Diametro cavo: 19 mm
Dimensioni staffa: 80 x 30 mm
Lunghezza: 1500 mm
Disegno DB (ferrovie tedesche) n.: 3 Ebs 15.03.19 - 32
Riferimento normativo: Ril 997.0205A01

Fabbricato: DEHN
Tipo: D BEB 5 - L1500 / EBS 15-03-19
Art.: 419503
o similare.

 

Caratteristiche tecniche

Materiale piastra INOX
Materiale n. 1.4301
Materiale boccola Fe / Cu
Materiale staffa Fe / Cu
Materiale cavo Cu
Corrente di cortocircuito > 25 kA
Corrente di prova 40 kA / 100 ms
Corrente di corto circuito (AC 50 Hz / DC) (1 s; ≤ 300 °C) 12,6 kA
Filetto M16
Diametro piastra di connessione 50 mm
Cavo NYY-O
Sezione trasversale cavo 95 mm²
Diametro cavo 19 mm
Dimensioni staffa 80 x 30 mm
Lunghezza 1500 mm
Disegno DB (ferrovie tedesche) n. 3 Ebs 15.03.19 - 32
Riferimento normativo Ril 997.0205A01

Prodotto 419503 è stato aggiunto al blocco note.

Prodotto 419503 è stato aggiunto al carrello.

Apri Web-Shop

Art. 419504 D BEB 5 - L2000 / EBS 15-03-19

GTIN (EAN) 4013364458420, Codice doganale (EU): 85369010, Peso lordo: 2.80 kg, UM: 1.00 pz.


Immagini

Maggior informazioni

Ponti di messa a terra con cavo in rame D BEB 5 / EBS 15-03-19
Per la messa a terra dell’armatura di elementi in calcestruzzo
con omologazione delle ferrovie tedesche
Materiale piastra: INOX
Materiale n.: 1.4301
Materiale boccola: Fe / Cu
Materiale staffa: Fe / Cu
Materiale cavo: Cu
Corrente di cortocircuito: > 25 kA
Corrente di prova: 40 kA / 100 ms
Corrente di corto circuito (AC 50 Hz / DC): 12,6 kA
Filetto: M16
Diametro piastra di connessione: 50 mm
Cavo: NYY-O
Sezione trasversale cavo: 95 mm²
Diametro cavo: 19 mm
Dimensioni staffa: 80 x 30 mm
Lunghezza: 2000 mm
Disegno DB (ferrovie tedesche) n.: 3 Ebs 15.03.19 - 32
Riferimento normativo: Ril 997.0205A01

Fabbricato: DEHN
Tipo: D BEB 5 - L2000 / EBS 15-03-19
Art.: 419504
o similare.

 

Caratteristiche tecniche

Materiale piastra INOX
Materiale n. 1.4301
Materiale boccola Fe / Cu
Materiale staffa Fe / Cu
Materiale cavo Cu
Corrente di cortocircuito > 25 kA
Corrente di prova 40 kA / 100 ms
Corrente di corto circuito (AC 50 Hz / DC) (1 s; ≤ 300 °C) 12,6 kA
Filetto M16
Diametro piastra di connessione 50 mm
Cavo NYY-O
Sezione trasversale cavo 95 mm²
Diametro cavo 19 mm
Dimensioni staffa 80 x 30 mm
Lunghezza 2000 mm
Disegno DB (ferrovie tedesche) n. 3 Ebs 15.03.19 - 32
Riferimento normativo Ril 997.0205A01

Prodotto 419504 è stato aggiunto al blocco note.

Prodotto 419504 è stato aggiunto al carrello.

Apri Web-Shop

Ponti di messa a terra con cavo in rame D BEB 6 / 7

I ponti di messa a terra sono richiesti per la messa a terra, per i circuiti di corrente di ritorno e per l’equipotenzialità nel campo delle linee ferroviarie. Questa variante viene utilizzata come passante per la messa a terra di parti strutturali installandola su entrambi i lati a livello con la superficie. La flessibilità del cavo facilita all’utilizzatore l’installazione nell’armatura. La varianti speciali FLEX sono particolarmente adatte alle situazioni di installazione che presentano criticità in termini di spazio, e che richiedono l’impiego di cavi in rame molto flessibili con fili sottili. Questi ponti di messa a terra possiedono inoltre l’approvazione tecnica delle ferrovie tedesche e possono quindi essere utilizzati sulla rete ferroviaria tedesca senza problemi di compatibilità progettuale.
Sono disponibili lunghezze speciali su richiesta: fino a 500 mm di lunghezza totale con incrementi di 50 mm e a partire da 500 mm di lunghezza totale con incrementi di 100 mm.

4 Prodotti

Art. 419060 D BEB 6 / EBS 15-03-19

GTIN (EAN) 4013364439528, Codice doganale (EU): 85369010, Peso lordo: 600.00 g, UM: 1.00 pz.


Immagini

Maggior informazioni

Ponti di messa a terra con cavo in rame D BEB 6 / EBS 15-03-19
Per la messa a terra dell’armatura di elementi in calcestruzzo
con omologazione delle ferrovie tedesche
Materiale piastra: INOX
Materiale n.: 1.4301
Materiale boccola: Fe / Cu
Materiale cavo: Cu
Corrente di cortocircuito: ≤ 25 kA
Corrente di prova: 25 kA / 100 ms
Corrente di corto circuito (AC 50 Hz / DC): 7,9 kA
Filetto: M16
Diametro piastra di connessione: 50 mm
Cavo: NYY-O
Sezione trasversale cavo: 70 mm²
Diametro cavo: 17 mm
Lunghezza: 500 mm
Disegno DB (ferrovie tedesche) n.: 3 Ebs 15.03.19 - 33
Riferimento normativo: Ril 997.0205A01

Fabbricato: DEHN
Tipo: D BEB 6 / EBS 15-03-19
Art.: 419060
o similare.

 

Caratteristiche tecniche

Materiale piastra INOX
Materiale n. 1.4301
Materiale boccola Fe / Cu
Materiale cavo Cu
Corrente di cortocircuito ≤ 25 kA
Corrente di prova 25 kA / 100 ms
Corrente di corto circuito (AC 50 Hz / DC) (1 s; ≤ 300 °C) 7,9 kA
Filetto M16
Diametro piastra di connessione 50 mm
Cavo NYY-O
Sezione trasversale cavo 70 mm²
Diametro cavo 17 mm
Lunghezza 500 mm
Disegno DB (ferrovie tedesche) n. 3 Ebs 15.03.19 - 33
Riferimento normativo Ril 997.0205A01

Prodotto 419060 è stato aggiunto al blocco note.

Prodotto 419060 è stato aggiunto al carrello.

Apri Web-Shop

Art. 419061 D BEB 6-FLEX / EBS 15-03-19

GTIN (EAN) 4013364439535, Codice doganale (EU): 85369010, Peso lordo: 530.00 g, UM: 1.00 pz.


Immagini

Maggior informazioni

Ponti di messa a terra con cavo in rame D BEB 6-FLEX / EBS 15-03-19
Per la messa a terra dell’armatura di elementi in calcestruzzo
con omologazione delle ferrovie tedesche
Materiale piastra: INOX
Materiale n.: 1.4301
Materiale boccola: Fe / Cu
Materiale cavo: Cu
Corrente di cortocircuito: ≤ 25 kA
Corrente di prova: 25 kA / 100 ms
Corrente di corto circuito (AC 50 Hz / DC): 7,9 kA
Filetto: M16
Diametro piastra di connessione: 50 mm
Cavo: H07V-K
Sezione trasversale cavo: 70 mm²
Diametro cavo: 17 mm
Lunghezza: 500 mm
Disegno DB (ferrovie tedesche) n.: 3 Ebs 15.03.19 - 33
Riferimento normativo: Ril 997.0205A01

Fabbricato: DEHN
Tipo: D BEB 6-FLEX / EBS 15-03-19
Art.: 419061
o similare.

 

Caratteristiche tecniche

Materiale piastra INOX
Materiale n. 1.4301
Materiale boccola Fe / Cu
Materiale cavo Cu
Corrente di cortocircuito ≤ 25 kA
Corrente di prova 25 kA / 100 ms
Corrente di corto circuito (AC 50 Hz / DC) (1 s; ≤ 300 °C) 7,9 kA
Filetto M16
Diametro piastra di connessione 50 mm
Cavo H07V-K
Sezione trasversale cavo 70 mm²
Diametro cavo 17 mm
Lunghezza 500 mm
Disegno DB (ferrovie tedesche) n. 3 Ebs 15.03.19 - 33
Riferimento normativo Ril 997.0205A01

Prodotto 419061 è stato aggiunto al blocco note.

Prodotto 419061 è stato aggiunto al carrello.

Apri Web-Shop

Art. 419070 D BEB 7 / EBS 15-03-19

GTIN (EAN) 4013364439542, Codice doganale (EU): 85369010, Peso lordo: 704.50 g, UM: 1.00 pz.


Immagini

Maggior informazioni

Ponti di messa a terra con cavo in rame D BEB 7 / EBS 15-03-19
Per la messa a terra dell’armatura di elementi in calcestruzzo
con omologazione delle ferrovie tedesche
Materiale piastra: INOX
Materiale n.: 1.4301
Materiale boccola: Fe / Cu
Materiale cavo: Cu
Corrente di cortocircuito: > 25 kA
Corrente di prova: 40 kA / 100 ms
Corrente di corto circuito (AC 50 Hz / DC): 12,6 kA
Filetto: M16
Diametro piastra di connessione: 50 mm
Cavo: NYY-O
Sezione trasversale cavo: 95 mm²
Diametro cavo: 19 mm
Lunghezza: 500 mm
Disegno DB (ferrovie tedesche) n.: 3 Ebs 15.03.19 - 33
Riferimento normativo: Ril 997.0205A01

Fabbricato: DEHN
Tipo: D BEB 7 / EBS 15-03-19
Art.: 419070
o similare.

 

Caratteristiche tecniche

Materiale piastra INOX
Materiale n. 1.4301
Materiale boccola Fe / Cu
Materiale cavo Cu
Corrente di cortocircuito > 25 kA
Corrente di prova 40 kA / 100 ms
Corrente di corto circuito (AC 50 Hz / DC) (1 s; ≤ 300 °C) 12,6 kA
Filetto M16
Diametro piastra di connessione 50 mm
Cavo NYY-O
Sezione trasversale cavo 95 mm²
Diametro cavo 19 mm
Lunghezza 500 mm
Disegno DB (ferrovie tedesche) n. 3 Ebs 15.03.19 - 33
Riferimento normativo Ril 997.0205A01

Prodotto 419070 è stato aggiunto al blocco note.

Prodotto 419070 è stato aggiunto al carrello.

Apri Web-Shop

Art. 419071 D BEB 7-FLEX / EBS 15-03-19

GTIN (EAN) 4013364439559, Codice doganale (EU): 85369010, Peso lordo: 622.00 g, UM: 1.00 pz.


Immagini

Maggior informazioni

Ponti di messa a terra con cavo in rame D BEB 7-FLEX / EBS 15-03-19
Per la messa a terra dell’armatura di elementi in calcestruzzo
con omologazione delle ferrovie tedesche
Materiale piastra: INOX
Materiale n.: 1.4301
Materiale boccola: Fe / Cu
Materiale cavo: Cu
Corrente di cortocircuito: > 25 kA
Corrente di prova: 40 kA / 100 ms
Corrente di corto circuito (AC 50 Hz / DC): 12,6 kA
Filetto: M16
Diametro piastra di connessione: 50 mm
Cavo: H07V-K
Sezione trasversale cavo: 95 mm²
Diametro cavo: 19 mm
Lunghezza: 500 mm
Disegno DB (ferrovie tedesche) n.: 3 Ebs 15.03.19 - 33
Riferimento normativo: Ril 997.0205A01

Fabbricato: DEHN
Tipo: D BEB 7-FLEX / EBS 15-03-19
Art.: 419071
o similare.

 

Caratteristiche tecniche

Materiale piastra INOX
Materiale n. 1.4301
Materiale boccola Fe / Cu
Materiale cavo Cu
Corrente di cortocircuito > 25 kA
Corrente di prova 40 kA / 100 ms
Corrente di corto circuito (AC 50 Hz / DC) (1 s; ≤ 300 °C) 12,6 kA
Filetto M16
Diametro piastra di connessione 50 mm
Cavo H07V-K
Sezione trasversale cavo 95 mm²
Diametro cavo 19 mm
Lunghezza 500 mm
Disegno DB (ferrovie tedesche) n. 3 Ebs 15.03.19 - 33
Riferimento normativo Ril 997.0205A01

Prodotto 419071 è stato aggiunto al blocco note.

Prodotto 419071 è stato aggiunto al carrello.

Apri Web-Shop

Ponti di messa a terra con cavo in rame D BEB 9 / 10

I ponti di messa a terra sono richiesti per la messa a terra, per i circuiti di corrente di ritorno e per l’equipotenzialità nel campo delle linee ferroviarie. Con questa variante si crea un collegamento non visibile all’interno del calcestruzzo saldando la staffa d’acciaio ramata, pressata sul cavo in rame, all’armatura collegata a terra. La flessibilità del cavo facilita all’utilizzatore l’installazione nell’armatura. La varianti speciali FLEX sono particolarmente adatte alle situazioni di installazione che presentano criticità in termini di spazio, e che richiedono l’impiego di cavi in rame molto flessibili con fili sottili. Questi ponti di messa a terra possiedono inoltre l’approvazione tecnica delle ferrovie tedesche e possono quindi essere utilizzati sulla rete ferroviaria tedesca senza problemi di compatibilità progettuale.
Sono disponibili lunghezze speciali su richiesta: fino a 500 mm di lunghezza totale con incrementi di 50 mm e a partire da 500 mm di lunghezza totale con incrementi di 100 mm.

5 Prodotti

Art. 419090 D BEB 9 / EBS 15-03-19

GTIN (EAN) 4013364439573, Codice doganale (EU): 85369010, Peso lordo: 640.00 g, UM: 1.00 pz.


Immagini

Maggior informazioni

Ponti di messa a terra con cavo in rame D BEB 9 / EBS 15-03-19
Per la messa a terra dell’armatura di elementi in calcestruzzo
con omologazione delle ferrovie tedesche
Materiale staffa: Fe / Cu
Materiale cavo: Cu
Corrente di cortocircuito: ≤ 25 kA
Corrente di prova: 25 kA / 100 ms
Corrente di corto circuito (AC 50 Hz / DC): 7,9 kA
Cavo: NYY-O
Sezione trasversale cavo: 70 mm²
Diametro cavo: 17 mm
Dimensioni staffa: 80 x 30 mm
Lunghezza: 500 mm
Disegno DB (ferrovie tedesche) n.: 3 Ebs 15.03.19 - 33
Riferimento normativo: Ril 997.0205A01

Fabbricato: DEHN
Tipo: D BEB 9 / EBS 15-03-19
Art.: 419090
o similare.

 

Caratteristiche tecniche

Materiale staffa Fe / Cu
Materiale cavo Cu
Corrente di cortocircuito ≤ 25 kA
Corrente di prova 25 kA / 100 ms
Corrente di corto circuito (AC 50 Hz / DC) (1 s; ≤ 300 °C) 7,9 kA
Cavo NYY-O
Sezione trasversale cavo 70 mm²
Diametro cavo 17 mm
Dimensioni staffa 80 x 30 mm
Lunghezza 500 mm
Disegno DB (ferrovie tedesche) n. 3 Ebs 15.03.19 - 33
Riferimento normativo Ril 997.0205A01

Prodotto 419090 è stato aggiunto al blocco note.

Prodotto 419090 è stato aggiunto al carrello.

Apri Web-Shop

Art. 419091 D BEB 9-FLEX / EBS 15-03-19

GTIN (EAN) 4013364439580, Codice doganale (EU): 85369010, Peso lordo: 570.00 g, UM: 1.00 pz.


Immagini

Maggior informazioni

Ponti di messa a terra con cavo in rame D BEB 9-FLEX / EBS 15-03-19
Per la messa a terra dell’armatura di elementi in calcestruzzo
con omologazione delle ferrovie tedesche
Materiale staffa: Fe / Cu
Materiale cavo: Cu
Corrente di cortocircuito: ≤ 25 kA
Corrente di prova: 25 kA / 100 ms
Corrente di corto circuito (AC 50 Hz / DC): 7,9 kA
Cavo: H07V-K
Sezione trasversale cavo: 70 mm²
Diametro cavo: 17 mm
Dimensioni staffa: 80 x 30 mm
Lunghezza: 500 mm
Disegno DB (ferrovie tedesche) n.: 3 Ebs 15.03.19 - 33
Riferimento normativo: Ril 997.0205A01

Fabbricato: DEHN
Tipo: D BEB 9-FLEX / EBS 15-03-19
Art.: 419091
o similare.

 

Caratteristiche tecniche

Materiale staffa Fe / Cu
Materiale cavo Cu
Corrente di cortocircuito ≤ 25 kA
Corrente di prova 25 kA / 100 ms
Corrente di corto circuito (AC 50 Hz / DC) (1 s; ≤ 300 °C) 7,9 kA
Cavo H07V-K
Sezione trasversale cavo 70 mm²
Diametro cavo 17 mm
Dimensioni staffa 80 x 30 mm
Lunghezza 500 mm
Disegno DB (ferrovie tedesche) n. 3 Ebs 15.03.19 - 33
Riferimento normativo Ril 997.0205A01

Prodotto 419091 è stato aggiunto al blocco note.

Prodotto 419091 è stato aggiunto al carrello.

Apri Web-Shop

Art. 419100 D BEB 10 / EBS 15-03-19

GTIN (EAN) 4013364439597, Codice doganale (EU): 85369010, Peso lordo: 722.50 g, UM: 1.00 pz.


Immagini

Maggior informazioni

Ponti di messa a terra con cavo in rame D BEB 10 / EBS 15-03-19
Per la messa a terra dell’armatura di elementi in calcestruzzo
con omologazione delle ferrovie tedesche
Materiale staffa: Fe / Cu
Materiale cavo: Cu
Corrente di cortocircuito: > 25 kA
Corrente di prova: 40 kA / 100 ms
Corrente di corto circuito (AC 50 Hz / DC): 12,6 kA
Cavo: NYY-O
Sezione trasversale cavo: 95 mm²
Diametro cavo: 19 mm
Dimensioni staffa: 80 x 30 mm
Lunghezza: 500 mm
Disegno DB (ferrovie tedesche) n.: 3 Ebs 15.03.19 - 33
Riferimento normativo: Ril 997.0205A01

Fabbricato: DEHN
Tipo: D BEB 10 / EBS 15-03-19
Art.: 419100
o similare.

 

Caratteristiche tecniche

Materiale staffa Fe / Cu
Materiale cavo Cu
Corrente di cortocircuito > 25 kA
Corrente di prova 40 kA / 100 ms
Corrente di corto circuito (AC 50 Hz / DC) (1 s; ≤ 300 °C) 12,6 kA
Cavo NYY-O
Sezione trasversale cavo 95 mm²
Diametro cavo 19 mm
Dimensioni staffa 80 x 30 mm
Lunghezza 500 mm
Disegno DB (ferrovie tedesche) n. 3 Ebs 15.03.19 - 33
Riferimento normativo Ril 997.0205A01

Prodotto 419100 è stato aggiunto al blocco note.

Prodotto 419100 è stato aggiunto al carrello.

Apri Web-Shop

Art. 419101 D BEB 10-FLEX / EBS 15-03-19

GTIN (EAN) 4013364439603, Codice doganale (EU): 85369010, Peso lordo: 667.00 g, UM: 1.00 pz.


Immagini

Maggior informazioni

Ponti di messa a terra con cavo in rame D BEB 10-FLEX / EBS 15-03-19
Per la messa a terra dell’armatura di elementi in calcestruzzo
con omologazione delle ferrovie tedesche
Materiale staffa: Fe / Cu
Materiale cavo: Cu
Corrente di cortocircuito: > 25 kA
Corrente di prova: 40 kA / 100 ms
Corrente di corto circuito (AC 50 Hz / DC): 12,6 kA
Cavo: H07V-K
Sezione trasversale cavo: 95 mm²
Diametro cavo: 19 mm
Dimensioni staffa: 80 x 30 mm
Lunghezza: 500 mm
Disegno DB (ferrovie tedesche) n.: 3 Ebs 15.03.19 - 33
Riferimento normativo: Ril 997.0205A01

Fabbricato: DEHN
Tipo: D BEB 10-FLEX / EBS 15-03-19
Art.: 419101
o similare.

 

Caratteristiche tecniche

Materiale staffa Fe / Cu
Materiale cavo Cu
Corrente di cortocircuito > 25 kA
Corrente di prova 40 kA / 100 ms
Corrente di corto circuito (AC 50 Hz / DC) (1 s; ≤ 300 °C) 12,6 kA
Cavo H07V-K
Sezione trasversale cavo 95 mm²
Diametro cavo 19 mm
Dimensioni staffa 80 x 30 mm
Lunghezza 500 mm
Disegno DB (ferrovie tedesche) n. 3 Ebs 15.03.19 - 33
Riferimento normativo Ril 997.0205A01

Prodotto 419101 è stato aggiunto al blocco note.

Prodotto 419101 è stato aggiunto al carrello.

Apri Web-Shop

Art. 419505 D BEB 10 - L800 / EBS 15-03-19

GTIN (EAN) 4013364458437, Codice doganale (EU): 85369010, Peso lordo: 1.12 kg, UM: 1.00 pz.


Immagini

Maggior informazioni

Ponti di messa a terra con cavo in rame D BEB 10 / EBS 15-03-19
Per la messa a terra dell’armatura di elementi in calcestruzzo
con omologazione delle ferrovie tedesche
Materiale staffa: Fe / Cu
Materiale cavo: Cu
Corrente di cortocircuito: > 25 kA
Corrente di prova: 40 kA / 100 ms
Corrente di corto circuito (AC 50 Hz / DC): 12,6 kA
Cavo: NYY-O
Sezione trasversale cavo: 95 mm²
Diametro cavo: 19 mm
Dimensioni staffa: 80 x 30 mm
Lunghezza: 800 mm
Disegno DB (ferrovie tedesche) n.: 3 Ebs 15.03.19 - 33
Riferimento normativo: Ril 997.0205A01

Fabbricato: DEHN
Tipo: D BEB 10 - L800 / EBS 15-03-19
Art.: 419505
o similare.

 

Caratteristiche tecniche

Materiale staffa Fe / Cu
Materiale cavo Cu
Corrente di cortocircuito > 25 kA
Corrente di prova 40 kA / 100 ms
Corrente di corto circuito (AC 50 Hz / DC) (1 s; ≤ 300 °C) 12,6 kA
Cavo NYY-O
Sezione trasversale cavo 95 mm²
Diametro cavo 19 mm
Dimensioni staffa 80 x 30 mm
Lunghezza 800 mm
Disegno DB (ferrovie tedesche) n. 3 Ebs 15.03.19 - 33
Riferimento normativo Ril 997.0205A01

Prodotto 419505 è stato aggiunto al blocco note.

Prodotto 419505 è stato aggiunto al carrello.

Apri Web-Shop

Connettore per la messa a terra di grandi tubi D BEB 11

I ponti di messa a terra sono richiesti per la messa a terra, per i circuiti di corrente di ritorno e per l’equipotenzialità nel campo delle linee ferroviarie. La variante per messa a terra di grandi tubi è destinata all’utilizzo per pali e grandi tubi di fondazione. Il prodotto è costituito da un cavo in rame con boccola pressata su di esso e piastra di connessione in INOX con fori integrati per il fissaggio alla cassaforma su un’estremità e un capocorda sull’estremità opposta. Il capocorda serve a creare con i pali o grandi tubi di fondazione una connessione resistente alla corrente di cortocircuito. La flessibilità del cavo facilita all’utilizzatore l’installazione nell’armatura. Questo ponte di messa a terra possiede inoltre l’approvazione tecnica delle ferrovie tedesche e può quindi essere utilizzato sulla rete ferroviaria tedesca senza problemi di compatibilità progettuale.
Sono disponibili lunghezze speciali su richiesta: fino a 500 mm di lunghezza totale con incrementi di 50 mm e a partire da 500 mm di lunghezza totale con incrementi di 100 mm.

2 Prodotti

Art. 419110 D BEB 11 / EBS 15-03-27

GTIN (EAN) 4013364439665, Codice doganale (EU): 85369010, Peso lordo: 640.00 g, UM: 1.00 pz.


Immagini

Maggior informazioni

Ponti per la messa a terra di grandi tubi D BEB 11 / EBS 15-03-27
Per la messa a terra dell’armatura di elementi in calcestruzzo
con omologazione delle ferrovie tedesche
Materiale piastra: INOX
Materiale n.: 1.4301
Materiale boccola: Fe / Cu
Materiale capocorda: Cu/gal Sn
Materiale cavo: Cu
Corrente di cortocircuito: ≤ 25 kA
Corrente di prova: 25 kA / 100 ms
Corrente di corto circuito (AC 50 Hz / DC): 7,9 kA
Filetto: M16
Diametro piastra di connessione: 50 mm
Cavo: NYY-O
Sezione trasversale cavo: 70 mm²
Diametro cavo: 17 mm
Foro capocorda: 13 mm
Lunghezza: 500 mm
Disegno DB (ferrovie tedesche) n.: 4 Ebs 15.03.27 - 2
Riferimento normativo: Ril 997.0205A01

Fabbricato: DEHN
Tipo: D BEB 11 / EBS 15-03-27
Art.: 419110
o similare.

 

Caratteristiche tecniche

Materiale piastra INOX
Materiale n. 1.4301
Materiale boccola Fe / Cu
Materiale capocorda Cu /gal Sn
Materiale cavo Cu
Corrente di cortocircuito ≤ 25 kA
Corrente di prova 25 kA / 100 ms
Corrente di corto circuito (AC 50 Hz / DC) (1 s; ≤ 300 °C) 7,9 kA
Filetto M16
Diametro piastra di connessione 50 mm
Cavo NYY-O
Sezione trasversale cavo 70 mm²
Diametro cavo 17 mm
Foro capocorda 13 mm
Lunghezza 500 mm
Disegno DB (ferrovie tedesche) n. 4 Ebs 15.03.27 - 2
Riferimento normativo Ril 997.0205A01

Prodotto 419110 è stato aggiunto al blocco note.

Prodotto 419110 è stato aggiunto al carrello.

Apri Web-Shop

Art. 419506 D BEB 11 - L1000 / EBS 15-03-27

GTIN (EAN) 4013364458444, Codice doganale (EU): 85369010, Peso lordo: 1.10 kg, UM: 1.00 pz.


Immagini

Maggior informazioni

Ponti per la messa a terra di grandi tubi D BEB 11 / EBS 15-03-27
Per la messa a terra dell’armatura di elementi in calcestruzzo
con omologazione delle ferrovie tedesche
Materiale piastra: INOX
Materiale n.: 1.4301
Materiale boccola: Fe / Cu
Materiale capocorda: Cu/gal Sn
Materiale cavo: Cu
Corrente di cortocircuito: ≤ 25 kA
Corrente di prova: 25 kA / 100 ms
Corrente di corto circuito (AC 50 Hz / DC): 7,9 kA
Filetto: M16
Diametro piastra di connessione: 50 mm
Cavo: NYY-O
Sezione trasversale cavo: 70 mm²
Diametro cavo: 17 mm
Foro capocorda: 13 mm
Lunghezza: 1000 mm
Disegno DB (ferrovie tedesche) n.: 4 Ebs 15.03.27 - 2
Riferimento normativo: Ril 997.0205A01

Fabbricato: DEHN
Tipo: D BEB 11 - L1000 / EBS 15-03-27
Art.: 419506
o similare.

 

Caratteristiche tecniche

Materiale piastra INOX
Materiale n. 1.4301
Materiale boccola Fe / Cu
Materiale capocorda Cu /gal Sn
Materiale cavo Cu
Corrente di cortocircuito ≤ 25 kA
Corrente di prova 25 kA / 100 ms
Corrente di corto circuito (AC 50 Hz / DC) (1 s; ≤ 300 °C) 7,9 kA
Filetto M16
Diametro piastra di connessione 50 mm
Cavo NYY-O
Sezione trasversale cavo 70 mm²
Diametro cavo 17 mm
Foro capocorda 13 mm
Lunghezza 1000 mm
Disegno DB (ferrovie tedesche) n. 4 Ebs 15.03.27 - 2
Riferimento normativo Ril 997.0205A01

Prodotto 419506 è stato aggiunto al blocco note.

Prodotto 419506 è stato aggiunto al carrello.

Apri Web-Shop

Connettore di messa a terra con cavo di rame-acciaio-alluminio D BEB 29

I connettori di messa a terra sono richiesti per la messa a terra, per i circuiti di corrente di ritorno e per l’equipotenzialità nel campo delle linee ferroviarie. La variante senza alogeni D BEB 29 o la variante senza alogeni e ignifuga D BEB 29-NF, per il collegamento esterno di punti di messa a terra e altri elementi di connessione, è realizzata con una versione di capocorda per connessioni M16. Questi connettori di messa a terra sono costituiti da un cavo di rame-acciaio-alluminio e rappresentano così una misura antifurto preventiva. Questi connettori di messa a terra possiedono inoltre l’approvazione tecnica delle ferrovie tedesche e possono quindi essere utilizzati sulla rete ferroviaria tedesca senza problemi di compatibilità progettuale. Per la versione senza alogeni e ignifuga è possibile l’impiego in gallerie ai sensi del Regolamento UE.
Sono disponibili lunghezze speciali su richiesta: fino a 500 mm di lunghezza totale con incrementi di 50 mm e a partire da 500 mm di lunghezza totale con incrementi di 100 mm.

6 Prodotti

Art. 419290 D BEB 29 / EBS 15-03-17

GTIN (EAN) 4013364439627, Codice doganale (EU): 85359000, Peso lordo: 390.00 g, UM: 1.00 pz.


Immagini

Maggior informazioni

Connettore di messa a terra con cavo di rame-acciaio-alluminio
D BEB 29 / EBS 15-03-17
Per la messa a terra dell’armatura di elementi in calcestruzzo
con omologazione delle ferrovie tedesche
Materiale capocorda: Cu/gal Sn
Materiale cavo: CuAcciaioAl
Corrente di cortocircuito: > 25 kA
Corrente di prova: 40 kA / 100 ms
Corrente di corto circuito (AC 50 Hz / DC): 12,6 kA
Cavo: (N)2X RF CuAcciaioAl
Sezione trasversale cavo: ≥ 70 mm²
Versione: senza alogeni
Diametro cavo: 17 mm
Foro capocorda: 17 mm
Lunghezza: 500 mm
Disegno DB (ferrovie tedesche) n.: 4 Ebs 15.03.17 - 6 (Bayka)
Riferimento normativo: Ril 997.0205A01; DIN EN 62561-1

Fabbricato: DEHN
Tipo: D BEB 29 / EBS 15-03-17
Art.: 419290
o similare.

Certificati

 

Caratteristiche tecniche

Materiale capocorda Cu /gal Sn
Materiale cavo Cu Acciaio Al
Corrente di cortocircuito > 25 kA
Corrente di prova 40 kA / 100 ms
Corrente di corto circuito (AC 50 Hz / DC) (1 s; ≤ 300 °C) 12,6 kA
Cavo (N)2X RF Cu Acciaio Al
Sezione trasversale cavo ≥ 70 mm²
Versione senza alogeni
Diametro cavo 17 mm
Foro capocorda 17 mm
Lunghezza 500 mm
Disegno DB (ferrovie tedesche) n. 4 Ebs 15.03.17 - 6 (Bayka)
Riferimento normativo Ril 997.0205A01; DIN EN 62561-1

Prodotto 419290 è stato aggiunto al blocco note.

Prodotto 419290 è stato aggiunto al carrello.

Apri Web-Shop

Art. 419291 D BEB 29-NF / EBS 15-03-17

GTIN (EAN) 4013364439634, Codice doganale (EU): 85359000, Peso lordo: 410.00 g, UM: 1.00 pz.


Immagini

Maggior informazioni

Connettore di messa a terra con cavo di rame-acciaio-alluminio
D BEB 29-NF / EBS 15-03-17
Per la messa a terra dell’armatura di elementi in calcestruzzo
con omologazione delle ferrovie tedesche
Materiale capocorda: Cu/gal Sn
Materiale cavo: CuAcciaioAl
Corrente di cortocircuito: > 25 kA
Corrente di prova: 40 kA / 100 ms
Corrente di corto circuito (AC 50 Hz / DC): 12,6 kA
Cavo: B2ca RF CuAcciaioAl
Sezione trasversale cavo: ≥ 70 mm²
Versione: senza alogeni e ignifugo
Diametro cavo: 17 mm
Foro capocorda: 17 mm
Lunghezza: 500 mm
Disegno DB (ferrovie tedesche) n.: 4 Ebs 15.03.17 - 6 (Bayka)
Riferimento normativo: Ril 997.0205A01; DIN EN 62561-1

Fabbricato: DEHN
Tipo: D BEB 29-NF / EBS 15-03-17
Art.: 419291
o similare.

Certificati

 

Caratteristiche tecniche

Materiale capocorda Cu /gal Sn
Materiale cavo Cu Acciaio Al
Corrente di cortocircuito > 25 kA
Corrente di prova 40 kA / 100 ms
Corrente di corto circuito (AC 50 Hz / DC) (1 s; ≤ 300 °C) 12,6 kA
Cavo B2ca RF Cu Acciaio Al
Sezione trasversale cavo ≥ 70 mm²
Versione senza alogeni e ignifugo
Diametro cavo 17 mm
Foro capocorda 17 mm
Lunghezza 500 mm
Disegno DB (ferrovie tedesche) n. 4 Ebs 15.03.17 - 6 (Bayka)
Riferimento normativo Ril 997.0205A01; DIN EN 62561-1

Prodotto 419291 è stato aggiunto al blocco note.

Prodotto 419291 è stato aggiunto al carrello.

Apri Web-Shop

Art. 419511 D BEB 29 M12 M16 / EBS 15-03-17

GTIN (EAN) 4013364480513, Codice doganale (EU): 85359000, Peso lordo: 410.00 g, UM: 1.00 pz.


Immagini

Maggior informazioni

Connettore di messa a terra con cavo di rame-acciaio-alluminio
D BEB 29 M12 M16 / EBS 15-03-17
per collegare a terra elementi strutturali (M16) o la barra (M12)
con omologazione delle ferrovie tedesche
Materiale capocorda: Cu/gal Sn
Materiale cavo: CuAcciaioAl
Corrente di cortocircuito: > 25 kA
Corrente di prova: 40 kA / 100 ms
Corrente di corto circuito (AC 50 Hz / DC): 12,6 kA
Cavo: (N)2X RF CuAcciaioAl
Sezione trasversale cavo: ≥ 70 mm²
Versione: senza alogeni
Diametro cavo: 17 mm
Foro capocorda: 13 mm per M12 e 17 mm per M16
Lunghezza: 500 mm
Disegno DB (ferrovie tedesche) n.: 4 Ebs 15.03.17 - 6 (Bayka)
Riferimento normativo: Ril 997.0205A01

Fabbricato: DEHN
Tipo: D BEB 29 M12 M16 / EBS 15-03-17
Art.: 419511
o similare.

 

Caratteristiche tecniche

Materiale capocorda Cu /gal Sn
Materiale cavo Cu Acciaio Al
Corrente di cortocircuito > 25 kA
Corrente di prova 40 kA / 100 ms
Corrente di corto circuito (AC 50 Hz / DC) (1 s; ≤ 300 °C) 12,6 kA
Cavo (N)2X RF Cu Acciaio Al
Sezione trasversale cavo ≥ 70 mm²
Versione senza alogeni
Diametro cavo 17 mm
Foro capocorda 13 mm per M12 e 17 mm per M16
Lunghezza 500 mm
Disegno DB (ferrovie tedesche) n. 4 Ebs 15.03.17 - 6 (Bayka)
Riferimento normativo Ril 997.0205A01

Prodotto 419511 è stato aggiunto al blocco note.

Prodotto 419511 è stato aggiunto al carrello.

Apri Web-Shop

Art. 419512 D BEB 29-NF M12 M16 / EBS 15-03-17

GTIN (EAN) 4013364480520, Codice doganale (EU): 85359000, Peso lordo: 410.00 g, UM: 1.00 pz.


Immagini

Maggior informazioni

Connettore di messa a terra con cavo di rame-acciaio-alluminio
D BEB 29-NF / EBS 15-03-17
Per la messa a terra dell’armatura di elementi in calcestruzzo
con omologazione delle ferrovie tedesche
Materiale capocorda: Cu/gal Sn
Materiale cavo: CuAcciaioAl
Corrente di cortocircuito: > 25 kA
Corrente di prova: 40 kA / 100 ms
Corrente di corto circuito (AC 50 Hz / DC): 12,6 kA
Cavo: B2ca RF CuAcciaioAl
Sezione trasversale cavo: ≥ 70 mm²
Versione: senza alogeni e ignifugo
Diametro cavo: 17 mm
Foro capocorda: 13 mm per M12 e 17 mm per M16
Lunghezza: 500 mm
Disegno DB (ferrovie tedesche) n.: 4 Ebs 15.03.17 - 6 (Bayka)
Riferimento normativo: Ril 997.0205A01

Fabbricato: DEHN
Tipo: D BEB 29-NF M12 M16 / EBS 15-03-17
Art.: 419512
o similare.

 

Caratteristiche tecniche

Materiale capocorda Cu /gal Sn
Materiale cavo Cu Acciaio Al
Corrente di cortocircuito > 25 kA
Corrente di prova 40 kA / 100 ms
Corrente di corto circuito (AC 50 Hz / DC) (1 s; ≤ 300 °C) 12,6 kA
Cavo B2ca RF Cu Acciaio Al
Sezione trasversale cavo ≥ 70 mm²
Versione senza alogeni e ignifugo
Diametro cavo 17 mm
Foro capocorda 13 mm per M12 e 17 mm per M16
Lunghezza 500 mm
Disegno DB (ferrovie tedesche) n. 4 Ebs 15.03.17 - 6 (Bayka)
Riferimento normativo Ril 997.0205A01

Prodotto 419512 è stato aggiunto al blocco note.

Prodotto 419512 è stato aggiunto al carrello.

Apri Web-Shop

Art. 419513 D BEB 29 R / EBS 15-03-17

GTIN (EAN) 4013364480506, Codice doganale (EU): 85359000, Peso lordo: 410.00 g, UM: 1.00 pz.


Immagini

Maggior informazioni

Connettore di messa a terra con cavo di rame-acciaio-alluminio
Nella versione girata a destra
D BEB 29 R / EBS 15-03-17
Per la messa a terra dell’armatura di elementi in calcestruzzo
con omologazione delle ferrovie tedesche
Materiale capocorda: Cu/gal Sn
Materiale cavo: CuAcciaioAl
Corrente di cortocircuito: > 25 kA
Corrente di prova: 40 kA / 100 ms
Corrente di corto circuito (AC 50 Hz / DC): 12,6 kA
Cavo: (N)2X RF CuAcciaioAl
Sezione trasversale cavo: ≥ 70 mm²
Versione: senza alogeni
Diametro cavo: 17 mm
Foro capocorda: 17 mm
Versione capocorda: Girato di 90° a destra
Lunghezza: 500 mm
Disegno DB (ferrovie tedesche) n.: 4 Ebs 15.03.17 - 6 (Bayka)
Riferimento normativo: Ril 997.0205A01; DIN EN 62561-1

Fabbricato: DEHN
Tipo: D BEB 29 R / EBS 15-03-17
Art.: 419513
o similare.

Certificati

 

Caratteristiche tecniche

Materiale capocorda Cu /gal Sn
Materiale cavo Cu Acciaio Al
Corrente di cortocircuito > 25 kA
Corrente di prova 40 kA / 100 ms
Corrente di corto circuito (AC 50 Hz / DC) (1 s; ≤ 300 °C) 12,6 kA
Cavo (N)2X RF Cu Acciaio Al
Sezione trasversale cavo ≥ 70 mm²
Versione senza alogeni
Diametro cavo 17 mm
Foro capocorda 17 mm
Versione capocorda Girato di 90° a destra
Lunghezza 500 mm
Disegno DB (ferrovie tedesche) n. 4 Ebs 15.03.17 - 6 (Bayka)
Riferimento normativo Ril 997.0205A01; DIN EN 62561-1

Prodotto 419513 è stato aggiunto al blocco note.

Prodotto 419513 è stato aggiunto al carrello.

Apri Web-Shop

Art. 419514 D BEB 29 L / EBS 15-03-17

GTIN (EAN) 4013364480537, Codice doganale (EU): 85359000, Peso lordo: 410.00 g, UM: 1.00 pz.


Immagini

Maggior informazioni

Connettore di messa a terra con cavo di rame-acciaio-alluminio
Nella versione girata a sinistra
D BEB 29 R / EBS 15-03-17
Per la messa a terra dell’armatura di elementi in calcestruzzo
con omologazione delle ferrovie tedesche
Materiale capocorda: Cu/gal Sn
Materiale cavo: CuAcciaioAl
Corrente di cortocircuito: > 25 kA
Corrente di prova: 40 kA / 100 ms
Corrente di corto circuito (AC 50 Hz / DC): 12,6 kA
Cavo: (N)2X RF CuAcciaioAl
Sezione trasversale cavo: ≥ 70 mm²
Versione: senza alogeni
Diametro cavo: 17 mm
Foro capocorda: 17 mm
Versione capocorda: Girato di 90° a sinistra
Lunghezza: 500 mm
Disegno DB (ferrovie tedesche) n.: 4 Ebs 15.03.17 - 6 (Bayka)
Riferimento normativo: Ril 997.0205A01; DIN EN 62561-1

Fabbricato: DEHN
Tipo: D BEB 29 L / EBS 15-03-17
Art.: 419514
o similare.

Certificati

 

Caratteristiche tecniche

Materiale capocorda Cu /gal Sn
Materiale cavo Cu Acciaio Al
Corrente di cortocircuito > 25 kA
Corrente di prova 40 kA / 100 ms
Corrente di corto circuito (AC 50 Hz / DC) (1 s; ≤ 300 °C) 12,6 kA
Cavo (N)2X RF Cu Acciaio Al
Sezione trasversale cavo ≥ 70 mm²
Versione senza alogeni
Diametro cavo 17 mm
Foro capocorda 17 mm
Versione capocorda Girato di 90° a sinistra
Lunghezza 500 mm
Disegno DB (ferrovie tedesche) n. 4 Ebs 15.03.17 - 6 (Bayka)
Riferimento normativo Ril 997.0205A01; DIN EN 62561-1

Prodotto 419514 è stato aggiunto al blocco note.

Prodotto 419514 è stato aggiunto al carrello.

Apri Web-Shop

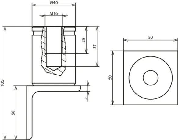
Base adesiva

La base adesiva si utilizza per fissare alla cassaforma, tramite un connettore adesivo, i prodotti per la messa a terra di strutture ferroviarie. La base adesiva può essere applicata alla piastra di connessione INOX del D BEB 0, per poi essere unita alla cassaforma.

1 Prodotto

Art. 419900 D KLP D50 BEB

GTIN (EAN) 4013364439641, Codice doganale (EU): 39191080, Peso lordo: 2.00 g, UM: 1.00 pz.


Immagini

Maggior informazioni

Base adesiva D KLP D50 BEB
per prodotti di messa a terra di strutture ferroviarie D BEB 0-x
Diametro: 50 mm
Diametro: 50 mm

Fabbricato: DEHN
Tipo: D KLP D50 BEB
Art.: 419900
o similare.

 

Caratteristiche tecniche

Diametro 50 mm

Prodotto 419900 è stato aggiunto al blocco note.

Prodotto 419900 è stato aggiunto al carrello.

Apri Web-Shop

Adesivo per messa a terra

L’adesivo per messa a terra è previsto come parte di ricambio per la marcatura dei prodotti di messa a terra installati su strutture ferroviarie. Si applica con facilità sulle piastre di connessione INOX. Una tale marcatura può essere eseguita per i ponti di messa a terra da D BEB 1 a 8 nonché per la variante D BEB 11 per messa a terra di grandi tubi, nel caso in cui l’adesivo applicato di fabbrica non sia più disponibile o sia danneggiato.

1 Prodotto

Art. 419901 D EAK D50 BEB

GTIN (EAN) 4013364439658, Codice doganale (EU): 39191080, Peso lordo: 3.00 g, UM: 1.00 pz.


Immagini

Maggior informazioni

Adesivo per messa a terra D EAK D50 BEB
come marcatura per prodotti di messa a terra di strutture ferroviarie
Diametro: 50 mm
Diametro: 50 mm

Fabbricato: DEHN
Tipo: D EAK D50 BEB
Art.: 419901
o similare.

 

Caratteristiche tecniche

Diametro 50 mm

Prodotto 419901 è stato aggiunto al blocco note.

Prodotto 419901 è stato aggiunto al carrello.

Apri Web-Shop

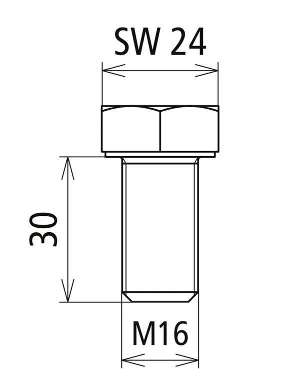
Vite esagonale

1 Prodotto

Art. 419902 D SKS M16X30 V4A

GTIN (EAN) 4013364439689, Codice doganale (EU): 85389099, Peso lordo: 76.89 g, UM: 1.00 pz.


Immagini

Maggior informazioni

Vite esagonale D SKS M16X30 V2A
Materiale: INOX A4-70
Filetto: M16 x 30 mm
Materiale: INOX (V4A)
Filetto: M16 x 30 mm

Fabbricato: DEHN
Tipo: D SKS M16X30 V4A
Art.: 419902
o similare.

 

Caratteristiche tecniche

Materiale INOX (V4A)
Filetto M16 x 30 mm

Prodotto 419902 è stato aggiunto al blocco note.

Prodotto 419902 è stato aggiunto al carrello.

Apri Web-Shop

Dado esagonale

1 Prodotto

Art. 419903 D SKM M16 V4A

GTIN (EAN) 4013364439696, Codice doganale (EU): 73181639, Peso lordo: 28.98 g, UM: 1.00 pz.


Immagini

Maggior informazioni

Dado esagonale D SKM M16 V2A
Materiale: INOX A4-70
Filetto: M16
Materiale: INOX (V4A)
Filetto: M16

Fabbricato: DEHN
Tipo: D SKM M16 V4A
Art.: 419903
o similare.

 

Caratteristiche tecniche

Materiale INOX (V4A)
Filetto M16

Prodotto 419903 è stato aggiunto al blocco note.

Prodotto 419903 è stato aggiunto al carrello.

Apri Web-Shop

Rondella

1 Prodotto

Art. 419904 D SCH A17 V4A

GTIN (EAN) 4013364439702, Codice doganale (EU): 85389099, Peso lordo: 9.10 g, UM: 1.00 pz.


Immagini

Maggior informazioni

Rondella D SCH A17 V2A
Materiale: INOX A4-70
Diametro esterno: 30 mm
Diametro interno: 17 mm
Materiale: INOX (V4A)
Diametro esterno: 30 mm
Diametro interno: 17 mm

Fabbricato: DEHN
Tipo: D SCH A17 V4A
Art.: 419904
o similare.

 

Caratteristiche tecniche

Materiale INOX (V4A)
Diametro esterno 30 mm
Diametro interno 17 mm

Prodotto 419904 è stato aggiunto al blocco note.

Prodotto 419904 è stato aggiunto al carrello.

Apri Web-Shop

back to top