Punto di sezionamento FIX

Con supporto isolato e lama di sezionamento.

1 Prodotto

Art. 453100 FTS 8.10 FL30.40 IS STTZN

GTIN (EAN) 4013364025523, Codice doganale (EU): 85359000, Peso lordo: 342.90 g, UM: 10.00 pz.


Immagini

Maggior informazioni

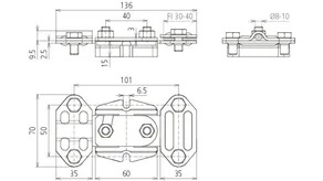
Punto di sezionamento FIX
Punto di sezionamento FIX con supporto isolato e lama di sezionamento
per collegare la calata con l'adduzione a terra
Materiale: Fe/tZn
Campo di serraggio Td/Pt: 8-10 / 30-40 mm
Riferimento norma: CEI EN 62561-1

Fabbricato: DEHN
Tipo: FTS 8.10 FL30.40 IS STTZN
Art.: 453100
o similare.

Certificati

 

Caratteristiche tecniche

Materiale Fe/tZn
Campo di serraggio Td/Pt 8-10 / 30-40 mm
Elemento isolante materiale plastico grigia
Riferimento norma CEI EN 62561-1
Versione per conduttori Td / Td 8-10 mm art. n. 453 102 su richiesta.
*) Per l’attribuzione precisa vedere il certificato di prova.

Prodotto 453100 è stato aggiunto al blocco note.

Prodotto 453100 è stato aggiunto al carrello.

Apri Web-Shop

back to top