DEHNguard modular E (Y)PV SCI 1500
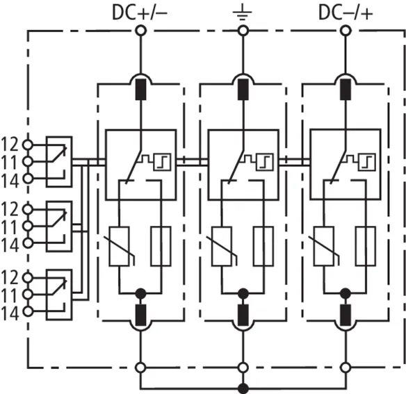
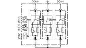
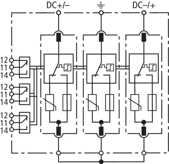
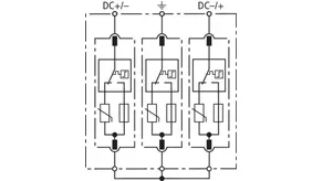
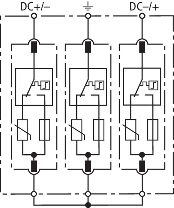
- Unità completa precablata, modulare per impianti fotovoltaici fino a 1500 V, composta da un elemento base e moduli di protezione innestati
- Dispositivo di sezionamento e di cortocircuito con sezionamento elettrico sicuro nel modulo di protezione (principio SCI brevettato)
- Design innovativo per l'impiego sicuro in impianti fotovoltaici fino a 1500 V
- Provato secondo EN 50539-11
- Utilizzabile in tutti i sistemi FV secondo IEC 60364-7-712
Dettagli
Art. 952520 DG ME YPV SCI 1500
GTIN (EAN) 4013364149069, Codice doganale (EU): 85354000, Peso lordo: 535.70 g, UM: 1.00 pz.
Caratteristiche tecniche
| SPD secondo la norma EN 61643-31 / ... IEC 61643-31 | Tipo 2 / Classe II |
| Tensione max FV (UCPV ) | 1500 V |
| Tenuta al corto circuito (ISCPV ) | 10 kA |
| Corrente impulsiva massima di scarica (8/20 µs) (Itotal ) | 25 kA |
| Corrente impulsiva nominale di scarica (8/20 µs) [(DC+/DC-) --> PE] (In ) | 12,5 kA |
| Livello di protezione (UP ) | ≤ 6 kV |
| Omologazioni | KEMA, UL |
Art. 952525 DG ME YPV SCI1500 FM
GTIN (EAN) 4013364149076, Codice doganale (EU): 85354000, Peso lordo: 556.00 g, UM: 1.00 pz.
Caratteristiche tecniche
| SPD secondo la norma EN 61643-31 / ... IEC 61643-31 | Tipo 2 / Classe II |
| Tensione max FV (UCPV ) | 1500 V |
| Tenuta al corto circuito (ISCPV ) | 10 kA |
| Corrente impulsiva massima di scarica (8/20 µs) (Itotal ) | 25 kA |
| Corrente impulsiva nominale di scarica (8/20 µs) [(DC+/DC-) --> PE] (In ) | 12,5 kA |
| Livello di protezione (UP ) | ≤ 6 kV |
| Omologazioni | KEMA, UL |
| Contatto FM/ tipo di contatto | scambio |
