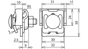
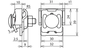
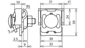
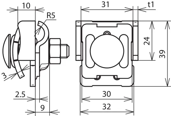
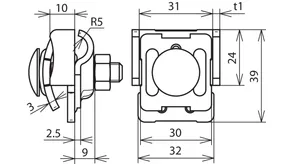
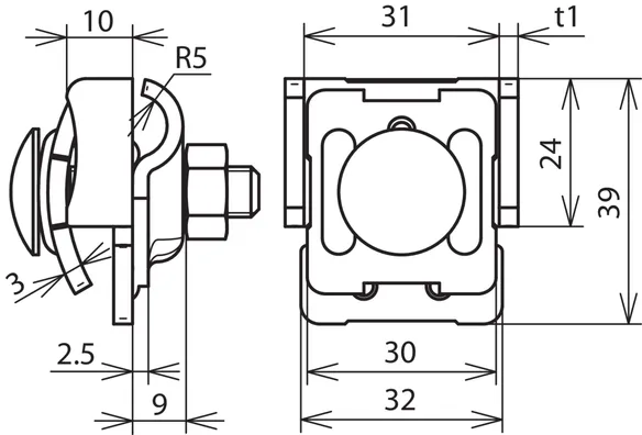
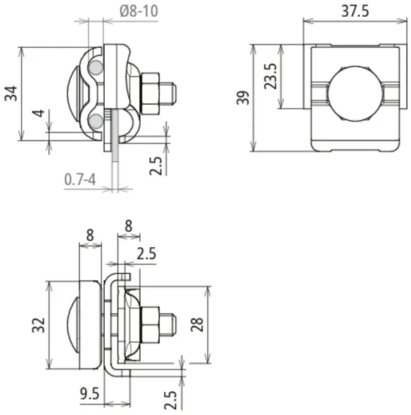
Morsetto scanalato

Per il collegamento di conduttori con scanalature ovvero per il collegamento di conduttori con scanalature di materiale diverso.

Con cavallotto di fissaggio

Collegamento longitudinale oppure trasversale.

4 Prodotti

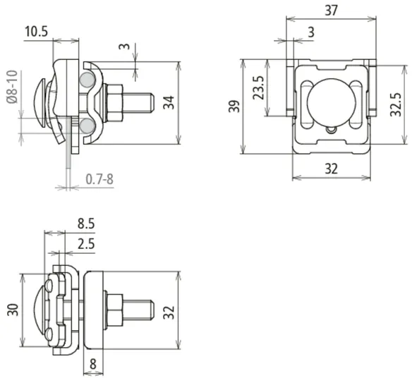
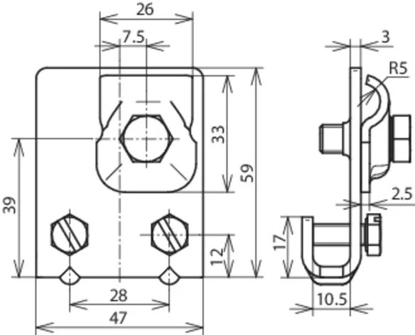
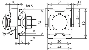
Art. 365030 FK KB 6.10 KBF0.7 8 STTZN

GTIN (EAN) 4013364046894, Codice doganale (EU): 85359000, Peso lordo: 102.00 g, UM: 50.00 pz.


Immagini

Maggior informazioni

Morsetto scanalato con cavallotto di fissaggio Fe/tZn
Morsetto scanalato per il collegamento di conduttori con scanalature ovvero per il collegamento di conduttori con scanalature di materiale diverso
Campo di serraggio scanalatura: 0,7-8 mm
Materiale morsetto: Fe/tZn
Spessore materiale: 3 mm
Riferimento norma: CEI EN 62561-1

Fabbricato: DEHN
Tipo: FK KB 6.10 KBF0.7 8 STTZN
Art.: 365030
o similare.

Certificati

 

Caratteristiche tecniche

Campo di serraggio scanalatura 0,7-8 mm
Materiale morsetto Fe/tZn
Campo di serraggio Td 6-10 mm
Riferimento norma CEI EN 62561-1
*) Per l’attribuzione precisa vedere il certificato di prova.

Prodotto 365030 è stato aggiunto al blocco note.

Prodotto 365030 è stato aggiunto al carrello.

Apri Web-Shop

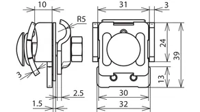
Art. 365031 FK KB 6.10 KBF0.7 8 AL

GTIN (EAN) 4013364055438, Codice doganale (EU): 85359000, Peso lordo: 50.60 g, UM: 50.00 pz.


Immagini

Maggior informazioni

Morsetto scanalato con cavallotto di fissaggio Al
Morsetto scanalato per il collegamento di conduttori con scanalature ovvero per il collegamento di conduttori con scanalature di materiale diverso
Campo di serraggio scanalatura: 0,7-8 mm
Materiale morsetto: Al
Spessore materiale: 3 mm
Riferimento norma: CEI EN 62561-1

Fabbricato: DEHN
Tipo: FK KB 6.10 KBF0.7 8 AL
Art.: 365031
o similare.

Certificati

 

Caratteristiche tecniche

Campo di serraggio scanalatura 0,7-8 mm
Materiale morsetto Al
Campo di serraggio Td 6-10 mm
Riferimento norma CEI EN 62561-1
*) Per l’attribuzione precisa vedere il certificato di prova.

Prodotto 365031 è stato aggiunto al blocco note.

Prodotto 365031 è stato aggiunto al carrello.

Apri Web-Shop

Art. 365037 FK KB 6.10 KBF0.7 8 CU

GTIN (EAN) 4013364046900, Codice doganale (EU): 85359000, Peso lordo: 105.00 g, UM: 50.00 pz.


Immagini

Maggior informazioni

Morsetto scanalato con cavallotto di fissaggio Cu
Morsetto scanalato per il collegamento di conduttori con scanalature ovvero per il collegamento di conduttori con scanalature di materiale diverso
Campo di serraggio scanalatura: 0,7-8 mm
Materiale morsetto: Cu
Spessore materiale: 3 mm
Riferimento norma: CEI EN 62561-1

Fabbricato: DEHN
Tipo: FK KB 6.10 KBF0.7 8 CU
Art.: 365037
o similare.

Certificati

 

Caratteristiche tecniche

Campo di serraggio scanalatura 0,7-8 mm
Materiale morsetto Cu
Campo di serraggio Td 6-10 mm
Riferimento norma CEI EN 62561-1
*) Per l’attribuzione precisa vedere il certificato di prova.

Prodotto 365037 è stato aggiunto al blocco note.

Prodotto 365037 è stato aggiunto al carrello.

Apri Web-Shop

Art. 365039 FK KB 6.10 KBF0.7 8 V2A

GTIN (EAN) 4013364057777, Codice doganale (EU): 85359000, Peso lordo: 90.90 g, UM: 50.00 pz.


Immagini

Maggior informazioni

Morsetto scanalato con cavallotto di fissaggio INOX
Morsetto scanalato per il collegamento di conduttori con scanalature ovvero per il collegamento di conduttori con scanalature di materiale diverso
Campo di serraggio scanalatura: 0,7-8 mm
Materiale morsetto: INOX
Spessore materiale: 2,5 mm
Riferimento norma: CEI EN 62561-1

Fabbricato: DEHN
Tipo: FK KB 6.10 KBF0.7 8 V2A
Art.: 365039
o similare.

Certificati

 

Caratteristiche tecniche

Campo di serraggio scanalatura 0,7-8 mm
Materiale morsetto INOX
Campo di serraggio Td 6-10 mm
Riferimento norma CEI EN 62561-1
*) Per l’attribuzione precisa vedere il certificato di prova.

Prodotto 365039 è stato aggiunto al blocco note.

Prodotto 365039 è stato aggiunto al carrello.

Apri Web-Shop

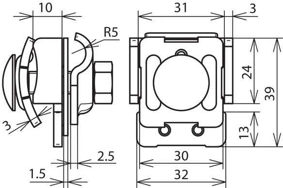
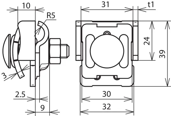
Con doppio cavallotto di fissaggio

Collegamento longitudinale oppure trasversale.

4 Prodotti

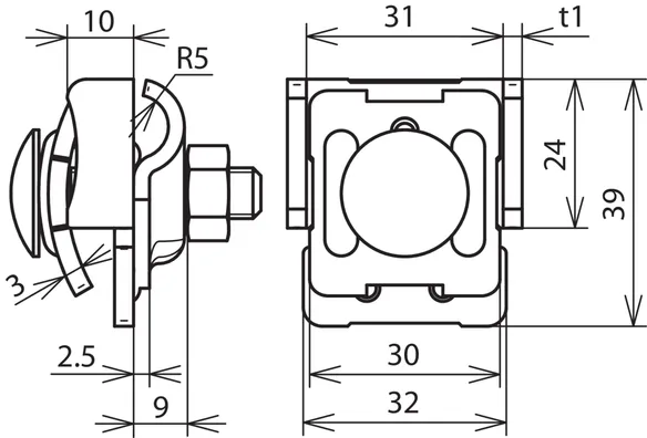
Art. 365010 FK DUL 8.10 KBF0.7 8 STTZN

GTIN (EAN) 4013364096318, Codice doganale (EU): 85359000, Peso lordo: 109.00 g, UM: 50.00 pz.


Immagini

Maggior informazioni

Morsetto scanalato con doppio cavallotto di fissaggio Fe/tZn
Morsetto scanalato per il collegamento di conduttori con scanalature ovvero per il collegamento di conduttori con scanalature di materiale diverso
Campo di serraggio scanalatura: 0,7-8 mm
Materiale morsetto: Fe/tZn
Spessore materiale: 3 mm
Riferimento norma: CEI EN 62561-1

Fabbricato: DEHN
Tipo: FK DUL 8.10 KBF0.7 8 STTZN
Art.: 365010
o similare.

Certificati

 

Caratteristiche tecniche

Campo di serraggio scanalatura 0,7-8 mm
Materiale morsetto Fe/tZn
Campo di serraggio Td 8-10 mm
Riferimento norma CEI EN 62561-1
*) Per l’attribuzione precisa vedere il certificato di prova.

Prodotto 365010 è stato aggiunto al blocco note.

Prodotto 365010 è stato aggiunto al carrello.

Apri Web-Shop

Art. 365011 FK DUL 6.10 KBF0.7 8 AL

GTIN (EAN) 4013364528826, Codice doganale (EU): 85359000, Peso lordo: 54.32 g, UM: 50.00 pz.


Immagini

Maggior informazioni

Morsetto scanalato con cavallotto doppio di fissaggio in alluminio
Morsetti scanalati per la connessione di conduttori con scanalature
Campo di serraggio scanalatura: 0,7-8 mm
Materiale morsetto: Al
Spessore materiale: 3 mm
Riferimento norma: CEI EN 62561-1

Fabbricato: DEHN
Tipo: FK DUL 6.10 KBF0.7 8 AL
Art.: 365011
o similare.

Certificati

 

Caratteristiche tecniche

Campo di serraggio scanalatura 0,7-8 mm
Materiale morsetto Al
Campo di serraggio Td 8-10 mm
Riferimento norma CEI EN 62561-1
*) Per l’attribuzione precisa vedere il certificato di prova.

Prodotto 365011 è stato aggiunto al blocco note.

Prodotto 365011 è stato aggiunto al carrello.

Apri Web-Shop

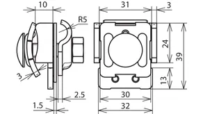
Art. 365017 FK DUL 8.10 KBF0.7 8 CU

GTIN (EAN) 4013364096349, Codice doganale (EU): 85359000, Peso lordo: 107.20 g, UM: 50.00 pz.


Immagini

Maggior informazioni

Morsetto scanalato con doppio cavallotto di fissaggio Cu
Morsetto scanalato per il collegamento di conduttori con scanalature ovvero per il collegamento di conduttori con scanalature di materiale diverso
Campo di serraggio scanalatura: 0,7-8 mm
Materiale morsetto: Cu
Spessore materiale: 3 mm
Riferimento norma: CEI EN 62561-1

Fabbricato: DEHN
Tipo: FK DUL 8.10 KBF0.7 8 CU
Art.: 365017
o similare.

Certificati

 

Caratteristiche tecniche

Campo di serraggio scanalatura 0,7-8 mm
Materiale morsetto Cu
Campo di serraggio Td 8-10 mm
Riferimento norma CEI EN 62561-1
*) Per l’attribuzione precisa vedere il certificato di prova.

Prodotto 365017 è stato aggiunto al blocco note.

Prodotto 365017 è stato aggiunto al carrello.

Apri Web-Shop

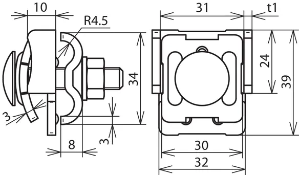
Art. 365019 FK DUL 6.10 KBF0.7 8 V2A

GTIN (EAN) 4013364096295, Codice doganale (EU): 85359000, Peso lordo: 85.00 g, UM: 50.00 pz.


Immagini

Maggior informazioni

Morsetto scanalato con doppio cavallotto di fissaggio INOX
Morsetto scanalato per il collegamento di conduttori con scanalature ovvero per il collegamento di conduttori con scanalature di materiale diverso
Campo di serraggio scanalatura: 0,7-8 mm
Materiale morsetto: INOX
Spessore materiale: 2,5 mm
Riferimento norma: CEI EN 62561-1

Fabbricato: DEHN
Tipo: FK DUL 6.10 KBF0.7 8 V2A
Art.: 365019
o similare.

Certificati

 

Caratteristiche tecniche

Campo di serraggio scanalatura 0,7-8 mm
Materiale morsetto INOX
Campo di serraggio Td 8-10 mm
Riferimento norma CEI EN 62561-1
*) Per l’attribuzione precisa vedere il certificato di prova.

Prodotto 365019 è stato aggiunto al blocco note.

Prodotto 365019 è stato aggiunto al carrello.

Apri Web-Shop

Con cavallotto di fissaggio e cavallotto doppio di fissaggio

1 Prodotto

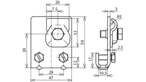
Art. 365018 FK KB DUL 6.10 KBF0.7 4 V2A

GTIN (EAN) 4013364535428, Codice doganale (EU): 85359000, Peso lordo: 108.00 g, UM: 50.00 pz.


Immagini

Maggior informazioni

Morsetto scanalato con cavallotto di fissaggio e cavallotto doppio di fissaggio in acciaio inossidabile
Morsetti scanalati per la connessione di conduttori con scanalature
Campo di serraggio scanalatura: 0,7-4 mm
Materiale morsetto: INOX
Spessore materiale: 2,5 mm
Riferimento norma: CEI EN 62561-1

Fabbricato: DEHN
Tipo: FK KB DUL 6.10 KBF0.7 4 V2A
Art.: 365018
o similare.

Certificati

 

Caratteristiche tecniche

Campo di serraggio scanalatura 0,7-4 mm
Materiale morsetto INOX
Campo di serraggio Td 8-10 mm
Riferimento norma CEI EN 62561-1

Prodotto 365018 è stato aggiunto al blocco note.

Prodotto 365018 è stato aggiunto al carrello.

Apri Web-Shop

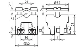
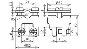
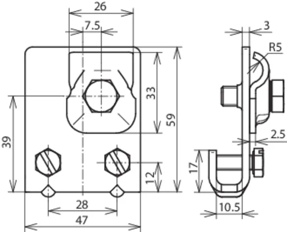
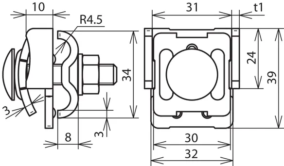
Con cavallotto di fissaggio a due viti

Collegamento longitudinale oppure trasversale.

2 Prodotti

Art. 251002 FK ZS 7.10 KF0.7 8 STTZN

GTIN (EAN) 4013364095779, Codice doganale (EU): 85359000, Peso lordo: 137.40 g, UM: 50.00 pz.


Immagini

Maggior informazioni

Morsetto scanalato con cavallotto di fissaggio a due viti Fe/tZn
Morsetto scanalato per il collegamento di conduttori con scanalature ovvero per il collegamento di conduttori con scanalature di materiale diverso
Campo di serraggio scanalatura: 0,7-5 mm
Materiale morsetto: Fe/tZn
Spessore materiale: 2,5 mm
Riferimento norma: CEI EN 62561-1

Fabbricato: DEHN
Tipo: FK ZS 7.10 KF0.7 8 STTZN
Art.: 251002
o similare.

Certificati

 

Caratteristiche tecniche

Campo di serraggio scanalatura 0,7-5 mm
Materiale morsetto Fe/tZn
Campo di serraggio Td 7-10 mm
Riferimento norma CEI EN 62561-1
*) Per l’attribuzione precisa vedere il certificato di prova.

Prodotto 251002 è stato aggiunto al blocco note.

Prodotto 251002 è stato aggiunto al carrello.

Apri Web-Shop

Art. 251027 FK ZS 7.10 KF0.7 8 CU

GTIN (EAN) 4013364096394, Codice doganale (EU): 85359000, Peso lordo: 150.40 g, UM: 50.00 pz.


Immagini

Maggior informazioni

Morsetto scanalato con cavallotto di fissaggio a due viti Cu
Morsetto scanalato per il collegamento di conduttori con scanalature ovvero per il collegamento di conduttori con scanalature di materiale diverso
Campo di serraggio scanalatura: 0,7-5 mm
Materiale morsetto: Cu
Spessore materiale: 2,5 mm
Riferimento norma: CEI EN 62561-1

Fabbricato: DEHN
Tipo: FK ZS 7.10 KF0.7 8 CU
Art.: 251027
o similare.

Certificati

 

Caratteristiche tecniche

Campo di serraggio scanalatura 0,7-5 mm
Materiale morsetto Cu
Campo di serraggio Td 7-10 mm
Riferimento norma CEI EN 62561-1
*) Per l’attribuzione precisa vedere il certificato di prova.

Prodotto 251027 è stato aggiunto al blocco note.

Prodotto 251027 è stato aggiunto al carrello.

Apri Web-Shop

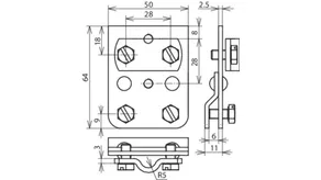
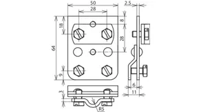
Con cavallotto di fissaggio a due viti, p.es. per scanalature verticali

Collegamento longitudinale oppure trasversale.

2 Prodotti

Art. 365000 FK ZS 7.10 KBF0.7 6 ZG

GTIN (EAN) 4013364024731, Codice doganale (EU): 85359000, Peso lordo: 111.00 g, UM: 50.00 pz.


Immagini

Maggior informazioni

Morsetto scanalato con cavallotto di fissaggio a due viti, p.es. per scanalature verticali ZM
Morsetto scanalato per il collegamento di conduttori con scanalature ovvero per il collegamento di conduttori con scanalature di materiale diverso
Campo di serraggio scanalatura: 0,7-6 mm
Materiale morsetto: ZM
Riferimento norma: CEI EN 62561-1

Fabbricato: DEHN
Tipo: FK ZS 7.10 KBF0.7 6 ZG
Art.: 365000
o similare.

Certificati

 

Caratteristiche tecniche

Campo di serraggio scanalatura 0,7-6 mm
Materiale morsetto ZM
Campo di serraggio Td 7-10 mm
Riferimento norma CEI EN 62561-1
*) Per l’attribuzione precisa vedere il certificato di prova.

Prodotto 365000 è stato aggiunto al blocco note.

Prodotto 365000 è stato aggiunto al carrello.

Apri Web-Shop

Art. 365007 FK ZS 7.10 KBF0.7 6 RG

GTIN (EAN) 4013364024748, Codice doganale (EU): 85359000, Peso lordo: 133.40 g, UM: 50.00 pz.


Immagini

Maggior informazioni

Morsetto scanalato con cavallotto di fissaggio a due viti, p.es. per scanalature verticali bronzo
Morsetto scanalato per il collegamento di conduttori con scanalature ovvero per il collegamento di conduttori con scanalature di materiale diverso
Campo di serraggio scanalatura: 0,7-6 mm
Materiale morsetto: bronzo
Riferimento norma: CEI EN 62561-1

Fabbricato: DEHN
Tipo: FK ZS 7.10 KBF0.7 6 RG
Art.: 365007
o similare.

Certificati

 

Caratteristiche tecniche

Campo di serraggio scanalatura 0,7-6 mm
Materiale morsetto bronzo
Campo di serraggio Td 7-10 mm
Riferimento norma CEI EN 62561-1
*) Per l’attribuzione precisa vedere il certificato di prova.

Prodotto 365007 è stato aggiunto al blocco note.

Prodotto 365007 è stato aggiunto al carrello.

Apri Web-Shop

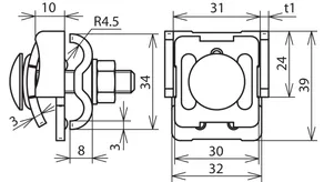
Con cavallotto di fissaggio, da agganciare su scanalature

Vicine alla copertura oppure alla parete.
Collegamento longitudinale oppure trasversale.

2 Prodotti

Art. 365020 FK KB 6.10 KBF0.7 10 STTZN

GTIN (EAN) 4013364035126, Codice doganale (EU): 85359000, Peso lordo: 122.40 g, UM: 50.00 pz.


Immagini

Maggior informazioni

Morsetto scanalato con cavallotto di fissaggio, da agganciare su scanalature Fe/tZn
Morsetto scanalato per il collegamento di conduttori con scanalature ovvero per il collegamento di conduttori con scanalature di materiale diverso
Campo di serraggio scanalatura: 0,7-10 mm
Materiale morsetto: Fe/tZn
Spessore materiale: 3 mm
Riferimento norma: CEI EN 62561-1

Fabbricato: DEHN
Tipo: FK KB 6.10 KBF0.7 10 STTZN
Art.: 365020
o similare.

Certificati

 

Caratteristiche tecniche

Campo di serraggio scanalatura 0,7-10 mm
Materiale morsetto Fe/tZn
Campo di serraggio Td 6-10 mm
Riferimento norma CEI EN 62561-1
*) Per l’attribuzione precisa vedere il certificato di prova.

Prodotto 365020 è stato aggiunto al blocco note.

Prodotto 365020 è stato aggiunto al carrello.

Apri Web-Shop

Art. 365027 FK KB 6.10 KBF0.7 10 CU

GTIN (EAN) 4013364035133, Codice doganale (EU): 85359000, Peso lordo: 147.90 g, UM: 50.00 pz.


Immagini

Maggior informazioni

Morsetto scanalato con cavallotto di fissaggio, da agganciare su scanalature
Morsetto scanalato per il collegamento di conduttori con scanalature ovvero per il collegamento di conduttori con scanalature di materiale diverso
Campo di serraggio scanalatura: 0,7-10 mm
Materiale morsetto: Cu
Spessore materiale: 3 mm
Riferimento norma: CEI EN 62561-1

Fabbricato: DEHN
Tipo: FK KB 6.10 KBF0.7 10 CU
Art.: 365027
o similare.

Certificati

 

Caratteristiche tecniche

Campo di serraggio scanalatura 0,7-10 mm
Materiale morsetto Cu
Campo di serraggio Td 6-10 mm
Riferimento norma CEI EN 62561-1
*) Per l’attribuzione precisa vedere il certificato di prova.

Prodotto 365027 è stato aggiunto al blocco note.

Prodotto 365027 è stato aggiunto al carrello.

Apri Web-Shop

Con cavallotto di fissaggio a due viti, da agganciare su scanalature

Vicine alla copertura oppure alla parete.
Collegamento longitudinale oppure trasversale.

2 Prodotti

Art. 365040 FK ZS 7.10 KBF0.7 10 STTZN

GTIN (EAN) 4013364069053, Codice doganale (EU): 85359000, Peso lordo: 126.40 g, UM: 50.00 pz.


Immagini

Maggior informazioni

Morsetto scanalato con cavallotto di fissaggio a due viti, da agganciare su scanalature Fe/tZn
Morsetto scanalato per il collegamento di conduttori con scanalature ovvero per il collegamento di conduttori con scanalature di materiale diverso
Campo di serraggio scanalatura: 0,7-10 mm
Materiale morsetto: Fe/tZn
Spessore materiale: 3 mm
Riferimento norma: CEI EN 62561-1

Fabbricato: DEHN
Tipo: FK ZS 7.10 KBF0.7 10 STTZN
Art.: 365040
o similare.

Certificati

 

Caratteristiche tecniche

Campo di serraggio scanalatura 0,7-10 mm
Materiale morsetto Fe/tZn
Campo di serraggio Td 7-10 mm
Riferimento norma CEI EN 62561-1
*) Per l’attribuzione precisa vedere il certificato di prova.

Prodotto 365040 è stato aggiunto al blocco note.

Prodotto 365040 è stato aggiunto al carrello.

Apri Web-Shop

Art. 365047 FK ZS 7.10 KBF0.7 10 CU

GTIN (EAN) 4013364069046, Codice doganale (EU): 85359000, Peso lordo: 141.40 g, UM: 50.00 pz.


Immagini

Maggior informazioni

Morsetto scanalato con cavallotto di fissaggio a due viti, da agganciare su scanalature Cu
Morsetto scanalato per il collegamento di conduttori con scanalature ovvero per il collegamento di conduttori con scanalature di materiale diverso
Campo di serraggio scanalatura: 0,7-10 mm
Materiale morsetto: Cu
Spessore materiale: 3 mm
Riferimento norma: CEI EN 62561-1

Fabbricato: DEHN
Tipo: FK ZS 7.10 KBF0.7 10 CU
Art.: 365047
o similare.

Certificati

 

Caratteristiche tecniche

Campo di serraggio scanalatura 0,7-10 mm
Materiale morsetto Cu
Campo di serraggio Td 7-10 mm
Riferimento norma CEI EN 62561-1
*) Per l’attribuzione precisa vedere il certificato di prova.

Prodotto 365047 è stato aggiunto al blocco note.

Prodotto 365047 è stato aggiunto al carrello.

Apri Web-Shop

Esecuzione bimetallico per scanalature Cu con piastra intermedia (Cupal)

1 Prodotto

Art. 365117 ZMFK KB 6.10 KBF0.7 8 STTZN CU

GTIN (EAN) 4013364035331, Codice doganale (EU): 85359000, Peso lordo: 116.60 g, UM: 50.00 pz.


Immagini

Maggior informazioni

Morsetto scanalato Esecuzione bimetallico per scanalature Cu con piastra intermedia (Cupal) Fe/tZn / Cu
Morsetto scanalato per il collegamento di conduttori con scanalature ovvero per il collegamento di conduttori con scanalature di materiale diverso
Campo di serraggio scanalatura: 0,7-8 mm
Materiale morsetto: Fe/tZn / Cu
Riferimento norma: CEI EN 62561-1

Fabbricato: DEHN
Tipo: ZMFK KB 6.10 KBF0.7 8 STTZN CU
Art.: 365117
o similare.

Certificati

 

Caratteristiche tecniche

Campo di serraggio scanalatura 0,7-8 mm
Materiale morsetto Fe/tZn / Cu
Campo di serraggio Td 6-10 mm
Riferimento norma CEI EN 62561-1
*) Per l’attribuzione precisa vedere il certificato di prova.

Prodotto 365117 è stato aggiunto al blocco note.

Prodotto 365117 è stato aggiunto al carrello.

Apri Web-Shop

Esecuzione bimetallico per scanalature Fe/tZn con piastra intermedia (Cupal)

1 Prodotto

Art. 365127 ZMFK KB 6.10 KBF0.7 8 CU STTZN

GTIN (EAN) 4013364080317, Codice doganale (EU): 85359000, Peso lordo: 106.00 g, UM: 1.00 pz.


Immagini

Maggior informazioni

Morsetto scanalato Esecuzione bimetallico per scanalature Fe/tZn con piastra intermedia (Cupal) Cu / Fe/tZn
Morsetto scanalato per il collegamento di conduttori con scanalature ovvero per il collegamento di conduttori con scanalature di materiale diverso
Campo di serraggio scanalatura: 0,7-8 mm
Materiale morsetto: Cu / Fe/tZn

Fabbricato: DEHN
Tipo: ZMFK KB 6.10 KBF0.7 8 CU STTZN
Art.: 365127
o similare.

 

Caratteristiche tecniche

Campo di serraggio scanalatura 0,7-8 mm
Materiale morsetto Cu / Fe/tZn
Campo di serraggio Td 6-10 mm
*) Per l’attribuzione precisa vedere il certificato di prova.

Prodotto 365127 è stato aggiunto al blocco note.

Prodotto 365127 è stato aggiunto al carrello.

Apri Web-Shop

back to top