Elementi di fissaggio per tubi portanti

1 Prodotto

Art. 105342 WB D40.50 SE WA46 V2A

GTIN (EAN) 4013364111141, Codice doganale (EU): 85389099, Peso lordo: 514.00 g, UM: 1.00 pz.


Immagini

Maggior informazioni

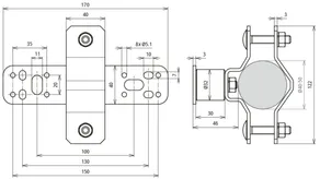
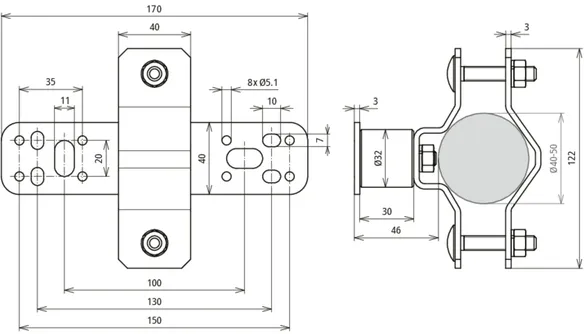
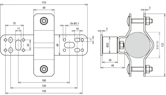
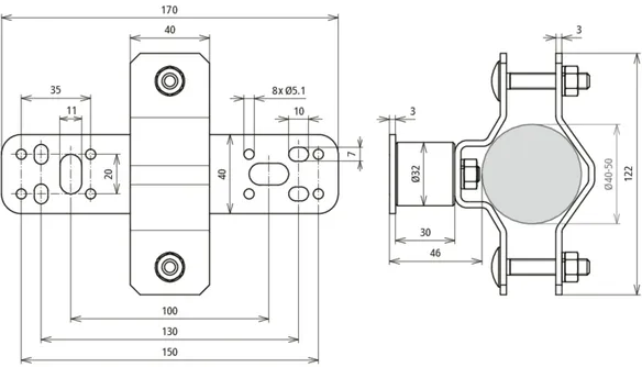
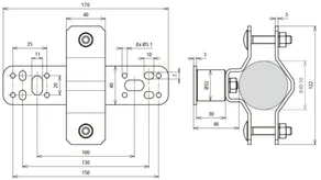
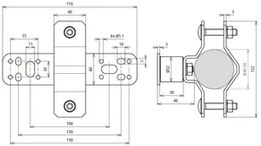
Staffa per aste di captazione D40 e DEHNcon-H INOX montaggio verticale
Staffa per aste di captazione D40 e DEHNcon-H
per il fissaggio delle aste di captazione D40
o dei tubi portanti
sulla costruzione da proteggere o sulla parete

Fabbricato: DEHN
Tipo: WB D40.50 SE WA46 V2A
Art.: 105342
o similare.

Certificati

 

Caratteristiche tecniche

Materiale INOX
Fori di fissaggio [8x] Ø5,1 / [4x] 7 x 10 / [2x] 11 x 20 mm
Distanza da parete 46 mm
Campo serraggio asta di captazione 40-50 mm
Materiale vite INOX

Prodotto 105342 è stato aggiunto al blocco note.

Prodotto 105342 è stato aggiunto al carrello.

Apri Web-Shop

back to top