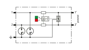
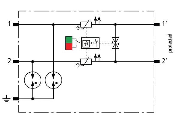
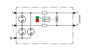
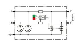
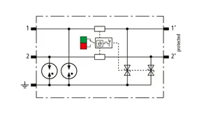
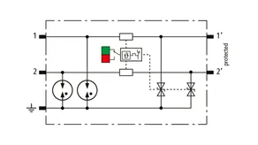
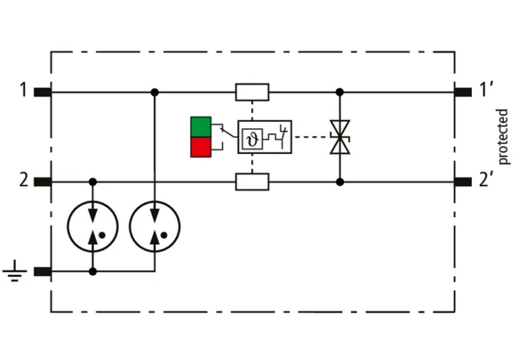
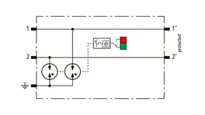
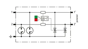
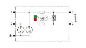
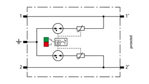
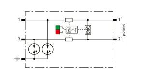
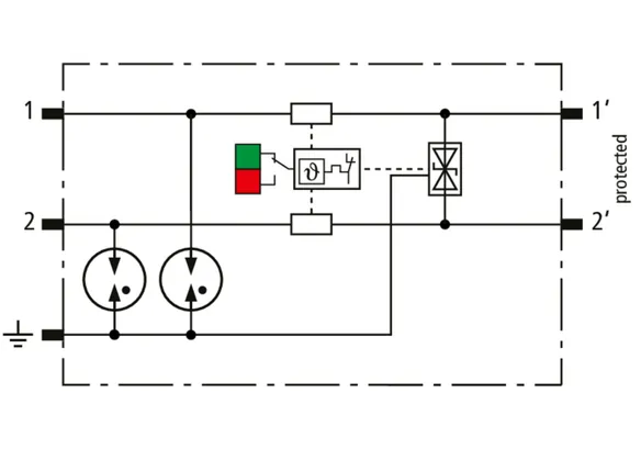
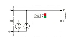
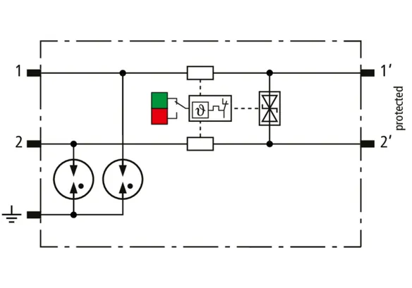
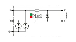
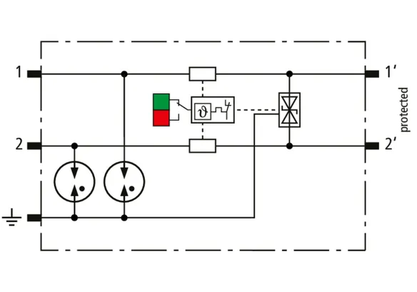
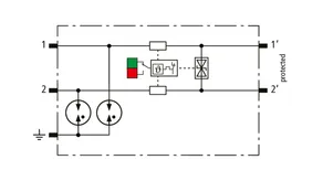
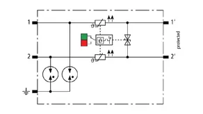
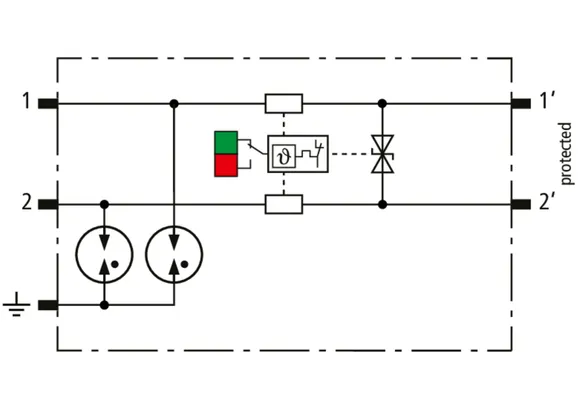
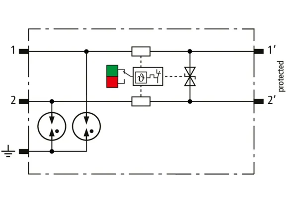
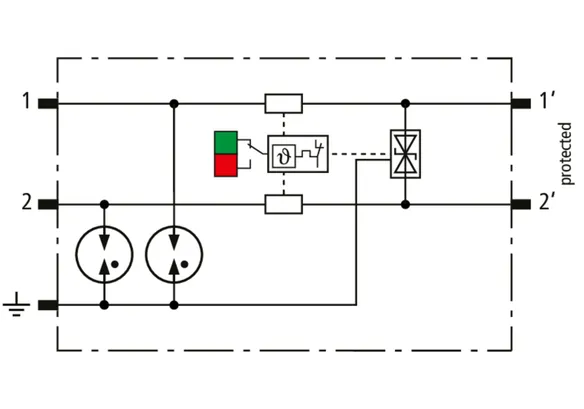
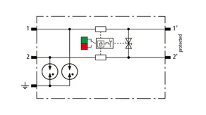
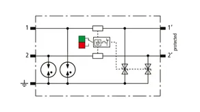
BLITZDUCTORconnect – modulare

Scaricatore di corrente di fulmine e di sovratensioni utilizzabile in modo universale
  • Per la protezione di circuiti CMR, di sistemi bus e di sistemi di telecomunicazione
  • Elevata capacità di scarica complessiva 3 kA (10/350 µs), 10 kA (8/20 µs)
  • Massima capacità di carico di corrente impulsiva (8/20µs) Imax fino a 20 kA
  • Livello di protezione basso, adatto anche per la protezione di utenze finali
Limitatore divisibile in modulo e basetta
  • Connessione del cavo più rapida e più facile tramite la tecnologia di connessione Push-In
  • Tutti i componenti di protezione sono integrati nel modulo
  • Tasti di sblocco secR su entrambi i lati, per la sostituzione del modulo in sicurezza
  • Elevata disponibilità dell'impianto grazie al comportamento fail-safe
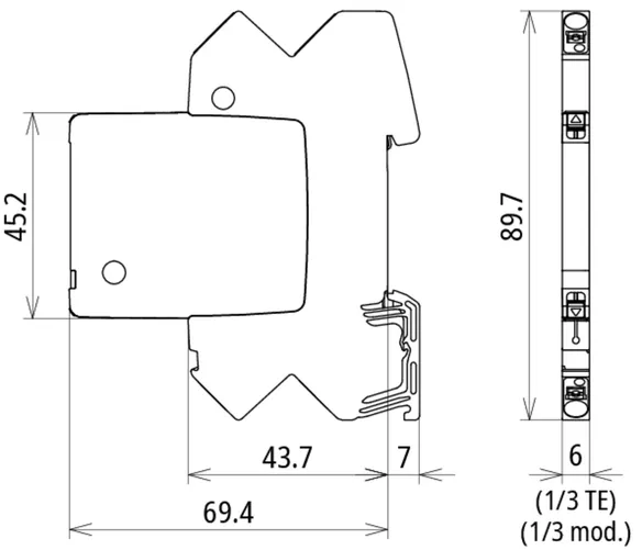
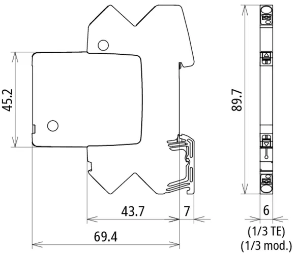
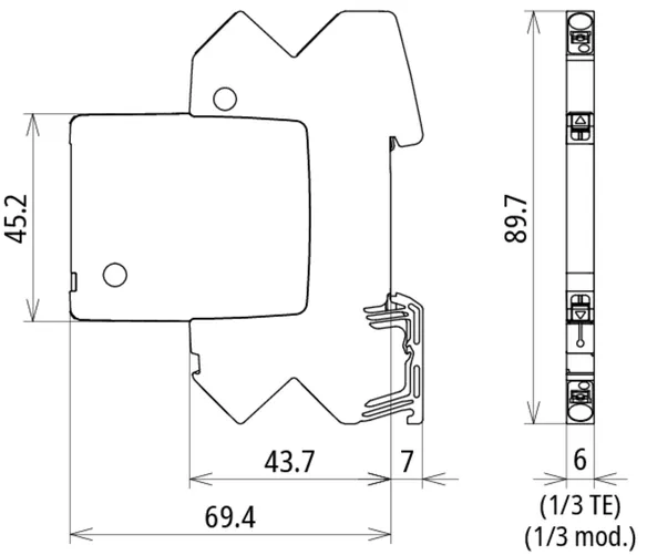
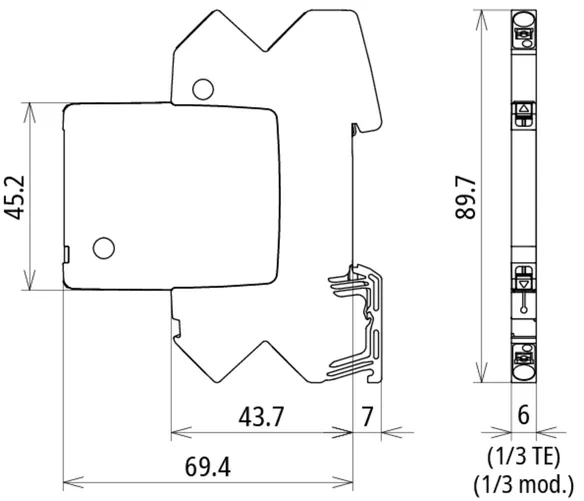
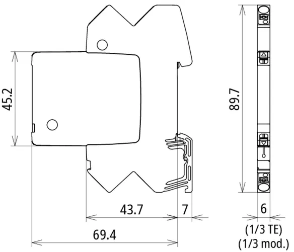
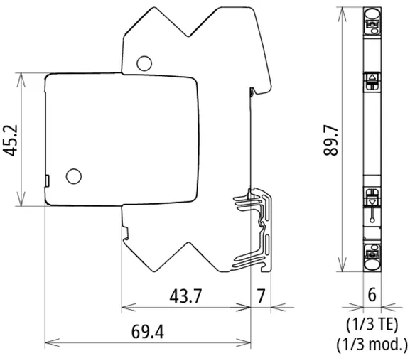
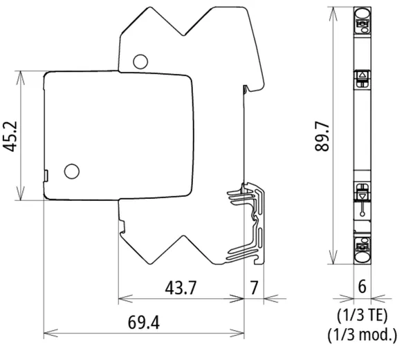
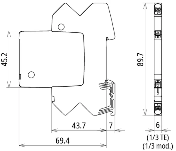
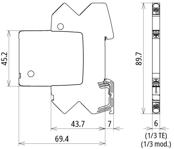
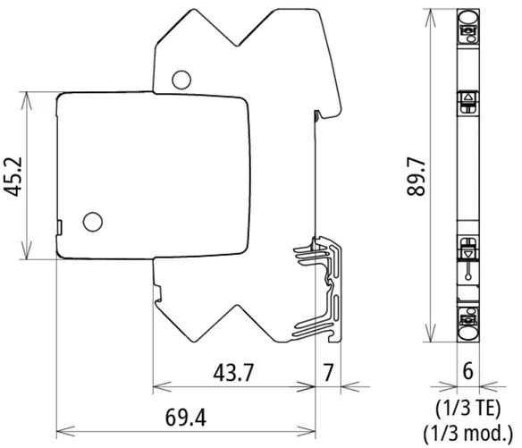
Design del dispositivo ottimizzato dal punto di vista funzionale, con una larghezza d'installazione di 6 mm
  • LifeCheck integrato nel modulo e indicazione ottica dello stato
  • Semplice comunicazione dello stato da remoto con unità di telesegnalamento su richiesta
  • Separazione senza utensili del circuito di segnale per scopi di manutenzione
  • Resistente alle vibrazioni e agli urti, per un funzionamento sicuro

Dettagli

Massima affidabilità dell'impianto
Omologazioni per l’impiego in circuiti di misura a sicurezza intrinseca
lorem ipsum
Prova veloce e facile
Indicazione integrata per una manutenzione semplice e veloce
lorem ipsum
Connect = Protect
Comunicazione semplice di stato con controllo dell’SPD per gruppi di limitatori di protezione
lorem ipsum
Blocco sicuro e rimozione precisa
I tasti di sblocco secR su entrambi i lati per una maneggevolezza sicura
lorem ipsum

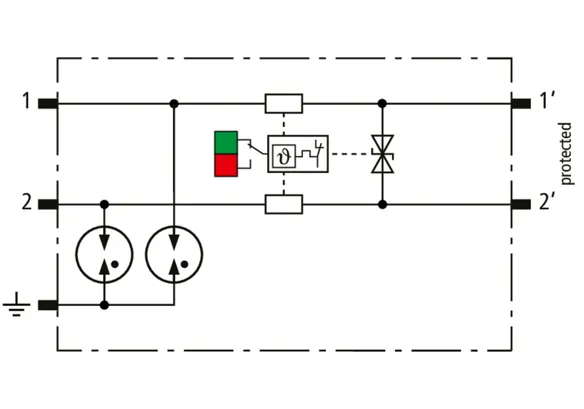
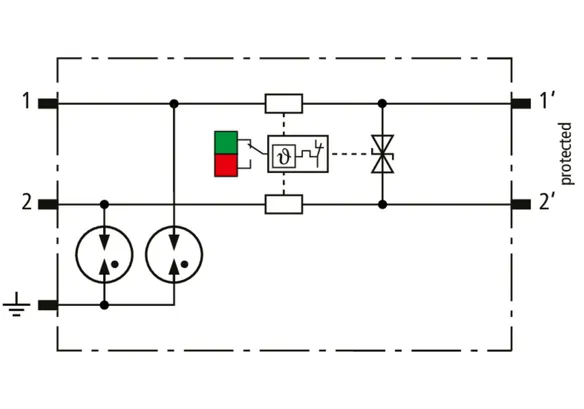
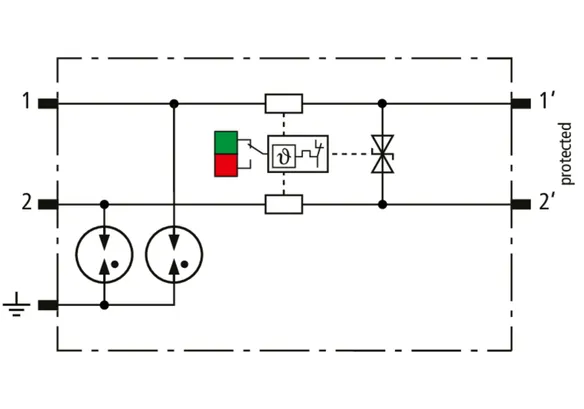
BCO ML2 B 180

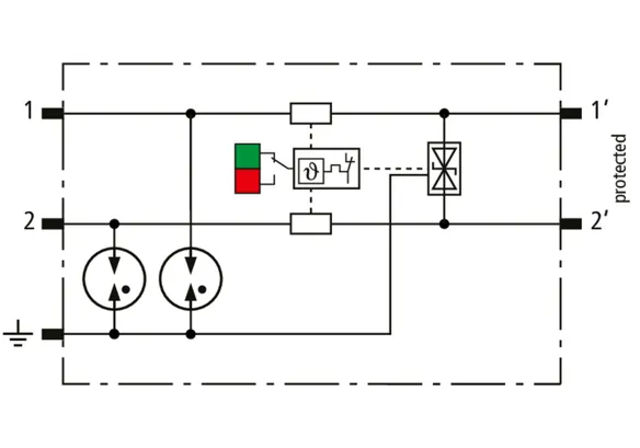
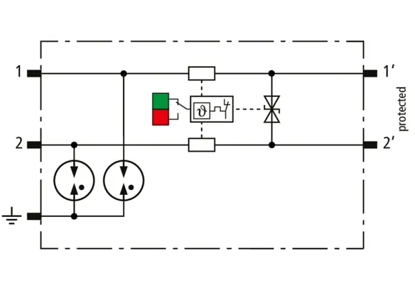
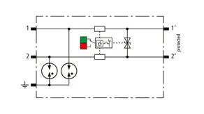
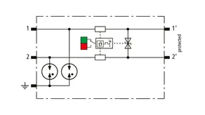
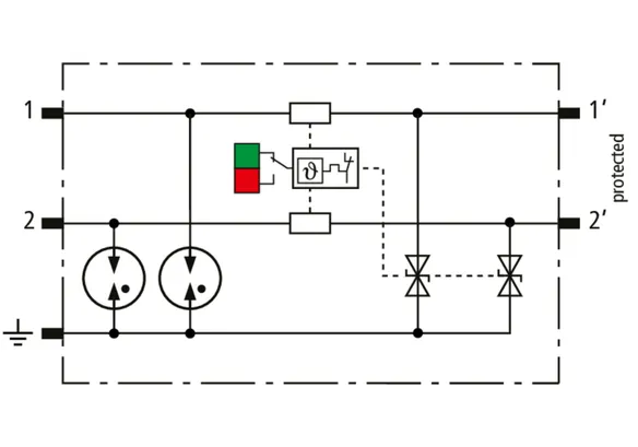
Scaricatore per corrente di fulmine modulare, in esecuzione stretta da 6 mm e connessione Push-In con indicazione di stato per la protezione di 2 fili singoli per l’equipotenzialità antifulmine e l’esecuzione di una messa a terra indiretta di conduttori schermati. Con sezionamento del segnale per motivi di manutenzione.

1 Prodotto

Art. 927210 BCO ML2 B 180

GTIN (EAN) 4013364405585, Codice doganale (EU): 85363010, Peso lordo: 57.75 g, UM: 1.00 pz.


Immagini

Maggior informazioni

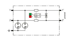
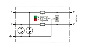
Scaricatore per corrente di fulmine BLITZDUCTORconnect ML2 B 180
Scaricatore per corrente di fulmine modulare innestabile
per la protezione di 2 fili singoli per il
collegamento equipotenziale antifulmine e per la realizzazione
di una messa a terra indiretta dei conduttori schermati
collaudato secondo la noma EN/IEC 61643-21 ed energeticamente
coordinato secondo la norma EN IEC 61643-22
classe SPD tipo 1
Categoria d’impulso: C2, C3, B2, D1
Indicatore di stato, larghezza d’installazione 6 mm
Tensione massima continuativa: 180,0 V DC / 127,0 V AC
Corrente nominale a 80 °C: 1,2 A
C2 corrente impulsiva nominale di scarica per ciascun filo (8/20): 5 kA
C2 corrente impulsiva nominale di scarica complessiva (8/20): 10 kA
D1 corrente impulsiva di fulmine (10/350 µs) per ciascun filo: 1,5 kA
D1 corrente impulsiva di fulmine (10/350 µs) complessiva: 3 kA
con separazione di segnale per scopi di manutenzione
Collegamento del conduttore: Push-in

Fabbricato: DEHN
Tipo: BCO ML2 B 180
Art.: 927210
o similare.

Certificati

 

Caratteristiche tecniche

Classe SPD A
Tensione nominale (UN ) 180 V
Tensione massima continuativa DC (UC ) 180 V
D1 corrente impulsiva di fulmine (10/350 µs) per filo (Iimp ) 1,5 kA
C2 corrente impulsiva nominale di scarica (8/20 µs) complessiva (In ) 10 kA
Impedenza longitudinale per filo 0 Ohm
Omologazioni UL 497B, CSA, ATEX, IECEx, CCC, SIL
*) Per i dettagli, vedere: www.dehn.de

Prodotto 927210 è stato aggiunto al blocco note.

Prodotto 927210 è stato aggiunto al carrello.

Apri Web-Shop

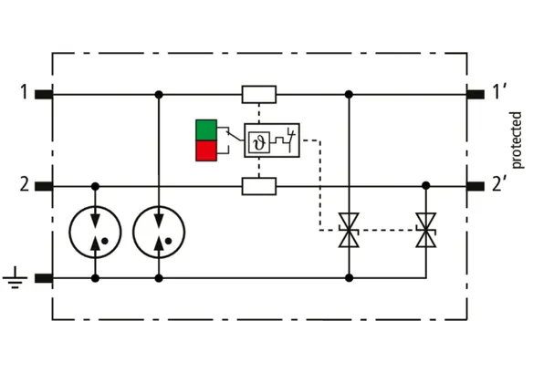
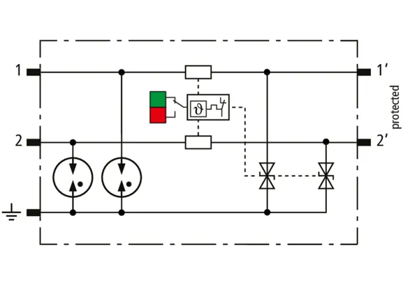
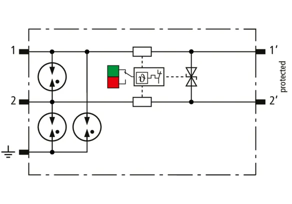
BCO ML2 BE

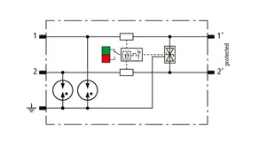
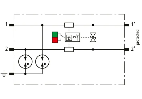
Scaricatore combinato modulare, in esecuzione stretta da 6 mm e connessione Push-in con indicazione di funzionamento per la protezione di 2 fili singoli con potenziale di riferimento comune e di interfacce asimmetriche. Con sezionamento del segnale per motivi di manutenzione.

4 Prodotti

Art. 927222 BCO ML2 BE 12

GTIN (EAN) 4013364405592, Codice doganale (EU): 85363010, Peso lordo: 59.19 g, UM: 1.00 pz.

Predecessore

Immagini

Maggior informazioni

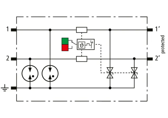
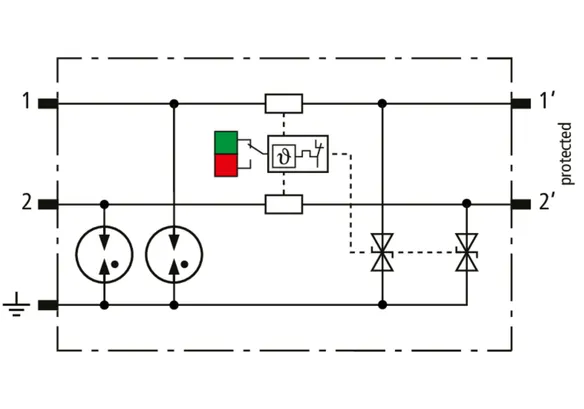
Scaricatore combinato BLITZDUCTORconnect ML2 BE 12
scaricatore combinato modulare innestabile
per la protezione di 2 conduttori singoli con potenziale di riferimento
comune e interfacce asimmetriche
collaudato secondo la norma EN/IEC 61643-21 ed energeticamente
coordinato secondo la norma IEC 61643-22
Classe SPD tipo 1 / P1
Categoria d’impulso: C1, C2, C3, B2, D1
Indicatore di stato, larghezza d’installazione 6 mm
Tensione massima continuativa: 15,0 V DC / 10,6 V AC
Corrente nominale a 70 °C: 0,75 A
C2 corrente impulsiva nominale di scarica per ciascun filo (8/20): 5 kA
C2 corrente impulsiva nominale di scarica complessiva (8/20): 10 kA
D1 corrente impulsiva di fulmine (10/350 µs) per ciascun filo: 1,5 kA
D1 corrente impulsiva di fulmine (10/350 µs) complessiva: 3 kA
con sezionamento del segnale per scopi di manutenzione
Collegamento del conduttore: Push-in

Fabbricato: DEHN
Tipo: BCO ML2 BE 12
Art.: 927222
o similare.

Certificati

 

Caratteristiche tecniche

Classe SPD M
Tensione nominale (UN ) 12 V
Tensione massima continuativa DC (UC ) 15 V
Corrente nominale con 70 °C (IL ) 0,75 A
D1 corrente impulsiva di fulmine (10/350 µs) per filo (Iimp ) 1,5 kA
C2 corrente impulsiva nominale di scarica (8/20 µs) complessiva (In ) 10 kA
Impedenza longitudinale per filo 1 Ohm
Frequenza limite filo-filo (fG ) 1,4 MHz
Omologazioni UL 479B, CSA, ATEX, IECEx, CCC, SIL
*) Per i dettagli, vedere: www.dehn.de

Prodotto 927222 è stato aggiunto al blocco note.

Prodotto 927222 è stato aggiunto al carrello.

Apri Web-Shop

Art. 927224 BCO ML2 BE 24

GTIN (EAN) 4013364405608, Codice doganale (EU): 85363010, Peso lordo: 59.68 g, UM: 1.00 pz.

Predecessore

Immagini

Maggior informazioni

Scaricatore combinato BLITZDUCTORconnect ML2 BE 24
scaricatore combinato modulare innestabile
per la protezione di 2 conduttori singoli con potenziale di riferimento
comune e interfacce asimmetriche
collaudato secondo la norma EN/IEC 61643-21 ed energeticamente
coordinato secondo la norma IEC 61643-22
Classe SPD tipo 1 / P1
Categoria d’impulso: C1, C2, C3, B2, D1
Indicatore di stato, larghezza d’installazione 6 mm
Tensione massima continuativa: 33,0 V DC / 23,3 V AC
Corrente nominale a 70 °C: 0,75 A
C2 corrente impulsiva nominale di scarica per ciascun filo (8/20): 5 kA
C2 corrente impulsiva nominale di scarica complessiva (8/20): 10 kA
D1 corrente impulsiva di fulmine (10/350 µs) per ciascun filo: 1,5 kA
D1 corrente impulsiva di fulmine (10/350 µs) complessiva: 3 kA
con sezionamento del segnale per scopi di manutenzione
Collegamento del conduttore: Push-in

Fabbricato: DEHN
Tipo: BCO ML2 BE 24
Art.: 927224
o similare.

Certificati

 

Caratteristiche tecniche

Classe SPD M
Tensione nominale (UN ) 24 V
Tensione massima continuativa DC (UC ) 33 V
Corrente nominale con 70 °C (IL ) 0,75 A
D1 corrente impulsiva di fulmine (10/350 µs) per filo (Iimp ) 1,5 kA
C2 corrente impulsiva nominale di scarica (8/20 µs) complessiva (In ) 10 kA
Impedenza longitudinale per filo 1 Ohm
Frequenza limite filo-filo (fG ) 3,4 MHz
Omologazioni UL 497B, CSA, ATEX, IECEx, CCC, SIL
*) Per i dettagli, vedere: www.dehn.de

Prodotto 927224 è stato aggiunto al blocco note.

Prodotto 927224 è stato aggiunto al carrello.

Apri Web-Shop

Art. 927225 BCO ML2 BE 48

GTIN (EAN) 4013364405615, Codice doganale (EU): 85363010, Peso lordo: 58.22 g, UM: 1.00 pz.

Predecessore

Immagini

Maggior informazioni

Scaricatore combinato BLITZDUCTORconnect ML2 BE 48
scaricatore combinato modulare innestabile
per la protezione di 2 conduttori singoli con potenziale di riferimento
comune e interfacce asimmetriche
collaudato secondo la norma EN/IEC 61643-21 ed energeticamente
coordinato secondo la norma IEC 61643-22
Classe SPD tipo 1 / P1
Categoria d’impulso: C1, C2, C3, B2, D1
Indicatore di stato, larghezza d’installazione 6 mm
Tensione massima continuativa: 54,0 V DC / 38,1 V AC
Corrente nominale a 70 °C: 0,75 A
C2 corrente impulsiva nominale di scarica per ciascun filo (8/20): 5 kA
C2 corrente impulsiva nominale di scarica complessiva (8/20): 10 kA
D1 corrente impulsiva di fulmine (10/350 µs) per ciascun filo: 1,5 kA
D1 corrente impulsiva di fulmine (10/350 µs) complessiva: 3 kA
con sezionamento del segnale per scopi di manutenzione
Collegamento del conduttore: Push-in

Fabbricato: DEHN
Tipo: BCO ML2 BE 48
Art.: 927225
o similare.

Certificati

 

Caratteristiche tecniche

Classe SPD M
Tensione nominale (UN ) 48 V
Tensione massima continuativa DC (UC ) 54 V
Corrente nominale con 70 °C (IL ) 0,75 A
D1 corrente impulsiva di fulmine (10/350 µs) per filo (Iimp ) 1,5 kA
C2 corrente impulsiva nominale di scarica (8/20 µs) complessiva (In ) 10 kA
Impedenza longitudinale per filo 1 Ohm
Frequenza limite filo-filo (fG ) 5 MHz
Omologazioni UL 497B, CSA, ATEX, IECEx, CCC, SIL
*) Per i dettagli, vedere: www.dehn.de

Prodotto 927225 è stato aggiunto al blocco note.

Prodotto 927225 è stato aggiunto al carrello.

Apri Web-Shop

Art. 927227 BCO ML2 BE 180

GTIN (EAN) 4013364468658, Codice doganale (EU): 85363010, Peso lordo: 58.85 g, UM: 1.00 pz.

Predecessore

Immagini

Maggior informazioni

Scaricatore combinato BLITZDUCTORconnect ML2 BE 180
scaricatore combinato modulare innestabile
per la protezione di 2 conduttori singoli con potenziale di riferimento
comune e interfacce asimmetriche
collaudato secondo la norma EN/IEC 61643-21 ed energeticamente
coordinato secondo la norma IEC 61643-22
Classe SPD tipo 1 / P1
Categoria d’impulso: C1, C2, C3, B2, D1
Indicatore di stato, larghezza d’installazione 6 mm
Tensione massima continuativa: 180 V DC / 127 V AC
Corrente nominale a 70 °C: 0,5 A
C2 corrente impulsiva nominale di scarica per ciascun filo (8/20): 5 kA
C2 corrente impulsiva nominale di scarica complessiva (8/20): 10 kA
D1 corrente impulsiva di fulmine (10/350 µs) per ciascun filo: 1,5 kA
D1 corrente impulsiva di fulmine (10/350 µs) complessiva: 3 kA
con sezionamento del segnale per scopi di manutenzione
Collegamento del conduttore: Push-in

Fabbricato: DEHN
Tipo: BCO ML2 BE 180
Art.: 927227
o similare.

Certificati

 

Caratteristiche tecniche

Classe SPD M
Tensione nominale (UN ) 180 V
Tensione massima continuativa DC (UC ) 180 V
Corrente nominale con 70 °C (IL ) 0,5 A
D1 corrente impulsiva di fulmine (10/350 µs) per filo (Iimp ) 1,5 kA
C2 corrente impulsiva nominale di scarica (8/20 µs) complessiva (In ) 10 kA
Impedenza longitudinale per filo 1,8 Ohm
Frequenza limite filo-filo (fG ) 10 MHz
Omologazioni UL 497B, SIL
*) Per i dettagli, vedere: www.dehn.de

Prodotto 927227 è stato aggiunto al blocco note.

Prodotto 927227 è stato aggiunto al carrello.

Apri Web-Shop

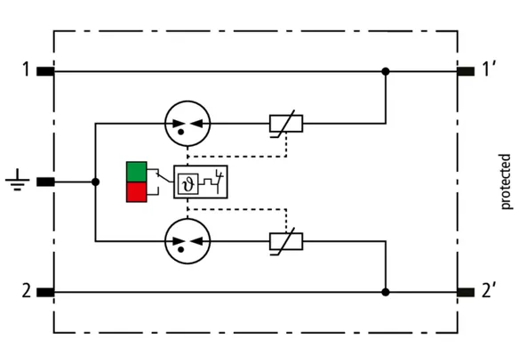
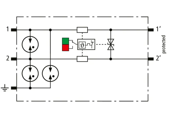
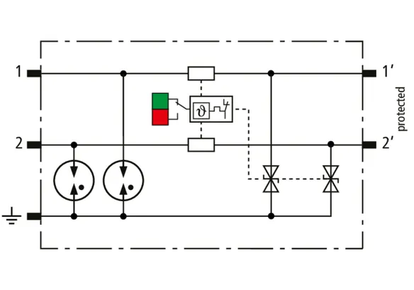
BCO ML2 BD

Scaricatore combinato modulare, in esecuzione stretta da 6 mm e connessione Push-in con indicazione di funzionamento per la protezione di 1 coppia di fili di interfacce simmetriche con protezione galvanica. Con sezionamento del segnale per motivi di manutenzione.

4 Prodotti

Art. 927242 BCO ML2 BD 12

GTIN (EAN) 4013364405622, Codice doganale (EU): 85363010, Peso lordo: 58.35 g, UM: 1.00 pz.

Predecessore

Immagini

Maggior informazioni

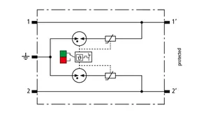
Scaricatore combinato BLITZDUCTORconnect ML2 BD 12
scaricatore combinato modulare innestabile
per la protezione di un conduttore doppio di interfacce simmetriche
con separazione galvanica
collaudato secondo la norma EN/IEC 61643-21 ed energeticamente
coordinato secondo la norma IEC 61643-22
Classe SPD tipo 1 / P2
Categoria d’impulso: C1, C2, C3, B2, D1
Indicatore di stato, larghezza d’installazione 6 mm
Tensione massima continuativa: 15,0 V DC / 10,6 V AC
Corrente nominale a 70 °C: 0,75 A
C2 corrente impulsiva nominale di scarica per ciascun filo (8/20): 5 kA
C2 corrente impulsiva nominale di scarica complessiva (8/20): 10 kA
D1 corrente impulsiva di fulmine (10/350 µs) per ciascun filo: 1,5 kA
D1 corrente impulsiva di fulmine (10/350 µs) complessiva: 3 kA
con sezionamento del segnale per scopi di manutenzione
Collegamento del conduttore: Push-in

Fabbricato: DEHN
Tipo: BCO ML2 BD 12
Art.: 927242
o similare.

Certificati

 

Caratteristiche tecniche

Classe SPD L
Tensione nominale (UN ) 12 V
Tensione massima continuativa DC (UC ) 15 V
Corrente nominale con 70 °C (IL ) 0,75 A
D1 corrente impulsiva di fulmine (10/350 µs) per filo (Iimp ) 1,5 kA
C2 corrente impulsiva nominale di scarica (8/20 µs) complessiva (In ) 10 kA
Impedenza longitudinale per filo 1 Ohm
Frequenza limite filo-filo (fG ) 2,6 MHz
Omologazioni UL 497B, CSA, ATEX, IECEx, CCC, SIL
*) Per i dettagli, vedere: www.dehn.de

Prodotto 927242 è stato aggiunto al blocco note.

Prodotto 927242 è stato aggiunto al carrello.

Apri Web-Shop

Art. 927244 BCO ML2 BD 24

GTIN (EAN) 4013364405639, Codice doganale (EU): 85363010, Peso lordo: 58.64 g, UM: 1.00 pz.

Predecessore

Immagini

Maggior informazioni

Scaricatore combinato BLITZDUCTORconnect ML2 BD 24
scaricatore combinato modulare innestabile
per la protezione di un conduttore doppio di interfacce simmetriche
con separazione galvanica
collaudato secondo la norma EN/IEC 61643-21 ed energeticamente
coordinato secondo la norma IEC 61643-22
Classe SPD tipo 1 / P2
Categoria d’impulso: C1, C2, C3, B2, D1
Indicatore di stato, larghezza d’installazione 6 mm
Tensione massima continuativa: 36,0 V DC / 25,4 V AC
Corrente nominale a 70 °C: 0,75 A
C2 corrente impulsiva nominale di scarica per ciascun filo (8/20): 5 kA
C2 corrente impulsiva nominale di scarica complessiva (8/20): 10 kA
D1 corrente impulsiva di fulmine (10/350 µs) per ciascun filo: 1,5 kA
D1 corrente impulsiva di fulmine (10/350 µs) complessiva: 3 kA
con sezionamento del segnale per scopi di manutenzione
Collegamento del conduttore: Push-in

Fabbricato: DEHN
Tipo: BCO ML2 BD 24
Art.: 927244
o similare.

Certificati

 

Caratteristiche tecniche

Classe SPD L
Tensione nominale (UN ) 24 V
Tensione massima continuativa DC (UC ) 36 V
Corrente nominale con 70 °C (IL ) 0,75 A
D1 corrente impulsiva di fulmine (10/350 µs) per filo (Iimp ) 1,5 kA
C2 corrente impulsiva nominale di scarica (8/20 µs) complessiva (In ) 10 kA
Impedenza longitudinale per filo 1 Ohm
Frequenza limite filo-filo (fG ) 5,8 MHz
Omologazioni UL 497B, CSA, ATEX, IECEx, CCC, SIL
*) Per i dettagli, vedere: www.dehn.de

Prodotto 927244 è stato aggiunto al blocco note.

Prodotto 927244 è stato aggiunto al carrello.

Apri Web-Shop

Art. 927245 BCO ML2 BD 48

GTIN (EAN) 4013364405646, Codice doganale (EU): 85363010, Peso lordo: 58.49 g, UM: 1.00 pz.

Predecessore

Immagini

Maggior informazioni

Scaricatore combinato BLITZDUCTORconnect ML2 BD 48
scaricatore combinato modulare innestabile
per la protezione di un conduttore doppio di interfacce simmetriche
con separazione galvanica
collaudato secondo la norma EN/IEC 61643-21 ed energeticamente
coordinato secondo la norma IEC 61643-22
Classe SPD tipo 1 / P2
Categoria d’impulso: C1, C2, C3, B2, D1
Indicatore di stato, larghezza d’installazione 6 mm
Tensione massima continuativa: 56,0 V DC / 39,6 V AC
Corrente nominale a 70 °C: 0,75 A
C2 corrente impulsiva nominale di scarica per ciascun filo (8/20): 5 kA
C2 corrente impulsiva nominale di scarica complessiva (8/20): 10 kA
D1 corrente impulsiva di fulmine (10/350 µs) per ciascun filo: 1,5 kA
D1 corrente impulsiva di fulmine (10/350 µs) complessiva: 3 kA
con sezionamento del segnale per scopi di manutenzione
Collegamento del conduttore: Push-in

Fabbricato: DEHN
Tipo: BCO ML2 BD 48
Art.: 927245
o similare.

Certificati

 

Caratteristiche tecniche

Classe SPD L
Tensione nominale (UN ) 48 V
Tensione massima continuativa DC (UC ) 56 V
Corrente nominale con 70 °C (IL ) 0,75 A
D1 corrente impulsiva di fulmine (10/350 µs) per filo (Iimp ) 1,5 kA
C2 corrente impulsiva nominale di scarica (8/20 µs) complessiva (In ) 10 kA
Impedenza longitudinale per filo 1 Ohm
Frequenza limite filo-filo (fG ) 7,2 MHz
Omologazioni UL 497B, CSA, ATEX, IECEx, CCC, SIL
*) Per i dettagli, vedere: www.dehn.de

Prodotto 927245 è stato aggiunto al blocco note.

Prodotto 927245 è stato aggiunto al carrello.

Apri Web-Shop

Art. 927247 BCO ML2 BD 180

GTIN (EAN) 4013364468665, Codice doganale (EU): 85363010, Peso lordo: 58.92 g, UM: 1.00 pz.

Predecessore

Immagini

Maggior informazioni

Scaricatore combinato BLITZDUCTORconnect ML2 BD 180
scaricatore combinato modulare innestabile
per la protezione di un conduttore doppio di interfacce simmetriche
con separazione galvanica
collaudato secondo la norma EN/IEC 61643-21 ed energeticamente
coordinato secondo la norma IEC 61643-22
Classe SPD tipo 1 / P2
Categoria d’impulso: C1, C2, C3, B2, D1
Indicatore di stato, larghezza d’installazione 6 mm
Tensione massima continuativa: 180 V DC / 127 V AC
Corrente nominale a 70 °C: 0,5 A
C2 corrente impulsiva nominale di scarica per ciascun filo (8/20): 5 kA
C2 corrente impulsiva nominale di scarica complessiva (8/20): 10 kA
D1 corrente impulsiva di fulmine (10/350 µs) per ciascun filo: 1,5 kA
D1 corrente impulsiva di fulmine (10/350 µs) complessiva: 3 kA
con sezionamento del segnale per scopi di manutenzione
Collegamento del conduttore: Push-in

Fabbricato: DEHN
Tipo: BCO ML2 BD 180
Art.: 927247
o similare.

Certificati

 

Caratteristiche tecniche

Classe SPD L
Tensione nominale (UN ) 180 V
Tensione massima continuativa DC (UC ) 180 V
Corrente nominale con 70 °C (IL ) 0,5 A
D1 corrente impulsiva di fulmine (10/350 µs) per filo (Iimp ) 1,5 kA
C2 corrente impulsiva nominale di scarica (8/20 µs) complessiva (In ) 10 kA
Impedenza longitudinale per filo 1,8 Ohm
Frequenza limite filo-filo (fG ) 10 MHz
Omologazioni UL 497B, SIL
*) Per i dettagli, vedere: www.dehn.de

Prodotto 927247 è stato aggiunto al blocco note.

Prodotto 927247 è stato aggiunto al carrello.

Apri Web-Shop

BCO ML2 BE HF

Scaricatore combinato modulare, in esecuzione stretta da 6 mm e connessione Push-in con indicazione di funzionamento per la protezione di 2 fili singoli di trasmissioni ad alta frequenza con potenziale di riferimento comune e di interfacce asimmetriche. Con sezionamento del segnale per motivi di manutenzione.

2 Prodotti

Art. 927270 BCO ML2 BE HF 5

GTIN (EAN) 4013364405653, Codice doganale (EU): 85363010, Peso lordo: 58.57 g, UM: 1.00 pz.

Predecessore

Immagini

Maggior informazioni

Scaricatore combinato BLITZDUCTORconnect ML2 BE HF 5
scaricatore combinato modulare innestabile
per la protezione di 2 conduttori singoli ad alta frequenza
trasmissioni con potenziale di riferimento comune
e interfacce asimmetriche
collaudato secondo la norma EN/IEC 61643-21 ed energeticamente
coordinato secondo la norma IEC 61643-22
Classe SPD tipo 1 / P1
Categoria d’impulso: C1, C2, C3, B2, D1
Indicatore di stato, larghezza d’installazione 6 mm
Tensione massima continuativa: 8,5 V DC / 6,0 V AC
Corrente nominale a 70 °C: 0,75 A
Frequenza limite 100 MHz
C2 corrente impulsiva nominale di scarica per ciascun filo (8/20): 5 kA
C2 corrente impulsiva nominale di scarica complessiva (8/20): 10 kA
D1 corrente impulsiva di fulmine (10/350 µs) per ciascun filo: 1,5 kA
D1 corrente impulsiva di fulmine (10/350 µs) complessiva: 3 kA
con sezionamento del segnale per scopi di manutenzione
Collegamento del conduttore: Push-in

Fabbricato: DEHN
Tipo: BCO ML2 BE HF 5
Art.: 927270
o similare.

Certificati

 

Caratteristiche tecniche

Classe SPD M
Tensione nominale (UN ) 5 V
Tensione massima continuativa DC (UC ) 8,5 V
Corrente nominale con 70 °C (IL ) 0,75 A
D1 corrente impulsiva di fulmine (10/350 µs) per filo (Iimp ) 1,5 kA
C2 corrente impulsiva nominale di scarica (8/20 µs) complessiva (In ) 10 kA
Impedenza longitudinale per filo 1 Ohm
Omologazioni UL 497B, CSA, ATEX, IECEx, CCC, SIL
*) Per i dettagli, vedere: www.dehn.de

Prodotto 927270 è stato aggiunto al blocco note.

Prodotto 927270 è stato aggiunto al carrello.

Apri Web-Shop

Art. 927274 BCO ML2 BE HF 24

GTIN (EAN) 4013364468559, Codice doganale (EU): 85363010, Peso lordo: 58.30 g, UM: 1.00 pz.


Immagini

Maggior informazioni

Scaricatore combinato BLITZDUCTORconnect ML2 BE HF 24
scaricatore combinato modulare innestabile
per la protezione di 2 conduttori singoli ad alta frequenza
trasmissioni con potenziale di riferimento comune
e interfacce asimmetriche
collaudato secondo la norma EN/IEC 61643-21 ed energeticamente
coordinato secondo la norma IEC 61643-22
Classe SPD tipo 1 / P1
Categoria d’impulso: C1, C2, C3, B2, D1
Indicatore di stato, larghezza d’installazione 6 mm
Tensione massima continuativa: 36 V DC / 25,4 V AC
Corrente nominale a 70 °C: 0,75 A
Frequenza limite 100 MHz
C2 corrente impulsiva nominale di scarica per ciascun filo (8/20): 5 kA
C2 corrente impulsiva nominale di scarica complessiva (8/20): 10 kA
D1 corrente impulsiva di fulmine (10/350 µs) per ciascun filo: 1,5 kA
D1 corrente impulsiva di fulmine (10/350 µs) complessiva: 3 kA
con sezionamento del segnale per scopi di manutenzione
Collegamento del conduttore: Push-in

Fabbricato: DEHN
Tipo: BCO ML2 BE HF 24
Art.: 927274
o similare.

Certificati

 

Caratteristiche tecniche

Classe SPD M
Tensione nominale (UN ) 24 V
Tensione massima continuativa DC (UC ) 36 V
Corrente nominale con 70 °C (IL ) 0,75 A
D1 corrente impulsiva di fulmine (10/350 µs) per filo (Iimp ) 1,5 kA
C2 corrente impulsiva nominale di scarica (8/20 µs) complessiva (In ) 10 kA
Impedenza longitudinale per filo 1 Ohm
Omologazioni UL 497B, SIL
*) Per i dettagli, vedere: www.dehn.de

Prodotto 927274 è stato aggiunto al blocco note.

Prodotto 927274 è stato aggiunto al carrello.

Apri Web-Shop

BCO ML2 BD HF

Scaricatore combinato modulare con larghezza d'installazione di 6 mm e tecnologia di connessione Push-in con indicazione dello stato per la protezione di 1 coppia di fili di sistemi bus ad alta frequenza con separazione galvanica e di interfacce simmetriche. Con separazione di segnale per scopi di manutenzione.

2 Prodotti

Art. 927271 BCO ML2 BD HF 5

GTIN (EAN) 4013364405660, Codice doganale (EU): 85363010, Peso lordo: 58.42 g, UM: 1.00 pz.

Predecessore

Immagini

Maggior informazioni

Scaricatore combinato BLITZDUCTORconnect ML2 BD HF 5
scaricatore combinato modulare innestabile per la protezione
di 1 conduttore doppio di sistemi bus
e interfacce simmetriche ad alta frequenza con separazione galvanica
collaudato secondo la norma EN/IEC 61643-21 ed energeticamente
coordinato secondo la norma IEC 61643-22
Classe SPD tipo 1 / P2
Categoria d’impulso: C1, C2, C3, B2, D1
Indicatore di stato, larghezza d’installazione 6 mm
Tensione massima continuativa: 8,5 V DC / 6,0 V AC
Corrente nominale a 70 °C: 0,75 A
Frequenza limite 100 MHz
C2 corrente impulsiva nominale di scarica per ciascun filo (8/20): 5 kA
C2 corrente impulsiva nominale di scarica complessiva (8/20): 10 kA
D1 corrente impulsiva di fulmine (10/350 µs) per ciascun filo: 1,5 kA
D1 corrente impulsiva di fulmine (10/350 µs) complessiva: 3 kA
con sezionamento del segnale per scopi di manutenzione
Collegamento del conduttore: Push-in

Fabbricato: DEHN
Tipo: BCO ML2 BD HF 5
Art.: 927271
o similare.

Certificati

 

Caratteristiche tecniche

Classe SPD L
Tensione nominale (UN ) 5 V
Tensione massima continuativa DC (UC ) 8,5 V
Corrente nominale con 70 °C (IL ) 0,75 A
D1 corrente impulsiva di fulmine (10/350 µs) per filo (Iimp ) 1,5 kA
C2 corrente impulsiva nominale di scarica (8/20 µs) complessiva (In ) 10 kA
Impedenza longitudinale per filo 1 Ohm
Frequenza limite filo-filo (fG ) 100 MHz
Omologazioni UL 497B, CSA, ATEX, IECEx, CCC, SIL
*) Per i dettagli, vedere: www.dehn.de

Prodotto 927271 è stato aggiunto al blocco note.

Prodotto 927271 è stato aggiunto al carrello.

Apri Web-Shop

Art. 927275 BCO ML2 BD HF 24

GTIN (EAN) 4013364468566, Codice doganale (EU): 85363010, Peso lordo: 58.60 g, UM: 1.00 pz.

Predecessore

Immagini

Maggior informazioni

Scaricatore combinato BLITZDUCTORconnect ML2 BD HF 24
scaricatore combinato modulare innestabile per la protezione
di 1 conduttore doppio di sistemi bus
e interfacce simmetriche ad alta frequenza con separazione galvanica
collaudato secondo la norma EN/IEC 61643-21 ed energeticamente
coordinato secondo la norma IEC 61643-22
Classe SPD tipo 1 / P2
Categoria d’impulso: C1, C2, C3, B2, D1
Indicatore di stato, larghezza d’installazione 6 mm
Tensione massima continuativa: 36 V DC / 25,4 V AC
Corrente nominale a 70 °C: 0,75 A
Frequenza limite 100 MHz
C2 corrente impulsiva nominale di scarica per ciascun filo (8/20): 5 kA
C2 corrente impulsiva nominale di scarica complessiva (8/20): 10 kA
D1 corrente impulsiva di fulmine (10/350 µs) per ciascun filo: 1,5 kA
D1 corrente impulsiva di fulmine (10/350 µs) complessiva: 3 kA
con sezionamento del segnale per scopi di manutenzione
Collegamento del conduttore: Push-in

Fabbricato: DEHN
Tipo: BCO ML2 BD HF 24
Art.: 927275
o similare.

Certificati

 

Caratteristiche tecniche

Classe SPD L
Tensione nominale (UN ) 24 V
Tensione massima continuativa DC (UC ) 36 V
Corrente nominale con 70 °C (IL ) 0,75 A
D1 corrente impulsiva di fulmine (10/350 µs) per filo (Iimp ) 1,5 kA
C2 corrente impulsiva nominale di scarica (8/20 µs) complessiva (In ) 10 kA
Impedenza longitudinale per filo 1 Ohm
Frequenza limite filo-filo (fG ) 100 MHz
Omologazioni UL 497B, SIL
*) Per i dettagli, vedere: www.dehn.de

Prodotto 927275 è stato aggiunto al blocco note.

Prodotto 927275 è stato aggiunto al carrello.

Apri Web-Shop

BCO ML2 BD HC5A 24

1 Prodotto

Art. 927254 BCO ML2 BD HC5A 24

GTIN (EAN) 4013364513419, Codice doganale (EU): 85363010, Peso lordo: 60.63 g, UM: 1.00 pz.


Immagini

Maggior informazioni

Scaricatore combinato BLITZDUCTORconnect ML2 BD HC5A 24
scaricatore combinato modulare innestabile per la protezione
di 1 coppia di fili di circuiti di segnale a separazione galvanica
con corrente nominale elevata in
sistemi informatici e circuiti CMR.
collaudato secondo la noma EN/IEC 61643-21 ed energeticamente
coordinato secondo la norma IEC 61643-22
Classe SPD tipo 1 / P2
Categoria d’impulso: C1, C2, C3, B2, D1
Indicatore di stato, larghezza d’installazione 6 mm
Tensione massima continuativa: 36 V DC / 25,4 V AC
Corrente nominale a 80 °C: 5 A
C2 corrente impulsiva nominale di scarica per ciascun filo (8/20): 5 kA
C2 corrente impulsiva nominale di scarica complessiva (8/20): 10 kA
D1 corrente impulsiva di fulmine (10/350 µs) per ciascun filo: 1,5 kA
D1 corrente impulsiva di fulmine (10/350 µs) complessiva: 3 kA
con separazione di segnale per scopi di manutenzione
Collegamento del conduttore: Push-in

Fabbricato: DEHN
Tipo: BCO ML2 BD HC5A 24
Art.: 927254
o similare.

Certificati

 

Caratteristiche tecniche

Classe SPD L
Tensione nominale (UN ) 24 V
Tensione massima continuativa DC (UC ) 36 V
Corrente nominale con 80 °C (IL ) 5 A
D1 corrente impulsiva di fulmine (10/350 µs) per filo (Iimp ) 1,5 kA
C2 corrente impulsiva nominale di scarica (8/20 µs) complessiva (In ) 10 kA
Impedenza longitudinale per filo 0 Ohm
Omologazioni UL 497B, SIL
*) Per i dettagli, vedere: www.dehn.de

Prodotto 927254 è stato aggiunto al blocco note.

Prodotto 927254 è stato aggiunto al carrello.

Apri Web-Shop

BCO ML2 BPD 24

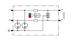
Scaricatore combinato modulare a risparmio di spazio con larghezza d’installazione di 6 mm e tecnica di connessione Push-in con indicazione di stato, per la protezione di 1 filo doppio in sistemi a 24 V DC. Impiego adatto anche con polo negativo di terra; le resistenze PTC integrate permettono un ripristino sicuro del SPD in seguito ad interferenza nel circuito dell’impianto con correnti di cortocircuito fino a 40 A. Con separazione di segnale per scopi di manutenzione.

1 Prodotto

Art. 927214 BCO ML2 BPD 24

GTIN (EAN) 4013364473003, Codice doganale (EU): 85363010, Peso lordo: 58.00 g, UM: 1.00 pz.


Immagini

Maggior informazioni

Scaricatore combinato BLITZDUCTORconnect ML2 BPD 24
scaricatore combinato modulare innestabile per la protezione di
un conduttore doppio in sistemi a 24 V DC,
impiego adatto anche con polo negativo messo a terra,
con resistenze PTC integrate per una
protezione da sovracorrente fino a 40 A
collaudato secondo la norma EN/IEC 61643-21 ed energeticamente
coordinato secondo la norma IEC 61643-22
Classe SPD tipo 1 / P2
Categoria d’impulso: C1, C2, C3, B2, D1
Indicatore di stato, larghezza d’installazione 6 mm
Tensione massima continuativa: 33,0 V DC / 23,3 V AC
Corrente nominale a 70 °C: 0,1 A
C2 corrente impulsiva nominale di scarica per ciascun filo (8/20): 5 kA
C2 corrente impulsiva nominale di scarica complessiva (8/20): 10 kA
D1 corrente impulsiva di fulmine (10/350 µs) per ciascun filo: 1,5 kA
D1 corrente impulsiva di fulmine (10/350 µs) complessiva: 3 kA
con sezionamento del segnale per scopi di manutenzione
Collegamento del conduttore: Push-in

Fabbricato: DEHN
Tipo: BCO ML2 BPD 24
Art.: 927214
o similare.

Certificati

 

Caratteristiche tecniche

Classe SPD L
Tensione nominale (UN ) 24 V
Tensione massima continuativa DC (UC ) 33 V
Corrente nominale con 70 °C (IL ) 0,1 A
D1 corrente impulsiva di fulmine (10/350 µs) per filo (Iimp ) 1,5 kA
C2 corrente impulsiva nominale di scarica (8/20 µs) complessiva (In ) 10 kA
Impedenza longitudinale per filo 10 Ohm
Frequenza limite filo-filo (fG ) 4,5 MHz
Omologazioni UL 497B, SIL
*) Per i dettagli, vedere: www.dehn.de

Prodotto 927214 è stato aggiunto al blocco note.

Prodotto 927214 è stato aggiunto al carrello.

Apri Web-Shop

BCO ML2 MVG 230

Limitatore di sovratensione modulare a risparmio di spazio, con larghezza di installazione 6 mm e tecnologia di connessione Push-in, con indicazione di stato per la protezione di 2 conduttori di interfacce di segnale multifilari con separazione galvanica. Con tensione nominale di 230 V e sezionamento del segnale per motivi di manutenzione.
Soddisfa, tra l’altro, i requisiti per gli impianti di tecnologia di segnale nel settore ferroviario (conforme a DB RIL 819.0808).

1 Prodotto

Art. 927290 BCO ML2 MVG 230

GTIN (EAN) 4013364466524, Codice doganale (EU): 85363010, Peso lordo: 60.12 g, UM: 1.00 pz.


Immagini

Maggior informazioni

Limitatore di sovratensione BLITZDUCTORconnect ML2 MVG 230
limitatore di sovratensione modulare innestabile
per la protezione di 2 conduttori di
interfacce di segnale multifilari con tensione nominale di 230 V AC.
Collaudato secondo la norma EN/IEC 61643-21 ed energeticamente
coordinato secondo la norma IEC 61643-22
Classe SPD tipo 2 / P3
Categoria d’impulso: C1, C2, C3
Indicatore di stato, larghezza d’installazione 6 mm
Tensione massima continuativa: 320 V DC / 250 V AC
Corrente nominale a 80 °C: 3 A
C2 corrente impulsiva nominale di scarica per ciascun filo (8/20): 3 kA
C2 corrente impulsiva nominale di scarica complessiva (8/20): 6 kA
con sezionamento del segnale per scopi di manutenzione
Collegamento del conduttore: Push-in
Conforme a DB RIL 819.0808

Fabbricato: DEHN
Tipo: BCO ML2 MVG 230
Art.: 927290
o similare.

Certificati

 

Caratteristiche tecniche

Classe SPD V
Tensione nominale (UN ) 230 V
Corrente nominale con 80 °C (IL ) 3 A
C2 corrente impulsiva nominale di scarica (8/20 µs) complessiva (In ) 6 kA
Impedenza longitudinale per filo 0 Ohm
Omologazioni SIL
*) Per i dettagli, vedere: www.dehn.de

Prodotto 927290 è stato aggiunto al blocco note.

Prodotto 927290 è stato aggiunto al carrello.

Apri Web-Shop

BCO ML2 BD EX 24

Limitatore di sovratensione modulare, in esecuzione stretta da 6 mm e connessione Push-in con indicazione di funzionamento per la protezione di 1 coppia di fili di circuiti di misura a sicurezza intrinseca e di sistemi bus. Adempie i requisiti di FISCO. Resistenza all'isolamento > 500 V filo-terra. Con sezionamento del segnale per motivi di manutenzione.

1 Prodotto

Art. 927284 BCO ML2 BD EX 24

GTIN (EAN) 4013364405677, Codice doganale (EU): 85363010, Peso lordo: 65.18 g, UM: 1.00 pz.

Predecessore

Immagini

Maggior informazioni

Scaricatore combinato BLITZDUCTORconnect ML2 BD EX 24
scaricatore combinato modulare innestabile
per la protezione di un conduttore doppio di interfacce
simmetriche a sicurezza intrinseca con separazione galvanica
collaudato secondo la norma EN/IEC 61643-21 ed energeticamente
coordinato secondo la norma IEC 61643-22
Classe SPD tipo 1 / P2
Categoria d’impulso: C1, C2, C3, B2, D1
Indicatore di stato, larghezza d’installazione 6 mm
Tensione massima continuativa: 36,0 V DC / 25,4 V AC
Corrente nominale a 70 °C: 0,75 A
Tensione max in ingresso secondo la norma EN 60079-11: 30 V
Corrente max in ingresso secondo la norma EN 60079-11: 0,5 A
C2 corrente impulsiva nominale di scarica per ciascun filo (8/20): 5 kA
C2 corrente impulsiva nominale di scarica complessiva (8/20): 10 kA
D1 corrente impulsiva di fulmine (10/350 µs) per ciascun filo: 1,5 kA
D1 corrente impulsiva di fulmine (10/350 µs) complessiva: 3 kA
con sezionamento del segnale per scopi di manutenzione
Collegamento del conduttore: Push-in

Fabbricato: DEHN
Tipo: BCO ML2 BD EX 24
Art.: 927284
o similare.

Certificati

 

Caratteristiche tecniche

Classe SPD L
Tensione nominale (UN ) 24 V
Tensione massima continuativa DC (UC ) 36 V
Corrente nominale con 80 °C (IL ) 0,5 A
D1 corrente impulsiva di fulmine (10/350 µs) per filo (Iimp ) 1,5 kA
C2 corrente impulsiva nominale di scarica (8/20 µs) complessiva (In ) 10 kA
Impedenza longitudinale per filo 1 Ohm
Frequenza limite filo-filo (fG ) 3,5 MHz
Omologazioni ATEX, IECEx, CCC, SIL
*) Per i dettagli, vedere: www.dehn.de

Prodotto 927284 è stato aggiunto al blocco note.

Prodotto 927284 è stato aggiunto al carrello.

Apri Web-Shop

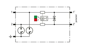
BCO MOD ML2 B

Modulo di protezione per corrente di fulmine in esecuzione stretta da 6 mm per BLITZDUCTORconnect con indicazione di funzionamento per la protezione di 2 fili singoli per l'equipotenzialità antifulmine e l'esecuzione di una messa a terra indiretta di conduttori schermati.

1 Prodotto

Art. 927010 BCO MOD ML2 B 180

GTIN (EAN) 4013364410114, Codice doganale (EU): 85363010, Peso lordo: 39.00 g, UM: 1.00 pz.


Immagini

Maggior informazioni

Modulo di protezione per corrente di fulmine
BLITZDUCTORconnect MOD ML2 B 180
modulo di protezione per corrente di fulmine innestabile
per la protezione di 2 fili singoli
per l'equipotenzialità antifulmine
e l'esecuzione di una messa a terra indiretta
di conduttori schermati
provato secondo EN/IEC 61643-21
coordinamento energetico secondo IEC 61643-22
Classe SPD tipo 1
Categoria d’impulso: C1, C2, C3, B2, D1
Indicazione di stato, dimensione 6 mm
Tensione massima continuativa: 180,0 V DC / 127,0 V AC
Corrente nominale con 80°C: 1,2 A
C2 corrente impulsiva nominale di scarica per filo (8/20): 5 kA
C2 corrente impulsiva nominale di scarica complessiva (8/20): 10 kA
D1 corrente impulsiva di fulmine (10/350 µs) per filo: 1,5 kA
D1 corrente impulsiva di fulmine (10/350 µs) complessiva: 3 kA
Modulo di sostituzione

Fabbricato: DEHN
Tipo: BCO MOD ML2 B 180
Art.: 927010
o similare.

Certificati

 

Caratteristiche tecniche

Classe SPD A
Tensione nominale (UN ) 180 V
Tensione massima continuativa DC (UC ) 180 V
D1 corrente impulsiva di fulmine (10/350 µs) per filo (Iimp ) 1,5 kA
C2 corrente impulsiva nominale di scarica (8/20 µs) complessiva (In ) 10 kA
Impedenza longitudinale per filo 0 Ohm
Omologazioni UL 497B, CSA, ATEX, IECEx, CCC, SIL
*) Per i dettagli, vedere: www.dehn.de

Prodotto 927010 è stato aggiunto al blocco note.

Prodotto 927010 è stato aggiunto al carrello.

Apri Web-Shop

BCO MOD ML2 BE

Modulo di protezione combinata in esecuzione stretta da 6 mm per BLITZDUCTORconnect con indicazione di funzionamento per la protezione di 2 fili singoli con potenziale di riferimento comune e di interfacce asimmetriche.

4 Prodotti

Art. 927022 BCO MOD ML2 BE 12

GTIN (EAN) 4013364410121, Codice doganale (EU): 85363010, Peso lordo: 39.00 g, UM: 1.00 pz.


Immagini

Maggior informazioni

Modulo di protezione combinata
BLITZDUCTORconnect MOD ML2 BE 12
modulo di protezione combinata innestabile
per la protezione di 2 fili singoli
con potenziale di riferimento comune
e di interfacce asimmetriche
provato secondo EN/IEC 61643-21
coordinamento energetico secondo IEC 61643-22
Classe SPD tipo 1 / P1
Categoria d’impulso: C1, C2, C3, B2, D1
Indicazione di stato, dimensione 6 mm
Tensione massima continuativa: 15,0 V DC / 10,6 V AC
Corrente nominale con 70°C: 0,75 A
C2 corrente impulsiva nominale di scarica per filo (8/20): 5 kA
C2 corrente impulsiva nominale di scarica complessiva (8/20): 10 kA
D1 corrente impulsiva di fulmine (10/350 µs) per filo: 1,5 kA
D1 corrente impulsiva di fulmine (10/350 µs) complessiva: 3 kA
Modulo di sostituzione

Fabbricato: DEHN
Tipo: BCO MOD ML2 BE 12
Art.: 927022
o similare.

Certificati

 

Caratteristiche tecniche

Classe SPD M
Tensione nominale (UN ) 12 V
Tensione massima continuativa DC (UC ) 15 V
Corrente nominale con 70 °C (IL ) 0,75 A
D1 corrente impulsiva di fulmine (10/350 µs) per filo (Iimp ) 1,5 kA
C2 corrente impulsiva nominale di scarica (8/20 µs) complessiva (In ) 10 kA
Impedenza longitudinale per filo 1 Ohm
Frequenza limite filo-filo (fG ) 1,4 MHz
Omologazioni UL 497B, CSA, ATEX, IECEx, CCC, SIL
*) Per i dettagli, vedere: www.dehn.de

Prodotto 927022 è stato aggiunto al blocco note.

Prodotto 927022 è stato aggiunto al carrello.

Apri Web-Shop

Art. 927024 BCO MOD ML2 BE 24

GTIN (EAN) 4013364410138, Codice doganale (EU): 85363010, Peso lordo: 39.27 g, UM: 1.00 pz.


Immagini

Maggior informazioni

Modulo di protezione combinata
BLITZDUCTORconnect MOD ML2 BE 24
modulo di protezione combinata innestabile
per la protezione di 2 fili singoli
con potenziale di riferimento comune
e di interfacce asimmetriche
provato secondo EN/IEC 61643-21
coordinamento energetico secondo IEC 61643-22
Classe SPD tipo 1 / P1
Categoria d’impulso: C1, C2, C3, B2, D1
Indicazione di stato, dimensione 6 mm
Tensione massima continuativa: 33,0 V DC / 23,3 V AC
Corrente nominale con 70°C: 0,75 A
C2 corrente impulsiva nominale di scarica per filo (8/20): 5 kA
C2 corrente impulsiva nominale di scarica complessiva (8/20): 10 kA
D1 corrente impulsiva di fulmine (10/350 µs) per filo complessiva: 3 kA
Modulo di sostituzione

Fabbricato: DEHN
Tipo: BCO MOD ML2 BE 24
Art.: 927024
o similare.

Certificati

 

Caratteristiche tecniche

Classe SPD M
Tensione nominale (UN ) 24 V
Tensione massima continuativa DC (UC ) 33 V
Corrente nominale con 70 °C (IL ) 0,75 A
D1 corrente impulsiva di fulmine (10/350 µs) per filo (Iimp ) 1,5 kA
C2 corrente impulsiva nominale di scarica (8/20 µs) complessiva (In ) 10 kA
Impedenza longitudinale per filo 1 Ohm
Frequenza limite filo-filo (fG ) 3,4 MHz
Omologazioni UL 497B, CSA, ATEX, IECEx, CCC, SIL
*) Per i dettagli, vedere: www.dehn.de

Prodotto 927024 è stato aggiunto al blocco note.

Prodotto 927024 è stato aggiunto al carrello.

Apri Web-Shop

Art. 927025 BCO MOD ML2 BE 48

GTIN (EAN) 4013364410145, Codice doganale (EU): 85363010, Peso lordo: 39.00 g, UM: 1.00 pz.


Immagini

Maggior informazioni

Modulo di protezione combinata
BLITZDUCTORconnect MOD ML2 BE 48
modulo di protezione combinata innestabile
per la protezione di 2 fili singoli
con potenziale di riferimento comune
e di interfacce asimmetriche
provato secondo EN/IEC 61643-21
coordinamento energetico secondo IEC 61643-22
Classe SPD tipo 1 / P1
Categoria d’impulso: C1, C2, C3, B2, D1
Indicazione di stato, dimensione 6 mm
Tensione massima continuativa: 54,0 V DC / 38,1 V AC
Corrente nominale con 70°C: 0,75 A
C2 corrente impulsiva nominale di scarica per filo (8/20): 5 kA
C2 corrente impulsiva nominale di scarica complessiva (8/20): 10 kA
D1 corrente impulsiva di fulmine (10/350 µs) per filo: 1,5 kA
D1 corrente impulsiva di fulmine (10/350 µs) complessiva: 3 kA
Modulo di sostituzione

Fabbricato: DEHN
Tipo: BCO MOD ML2 BE 48
Art.: 927025
o similare.

Certificati

 

Caratteristiche tecniche

Classe SPD M
Tensione nominale (UN ) 48 V
Tensione massima continuativa DC (UC ) 54 V
Corrente nominale con 70 °C (IL ) 0,75 A
D1 corrente impulsiva di fulmine (10/350 µs) per filo (Iimp ) 1,5 kA
C2 corrente impulsiva nominale di scarica (8/20 µs) complessiva (In ) 10 kA
Impedenza longitudinale per filo 1 Ohm
Frequenza limite filo-filo (fG ) 5 MHz
Omologazioni UL 497B, CSA, ATEX, IECEx, CCC, SIL
*) Per i dettagli, vedere: www.dehn.de

Prodotto 927025 è stato aggiunto al blocco note.

Prodotto 927025 è stato aggiunto al carrello.

Apri Web-Shop

Art. 927027 BCO MOD ML2 BE 180

GTIN (EAN) 4013364468689, Codice doganale (EU): 85363010, Peso lordo: 39.00 g, UM: 1.00 pz.


Immagini

Maggior informazioni

Modulo di protezione scaricatore combinato
BLITZDUCTORconnect MOD ML2 BE 180
modulo scaricatore combinato innestabile
per la protezione di 2 conduttori singoli
con potenziale di riferimento comune
e interfacce asimmetriche
collaudato secondo la norma EN/IEC 61643-21 ed
energeticamente coordinato secondo la norma IEC 61643-22
Classe SPD tipo 1 / P1
Categoria d’impulso: C1, C2, C3, B2, D1
Indicatore di stato, larghezza d’installazione 6 mm
Tensione massima continuativa: 180 V DC / 127 V AC
Corrente nominale a 70 °C: 0,5 A
C2 corrente impulsiva nominale di scarica per ciascun filo (8/20): 5 kA
C2 corrente impulsiva nominale di scarica complessiva (8/20): 10 kA
D1 corrente impulsiva di fulmine (10/350 µs) per ciascun filo: 1,5 kA
D1 corrente impulsiva di fulmine (10/350 µs) complessiva: 3 kA
Modulo sostituibile

Fabbricato: DEHN
Tipo: BCO MOD ML2 BE 180
Art.: 927027
o similare.

Certificati

 

Caratteristiche tecniche

Classe SPD M
Tensione nominale (UN ) 180 V
Tensione massima continuativa DC (UC ) 180 V
Corrente nominale con 70 °C (IL ) 0,5 A
D1 corrente impulsiva di fulmine (10/350 µs) per filo (Iimp ) 1,5 kA
C2 corrente impulsiva nominale di scarica (8/20 µs) complessiva (In ) 10 kA
Impedenza longitudinale per filo 1,8 Ohm
Frequenza limite filo-filo (fG ) 10 MHz
Omologazioni UL 497B, SIL
*) Per i dettagli, vedere: www.dehn.de

Prodotto 927027 è stato aggiunto al blocco note.

Prodotto 927027 è stato aggiunto al carrello.

Apri Web-Shop

BCO MOD ML2 BD

Modulo di protezione combinata in esecuzione stretta da 6 mm per BLITZDUCTORconnect con indicazione di funzionamento per la protezione di 1 coppia di fili di interfacce simmetriche con protezione galvanica.

4 Prodotti

Art. 927042 BCO MOD ML2 BD 12

GTIN (EAN) 4013364410152, Codice doganale (EU): 85363010, Peso lordo: 39.00 g, UM: 1.00 pz.


Immagini

Maggior informazioni

Modulo di protezione combinata
BLITZDUCTORconnect MOD ML2 DB 12
modulo di protezione combinata innestabile
per la protezione di una coppia di fili
di interfacce simmetriche con separazione galvanica
provato secondo EN/IEC 61643-21
coordinamento energetico secondo IEC 61643-22
Classe SPD tipo 1 / P2
Categoria d’impulso: C1, C2, C3, B2, D1
Indicazione di stato, dimensione 6 mm
Tensione massima continuativa: 15,0 V DC / 10,6 V AC
Corrente nominale con 70°C: 0,75 A
C2 corrente impulsiva nominale di scarica per filo (8/20): 5 kA
C2 corrente impulsiva nominale di scarica complessiva (8/20): 10 kA
D1 corrente impulsiva di fulmine (10/350 µs) per filo: 1,5 kA
D1 corrente impulsiva di fulmine (10/350 µs) complessiva: 3 kA
Modulo di sostituzione

Fabbricato: DEHN
Tipo: BCO MOD ML2 BD 12
Art.: 927042
o similare.

Certificati

 

Caratteristiche tecniche

Classe SPD L
Tensione nominale (UN ) 12 V
Tensione massima continuativa DC (UC ) 15 V
Corrente nominale con 70 °C (IL ) 0,75 A
D1 corrente impulsiva di fulmine (10/350 µs) per filo (Iimp ) 1,5 kA
C2 corrente impulsiva nominale di scarica (8/20 µs) complessiva (In ) 10 kA
Impedenza longitudinale per filo 1 Ohm
Frequenza limite filo-filo (fG ) 2,6 MHz
Omologazioni UL 497B, CSA, ATEX, IECEx, CCC, SIL
*) Per i dettagli, vedere: www.dehn.de

Prodotto 927042 è stato aggiunto al blocco note.

Prodotto 927042 è stato aggiunto al carrello.

Apri Web-Shop

Art. 927044 BCO MOD ML2 BD 24

GTIN (EAN) 4013364410169, Codice doganale (EU): 85363010, Peso lordo: 39.00 g, UM: 1.00 pz.


Immagini

Maggior informazioni

Modulo di protezione combinata
BLITZDUCTORconnect MOD ML2 DB 24
modulo di protezione combinata innestabile
per la protezione di una coppia di fili
di interfacce simmetriche con separazione galvanica
provato secondo EN/IEC 61643-21
coordinamento energetico secondo IEC 61643-22
Classe SPD tipo 1 / P2
Categoria d’impulso: C1, C2, C3, B2, D1
Indicazione di stato, dimensione 6 mm
Tensione massima continuativa: 36,0 V DC / 25,4 V AC
Corrente nominale con 70°C: 0,75 A
C2 corrente impulsiva nominale di scarica per filo (8/20): 5 kA
C2 corrente impulsiva nominale di scarica complessiva (8/20): 10 kA
D1 corrente impulsiva di fulmine (10/350 µs) per filo: 1,5 kA
D1 corrente impulsiva di fulmine (10/350 µs) complessiva: 3 kA
Modulo di sostituzione

Fabbricato: DEHN
Tipo: BCO MOD ML2 BD 24
Art.: 927044
o similare.

Certificati

 

Caratteristiche tecniche

Classe SPD L
Tensione nominale (UN ) 24 V
Tensione massima continuativa DC (UC ) 36 V
Corrente nominale con 70 °C (IL ) 0,75 A
D1 corrente impulsiva di fulmine (10/350 µs) per filo (Iimp ) 1,5 kA
C2 corrente impulsiva nominale di scarica (8/20 µs) complessiva (In ) 10 kA
Impedenza longitudinale per filo 1 Ohm
Frequenza limite filo-filo (fG ) 5,8 MHz
Omologazioni UL 497B, CSA, ATEX, IECEx, CCC, SIL
*) Per i dettagli, vedere: www.dehn.de

Prodotto 927044 è stato aggiunto al blocco note.

Prodotto 927044 è stato aggiunto al carrello.

Apri Web-Shop

Art. 927045 BCO MOD ML2 BD 48

GTIN (EAN) 4013364410176, Codice doganale (EU): 85363010, Peso lordo: 39.00 g, UM: 1.00 pz.


Immagini

Maggior informazioni

Modulo di protezione combinata
BLITZDUCTORconnect MOD ML2 DB 48
modulo di protezione combinata innestabile
per la protezione di una coppia di fili
di interfacce simmetriche con separazione galvanica
provato secondo EN/IEC 61643-21
coordinamento energetico secondo IEC 61643-22
Classe SPD tipo 1 / P2
Categoria d’impulso: C1, C2, C3, B2, D1
Indicazione di stato, dimensione 6 mm
Tensione massima continuativa: 54,0 V DC / 38,1 V AC
Corrente nominale con 70°C: 0,75 A
C2 corrente impulsiva nominale di scarica per filo (8/20): 5 kA
C2 corrente impulsiva nominale di scarica complessiva (8/20): 10 kA
D1 corrente impulsiva di fulmine (10/350 µs) per filo: 1,5 kA
D1 corrente impulsiva di fulmine (10/350 µs) complessiva: 3 kA
Modulo di sostituzione

Fabbricato: DEHN
Tipo: BCO MOD ML2 BD 48
Art.: 927045
o similare.

Certificati

 

Caratteristiche tecniche

Classe SPD L
Tensione nominale (UN ) 48 V
Tensione massima continuativa DC (UC ) 56 V
Corrente nominale con 70 °C (IL ) 0,75 A
D1 corrente impulsiva di fulmine (10/350 µs) per filo (Iimp ) 1,5 kA
C2 corrente impulsiva nominale di scarica (8/20 µs) complessiva (In ) 10 kA
Impedenza longitudinale per filo 1 Ohm
Frequenza limite filo-filo (fG ) 7,2 MHz
Omologazioni UL 497B, CSA, ATEX, IECEx, CCC, SIL
*) Per i dettagli, vedere: www.dehn.de

Prodotto 927045 è stato aggiunto al blocco note.

Prodotto 927045 è stato aggiunto al carrello.

Apri Web-Shop

Art. 927047 BCO MOD ML2 BD 180

GTIN (EAN) 4013364468672, Codice doganale (EU): 85363010, Peso lordo: 39.00 g, UM: 1.00 pz.


Immagini

Maggior informazioni

Modulo di protezione scaricatore combinato
BLITZDUCTORconnect MOD ML2 BD 180
modulo scaricatore combinato innestabile
per la protezione di un conduttore doppio
di interfacce simmetriche con separazione galvanica
collaudato secondo la norma EN/IEC 61643-21 ed
energeticamente coordinato secondo la norma IEC 61643-22
Classe SPD tipo 1 / P2
Categoria d’impulso: C1, C2, C3, B2, D1
Indicatore di stato, larghezza d’installazione 6 mm
Tensione massima continuativa: 180 V DC / 127 V AC
Corrente nominale a 70 °C: 0,5 A
C2 corrente impulsiva nominale di scarica per ciascun filo (8/20): 5 kA
C2 corrente impulsiva nominale di scarica complessiva (8/20): 10 kA
D1 corrente impulsiva di fulmine (10/350 µs) per ciascun filo: 1,5 kA
D1 corrente impulsiva di fulmine (10/350 µs) complessiva: 3 kA
Modulo sostituibile

Fabbricato: DEHN
Tipo: BCO MOD ML2 BD 180
Art.: 927047
o similare.

Certificati

 

Caratteristiche tecniche

Classe SPD L
Tensione nominale (UN ) 180 V
Tensione massima continuativa DC (UC ) 180 V
Corrente nominale con 70 °C (IL ) 0,5 A
D1 corrente impulsiva di fulmine (10/350 µs) per filo (Iimp ) 1,5 kA
C2 corrente impulsiva nominale di scarica (8/20 µs) complessiva (In ) 10 kA
Impedenza longitudinale per filo 1,8 Ohm
Frequenza limite filo-filo (fG ) 10 MHz
Omologazioni UL 497B, SIL
*) Per i dettagli, vedere: www.dehn.de

Prodotto 927047 è stato aggiunto al blocco note.

Prodotto 927047 è stato aggiunto al carrello.

Apri Web-Shop

BCO MOD ML2 BE HF

Modulo di protezione combinata in esecuzione stretta da 6 mm per BLITZDUCTORconnect con indicazione di funzionamento per la protezione di 2 fili singoli di trasmissioni ad alta frequenza con potenziale di riferimento comune e di interfacce asimmetriche.

2 Prodotti

Art. 927070 BCO MOD ML2 BE HF 5

GTIN (EAN) 4013364410183, Codice doganale (EU): 85363010, Peso lordo: 39.00 g, UM: 1.00 pz.


Immagini

Maggior informazioni

Modulo di protezione combinata
BLITZDUCTORconnect MOD ML2 BE HF 5
modulo di protezione combinata innestabile
per la protezione di due fili singoli di trasmissioni
ad alta frequenza con potenziale di riferimento comune
e di interfacce asimmetriche
provato secondo EN/IEC 61643-21
coordinamento energetico secondo IEC 61643-22
Classe SPD tipo 1 / P1
Categoria d’impulso: C1, C2, C3, B2, D1
Indicazione di stato, dimensione 6 mm
Tensione massima continuativa: 8,5 V DC / 6,0 V AC
Corrente nominale con 70°C: 0,75 A
Frequenza limite 100 MHz
C2 corrente impulsiva nominale di scarica per filo (8/20): 5 kA
C2 corrente impulsiva nominale di scarica complessiva (8/20): 10 kA
D1 corrente impulsiva di fulmine (10/350 µs) per filo: 1,5 kA
D1 corrente impulsiva di fulmine (10/350 µs) complessiva: 3 kA
Modulo di sostituzione

Fabbricato: DEHN
Tipo: BCO MOD ML2 BE HF 5
Art.: 927070
o similare.

Certificati

 

Caratteristiche tecniche

Classe SPD M
Tensione nominale (UN ) 5 V
Tensione massima continuativa DC (UC ) 8,5 V
Corrente nominale con 70 °C (IL ) 0,75 A
D1 corrente impulsiva di fulmine (10/350 µs) per filo (Iimp ) 1,5 kA
C2 corrente impulsiva nominale di scarica (8/20 µs) complessiva (In ) 10 kA
Impedenza longitudinale per filo 1 Ohm
Omologazioni UL 497B, CSA, ATEX, IECEx, CCC, SIL
*) Per i dettagli, vedere: www.dehn.de

Prodotto 927070 è stato aggiunto al blocco note.

Prodotto 927070 è stato aggiunto al carrello.

Apri Web-Shop

Art. 927074 BCO MOD ML2 BE HF 24

GTIN (EAN) 4013364468573, Codice doganale (EU): 85363010, Peso lordo: 39.00 g, UM: 1.00 pz.


Immagini

Maggior informazioni

Scaricatore combinato modulo di protezione
BLITZDUCTORconnect MOD ML2 BE HF 24
modulo scaricatore combinato innestabile
per la protezione di 2 conduttori singoli
di trasmissioni ad alta frequenza con potenziale di riferimento comune
e interfacce asimmetriche
collaudato secondo la norma EN/IEC 61643-21 ed energeticamente
coordinato secondo la norma IEC 61643-22
Classe SPD tipo 1 / P1
Categoria d’impulso: C1, C2, C3, B2, D1
Indicatore di stato, larghezza d’installazione 6 mm
Tensione massima continuativa: 36 V DC / 25,4 V AC
Corrente nominale a 70 °C: 0,75 A
Frequenza limite 100 MHz
C2 corrente impulsiva nominale di scarica per ciascun filo (8/20): 5 kA
C2 corrente impulsiva nominale di scarica complessiva (8/20): 10 kA
D1 corrente impulsiva di fulmine (10/350 µs) per ciascun filo: 1,5 kA
D1 corrente impulsiva di fulmine (10/350 µs) complessiva: 3 kA
Modulo sostituibile

Fabbricato: DEHN
Tipo: BCO MOD ML2 BE HF 24
Art.: 927074
o similare.

Certificati

 

Caratteristiche tecniche

Classe SPD M
Tensione nominale (UN ) 24 V
Tensione massima continuativa DC (UC ) 36 V
Corrente nominale con 70 °C (IL ) 0,75 A
D1 corrente impulsiva di fulmine (10/350 µs) per filo (Iimp ) 1,5 kA
C2 corrente impulsiva nominale di scarica (8/20 µs) complessiva (In ) 10 kA
Impedenza longitudinale per filo 1 Ohm
Omologazioni UL 497B, SIL
*) Per i dettagli, vedere: www.dehn.de

Prodotto 927074 è stato aggiunto al blocco note.

Prodotto 927074 è stato aggiunto al carrello.

Apri Web-Shop

BCO MOD ML2 BD HF

Modulo di protezione combinata in esecuzione stretta da 6 mm per BLITZDUCTORconnect con indicazione di funzionamento per la protezione di 1 coppia di fili di sistemi bus ad alta frequenza con separazione galvanica e di interfacce simmetriche.

2 Prodotti

Art. 927071 BCO MOD ML2 BD HF 5

GTIN (EAN) 4013364410190, Codice doganale (EU): 85363010, Peso lordo: 39.00 g, UM: 1.00 pz.


Immagini

Maggior informazioni

Modulo di protezione combinata
BLITZDUCTORconnect MOD ML2 DB HF 5
modulo di protezione combinata innestabile
per la protezione di 1 coppia di fili di sistemi bus
ad alta frequenza con separazione galvanica
e di interfacce simmetriche
provato secondo EN/IEC 61643-21
coordinamento energetico secondo IEC 61643-22
Classe SPD tipo 1 / P2
Categoria d’impulso: C1, C2, C3, B2, D1
Indicazione di stato, dimensione 6 mm
Tensione massima continuativa: 8,5 V DC / 6,0 V AC
Corrente nominale con 70°C: 0,75 A
Frequenza limite 100 MHz
C2 corrente impulsiva nominale di scarica per filo (8/20): 5 kA
C2 corrente impulsiva nominale di scarica complessiva (8/20): 10 kA
D1 corrente impulsiva di fulmine (10/350 µs) per filo: 1,5 kA
D1 corrente impulsiva di fulmine (10/350 µs) complessiva: 3 kA
Modulo di sostituzione

Fabbricato: DEHN
Tipo: BCO MOD ML2 BD HF 5
Art.: 927071
o similare.

Certificati

 

Caratteristiche tecniche

Classe SPD L
Tensione nominale (UN ) 5 V
Tensione massima continuativa DC (UC ) 8,5 V
Corrente nominale con 70 °C (IL ) 0,75 A
D1 corrente impulsiva di fulmine (10/350 µs) per filo (Iimp ) 1,5 kA
C2 corrente impulsiva nominale di scarica (8/20 µs) complessiva (In ) 10 kA
Impedenza longitudinale per filo 1 Ohm
Frequenza limite filo-filo (fG ) 100 MHz
Omologazioni UL 497B, CSA, ATEX, IECEx, CCC, SIL
*) Per i dettagli, vedere: www.dehn.de

Prodotto 927071 è stato aggiunto al blocco note.

Prodotto 927071 è stato aggiunto al carrello.

Apri Web-Shop

Art. 927075 BCO MOD ML2 BD HF 24

GTIN (EAN) 4013364468580, Codice doganale (EU): 85363010, Peso lordo: 39.00 g, UM: 1.00 pz.


Immagini

Maggior informazioni

Scaricatore combinato modulo di protezione
BLITZDUCTORconnect MOD ML2 BD HF 24
modulo scaricatore combinato innestabile
per la protezione di 1 conduttore doppio di sistemi bus
e interfacce simmetriche ad alta frequenza
con separazione galvanica
collaudato secondo la norma EN/IEC 61643-21 ed energeticamente
coordinato secondo la norma IEC 61643-22
Classe SPD tipo 1 / P2
Categoria d’impulso: C1, C2, C3, B2, D1
Indicatore di stato, larghezza d’installazione 6 mm
Tensione massima continuativa: 36 V DC / 25,4 V AC
Corrente nominale a 70 °C: 0,75 A
Frequenza limite 100 MHz
C2 corrente impulsiva nominale di scarica per ciascun filo (8/20): 5 kA
C2 corrente impulsiva nominale di scarica complessiva (8/20): 10 kA
D1 corrente impulsiva di fulmine (10/350 µs) per ciascun filo: 1,5 kA
D1 corrente impulsiva di fulmine (10/350 µs) complessiva: 3 kA
Modulo sostituibile

Fabbricato: DEHN
Tipo: BCO MOD ML2 BD HF 24
Art.: 927075
o similare.

Certificati

 

Caratteristiche tecniche

Classe SPD L
Tensione nominale (UN ) 24 V
Tensione massima continuativa DC (UC ) 36 V
Corrente nominale con 70 °C (IL ) 0,75 A
D1 corrente impulsiva di fulmine (10/350 µs) per filo (Iimp ) 1,5 kA
C2 corrente impulsiva nominale di scarica (8/20 µs) complessiva (In ) 10 kA
Impedenza longitudinale per filo 1 Ohm
Frequenza limite filo-filo (fG ) 100 MHz
Omologazioni UL 497B, SIL
*) Per i dettagli, vedere: www.dehn.de

Prodotto 927075 è stato aggiunto al blocco note.

Prodotto 927075 è stato aggiunto al carrello.

Apri Web-Shop

BCO MOD ML2 BD HC5A 24

1 Prodotto

Art. 927054 BCO MOD ML2 BD HC5A 24

GTIN (EAN) 4013364513426, Codice doganale (EU): 85363010, Peso lordo: 41.00 g, UM: 1.00 pz.


Immagini

Maggior informazioni

Modulo di protezione scaricatore combinato
BLITZDUCTORconnect MOD ML2 BD HC5A 24
modulo scaricatore combinato innestabile
per la protezione di 1 coppia di fili di
circuiti di segnale a separazione galvanica con corrente nominale elevata in
sistemi informatici e circuiti CMR.
collaudato secondo la noma EN/IEC 61643-21 ed energeticamente
coordinato secondo la norma IEC 61643-22
Classe SPD tipo 1 / P2
Categoria d’impulso: C1, C2, C3, B2, D1
Indicatore di stato, larghezza d’installazione 6 mm
Tensione massima continuativa: 36 V DC / 25,4 V AC
Corrente nominale a 80 °C: 5 A
C2 corrente impulsiva nominale di scarica per ciascun filo (8/20): 5 kA
C2 corrente impulsiva nominale di scarica complessiva (8/20): 10 kA
D1 corrente impulsiva di fulmine (10/350 µs) per ciascun filo: 1,5 kA
D1 corrente impulsiva di fulmine (10/350 µs) complessiva: 3 kA
Modulo sostituibile

Fabbricato: DEHN
Tipo: BCO MOD ML2 BD HC5A 24
Art.: 927054
o similare.

Certificati

 

Caratteristiche tecniche

Classe SPD L
Tensione nominale (UN ) 24 V
Tensione massima continuativa DC (UC ) 36 V
Corrente nominale con 80 °C (IL ) 5 A
D1 corrente impulsiva di fulmine (10/350 µs) per filo (Iimp ) 1,5 kA
C2 corrente impulsiva nominale di scarica (8/20 µs) complessiva (In ) 10 kA
Impedenza longitudinale per filo 0 Ohm
Omologazioni UL 497B, SIL
*) Per i dettagli, vedere: www.dehn.de

Prodotto 927054 è stato aggiunto al blocco note.

Prodotto 927054 è stato aggiunto al carrello.

Apri Web-Shop

BCO MOD ML2 BPD

Scaricatore combinato modulo di protezione, larghezza di installazione 6 mm per BLITZDUCTORconnect con indicatore di stato per la protezione di 1 coppia di fili in sistemi a 24 V DC. Impiego adatto anche con polo negativo messo a terra. Le resistenze PTC integrate permettono un ripristino sicuro dell’SPD in seguito ad interferenza nel circuito dell’impianto con correnti di cortocircuito fino a 40 A.

1 Prodotto

Art. 927014 BCO MOD ML2 BPD 24

GTIN (EAN) 4013364473010, Codice doganale (EU): 85363010, Peso lordo: 39.00 g, UM: 1.00 pz.


Immagini

Maggior informazioni

Scaricatore combinato modulo di protezione BLITZDUCTORconnect MOD ML2 BPD 24
modulo scaricatore combinato innestabile per la protezione di
un conduttore doppio in sistemi a 24 V DC,
impiego adatto anche con polo negativo messo a terra,
con resistenze PTC integrate per
una protezione da sovracorrente fino a 40 A
collaudato secondo la norma EN/IEC 61643-21 ed energeticamente
coordinato secondo la norma IEC 61643-22
Classe SPD tipo 1 / P2
Categoria d’impulso: C1, C2, C3, B2, D1
Indicatore di stato, larghezza d’installazione 6 mm
Tensione massima continuativa: 33,0 V DC / 23,3 V AC
Corrente nominale a 70 °C: 0,1 A
C2 corrente impulsiva nominale di scarica per ciascun filo (8/20): 5 kA
C2 corrente impulsiva nominale di scarica complessiva (8/20): 10 kA
D1 corrente impulsiva di fulmine (10/350 µs) per ciascun filo: 1,5 kA
D1 corrente impulsiva di fulmine (10/350 µs) complessiva: 3 kA
Modulo sostituibile

Fabbricato: DEHN
Tipo: BCO MOD ML2 BPD 24
Art.: 927014
o similare.

Certificati

 

Caratteristiche tecniche

Classe SPD L
Tensione nominale (UN ) 24 V
Tensione massima continuativa DC (UC ) 33 V
Corrente nominale con 70 °C (IL ) 0,1 A
D1 corrente impulsiva di fulmine (10/350 µs) per filo (Iimp ) 1,5 kA
C2 corrente impulsiva nominale di scarica (8/20 µs) complessiva (In ) 10 kA
Impedenza longitudinale per filo 10 Ohm
Frequenza limite filo-filo (fG ) 4,5 MHz
Omologazioni UL 497B, SIL
*) Per i dettagli, vedere: www.dehn.de

Prodotto 927014 è stato aggiunto al blocco note.

Prodotto 927014 è stato aggiunto al carrello.

Apri Web-Shop

BCO MOD ML2 MVG 230

Limitatore di sovratensione-modulo di protezione con larghezza di installazione 6 mm per BLITZDUCTORconnect con indicatore di stato per la protezione di 2 conduttori di interfacce di segnale multifilari con separazione galvanica e tensione nominale di 230 V AC.
Soddisfa, tra l’altro, i requisiti per gli impianti di tecnologia di segnale nel settore ferroviario (conforme a DB RIL 819.0808).

1 Prodotto

Art. 927090 BCO MOD ML2 MVG 230

GTIN (EAN) 4013364466531, Codice doganale (EU): 85363010, Peso lordo: 39.00 g, UM: 1.00 pz.


Immagini

Maggior informazioni

Limitatore di sovratensione modulo di protezione
BLITZDUCTORconnect MOD ML2 MVG 230
modulo limitatore di sovratensione innestabile
per la protezione di 2 conduttori di
interfacce di segnale multifilari con tensione nominale di 230 V AC.
Collaudato secondo la norma EN/IEC 61643-21 ed energeticamente
coordinato secondo la norma IEC 61643-22
Classe SPD tipo 2 / P3
Categoria d’impulso: C1, C2, C3
Indicatore di stato, larghezza d’installazione 6 mm
Tensione massima continuativa: 320 V DC / 250 V AC
Corrente nominale a 80 °C: 3 A
C2 corrente impulsiva nominale di scarica per ciascun filo (8/20): 3 kA
C2 corrente impulsiva nominale di scarica complessiva (8/20): 6 kA
Modulo sostituibile
Conforme a DB RIL 819.0808

Fabbricato: DEHN
Tipo: BCO MOD ML2 MVG 230
Art.: 927090
o similare.

Certificati

 

Caratteristiche tecniche

Classe SPD V
Tensione nominale (UN ) 230 V
Corrente nominale con 80 °C (IL ) 3 A
C2 corrente impulsiva nominale di scarica (8/20 µs) complessiva (In ) 6 kA
Impedenza longitudinale per filo 0 Ohm
Omologazioni SIL
*) Per i dettagli, vedere: www.dehn.de

Prodotto 927090 è stato aggiunto al blocco note.

Prodotto 927090 è stato aggiunto al carrello.

Apri Web-Shop

BCO MOD ML2 BD EX 24

Modulo di protezione combinata in esecuzione stretta da 6 mm BLITZDUCTORconnect con indicazione di funzionamento per la protezione di 1 coppia di fili di circuiti di misura a sicurezza intrinseca e di sistemi bus. Adempie i requisiti secondo FISCO. Resistenza all'isolamento > 500 V filo-terra.

1 Prodotto

Art. 927084 BCO MOD ML2 BD EX 24

GTIN (EAN) 4013364410206, Codice doganale (EU): 85363010, Peso lordo: 39.00 g, UM: 1.00 pz.


Immagini

Maggior informazioni

Modulo di protezione combinata
BLITZDUCTORconnect MOD ML2 DB EX 24
modulo di protezione combinata innestabile
per la protezione di 1 coppia di fili
di interfacce simmetriche a sicurezza intrinseca con contatto a scambio simmetrico
provato secondo EN/IEC 61643-21
coordinamento energetico secondo IEC 61643-22
Classe SPD tipo 1 / P2
Categoria d’impulso: C1, C2, C3, B2, D1
Indicazione di stato, dimensione 6 mm
Tensione massima continuativa: 36,0 V DC / 25,4 V AC
Corrente nominale con 70°C: 0,75 A
Max. tensione in ingresso secondo EN 60079-11: 30 V
Max. tensione in ingresso secondo EN 60079-11: 0,5 A
C2 corrente impulsiva nominale di scarica per filo (8/20): 5 kA
C2 corrente impulsiva nominale di scarica complessiva (8/20): 10 kA
D1 corrente impulsiva di fulmine (10/350 µs) per filo: 1,5 kA
D1 corrente impulsiva di fulmine (10/350 µs) complessiva: 3 kA
Modulo di sostituzione

Fabbricato: DEHN
Tipo: BCO MOD ML2 BD EX 24
Art.: 927084
o similare.

Certificati

 

Caratteristiche tecniche

Classe SPD L
Tensione nominale (UN ) 24 V
Tensione massima continuativa DC (UC ) 36 V
Corrente nominale con 80 °C (IL ) 0,5 A
D1 corrente impulsiva di fulmine (10/350 µs) per filo (Iimp ) 1,5 kA
C2 corrente impulsiva nominale di scarica (8/20 µs) complessiva (In ) 10 kA
Impedenza longitudinale per filo 1 Ohm
Frequenza limite filo-filo (fG ) 3,5 MHz
Omologazioni ATEX, IECEx, CCC, SIL
*) Per i dettagli, vedere: www.dehn.de

Prodotto 927084 è stato aggiunto al blocco note.

Prodotto 927084 è stato aggiunto al carrello.

Apri Web-Shop

back to top