DEHNcord

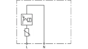
  • Protezione da sovratensione unipolare, bipolare o tripolare con dispositivo di controllo e dispositivo di sezionamento
  • Indicazione ottica di funzionamento/ guasto
  • Versioni con funzione di spegnimento del circuito di carico in caso di errore e protezione della fase di controllo
  • Forma costruttiva compatta anche per l'esterno
  • Per l'impiego in cassette passaggio cavi, sistemi sotto pavimentazione, canaline portacavi e scatole ad incasso

Dettagli

lorem ipsum

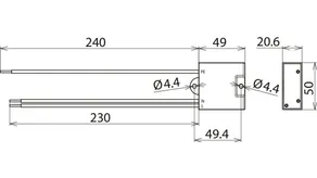
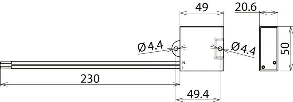
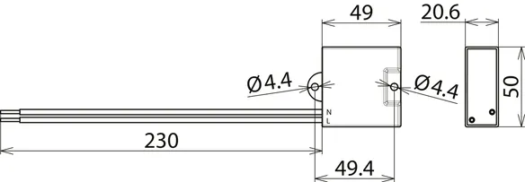
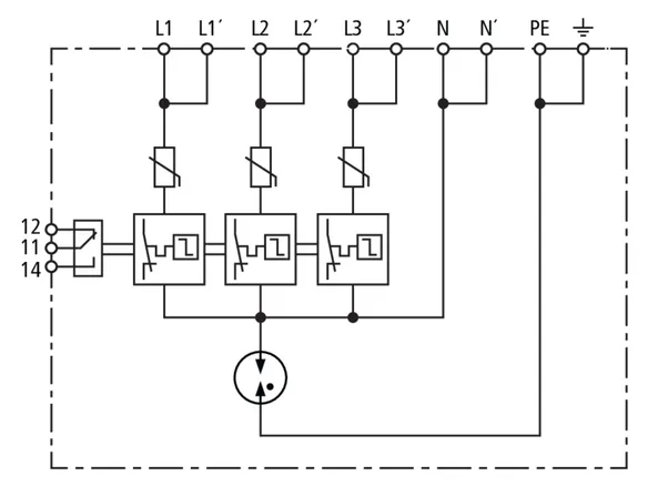
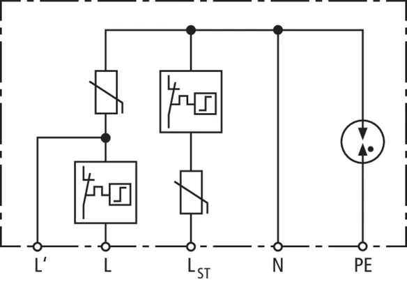
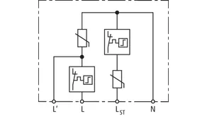
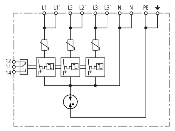
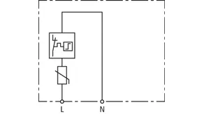
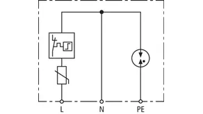
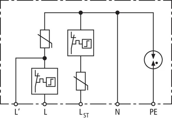
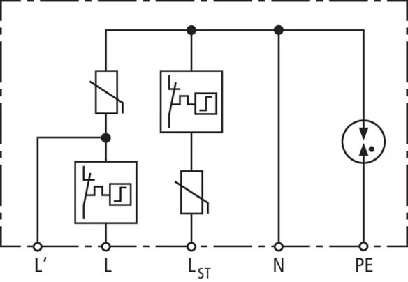
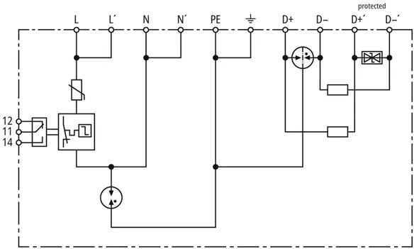
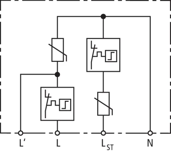
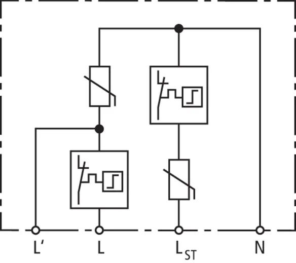
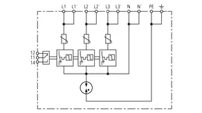
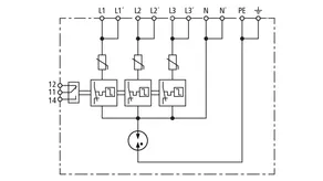
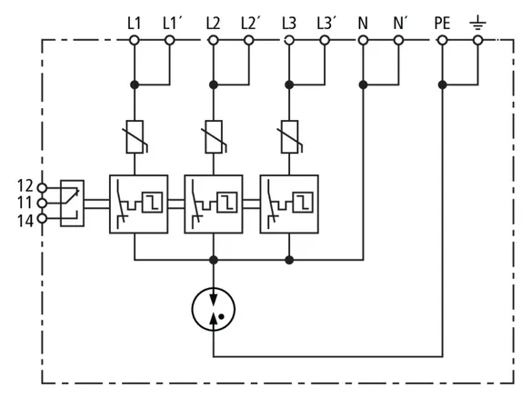
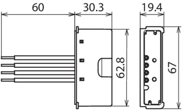
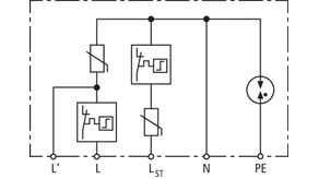
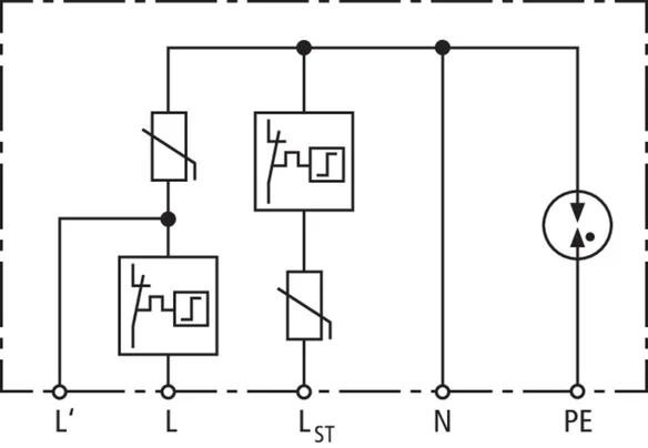
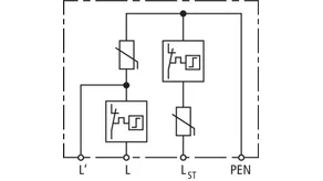
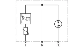
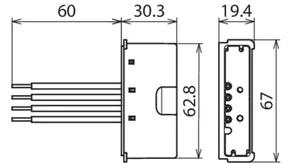
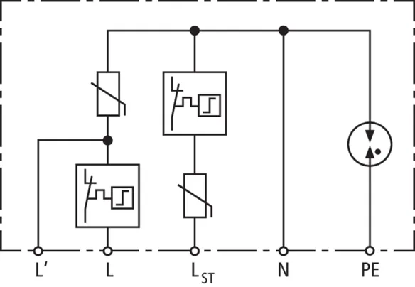
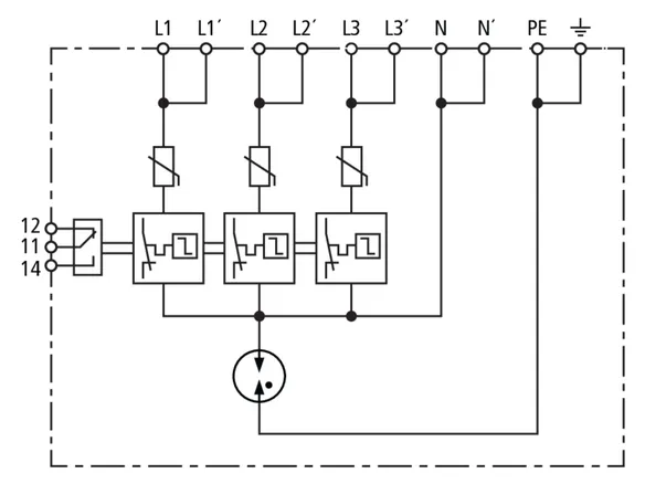
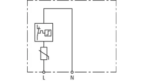
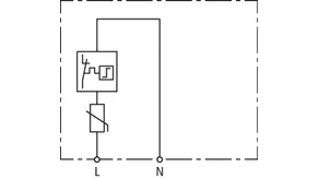
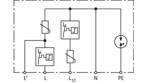
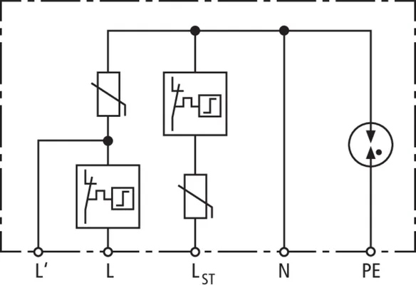
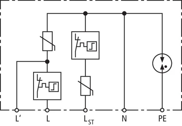
DEHNcord 3P TT 275 FM

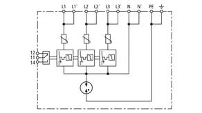
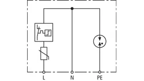
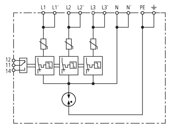
Scaricatore compatto a tre fasi per sistemi di rete TT e TN-S.

1 Prodotto

Art. 900439 DCOR 3P TT 275 FM

GTIN (EAN) 4013364436053, Codice doganale (EU): 85363030, Peso lordo: 129.38 g, UM: 1.00 pz.


Immagini

Maggior informazioni

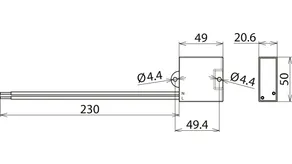
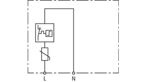
Limitatore di sovratensione DEHNcord 3P TT 275 FM
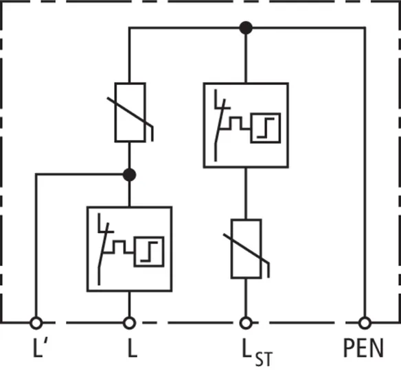
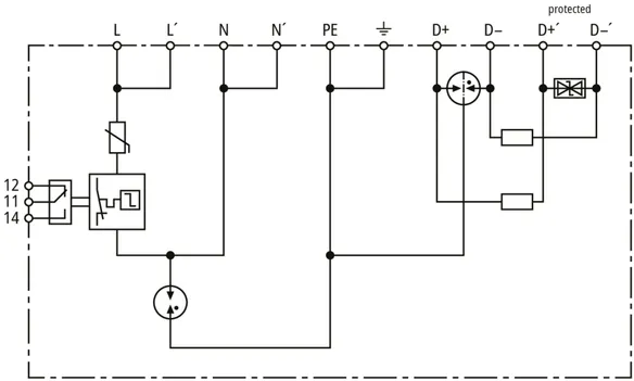
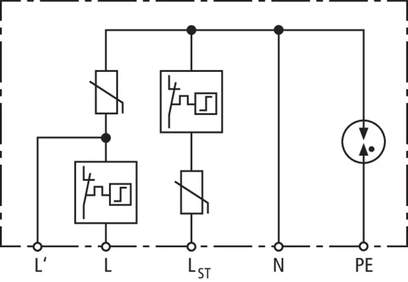
Limitatore di sovratensione multipolare SPD Tipo 2 + Tipo3
secondo CEI EN 61643-11 per l’impiego nelle installazioni elettriche
con contatto di telesegnalamento, indicazione di funzionamento/ guasto
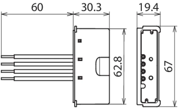
Installazione a scelta guida DIN o asola di fissaggio
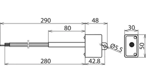
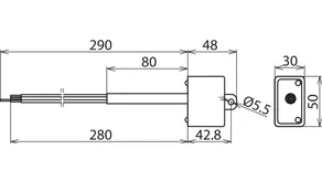
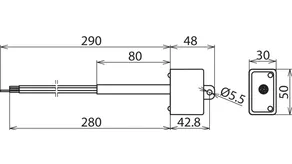
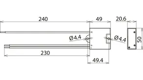
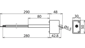
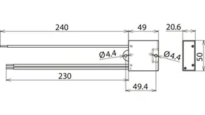
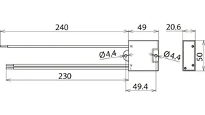
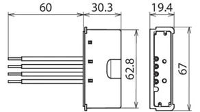
Dimensione compatta: 94 x 39,5 x 36 mm
Tensione massima continuativa: 275 V AC
Tensione massima continuativa: 350 V AC
Livello di protezione: <= 1,5 kV
Corrente impulsiva nominale di scarica (8/20): 10 kA
Corrente di scarica complessiva (8/20): 40 kA
Capacità di estinzione di corrente susseguente: [N-PE]: 100 A eff
Protezione max. di sovraccorente in rete:
collegamento in serie 25 A gG / in parallelo 40 A gG
Corrente max. di carico AC: 25 A
Connessione della linea: Push-in
Coordinamento energetico secondo CEI EN 62305-4
con SPD della famiglia di prodotti Red/Line

Fabbricato: DEHN
Tipo: DCOR 3P TT 275 FM
Art.: 900439
o similare.

Certificati

 

Caratteristiche tecniche

SPD secondo EN 61643-11 / ... IEC 61643-11 Tipo 2 + Tipo 3/ Class II + Class III
Tensione massima continuativa AC [L-N] (UC ) 275 V (50 / 60 Hz)
Tensione massima continuativa DC (UC ) 350 V
Corrente impulsiva nominale di scarica (8/20 µs) [L-N] (In ) 10 kA
Corrente impulsiva max. di scarica (8/20 µs) [L-N] (Imax ) 20 kA
Corrente impulsiva nominale di scarica (8/20 µs) [N-PE] (In ) 10 kA
Corrente impulsiva max. di scarica (8/20 µs) [N-PE] (Imax ) 40 kA
Livello di protezione [L-N] (UP ) ≤ 1,5 kV
Livello di protezione [N-PE] (UP ) ≤ 1,5 kV
Omologazioni KEMA

Prodotto 900439 è stato aggiunto al blocco note.

Prodotto 900439 è stato aggiunto al carrello.

Apri Web-Shop

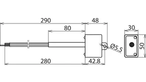
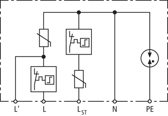
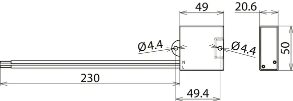
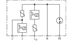
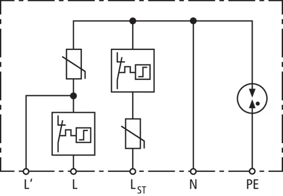
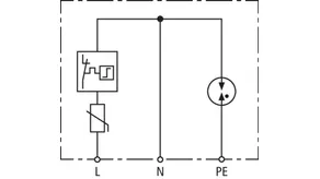
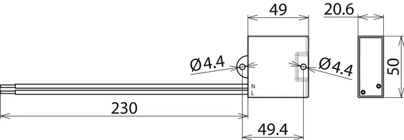
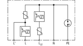
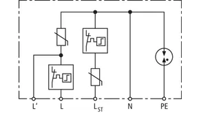
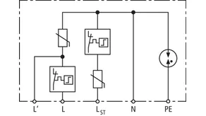
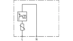
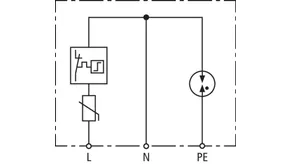
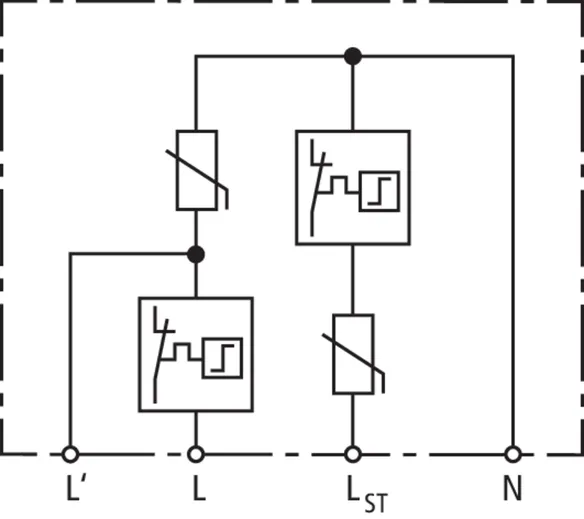
DEHNcord 1P 275 D FM

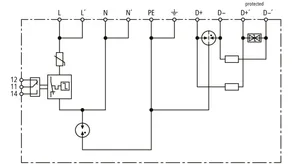
Scaricatore compatto monofase per sistemi TT con collegamento di protezione integrato per interfaccia DALI.

1 Prodotto

Art. 900438 DCOR 1P 275 D FM

GTIN (EAN) 4013364526891, Codice doganale (EU): 85363030, Peso lordo: 86.27 g, UM: 1.00 pz.


Immagini

Maggior informazioni

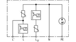
Limitatore di sovratensione DEHNcord 1P 275 D FM
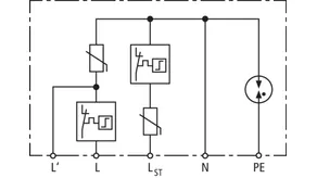
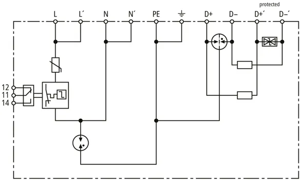
Limitatore di sovratensione monofase
DEHNcord secondo EN 61643-11
e EN 61643-21 con collegamento di protezione
Integrato per l’Interfaccia di comunicazione
per l'impiego in sistemi di installazione
con contatto di telesegnalamento, indicazione di funzionamento/guasto
Installazione guida profilata DIN o linguette da avvitare, a scelta
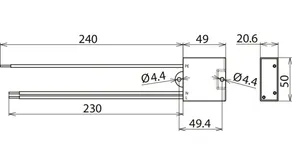
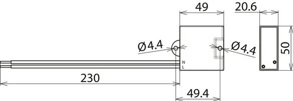
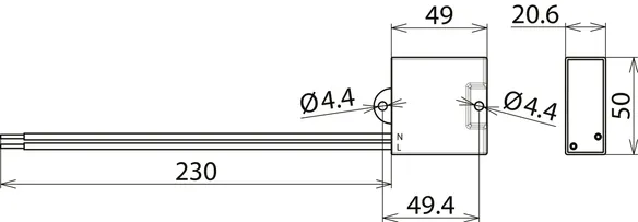
Dimensioni compatte: 94 x 39,5 x 36 mm
Valori tecnici (lato energia):
Tensione massima continuativa: 275 V AC
Livello di protezione: <= 1,5 kV
corrente impulsiva nominale di scarica (8/20): 10 kA
Capacità di estinzione corrente susseguente di rete [N-PE]: 100 A eff
Max. protezione da sovracorrente in rete:
in serie 25 A gG / in parallelo 40 A gG
Max corrente di carico 25 A
Valori tecnici (lato segnale):
Tensione massima continuativa: 28 V DC
Livello di protezione filo-filo con In C2: ≤ 50 V
C2 Corrente impulsiva nominale di scarica (8/20) per ciascun filo conduttore: 5 kA
Corrente nominale a 45 °C: 0,3 A
Collegamento del conduttore: Push-in
Coordinamento energetico secondo la norma DIN EN 62305-4
con scaricatori della famiglia Red/Line

Fabbricato: DEHN
Tipo: DCOR 1P 275 D FM
Art.: 900438
o similare.

Certificati

 

Caratteristiche tecniche

Caratteristiche tecniche
SPD secondo EN 61643-11 / ... IEC 61643-11 Tipo 2 + Tipo 3/ Class II + Class III
Tensione massima continuativa AC [L-N] (UC ) 275 V (50 / 60 Hz)
Tensione massima continuativa DC (UC ) 350 V
Corrente impulsiva nominale di scarica (8/20 µs) [L-N] (In ) 10 kA
Corrente impulsiva max. di scarica (8/20 µs) [L-N] (Imax ) 20 kA
Corrente impulsiva nominale di scarica (8/20 µs) [N-PE] (In ) 10 kA
Corrente impulsiva max. di scarica (8/20 µs) [N-PE] (Imax ) 40 kA
Livello di protezione [L-N] (UP ) ≤ 1,5 kV
Livello di protezione [N-PE] (UP ) ≤ 1,5 kV
Omologazioni KEMA
Dati tecnici lato segnale
Classe SPD U
Tensione nominale DC (UN ) 24 V
Tensione massima continuativa DC (UC ) 28 V
C2 corrente impulsiva nominale di scarica (8/20 µs) complessiva (In ) 10 kA
Impedenza longitudinale per filo 1,8 Ohm
Frequenza limite filo-filo (100 Ohm) (fG ) 10 MHz

Prodotto 900438 è stato aggiunto al blocco note.

Prodotto 900438 è stato aggiunto al carrello.

Apri Web-Shop

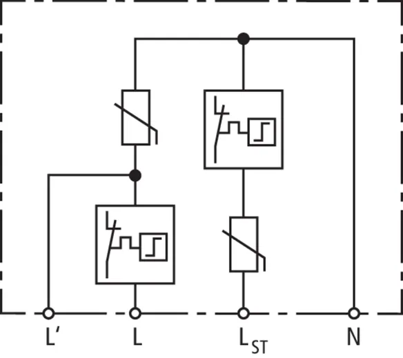
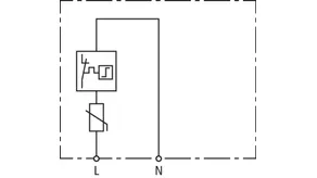
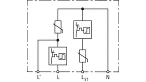
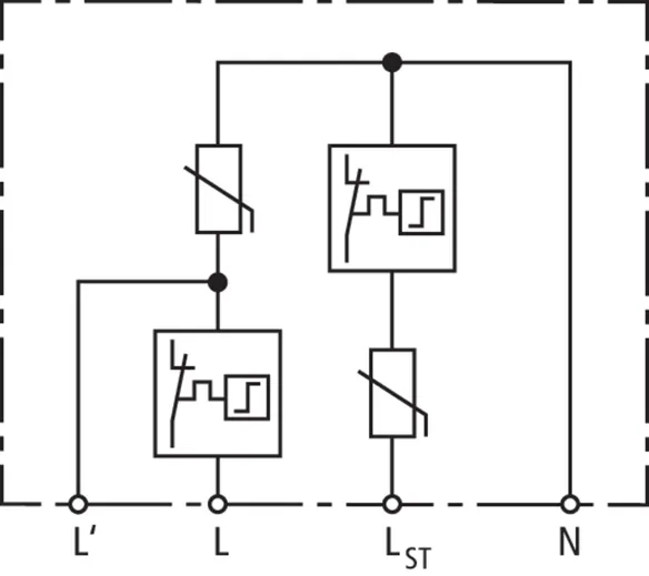
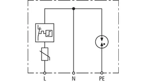
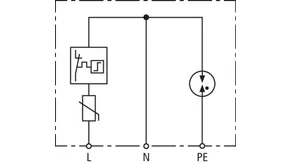
DEHNcord L 2P

Limitatore di sovratensione bipolare per tutte le installazioni elettriche (circuito 1+1) e spie della classe di protezione I; dimensioni compatte.

2 Prodotti

Art. 900430 DCOR L 2P 275

GTIN (EAN) 4013364157286, Codice doganale (EU): 85363030, Peso lordo: 73.00 g, UM: 1.00 pz.


Immagini

Maggior informazioni

Limitatore di sovratensione DEHNcord L 2P 275
Limitatore di sovratensione bipolare per tutte
le installazioni elettriche 230 V
SPD Tipo 2 secondo EN 61643-11
Per l’impiego in sistemi di canaline di cavi,
impianti sotto il suolo e scatole a incasso
Indicazione di guasto
Tensione massima continuativa: 275 V AC
Livello di protezione: <= 1,5 kV
Corrente impulsiva nominale di scarica: 5 kA
Corrente impulsiva di scarica complessiva: 20 kA
Protezione max. da sovraccorente in rete: 25 A gG
o B/C 16 A
Coordinamento energetico secondo CEI EN 62305-4
SPD della famiglia di prodotti Red/Line

Fabbricato: DEHN
Tipo: DCOR L 2P 275
Art.: 900430
o similare.

Certificati

 

Caratteristiche tecniche

SPD secondo EN 61643-11 / ... IEC 61643-11 Tipo 2 / Class II
Tensione massima continuativa AC [L-N] (UC ) 275 V (50 / 60 Hz)
Corrente impulsiva nominale di scarica (8/20 µs) (In ) 5 kA
Max. corrente impulsiva di scarica (8/20 µs) (Imax ) 10 kA
Livello di protezione [L-N] (UP ) ≤ 1,5 kV
Livello di protezione [N-PE] (UP ) ≤ 1,5 kV
Protezione max da sovratensione lato rete 25 A gG
Omologazioni KEMA

Prodotto 900430 è stato aggiunto al blocco note.

Prodotto 900430 è stato aggiunto al carrello.

Apri Web-Shop

Art. 900432 DCOR L 2P 320

GTIN (EAN) 4013364157309, Codice doganale (EU): 85363030, Peso lordo: 74.00 g, UM: 1.00 pz.


Immagini

Maggior informazioni

Limitatore di sovratensione DEHNcord L 2P 320
Limitatore di sovratensione bipolare per tutte
le installazioni elettriche 230/277
SPD Tipo 2 secondo EN 61643-11
Per l’impiego in sistemi di canaline di cavi,
impianti sotto il suolo e scatole a incasso
Indicazione di guasto
Tensione massima continuativa: 320 V AC
Livello di protezione: <= 1,75 kV
Corrente impulsiva nominale di scarica: 5 kA
Corrente impulsiva di scarica complessiva: 20 kA
Protezione max. da sovraccorente in rete: 25 A gG
O B/C 16 A
Coordinamento energetico secondo CEI EN 62305-4
SPD della famiglia di prodotti Red/Line

Fabbricato: DEHN
Tipo: DCOR L 2P 320
Art.: 900432
o similare.

Certificati

 

Caratteristiche tecniche

SPD secondo EN 61643-11 / ... IEC 61643-11 Tipo 2 / Class II
Tensione massima continuativa AC [L-N] (UC ) 320 V (50 / 60 Hz)
Corrente impulsiva nominale di scarica (8/20 µs) (In ) 5 kA
Max. corrente impulsiva di scarica (8/20 µs) (Imax ) 10 kA
Livello di protezione [L-N] (UP ) ≤ 1,75 kV
Livello di protezione [N-PE] (UP ) ≤ 1,5 kV
Protezione max da sovratensione lato rete 25 A gG
Omologazioni KEMA

Prodotto 900432 è stato aggiunto al blocco note.

Prodotto 900432 è stato aggiunto al carrello.

Apri Web-Shop

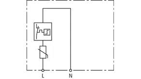
DEHNcord L 1P

Limitatore di sovratensione unipolare per spie con classe di protezione II; dimensioni compatte.

2 Prodotti

Art. 900431 DCOR L 1P 275

GTIN (EAN) 4013364310827, Codice doganale (EU): 85363030, Peso lordo: 60.00 g, UM: 1.00 pz.


Immagini

Maggior informazioni

Limitatore di sovratensione DEHNcord L 1P 275
Limitatore di sovratensione unipolare per tutte
le installazioni elettriche 230 V
SPD Tipo 2 secondo EN 61643-11
Per l’impiego in sistemi di canaline di cavi,
impianti sotto il suolo e scatole a incasso
Indicazione di guasto
Tensione massima continuativa: 275 V AC
Livello di protezione: <= 1,5 kV
Corrente impulsiva nominale di scarica: 5 kA
Protezione max. di sovraccorente in rete: 25 A gG
o B/C 16 A
Coordinamento energetico secondo CEI EN 62305-4
SPD della famiglia di prodotti Red/Line

Fabbricato: DEHN
Tipo: DCOR L 1P 275
Art.: 900431
o similare.

Certificati

 

Caratteristiche tecniche

SPD secondo EN 61643-11 / ... IEC 61643-11 Tipo 2 / Class II
Tensione massima continuativa AC [L-N] (UC ) 275 V (50 / 60 Hz)
Corrente impulsiva nominale di scarica (8/20 µs) (In ) 5 kA
Max. corrente impulsiva di scarica (8/20 µs) (Imax ) 10 kA
Livello di protezione [L-N] (UP ) ≤ 1,5 kV
Protezione max da sovratensione lato rete 25 A gG
Omologazioni KEMA

Prodotto 900431 è stato aggiunto al blocco note.

Prodotto 900431 è stato aggiunto al carrello.

Apri Web-Shop

Art. 900433 DCOR L 1P 320

GTIN (EAN) 4013364157316, Codice doganale (EU): 85363030, Peso lordo: 61.00 g, UM: 1.00 pz.


Immagini

Maggior informazioni

Limitatore di sovratensione DEHNcord L 1P 320
Limitatore di sovratensione unipolare per tutte
le installazioni elettriche 230/277 V
SPD Tipo 2 secondo EN 61643-11
Per l’impiego in sistemi di canali di cavi,
impianti sotto il suolo e scatole a incasso
Indicazione di guasto
Tensione massima continuativa: 320 V AC
Livello di protezione: <= 1,75 kV
Corrente impulsiva nominale di scarica: 5 kA
Protezione max. di sovraccorente in rete: 25 A gG
o B/C 16 A
Coordinamento energetico secondo CEI EN 62305-4
SPD della famiglia di prodotti Red/Line

Fabbricato: DEHN
Tipo: DCOR L 1P 320
Art.: 900433
o similare.

Certificati

 

Caratteristiche tecniche

SPD secondo EN 61643-11 / ... IEC 61643-11 Tipo 2 / Class II
Tensione massima continuativa AC [L-N] (UC ) 320 V (50 / 60 Hz)
Corrente impulsiva nominale di scarica (8/20 µs) (In ) 5 kA
Max. corrente impulsiva di scarica (8/20 µs) (Imax ) 10 kA
Livello di protezione [L-N] (UP ) ≤ 1,75 kV
Protezione max da sovratensione lato rete 25 A gG
Omologazioni KEMA

Prodotto 900433 è stato aggiunto al blocco note.

Prodotto 900433 è stato aggiunto al carrello.

Apri Web-Shop

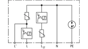
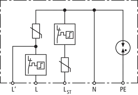
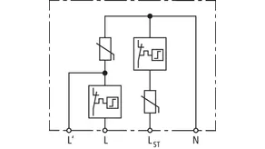
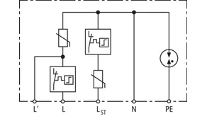
DEHNcord L 2P SN1864

Limitatore di sovratensione per spie con classe di protezione II; dimensioni compatte. Con funzione di spegnimento in caso di errore.

1 Prodotto

Art. 999906 DCOR L 2P SN1864

GTIN (EAN) 4013364310926, Codice doganale (EU): 85363030, Peso lordo: 70.50 g, UM: 1.00 pz.


Immagini

Maggior informazioni

Limitatore di sovratensione DEHNcord L 2P SN1864
Limitatore di sovratensione multipolare Tipo 2 secondo CEI EN 61643-11
Per l’impiego in cassette di passaggio cavi.
Con protezione della fase di controllo
È possibile disattivare le luci in caso di un guasto
e aggiungere un indicatore ottico di guasto
per tensione di alimentazione
Massima tensione continuativa: 275 V AC
Livello di protezione: <= 1,5 kV
Corrente impulsiva nominale di scarica (8/20): 5 kA
Corrente impulsiva di scarica sommatoria: 20 kA
Protezione max. da sovracorrente lato rete: 16 A gG
Corrente max. di carico AC: 10 A
Coordinamento energetico secondo CEI EN 62305-4
con gli scaricatori della famiglia Red/Line

Fabbricato: DEHN
Tipo: DCOR L 2P SN1864
Art.: 999906
o similare.

Certificati

 

Caratteristiche tecniche

SPD secondo EN 61643-11 / ... IEC 61643-11 Tipo 2 / Class II
Tensione massima continuativa AC [L-N] (UC ) 275 V (50 / 60 Hz)
Corrente impulsiva nominale di scarica (8/20 µs) (In ) 5 kA
Max. corrente impulsiva di scarica (8/20 µs) (Imax ) 10 kA
Livello di protezione [L-N] (UP ) ≤ 1,5 kV
Protezione da sovracorrente max. in rete B 16 A

Prodotto 999906 è stato aggiunto al blocco note.

Prodotto 999906 è stato aggiunto al carrello.

Apri Web-Shop

DEHNcord L 2P SN1860

Limitatore di sovratensione per tutti i sistemi di installazione; dimensioni compatte. Con funzione di spegnimento in caso di errore.

1 Prodotto

Art. 999937 DCOR L 2P SN1860

GTIN (EAN) 4013364303195, Codice doganale (EU): 85363030, Peso lordo: 86.00 g, UM: 1.00 pz.


Immagini

Maggior informazioni

Limitatore di sovratensione DEHNcord L 2P SN1860
Limitatore di sovratensione multipolare SPD Tipo 2 secondo EN 61643-11
Per l’impiego in cassette di trasmissioni cavi.
È possibile disattivare le luci in caso di un guasto
e aggiungere un indicatore ottico di guasto
Per tensione di alimentazione
Tensione massima continuativa: 275 V AC
Grado di protezione: <= 1,5 kV
Corrente impulsiva nominale di scarica (8/20): 5 kA
Corrente impulsiva nominale di scarica totale: 20 kA
Capacità di estinzione di corrente susseguente: [N-PE]: 100 A eff
Protezione max. da sovraccorente in rete: 16 A gG
Corrente max. di carico AC: 10 A
Coordinamento energetico secondo CEI EN 62305-4
Con SPD della famiglia di prodotti Red/Line

Fabbricato: DEHN
Tipo: DCOR L 2P SN1860
Art.: 999937
o similare.

Certificati

 

Caratteristiche tecniche

SPD secondo EN 61643-11 / ... IEC 61643-11 Tipo 2 / Class II
Tensione massima continuativa AC [L-N] (UC ) 275 V (50 / 60 Hz)
Corrente impulsiva nominale di scarica (8/20 µs) (In ) 5 kA
Max. corrente impulsiva di scarica (8/20 µs) (Imax ) 10 kA
Livello di protezione [L-N] (UP ) ≤ 1,5 kV
Livello di protezione [N-PE] (UP ) ≤ 1,5 kV
Protezione da sovracorrente max. in rete B 16 A

Prodotto 999937 è stato aggiunto al blocco note.

Prodotto 999937 è stato aggiunto al carrello.

Apri Web-Shop

DEHNcord L 2P 275 SO LTG

Limitatore di sovratensione per tutti i sistemi di installazione; dimensioni compatte. Con funzione di spegnimento in caso di errore.

1 Prodotto

Art. 900446 DCOR L 2P 275 SO LTG

GTIN (EAN) 4013364292970, Codice doganale (EU): 85363030, Peso lordo: 62.50 g, UM: 1.00 pz.


Immagini

Maggior informazioni

Limitatore di sovratensione DEHNcord L 2P 275 SO LTG
Limitatore di sovratensione multipolare SPD Tipo 2 secondo EN 61643-11
Per l’impiego in cassette di trasmissioni cavi.
È possibile disattivare le luci in caso di un guasto
e aggiungere un indicatore ottico di guasto
per tensione di alimentazione
Tensione massima continuativa: 275 V AC
Grado di protezione: <= 1,5 kV
Corrente impulsiva nominale di scarica (8/20): 5 kA
Corrente impulsiva nominale di scarica totale: 20 kA
Capacità di estinzione di corrente susseguente: [N-PE]: 100 A eff
Protezione max. di sovraccorente in rete: 16 A gG
Corrente max. di carico AC: 10 A
Coordinamento energetico secondo CEI EN 62305-4
SPD della famiglia di prodotti Red/Line

Fabbricato: DEHN
Tipo: DCOR L 2P 275 SO LTG
Art.: 900446
o similare.

Certificati

 

Caratteristiche tecniche

SPD secondo EN 61643-11 / ... IEC 61643-11 Tipo 2 / Class II
Tensione massima continuativa AC [L-N] (UC ) 275 V (50 / 60 Hz)
Corrente impulsiva nominale di scarica (8/20 µs) (In ) 5 kA
Max. corrente impulsiva di scarica (8/20 µs) (Imax ) 10 kA
Livello di protezione [L-N] (UP ) ≤ 1,5 kV
Livello di protezione [N-PE] (UP ) ≤ 1,5 kV
Protezione da sovracorrente max. in rete B 16 A
Omologazioni KEMA

Prodotto 900446 è stato aggiunto al blocco note.

Prodotto 900446 è stato aggiunto al carrello.

Apri Web-Shop

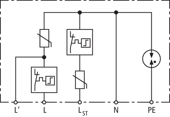
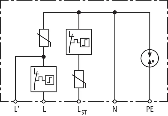
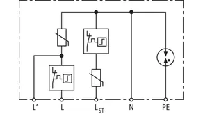
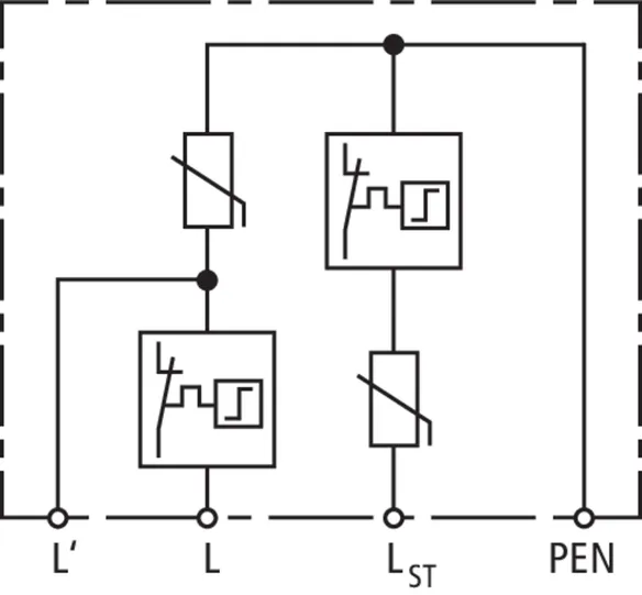
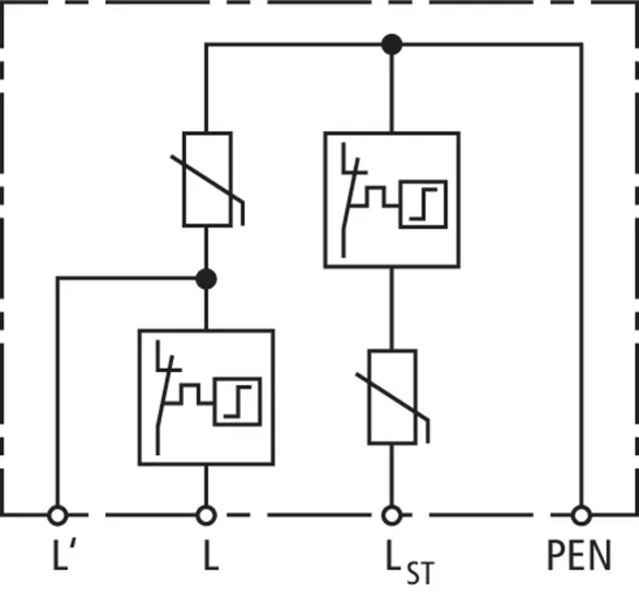
DEHNcord L 3P 275 SO LTG

Limitatore di sovratensione tripolare per tutti i sistemi di installazione; dimensioni compatte. Con funzione di spegnimento del circuito di carico in caso di errore e protezione della fase di controllo.

1 Prodotto

Art. 900445 DCOR L 3P 275 SO LTG

GTIN (EAN) 4013364280380, Codice doganale (EU): 85363030, Peso lordo: 71.50 g, UM: 1.00 pz.


Immagini

Maggior informazioni

Limitatore di sovratensione DEHNcord L 3P 275 SO LTG
Limitatore di sovratensione multipolare SPD Tipo 2 secondo EN 61643-11
Per l’impiego in cassette di trasmissioni cavi.
Con protezione della fase di controllo
È possibile disattivare le luci in caso di un guasto
e aggiungere un indicatore ottico di guasto
per tensione di alimentazione e fase di controllo
Tensione massima continuativa: 275 V AC
Grado di protezione: <= 1,5 kV
Corrente impulsiva nominale di scarica (8/20): 5 kA
Corrente impulsiva di scarica complessiva (8/20): 20 kA
Capacità di estinzione di corrente susseguente: [N-PE]: 100 A eff
Protezione max. di sovraccorente in rete: 16 A gG
Corrente max. di carico AC: 10 A
Coordinamento energetico secondo CEI EN 62305-4
SPD della famiglia di prodotti Red/Line

Fabbricato: DEHN
Tipo: DCOR L 3P 275 SO LTG
Art.: 900445
o similare.

Certificati

 

Caratteristiche tecniche

SPD secondo EN 61643-11 / ... IEC 61643-11 Tipo 2 / Class II
Tensione massima continuativa AC [L-N] (UC ) 275 V (50 / 60 Hz)
Corrente impulsiva nominale di scarica (8/20 µs) (In ) 5 kA
Max. corrente impulsiva di scarica (8/20 µs) (Imax ) 10 kA
Livello di protezione [L-N] (UP ) ≤ 1,5 kV
Livello di protezione [N-PE] (UP ) ≤ 1,5 kV
Protezione da sovracorrente max. in rete B 16 A
Omologazioni KEMA

Prodotto 900445 è stato aggiunto al blocco note.

Prodotto 900445 è stato aggiunto al carrello.

Apri Web-Shop

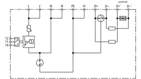
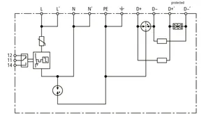
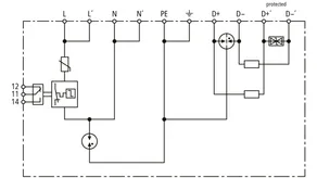
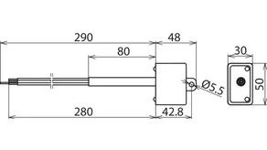
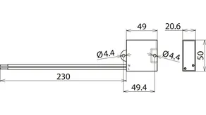
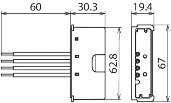
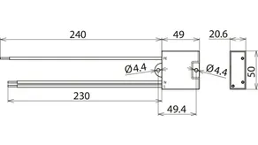
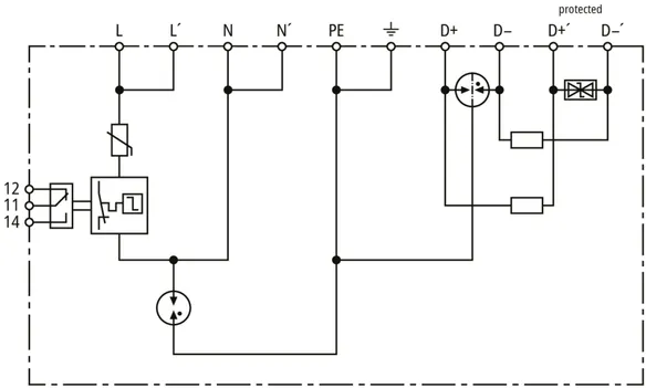
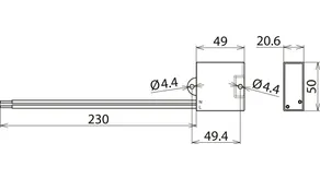
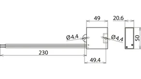
SK EK480 G2S-2d LM DCOR

La cassetta di sicurezza EK480 è un prodotto di qualità di produzione Langmatz che si contraddistingue per la sua ottima lavorazione e le caratteristiche provate nella pratica. La linea di prodotti EK480 soddisfa norme e requisiti meccanici ed elettrici. Gli indicatori luminosi con elettronica di elevata qualità possono così essere protetti in modo efficace da sovratensioni dovute a operazioni di commutazione e cadute di fulmini nelle vicinanze.

1 Prodotto

Art. 900443 SK EK480 G2S-2d LM DCOR

GTIN (EAN) 4013364394322, Codice doganale (EU): 85362010, Peso lordo: 788.00 g, UM: 20.00 pz.


Immagini

Maggior informazioni

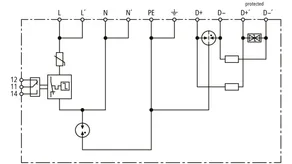
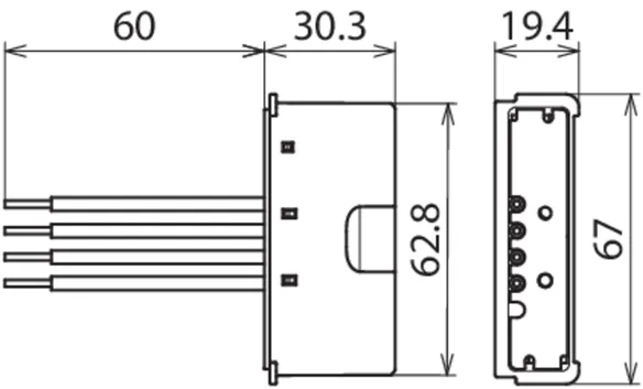
Cassetta di sicurezza EK480 con limitatore di sovratensione
DEHNcord L 3P 275 SO LTG
per la protezione di indicatori luminosi LED di pali
Con protezione della fase di comando
È possibile disattivare le luci in caso di un guasto
e aggiungere un indicatore ottico di guasto
per tensione di alimentazione e fase di controllo
Tensione massima continuativa: 275 V AC
Grado di protezione: <= 1,5 kV
Corrente impulsiva nominale di scarica (8/20): 5 kA
Corrente impulsiva di scarica complessiva (8/20): 20 kA
Capacità di estinzione di corrente susseguente: [N-PE]: 100 A eff
Protezione max. di sovraccorente in rete: 16 A gG
Corrente max. di carico AC: 10 A
Coordinamento energetico secondo CEI EN 62305-4
SPD della famiglia di prodotti Red/Line
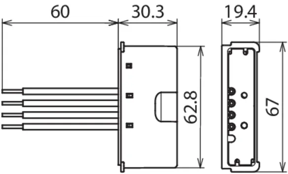
Dimensione cassetta: 277x80x67 mm
Livello di protezione: IP54 secondo DIN VDE 0470
Classe di protezione: II

Fabbricato: DEHN
Tipo: SK EK480 G2S-2d LM DCOR
Art.: 900443
o similare.

Certificati

 

Caratteristiche tecniche

Cassetta di sicurezza per dati
Dimensioni 276 x 81 x 70 mm
a partire dal diametro interno del palo 89 mm
Tecnica di serraggio Ingresso: elemento di serraggio a spostamento / uscita: elemento di fissaggio a molla
Sezione cavo massima da serrare 1 - 3 cavi (4 ossia 5 x 16 mm2)
Morsetti di uscita max. 2,5 mm2
Dispositivo di protezione da sovratensione per dati DEHNcord L 3P 275 SO LTG
SPD secondo EN 61643-11 / ... IEC 61643-11 Tipo 2 / Class II
Tensione massima continuativa AC [L-N] (UC ) 275 V (50 / 60 Hz)
Corrente impulsiva nominale di scarica (8/20 µs) (In ) 5 kA
Corrente impulsiva max di scarica (8/20 µs) (Imax ) 10 kA
Livello di protezione [L-N] (UP ) ≤ 1,5 kV
Livello di protezione [N-PE] (UP ) ≤ 1,5 kV
Protezione max da sovraccorrente lato rete B 16 A

Prodotto 900443 è stato aggiunto al blocco note.

Prodotto 900443 è stato aggiunto al carrello.

Apri Web-Shop

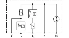
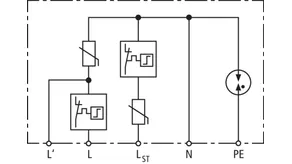
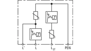
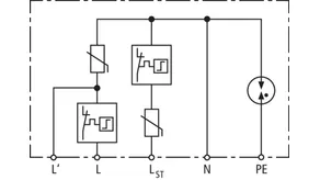
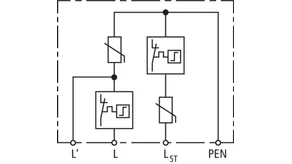
DEHNcord L 2P 275 SO LT

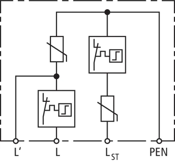
Limitatore di sovratensione bipolare per sistemi di rete TNC; dimensioni compatte. Con funzione di spegnimento del circuito di carico in caso di errore e protezione della fase di controllo.

1 Prodotto

Art. 900435 DCOR L 2P 275 SO LT

GTIN (EAN) 4013364292963, Codice doganale (EU): 85363030, Peso lordo: 70.00 g, UM: 1.00 pz.


Immagini

Maggior informazioni

Limitatore di sovratensione DEHNcord L 2P 275 SO LT
Limitatore di sovratensione multipolare Tipo 2 secondo CEI EN 61643-11
Per l’impiego in cassette trasmissioni cavi.
Con protezione della fase di controllo
È possibile disattivare le luci in caso di un guasto
e aggiungere un indicatore ottico di guasto
per tensione di alimentazione
Massima tensione continuativa: 275 V AC
Grado di protezione: <= 1,5 kV
Corrente impulsiva nominale di scarica (8/20): 5 kA
Corrente impulsiva di scarica sommatoria: 20 kA
Protezione max. di sovracorrente lato rete: 16 A gG
Corrente max. di carico AC: 10 A
Coordinazione energetica secondo CEI EN 62305-4
con gli scaricatori della famiglia Red/Line


Fabbricato: DEHN
Tipo: DCOR L 2P 275 SO LT
Art.: 900435
o similare.

Certificati

 

Caratteristiche tecniche

SPD secondo EN 61643-11 / ... IEC 61643-11 Tipo 2 / Class II
Tensione continuativa AC [L-PEN] (UC ) 275 V (50 / 60 Hz)
Corrente impulsiva nominale di scarica (8/20 µs) (In ) 5 kA
Max. corrente impulsiva di scarica (8/20 µs) (Imax ) 10 kA
Livello di protezione [L-PEN] (UP ) ≤ 1,5 kV
Protezione da sovracorrente max. in rete B 16 A
Omologazioni KEMA

Prodotto 900435 è stato aggiunto al blocco note.

Prodotto 900435 è stato aggiunto al carrello.

Apri Web-Shop

DEHNcord L 3P 275 SO IP

Limitatore di sovratensione tripolare per tutti i sistemi di installazione; dimensioni compatte. Grado di protezione IP65. Con funzione di spegnimento del circuito di carico in caso di errore e protezione della fase di controllo.

1 Prodotto

Art. 900447 DCOR L 3P 275 SO IP

GTIN (EAN) 4013364282216, Codice doganale (EU): 85363030, Peso lordo: 146.60 g, UM: 1.00 pz.


Immagini

Maggior informazioni

Limitatore di sovratensione DEHNcord L 3P 275 SO IP
Limitatore di sovratensione multipolare Tipo 2 secondo CEI EN 61643-11
Con cavi per il montaggio all’esterno (grado di protezione IP65)
Ad es. in cassette trasmissioni cavi.
Con protezione della fase di controllo
È possibile disattivare le luci in caso di un guasto
e aggiungere un indicatore ottico di guasto
per tensione di alimentazione e fase di controllo
con aletta di fissaggio
Massima tensione continuativa: 275 V AC
Grado di protezione: <= 1,5 kV
Corrente impulsiva nominale di scarica (8/20): 5 kA
Corrente impulsiva di scarica complessiva (8/20): 20 kA
Capacità di estinzione di corrente susseguente: [N-PE]: 100 A eff
Protezione max. da sovracorrente lato rete: 16 A gG
Corrente max. di carico AC: 10 A
Coordinazione energetica secondo CEI EN 62305-4
con gli scaricatori della famiglia Red/Line

Fabbricato: DEHN
Tipo: DCOR L 3P 275 SO IP
Art.: 900447
o similare.

Certificati

 

Caratteristiche tecniche

SPD secondo EN 61643-11 / ... IEC 61643-11 Tipo 2 / Class II
Tensione massima continuativa AC [L-N] (UC ) 275 V (50 / 60 Hz)
Corrente impulsiva nominale di scarica (8/20 µs) (In ) 5 kA
Max. corrente impulsiva di scarica (8/20 µs) (Imax ) 10 kA
Livello di protezione [L-N] (UP ) ≤ 1,5 kV
Livello di protezione [N-PE] (UP ) ≤ 1,5 kV
Protezione da sovracorrente max. in rete B 16 A

Prodotto 900447 è stato aggiunto al blocco note.

Prodotto 900447 è stato aggiunto al carrello.

Apri Web-Shop

DEHNcord L 2P 275 SO IP

Limitatore bipolare per tutti i sistemi di installazione; dimensioni compatte. Grado di protezione IP65. Con funzione di spegnimento in caso di errore.

1 Prodotto

Art. 900448 DCOR L 2P 275 SO IP

GTIN (EAN) 4013364293007, Codice doganale (EU): 85363030, Peso lordo: 139.90 g, UM: 1.00 pz.


Immagini

Maggior informazioni

Limitatore di sovratensione DEHNcord L 2P 275 SO IP
Limitatore di sovratensione multipolare Tipo 2 secondo CEI EN 61643-11
Con cavi per il montaggio all’esterno (grado di protezione IP65)
Ad es. in cassette trasmissioni cavi.
È possibile disattivare le luci in caso di un guasto
e aggiungere un indicatore ottico di guasto
per tensione di alimentazione
Con aletta di fissaggio
Massima tensione continuativa: 275 V AC
Grado di protezione: <= 1,5 kV
Corrente impulsiva nominale di scarica (8/20): 5 kA
Corrente impulsiva di scarica complessiva (8/20): 20 kA
Capacità di estinzione di corrente susseguente: [N-PE]: 100 A eff
Protezione max. da sovracorrente lato rete: 16 A gG
Corrente max. di carico AC: 10 A
Coordinazione energetica secondo CEI EN 62305-4
con gli scaricatori della famiglia Red/Line

Fabbricato: DEHN
Tipo: DCOR L 2P 275 SO IP
Art.: 900448
o similare.

Certificati

 

Caratteristiche tecniche

SPD secondo EN 61643-11 / ... IEC 61643-11 Tipo 2 / Class II
Tensione massima continuativa AC [L-N] (UC ) 275 V (50 / 60 Hz)
Corrente impulsiva nominale di scarica (8/20 µs) (In ) 5 kA
Max. corrente impulsiva di scarica (8/20 µs) (Imax ) 10 kA
Livello di protezione [L-N] (UP ) ≤ 1,5 kV
Livello di protezione [N-PE] (UP ) ≤ 1,5 kV
Protezione da sovracorrente max. in rete B 16 A

Prodotto 900448 è stato aggiunto al blocco note.

Prodotto 900448 è stato aggiunto al carrello.

Apri Web-Shop

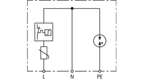
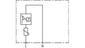
DEHNcord R 3P

Limitatore di sovratensione per persiane elettriche; dimensioni compatte.

1 Prodotto

Art. 900449 DCOR R 3P 275

GTIN (EAN) 4013364320031, Codice doganale (EU): 85363030, Peso lordo: 151.00 g, UM: 1.00 pz.


Immagini

Maggior informazioni

Limitatore di sovratensione DEHNcord R 3P 275
Limitatore di sovratensione multipolare Tipo 2 secondo CEI EN 61643-11
per il montaggio all’esterno (grado di protezione IP 54) per la protezione
di tende elettriche avvolgibili o imposte
Con funzione di spegnimento del circuito di carico in caso di errore
per funzionamento verso il basso
Comunicazione acustica di guasto per entrambi i percorsi di protezione
Tensione massima continuativa: 275 V AC
Livello di protezione: ≤ 1,5 kV
Corrente impulsiva nominale di scarica (8/20): 2,5 kA
Corrente impulsiva di scarica complessiva (8/20) [L+N-PE]: 15 kA
Capacità di estinzione corrente susseguente [N-PE]: 100 Aeff
Corrente nominale di carico AC: 10 A
Coordinamento energetico secondo CEI EN 62305-4
con limitatori della famiglia di prodotti Red/Line

Fabbricato: DEHN
Tipo: DCOR R 3P 275
Art.: 900449
o similare.

Certificati

 

Caratteristiche tecniche

SPD secondo EN 61643-11 / ... IEC 61643-11 Tipo 2 / Class II
Tensione massima continuativa AC [L-N] (UC ) 275 V (50 / 60 Hz)
Corrente impulsiva nominale di scarica (8/20 µs) (In ) 2,5 kA
Max. corrente impulsiva di scarica (8/20 µs) (Imax ) 5 kA
Livello di protezione [L-N] (UP ) ≤ 1,5 kV
Collegamento a spina Hirschmann STAK 3 / STAS 3

Prodotto 900449 è stato aggiunto al blocco note.

Prodotto 900449 è stato aggiunto al carrello.

Apri Web-Shop

back to top