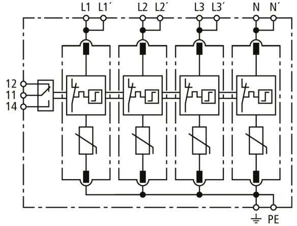
DEHNguard modular

  • Unità completa precablata costituita da basetta e moduli di protezione a innesto.
  • Energeticamente coordinato all’interno della famiglia di prodotti Red/Line
  • Elevata capacità di scarica tramite potenti varistori all’ossido di zinco / spinterometri
  • Elevata sicurezza del dispositivo grazie all’unità di monitoraggio "Thermo-Dynamik-Control"
  • Sostituzione semplice, senza attrezzi, del modulo di protezione tramite sistema di blocco e tasto di sblocco modulo
  • A prova di vibrazioni e di shock meccanico secondo la norma EN 60068-2
  • Nelle varianti DG MP con morsetti doppi Push-in per un facile collegamento passante a "V"
  • Nelle varianti DG MD con morsetti a doppia vite per un facile collegamento passante a "V"

Dettagli

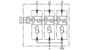
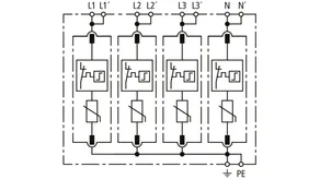
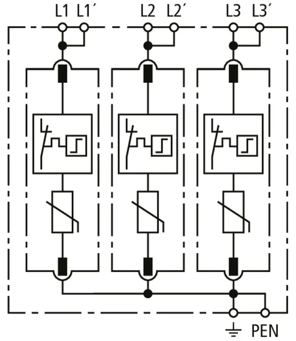
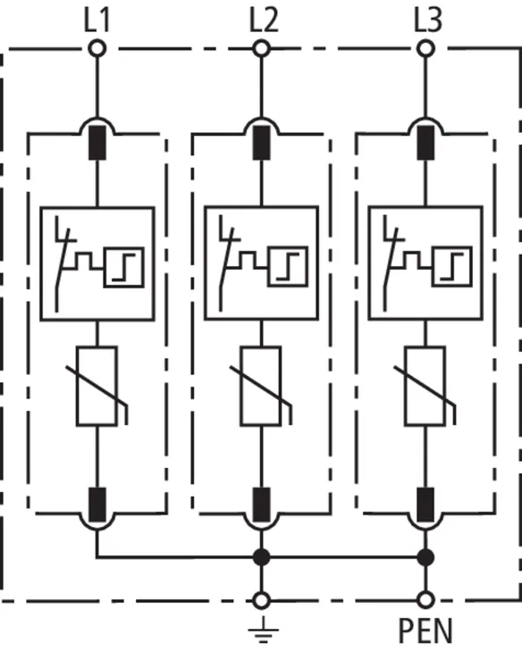
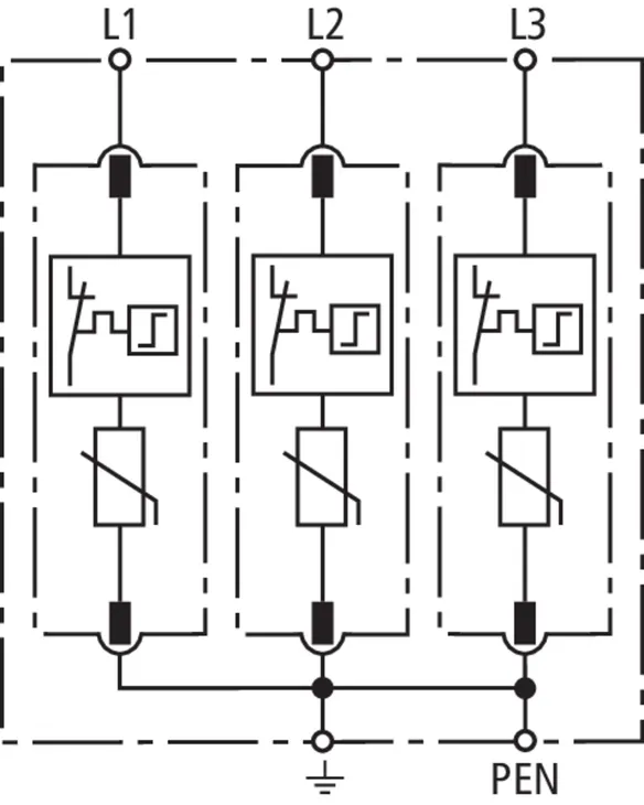
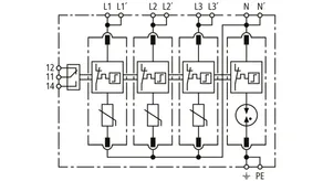
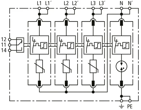
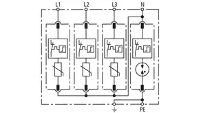
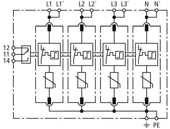
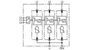
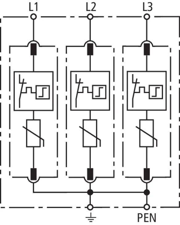
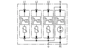
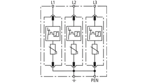
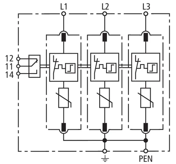
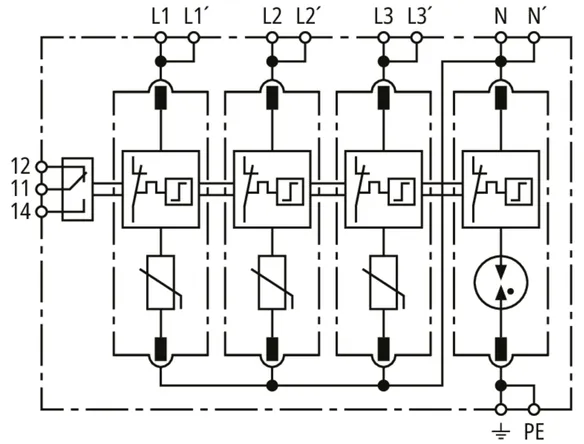
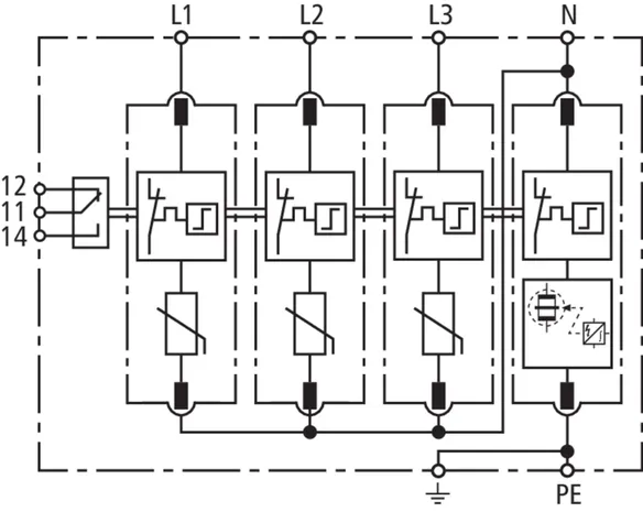
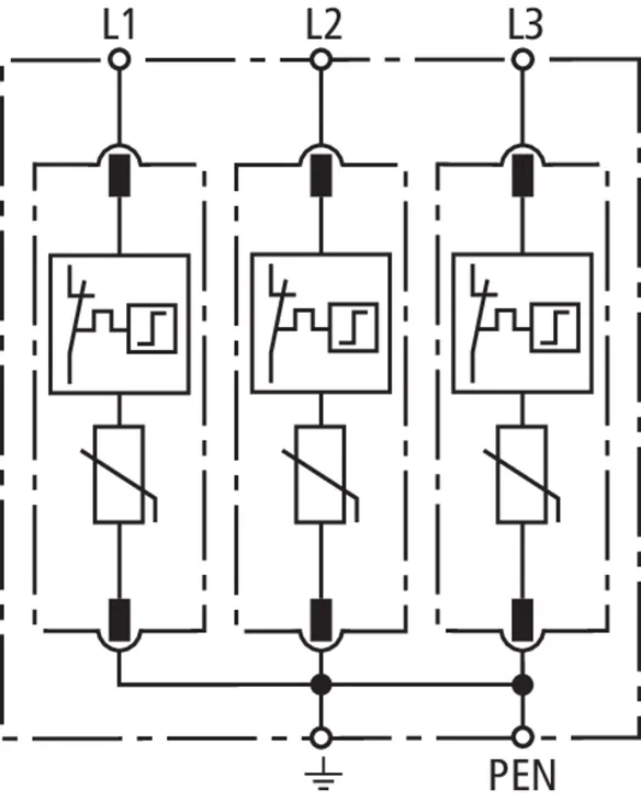
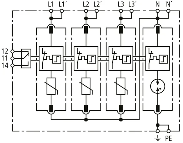
Circuito 3+1 con un'elevata capacità di scarica 4 x 20 kA = 80 kA.
lorem ipsum
lorem ipsum
lorem ipsum

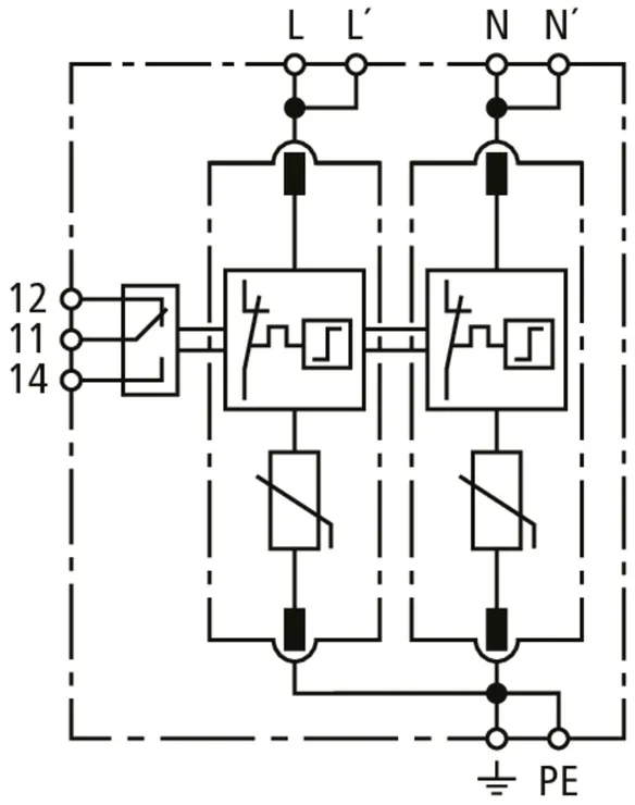
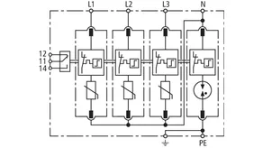
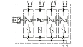
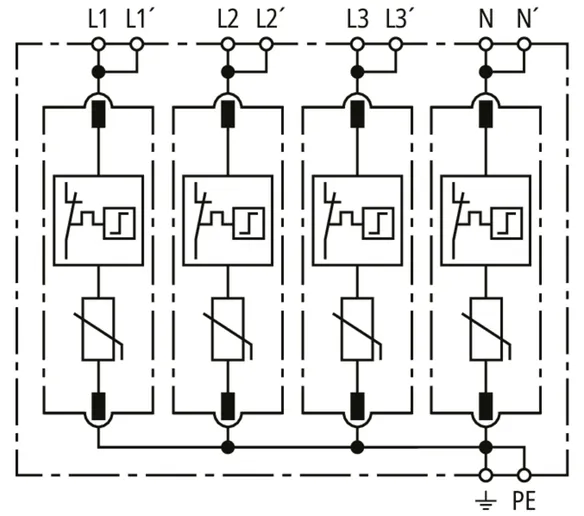
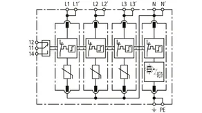
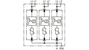
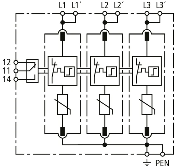
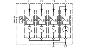
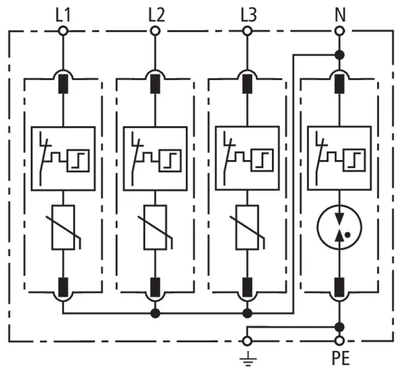
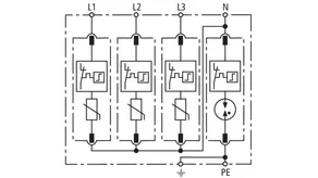
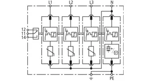
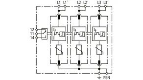
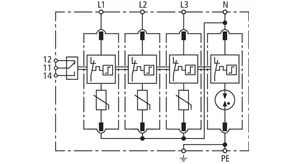
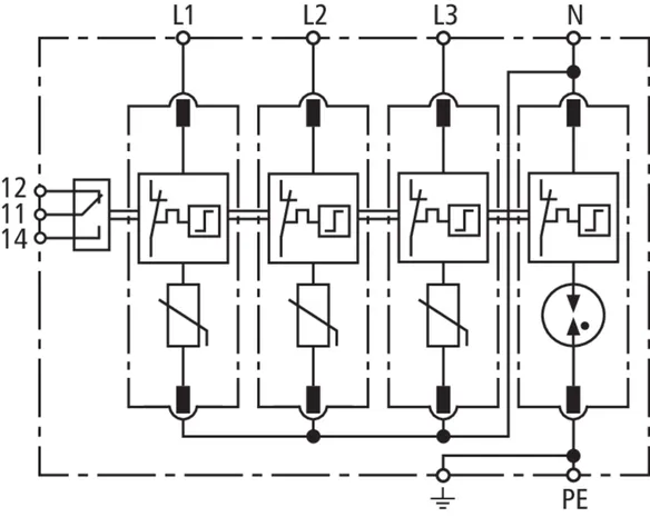
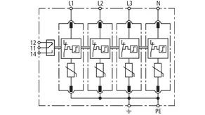
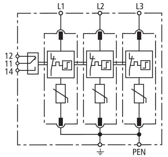
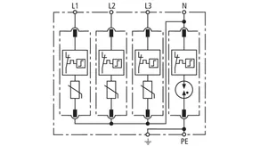
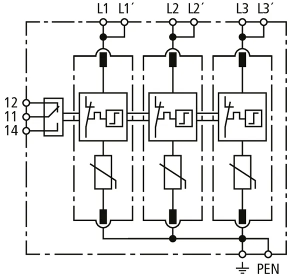
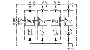
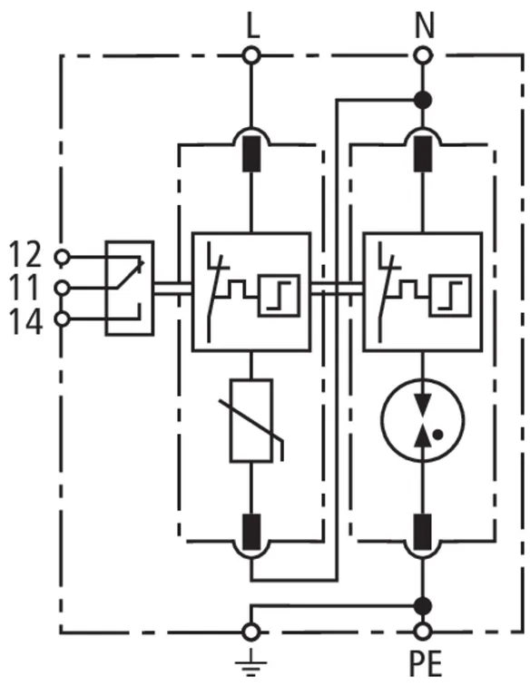
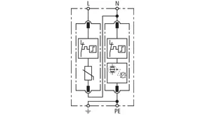
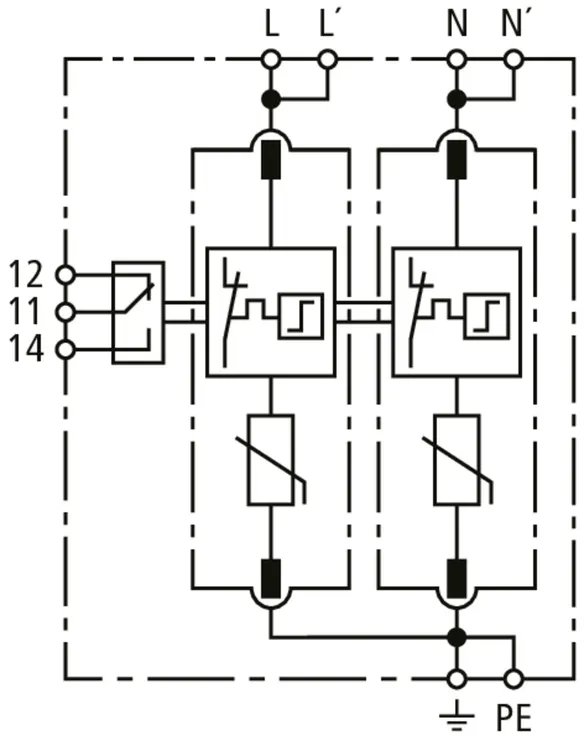
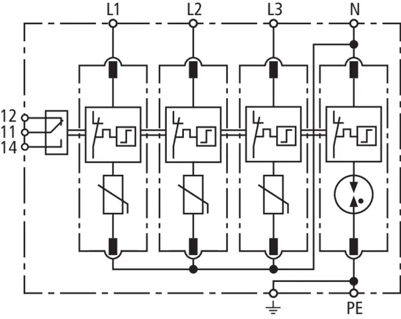
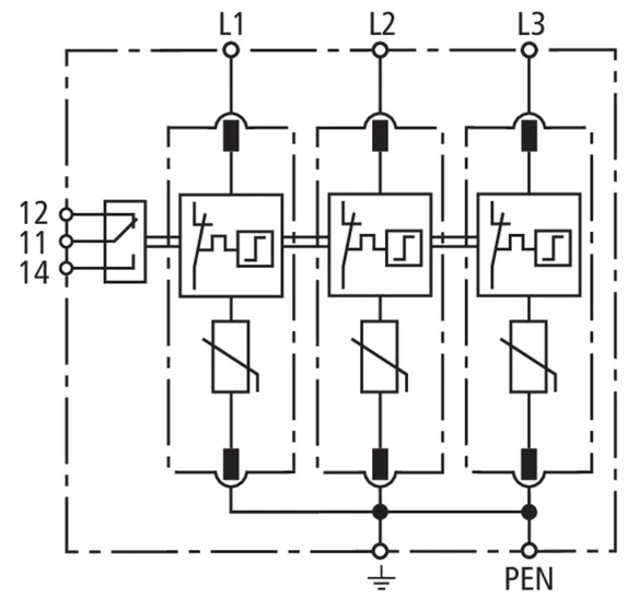
DEHNguard MD TNS ... (FM)

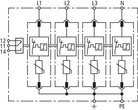
Limitatore di sovratensione modulare per reti TN-S (circuito 4+0); con contatto di scambio pulito per il telesegnalamento.

4 Prodotti

Art. 943408 DG MD TNS 150 FM

GTIN (EAN) 4013364522244, Codice doganale (EU): 85363030, Peso lordo: 496.00 g, UM: 1.00 pz.


Immagini

Maggior informazioni

Limitatore di sovratensione DEHNguard MD TNS 150 FM
Limitatore di sovratensione a 4 poli modulare innestabile
per sistemi TN-S 120/240 V, occupa 4 moduli DIN
con contatto di telesegnalamento
SPD tipo 2 a norma EN 61643-11
Indicazione di difetto
Tensione massima continuativa: 150 V AC
Livello di protezione: <= 0,7 kV
Corrente impulsiva nominale di scarica: 15 kA
Tenuta al cortocircuito: 50 kAeff
Coordinamento energetico secondo la norma DIN EN 62305-4
SPD della famiglia Red/Line

Fabbricato: DEHN
Tipo: DG MD TNS 150 FM
Art.: 943408
o similare.

Certificati

 

Caratteristiche tecniche

SPD secondo EN 61643-11 / ... IEC 61643-11 Tipo 2 + tipo 3/ classe II + classe III
Tensione massima continuativa AC (UC ) 150 V (50 / 60 Hz)
Corrente impulsiva nominale di scarica (8/20 µs) (In ) 15 kA
Corrente impulsiva max di scarica (8/20 µs) (Imax ) 40 kA
Livello di protezione [L-PE]/[N-PE] (UP ) ≤ 0,7 / ≤ 0,7 kV
Omologazioni DEKRA
Contatto FM / forma contatto scambio pulito

Prodotto 943408 è stato aggiunto al blocco note.

Prodotto 943408 è stato aggiunto al carrello.

Apri Web-Shop

Art. 943400 DG MD TNS 275

GTIN (EAN) 4013364521919, Codice doganale (EU): 85363030, Peso lordo: 380.00 g, UM: 1.00 pz.


Immagini

Maggior informazioni

Limitatore di sovratensione DEHNguard MD TNS 275
Limitatore di sovratensione a 4 poli modulare innestabile
per sistemi TN-S 230/400 V, occupa 4 moduli DIN
SPD tipo 2 a norma EN 61643-11
Indicazione di difetto
Tensione massima continuativa: 275 V AC
Livello di protezione: <= 1,5 kV
Corrente impulsiva nominale di scarica: 20 kA
Tenuta al cortocircuito: 50 kAeff
Coordinamento energetico secondo la norma DIN EN 62305-4
SPD della famiglia Red/Line

Fabbricato: DEHN
Tipo: DG MD TNS 275
Art.: 943400
o similare.

Certificati

 

Caratteristiche tecniche

SPD secondo EN 61643-11 / ... IEC 61643-11 Tipo 2 + tipo 3/ classe II + classe III
Tensione massima continuativa AC (UC ) 275 V (50 / 60 Hz)
Corrente impulsiva nominale di scarica (8/20 µs) (In ) 20 kA
Corrente impulsiva max di scarica (8/20 µs) (Imax ) 40 kA
Livello di protezione [L-PE]/[N-PE] (UP ) ≤ 1,5 / ≤ 1,5 kV
Omologazioni DEKRA

Prodotto 943400 è stato aggiunto al blocco note.

Prodotto 943400 è stato aggiunto al carrello.

Apri Web-Shop

Art. 943405 DG MD TNS 275 FM

GTIN (EAN) 4013364477117, Codice doganale (EU): 85363030, Peso lordo: 380.00 g, UM: 1.00 pz.


Immagini

Maggior informazioni

Limitatore di sovratensione DEHNguard MD TNS 275 FM
Limitatore di sovratensione a 4 poli modulare innestabile
per sistemi TN-S 230/400 V, occupa 4 moduli DIN
con contatto di telesegnalamento
SPD tipo 2 a norma EN 61643-11
Indicazione di difetto
Tensione massima continuativa: 275 V AC
Livello di protezione: <= 1,5 kV
Corrente impulsiva nominale di scarica: 20 kA
Tenuta al cortocircuito: 50 kAeff
Coordinamento energetico secondo la norma DIN EN 62305-4
SPD della famiglia Red/Line

Fabbricato: DEHN
Tipo: DG MD TNS 275 FM
Art.: 943405
o similare.

Certificati

 

Caratteristiche tecniche

SPD secondo EN 61643-11 / ... IEC 61643-11 Tipo 2 + tipo 3/ classe II + classe III
Tensione massima continuativa AC (UC ) 275 V (50 / 60 Hz)
Corrente impulsiva nominale di scarica (8/20 µs) (In ) 20 kA
Corrente impulsiva max di scarica (8/20 µs) (Imax ) 40 kA
Livello di protezione [L-PE]/[N-PE] (UP ) ≤ 1,5 / ≤ 1,5 kV
Omologazioni DEKRA
Contatto FM / forma contatto scambio pulito

Prodotto 943405 è stato aggiunto al blocco note.

Prodotto 943405 è stato aggiunto al carrello.

Apri Web-Shop

Art. 943409 DG MD TNS 385 FM

GTIN (EAN) 4013364522213, Codice doganale (EU): 85363030, Peso lordo: 380.00 g, UM: 1.00 pz.


Immagini

Maggior informazioni

Limitatore di sovratensione DEHNguard MD TNS 385 FM
Limitatore di sovratensione a 4 poli modulare innestabile
per sistemi TN-S 230/400 V, occupa 4 moduli DIN
con contatto di telesegnalamento
SPD tipo 2 a norma EN 61643-11
Indicazione di difetto
Tensione massima continuativa: 385 V AC
Livello di protezione: <= 1,75 kV
Corrente impulsiva nominale di scarica: 20 kA
Tenuta al cortocircuito: 25 kAeff
Coordinamento energetico secondo la norma DIN EN 62305-4
SPD della famiglia Red/Line

Fabbricato: DEHN
Tipo: DG MD TNS 385 FM
Art.: 943409
o similare.

Certificati

 

Caratteristiche tecniche

SPD secondo EN 61643-11 / ... IEC 61643-11 Tipo 2 + tipo 3/ classe II + classe III
Tensione massima continuativa AC (UC ) 385 V (50 / 60 Hz)
Corrente impulsiva nominale di scarica (8/20 µs) (In ) 20 kA
Corrente impulsiva max di scarica (8/20 µs) (Imax ) 40 kA
Livello di protezione [L-PE]/[N-PE] (UP ) ≤ 1,75 / ≤ 1,75 kV
Omologazioni DEKRA
Contatto FM / forma contatto scambio pulito

Prodotto 943409 è stato aggiunto al blocco note.

Prodotto 943409 è stato aggiunto al carrello.

Apri Web-Shop

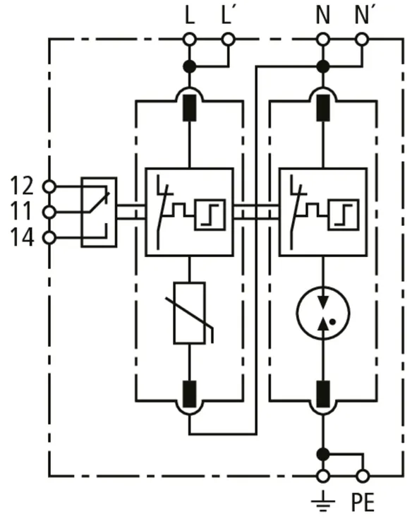
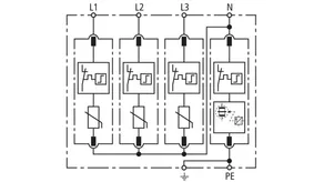
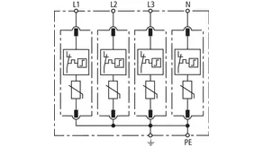
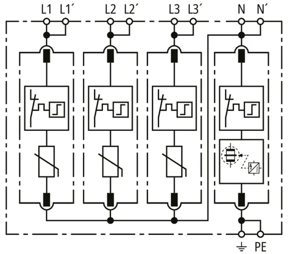
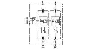
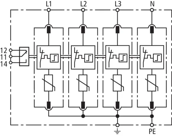
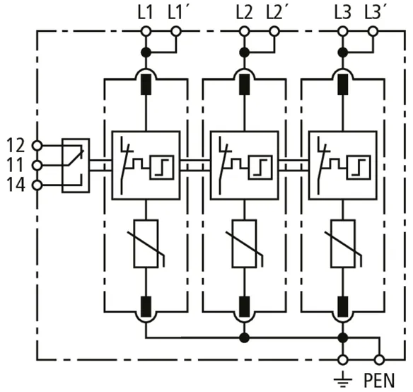
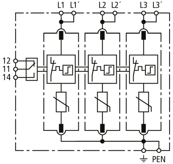
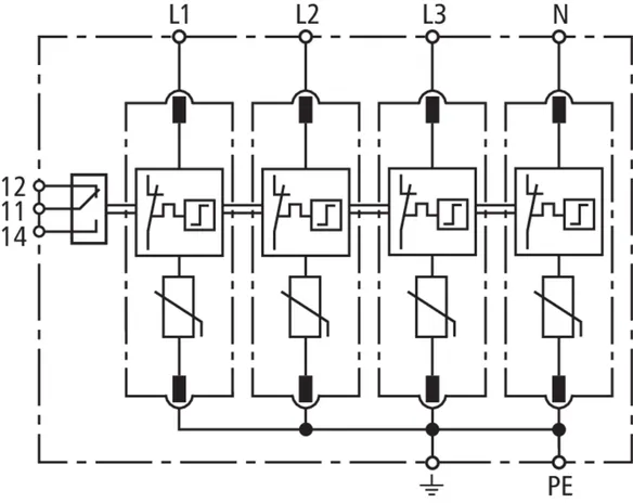
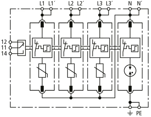
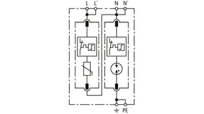
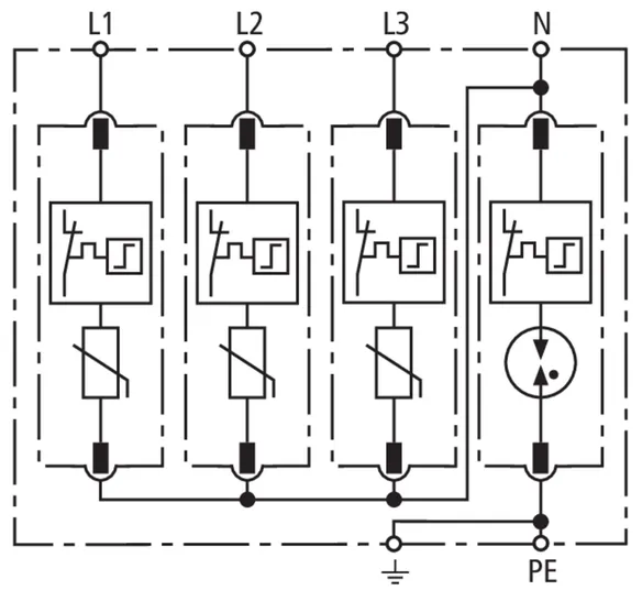
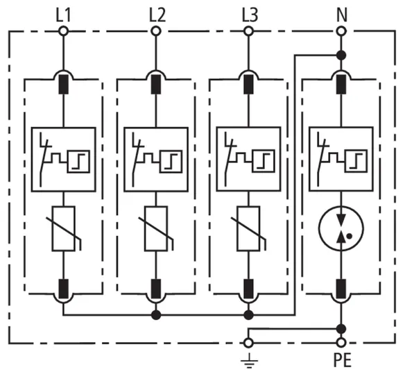
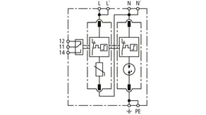
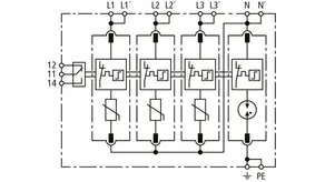
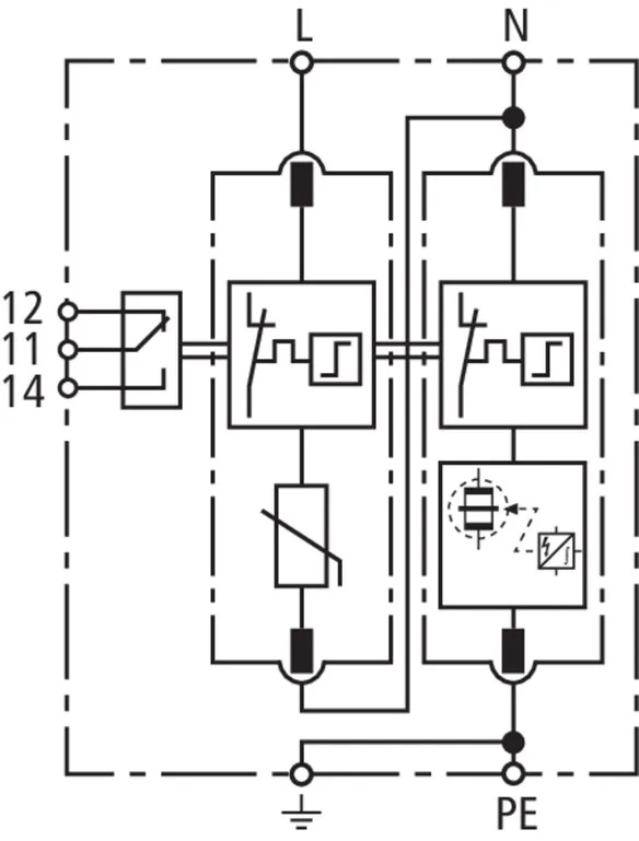
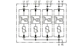
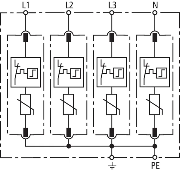
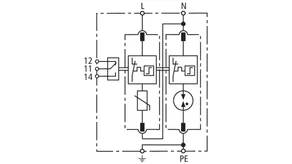
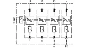
DEHNguard MD TT ... (FM)

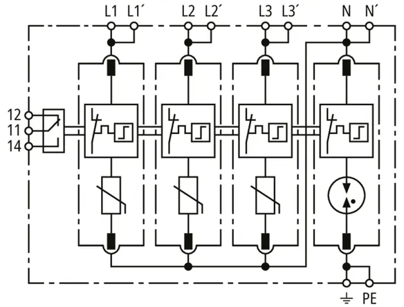
Limitatore di sovratensione modulare per sistemi TT e TN-S (circuito 3+1); con contatto di scambio pulito per il telesegnalamento.

5 Prodotti

Art. 943310 DG MD TT 275

GTIN (EAN) 4013364522046, Codice doganale (EU): 85363030, Peso lordo: 250.00 g, UM: 1.00 pz.


Immagini

Maggior informazioni

Limitatore di sovratensione DEHNguard MD TT 275
Limitatore di sovratensione a 4 poli modulare innestabile
per sistemi TT e TN-S 230/400 V, occupa 4 moduli DIN
SPD tipo 2 a norma EN 61643-11
Indicazione di difetto
Tensione massima continuativa: 275 V AC
Livello di protezione: <= 1,5 kV
Corrente impulsiva nominale di scarica: 20 kA
Tenuta al cortocircuito: 50 kAeff
Coordinamento energetico secondo la norma DIN EN 62305-4
SPD della famiglia Red/Line

Fabbricato: DEHN
Tipo: DG MD TT 275
Art.: 943310
o similare.

Certificati

 

Caratteristiche tecniche

SPD secondo EN 61643-11 / ... IEC 61643-11 Tipo 2 + tipo 3/ classe II + classe III
Tensione massima continuativa AC [L-N] (UC ) 275 V (50 / 60 Hz)
Corrente impulsiva nominale di scarica (8/20 µs) (In ) 20 kA
Corrente impulsiva max di scarica (8/20 µs) (Imax ) 40 kA
Livello di protezione [L-N]/[N-PE] (UP ) ≤ 1,5 / ≤ 1,5 kV
Omologazioni DEKRA

Prodotto 943310 è stato aggiunto al blocco note.

Prodotto 943310 è stato aggiunto al carrello.

Apri Web-Shop

Art. 943315 DG MD TT 275 FM

GTIN (EAN) 4013364477155, Codice doganale (EU): 85363030, Peso lordo: 250.00 g, UM: 1.00 pz.


Immagini

Maggior informazioni

Limitatore di sovratensione DEHNguard MD TT 275 FM
Limitatore di sovratensione a 4 poli modulare innestabile
per sistemi TT e TN-S 230/400 V, occupa 4 moduli DIN
con contatto di telesegnalamento
SPD tipo 2 a norma EN 61643-11
Indicazione di difetto
Tensione massima continuativa: 275 V AC
Livello di protezione: <= 1,5 kV
Corrente impulsiva nominale di scarica: 20 kA
Tenuta al cortocircuito: 50 kAeff
Coordinamento energetico secondo la norma DIN EN 62305-4
SPD della famiglia Red/Line

Fabbricato: DEHN
Tipo: DG MD TT 275 FM
Art.: 943315
o similare.

Certificati

 

Caratteristiche tecniche

SPD secondo EN 61643-11 / ... IEC 61643-11 Tipo 2 + tipo 3/ classe II + classe III
Tensione massima continuativa AC [L-N] (UC ) 275 V (50 / 60 Hz)
Corrente impulsiva nominale di scarica (8/20 µs) (In ) 20 kA
Corrente impulsiva max di scarica (8/20 µs) (Imax ) 40 kA
Livello di protezione [L-N]/[N-PE] (UP ) ≤ 1,5 / ≤ 1,5 kV
Omologazioni DEKRA
Contatto FM / forma contatto scambio pulito

Prodotto 943315 è stato aggiunto al blocco note.

Prodotto 943315 è stato aggiunto al carrello.

Apri Web-Shop

Art. 943325 DG MD TT 320 FM

GTIN (EAN) 4013364522206, Codice doganale (EU): 85363030, Peso lordo: 250.00 g, UM: 1.00 pz.


Immagini

Maggior informazioni

Limitatore di sovratensione DEHNguard MD TT 320 FM
Limitatore di sovratensione a 4 poli modulare innestabile
per sistemi TT e TN-S 230/400 V, occupa 4 moduli DIN
con contatto di telesegnalamento
SPD tipo 2 a norma EN 61643-11
Indicazione di difetto
Tensione massima continuativa: 320 V AC
Livello di protezione: <= 1,5 kV
Corrente impulsiva nominale di scarica: 20 kA
Tenuta al cortocircuito: 25 kAeff
Coordinamento energetico secondo la norma DIN EN 62305-4
SPD della famiglia Red/Line

Fabbricato: DEHN
Tipo: DG MD TT 320 FM
Art.: 943325
o similare.

Certificati

 

Caratteristiche tecniche

SPD secondo EN 61643-11 / ... IEC 61643-11 Tipo 2 + tipo 3/ classe II + classe III
Tensione massima continuativa AC [L-N] (UC ) 320 V (50 / 60 Hz)
Corrente impulsiva nominale di scarica (8/20 µs) (In ) 20 kA
Corrente impulsiva max di scarica (8/20 µs) (Imax ) 40 kA
Livello di protezione [L-N]/[N-PE] (UP ) ≤ 1,5 / ≤ 1,5 kV
Omologazioni DEKRA
Contatto FM / forma contatto scambio pulito

Prodotto 943325 è stato aggiunto al blocco note.

Prodotto 943325 è stato aggiunto al carrello.

Apri Web-Shop

Art. 943328 DG MD TT 150 FM

GTIN (EAN) 4013364522237, Codice doganale (EU): 85363030, Peso lordo: 498.00 g, UM: 1.00 pz.


Immagini

Maggior informazioni

Limitatore di sovratensione DEHNguard MD TT 150 FM
Limitatore di sovratensione a 4 poli modulare innestabile
per sistemi TT e TN-S 120/240 V, occupa 4 moduli DIN
con contatto di telesegnalamento
SPD tipo 2 a norma EN 61643-11
Indicazione di difetto
Tensione massima continuativa: 150 V AC
Livello di protezione: <= 1,5 kV
Corrente impulsiva nominale di scarica: 15 kA
Tenuta al cortocircuito: 50 kAeff
Coordinamento energetico secondo la norma DIN EN 62305-4
SPD della famiglia Red/Line

Fabbricato: DEHN
Tipo: DG MD TT 150 FM
Art.: 943328
o similare.

Certificati

 

Caratteristiche tecniche

SPD secondo EN 61643-11 / ... IEC 61643-11 Tipo 2 + tipo 3/ classe II + classe III
Tensione massima continuativa AC [L-N] (UC ) 150 V (50 / 60 Hz)
Corrente impulsiva nominale di scarica (8/20 µs) [L-N] (In ) 15 kA
Corrente impulsiva nominale di scarica (8/20 µs) [N-PE] (In ) 20 kA
Corrente impulsiva max di scarica (8/20 µs) (Imax ) 40 kA
Livello di protezione [L-N]/[N-PE] (UP ) ≤ 0,7 / ≤ 1,5 kV
Omologazioni DEKRA
Contatto FM / forma contatto scambio pulito

Prodotto 943328 è stato aggiunto al blocco note.

Prodotto 943328 è stato aggiunto al carrello.

Apri Web-Shop

Art. 943317 DG MD TT 385 FM

GTIN (EAN) 4013364522220, Codice doganale (EU): 85363030, Peso lordo: 250.00 g, UM: 1.00 pz.


Immagini

Maggior informazioni

Limitatore di sovratensione DEHNguard MD TT 385 FM
Limitatore di sovratensione a 4 poli modulare innestabile
per sistemi TT e TN-S 230/400 V, occupa 4 moduli DIN
con contatto di telesegnalamento
SPD tipo 2 a norma EN 61643-11
Indicazione di difetto
Tensione massima continuativa: 385 V AC
Livello di protezione: <= 1,5 kV
Corrente impulsiva nominale di scarica: 20 kA
Tenuta al cortocircuito: 25 kAeff
Coordinamento energetico secondo la norma DIN EN 62305-4
SPD della famiglia Red/Line

Fabbricato: DEHN
Tipo: DG MD TT 385 FM
Art.: 943317
o similare.

Certificati

 

Caratteristiche tecniche

SPD secondo EN 61643-11 / ... IEC 61643-11 Tipo 2 + tipo 3/ classe II + classe III
Tensione massima continuativa AC [L-N] (UC ) 385 V (50 / 60 Hz)
Corrente impulsiva nominale di scarica (8/20 µs) (In ) 20 kA
Corrente impulsiva max di scarica (8/20 µs) (Imax ) 40 kA
Livello di protezione [L-N]/[N-PE] (UP ) ≤ 1,75 / ≤ 1,5 kV
Omologazioni DEKRA
Contatto FM / forma contatto scambio pulito

Prodotto 943317 è stato aggiunto al blocco note.

Prodotto 943317 è stato aggiunto al carrello.

Apri Web-Shop

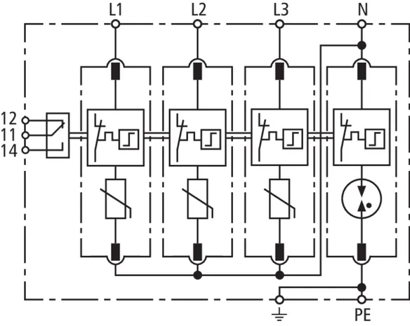
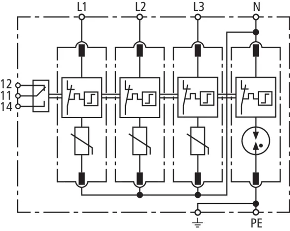
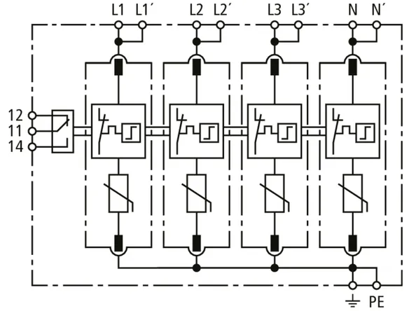
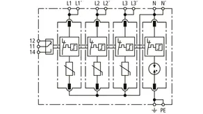
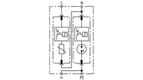
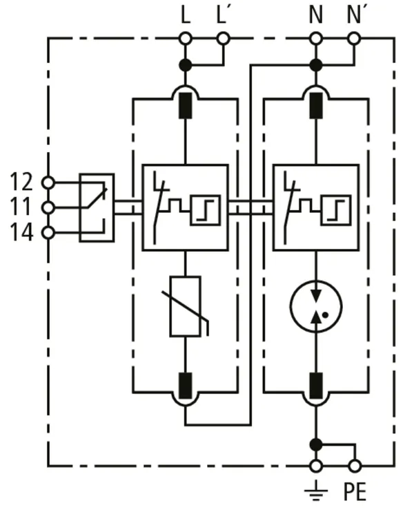
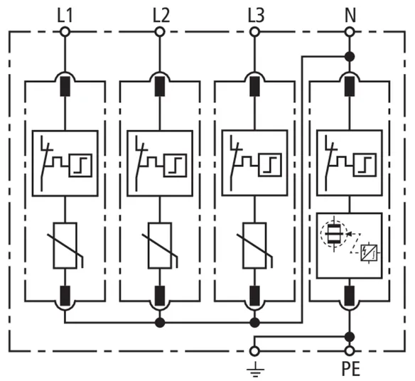
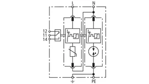
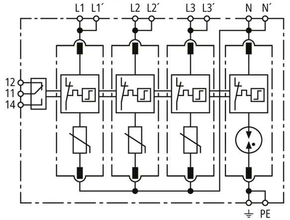
DEHNguard MD H TT ... (FM)

Limitatore di sovratensione modulare con elevata capacità di scarica sommatoria nel circuito N-PE per reti TT e TN-S (circuito 3+1). Soddisfa i requisiti di sicurezza più elevati secondo DIN VDE 0100-534 per l'impiego sul punto di alimentazione dell'impianto elettrico; con contatto di telesegnalamento / scambio pulito.

2 Prodotti

Art. 943381 DG MD H TT 275

GTIN (EAN) 4013364522022, Codice doganale (EU): 85363030, Peso lordo: 250.00 g, UM: 1.00 pz.


Immagini

Maggior informazioni

Limitatore di sovratensione DEHNguard MD H TT 275
Limitatore di sovratensione a 4 poli modulare innestabile
per sistemi TT e TN-S 230/400 V, occupa 4 moduli DIN
SPD tipo 2 a norma EN 61643-11
Indicazione di difetto
Tensione massima continuativa: 275 V AC
Livello di protezione: <= 1,5 kV
Corrente impulsiva nominale di scarica: 20 kA
Tenuta al cortocircuito: 50 kAeff
Coordinamento energetico secondo la norma DIN EN 62305-4
SPD della famiglia Red/Line

Fabbricato: DEHN
Tipo: DG MD H TT 275
Art.: 943381
o similare.

 

Caratteristiche tecniche

SPD secondo EN 61643-11 / ... IEC 61643-11 Tipo 2 + tipo 3/ classe II + classe III
Tensione massima continuativa AC [L-N] (UC ) 275 V (50 / 60 Hz)
Corrente impulsiva nominale di scarica (8/20 µs) [L-N] (In ) 20 kA
Corrente impulsiva nominale di scarica (8/20 µs) [N-PE] (In ) 80 kA
Corrente impulsiva max di scarica (8/20 µs) [L-N] (Imax ) 40 kA
Corrente impulsiva max di scarica (8/20 µs) [N-PE] (Imax ) 120 kA
Livello di protezione [L-N]/[N-PE] (UP ) ≤ 1,5 / ≤ 1,5 kV
Omologazioni DEKRA

Prodotto 943381 è stato aggiunto al blocco note.

Prodotto 943381 è stato aggiunto al carrello.

Apri Web-Shop

Art. 943385 DG MD H TT 275 FM

GTIN (EAN) 4013364477193, Codice doganale (EU): 85363030, Peso lordo: 250.00 g, UM: 1.00 pz.


Immagini

Maggior informazioni

Limitatore di sovratensione DEHNguard MD H TT 275 FM
Limitatore di sovratensione a 4 poli modulare innestabile
per sistemi TT e TN-S 230/400 V, occupa 4 moduli DIN
con contatto di telesegnalamento
SPD tipo 2 a norma EN 61643-11
Indicazione di difetto
Tensione massima continuativa: 275 V AC
Livello di protezione: <= 1,5 kV
Corrente impulsiva nominale di scarica: 20 kA
Tenuta al cortocircuito: 50 kAeff
Coordinamento energetico secondo la norma DIN EN 62305-4
SPD della famiglia Red/Line

Fabbricato: DEHN
Tipo: DG MD H TT 275 FM
Art.: 943385
o similare.

 

Caratteristiche tecniche

SPD secondo EN 61643-11 / ... IEC 61643-11 Tipo 2 + tipo 3/ classe II + classe III
Tensione massima continuativa AC [L-N] (UC ) 275 V (50 / 60 Hz)
Corrente impulsiva nominale di scarica (8/20 µs) [L-N] (In ) 20 kA
Corrente impulsiva nominale di scarica (8/20 µs) [N-PE] (In ) 80 kA
Corrente impulsiva max di scarica (8/20 µs) [L-N] (Imax ) 40 kA
Corrente impulsiva max di scarica (8/20 µs) [N-PE] (Imax ) 120 kA
Livello di protezione [L-N]/[N-PE] (UP ) ≤ 1,5 / ≤ 1,5 kV
Omologazioni DEKRA
Contatto FM / forma contatto scambio pulito

Prodotto 943385 è stato aggiunto al blocco note.

Prodotto 943385 è stato aggiunto al carrello.

Apri Web-Shop

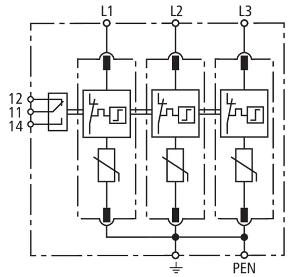
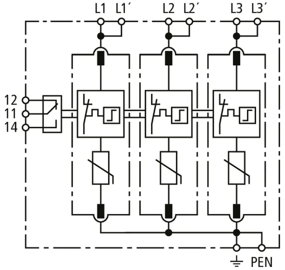
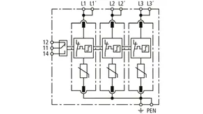
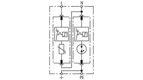
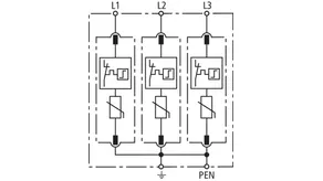
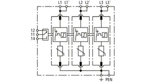
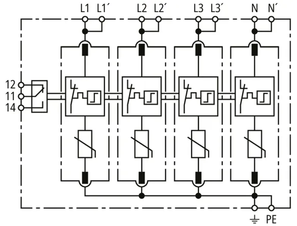
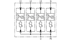
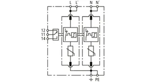
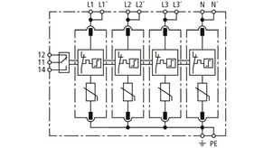
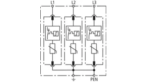
DEHNguard MP TNC ...

1 Prodotto

Art. 942300 DG MP TNC 275

GTIN (EAN) 4013364495272, Codice doganale (EU): 85363030, Peso lordo: 316.66 g, UM: 1.00 pz.


Immagini

Maggior informazioni

Limitatore di sovratensione DEHNguard MP TNC 275
Limitatore di sovratensione tripolare
modulare innestabile con
doppio morsetto di collegamento Push-in adatto
a cablaggio in derivazione e cablaggio passante a V,
per sistemi TN-C 230/400 V, larghezza 3 unità
con contatto di telesegnalamento
Scaricatore di tipo 2 + tipo 3 secondo la norma EN 61643-11
Indicazione di difetto
Tensione massima continuativa: 275 V AC
Livello di protezione: <= 1,5 kV
Corrente impulsiva nominale di scarica: 20 kA
Tenuta al cortocircuito: 50 kAeff
Coordinamento energetico secondo la norma DIN EN 62305-4
SPD della famiglia Red/Line

Fabbricato: DEHN
Tipo: DG MP TNC 275
Art.: 942300
o similare.

Certificati

 

Caratteristiche tecniche

SPD secondo EN 61643-11 / ... IEC 61643-11 Tipo 2 + tipo 3/ classe II + classe III
Tensione massima continuativa AC (UC ) 275 V (50 / 60 Hz)
Corrente impulsiva nominale di scarica (8/20 µs) (In ) 20 kA
Corrente impulsiva max di scarica (8/20 µs) (Imax ) 40 kA
Livello di protezione (UP ) ≤ 1,5 kV
Omologazioni KEMA, VDE

Prodotto 942300 è stato aggiunto al blocco note.

Prodotto 942300 è stato aggiunto al carrello.

Apri Web-Shop

DEHNguard MP TNC ... FM

Limitatore di sovratensione modulare per sistemi TN-C; con contatto di scambio pulito per il telesegnalamento.

4 Prodotti

Art. 942318 DG MP TNC 150 FM

GTIN (EAN) 4013364495265, Codice doganale (EU): 85363030, Peso lordo: 324.71 g, UM: 1.00 pz.


Immagini

Maggior informazioni

Limitatore di sovratensione DEHNguard MP TNC 150 FM
Limitatore di sovratensione tripolare
modulare innestabile con
doppio morsetto di collegamento Push-in adatto
a cablaggio in derivazione e cablaggio passante a V,
per sistemi TN-C, larghezza 3 unità
con contatto di telesegnalamento
SPD di tipo 2 + tipo 3 secondo la norma EN 61643-11
Indicazione di difetto
Tensione massima continuativa: 150 V AC
Livello di protezione: <= 0,7 kV
Corrente impulsiva nominale di scarica: 15 kA
Tenuta al cortocircuito: 50 kAeff
Coordinamento energetico secondo la norma DIN EN 62305-4
SPD della famiglia Red/Line

Fabbricato: DEHN
Tipo: DG MP TNC 150 FM
Art.: 942318
o similare.

Certificati

 

Caratteristiche tecniche

SPD secondo EN 61643-11 / ... IEC 61643-11 Tipo 2 + tipo 3/ classe II + classe III
Tensione massima continuativa AC (UC ) 150 V (50 / 60 Hz)
Corrente impulsiva nominale di scarica (8/20 µs) (In ) 15 kA
Corrente impulsiva max di scarica (8/20 µs) (Imax ) 40 kA
Livello di protezione (UP ) ≤ 0,7 kV
Omologazioni KEMA, VDE
Contatto FM / forma contatto scambio pulito

Prodotto 942318 è stato aggiunto al blocco note.

Prodotto 942318 è stato aggiunto al carrello.

Apri Web-Shop

Art. 942305 DG MP TNC 275 FM

GTIN (EAN) 4013364495289, Codice doganale (EU): 85363030, Peso lordo: 323.13 g, UM: 1.00 pz.


Immagini

Maggior informazioni

Limitatore di sovratensione DEHNguard MP TNC 275 FM
Limitatore di sovratensione tripolare
modulare innestabile con
doppio morsetto di collegamento Push-in adatto
a cablaggio in derivazione e cablaggio passante a V,
per sistemi TN-C 230/400 V, larghezza 3 unità
con contatto di telesegnalamento
SPD di tipo 2 + tipo 3 secondo la norma EN 61643-11
Indicazione di difetto
Tensione massima continuativa: 275 V AC
Livello di protezione: <= 1,5 kV
Corrente impulsiva nominale di scarica: 20 kA
Tenuta al cortocircuito: 50 kAeff
Coordinamento energetico secondo la norma DIN EN 62305-4
SPD della famiglia Red/Line

Fabbricato: DEHN
Tipo: DG MP TNC 275 FM
Art.: 942305
o similare.

Certificati

 

Caratteristiche tecniche

SPD secondo EN 61643-11 / ... IEC 61643-11 Tipo 2 + tipo 3/ classe II + classe III
Tensione massima continuativa AC (UC ) 275 V (50 / 60 Hz)
Corrente impulsiva nominale di scarica (8/20 µs) (In ) 20 kA
Corrente impulsiva max di scarica (8/20 µs) (Imax ) 40 kA
Livello di protezione (UP ) ≤ 1,5 kV
Omologazioni KEMA, VDE
Contatto FM / forma contatto scambio pulito

Prodotto 942305 è stato aggiunto al blocco note.

Prodotto 942305 è stato aggiunto al carrello.

Apri Web-Shop

Art. 942319 DG MP TNC 385 FM

GTIN (EAN) 4013364495296, Codice doganale (EU): 85363030, Peso lordo: 324.71 g, UM: 1.00 pz.


Immagini

Maggior informazioni

Limitatore di sovratensione DEHNguard MP TNC 385 FM
Limitatore di sovratensione tripolare
modulare innestabile con
doppio morsetto di collegamento Push-in adatto
a cablaggio in derivazione e cablaggio passante a V,
per sistemi TN-C, larghezza 3 unità
con contatto di telesegnalamento
SPD di tipo 2 + tipo 3 secondo la norma EN 61643-11
Indicazione di difetto
Tensione massima continuativa: 385 V AC
Livello di protezione: <= 1,75 kV
Corrente impulsiva nominale di scarica: 20 kA
Tenuta al cortocircuito: 25 kAeff
Coordinamento energetico secondo la norma DIN EN 62305-4
SPD della famiglia Red/Line

Fabbricato: DEHN
Tipo: DG MP TNC 385 FM
Art.: 942319
o similare.

Certificati

 

Caratteristiche tecniche

SPD secondo EN 61643-11 / ... IEC 61643-11 Tipo 2 + tipo 3/ classe II + classe III
Tensione massima continuativa AC (UC ) 385 V (50 / 60 Hz)
Corrente impulsiva nominale di scarica (8/20 µs) (In ) 20 kA
Corrente impulsiva max di scarica (8/20 µs) (Imax ) 40 kA
Livello di protezione (UP ) ≤ 1,75 kV
Omologazioni KEMA, VDE
Contatto FM / forma contatto scambio pulito

Prodotto 942319 è stato aggiunto al blocco note.

Prodotto 942319 è stato aggiunto al carrello.

Apri Web-Shop

Art. 942308 DG MP TNC 440 FM

GTIN (EAN) 4013364495258, Codice doganale (EU): 85363030, Peso lordo: 355.78 g, UM: 1.00 pz.


Immagini

Maggior informazioni

Limitatore di sovratensione DEHNguard MP TNC 440 FM
Limitatore di sovratensione tripolare
modulare innestabile con
doppio morsetto di collegamento Push-in adatto
a cablaggio in derivazione e cablaggio passante a V,
per sistemi TN-C 400/690 V, larghezza 3 unità
con contatto di telesegnalamento
SPD di tipo 2 + tipo 3 secondo la norma EN 61643-11
Indicazione di difetto
Tensione massima continuativa: 440 V AC
Livello di protezione: <= 2 kV
Corrente impulsiva nominale di scarica: 20 kA
Tenuta al cortocircuito: 25 kAeff
Coordinamento energetico secondo la norma DIN EN 62305-4
SPD della famiglia Red/Line

Fabbricato: DEHN
Tipo: DG MP TNC 440 FM
Art.: 942308
o similare.

Certificati

 

Caratteristiche tecniche

SPD secondo EN 61643-11 / ... IEC 61643-11 Tipo 2 + tipo 3/ classe II + classe III
Tensione massima continuativa AC (UC ) 440 V (50 / 60 Hz)
Corrente impulsiva nominale di scarica (8/20 µs) (In ) 20 kA
Corrente impulsiva max di scarica (8/20 µs) (Imax ) 40 kA
Livello di protezione (UP ) ≤ 2 kV
Omologazioni KEMA, VDE
Contatto FM / forma contatto scambio pulito

Prodotto 942308 è stato aggiunto al blocco note.

Prodotto 942308 è stato aggiunto al carrello.

Apri Web-Shop

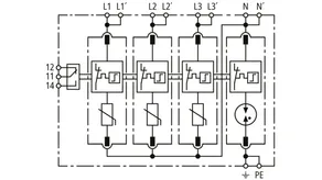
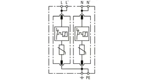
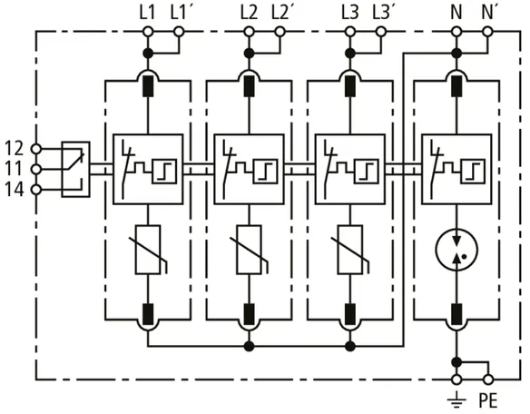
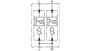
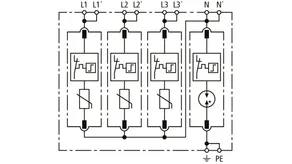
DEHNguard MP TNS ...

Limitatore di sovratensione modulare per sistemi TN-S.

1 Prodotto

Art. 942400 DG MP TNS 275

GTIN (EAN) 4013364484115, Codice doganale (EU): 85363030, Peso lordo: 407.53 g, UM: 1.00 pz.


Immagini

Maggior informazioni

Limitatore di sovratensione DEHNguard MP TNS 275
Limitatore di sovratensione tetrapolare
modulare innestabile con
doppio morsetto di collegamento Push-in adatto
a cablaggio in derivazione e cablaggio passante a V,
per sistemi TN-S, larghezza 4 unità
SPD di tipo 2 + tipo 3 secondo la norma EN 61643-11
Indicazione di difetto
Tensione massima continuativa: 275 V AC
Livello di protezione: <= 1,5 kV
Corrente impulsiva nominale di scarica: 20 kA
Tenuta al cortocircuito: 50 kAeff
Coordinamento energetico secondo la norma DIN EN 62305-4
SPD della famiglia Red/Line

Fabbricato: DEHN
Tipo: DG MP TNS 275
Art.: 942400
o similare.

Certificati

 

Caratteristiche tecniche

SPD secondo EN 61643-11 / ... IEC 61643-11 Tipo 2 + Tipo 3 / Classe II + Classe III
Tensione massima continuativa AC (UC ) 275 V (50 / 60 Hz)
Corrente impulsiva nominale di scarica (8/20 µs) (In ) 20 kA
Corrente impulsiva max di scarica (8/20 µs) (Imax ) 40 kA
Livello di protezione [L-PE]/[N-PE] (UP ) ≤ 1,5 / ≤ 1,5 kV
Omologazioni KEMA, VDE

Prodotto 942400 è stato aggiunto al blocco note.

Prodotto 942400 è stato aggiunto al carrello.

Apri Web-Shop

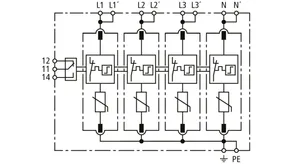
DEHNguard MP TNS ... FM

Limitatore di sovratensione modulare per sistemi TN-S, con contatto di scambio pulito per il telesegnalamento

3 Prodotti

Art. 942408 DG MP TNS 150 FM

GTIN (EAN) 4013364484863, Codice doganale (EU): 85363030, Peso lordo: 385.91 g, UM: 1.00 pz.


Immagini

Maggior informazioni

Limitatore di sovratensione DEHNguard MP TNS 150 FM
Limitatore di sovratensione tetrapolare
modulare innestabile con
doppio morsetto di collegamento Push-in adatto
a cablaggio in derivazione e cablaggio passante a V,
per sistemi TN-S, larghezza 4 unità
con contatto di telesegnalamento
SPD di tipo 2 + tipo 3 secondo la norma EN 61643-11
Indicazione di difetto
Tensione massima continuativa: 150 V AC
Livello di protezione: <= 0,7 kV
Corrente impulsiva nominale di scarica: 15 kA
Tenuta al cortocircuito: 50 kAeff
Coordinamento energetico secondo la norma DIN EN 62305-4
SPD della famiglia Red/Line

Fabbricato: DEHN
Tipo: DG MP TNS 150 FM
Art.: 942408
o similare.

Certificati

 

Caratteristiche tecniche

SPD secondo EN 61643-11 / ... IEC 61643-11 Tipo 2 + Tipo 3 / Classe II + Classe III 
Tensione massima continuativa AC (UC ) 150 V (50 / 60 Hz)
Corrente impulsiva nominale di scarica (8/20 µs) (In ) 15 kA
Corrente impulsiva max di scarica (8/20 µs) (Imax ) 40 kA
Livello di protezione [L-PE]/[N-PE] (UP ) ≤ 0,7 / ≤ 0,7 kV
Omologazioni KEMA, VDE
Contatto FM / forma contatto scambio pulito

Prodotto 942408 è stato aggiunto al blocco note.

Prodotto 942408 è stato aggiunto al carrello.

Apri Web-Shop

Art. 942405 DG MP TNS 275 FM

GTIN (EAN) 4013364477124, Codice doganale (EU): 85363030, Peso lordo: 350.91 g, UM: 1.00 pz.


Immagini

Maggior informazioni

Limitatore di sovratensione DEHNguard MP TNS 275 FM
Limitatore di sovratensione tetrapolare
modulare innestabile con
doppio morsetto di collegamento Push-in adatto
a cablaggio in derivazione e cablaggio passante a V,
per sistemi TN-S, larghezza 4 unità
con contatto di telesegnalamento
SPD di tipo 2 + tipo 3 secondo la norma EN 61643-11
Indicazione di difetto
Tensione massima continuativa: 275 V AC
Livello di protezione: <= 1,5 kV
Corrente impulsiva nominale di scarica: 20 kA
Tenuta al cortocircuito: 50 kAeff
Coordinamento energetico secondo la norma DIN EN 62305-4
SPD della famiglia Red/Line

Fabbricato: DEHN
Tipo: DG MP TNS 275 FM
Art.: 942405
o similare.

Certificati

 

Caratteristiche tecniche

SPD secondo EN 61643-11 / ... IEC 61643-11 Tipo 2 + Tipo 3 / Classe II + Classe III
Tensione massima continuativa AC (UC ) 275 V (50 / 60 Hz)
Corrente impulsiva nominale di scarica (8/20 µs) (In ) 20 kA
Corrente impulsiva max di scarica (8/20 µs) (Imax ) 40 kA
Livello di protezione [L-PE]/[N-PE] (UP ) ≤ 1,5 / ≤ 1,5 kV
Omologazioni KEMA, VDE
Contatto FM / forma contatto scambio pulito

Prodotto 942405 è stato aggiunto al blocco note.

Prodotto 942405 è stato aggiunto al carrello.

Apri Web-Shop

Art. 942409 DG MP TNS 385 FM

GTIN (EAN) 4013364484832, Codice doganale (EU): 85363030, Peso lordo: 441.67 g, UM: 1.00 pz.


Immagini

Maggior informazioni

Limitatore di sovratensione DEHNguard MP TNS 385 FM
Limitatore di sovratensione tetrapolare
modulare innestabile con
doppio morsetto di collegamento Push-in adatto
a cablaggio in derivazione e cablaggio passante a V,
per sistemi TN-S, larghezza 4 unità
con contatto di telesegnalamento
SPD di tipo 2 + tipo 3 secondo la norma EN 61643-11
Indicazione di difetto
Tensione massima continuativa: 385 V AC
Livello di protezione: <= 1,75 kV
Corrente impulsiva nominale di scarica: 20 kA
Tenuta al cortocircuito: 25 kAeff
Coordinamento energetico secondo la norma DIN EN 62305-4
SPD della famiglia Red/Line

Fabbricato: DEHN
Tipo: DG MP TNS 385 FM
Art.: 942409
o similare.

Certificati

 

Caratteristiche tecniche

SPD secondo EN 61643-11 / ... IEC 61643-11 Tipo 2 + Tipo 3 / Classe II + Classe III 
Tensione massima continuativa AC (UC ) 385 V (50 / 60 Hz)
Corrente impulsiva nominale di scarica (8/20 µs) (In ) 20 kA
Corrente impulsiva max di scarica (8/20 µs) (Imax ) 40 kA
Livello di protezione [L-PE]/[N-PE] (UP ) ≤ 1,75 / ≤ 1,75 kV
Omologazioni KEMA, VDE
Contatto FM / forma contatto scambio pulito

Prodotto 942409 è stato aggiunto al blocco note.

Prodotto 942409 è stato aggiunto al carrello.

Apri Web-Shop

DEHNguard MP TT ...

Limitatore di sovratensione modulare per sistemi TT e TN-S (circuito 3+1).

1 Prodotto

Art. 942310 DG MP TT 275

GTIN (EAN) 4013364484108, Codice doganale (EU): 85363030, Peso lordo: 343.84 g, UM: 1.00 pz.


Immagini

Maggior informazioni

Limitatore di sovratensione DEHNguard MP TT 275
Limitatore di sovratensione tetrapolare
modulare innestabile con
doppio morsetto di collegamento Push-in adatto
a cablaggio in derivazione e cablaggio passante a V,
per sistemi TT e TN-S, larghezza 4 unità
SPD di tipo 2 + tipo 3 secondo la norma EN 61643-11
Indicazione di difetto
Tensione massima continuativa: 275 V AC
Livello di protezione: <= 1,5 kV
Corrente impulsiva nominale di scarica: 20 kA
Tenuta al cortocircuito: 50 kAeff
Coordinamento energetico secondo la norma DIN EN 62305-4
SPD della famiglia Red/Line

Fabbricato: DEHN
Tipo: DG MP TT 275
Art.: 942310
o similare.

Certificati

 

Caratteristiche tecniche

SPD secondo EN 61643-11 / ... IEC 61643-11 Tipo 2 + Tipo 3 / Classe II + Classe III
Tensione massima continuativa AC [L-N] (UC ) 275 V (50 / 60 Hz)
Corrente impulsiva nominale di scarica (8/20 µs) (In ) 20 kA
Corrente impulsiva max di scarica (8/20 µs) (Imax ) 40 kA
Livello di protezione [L-N]/[N-PE] (UP ) ≤ 1,5 / ≤ 1,5 kV
Omologazioni KEMA, VDE

Prodotto 942310 è stato aggiunto al blocco note.

Prodotto 942310 è stato aggiunto al carrello.

Apri Web-Shop

DEHNguard MP TT ... FM

Limitatore di sovratensione modulare per sistemi TT e TN-S (circuito 3+1); con contatto di scambio pulito per il telesegnalamento.

4 Prodotti

Art. 942328 DG MP TT 150 FM

GTIN (EAN) 4013364484856, Codice doganale (EU): 85363030, Peso lordo: 388.86 g, UM: 1.00 pz.


Immagini

Maggior informazioni

Limitatore di sovratensione DEHNguard MP TT 275 FM
Limitatore di sovratensione tetrapolare
modulare innestabile con
doppio morsetto di collegamento Push-in adatto
a cablaggio in derivazione e cablaggio passante a V,
per sistemi TT e TN-S, larghezza 4 unità
con contatto di telesegnalamento
SPD di tipo 2 + tipo 3 secondo la norma EN 61643-11
Indicazione di difetto
Tensione massima continuativa: 150 V AC
Livello di protezione: <= 0,7 kV
Corrente impulsiva nominale di scarica: 15 kA
Tenuta al cortocircuito: 50 kAeff
Coordinamento energetico secondo la norma DIN EN 62305-4
SPD della famiglia Red/Line

Fabbricato: DEHN
Tipo: DG MP TT 150 FM
Art.: 942328
o similare.

Certificati

 

Caratteristiche tecniche

SPD secondo EN 61643-11 / ... IEC 61643-11 Tipo 2 + Tipo 3 / Classe II + Classe III
Tensione massima continuativa AC [L-N] (UC ) 150 V (50 / 60 Hz)
Corrente impulsiva nominale di scarica (8/20 µs) [L-N] (In ) 15 kA
Corrente impulsiva nominale di scarica (8/20 µs) [N-PE] (In ) 20 kA
Corrente impulsiva max di scarica (8/20 µs) (Imax ) 40 kA
Livello di protezione [L-N]/[N-PE] (UP ) ≤ 0,7 / ≤ 1,5 kV
Omologazioni KEMA, VDE
Contatto FM / forma contatto scambio pulito

Prodotto 942328 è stato aggiunto al blocco note.

Prodotto 942328 è stato aggiunto al carrello.

Apri Web-Shop

Art. 942315 DG MP TT 275 FM

GTIN (EAN) 4013364477162, Codice doganale (EU): 85363030, Peso lordo: 346.63 g, UM: 1.00 pz.


Immagini

Maggior informazioni

Limitatore di sovratensione DEHNguard MP TT 275 FM
Limitatore di sovratensione tetrapolare
modulare innestabile con
doppio morsetto di collegamento Push-in adatto
a cablaggio in derivazione e cablaggio passante a V,
per sistemi TT e TN-S, larghezza 4 unità
con contatto di telesegnalamento
SPD di tipo 2 + tipo 3 secondo la norma EN 61643-11
Indicazione di difetto
Tensione massima continuativa: 275 V AC
Livello di protezione: <= 1,5 kV
Corrente impulsiva nominale di scarica: 20 kA
Tenuta al cortocircuito: 50 kAeff
Coordinamento energetico secondo la norma DIN EN 62305-4
SPD della famiglia Red/Line

Fabbricato: DEHN
Tipo: DG MP TT 275 FM
Art.: 942315
o similare.

Certificati

 

Caratteristiche tecniche

SPD secondo EN 61643-11 / ... IEC 61643-11 Tipo 2 + Tipo 3 / Classe II + Classe III
Tensione massima continuativa AC [L-N] (UC ) 275 V (50 / 60 Hz)
Corrente impulsiva nominale di scarica (8/20 µs) (In ) 20 kA
Corrente impulsiva max di scarica (8/20 µs) (Imax ) 40 kA
Livello di protezione [L-N]/[N-PE] (UP ) ≤ 1,5 / ≤ 1,5 kV
Omologazioni KEMA, VDE
Contatto FM / forma contatto scambio pulito

Prodotto 942315 è stato aggiunto al blocco note.

Prodotto 942315 è stato aggiunto al carrello.

Apri Web-Shop

Art. 942325 DG MP TT 320 FM

GTIN (EAN) 4013364484849, Codice doganale (EU): 85363030, Peso lordo: 418.85 g, UM: 1.00 pz.


Immagini

Maggior informazioni

Limitatore di sovratensione DEHNguard MP TT 320 FM
Limitatore di sovratensione tetrapolare
modulare innestabile con
doppio morsetto di collegamento Push-in adatto
a cablaggio in derivazione e cablaggio passante a V,
per sistemi TT e TN-S, larghezza 4 unità
con contatto di telesegnalamento
SPD di tipo 2 + tipo 3 secondo la norma EN 61643-11
Indicazione di difetto
Tensione massima continuativa: 320 V AC
Livello di protezione: <= 1,5 kV
Corrente impulsiva nominale di scarica: 20 kA
Tenuta al cortocircuito: 25 kAeff
Coordinamento energetico secondo la norma DIN EN 62305-4
SPD della famiglia Red/Line

Fabbricato: DEHN
Tipo: DG MP TT 320 FM
Art.: 942325
o similare.

Certificati

 

Caratteristiche tecniche

SPD secondo EN 61643-11 / ... IEC 61643-11 Tipo 2 + Tipo 3 / Classe II + Classe III
Tensione massima continuativa AC [L-N] (UC ) 320 V (50 / 60 Hz)
Corrente impulsiva nominale di scarica (8/20 µs) (In ) 20 kA
Corrente impulsiva max di scarica (8/20 µs) (Imax ) 40 kA
Livello di protezione [L-N]/[N-PE] (UP ) ≤ 1,5 / ≤ 1,5 kV
Omologazioni KEMA, VDE
Contatto FM / forma contatto scambio pulito

Prodotto 942325 è stato aggiunto al blocco note.

Prodotto 942325 è stato aggiunto al carrello.

Apri Web-Shop

Art. 942317 DG MP TT 385 FM

GTIN (EAN) 4013364484825, Codice doganale (EU): 85363030, Peso lordo: 430.48 g, UM: 1.00 pz.


Immagini

Maggior informazioni

Limitatore di sovratensione DEHNguard MP TT 385 FM
Limitatore di sovratensione tetrapolare
modulare innestabile con
doppio morsetto di collegamento Push-in adatto
a cablaggio in derivazione e cablaggio passante a V,
per sistemi TT e TN-S, larghezza 4 unità
con contatto di telesegnalamento
SPD di tipo 2 + tipo 3 secondo la norma EN 61643-11
Indicazione di difetto
Tensione massima continuativa: 385 V AC
Livello di protezione: <= 1,75 kV
Corrente impulsiva nominale di scarica: 20 kA
Tenuta al cortocircuito: 25 kAeff
Coordinamento energetico secondo la norma DIN EN 62305-4
SPD della famiglia Red/Line

Fabbricato: DEHN
Tipo: DG MP TT 385 FM
Art.: 942317
o similare.

Certificati

 

Caratteristiche tecniche

SPD secondo EN 61643-11 / ... IEC 61643-11 Tipo 2 + Tipo 3 / Classe II + Classe III
Tensione massima continuativa AC [L-N] (UC ) 385 V (50 / 60 Hz)
Corrente impulsiva nominale di scarica (8/20 µs) (In ) 20 kA
Corrente impulsiva max di scarica (8/20 µs) (Imax ) 40 kA
Livello di protezione [L-N]/[N-PE] (UP ) ≤ 1,75 / ≤ 1,5 kV
Omologazioni KEMA, VDE
Contatto FM / forma contatto scambio pulito

Prodotto 942317 è stato aggiunto al blocco note.

Prodotto 942317 è stato aggiunto al carrello.

Apri Web-Shop

DEHNguard MP TN ...

Limitatore di sovratensione modulare per sistemi TN monofase.

1 Prodotto

Art. 942200 DG MP TN 275

GTIN (EAN) 4013364495395, Codice doganale (EU): 85363030, Peso lordo: 228.88 g, UM: 1.00 pz.


Immagini

Maggior informazioni

Limitatore di sovratensione DEHNguard MP TN 275
Limitatore di sovratensione bipolare
modulare innestabile con
doppio morsetto di collegamento Push-in adatto
a cablaggio in derivazione e cablaggio passante a V,
per sistemi V-TN monofase 230 V, larghezza 2 unità
SPD di tipo 2 + tipo 3 secondo la norma EN 61643-11
Indicazione di difetto
Tensione massima continuativa: 275 V AC
Livello di protezione: <= 1,5 kV
Corrente impulsiva nominale di scarica: 20 kA
Tenuta al cortocircuito: 50 kAeff
Coordinamento energetico secondo la norma DIN EN 62305-4
SPD della famiglia Red/Line

Fabbricato: DEHN
Tipo: DG MP TN 275
Art.: 942200
o similare.

Certificati

 

Caratteristiche tecniche

SPD secondo EN 61643-11 / ... IEC 61643-11 Tipo 2 + tipo 3/ classe II + classe III
Tensione massima continuativa AC (UC ) 275 V (50 / 60 Hz)
Corrente impulsiva nominale di scarica (8/20 µs) (In ) 20 kA
Corrente impulsiva max di scarica (8/20 µs) (Imax ) 40 kA
Livello di protezione [L-PE]/[N-PE] (UP ) ≤ 1,5 / ≤ 1,5 kV
Omologazioni KEMA, VDE

Prodotto 942200 è stato aggiunto al blocco note.

Prodotto 942200 è stato aggiunto al carrello.

Apri Web-Shop

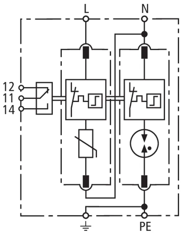
DEHNguard MP TN ... FM

Limitatore di sovratensione modulare per sistemi TN monofase; con contatto di scambio pulito per il telesegnalamento.

2 Prodotti

Art. 942207 DG MP TN 150 FM

GTIN (EAN) 4013364495418, Codice doganale (EU): 85363030, Peso lordo: 231.67 g, UM: 1.00 pz.


Immagini

Maggior informazioni

Limitatore di sovratensione DEHNguard MP TN 150 FM
Limitatore di sovratensione bipolare
modulare innestabile con
doppio morsetto di collegamento Push-in adatto
a cablaggio in derivazione e cablaggio passante a V,
per sistemi TN monofase, larghezza 2 unità
con contatto di telesegnalamento
SPD di tipo 2 + tipo 3 secondo la norma EN 61643-11
Indicazione di difetto
Tensione massima continuativa: 150 V AC
Livello di protezione: <= 0,7 kV
Corrente impulsiva nominale di scarica: 15 kA
Tenuta al cortocircuito: 50 kAeff
Coordinamento energetico secondo la norma DIN EN 62305-4
SPD della famiglia Red/Line

Fabbricato: DEHN
Tipo: DG MP TN 150 FM
Art.: 942207
o similare.

Certificati

 

Caratteristiche tecniche

SPD secondo EN 61643-11 / ... IEC 61643-11 Tipo 2 + tipo 3/ classe II + classe III
Tensione massima continuativa AC (UC ) 150 V (50 / 60 Hz)
Corrente impulsiva nominale di scarica (8/20 µs) (In ) 15 kA
Corrente impulsiva max di scarica (8/20 µs) (Imax ) 40 kA
Livello di protezione [L-PE]/[N-PE] (UP ) ≤ 0,7 / ≤ 0,7 kV
Omologazioni KEMA, VDE
Contatto FM / forma contatto Contatto di scambio

Prodotto 942207 è stato aggiunto al blocco note.

Prodotto 942207 è stato aggiunto al carrello.

Apri Web-Shop

Art. 942205 DG MP TN 275 FM

GTIN (EAN) 4013364495401, Codice doganale (EU): 85363030, Peso lordo: 231.32 g, UM: 1.00 pz.


Immagini

Maggior informazioni

Limitatore di sovratensione DEHNguard MP TN 275 FM
Limitatore di sovratensione bipolare
modulare innestabile con
doppio morsetto di collegamento Push-in adatto
a cablaggio in derivazione e cablaggio passante a V,
per sistemi V-TN monofase 230 V, larghezza 2 unità
con contatto di telesegnalamento
SPD di tipo 2 + tipo 3 secondo la norma EN 61643-11
Indicazione di difetto
Tensione massima continuativa: 275 V AC
Livello di protezione: <= 1,5 kV
Corrente impulsiva nominale di scarica: 20 kA
Tenuta al cortocircuito: 50 kAeff
Coordinamento energetico secondo la norma DIN EN 62305-4
SPD della famiglia Red/Line

Fabbricato: DEHN
Tipo: DG MP TN 275 FM
Art.: 942205
o similare.

Certificati

 

Caratteristiche tecniche

SPD secondo EN 61643-11 / ... IEC 61643-11 Tipo 2 + tipo 3/ classe II + classe III
Tensione massima continuativa AC (UC ) 275 V (50 / 60 Hz)
Corrente impulsiva nominale di scarica (8/20 µs) (In ) 20 kA
Corrente impulsiva max di scarica (8/20 µs) (Imax ) 40 kA
Livello di protezione [L-PE]/[N-PE] (UP ) ≤ 1,5 / ≤ 1,5 kV
Omologazioni KEMA, VDE
Contatto FM / forma contatto Contatto di scambio

Prodotto 942205 è stato aggiunto al blocco note.

Prodotto 942205 è stato aggiunto al carrello.

Apri Web-Shop

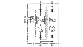
DEHNguard MP TT 2P ...

Limitatore di sovratensione modulare per sistemi monofase TT e TN (circuito 1+1); con contatto di scambio pulito per il telesegnalamento.

1 Prodotto

Art. 942110 DG MP TT 2P 275

GTIN (EAN) 4013364495326, Codice doganale (EU): 85363030, Peso lordo: 220.36 g, UM: 1.00 pz.


Immagini

Maggior informazioni

Limitatore di sovratensione DEHNguard MP TT 2P 275
Limitatore di sovratensione bipolare
modulare innestabile con
doppio morsetto di collegamento Push-in adatto
a cablaggio in derivazione e cablaggio passante a V,
per sistemi V-TT e TN monofase 230 V, larghezza 2 unità
Scaricatore di tipo 2 + tipo 3 secondo la norma EN 61643-11
Indicazione di difetto
Tensione massima continuativa: 275 V AC
Livello di protezione: <= 1,5 kV
Corrente impulsiva nominale di scarica: 20 kA
Tenuta al cortocircuito: 50 kAeff
Coordinamento energetico secondo la norma DIN EN 62305-4
SPD della famiglia Red/Line

Fabbricato: DEHN
Tipo: DG MP TT 2P 275
Art.: 942110
o similare.

Certificati

 

Caratteristiche tecniche

SPD secondo EN 61643-11 / ... IEC 61643-11 Tipo 2 + tipo 3/ classe II + classe III
Tensione massima continuativa AC [L-N] (UC ) 275 V (50 / 60 Hz)
Corrente impulsiva nominale di scarica (8/20 µs) (In ) 20 kA
Corrente impulsiva max di scarica (8/20 µs) (Imax ) 40 kA
Livello di protezione [L-N]/[N-PE] (UP ) ≤ 1,5 / ≤ 1,5 kV
Omologazioni KEMA, VDE

Prodotto 942110 è stato aggiunto al blocco note.

Prodotto 942110 è stato aggiunto al carrello.

Apri Web-Shop

DEHNguard MP TT 2P ... FM

Limitatore di sovratensione modulare per sistemi monofase TT e TN (circuito 1+1); con contatto di scambio pulito per il telesegnalamento.

3 Prodotti

Art. 942115 DG MP TT 2P 275 FM

GTIN (EAN) 4013364495333, Codice doganale (EU): 85363030, Peso lordo: 226.75 g, UM: 1.00 pz.


Immagini

Maggior informazioni

Limitatore di sovratensione DEHNguard MP TT 2P 275 FM
Limitatore di sovratensione bipolare
modulare innestabile con
doppio morsetto di collegamento Push-in adatto
a cablaggio in derivazione e cablaggio passante a V,
per sistemi V-TT e TN monofase 230 V, larghezza 2 unità
con contatto di telesegnalamento
SPD di tipo 2 + tipo 3 secondo la norma EN 61643-11
Indicazione di difetto
Tensione massima continuativa: 275 V AC
Livello di protezione: <= 1,5 kV
Corrente impulsiva nominale di scarica: 20 kA
Tenuta al cortocircuito: 50 kAeff
Coordinamento energetico secondo la norma DIN EN 62305-4
SPD della famiglia Red/Line

Fabbricato: DEHN
Tipo: DG MP TT 2P 275 FM
Art.: 942115
o similare.

Certificati

 

Caratteristiche tecniche

SPD secondo EN 61643-11 / ... IEC 61643-11 Tipo 2 + tipo 3/ classe II + classe III
Tensione massima continuativa AC [L-N] (UC ) 275 V (50 / 60 Hz)
Corrente impulsiva nominale di scarica (8/20 µs) (In ) 20 kA
Corrente impulsiva max di scarica (8/20 µs) (Imax ) 40 kA
Livello di protezione [L-N]/[N-PE] (UP ) ≤ 1,5 / ≤ 1,5 kV
Omologazioni KEMA, VDE
Contatto FM / forma contatto scambio pulito

Prodotto 942115 è stato aggiunto al blocco note.

Prodotto 942115 è stato aggiunto al carrello.

Apri Web-Shop

Art. 942135 DG MP TT 2P 320 FM

GTIN (EAN) 4013364495340, Codice doganale (EU): 85363030, Peso lordo: 230.96 g, UM: 1.00 pz.


Immagini

Maggior informazioni

Limitatore di sovratensione DEHNguard MP TT 2P 320 FM
Limitatore di sovratensione bipolare
modulare innestabile con
doppio morsetto di collegamento Push-in adatto
a cablaggio in derivazione e cablaggio passante a V,
per sistemi V-TT e TN monofase 230 V, larghezza 2 unità
con contatto di telesegnalamento
SPD di tipo 2 + tipo 3 secondo la norma EN 61643-11
Indicazione di difetto
Tensione massima continuativa: 320 V AC
Livello di protezione: <= 1,5 kV
Corrente impulsiva nominale di scarica: 20 kA
Tenuta al cortocircuito: 25 kAeff
Coordinamento energetico secondo la norma DIN EN 62305-4
SPD della famiglia Red/Line

Fabbricato: DEHN
Tipo: DG MP TT 2P 320 FM
Art.: 942135
o similare.

Certificati

 

Caratteristiche tecniche

SPD secondo EN 61643-11 / ... IEC 61643-11 Tipo 2 + tipo 3/ classe II + classe III
Tensione massima continuativa AC [L-N] (UC ) 320 V (50 / 60 Hz)
Corrente impulsiva nominale di scarica (8/20 µs) (In ) 20 kA
Corrente impulsiva max di scarica (8/20 µs) (Imax ) 40 kA
Livello di protezione [L-N]/[N-PE] (UP ) ≤ 1,5 / ≤ 1,5 kV
Omologazioni KEMA, VDE
Contatto FM / forma contatto scambio pulito

Prodotto 942135 è stato aggiunto al blocco note.

Prodotto 942135 è stato aggiunto al carrello.

Apri Web-Shop

Art. 942117 DG MP TT 2P 385 FM

GTIN (EAN) 4013364495357, Codice doganale (EU): 85363090, Peso lordo: 227.23 g, UM: 1.00 pz.


Immagini

Maggior informazioni

Limitatore di sovratensione DEHNguard MP TT 2P 385 FM
Limitatore di sovratensione bipolare
modulare innestabile con
doppio morsetto di collegamento Push-in adatto
a cablaggio in derivazione e cablaggio passante a V,
per sistemi TT e TN monofase, larghezza 2 unità
con contatto di telesegnalamento
SPD di tipo 2 + tipo 3 secondo la norma EN 61643-11
Indicazione di difetto
Tensione massima continuativa: 385 V AC
Livello di protezione: <= 1,75 kV
Corrente impulsiva nominale di scarica: 20 kA
Tenuta al cortocircuito: 25 kAeff
Coordinamento energetico secondo la norma DIN EN 62305-4
SPD della famiglia Red/Line

Fabbricato: DEHN
Tipo: DG MP TT 2P 385 FM
Art.: 942117
o similare.

Certificati

 

Caratteristiche tecniche

SPD secondo EN 61643-11 / ... IEC 61643-11 Tipo 2 + tipo 3/ classe II + classe III
Tensione massima continuativa AC [L-N] (UC ) 385 V (50 / 60 Hz)
Corrente impulsiva nominale di scarica (8/20 µs) (In ) 20 kA
Corrente impulsiva max di scarica (8/20 µs) (Imax ) 40 kA
Livello di protezione [L-N]/[N-PE] (UP ) ≤ 1,75 / ≤ 1,5 kV
Omologazioni KEMA, VDE
Contatto FM / forma contatto scambio pulito

Prodotto 942117 è stato aggiunto al blocco note.

Prodotto 942117 è stato aggiunto al carrello.

Apri Web-Shop

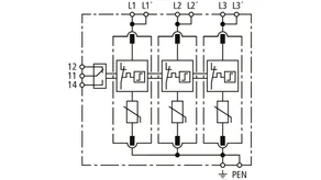
DEHNguard MP WE 600 FM

Limitatore di sovratensione modulare tripolare per impianti eolici, con tensione di riferimento varistore Umov = AC 750 V; nella versione FM con contatto di scambio pulito per il telesegnalamento.

1 Prodotto

Art. 942307 DG MP WE 600 FM

GTIN (EAN) 4013364495302, Codice doganale (EU): 85363030, Peso lordo: 384.26 g, UM: 1.00 pz.


Immagini

Maggior informazioni

Limitatore di sovratensione DEHNguard MP WE 600 FM
Limitatore di sovratensione tripolare
modulare innestabile con
doppio morsetto di collegamento Push-in adatto
a cablaggio in derivazione e cablaggio passante a V,
per impianti eolici, per l’impiego nel
sistema V TN-C 400/690, larghezza 3 unità
con contatto di telesegnalamento
Considerazione delle oscillazioni di tensione brevi
attraverso aumento della tensione di riferimento varistore Umov
Scaricatore di tipo 2 + tipo 3 secondo la norma EN 61643-11
Indicazione di difetto
Tensione massima continuativa: 600 V AC
Tensione di riferimento varistore: 750 V AC
Livello di protezione: <= 3 kV
Corrente impulsiva nominale di scarica: 15 kA
Tenuta al cortocircuito: 25 kAeff
Coordinamento energetico secondo la norma DIN EN 62305-4
SPD della famiglia Red/Line

Fabbricato: DEHN
Tipo: DG MP WE 600 FM
Art.: 942307
o similare.

Certificati

 

Caratteristiche tecniche

SPD secondo EN 61643-11 / ... IEC 61643-11 Tipo 2 + tipo 3/ classe II + classe III
Tensione massima continuativa AC (UC ) 600 V (50 / 60 Hz)
Tensione di riferimento varistore (Umov ) 750 V
Corrente impulsiva nominale di scarica (8/20 µs) (In ) 15 kA
Corrente impulsiva max di scarica (8/20 µs) (Imax ) 25 kA
Livello di protezione (UP ) ≤ 3 kV
Omologazioni KEMA, VDE
Contatto FM / forma contatto scambio pulito

Prodotto 942307 è stato aggiunto al blocco note.

Prodotto 942307 è stato aggiunto al carrello.

Apri Web-Shop

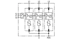
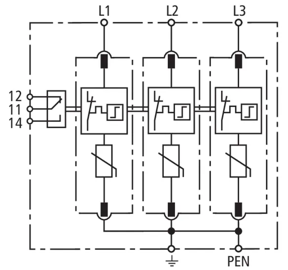
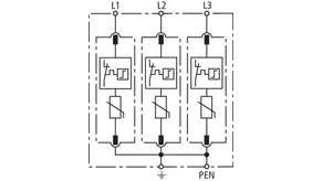
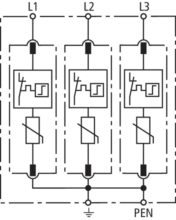
DEHNguard M TNC ...

Limitatore di sovratensione modulare per reti TN-C (circuito 3+0).

4 Prodotti

Art. 952313 DG M TNC 150

GTIN (EAN) 4013364123939, Codice doganale (EU): 85363030, Peso lordo: 319.70 g, UM: 1.00 pz.


Immagini

Maggior informazioni

Limitatore di sovratensione DEHNguard M TNC 150
Limitatore di sovratensione tripolare, modulare, innestabile
Per sistemi di rete TN-C, dimensioni 3 unità
SPD tipo 2 secondo EN 61643-11
Indicazione di guasto
Massima tensione continua: 150 V AC
Livello di protezione: <= 0,7 kV
Corrente impulsiva nominale di scarica: 15 kA
Tenuta a corrente di corto circuito: 50 kAeff
Coordinamento energetico secondo CEI EN 62305-4
Scaricatore della famiglia di prodotti Red/Line

Fabbricato: DEHN
Tipo: DG M TNC 150
Art.: 952313
o similare.

Certificati

 

Caratteristiche tecniche

SPD secondo EN 61643-11 / ... IEC 61643-11 Tipo 2 / Classe II
Tensione massima continuativa AC (UC ) 150 V (50 / 60 Hz)
Corrente impulsiva nominale di scarica (8/20 µs) (In ) 15 kA
Corrente impulsiva max di scarica (8/20 µs) (Imax ) 40 kA
Livello di protezione (UP ) ≤ 0,7 kV
Protezione max da sovraccorrente in rete 125 A gG
Omologazioni KEMA, UL

Prodotto 952313 è stato aggiunto al blocco note.

Prodotto 952313 è stato aggiunto al carrello.

Apri Web-Shop

Art. 952300 DG M TNC 275

GTIN (EAN) 4013364108431, Codice doganale (EU): 85363030, Peso lordo: 355.40 g, UM: 1.00 pz.

Predecessore

Immagini

Maggior informazioni

Limitatore di sovratensione DEHNguard M TNC 275
Limitatore di sovratensione tripolare, modulare, innestabile
Per sistemi di rete TN-C, dimensioni 3 unità
SPD tipo 2 secondo EN 61643-11
Indicazione di guasto
Massima tensione continua: 275 V AC
Livello di protezione: <= 1,5 kV
Corrente impulsiva nominale di scarica: 20 kA
Tenuta a corrente di corto circuito: 50 kAeff
Coordinamento energetico secondo CEI EN 62305-4
Scaricatore della famiglia di prodotti Red/Line

Fabbricato: DEHN
Tipo: DG M TNC 275
Art.: 952300
o similare.

Certificati

 

Caratteristiche tecniche

SPD secondo EN 61643-11 / ... IEC 61643-11 Tipo 2 / Classe II
Tensione massima continuativa AC (UC ) 275 V (50 / 60 Hz)
Corrente impulsiva nominale di scarica (8/20 µs) (In ) 20 kA
Corrente impulsiva max di scarica (8/20 µs) (Imax ) 40 kA
Livello di protezione (UP ) ≤ 1,5 kV
Protezione max da sovraccorrente in rete 125 A gG
Omologazioni KEMA, VDE, UL

Prodotto 952300 è stato aggiunto al blocco note.

Prodotto 952300 è stato aggiunto al carrello.

Apri Web-Shop

Art. 952314 DG M TNC 385

GTIN (EAN) 4013364124028, Codice doganale (EU): 85363030, Peso lordo: 362.50 g, UM: 1.00 pz.

Predecessore

Immagini

Maggior informazioni

Limitatore di sovratensione DEHNguard M TNC 385
Limitatore di sovratensione tripolare, modulare, innestabile
per sistemi di rete TN-C, dimensioni: 3 unità
SPD Tipo 2 secondo CEI EN 61643-11
Indicazione di guasto
Tensione massima continuativa: 385 V AC
Livello di protezione: ≤ 1,75 kV
Corrente impulsiva nominale di scarica: 20 kA
Tenuta al corto circuito: 25 kAeff
Coordinamento energetico secondo CEI EN 62305-4
Scaricatore della famiglia di prodotti Red/Line

Fabbricato: DEHN
Tipo: DG M TNC 385
Art.: 952314
o similare.

Certificati

 

Caratteristiche tecniche

SPD secondo EN 61643-11 / ... IEC 61643-11 Tipo 2 / Classe II
Tensione massima continuativa AC (UC ) 385 V (50 / 60 Hz)
Corrente impulsiva nominale di scarica (8/20 µs) (In ) 20 kA
Corrente impulsiva max di scarica (8/20 µs) (Imax ) 40 kA
Livello di protezione (UP ) ≤ 1,75 kV
Protezione max da sovraccorrente in rete 125 A gG
Omologazioni KEMA, UL

Prodotto 952314 è stato aggiunto al blocco note.

Prodotto 952314 è stato aggiunto al carrello.

Apri Web-Shop

Art. 952303 DG M TNC 440

GTIN (EAN) 4013364120709, Codice doganale (EU): 85363030, Peso lordo: 376.30 g, UM: 1.00 pz.


Immagini

Maggior informazioni

Limitatore di sovratensione DEHNguard M TNC 440
Limitatore di sovratensione tripolare, modulare, innestabile
per sistemi di rete TN-C, dimensioni: 3 unità
SPD Tipo 2 secondo CEI EN 61643-11
Indicazione di guasto
Tensione massima continuativa: 440 V AC
Livello di protezione: ≤ 2 kV
Corrente impulsiva nominale di scarica: 20 kA
Tenuta al corto circuito: 25 kAeff
Coordinamento energetico secondo CEI EN 62305-4
Scaricatore della famiglia di prodotti Red/Line

Fabbricato: DEHN
Tipo: DG M TNC 440
Art.: 952303
o similare.

Certificati

 

Caratteristiche tecniche

SPD secondo EN 61643-11 / ... IEC 61643-11 Tipo 2 / Classe II
Tensione massima continuativa AC (UC ) 440 V (50 / 60 Hz)
Corrente impulsiva nominale di scarica (8/20 µs) (In ) 20 kA
Corrente impulsiva max di scarica (8/20 µs) (Imax ) 40 kA
Livello di protezione (UP ) ≤ 2 kV
Protezione max da sovraccorrente in rete 125 A gG
Omologazioni KEMA, UL

Prodotto 952303 è stato aggiunto al blocco note.

Prodotto 952303 è stato aggiunto al carrello.

Apri Web-Shop

DEHNguard M TNC ... FM

Limitatore di sovratensione modulare per reti TN-C (circuito 3+0); con contatto di scambio pulito per il telesegnalamento.

4 Prodotti

Art. 952318 DG M TNC 150 FM

GTIN (EAN) 4013364124011, Codice doganale (EU): 85363030, Peso lordo: 326.80 g, UM: 1.00 pz.


Immagini

Maggior informazioni

Limitatore di sovratensione DEHNguard M TNC 150 FM
Limitatore di sovratensione tripolare, modulare innestabile
per sistemi di rete TN-C, dimensioni: 3 unità
on contatto di telesegnalamento
SPD Tipo 2 secondo CEI EN 61643-11
Indicazione di guasto
Tensione massima continuativa: 150 V AC
Livello di protezione: ≤ 0,7 kV
Corrente impulsiva nominale di scarica: 15 kA
Tenuta al corto circuito: 50 kAeff
Coordinamento energetico secondo CEI EN 62305-4
Scaricatore della famiglia di prodotti Red/Line

Fabbricato: DEHN
Tipo: DG M TNC 150 FM
Art.: 952318
o similare.

Certificati

 

Caratteristiche tecniche

SPD secondo EN 61643-11 / ... IEC 61643-11 Tipo 2 / Classe II
Tensione massima continuativa AC (UC ) 150 V (50 / 60 Hz)
Corrente impulsiva nominale di scarica (8/20 µs) (In ) 15 kA
Corrente impulsiva max di scarica (8/20 µs) (Imax ) 40 kA
Livello di protezione (UP ) ≤ 0,7 kV
Protezione max da sovraccorrente in rete 125 A gG
Omologazioni KEMA, UL
Contatto FM / forma contatto scambio pulito

Prodotto 952318 è stato aggiunto al blocco note.

Prodotto 952318 è stato aggiunto al carrello.

Apri Web-Shop

Art. 952305 DG M TNC 275 FM

GTIN (EAN) 4013364108448, Codice doganale (EU): 85363030, Peso lordo: 348.80 g, UM: 1.00 pz.

Predecessore

Immagini

Maggior informazioni

Limitatore di sovratensione DEHNguard M TNC 275 FM
Limitatore di sovratensione tripolare, modulare, innestabile
per sistemi di rete TN-C 230 / 400 V, dimensioni 3 unità
Con contatto di telesegnalamento
SPD Tipo 2 secondo CEI EN 61643-11
Indicazione di guasto
Tensione massima continuativa: 275 V AC
Livello di protezione: <= 1,5 kV
Corrente impulsiva nominale di scarica: 20 kA
Tenuta al corto circuito: 50 kAeff
Coordinamento energetico secondo CEI EN 62305-4
SPD della famiglia di prodotti Red/Line

Fabbricato: DEHN
Tipo: DG M TNC 275 FM
Art.: 952305
o similare.

Certificati

 

Caratteristiche tecniche

SPD secondo EN 61643-11 / ... IEC 61643-11 Tipo 2 / Classe II
Tensione massima continuativa AC (UC ) 275 V (50 / 60 Hz)
Corrente impulsiva nominale di scarica (8/20 µs) (In ) 20 kA
Corrente impulsiva max di scarica (8/20 µs) (Imax ) 40 kA
Livello di protezione (UP ) ≤ 1,5 kV
Protezione max da sovraccorrente in rete 125 A gG
Omologazioni KEMA, VDE, UL
Contatto FM / forma contatto scambio pulito

Prodotto 952305 è stato aggiunto al blocco note.

Prodotto 952305 è stato aggiunto al carrello.

Apri Web-Shop

Art. 952319 DG M TNC 385 FM

GTIN (EAN) 4013364124035, Codice doganale (EU): 85363030, Peso lordo: 370.70 g, UM: 1.00 pz.

Predecessore

Immagini

Maggior informazioni

Limitatore di sovratensione DEHNguard M TNC 385 FM
Limitatore di sovratensione tripolare, modulare, innestabile
per sistemi di rete TN-C, dimensioni: 3 unità
Con contatto di telesegnalamento
SPD Tipo 2 secondo CEI EN 61643-11
Tensione massima continuativa: 385 V AC
Livello di protezione: <= 1,75 kV
Corrente impulsiva nominale di scarica: 20 kA
Tenuta al corto circuito: 25 kAeff
Coordinamento energetico secondo CEI EN 62305-4
SPD della famiglia di prodotti Red/Line

Fabbricato: DEHN
Tipo: DG M TNC 385 FM
Art.: 952319
o similare.

Certificati

 

Caratteristiche tecniche

SPD secondo EN 61643-11 / ... IEC 61643-11 Tipo 2 / Classe II
Tensione massima continuativa AC (UC ) 385 V (50 / 60 Hz)
Corrente impulsiva nominale di scarica (8/20 µs) (In ) 20 kA
Corrente impulsiva max di scarica (8/20 µs) (Imax ) 40 kA
Livello di protezione (UP ) ≤ 1,75 kV
Protezione max da sovraccorrente in rete 125 A gG
Omologazioni KEMA, UL
Contatto FM / forma contatto scambio pulito

Prodotto 952319 è stato aggiunto al blocco note.

Prodotto 952319 è stato aggiunto al carrello.

Apri Web-Shop

Art. 952308 DG M TNC 440 FM

GTIN (EAN) 4013364120716, Codice doganale (EU): 85363030, Peso lordo: 383.20 g, UM: 1.00 pz.


Immagini

Maggior informazioni

Limitatore di sovratensione DEHNguard M TNC 440 FM
Limitatore di sovratensione tripolare, modulare, innestabile
per sistemi di rete TN-C 400/690 V, dimensioni 3 unità
Con contatto di telesegnalamento
SPD Tipo 2 secondo CEI EN 61643-11
Indicazione di guasto
Tensione massima continuativa: 440 V AC
Livello di protezione: <= 2 kV
Corrente impulsiva nominale di scarica: 20 kA
Tenuta al corto circuito: 25 kAeff
Coordinamento energetico secondo CEI EN 62305-4
SPD della famiglia di prodotti Red/Line

Fabbricato: DEHN
Tipo: DG M TNC 440 FM
Art.: 952308
o similare.

Certificati

 

Caratteristiche tecniche

SPD secondo EN 61643-11 / ... IEC 61643-11 Tipo 2 / Classe II
Tensione massima continuativa AC (UC ) 440 V (50 / 60 Hz)
Corrente impulsiva nominale di scarica (8/20 µs) (In ) 20 kA
Corrente impulsiva max di scarica (8/20 µs) (Imax ) 40 kA
Livello di protezione (UP ) ≤ 2 kV
Protezione max da sovraccorrente in rete 125 A gG
Omologazioni KEMA, UL
Contatto FM / forma contatto scambio pulito

Prodotto 952308 è stato aggiunto al blocco note.

Prodotto 952308 è stato aggiunto al carrello.

Apri Web-Shop

DEHNguard M TNS ...

Limitatore di sovratensione modulare per reti TN-S (circuito 4+0).

3 Prodotti

Art. 952403 DG M TNS 150

GTIN (EAN) 4013364128569, Codice doganale (EU): 85363030, Peso lordo: 443.20 g, UM: 1.00 pz.


Immagini

Maggior informazioni

Limitatore di sovratensione DEHNguard M TNS 150
Limitatore di sovratensione tetrapolare, modulare, innestabile
per sistemi di rete TN-S, dimensioni 4 unità
SPD Tipo 2 secondo CEI EN 61643-11
Indicazione di guasto
Tensione massima continuativa: 150 V AC
Livello di protezione: <= 0,7 kV
Corrente impulsiva nominale di scarica: 15 kA
Tenuta al corto circuito: 50 kAeff
Coordinamento energetico secondo CEI EN 62305-4
SPD della famiglia di prodotti Red/Line

Fabbricato: DEHN
Tipo: DG M TNS 150
Art.: 952403
o similare.

Certificati

 

Caratteristiche tecniche

SPD secondo EN 61643-11 / ... IEC 61643-11 Tipo 2 / Classe II
Tensione massima continuativa AC (UC ) 150 V (50 / 60 Hz)
Corrente impulsiva nominale di scarica (8/20 µs) (In ) 15 kA
Corrente impulsiva max di scarica (8/20 µs) (Imax ) 40 kA
Livello di protezione [L-PE]/[N-PE] (UP ) ≤ 0,7 / ≤ 0,7 kV
Protezione max da sovraccorrente in rete 125 A gG
Omologazioni KEMA, UL

Prodotto 952403 è stato aggiunto al blocco note.

Prodotto 952403 è stato aggiunto al carrello.

Apri Web-Shop

Art. 952400 DG M TNS 275

GTIN (EAN) 4013364108455, Codice doganale (EU): 85363030, Peso lordo: 444.00 g, UM: 1.00 pz.

Predecessore

Immagini

Maggior informazioni

Limitatore di sovratensione DEHNguard M TNS 275
Limitatore di sovratensione tetrapolare, modulare, innestabile
per sistemi di rete TN-S 230 / 400 V, dimensioni 4 unità
SPD Tipo 2 secondo CEI EN 61643-11
Indicazione di guasto
Tensione massima continuativa: 275 V AC
Livello di protezione: ≤ 1,5 kV
Corrente impulsiva nominale di scarica: 20 kA
Tenuta al corto circuito: 50 kAeff
Coordinamento energetico secondo CEI EN 62305-4
SPD della famiglia di prodotti Red/Line

Fabbricato: DEHN
Tipo: DG M TNS 275
Art.: 952400
o similare.

Certificati

 

Caratteristiche tecniche

SPD secondo EN 61643-11 / ... IEC 61643-11 Tipo 2 / Classe II
Tensione massima continuativa AC (UC ) 275 V (50 / 60 Hz)
Corrente impulsiva nominale di scarica (8/20 µs) (In ) 20 kA
Corrente impulsiva max di scarica (8/20 µs) (Imax ) 40 kA
Livello di protezione [L-PE]/[N-PE] (UP ) ≤ 1,5 / ≤ 1,5 kV
Protezione max da sovraccorrente in rete 125 A gG
Omologazioni KEMA, VDE, UL

Prodotto 952400 è stato aggiunto al blocco note.

Prodotto 952400 è stato aggiunto al carrello.

Apri Web-Shop

Art. 952404 DG M TNS 385

GTIN (EAN) 4013364128545, Codice doganale (EU): 85363030, Peso lordo: 499.50 g, UM: 1.00 pz.

Predecessore

Immagini

Maggior informazioni

Limitatore di sovratensione DEHNguard M TNS 385
Limitatore di sovratensione tetrapolare, modulare, innestabile
per sistemi di rete TN-S, dimensioni 4 unità
SPD Tipo 2 secondo CEI EN 61643-11
Indicazione di guasto
Tensione massima continuativa: 385 V AC
Livello di protezione: <= 1,75 kV
Corrente impulsiva nominale di scarica: 20 kA
Tenuta al cortocircuito: 25 kAeff
Coordinamento energetico secondo CEI EN 62305-4
SPD della famiglia di prodotti Red/Line

Fabbricato: DEHN
Tipo: DG M TNS 385
Art.: 952404
o similare.

Certificati

 

Caratteristiche tecniche

SPD secondo EN 61643-11 / ... IEC 61643-11 Tipo 2 / Classe II
Tensione massima continuativa AC (UC ) 385 V (50 / 60 Hz)
Corrente impulsiva nominale di scarica (8/20 µs) (In ) 20 kA
Corrente impulsiva max di scarica (8/20 µs) (Imax ) 40 kA
Livello di protezione [L-PE]/[N-PE] (UP ) ≤ 1,75 / ≤ 1,75 kV
Protezione max da sovraccorrente in rete 125 A gG
Omologazioni KEMA, UL

Prodotto 952404 è stato aggiunto al blocco note.

Prodotto 952404 è stato aggiunto al carrello.

Apri Web-Shop

DEHNguard M TNS ... FM

Limitatore di sovratensione modulare per reti TN-S (circuito 4+0); con contatto di scambio pulito per il telesegnalamento.

3 Prodotti

Art. 952408 DG M TNS 150 FM

GTIN (EAN) 4013364128576, Codice doganale (EU): 85363030, Peso lordo: 451.60 g, UM: 1.00 pz.


Immagini

Maggior informazioni

Limitatore di sovratensione DEHNguard M TNS 150 FM
Limitatore di sovratensione tetrapolare, modulare, innestabile
per sistemi di rete TN-S, dimensioni 4 unità
Con contatto di telesegnalamento
SPD Tipo 2 secondo CEI EN 61643-11
Indicazione di guasto
Tensione massima continuativa: 150 V AC
Livello di protezione: <= 0,7 kV
Corrente impulsiva nominale di scarica: 15 kA
Tenuta al corto circuito: 50 kAeff
Coordinamento energetico secondo CEI EN 62305-4
SPD della famiglia di prodotti Red/Line

Fabbricato: DEHN
Tipo: DG M TNS 150 FM
Art.: 952408
o similare.

Certificati

 

Caratteristiche tecniche

SPD secondo EN 61643-11 / ... IEC 61643-11 Tipo 2 / Classe II
Tensione massima continuativa AC (UC ) 150 V (50 / 60 Hz)
Corrente impulsiva nominale di scarica (8/20 µs) (In ) 15 kA
Corrente impulsiva max di scarica (8/20 µs) (Imax ) 40 kA
Livello di protezione [L-PE]/[N-PE] (UP ) ≤ 0,7 / ≤ 0,7 kV
Protezione max da sovraccorrente in rete 125 A gG
Omologazioni KEMA, UL
Contatto FM / forma contatto scambio pulito

Prodotto 952408 è stato aggiunto al blocco note.

Prodotto 952408 è stato aggiunto al carrello.

Apri Web-Shop

Art. 952405 DG M TNS 275 FM

GTIN (EAN) 4013364108462, Codice doganale (EU): 85363030, Peso lordo: 479.00 g, UM: 1.00 pz.

Predecessore

Immagini

Maggior informazioni

Limitatore di sovratensione DEHNguard M TNS 275 FM
Limitatore di sovratensione tetrapolare, modulare, innestabile
per sistemi di rete TN-S 230 / 400 V, dimensioni 4 unità
Con contatto di telesegnalamento
SPD Tipo 2 secondo CEI EN 61643-11
Indicazione di guasto
Tensione massima continuativa: 275 V AC
Livello di protezione: <= 1,5 kV
Corrente impulsiva nominale di scarica: 20 kA
Tenuta al corto circuito: 50 kAeff
Coordinamento energetico secondo CEI EN 62305-4
SPD della famiglia di prodotti Red/Line

Fabbricato: DEHN
Tipo: DG M TNS 275 FM
Art.: 952405
o similare.

Certificati

 

Caratteristiche tecniche

SPD secondo EN 61643-11 / ... IEC 61643-11 Tipo 2 / Classe II
Tensione massima continuativa AC (UC ) 275 V (50 / 60 Hz)
Corrente impulsiva nominale di scarica (8/20 µs) (In ) 20 kA
Corrente impulsiva max di scarica (8/20 µs) (Imax ) 40 kA
Livello di protezione [L-PE]/[N-PE] (UP ) ≤ 1,5 / ≤ 1,5 kV
Protezione max da sovraccorrente in rete 125 A gG
Omologazioni KEMA, VDE, UL
Contatto FM / forma contatto scambio pulito

Prodotto 952405 è stato aggiunto al blocco note.

Prodotto 952405 è stato aggiunto al carrello.

Apri Web-Shop

Art. 952409 DG M TNS 385 FM

GTIN (EAN) 4013364128552, Codice doganale (EU): 85363030, Peso lordo: 508.40 g, UM: 1.00 pz.

Predecessore

Immagini

Maggior informazioni

Limitatore di sovratensione DEHNguard M TNS 385 FM
Limitatore di sovratensione tetrapolare, modulare, innestabile
per sistemi di rete TN-S, dimensioni: 4 unità
Con contatto di telesegnalamento
SPD Tipo 2 secondo CEI EN 61643-11
Indicazione di guasto
Tensione massima continuativa: 385 V AC
Livello di protezione: <= 1,75 kV
Corrente impulsiva nominale di scarica: 20 kA
Tenuta al corto circuito: 25 kAeff
Coordinamento energetico secondo CEI EN 62305-4
SPD della famiglia di prodotti Red/Line

Fabbricato: DEHN
Tipo: DG M TNS 385 FM
Art.: 952409
o similare.

Certificati

 

Caratteristiche tecniche

SPD secondo EN 61643-11 / ... IEC 61643-11 Tipo 2 / Classe II
Tensione massima continuativa AC (UC ) 385 V (50 / 60 Hz)
Corrente impulsiva nominale di scarica (8/20 µs) (In ) 20 kA
Corrente impulsiva max di scarica (8/20 µs) (Imax ) 40 kA
Livello di protezione [L-PE]/[N-PE] (UP ) ≤ 1,75 / ≤ 1,75 kV
Protezione max da sovraccorrente in rete 125 A gG
Omologazioni KEMA, UL
Contatto FM / forma contatto scambio pulito

Prodotto 952409 è stato aggiunto al blocco note.

Prodotto 952409 è stato aggiunto al carrello.

Apri Web-Shop

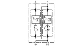
DEHNguard M TT ...

Limitatore di sovratensione modulare per reti TT e TN-S (circuito 3+1).

4 Prodotti

Art. 952323 DG M TT 150

GTIN (EAN) 4013364133235, Codice doganale (EU): 85363030, Peso lordo: 406.90 g, UM: 1.00 pz.


Immagini

Maggior informazioni

Limitatore di sovratensione DEHNguard M TT 150
Limitatore di sovratensione tetrapolare, modulare, innestabile
per sistemi di rete TT e TN-S, dimensioni 4 unità
SPD Tipo 2 secondo CEI EN 61643-11
Indicazione di guasto
Tensione massima continuativa: 150 V AC
Livello di protezione: ≤ 0,7 kV
Corrente impulsiva nominale di scarica: 15 kA
Tenuta al corto circuito: 50 kAeff
Coordinamento energetico secondo CEI EN 62305-4
SPD della famiglia di prodotti Red/Line

Fabbricato: DEHN
Tipo: DG M TT 150
Art.: 952323
o similare.

Certificati

 

Caratteristiche tecniche

SPD secondo EN 61643-11 / ... IEC 61643-11 Tipo 2 / Classe II
Tensione massima continuativa AC [L-N] (UC ) 150 V (50 / 60 Hz)
Corrente impulsiva nominale di scarica (8/20 µs) (In ) 15 kA
Corrente impulsiva max di scarica (8/20 µs) (Imax ) 40 kA
Livello di protezione [L-N]/[N-PE] (UP ) ≤ 0,7 / ≤ 1,5 kV
Protezione max da sovraccorrente in rete 125 A gG

Prodotto 952323 è stato aggiunto al blocco note.

Prodotto 952323 è stato aggiunto al carrello.

Apri Web-Shop

Art. 952310 DG M TT 275

GTIN (EAN) 4013364108479, Codice doganale (EU): 85363030, Peso lordo: 435.03 g, UM: 1.00 pz.

Predecessore

Immagini

Maggior informazioni

Limitatore di sovratensione DEHNguard M TT 275
Limitatore di sovratensione tetrapolare, modulare, innestabile
per sistemi di rete TT e TN-S 230/400 V, dimensioni 4 unità
SPD Tipo 2 secondo CEI EN 61643-11
Indicazione di guasto
Tensione massima continuativa: 275 V AC
Livello di protezione: <= 1,25 kV
Corrente impulsiva nominale di scarica: 20 kA
Tenuta al corto circuito: 50 kAeff
Coordinamento energetico secondo CEI EN 62305-4
SPD della famiglia di prodotti Red/Line

Fabbricato: DEHN
Tipo: DG M TT 275
Art.: 952310
o similare.

Certificati

 

Caratteristiche tecniche

SPD secondo EN 61643-11 / ... IEC 61643-11 Tipo 2 / Classe II
Tensione massima continuativa AC [L-N] (UC ) 275 V (50 / 60 Hz)
Corrente impulsiva nominale di scarica (8/20 µs) (In ) 20 kA
Corrente impulsiva max di scarica (8/20 µs) (Imax ) 40 kA
Livello di protezione [L-N]/[N-PE] (UP ) ≤ 1,5 / ≤ 1,5 kV
Protezione max da sovraccorrente in rete 125 A gG
Omologazioni KEMA, VDE, UL

Prodotto 952310 è stato aggiunto al blocco note.

Prodotto 952310 è stato aggiunto al carrello.

Apri Web-Shop

Art. 952320 DG M TT 320

GTIN (EAN) 4013364126794, Codice doganale (EU): 85363030, Peso lordo: 442.08 g, UM: 1.00 pz.

Predecessore

Immagini

Maggior informazioni

Limitatore di sovratensione DEHNguard M TT 320
Limitatore di sovratensione tetrapolare, modulare, innestabile
per sistemi di rete TT e TN-S, dimensioni 4 unità
Indicazione di guasto
Tensione massima continuativa: 320 V AC
Livello di protezione: <= 1,5 kV
Corrente impulsiva nominale di scarica: 20 kA
Tenuta al corto circuito: 25 kAeff
Coordinamento energetico secondo CEI EN 62305-4
SPD della famiglia di prodotti Red/Line

Fabbricato: DEHN
Tipo: DG M TT 320
Art.: 952320
o similare.

Certificati

 

Caratteristiche tecniche

SPD secondo EN 61643-11 / ... IEC 61643-11 Tipo 2 / Classe II
Tensione massima continuativa AC [L-N] (UC ) 320 V (50 / 60 Hz)
Corrente impulsiva nominale di scarica (8/20 µs) (In ) 20 kA
Corrente impulsiva max di scarica (8/20 µs) (Imax ) 40 kA
Livello di protezione [L-N]/[N-PE] (UP ) ≤ 1,5 / ≤ 1,5 kV
Protezione max da sovraccorrente in rete 125 A gG
Omologazioni KEMA

Prodotto 952320 è stato aggiunto al blocco note.

Prodotto 952320 è stato aggiunto al carrello.

Apri Web-Shop

Art. 952311 DG M TT 385

GTIN (EAN) 4013364119390, Codice doganale (EU): 85363030, Peso lordo: 458.20 g, UM: 1.00 pz.

Predecessore

Immagini

Maggior informazioni

Limitatore di sovratensione DEHNguard M TT 385
Limitatore di sovratensione tetrapolare, modulare, innestabile
per sistemi di rete TT e TN-S, dimensioni 4 unità
SPD Tipo 2 secondo CEI EN 61643-11
Indicazione di guasto
Tensione massima continuativa: 385 V AC
Livello di protezione: <= 1,75 kV
Corrente impulsiva nominale di scarica: 20 kA
Tenuta al corto circuito: 25 kAeff
Coordinamento energetico secondo CEI EN 62305-4
SPD della famiglia di prodotti Red/Line


Fabbricato: DEHN
Tipo: DG M TT 385
Art.: 952311
o similare.

Certificati

 

Caratteristiche tecniche

SPD secondo EN 61643-11 / ... IEC 61643-11 Tipo 2 / Classe II
Tensione massima continuativa AC [L-N] (UC ) 385 V (50 / 60 Hz)
Corrente impulsiva nominale di scarica (8/20 µs) (In ) 20 kA
Corrente impulsiva max di scarica (8/20 µs) (Imax ) 40 kA
Livello di protezione [L-N]/[N-PE] (UP ) ≤ 1,75 / ≤ 1,5 kV
Protezione max da sovraccorrente in rete 125 A gG
Omologazioni KEMA, UL

Prodotto 952311 è stato aggiunto al blocco note.

Prodotto 952311 è stato aggiunto al carrello.

Apri Web-Shop

DEHNguard M TT ... FM

Limitatore di sovratensione modulare per reti TT e TN-S (circuito 3+1); con contatto di telesegnalamento / scambio pulito.

5 Prodotti

Art. 952328 DG M TT 150 FM

GTIN (EAN) 4013364133242, Codice doganale (EU): 85363030, Peso lordo: 416.40 g, UM: 1.00 pz.


Immagini

Maggior informazioni

Limitatore di sovratensione DEHNguard M TT 150 FM
Limitatore di sovratensione tetrapolare, modulare, innestabile
per sistemi di rete TT e TN-S, dimensioni: 4 unità
con contatto di telesegnalamento
SPD Tipo 2 secondo CEI EN 61643-11
Indicazione di guasto
Tensione massima continuativa: 150 V AC
Livello di protezione: <= 0,7 kV
Corrente impulsiva nominale di scarica: 15 kA
Tenuta al corto circuito: 50 kAeff
Coordinamento energetico secondo CEI EN 62305-4
SPD della famiglia di prodotti Red/Line


Fabbricato: DEHN
Tipo: DG M TT 150 FM
Art.: 952328
o similare.

Certificati

 

Caratteristiche tecniche

SPD secondo EN 61643-11 / ... IEC 61643-11 Tipo 2 / Classe II
Tensione massima continuativa AC [L-N] (UC ) 150 V (50 / 60 Hz)
Corrente impulsiva nominale di scarica (8/20 µs) (In ) 15 kA
Corrente impulsiva max di scarica (8/20 µs) (Imax ) 40 kA
Livello di protezione [L-N]/[N-PE] (UP ) ≤ 0,7 / ≤ 1,5 kV
Protezione max da sovraccorrente in rete 125 A gG
Omologazioni UL
Contatto FM / forma contatto scambio pulito

Prodotto 952328 è stato aggiunto al blocco note.

Prodotto 952328 è stato aggiunto al carrello.

Apri Web-Shop

Art. 952315 DG M TT 275 FM

GTIN (EAN) 4013364108486, Codice doganale (EU): 85363030, Peso lordo: 441.30 g, UM: 1.00 pz.

Predecessore

Immagini

Maggior informazioni

Limitatore di sovratensione DEHNguard M TT 275 FM
Limitatore di sovratensione multipolare, modulare, innestabile
per sistemi di rete TT e TN-S 230/400 V, dimensioni: 4 unità
Con contatto di telesegnalamento
SPD Tipo 2 secondo CEI EN 61643-11
Indicazione di guasto
Tensione massima continuativa: 275 V AC
Livello di protezione: <= 1,5 kV
Corrente impulsiva nominale di scarica: 20 kA
Tenuta al corto circuito: 50 kAeff
Coordinamento energetico secondo CEI EN 62305-4
SPD della famiglia di prodotti Red/Line


Fabbricato: DEHN
Tipo: DG M TT 275 FM
Art.: 952315
o similare.

Certificati

 

Caratteristiche tecniche

SPD secondo EN 61643-11 / ... IEC 61643-11 Tipo 2 / Classe II
Tensione massima continuativa AC [L-N] (UC ) 275 V (50 / 60 Hz)
Corrente impulsiva nominale di scarica (8/20 µs) (In ) 20 kA
Corrente impulsiva max di scarica (8/20 µs) (Imax ) 40 kA
Livello di protezione [L-N]/[N-PE] (UP ) ≤ 1,5 / ≤ 1,5 kV
Protezione max da sovraccorrente in rete 125 A gG
Omologazioni KEMA, VDE, UL
Contatto FM / forma contatto scambio pulito

Prodotto 952315 è stato aggiunto al blocco note.

Prodotto 952315 è stato aggiunto al carrello.

Apri Web-Shop

Art. 952325 DG M TT 320 FM

GTIN (EAN) 4013364126800, Codice doganale (EU): 85363030, Peso lordo: 450.80 g, UM: 1.00 pz.

Predecessore

Immagini

Maggior informazioni

Limitatore di sovratensione DEHNguard M TT 320 FM
Limitatore di sovratensione tetrapolare, modulare, innestabile
per sistemi di rete TT e TN-S, dimensioni: 4 unità
Con contatto di telesegnalamento
SPD Tipo 2 secondo CEI EN 61643-11
Indicazione di guasto
Tensione massima continuativa: 320 V AC
Livello di protezione: <= 1,5 kV
Corrente impulsiva nominale di scarica: 20 kA
Tenuta al corto circuito: 25 kAeff
Coordinamento energetico secondo CEI EN 62305-4
SPD della famiglia di prodotti Red/Line


Fabbricato: DEHN
Tipo: DG M TT 320 FM
Art.: 952325
o similare.

Certificati

 

Caratteristiche tecniche

SPD secondo EN 61643-11 / ... IEC 61643-11 Tipo 2 / Classe II
Tensione massima continuativa AC [L-N] (UC ) 320 V (50 / 60 Hz)
Corrente impulsiva nominale di scarica (8/20 µs) (In ) 20 kA
Corrente impulsiva max di scarica (8/20 µs) (Imax ) 40 kA
Livello di protezione [L-N]/[N-PE] (UP ) ≤ 1,5 / ≤ 1,5 kV
Protezione max da sovraccorrente in rete 125 A gG
Omologazioni KEMA
Contatto FM / forma contatto scambio pulito

Prodotto 952325 è stato aggiunto al blocco note.

Prodotto 952325 è stato aggiunto al carrello.

Apri Web-Shop

Art. 952316 DG M TT 385 FM

GTIN (EAN) 4013364119406, Codice doganale (EU): 85363030, Peso lordo: 462.10 g, UM: 1.00 pz.

Predecessore

Immagini

Maggior informazioni

Limitatore di sovratensione DEHNguard M TT 385 FM
Limitatore di sovratensione tetrapolare, modulare, innestabile
per sistemi di rete TT e TN-S, dimensioni: 4 unità
Con contatto di telesegnalamento
SPD Tipo 2 secondo CEI EN 61643-11
Indicazione di guasto
Tensione massima continuativa: 385 V AC
Livello di protezione: <= 1,75 kV
Corrente impulsiva nominale di scarica: 20 kA
Tenuta al corto circuito: 25 kAeff
Coordinamento energetico secondo CEI EN 62305-4
SPD della famiglia di prodotti Red/Line


Fabbricato: DEHN
Tipo: DG M TT 385 FM
Art.: 952316
o similare.

Certificati

 

Caratteristiche tecniche

SPD secondo EN 61643-11 / ... IEC 61643-11 Tipo 2 / Classe II
Tensione massima continuativa AC [L-N] (UC ) 385 V (50 / 60 Hz)
Corrente impulsiva nominale di scarica (8/20 µs) (In ) 20 kA
Corrente impulsiva max di scarica (8/20 µs) (Imax ) 40 kA
Livello di protezione [L-N]/[N-PE] (UP ) ≤ 1,75 / ≤ 1,5 kV
Protezione max da sovraccorrente in rete 125 A gG
Omologazioni KEMA, UL
Contatto FM / forma contatto scambio pulito

Prodotto 952316 è stato aggiunto al blocco note.

Prodotto 952316 è stato aggiunto al carrello.

Apri Web-Shop

Art. 952332 DG M TT 385/305 FM

GTIN (EAN) 4013364469945, Codice doganale (EU): 85363030, Peso lordo: 464.30 g, UM: 1.00 pz.


Immagini

Maggior informazioni

Limitatore di sovratensione DEHNguard M TT 385/305 FM
Limitatore di sovratensione tetrapolare modulare innestabile
per sistemi TT e TN-S, larghezza 4 unità
con contatto di telesegnalamento
SPD tipo 2 a norma EN 61643-11
Indicazione di difetto
Tensione massima continuativa: 385 V AC
Livello di protezione: <= 1,75 kV
Corrente impulsiva nominale di scarica: 20 kA
Tenuta al cortocircuito: 25 kAeff
Coordinamento energetico secondo la norma CEI EN 62305-4
SPD della famiglia Red/Line

Fabbricato: DEHN
Tipo: DG M TT 385/305 FM
Art.: 952332
o similare.

Certificati

 

Caratteristiche tecniche

SPD secondo EN 61643-11 / ... IEC 61643-11 Tipo 2 / Classe II
Tensione massima continuativa AC [L-N] (UC ) 385 V (50 / 60 Hz)
Corrente impulsiva nominale di scarica (8/20 µs) (In ) 20 kA
Corrente impulsiva max di scarica (8/20 µs) (Imax ) 40 kA
Livello di protezione [L-N]/[N-PE] (UP ) ≤ 1,75 / ≤ 1,5 kV
Protezione max da sovraccorrente in rete 125 A gG
Omologazioni UL
Contatto FM / forma contatto scambio pulito

Prodotto 952332 è stato aggiunto al blocco note.

Prodotto 952332 è stato aggiunto al carrello.

Apri Web-Shop

DEHNguard M H TT ... (FM)

Limitatore di sovratensione modulare con elevata capacità di scarica sommatoria nel circuito N-PE per reti TT e TN-S (circuito 3+1). Soddisfa i requisiti di sicurezza più elevati secondo IEC 60364-5-53 per l'impiego sul punto di alimentazione dell'impianto elettrico; con contatto di telesegnalamento / scambio pulito.

2 Prodotti

Art. 952381 DG M H TT 275

GTIN (EAN) 4013364318144, Codice doganale (EU): 85363030, Peso lordo: 435.03 g, UM: 1.00 pz.


Immagini

Maggior informazioni

Limitatore di sovratensione DEHNguard M H TT 275
Limitatore di sovratensione tetrapolare, modulare, innestabile
Con elevata capacità di scarica
Per sistemi di rete TT e TN-S 230/400 V, dimensioni 4 unità
SPD tipo 2 secondo EN 61643-11
Indicazione di guasto
Massima tensione continua: 275 V AC
Livello di protezione: <= 1,5 kV
Corrente impulsiva nominale di scarica [L-N]: 20 kA
Corrente impulsiva nominale di scarica [N-PE]: 80 kA
Tenuta al corto circuito: 50 kAeff
Coordinamento energetico secondo CEI EN 62305-4
Scaricatore della famiglia di prodotti Red/Line


Fabbricato: DEHN
Tipo: DG M H TT 275
Art.: 952381
o similare.

Certificati

 

Caratteristiche tecniche

SPD secondo EN 61643-11 / ... IEC 61643-11 Tipo 2 / Classe II
Tensione massima continuativa AC [L-N] (UC ) 275 V (50 / 60 Hz)
Corrente impulsiva nominale di scarica (8/20 µs) [L-N] (In ) 20 kA
Corrente impulsiva nominale di scarica (8/20 µs) [N-PE] (In ) 80 kA
Corrente impulsiva max di scarica (8/20 µs) [L-N] (Imax ) 40 kA
Corrente impulsiva max di scarica (8/20 µs) [N-PE] (Imax ) 120 kA
Livello di protezione [L-N]/[N-PE] (UP ) ≤ 1,5 / ≤ 1,5 kV
Protezione max da sovraccorrente in rete 125 A gG
Omologazioni KEMA

Prodotto 952381 è stato aggiunto al blocco note.

Prodotto 952381 è stato aggiunto al carrello.

Apri Web-Shop

Art. 952385 DG M H TT 275 FM

GTIN (EAN) 4013364318137, Codice doganale (EU): 85363030, Peso lordo: 441.30 g, UM: 1.00 pz.


Immagini

Maggior informazioni

Limitatore di sovratensione DEHNguard M H TT 275 FM
Limitatore di sovratensione tetrapolare, modulare, innestabile
con elevata capacità di scarica
per sistemi di rete TT e TN-S 230/400 V, dimensioni 4 unità
con contatto di telesegnalamento
SPD tipo 2 secondo EN 61643-11
Indicazione di guasto
Massima tensione continua: 275 V AC
Livello di protezione: <= 1,5 kV
Corrente impulsiva nominale di scarica [L-N]: 20 kA
Corrente impulsiva nominale di scarica [N-PE]: 80 kA
Tenuta al corto circuito: 50 kAeff
Coordinamento energetico secondo CEI EN 62305-4
Scaricatore della famiglia di prodotti Red/Line

Fabbricato: DEHN
Tipo: DG M H TT 275 FM
Art.: 952385
o similare.

Certificati

 

Caratteristiche tecniche

SPD secondo EN 61643-11 / ... IEC 61643-11 Tipo 2 / Classe II
Tensione massima continuativa AC [L-N] (UC ) 275 V (50 / 60 Hz)
Corrente impulsiva nominale di scarica (8/20 µs) [L-N] (In ) 20 kA
Corrente impulsiva nominale di scarica (8/20 µs) [N-PE] (In ) 80 kA
Corrente impulsiva max di scarica (8/20 µs) [L-N] (Imax ) 40 kA
Corrente impulsiva max di scarica (8/20 µs) [N-PE] (Imax ) 120 kA
Livello di protezione [L-N]/[N-PE] (UP ) ≤ 1,5 / ≤ 1,5 kV
Protezione max da sovraccorrente in rete 125 A gG
Omologazioni KEMA
Contatto FM / forma contatto scambio pulito

Prodotto 952385 è stato aggiunto al blocco note.

Prodotto 952385 è stato aggiunto al carrello.

Apri Web-Shop

DEHNguard M TN ...

Limitatore di sovratensione modulare per reti monofase TN (circuito 2 + 0).

2 Prodotti

Art. 952201 DG M TN 150

GTIN (EAN) 4013364123915, Codice doganale (EU): 85363030, Peso lordo: 227.20 g, UM: 1.00 pz.


Immagini

Maggior informazioni

Limitatore di sovratensione DEHNguard M TN 150
Limitatore di sovratensione bipolare, modulare, innestabile
per sistemi di rete monofase TN, dimensioni: 2 unità
SPD Tipo 2 secondo CEI EN 61643-11
Indicazione di guasto
Tensione massima continuativa: 150 V AC
Livello di protezione: <= 0,7 kV
Corrente impulsiva nominale di scarica: 15 kA
Tenuta al corto circuito: 50 kAeff
Coordinamento energetico secondo CEI EN 62305-4
SPD della famiglia di prodotti Red/Line


Fabbricato: DEHN
Tipo: DG M TN 150
Art.: 952201
o similare.

Certificati

 

Caratteristiche tecniche

SPD secondo EN 61643-11 / ... IEC 61643-11 Tipo 2 / Classe II
Tensione massima continuativa AC (UC ) 150 V (50 / 60 Hz)
Corrente impulsiva nominale di scarica (8/20 µs) (In ) 15 kA
Corrente impulsiva max di scarica (8/20 µs) (Imax ) 40 kA
Livello di protezione [L-PE]/[N-PE] (UP ) ≤ 0,7 / ≤ 0,7 kV
Protezione max da sovraccorrente in rete 125 A gG
Omologazioni KEMA, UL

Prodotto 952201 è stato aggiunto al blocco note.

Prodotto 952201 è stato aggiunto al carrello.

Apri Web-Shop

Art. 952200 DG M TN 275

GTIN (EAN) 4013364108394, Codice doganale (EU): 85363030, Peso lordo: 244.60 g, UM: 1.00 pz.

Predecessore

Immagini

Maggior informazioni

Limitatore di sovratensione DEHNguard M TN 275
Limitatore di sovratensione bipolare, modulare, innestabile
per sistemi di rete monofase TN 230 V, dimensioni: 2 unità
SPD Tipo 2 secondo CEI EN 61643-11
Indicazione di guasto
Tensione massima continuativa: 275 V AC
Livello di protezione: <= 1,5 kV
Corrente impulsiva nominale di scarica: 20 kA
Tenuta al corto circuito: 50 kAeff
Coordinamento energetico secondo CEI EN 62305-4
SPD della famiglia di prodotti Red/Line


Fabbricato: DEHN
Tipo: DG M TN 275
Art.: 952200
o similare.

Certificati

 

Caratteristiche tecniche

SPD secondo EN 61643-11 / ... IEC 61643-11 Tipo 2 / Classe II
Tensione massima continuativa AC (UC ) 275 V (50 / 60 Hz)
Corrente impulsiva nominale di scarica (8/20 µs) (In ) 20 kA
Corrente impulsiva max di scarica (8/20 µs) (Imax ) 40 kA
Livello di protezione [L-PE]/[N-PE] (UP ) ≤ 1,5 / ≤ 1,5 kV
Protezione max da sovraccorrente in rete 125 A gG
Omologazioni KEMA, VDE, UL, ATEX, IECEx

Prodotto 952200 è stato aggiunto al blocco note.

Prodotto 952200 è stato aggiunto al carrello.

Apri Web-Shop

DEHNguard M TN ... FM

Limitatore di sovratensione modulare per reti monofase TN (circuito 2 + 0).; con contatto di scambio pulito per il telesegnalamento.

2 Prodotti

Art. 952206 DG M TN 150 FM

GTIN (EAN) 4013364123922, Codice doganale (EU): 85363030, Peso lordo: 233.10 g, UM: 1.00 pz.


Immagini

Maggior informazioni

Limitatore di sovratensione DEHNguard M TN 150 FM
Limitatore di sovratensione bipolare, modulare, innestabile
per sistemi di rete monofase TN, dimensioni: 2 unità
Con contatto di telesegnalamento
SPD Tipo 2 secondo CEI EN 61643-11
Indicazione di guasto
Tensione massima continuativa: 150 V AC
Livello di protezione: <= 0,7 kV
Corrente impulsiva nominale di scarica: 15 kA
Tenuta al corto circuito: 50 kAeff
Coordinamento energetico secondo CEI EN 62305-4
SPD della famiglia di prodotti Red/Line


Fabbricato: DEHN
Tipo: DG M TN 150 FM
Art.: 952206
o similare.

Certificati

 

Caratteristiche tecniche

SPD secondo EN 61643-11 / ... IEC 61643-11 Tipo 2 / Classe II
Tensione massima continuativa AC (UC ) 150 V (50 / 60 Hz)
Corrente impulsiva nominale di scarica (8/20 µs) (In ) 15 kA
Corrente impulsiva max di scarica (8/20 µs) (Imax ) 40 kA
Livello di protezione [L-PE]/[N-PE] (UP ) ≤ 0,7 / ≤ 0,7 kV
Protezione max da sovraccorrente in rete 125 A gG
Omologazioni KEMA, UL
Contatto FM / forma contatto scambio pulito

Prodotto 952206 è stato aggiunto al blocco note.

Prodotto 952206 è stato aggiunto al carrello.

Apri Web-Shop

Art. 952205 DG M TN 275 FM

GTIN (EAN) 4013364108400, Codice doganale (EU): 85363030, Peso lordo: 247.70 g, UM: 1.00 pz.

Predecessore

Immagini

Maggior informazioni

Limitatore di sovratensione DEHNguard M TN 275 FM
Limitatore di sovratensione bipolare, modulare, innestabile
per sistemi di rete monofase TN 230 V, dimensioni: 2 unità
Con contatto di telesegnalamento
SPD Tipo 2 secondo CEI EN 61643-11
Indicazione di guasto
Tensione massima continuativa: 275 V AC
Livello di protezione: <= 1,5 kV
Corrente impulsiva nominale di scarica: 20 kA
Tenuta al corto circuito: 50 kAeff
Coordinamento energetico secondo CEI EN 62305-4
SPD della famiglia di prodotti Red/Line


Fabbricato: DEHN
Tipo: DG M TN 275 FM
Art.: 952205
o similare.

Certificati

 

Caratteristiche tecniche

SPD secondo EN 61643-11 / ... IEC 61643-11 Tipo 2 / Classe II
Tensione massima continuativa AC (UC ) 275 V (50 / 60 Hz)
Corrente impulsiva nominale di scarica (8/20 µs) (In ) 20 kA
Corrente impulsiva max di scarica (8/20 µs) (Imax ) 40 kA
Livello di protezione [L-PE]/[N-PE] (UP ) ≤ 1,5 / ≤ 1,5 kV
Protezione max da sovraccorrente in rete 125 A gG
Omologazioni KEMA, VDE, UL, ATEX, IECEx
Contatto FM / forma contatto scambio pulito

Prodotto 952205 è stato aggiunto al blocco note.

Prodotto 952205 è stato aggiunto al carrello.

Apri Web-Shop

DEHNguard M H TT 2P ... (FM)

Limitatore di sovratensione modulare con elevata capacità di scarica sommatoria nel circuito N-PE per reti TT e TN-S (circuito 1+1). Soddisfa i requisiti di sicurezza più elevati secondo IEC 60364-5-53 per l'impiego sul punto di alimentazione dell'impianto elettrico; con contatto di telesegnalamento / scambio pulito.

2 Prodotti

Art. 952181 DG M H TT 2P 275

GTIN (EAN) 4013364318175, Codice doganale (EU): 85363030, Peso lordo: 244.10 g, UM: 1.00 pz.


Immagini

Maggior informazioni

Limitatore di sovratensione DEHNguard M H TT 2P 275
Limitatore di sovratensione bipolare, modulare, innestabile
con elevata capacità di scarica
Per sistemi monofase di rete TT e TN 230 V, dimensioni 2 unità
SPD tipo 2 secondo EN 61643-11
Indicazione di guasto
Massima tensione continua: 275 V AC
Livello di protezione: <= 1,5 kV
Corrente impulsiva nominale di scarica [L-N]: 20 kA
Corrente impulsiva nominale di scarica [N-PE]: 80 kA
Tenuta al corto circuito: 25 kAeff
Coordinamento energetico secondo CEI EN 62305-4
Scaricatore della famiglia di prodotti Red/Line

Fabbricato: DEHN
Tipo: DG M H TT 2P 275
Art.: 952181
o similare.

Certificati

 

Caratteristiche tecniche

SPD secondo EN 61643-11 / ... IEC 61643-11 Tipo 2 / Class II
Tensione massima continuativa AC [L-N] (UC ) 275 V (50 / 60 Hz)
Corrente impulsiva nominale di scarica (8/20 µs) [L-N] (In ) 20 kA
Corrente impulsiva nominale di scarica (8/20 µs) [N-PE] (In ) 80 kA
Corrente impulsiva max di scarica (8/20 µs) [L-N] (Imax ) 40 kA
Corrente impulsiva max di scarica (8/20 µs) [N-PE] (Imax ) 120 kA
Livello di protezione [L-N]/[N-PE] (UP ) ≤ 1,5 / ≤ 1,5 kV
Protezione max da sovraccorrente in rete 125 A gG
Omologazioni KEMA

Prodotto 952181 è stato aggiunto al blocco note.

Prodotto 952181 è stato aggiunto al carrello.

Apri Web-Shop

Art. 952185 DG M H TT 2P 275 FM

GTIN (EAN) 4013364318151, Codice doganale (EU): 85363030, Peso lordo: 244.10 g, UM: 1.00 pz.


Immagini

Maggior informazioni

Limitatore di sovratensione DEHNguard M H TT 2P 275 FM
Limitatore di sovratensione bipolare, modulare, innestabile
con elevata capacità di scarica
Per sistemi monofase di rete TT e TN 230 V, dimensioni 2 unità
con contatto di telesegnalamento
SPD tipo 2 secondo EN 61643-11
Indicazione di guasto
Massima tensione continua: 275 V AC
Livello di protezione: <= 1,5 kV
Corrente impulsiva nominale di scarica [L-N]: 20 kA
Corrente impulsiva nominale di scarica [N-PE]: 80 kA
Tenuta al corto circuito: 25 kAeff
Coordinamento energetico secondo CEI EN 62305-4
Scaricatore della famiglia di prodotti Red/Line


Fabbricato: DEHN
Tipo: DG M H TT 2P 275 FM
Art.: 952185
o similare.

Certificati

 

Caratteristiche tecniche

SPD secondo EN 61643-11 / ... IEC 61643-11 Tipo 2 / Class II
Tensione massima continuativa AC [L-N] (UC ) 275 V (50 / 60 Hz)
Corrente impulsiva nominale di scarica (8/20 µs) [L-N] (In ) 20 kA
Corrente impulsiva nominale di scarica (8/20 µs) [N-PE] (In ) 80 kA
Corrente impulsiva max di scarica (8/20 µs) [L-N] (Imax ) 40 kA
Corrente impulsiva max di scarica (8/20 µs) [N-PE] (Imax ) 120 kA
Livello di protezione [L-N]/[N-PE] (UP ) ≤ 1,5 / ≤ 1,5 kV
Protezione max da sovraccorrente in rete 125 A gG
Omologazioni KEMA
Contatto FM / forma contatto scambio pulito

Prodotto 952185 è stato aggiunto al blocco note.

Prodotto 952185 è stato aggiunto al carrello.

Apri Web-Shop

DEHNguard M TT 2P ...

Limitatore di sovratensione modulare per reti monofase TT e TN (circuito 1 + 1).

3 Prodotti

Art. 952110 DG M TT 2P 275

GTIN (EAN) 4013364108417, Codice doganale (EU): 85363030, Peso lordo: 258.00 g, UM: 1.00 pz.

Predecessore

Immagini

Maggior informazioni

Limitatore di sovratensione DEHNguard M TT 2P 275
Limitatore di sovratensione bipolare, modulare, innestabile
per sistemi monfase di rete monofase TT e TN 230 V, dimensioni: 2 unità
SPD Tipo 2 secondo CEI EN 61643-11
Indicazione di guasto
Tensione massima continuativa: 275 V AC
Livello di protezione: <= 1,5 kV
Corrente impulsiva nominale di scarica: 20 kA
Tenuta al corto circuito: 50 kAeff
Coordinamento energetico secondo CEI EN 62305-4
SPD della famiglia di prodotti Red/Line

Fabbricato: DEHN
Tipo: DG M TT 2P 275
Art.: 952110
o similare.

Certificati

 

Caratteristiche tecniche

SPD secondo EN 61643-11 / ... IEC 61643-11 Tipo 2 / Class II
Tensione massima continuativa AC [L-N] (UC ) 275 V (50 / 60 Hz)
Corrente impulsiva nominale di scarica (8/20 µs) (In ) 20 kA
Corrente impulsiva max di scarica (8/20 µs) (Imax ) 40 kA
Livello di protezione [L-N]/[N-PE] (UP ) ≤ 1,5 / ≤ 1,5 kV
Protezione max da sovraccorrente in rete 125 A gG
Omologazioni KEMA, VDE, UL, ATEX, IECEx

Prodotto 952110 è stato aggiunto al blocco note.

Prodotto 952110 è stato aggiunto al carrello.

Apri Web-Shop

Art. 952130 DG M TT 2P 320

GTIN (EAN) 4013364128521, Codice doganale (EU): 85363030, Peso lordo: 263.20 g, UM: 1.00 pz.


Immagini

Maggior informazioni

Limitatore di sovratensione DEHNguard M TT 2P 320
Limitatore di sovratensione bipolare, modulare, innestabile
per sistemi monofase di rete TT e TN 230 V, dimensioni: 2 unità
SPD Tipo 2 secondo CEI EN 61643-11
Indicazione di guasto
Tensione massima continuativa: 320 V AC
Livello di protezione: <= 1,5 kV
Corrente impulsiva nominale di scarica: 20 kA
Tenuta al corto circuito: 25 kAeff
Coordinamento energetico secondo CEI EN 62305-4
SPD della famiglia di prodotti Red/Line

Fabbricato: DEHN
Tipo: DG M TT 2P 320
Art.: 952130
o similare.

Certificati

 

Caratteristiche tecniche

SPD secondo EN 61643-11 / ... IEC 61643-11 Tipo 2 / Class II
Tensione massima continuativa AC [L-N] (UC ) 320 V (50 / 60 Hz)
Corrente impulsiva nominale di scarica (8/20 µs) (In ) 20 kA
Corrente impulsiva max di scarica (8/20 µs) (Imax ) 40 kA
Livello di protezione [L-N]/[N-PE] (UP ) ≤ 1,5 / ≤ 1,5 kV
Protezione max da sovraccorrente in rete 125 A gG
Omologazioni KEMA

Prodotto 952130 è stato aggiunto al blocco note.

Prodotto 952130 è stato aggiunto al carrello.

Apri Web-Shop

Art. 952111 DG M TT 2P 385

GTIN (EAN) 4013364119420, Codice doganale (EU): 85363030, Peso lordo: 248.30 g, UM: 1.00 pz.


Immagini

Maggior informazioni

Limitatore di sovratensione DEHNguard M TT 2P 385
Limitatore di sovratensione bipolare, modulare, innestabile
per sistemi monofase di rete TT e TN, dimensioni: 2 unità
SPD Tipo 2 secondo CEI EN 61643-11
Indicazione di guasto
Tensione massima continuativa: 385 V AC
Livello di protezione: <= 1,75 kV
Corrente impulsiva nominale di scarica: 20 kA
Tenuta al corto circuito: 25 kAeff
Coordinamento energetico secondo CEI EN 62305-4
SPD della famiglia di prodotti Red/Line

Fabbricato: DEHN
Tipo: DG M TT 2P 385
Art.: 952111
o similare.

Certificati

 

Caratteristiche tecniche

SPD secondo EN 61643-11 / ... IEC 61643-11 Tipo 2 / Class II
Tensione massima continuativa AC [L-N] (UC ) 385 V (50 / 60 Hz)
Corrente impulsiva nominale di scarica (8/20 µs) (In ) 20 kA
Corrente impulsiva max di scarica (8/20 µs) (Imax ) 40 kA
Livello di protezione [L-N]/[N-PE] (UP ) ≤ 1,75 / ≤ 1,5 kV
Protezione max da sovraccorrente in rete 125 A gG
Omologazioni KEMA

Prodotto 952111 è stato aggiunto al blocco note.

Prodotto 952111 è stato aggiunto al carrello.

Apri Web-Shop

DEHNguard M TT 2P ... FM

Limitatore di sovratensione modulare per reti monofase TT e TN (circuito 1 + 1); con contatto di telesegnalamento / scambio pulito.

3 Prodotti

Art. 952115 DG M TT 2P 275 FM

GTIN (EAN) 4013364108424, Codice doganale (EU): 85363030, Peso lordo: 244.10 g, UM: 1.00 pz.

Predecessore

Immagini

Maggior informazioni

Limitatore di sovratensione DEHNguard M TT 2P 275 FM
Limitatore di sovratensione bipolare, modulare, innestabile
per sistemi monofase di rete TT e TN, dimensioni: 2 unità
Con contatto di telesegnalamento
SPD Tipo 2 secondo CEI EN 61643-11
Indicazione di guasto
Tensione massima continuativa: 275 V AC
Livello di protezione: <= 1,5 kV
Corrente impulsiva nominale di scarica: 20 kA
Tenuta al corto circuito: 50 kAeff
Coordinamento energetico secondo CEI EN 62305-4
SPD della famiglia di prodotti Red/Line


Fabbricato: DEHN
Tipo: DG M TT 2P 275 FM
Art.: 952115
o similare.

Certificati

 

Caratteristiche tecniche

SPD secondo EN 61643-11 / ... IEC 61643-11 Tipo 2 / Class II
Tensione massima continuativa AC [L-N] (UC ) 275 V (50 / 60 Hz)
Corrente impulsiva nominale di scarica (8/20 µs) (In ) 20 kA
Corrente impulsiva max di scarica (8/20 µs) (Imax ) 40 kA
Livello di protezione [L-N]/[N-PE] (UP ) ≤ 1,5 / ≤ 1,5 kV
Protezione max da sovraccorrente in rete 125 A gG
Omologazioni KEMA, VDE, UL, ATEX, IECEx
Contatto FM / forma contatto scambio pulito

Prodotto 952115 è stato aggiunto al blocco note.

Prodotto 952115 è stato aggiunto al carrello.

Apri Web-Shop

Art. 952135 DG M TT 2P 320 FM

GTIN (EAN) 4013364128538, Codice doganale (EU): 85363030, Peso lordo: 269.20 g, UM: 1.00 pz.


Immagini

Maggior informazioni

Limitatore di sovratensione DEHNguard M TT 2P 320 FM
Limitatore di sovratensione bipolare, modulare, innestabile
per sistemi monofase di rete TT e TN 230 V, dimensioni: 2 unità
Con contatto di telesegnalamento
SPD Tipo 2 secondo CEI EN 61643-11
Indicazione di guasto
Tensione massima continuativa: 320 V AC
Livello di protezione: <= 1,5 kV
Corrente impulsiva nominale di scarica: 20 kA
Tenuta al corto circuito: 25 kAeff
Coordinamento energetico secondo CEI EN 62305-4
SPD della famiglia di prodotti Red/Line


Fabbricato: DEHN
Tipo: DG M TT 2P 320 FM
Art.: 952135
o similare.

Certificati

 

Caratteristiche tecniche

SPD secondo EN 61643-11 / ... IEC 61643-11 Tipo 2 / Class II
Tensione massima continuativa AC [L-N] (UC ) 320 V (50 / 60 Hz)
Corrente impulsiva nominale di scarica (8/20 µs) (In ) 20 kA
Corrente impulsiva max di scarica (8/20 µs) (Imax ) 40 kA
Livello di protezione [L-N]/[N-PE] (UP ) ≤ 1,5 / ≤ 1,5 kV
Protezione max da sovraccorrente in rete 125 A gG
Omologazioni KEMA
Contatto FM / forma contatto scambio pulito

Prodotto 952135 è stato aggiunto al blocco note.

Prodotto 952135 è stato aggiunto al carrello.

Apri Web-Shop

Art. 952116 DG M TT 2P 385 FM

GTIN (EAN) 4013364119413, Codice doganale (EU): 85363030, Peso lordo: 251.70 g, UM: 1.00 pz.

Predecessore

Immagini

Maggior informazioni

Limitatore di sovratensione DEHNguard M TT 2P 385 FM
Limitatore di sovratensione bipolare, modulare, innestabile
per sistemi monofase di rete TT e TN, dimensioni: 2 unità
Con contatto di telesegnalamento
SPD Tipo 2 secondo CEI EN 61643-11
Indicazione di guasto
Tensione massima continuativa: 385 V AC
Livello di protezione: <= 1,75 kV
Corrente impulsiva nominale di scarica: 20 kA
Tenuta al corto circuito: 25 kAeff
Coordinamento energetico secondo CEI EN 62305-4
SPD della famiglia di prodotti Red/Line

Fabbricato: DEHN
Tipo: DG M TT 2P 385 FM
Art.: 952116
o similare.

Certificati

 

Caratteristiche tecniche

SPD secondo EN 61643-11 / ... IEC 61643-11 Tipo 2 / Class II
Tensione massima continuativa AC [L-N] (UC ) 385 V (50 / 60 Hz)
Corrente impulsiva nominale di scarica (8/20 µs) (In ) 20 kA
Corrente impulsiva max di scarica (8/20 µs) (Imax ) 40 kA
Livello di protezione [L-N]/[N-PE] (UP ) ≤ 1,75 / ≤ 1,5 kV
Protezione max da sovraccorrente in rete 125 A gG
Omologazioni KEMA
Contatto FM / forma contatto scambio pulito

Prodotto 952116 è stato aggiunto al blocco note.

Prodotto 952116 è stato aggiunto al carrello.

Apri Web-Shop

DEHNguard M WE ... (FM)

Limitatore di sovratensione modulare (circuito 3 + 0), con tensione di riferimento varistore Umov = 750 V AC per impianti eolici; nell'esecuzione FM con contatto di telesegnalamento / scambio pulito.

2 Prodotti

Art. 952302 DG M WE 600

GTIN (EAN) 4013364113305, Codice doganale (EU): 85363030, Peso lordo: 406.60 g, UM: 1.00 pz.

Predecessore

Immagini

Maggior informazioni

Limitatore di sovratensione modulare DEHNguard M WE 600
Limitatore di sovratensione tripolare, modulare, innestabile
per impianti eolici per l'impiego in sistema di rete TN-C 400/690 V, dimensioni: 3 unità
Valutazione di variazioni di tensione di breve periodo
dovute a tensione di riferimento varistore aumentata Umov
SPD Tipo 2 secondo CEI EN 61643-11
Indicazione di guasto
Tensione massima continuativa: 600 V AC
Tensione di riferimento varistore: 750 V AC
Livello di protezione: <= 3 kV
Corrente impulsiva nominale di scarica: 15 kA
Tenuta al corto circuito: 25 kAeff
Coordinamento energetico secondo CEI EN 62305-4
SPD della famiglia di prodotti Red/Line

Fabbricato: DEHN
Tipo: DG M WE 600
Art.: 952302
o similare.

Certificati

 

Caratteristiche tecniche

SPD secondo EN 61643-11 / ... IEC 61643-11 Tipo 2 / Class II
Tensione massima continuativa AC (UC ) 600 V (50 / 60 Hz)
Tensione di riferimento varistore (Umov ) 750 V
Corrente impulsiva nominale di scarica (8/20 µs) (In ) 15 kA
Corrente impulsiva max di scarica (8/20 µs) (Imax ) 25 kA
Livello di protezione (UP ) ≤ 3 kV
Protezione max da sovraccorrente in rete 100 A gG
Omologazioni KEMA, UL

Prodotto 952302 è stato aggiunto al blocco note.

Prodotto 952302 è stato aggiunto al carrello.

Apri Web-Shop

Art. 952307 DG M WE 600 FM

GTIN (EAN) 4013364113312, Codice doganale (EU): 85363030, Peso lordo: 409.50 g, UM: 1.00 pz.

Predecessore

Immagini

Maggior informazioni

Limitatore di sovratensione modulare DEHNguard M WE 600 FM
Limitatore di sovratensione tripolare, modulare, innestabile
per impianti eolici per l'impiego in sistema di rete TN-C 400/690 V, dimensioni: 3 unità
con contatto di telesegnalamento
Valutazione di variazioni di tensione di breve periodo
dovute a tensione di riferimento varistore aumentata Umov
SPD Tipo 2 secondo CEI EN 61643-11
Indicazione di guasto
Tensione massima continuativa: 600 V AC
Tensione di riferimento varistore: 750 V AC
Livello di protezione: <= 3 kV
Corrente impulsiva nominale di scarica: 15 kA
Tenuta al corto circuito: 25 kAeff
Coordinamento energetico secondo CEI EN 62305-4
SPD della famiglia di prodotti Red/Line

Fabbricato: DEHN
Tipo: DG M WE 600 FM
Art.: 952307
o similare.

Certificati

 

Caratteristiche tecniche

SPD secondo EN 61643-11 / ... IEC 61643-11 Tipo 2 / Class II
Tensione massima continuativa AC (UC ) 600 V (50 / 60 Hz)
Tensione di riferimento varistore (Umov ) 750 V
Corrente impulsiva nominale di scarica (8/20 µs) (In ) 15 kA
Corrente impulsiva max di scarica (8/20 µs) (Imax ) 25 kA
Livello di protezione (UP ) ≤ 3 kV
Protezione max da sovraccorrente in rete 100 A gG
Omologazioni KEMA, UL
Contatto FM / forma contatto scambio pulito

Prodotto 952307 è stato aggiunto al blocco note.

Prodotto 952307 è stato aggiunto al carrello.

Apri Web-Shop

back to top