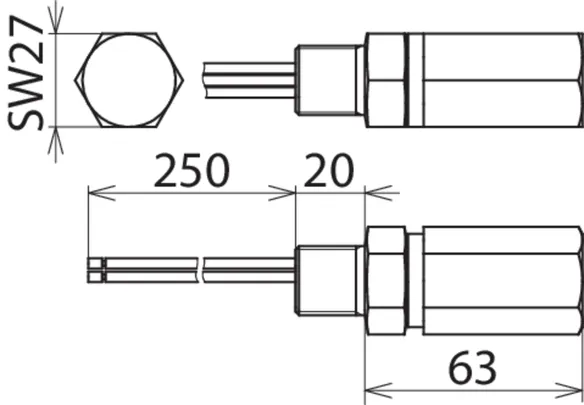
DEHNpipe
:quality(98)/www.elvatec.ch/store/f/63044666/HDVORSCHAU/929952a1_16-9.jpg)
:quality(98)/www.elvatec.ch/store/f/63044666/HDVORSCHAU/929952a1_16-9.jpg)
- Con cablaggio di serie o parallelo
- Esecuzione in acciaio inossidabile resistente alla corrosione
- Disponibile limitatore per la protezione di una seconda interfaccia (lato dati o lato energia)
- Per la protezione di circuiti di misura a sicurezza intrinseca e sistemi bus Ex (i)
- Esecuzione resistente alla pressione Ex (d)
Dettagli
:quality(98)/www.elvatec.ch/store/f/63044667/HDVORSCHAU/929921_941_Kat.jpg)
:quality(98)/www.elvatec.ch/store/f/63044667/HDVORSCHAU/929921_941_Kat.jpg)
:quality(98)/www.elvatec.ch/store/f/63044670/HDVORSCHAU/929952a4_Kat.jpg)
:quality(98)/www.elvatec.ch/store/f/63044670/HDVORSCHAU/929952a4_Kat.jpg)
:quality(98)/www.elvatec.ch/store/f/63044668/HDVORSCHAU/929952a2_Kat.jpg)
:quality(98)/www.elvatec.ch/store/f/63044668/HDVORSCHAU/929952a2_Kat.jpg)
:quality(98)/www.elvatec.ch/store/f/63044669/HDVORSCHAU/929952a3_Kat.jpg)
:quality(98)/www.elvatec.ch/store/f/63044669/HDVORSCHAU/929952a3_Kat.jpg)
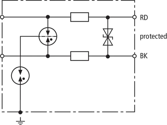
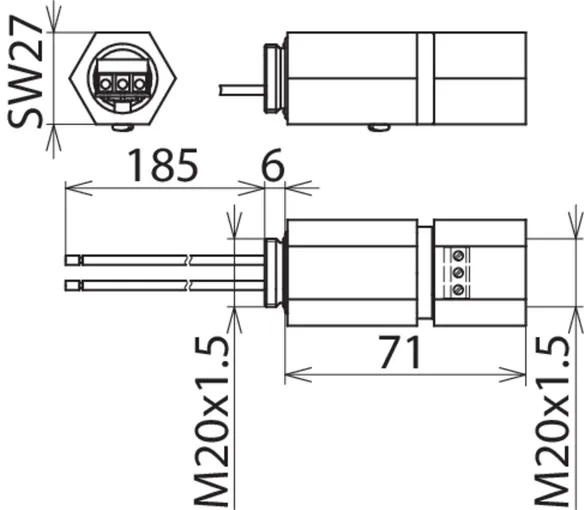
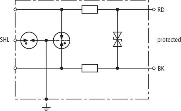
DPI MD
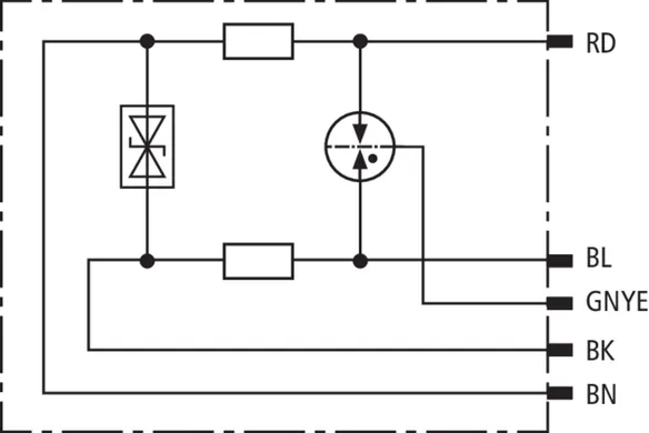
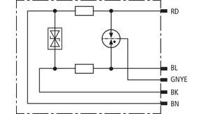
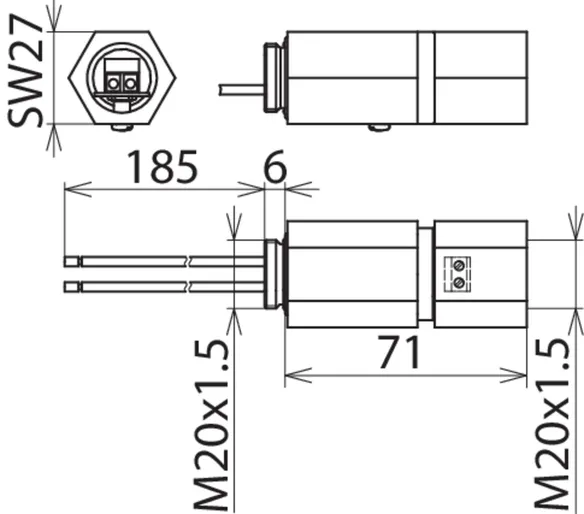
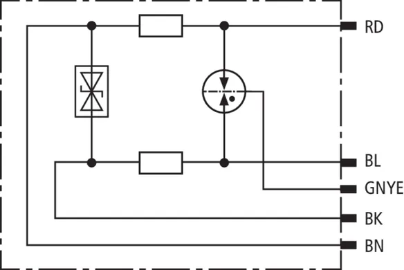
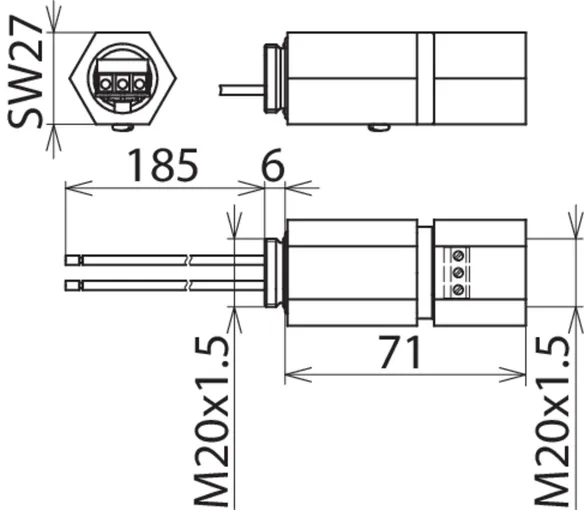
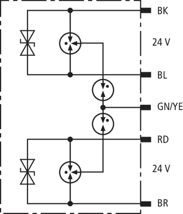
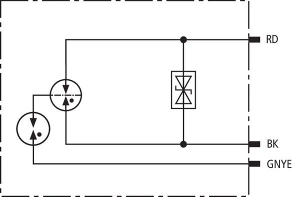
Limitatore di sovratensione a due gradini, senza corrente di fuga, coordinato energeticamente per interfacce 4-20 mA con filetto da avvitare M20 x 1,5 (interno / esterno). Lo schermo può essere collegato in modo diretto, indiretto oppure può restare scollegato da terra. Pressacavo fornibile come accessorio.
1 Prodotto
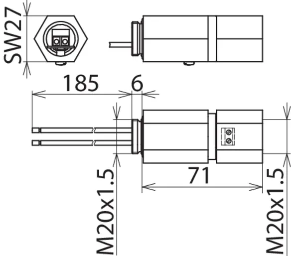
Art. 929941 DPI MD 24 M 2S
GTIN (EAN) 4013364098152, Codice doganale (EU): 85363010, Peso lordo: 187.40 g, UM: 1.00 pz.
Caratteristiche tecniche
Classe SPD | Q |
Tensione massima continuativa DC (UC ) | 34,8 V |
Corrente nominale (IL ) | 0,5 A |
D1 Corrente impulsiva di fulmine (10/350 µs) per filo (Iimp ) | 1 kA |
C2 Corrente impulsiva nominale di scarica (8/20 µs) complessiva (In ) | 10 kA |
Frequenza limite filo-filo (fG ) | 14 MHz |
Montaggio lato campo / apparecchio | filetto interno M20 x 1,5 / filetto esterno M20 x 1,5 |
Omologazioni | SIL |
*) per dettagli vedasi: www.dehn.it |
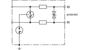
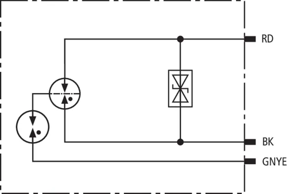
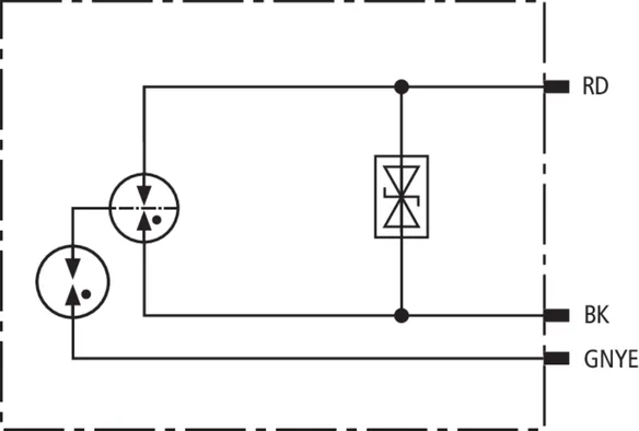
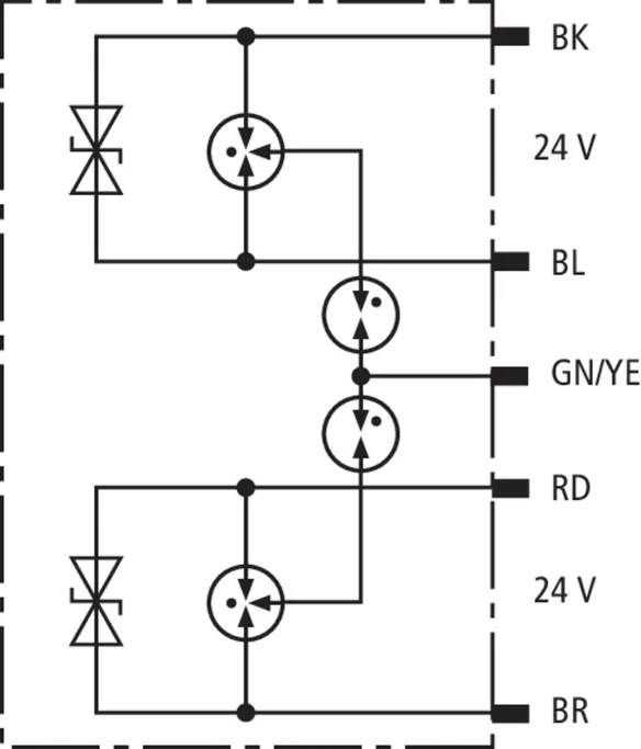
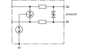
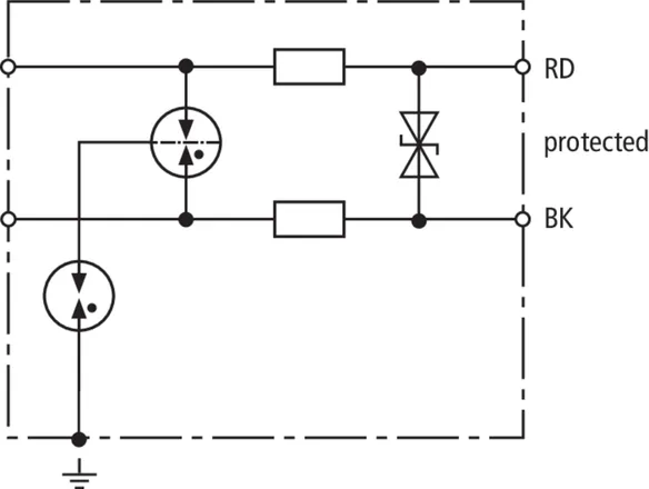
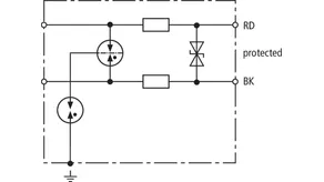
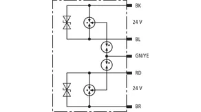
DPI MD EX
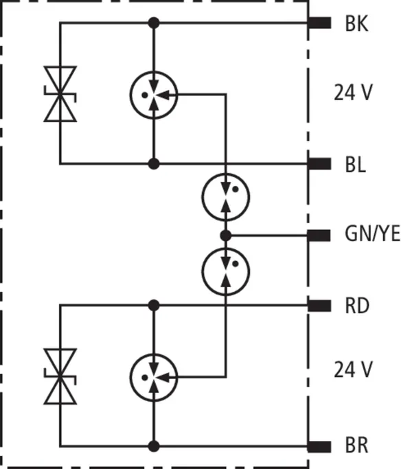
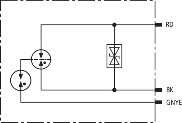
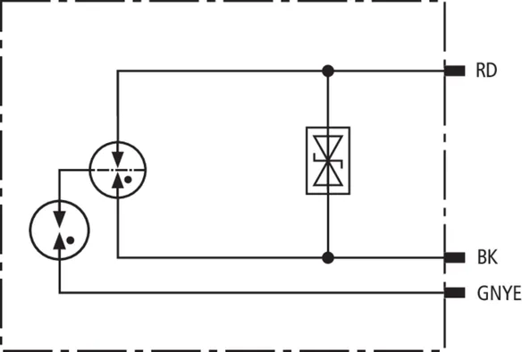
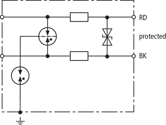
Limitatore di sovratensione a 2 gradini con circuito di protezione con basso valore capacitivo, per la protezione di circuiti e sistemi bus a sicurezza intrinseca, soddisfa i requisiti secondo FISCO. Tenuta all'isolamento > 500 V verso terra. Pressacavo fornibile come accessorio.
2 Prodotti
Art. 929960 DPI MD EX 24 M 2
GTIN (EAN) 4013364098145, Codice doganale (EU): 85363010, Peso lordo: 185.80 g, UM: 1.00 pz.
Caratteristiche tecniche
Classe SPD | T |
Tensione massima continuativa DC (UC ) | 34,8 V |
Corrente nominale (IL ) | 0,5 A |
D1 Corrente impulsiva di fulmine (10/350 µs) per filo (Iimp ) | 1 kA |
C2 Corrente impulsiva nominale di scarica (8/20 µs) complessiva (In ) | 10 kA |
Frequenza limite filo-filo (fG ) | 7 MHz |
Montaggio lato campo / apparecchio | filetto interno M20 x 1,5 / filetto esterno M20 x 1,5 |
Omologazioni | ATEX, IECEx, CCC, CSA & USA Hazloc, SIL |
*) per dettagli vedasi: www.dehn.it |
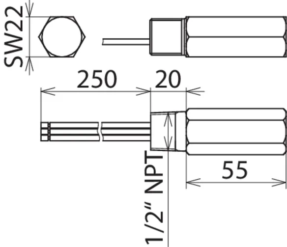
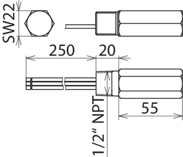
Art. 929965 DPI MD EX 24 N 2
GTIN (EAN) 4013364360778, Codice doganale (EU): 85363010, Peso lordo: 185.00 g, UM: 1.00 pz.
Caratteristiche tecniche
Classe SPD | T |
Tensione massima continuativa DC (UC ) | 34,8 V |
Corrente nominale (IL ) | 0,5 A |
D1 Corrente impulsiva di fulmine (10/350 µs) per filo (Iimp ) | 1 kA |
C2 Corrente impulsiva nominale di scarica (8/20 µs) complessiva (In ) | 10 kA |
Frequenza limite filo-filo (fG ) | 7 MHz |
Montaggio lato campo / apparecchio | 1/2-14 NPT filetto interno / 1/2-14 NPT filetto esterno |
Omologazioni | ATEX, IECEx, CCC, SIL |
*) per dettagli vedasi: www.dehn.it |
Art. 929961 DPI CD EXI 24 M
GTIN (EAN) 4013364101784, Codice doganale (EU): 85363010, Peso lordo: 183.00 g, UM: 1.00 pz.
Caratteristiche tecniche
Classe SPD | T |
Tensione massima continuativa DC (UC ) | 32 V |
Corrente nominale (IL ) | 0,55 A |
D1 Correnze impulsiva di fulmine (10/350 µs) filo-PG (Iimp ) | 1 kA |
C2 Corrente impulsiva nominale di scarica (8/20 µs) complessiva (In ) | 10 kA |
Frequenza limite filo-filo (fG ) | 67 MHz |
Montaggio lato campo / apparecchio | filetto esterno M20 x 1,5 |
Omologazioni | ATEX, IECEx, CCC, CSA & USA Hazloc, SIL |
*) per dettagli vedasi: www.dehn.it |
Art. 929963 DPI CD EXI 24 N
GTIN (EAN) 4013364101807, Codice doganale (EU): 85363010, Peso lordo: 196.00 g, UM: 1.00 pz.
Caratteristiche tecniche
Classe SPD | T |
Tensione massima continuativa DC (UC ) | 32 V |
Corrente nominale (IL ) | 0,55 A |
D1 Correnze impulsiva di fulmine (10/350 µs) filo-PG (Iimp ) | 1 kA |
C2 Corrente impulsiva nominale di scarica (8/20 µs) complessiva (In ) | 10 kA |
Frequenza limite filo-filo (fG ) | 67 MHz |
Montaggio lato campo / apparecchio | filetto esterno 1/2-14 NPT |
Omologazioni | ATEX, IECEx, CCC, CSA & USA Hazloc, SIL |
*) per dettagli vedasi: www.dehn.it |
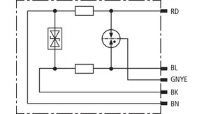
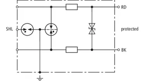
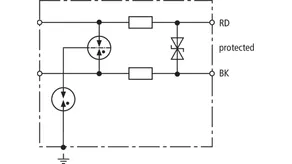
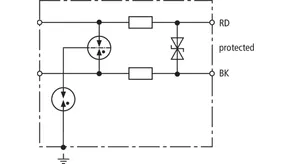
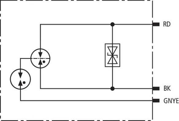
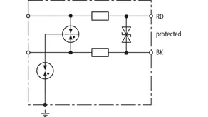
DPI CD EXD
Limitatore di sovratensione in esecuzione resistente alle esplosioni, con circuito di protezione con basso valore capacitivo, per l'impiego in zone con pericolo d'esplosione per la protezione di circuiti e sistemi bus. Tenuta all'isolamento > 500 V verso terra. Omologato secondo CSA e USA Hazloc-Standard.
2 Prodotti
Art. 929962 DPI CD EXD 24 M
GTIN (EAN) 4013364101791, Codice doganale (EU): 85363010, Peso lordo: 183.00 g, UM: 1.00 pz.
Caratteristiche tecniche
Classe SPD | T |
Tensione massima continuativa DC (UC ) | 32 V |
Corrente nominale (IL ) | 0,55 A |
D1 Correnze impulsiva di fulmine (10/350 µs) filo-PG (Iimp ) | 1 kA |
C2 Corrente impulsiva nominale di scarica (8/20 µs) complessiva (In ) | 10 kA |
Frequenza limite filo-filo (fG ) | 67 MHz |
Montaggio lato campo / apparecchio | filetto esterno M20 x 1,5 |
Omologazioni | ATEX, IECEx, CCC, CSA & USA Hazloc, SIL |
*) per dettagli vedasi: www.dehn.it |
Art. 929964 DPI CD EXD 24 N
GTIN (EAN) 4013364101814, Codice doganale (EU): 85363010, Peso lordo: 183.00 g, UM: 1.00 pz.
Caratteristiche tecniche
Classe SPD | T |
Tensione massima continuativa DC (UC ) | 32 V |
Corrente nominale (IL ) | 0,55 A |
D1 Correnze impulsiva di fulmine (10/350 µs) filo-PG (Iimp ) | 1 kA |
C2 Corrente impulsiva nominale di scarica (8/20 µs) complessiva (In ) | 10 kA |
Frequenza limite filo-filo (fG ) | 67 MHz |
Montaggio lato campo / apparecchio | filetto esterno 1/2-14 NPT |
Omologazioni | ATEX, IECEx, CCC, CSA & USA Hazloc, SIL |
*) per dettagli vedasi: www.dehn.it |
Art. 929971 DPI CD HF EXD 5 M
GTIN (EAN) 4013364120761, Codice doganale (EU): 85363010, Peso lordo: 285.60 g, UM: 1.00 pz.
Caratteristiche tecniche
Classe SPD | T |
Tensione massima continuativa DC (UC ) | 6 V |
Corrente nominale con 80 °C (IL ) | 0,1 A |
C2 Corrente impulsiva nominale di scarica (8/20 µs) complessiva (In ) | 20 kA |
Frequenza limite filo-filo (fG ) | 100 MHz |
Montaggio lato campo / apparecchio | filetto esterno M20 x 1,5 |
Omologazioni | ATEX, IECEx, CCC, CSA & USA Hazloc, SIL |
*) per dettagli vedasi: www.dehn.it |
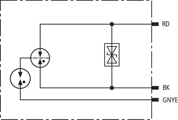
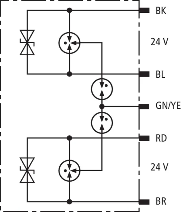
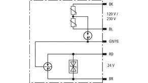
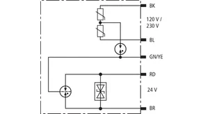
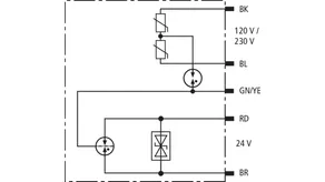
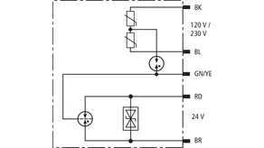
DPI CD EXD 230 24
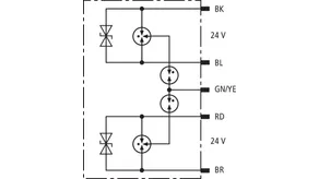
Limitatore di sovratensione in esecuzione doppia per il lato energia e dati. Esecuzione resistente alle esplosioni per l'impiego in zone con pericolo d'esplosione in zona 1 e 2, per la protezione di una linea di alimentazione 120 / 230 V e una interfaccia a 24 V di apprecchi in campo.
Maggiore sicurezza contro le inversioni di collegamento, grazie al circuito di protezione a Y per il lato alimentazione a 120 / 230 V.
Applicazione universale in zona ex 1 e 2 grazie all'esecuzione II 2 G Ex d IIC T5/T6. Omologato secondo CSA e USA Hazloc-Standard.
2 Prodotti
Art. 929969 DPI CD EXD 230 24 M
GTIN (EAN) 4013364127418, Codice doganale (EU): 85363010, Peso lordo: 280.00 g, UM: 1.00 pz.
Caratteristiche tecniche
Protezione del lato dati | |
Classe SPD | U |
Tensione massima continuativa DC (UC ) | 32 V |
Corrente nominale con 80 °C (IL ) | 0,55 A |
D1 Corrente impulsiva di fulmine (10/350 µs) filo-PG (Iimp ) | 1 kA |
C2 Corrente impulsiva nominale di scarica (8/20 µs) complessiva (In ) | 10 kA |
Montaggio lato campo / apparecchio | filetto esterno M20 x 1,5 |
Omologazioni | ATEX, IECEx, CCC, CSA & USA Hazloc, SIL |
*) dettagli vedasi: www.dehn.it | |
Protezione del lato alimentazione | |
SPD secondo EN 61643-11 / ... IEC 61643-11 | Tipo 2 / Classe II |
Tensione massima continuativa AC (UC ) | 255 V |
Corrente impulsiva di scarica complessiva (8/20 µs) L+N-PE (Itotal ) | 5 kA |
Livello di protezione L-N (UP ) | ≤ 1,4 kV |
Protezione max. di sovraccorente in rete | 16 A gG oppure B 16 A |
Art. 929970 DPI CD EXD 230 24 N
GTIN (EAN) 4013364127425, Codice doganale (EU): 85363010, Peso lordo: 273.00 g, UM: 1.00 pz.
Caratteristiche tecniche
Protezione del lato dati | |
Classe SPD | U |
Tensione massima continuativa DC (UC ) | 32 V |
Corrente nominale con 80 °C (IL ) | 0,55 A |
D1 Corrente impulsiva di fulmine (10/350 µs) filo-PG (Iimp ) | 1 kA |
C2 Corrente impulsiva nominale di scarica (8/20 µs) complessiva (In ) | 10 kA |
Montaggio lato campo / apparecchio | filetto esterno 1/2-14 NPT |
Omologazioni | ATEX, IECEx, CCC, CSA & USA Hazloc, SIL |
*) dettagli vedasi: www.dehn.it | |
Protezione del lato alimentazione | |
SPD secondo EN 61643-11 / ... IEC 61643-11 | Tipo 2 / Classe II |
Tensione massima continuativa AC (UC ) | 255 V |
Corrente impulsiva di scarica complessiva (8/20 µs) L+N-PE (Itotal ) | 5 kA |
Livello di protezione L-N (UP ) | ≤ 1,4 kV |
Protezione max. di sovraccorente in rete | 16 A gG oppure B 16 A |
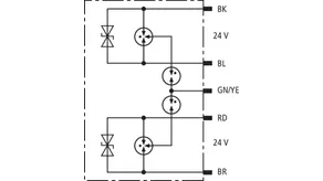
Art. 929950 DPI CD EXI+D 2X24 M
GTIN (EAN) 4013364137387, Codice doganale (EU): 85363010, Peso lordo: 247.00 g, UM: 1.00 pz.
Caratteristiche tecniche
Classe SPD | T |
Tensione massima continuativa DC (UC ) | 36 V |
Corrente nominale (IL ) | 0,55 A |
D1 Correnze impulsiva di fulmine (10/350 µs) filo-PG (Iimp ) | 1,5 kA |
C2 Corrente impulsiva nominale di scarica (8/20 µs) complessiva (In ) | 20 kA |
Montaggio lato campo / apparecchio | filetto esterno M20 x 1,5 |
Omologazioni | ATEX, IECEx, CCC, CSA & USA Hazloc, SIL |
*) per dettagli vedasi: www.dehn.it |
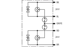
Art. 929951 DPI CD EXI+D 2X24 N
GTIN (EAN) 4013364137394, Codice doganale (EU): 85363010, Peso lordo: 247.00 g, UM: 1.00 pz.
Caratteristiche tecniche
Classe SPD | T |
Tensione massima continuativa DC (UC ) | 36 V |
Corrente nominale (IL ) | 0,55 A |
D1 Correnze impulsiva di fulmine (10/350 µs) filo-PG (Iimp ) | 1,5 kA |
C2 Corrente impulsiva nominale di scarica (8/20 µs) complessiva (In ) | 20 kA |
Montaggio lato campo / apparecchio | filetto esterno 1/2-14 NPT |
Omologazioni | ATEX, IECEx, CCC, CSA & USA Hazloc, SIL |
*) per dettagli vedasi: www.dehn.it |