DEHNpatch limitatore per reti dati e applicazioni Ethernet

  • Protezione dalle sovratensioni per l’infrastruttura Ethernet
  • fino a 10 Gbit/s (fino alla classe EA / 500 MHz)
  • Cavo patch con protezione dalle sovratensioni CAT 6A nel channel
  • Variante IP66 per applicazioni all’esterno
  • Conforme a Power over Ethernet IEEE 802.3 (fino a PoE++ / 4PPoE)
  • Retrofittabile in qualsiasi momento

Dettagli

Variante per esterno con tipo di protezione IP66
lorem ipsum
Facile manutenzione con sistema dotato di indicatore e segnalazione remota
lorem ipsum
Kit di montaggio come accessorio per soluzioni “patch rack” da 19”
lorem ipsum
Come variante cavo patch completamente schermata (lunghezza 3 m).
lorem ipsum

DPA CLE IP66

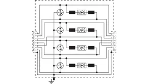
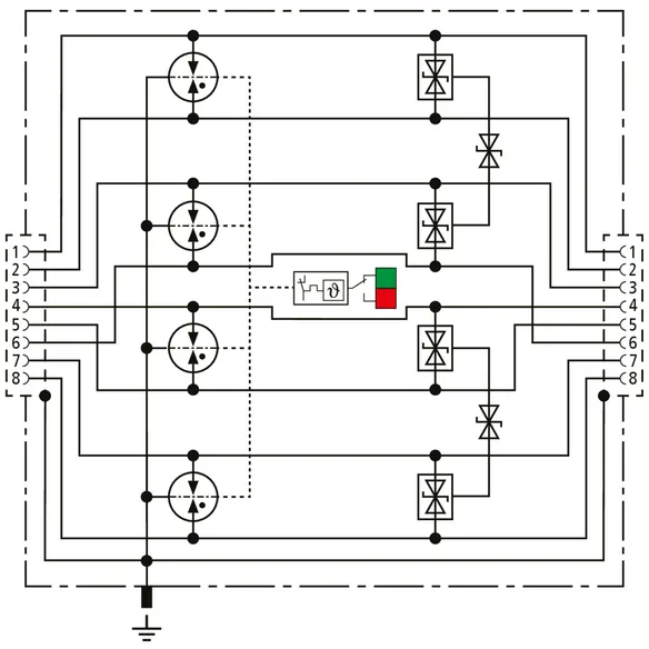
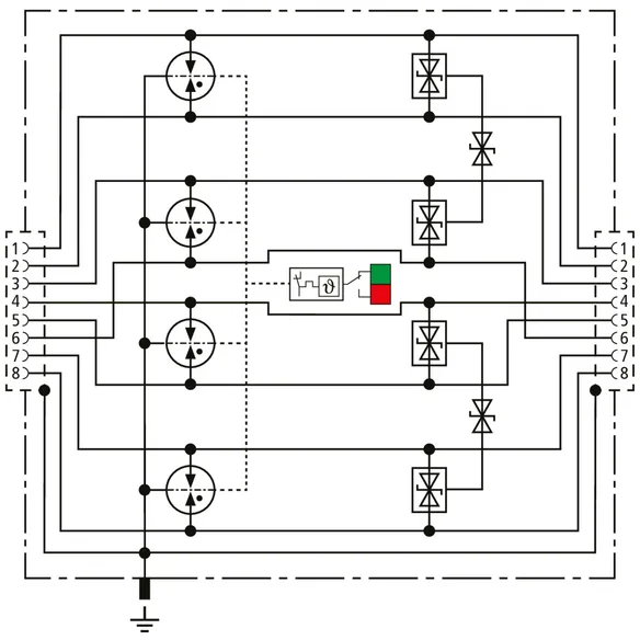
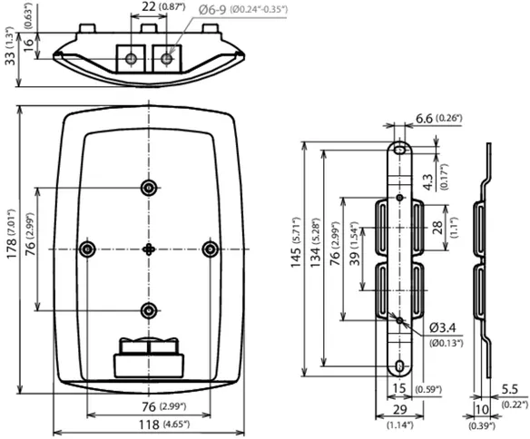
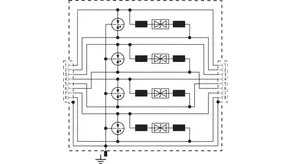
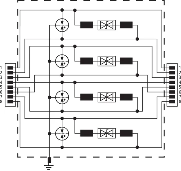
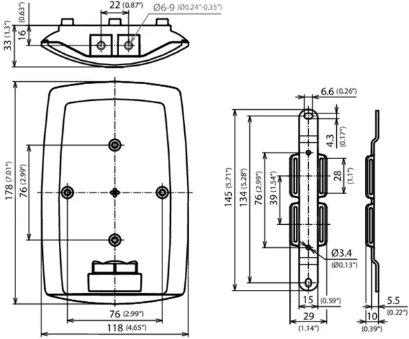
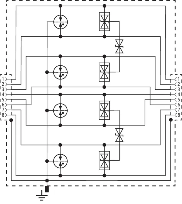
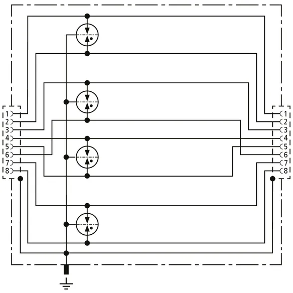
Limitatore di sovratensione universale per applicazioni GBit Ethernet, Power over Ethernet (conforme a IEEE 802.3 fino a PoE++ / 4PPoE) e applicazioni simili in assemblaggi strutturati fino alle classe E in ambiente interno ed esterno in un involucro IP66 per la protezione da penetrazione di polvere e spruzzi d’acqua. Protezione di tutte le coppie di fili con efficienti scaricatori a gas e di una matrice di filtro determinata per coppia di fili. Soluzione per la protezione da sovratensioni completamente schermata con connettori RJ45. Supporto universale di montaggio per il montaggio a scelta su palo o a parete.
Accessori esterni: nastri per montaggio su palo

1 Prodotto

Art. 929221 DPA CLE IP66

GTIN (EAN) 4013364342866, Codice doganale (EU): 85363010, Peso lordo: 745.00 g, UM: 1.00 pz.


Immagini

Maggior informazioni

Limitatore di sovratensione DEHNpatch DPA M CLE IP66
Limitatore per esterni per applicazioni GBit Ethernet,
Power over Ethernet (bis PoE++ / 4PPoE) e simili
applicazioni in involucro completamente schermato IP66
Tipo 2 / P1
DEHNpatch CLE IP66, provato secondo
CEI EN 61643-21, per impiego
universale secondo EN 50173
per tutti i servizi di dati fino a 60 V DC (PoE++/4PPoE)
per la protezione di 4 coppie di fili
di passaggi di rete di dati
attraverso connettori RJ 45, per l'impiego
all'interno e all'esterno

Fabbricato: DEHN
Tipo: DPA CLE IP66
Art.: 929221
o similare.

Certificati

 

Caratteristiche tecniche

Classe SPD T
Tensione massima continuativa DC coppia-coppia (PoE) (Uc ) 60 V
Corrente nominale (IL ) 1 A
D1 Corrente impulsiva di fulmine (10/350 µs) per filo (Iimp ) 0,8 kA
D1 Corrente impulsiva di fulmine (10/350 µs) complessiva (Iimp ) 4 kA
C2 Corrente impulsiva nominale di scarica (8/20 µs) totale (In ) 10 kA
Frequenza limite (fG ) 250 MHz
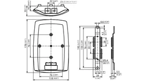
Grado di protezione (con cavi collegati) IP 66
Collegamento ingresso / uscita presa RJ45 / presa RJ45
Omologazioni UL 497B, CSA

Prodotto 929221 è stato aggiunto al blocco note.

Prodotto 929221 è stato aggiunto al carrello.

Apri Web-Shop

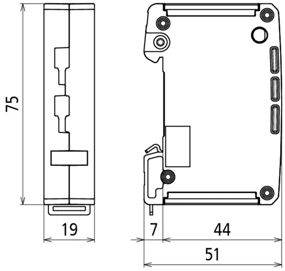
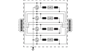
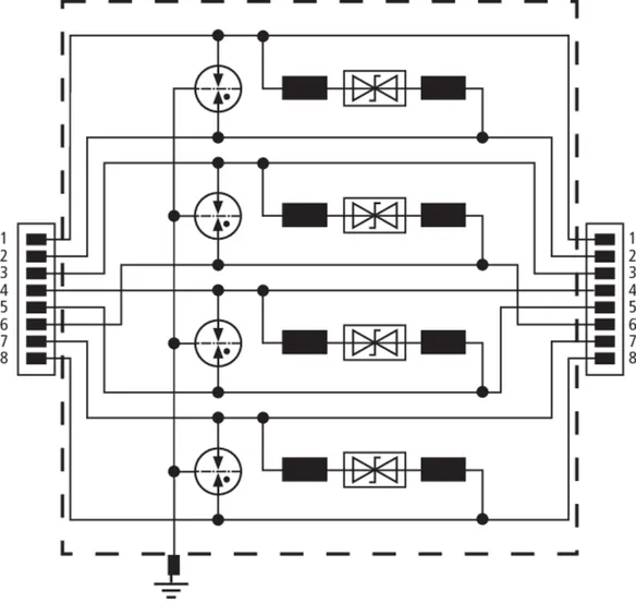
DPA M CAT6

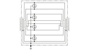
Limitatore di sovratensione universale per Ethernet, Power over Ethernet (conforme a IEEE 802.3 fino a PoE++ / 4PPoE) e applicazioni simili in sistemi di cablaggio universale della CAT 6 oppure secondo Classe EA fino a 500 MHz. Completamente schermato con linea patch per il montaggio su guida profilata (fino a 10 Gbit Ethernet).

1 Prodotto

Art. 929100 DPA M CAT6 RJ45S 48

GTIN (EAN) 4013364102170, Codice doganale (EU): 85363010, Peso lordo: 244.00 g, UM: 1.00 pz.

Predecessore

Immagini

Maggior informazioni

Limitatore di sovratensione cavo Patch DEHNpatch DPA M CAT 6 RJ45S 48
Limitatore di sovratensione cavo Patch
completamente schermato Cat. 6 Tipo 2 / P1
DEHNpatch M, provato secondo
CEI EN 61643-21 e ISO/IEC 11801,
per impiego universale secondo EN 50173
per tutti i servizi di dati fino a 57 V DC
per la protezione di 4 coppie di fili
di passaggi di rete di dati
attraverso connettori RJ 45, per applicazioni
in distributori e posizione singola,
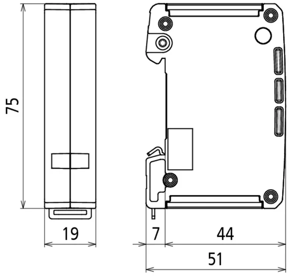
lunghezza totale cavo, larghezza costruttiva 19 mm.


Fabbricato: DEHN
Tipo: DPA M CAT6 RJ45S 48
Art.: 929100
o similare.

Certificati

 

Caratteristiche tecniche

Classe SPD T
Tensione massima continuativa DC (Uc ) 48 V
Tensione massima continuativa DC coppia-coppia (PoE) (Uc ) 57 V
Corrente nominale (IL ) 1 A
D1 Corrente impulsiva di fulmine (10/350 µs) per filo (Iimp ) 1 kA
C2 Corrente impulsiva nominale di scarica (8/20 µs) totale (In ) 10 kA
Frequenza limite (fG ) 250 MHz
Collegamento ingresso / uscita cavo di collegamento RJ45 / cavo di collegamento RJ45

Prodotto 929100 è stato aggiunto al blocco note.

Prodotto 929100 è stato aggiunto al carrello.

Apri Web-Shop

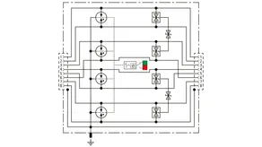
DEHNpatch classe EA (nuovo)

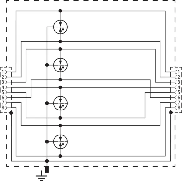
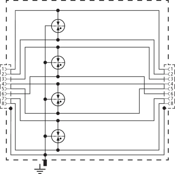
Scaricatore combinato universale salvaspazio con larghezza d’installazione di 19 mm e tecnologia di connessione RJ45 con indicatore di stato per una facile manutenzione. Protezione di applicazioni in cablaggi strutturati secondo la classe EA fino a 500 Mhz, ad es. pathcord per Ethernet, distributori di dati, sistemi di telecamere digitali, Power over Ethernet (conforme a IEEE 802.3 fino a 4PPoE) e in generale interfacce basate su Ethernet. Protezione di tutti i doppini tramite potenti spinterometri a gas e diodi di protezione tra i conduttori di segnale e tra i doppini. Adattatore in versione completamente schermata con prese di collegamento RJ45 per il montaggio su montaggio su guida DIN. Con collegamento a vite aggiuntivo lato alloggiamento per un collegamento di terra opzionale.

1 Prodotto

Art. 929161 DPA CL8 EA 4PPOE

GTIN (EAN) 4013364472921, Codice doganale (EU): 85363010, Peso lordo: 188.70 g, UM: 1.00 pz.


Immagini

Maggior informazioni

Protezione da sovratensioni DEHNpatch CL8 EA 4PPOE
scaricatore combinato compatto della
classe di trasmissione EA secondo la norma ISO/IEC 11801
per la protezione di interfacce dati dalle
correnti di fulmine e dalle sovratensioni in
applicazioni Ethernet fino a 10 Gbit e
Power over Ethernet (fino a 4PPoE)
protezione di 4 doppini tramite prese di collegamento RJ45
versione completamente schermata
collaudato secondo la noma EN/IEC 61643-21
classe SPD tipo 1/P2
categoria d’impulso: D1, C1, C2, C3, B2
indicatore di stato integrato,
monitoraggio tramite unità FM separata
risparmio di spazio, larghezza d’installazione 19 mm
Messa a terra tramite guida profilata DIN da 35 mm o
tramite connessione a vite lato alloggiamento
Tensione massima continuativa: 3,3 V DC
Corrente nominale a 70 °C: 1,5 A
Frequenza limite: 500 MHz
C2 corrente impulsiva nominale di scarica per ciascun filo (8/20): 2,5 kA
C2 corrente impulsiva nominale di scarica complessiva (8/20): 10 kA
D1 corrente impulsiva di fulmine (10/350 µs) per ciascun filo: 0,5 kA
D1 corrente impulsiva di fulmine (10/350 µs) complessiva: 4 kA
Collegamento del conduttore: prese di collegamento RJ45

Fabbricato: DEHN
Tipo: DPA CL8 EA 4PPOE
Art.: 929161
o similare.

Certificati

 

Caratteristiche tecniche

Classe SPD L
Tensione massima continuativa DC (Uc ) 3,3 V
Tensione massima continuativa DC coppia-coppia (PoE) (Uc ) 58 V
Corrente nominale (IL ) 1,5 A
D1 Corrente impulsiva di fulmine (10/350 µs) per filo (Iimp ) 0,5 kA
C2 Corrente impulsiva nominale di scarica (8/20 µs) totale (In ) 10 kA
Frequenza limite (fG ) 500 MHz
Collegamento ingresso / uscita presa RJ45 / presa RJ45
Omologazioni GHMT, UL 497B

Prodotto 929161 è stato aggiunto al blocco note.

Prodotto 929161 è stato aggiunto al carrello.

Apri Web-Shop

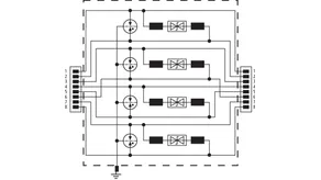
DEHNpatch Class E

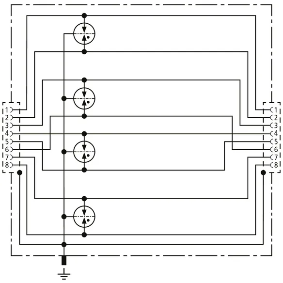
Limitatore di sovratensione universale per Ethernet, Power over Ethernet (conforme a IEEE 802.3 fino a PoE++ / 4PPoE) e applicazioni simili in sistemi di cablaggio universale della Classe E fino a 250 MHz. Protezione di tutte le coppie di fili mediante potenti scaricatori a gas ed una adeguata matrice di filtro per ogni coppia. Completamente schermato per il montaggio su guida profilata (fino a 1 Gbit Ethernet).

1 Prodotto

Art. 929121 DPA M CLE RJ45B 48

GTIN (EAN) 4013364118935, Codice doganale (EU): 85363010, Peso lordo: 122.00 g, UM: 1.00 pz.

Predecessore

Immagini

Maggior informazioni

Limitatore di sovratensione DEHNpatch DPA M CLE RJ45B 48 Class E
Limitatore di sovratensione Class E
completamente schermato Tipo 2 / P1
DEHNpatch M, provato secondo
CEI EN 61643-21, per impiego
universale secondo EN 50173
per tutti i servizi di dati fino a 57 V DC
per la protezione di 4 coppie di fili
di passaggi di rete di dati
attraverso connettori RJ 45, per applicazioni
in distributori o posizione singola,
costruzione stretta, larghezza costruttiva 19 mm.


Fabbricato: DEHN
Tipo: DPA M CLE RJ45B 48
Art.: 929121
o similare.

Certificati

 

Caratteristiche tecniche

Classe SPD T
Tensione massima continuativa DC (Uc ) 48 V
Tensione massima continuativa DC coppia-coppia (PoE) (Uc ) 57 V
Corrente nominale (IL ) 1 A
D1 Corrente impulsiva di fulmine (10/350 µs) per filo (Iimp ) 0,5 kA
C2 Corrente impulsiva nominale di scarica (8/20 µs) totale (In ) 10 kA
Frequenza limite (fG ) 250 MHz
Collegamento ingresso / uscita presa RJ45 / presa RJ45
Omologazioni CSA, UL 497B

Prodotto 929121 è stato aggiunto al blocco note.

Prodotto 929121 è stato aggiunto al carrello.

Apri Web-Shop

DEHNpatch classe D (nuovo)

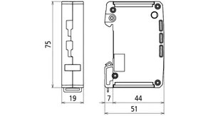
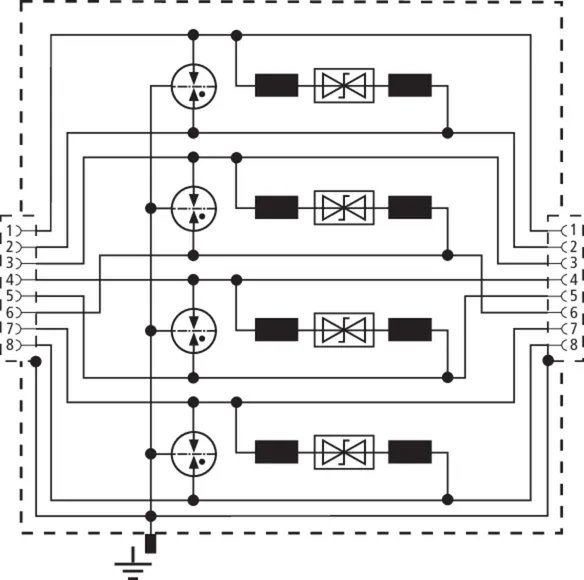
Scaricatore per corrente di fulmine universale a risparmio di spazio con larghezza d’installazione di 19 mm e tecnologia di connessione RJ45 per il collegamento equipotenziale antifulmine. Protezione di applicazioni in cablaggi strutturati secondo la classe D fino a 100 Mhz, ad es. pathcord per Ethernet, distributori di dati, sistemi di telecamere digitali a circuito chiuso, Power over Ethernet (IEEE 802.3 conforme fino a 4PPoE) e in generale interfacce basate su Ethernet. Protezione di tutti i doppini tramite potenti spinterometri a gas. Adattatore in versione completamente schermata con prese di collegamento RJ45 per il montaggio su montaggio su guida DIN. Con collegamento a vite aggiuntivo lato alloggiamento per un collegamento di terra opzionale.

1 Prodotto

Art. 929166 DPA C8 D 4PPOE

GTIN (EAN) 4013364472914, Codice doganale (EU): 85363010, Peso lordo: 178.25 g, UM: 1.00 pz.


Immagini

Maggior informazioni

Protezione da sovratensioni DEHNpatch C8 D 4PPOE
scaricatore per corrente di fulmine compatto della
classe di trasmissione D secondo la norma ISO/IEC 11801
per la protezione di interfacce dati dalle
correnti di fulmine in applicazioni Ethernet
fino a 1 Gbit ePower over Ethernet (fino a 4PPoE)
protezione di 4 doppini tramite prese di collegamento RJ45
versione completamente schermata
collaudato secondo la noma EN/IEC 61643-21
classe SPD tipo 1
categoria d’impulso: D1, C2, C3
risparmio di spazio, larghezza d’installazione 19 mm
Messa a terra tramite guida profilata DIN da 35 mm o
tramite connessione a vite lato alloggiamento
Tensione massima continuativa: 3,3 V DC
Corrente nominale a 70 °C: 1,5 A
Frequenza limite: 100 MHz
C2 corrente impulsiva nominale di scarica per ciascun filo (8/20): 2,5 kA
C2 corrente impulsiva nominale di scarica complessiva (8/20): 10 kA
D1 corrente impulsiva di fulmine (10/350 µs) per ciascun filo: 0,5 kA
D1 corrente impulsiva di fulmine (10/350 µs) complessiva: 4 kA
Collegamento del conduttore: prese di collegamento RJ45

Fabbricato: DEHN
Tipo: DPA C8 D 4PPOE
Art.: 929166
o similare.

Certificati

 

Caratteristiche tecniche

Classe SPD A
Tensione massima continuativa DC (Uc ) 3,3 V
Tensione massima continuativa DC coppia-coppia (PoE) (Uc ) 58 V
Corrente nominale (IL ) 1,5 A
D1 Corrente impulsiva di fulmine (10/350 µs) per filo (Iimp ) 0,5 kA
C2 Corrente impulsiva nominale di scarica (8/20 µs) totale (In ) 10 kA
Frequenza limite (fG ) 100 MHz
Collegamento ingresso / uscita presa RJ45 / presa RJ45
Omologazioni UL 497B

Prodotto 929166 è stato aggiunto al blocco note.

Prodotto 929166 è stato aggiunto al carrello.

Apri Web-Shop

DEHNpatch Class D

Limitatore di sovratensione universale per Ethernet, Power over Ethernet (conforme a IEEE 802.3 fino a PoE++ / 4PPoE) e applicazioni simili in sistemi di cablaggio universale della Classe D fino a 100 MHz. Protezione di tutte le coppie di fili mediante potenti scaricatori a gas. Adattatore con prese di collegamento e per il montaggio su guida profilata.

1 Prodotto

Art. 929126 DPA M CLD RJ45B 48

GTIN (EAN) 4013364242258, Codice doganale (EU): 85363010, Peso lordo: 102.00 g, UM: 1.00 pz.


Immagini

Maggior informazioni

Limitatore di sovratensione DEHNpatch DEHNpatch DPA M CLD RJ45B 48 Class D
Limitatore di sovratensione Class D Tipo 2 / P1
DEHNpatch M, provato secondo
CEI EN 61643-21, per impiego
universale secondo EN 50173
per tutti i servizi di dati fino a 57 V DC
per la protezione di 4 coppie di fili
di passaggi di rete di dati
attraverso connettori RJ 45, per applicazioni
in distributori o posizione singola,
costruzione stretta, larghezza costruttiva 19 mm.

Fabbricato: DEHN
Tipo: DPA M CLD RJ45B 48
Art.: 929126
o similare.

Certificati

 

Caratteristiche tecniche

Classe SPD U
Tensione massima continuativa DC (Uc ) 48 V
Tensione massima continuativa DC coppia-coppia (PoE) (Uc ) 57 V
Corrente nominale (IL ) 1 A
D1 Corrente impulsiva di fulmine (10/350 µs) per filo (Iimp ) 0,5 kA
C2 Corrente impulsiva nominale di scarica (8/20 µs) totale (In ) 10 kA
Frequenza limite (fG ) 100 MHz
Collegamento ingresso / uscita presa RJ45 / presa RJ45
Omologazioni UL 497B

Prodotto 929126 è stato aggiunto al blocco note.

Prodotto 929126 è stato aggiunto al carrello.

Apri Web-Shop

back to top