BLITZDUCTOR XT moduli di protezione

Scaricatore combinato per corrente di fulmine/ limitatore di sovratensione
  • Elevata capacità di scarica per interfacce a 2, 3 o 4 fili
  • Portata di corrente di fulmine fino a 10 kA (10/350 μs)
  • Basso livello di protezione, adatto anche per la protezione di utenze finali
Con verifica LifeCheck integrata
  • Permette la verifica dello scaricatore durante l'esercizio
  • Riconosce anche scaricatori parzialmente danneggiati
  • Elevata continuità di servizio con sostituzione anticipata dello scaricatore
Scaricatore componibile in modulo di protezione ed elemento base
  • Provato contro vibrazioni e shock meccanico per un sicuro funzionamento
  • Componenti di protezione integrati nel modulo di protezione
  • Disponibili due elementi base universali a scelta con / senza sezionamento del segnale
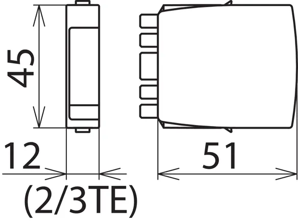
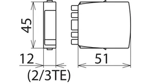
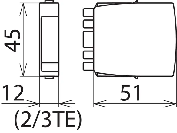
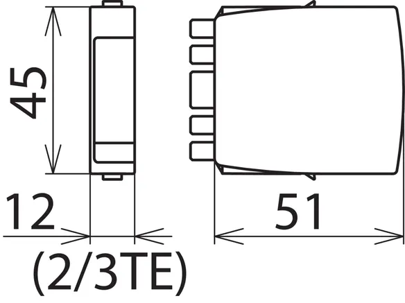
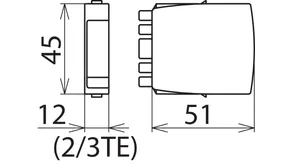
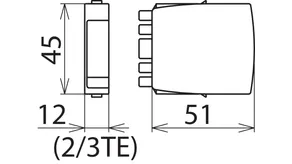
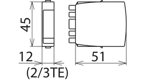
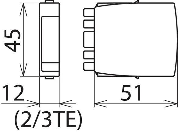
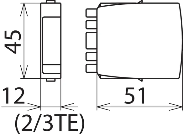
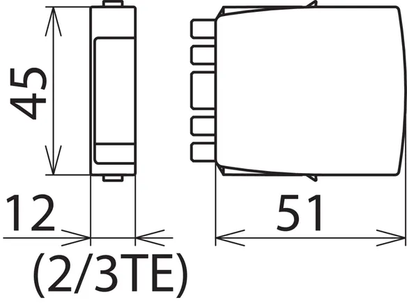
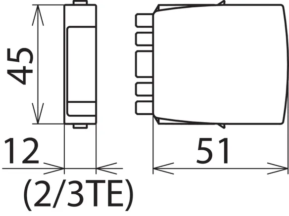
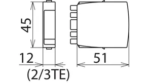
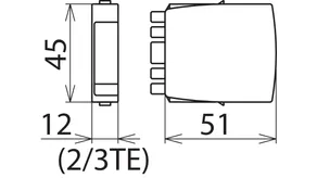
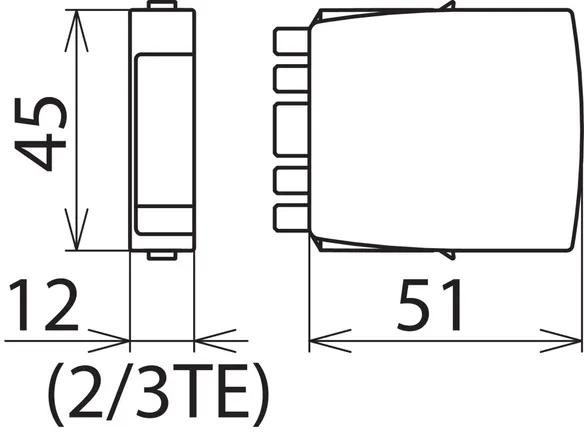
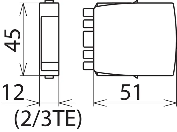
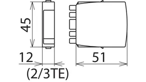
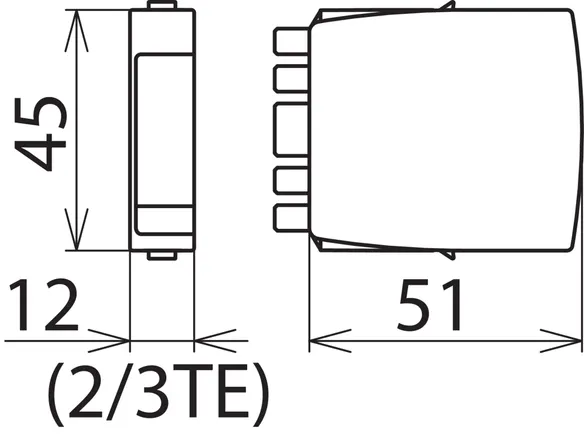
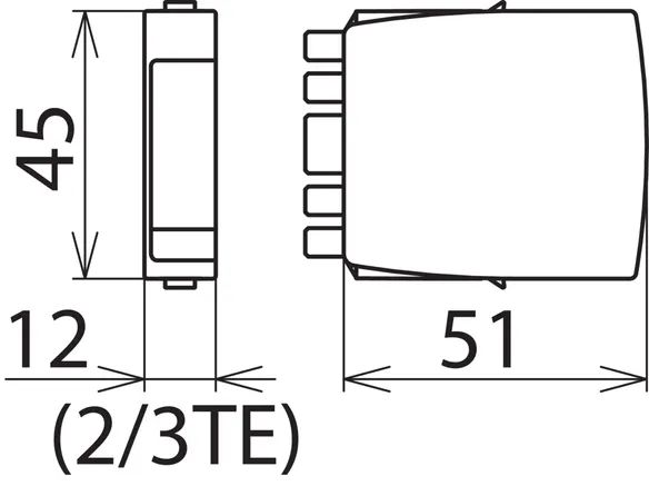
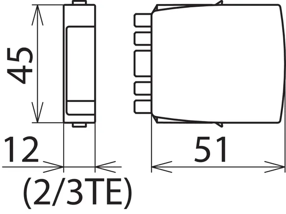
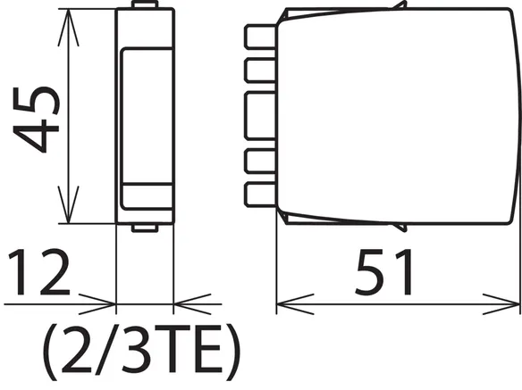
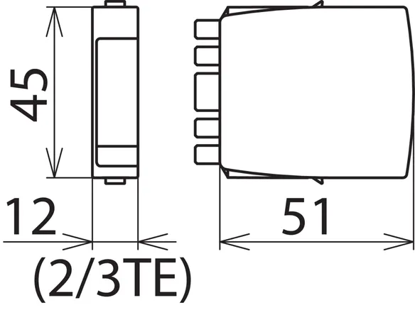
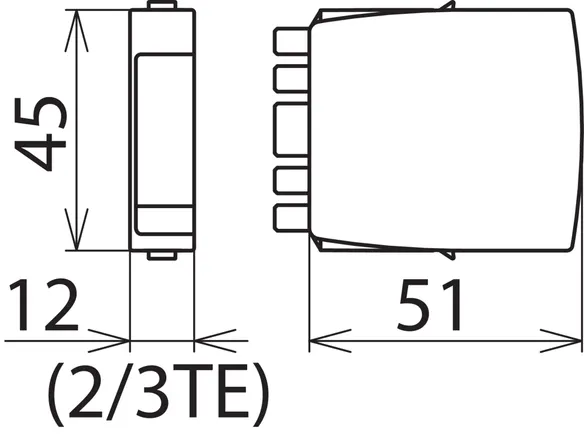
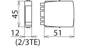
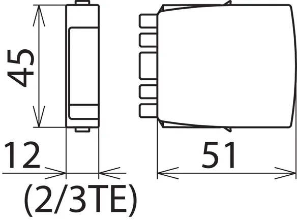
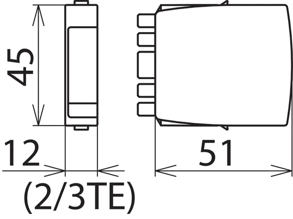
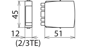
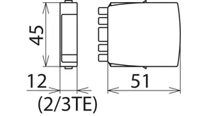
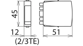
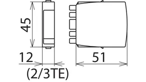
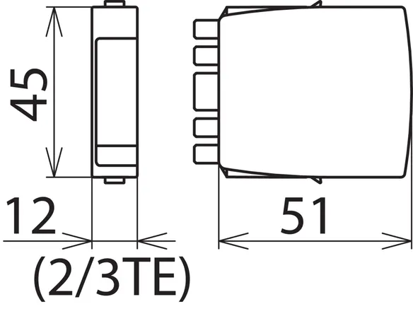
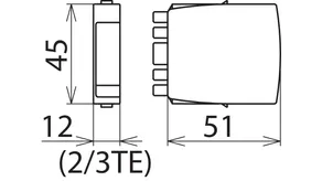
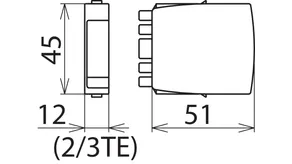
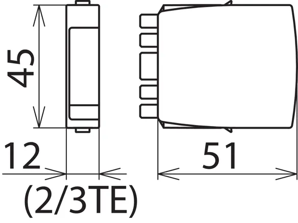
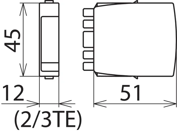
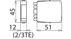
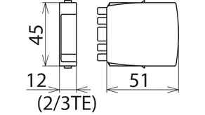
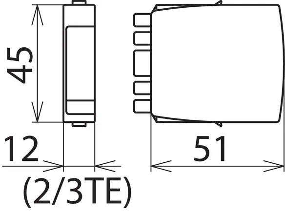
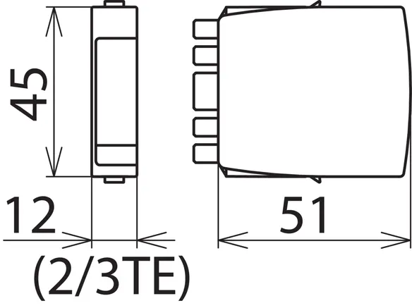
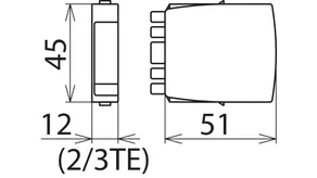
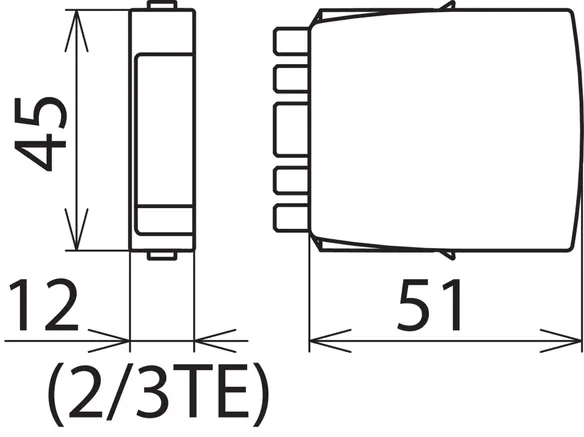
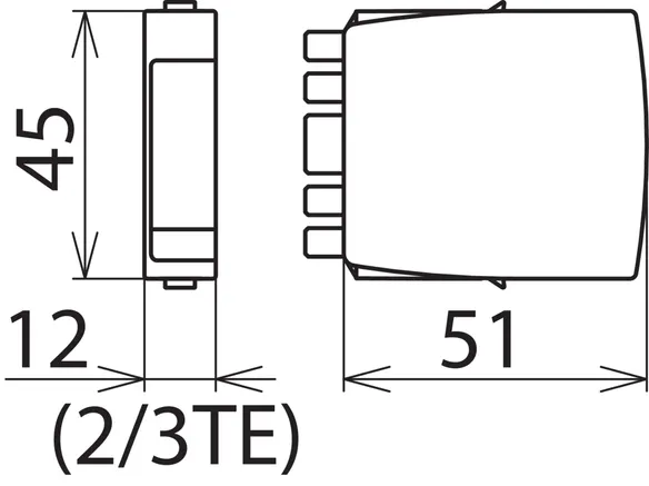
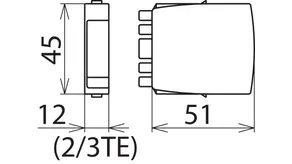
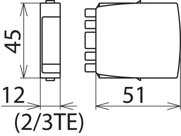
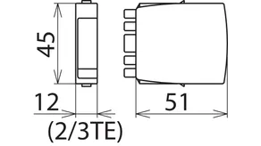
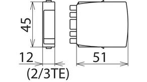
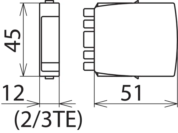
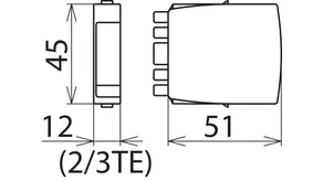
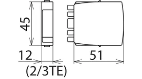
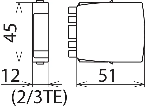
  • Esecuzione molto stretta, 4 fili singoli, 2 coppie di fili su 12 mm di larghezza d'ingombro

Dettagli

Blocco del modulo sicuro contro vibrazioni e inversioni di polarità.
lorem ipsum
Costruzione a due componenti con elemento base universale e modulo di protezione specifico per l'applicazione.
lorem ipsum
Morsetto a molla EMC come accessorio per contatto schermato duraturo, a bassa impedanza.
lorem ipsum
Tutti gli elementi di protezione integrati nel modulo a innesto e controllati tramite LifeCheck.
lorem ipsum

BXT ML4 B 180

Modulo di protezione per corrente di fulmine a 4 fili con RFID-LifeCheck in costruzione stretta, per quasi tutte le applicazioni in combinazione con limitatori di sovratensione Q a valle oppure scaricatori combinati con livello di tensione uguale o inferiore. LifeCheck riconosce sovraccarichi termici ed elettrici che richiedono la sostituzione dello scaricatore. La segnalazione avviene senza contatto tramite DEHNrecord LC / SCM / MCM.

1 Prodotto

Art. 920310 BXT ML4 B 180

GTIN (EAN) 4013364109124, Codice doganale (EU): 85363010, Peso lordo: 31.60 g, UM: 1.00 pz.

Predecessore

Immagini

Maggior informazioni

Modulo di protezione per corrente di fulmine BLITZDUCTOR BXT ML4 B 180
Modulo di protezione per corrente di fulmine Tipo 1 / P1 BLITZDUCTOR XT,
provato in accordo a CEI EN 61643-21
coordinamento energetico in accordo a
IEC 61643-22 per la protezione di 4 fili singoli
Con LifeCheck integrato
verifica dello scaricatore senza contatto
Innestabile in elemento base BXT BAS / BSP BAS 4.
Tensione massima continuativa DC: 180 V
Corrente nominale con 45 °C: 1,2 A
D1 Corrente impulsiva di fulmine (10/350 µs) complessiva: 10 kA
D1 Corrente impulsiva di fulmine (10/350 µs) per filo: 2,5 kA

Fabbricato: DEHN
Tipo: BXT ML4 B 180
Art.: 920310
o similare.

Certificati

 

Caratteristiche tecniche

Classe SPD H
Tensione massima continuativa DC (UC ) 180 V
Corrente nominale con 45 °C (IL ) 1,2 A
D1 Corrente impulsiva di fulmine (10/350 µs) complessiva (Iimp ) 10 kA
C2 Corrente impulsiva nominale di scarica (8/20 µs) complessiva (In ) 20 kA
Impedenza longitudinale per filo 0,4 Ohm
Omologazioni CSA, ATEX, IECEx, CSA & USA Hazloc, SIL
*) dettagli vedi: www.dehn.it

Prodotto 920310 è stato aggiunto al blocco note.

Prodotto 920310 è stato aggiunto al carrello.

Apri Web-Shop

BXT ML4 BE 5 – BE 180

Modulo di protezione combinata con RFID-LifeCheck, costruzione stretta, per la protezione di 4 fili singoli con potenziale di riferimento comune e per interfacce non simmetriche. LifeCheck riconosce sovraccarichi termici ed elettrici che richiedono la sostituzione dello scaricatore. La segnalazione avviene senza contatto tramite DEHNrecord LC / SCM / MCM.

7 Prodotti

Art. 920320 BXT ML4 BE 5

GTIN (EAN) 4013364109032, Codice doganale (EU): 85363010, Peso lordo: 31.00 g, UM: 1.00 pz.

Predecessore

Immagini

Maggior informazioni

Modulo di protezione combinata con LifeCheck BLITZDUCTOR XT BE 5
Modulo di protezione combinata Tipo 1 / P1 BLITZDUCTOR XT,
provato in accordo a CEI EN 61643-21 e
coordinamento energetico in accordo a
IEC 61643-22 per la protezione di 4 fili singoli.
Con LifeCheck integrato per la prova senza contatto dello scaricatore
Innestabile nell'elemento base BXT BAS / BSP BAS 4.
Tensione massima continuativa DC: 6 V
Corrente nominale con 45 °C: 1,0 A
D1 Corrente impulsiva di fulmine (10/350 µs) complessiva: 10 kA
D1 Corrente impulsiva di fulmine (10/350 µs) per filo: 2,5 kA

Fabbricato: DEHN
Tipo: BXT ML4 BE 5
Art.: 920320
o similare.

Certificati

 

Caratteristiche tecniche

Classe SPD M
Tensione massima continuativa DC (UC ) 6 V
Corrente nominale con 45 °C (IL ) 1,0 A
D1 Corrente impulsiva di fulmine (10/350 µs) complessiva (Iimp ) 10 kA
C2 Corrente impulsiva nominale di scarica (8/20 µs) complessiva (In ) 20 kA
Impedenza longitudinale per filo 1,0 Ohm
Frequenza limite filo-PG (fG ) 1,0 MHz
Omologazioni CSA, UL 497B, ATEX, IECEx, CSA & USA Hazloc, SIL
*) dettagli vedi: www.dehn.it

Prodotto 920320 è stato aggiunto al blocco note.

Prodotto 920320 è stato aggiunto al carrello.

Apri Web-Shop

Art. 920322 BXT ML4 BE 12

GTIN (EAN) 4013364109049, Codice doganale (EU): 85363010, Peso lordo: 30.70 g, UM: 1.00 pz.

Predecessore

Immagini

Maggior informazioni

Modulo di protezione combinato con LifeCheck BLITZDUCTOR XT BE 12
Modulo di protezione combinato Tipo 1 / P1 BLITZDUCTOR XT,
provato in accordo a CEI EN 61643-21
Coordinamento energetico in accordo a
IEC 61643-22per la protezione di 4 fili singoli.
Con LifeCheck integrato per la verifica dello scaricatore senza contatto.
Innestabile in elemento base BXT BAS / BSP BAS 4.

Tensione massima continuativa DC: 15 V
Corrente nominale con 45 °C: 0,75 A
D1 Corrente impulsiva di fulmine (10/350 µs) complessiva: 10 kA
D1 Corrente impulsiva di fulmine (10/350 µs) per filo: 2,5 kA

Fabbricato: DEHN
Tipo: BXT ML4 BE 12
Art.: 920322
o similare.

Certificati

 

Caratteristiche tecniche

Classe SPD M
Tensione massima continuativa DC (UC ) 15 V
Corrente nominale con 45 °C (IL ) 0,75 A
D1 Corrente impulsiva di fulmine (10/350 µs) complessiva (Iimp ) 10 kA
C2 Corrente impulsiva nominale di scarica (8/20 µs) complessiva (In ) 20 kA
Impedenza longitudinale per filo 1,8 Ohm
Frequenza limite filo-PG (fG ) 2,7 MHz
Omologazioni CSA, UL 497B, ATEX, IECEx, CSA & USA Hazloc, SIL
*) dettagli vedi: www.dehn.it

Prodotto 920322 è stato aggiunto al blocco note.

Prodotto 920322 è stato aggiunto al carrello.

Apri Web-Shop

Art. 920324 BXT ML4 BE 24

GTIN (EAN) 4013364109056, Codice doganale (EU): 85363010, Peso lordo: 45.00 g, UM: 1.00 pz.

Predecessore

Immagini

Maggior informazioni

Modulo di protezione combinato con LifeCheck BLITZDUCTOR XT BE 24
Modulo di protezione combinato Tipo 1 / P1 BLITZDUCTOR XT,
provato in accordo a CEI EN 61643-21
Coordinamento energetico in accordo a
IEC 61643-22 per la protezione di 4 fili singoli.
Con LifeCheck integrato per la verifica dello scaricatore senza contatto.
Innestabile in elemento base BXT BAS / BSP BAS 4.
Tensione massima continuativa DC: 33 V
Corrente nominale con 45 °C: 0,75 A
D1 Corrente impulsiva di fulmine (10/350 µs) complessiva: 10 kA
D1 Corrente impulsiva di fulmine (10/350 µs) per filo: 2,5 kA

Fabbricato: DEHN
Tipo: BXT ML4 BE 24
Art.: 920324
o similare.

Certificati

 

Caratteristiche tecniche

Classe SPD M
Tensione massima continuativa DC (UC ) 33 V
Corrente nominale con 45 °C (IL ) 0,75 A
D1 Corrente impulsiva di fulmine (10/350 µs) complessiva (Iimp ) 10 kA
C2 Corrente impulsiva nominale di scarica (8/20 µs) complessiva (In ) 20 kA
Impedenza longitudinale per filo 1,8 Ohm
Frequenza limite filo-PG (fG ) 6,8 MHz
Omologazioni CSA, UL 497B, ATEX, IECEx, CCC, CSA & USA Hazloc, SIL
*) dettagli vedi: www.dehn.it

Prodotto 920324 è stato aggiunto al blocco note.

Prodotto 920324 è stato aggiunto al carrello.

Apri Web-Shop

Art. 920336 BXT ML4 BE 36

GTIN (EAN) 4013364118539, Codice doganale (EU): 85363010, Peso lordo: 47.50 g, UM: 1.00 pz.


Immagini

Maggior informazioni

Modulo di protezione combinato con LifeCheck BLITZDUCTOR XT BE 36
Modulo di protezione combinato Tipo 1 / P1 BLITZDUCTOR XT,
provato in accordo a CEI EN 61643-21
Coordinamento energetico in accordo a
IEC 61643-22 per la protezione di 4 fili singoli.
Con LifeCheck integrato per la verifica dello scaricatore senza contatto.
Innestabile in elemento base BXT BAS / BSP BAS 4.
Tensione massima continuativa DC: 45 V
Corrente nominale con 45 °C: 1,8 A
D1 Corrente impulsiva di fulmine (10/350 µs) complessiva: 10 kA
D1 Corrente impulsiva di fulmine (10/350 µs) per filo: 2,5 kA

Fabbricato: DEHN
Tipo: BXT ML4 BE 36
Art.: 920336
o similare.

Certificati

 

Caratteristiche tecniche

Classe SPD M
Tensione massima continuativa DC (UC ) 45 V
Corrente nominale con 45 °C (IL ) 1,8 A
D1 Corrente impulsiva di fulmine (10/350 µs) complessiva (Iimp ) 10 kA
C2 Corrente impulsiva nominale di scarica (8/20 µs) complessiva (In ) 20 kA
Impedenza longitudinale per filo 0,43 Ohm
Frequenza limite filo-PG (fG ) 3,8 MHz
Omologazioni UL 497B, ATEX, IECEx, CSA & USA Hazloc, SIL
*) dettagli vedi: www.dehn.it

Prodotto 920336 è stato aggiunto al blocco note.

Prodotto 920336 è stato aggiunto al carrello.

Apri Web-Shop

Art. 920325 BXT ML4 BE 48

GTIN (EAN) 4013364109063, Codice doganale (EU): 85363010, Peso lordo: 31.20 g, UM: 1.00 pz.

Predecessore

Immagini

Maggior informazioni

Modulo di protezione combinato con LifeCheck BLITZDUCTOR XT BE 48
Modulo di protezione combinato Tipo 1 / P1 BLITZDUCTOR XT,
provato in accordo a CEI EN 61643-21
Coordinamento energetico in accordo a
IEC 61643-22 per la protezione di 4 fili singoli.
Con LifeCheck integrato per la verifica dello scaricatore senza contatto.
Innestabile in elemento base BXT BAS / BSP BAS 4.
Tensione massima continuativa DC: 54 V
Corrente nominale con 45 °C: 0,75 A
D1 Corrente impulsiva di fulmine (10/350 µs) complessiva: 10 kA
D1 Corrente impulsiva di fulmine (10/350 µs) per filo: 2,5 kA

Fabbricato: DEHN
Tipo: BXT ML4 BE 48
Art.: 920325
o similare.

Certificati

 

Caratteristiche tecniche

Classe SPD M
Tensione massima continuativa DC (UC ) 54 V
Corrente nominale con 45 °C (IL ) 0,75 A
D1 Corrente impulsiva di fulmine (10/350 µs) complessiva (Iimp ) 10 kA
C2 Corrente impulsiva nominale di scarica (8/20 µs) complessiva (In ) 20 kA
Impedenza longitudinale per filo 1,8 Ohm
Frequenza limite filo-PG (fG ) 8,7 MHz
Omologazioni CSA, UL 497B, ATEX, IECEx, CSA & USA Hazloc, SIL
*) dettagli vedi: www.dehn.it

Prodotto 920325 è stato aggiunto al blocco note.

Prodotto 920325 è stato aggiunto al carrello.

Apri Web-Shop

Art. 920326 BXT ML4 BE 60

GTIN (EAN) 4013364109070, Codice doganale (EU): 85363010, Peso lordo: 31.00 g, UM: 1.00 pz.

Predecessore

Immagini

Maggior informazioni

Modulo di protezione combinato con LifeCheck BLITZDUCTOR XT BE 60
Modulo di protezione combinato Tipo 2 / P1 BLITZDUCTOR SP,
provato in accordo a CEI EN 61643-21
Coordinamento energetico in accordo a
IEC 61643-22 per la protezione di 4 fili singoli.
Con LifeCheck integrato per la verifica dello scaricatore senza contatto.
Innestabile in elemento base BXT BAS / BSP BAS 4.
Tensione massima continuativa DC: 70 V
Corrente nominale con 45 °C: 1,0 A
D1 Corrente impulsiva di fulmine (10/350 µs) complessiva: 10 kA
D1 Corrente impulsiva di fulmine (10/350 µs) per filo: 2,5 kA

Fabbricato: DEHN
Tipo: BXT ML4 BE 60
Art.: 920326
o similare.

Certificati

 

Caratteristiche tecniche

Classe SPD M
Tensione massima continuativa DC (UC ) 70 V
Corrente nominale con 45 °C (IL ) 1,0 A
D1 Corrente impulsiva di fulmine (10/350 µs) complessiva (Iimp ) 10 kA
C2 Corrente impulsiva nominale di scarica (8/20 µs) complessiva (In ) 20 kA
Impedenza longitudinale per filo 1,0 Ohm
Frequenza limite filo-PG (fG ) 9,0 MHz
Omologazioni CSA, UL 497B, ATEX, IECEx, CSA & USA Hazloc, SIL
*) dettagli vedi: www.dehn.it

Prodotto 920326 è stato aggiunto al blocco note.

Prodotto 920326 è stato aggiunto al carrello.

Apri Web-Shop

Art. 920327 BXT ML4 BE 180

GTIN (EAN) 4013364109087, Codice doganale (EU): 85363010, Peso lordo: 31.30 g, UM: 1.00 pz.

Predecessore

Immagini

Maggior informazioni

Modulo di protezione combinato con LifeCheck BLITZDUCTOR XT BE 180
Modulo di protezione combinato Tipo 1 / P2 BLITZDUCTOR XT,
provato in accordo a CEI EN 61643-21
Coordinamento energetico in accordo a
IEC 61643-22 per la protezione di 4 fili singoli.
Con LifeCheck integrato per la verifica dello scaricatore senza contatto.
Innestabile in elemento base BXT BAS / BSP BAS 4.
Tensione massima continuativa DC: 180 V
Corrente nominale con 45 °C: 1,0 A
D1 Corrente impulsiva di fulmine (10/350 µs) complessiva: 10 kA
D1 Corrente impulsiva di fulmine (10/350 µs) per filo: 2,5 kA

Fabbricato: DEHN
Tipo: BXT ML4 BE 180
Art.: 920327
o similare.

Certificati

 

Caratteristiche tecniche

Classe SPD L
Tensione massima continuativa DC (UC ) 180 V
Corrente nominale con 45 °C (IL ) 1,0 A
D1 Corrente impulsiva di fulmine (10/350 µs) complessiva (Iimp ) 10 kA
C2 Corrente impulsiva nominale di scarica (8/20 µs) complessiva (In ) 20 kA
Impedenza longitudinale per filo 1,0 Ohm
Frequenza limite filo-PG (fG ) 25,0 MHz
Omologazioni CSA, UL 497B, ATEX, IECEx, CSA & USA Hazloc, SIL
*) dettagli vedi: www.dehn.it

Prodotto 920327 è stato aggiunto al blocco note.

Prodotto 920327 è stato aggiunto al carrello.

Apri Web-Shop

BXT ML4 BD 5 – BD 180

Modulo di protezione combinata con RFID-LifeCheck, costruzione stretta, per la protezione di 2 coppie di fili di interfacce simmetriche con separazione galvanica. LifeCheck riconosce sovraccarichi termici ed elettrici che richiedono la sostituzione dello scaricatore. La segnalazione avviene senza contatto tramite DEHNrecord LC / SCM / MCM.

6 Prodotti

Art. 920340 BXT ML4 BD 5

GTIN (EAN) 4013364108967, Codice doganale (EU): 85363010, Peso lordo: 30.10 g, UM: 1.00 pz.

Predecessore

Immagini

Maggior informazioni

Modulo di protezione combinato con LifeCheck BLITZDUCTOR XT BD 5
Modulo di protezione combinato Tipo 1 / P1BLITZDUCTOR XT,
provato in accordo a CEI EN 61643-21
Coordinamento energetico in accordo a
IEC 61643-22 per la protezione di 2 coppie di fili.
Con LifeCheck integrato per la verifica dello scaricatore senza contatto.
Innestabile in elemento base BXT BAS / BSP BAS 4.
Tensione massima continuativa DC: 6,0 V
Corrente nominale con 45 °C: 1,0 A
D1 Corrente impulsiva di fulmine (10/350 µs) complessiva: 10 kA
D1 Corrente impulsiva di fulmine (10/350 µs) per filo: 2,5 kA

Fabbricato: DEHN
Tipo: BXT ML4 BD 5
Art.: 920340
o similare.

Certificati

 

Caratteristiche tecniche

Classe SPD M
Tensione massima continuativa DC (UC ) 6,0 V
Corrente nominale con 45 °C (IL ) 1,0 A
D1 Corrente impulsiva di fulmine (10/350 µs) complessiva (Iimp ) 10 kA
C2 Corrente impulsiva nominale di scarica (8/20 µs) complessiva (In ) 20 kA
Impedenza longitudinale per filo 1,0 Ohm
Frequenza limite filo-filo (fG ) 1,0 MHz
Omologazioni CSA, UL 497B, ATEX, IECEx, CSA & USA Hazloc, SIL
*) dettagli vedi: www.dehn.it

Prodotto 920340 è stato aggiunto al blocco note.

Prodotto 920340 è stato aggiunto al carrello.

Apri Web-Shop

Art. 920342 BXT ML4 BD 12

GTIN (EAN) 4013364108974, Codice doganale (EU): 85363010, Peso lordo: 30.30 g, UM: 1.00 pz.

Predecessore

Immagini

Maggior informazioni

Modulo di protezione combinato con LifeCheck BLITZDUCTOR XT BD 12
Modulo di protezione combinato Tipo 1 / P1 BLITZDUCTOR XT,
provato in accordo a CEI EN 61643-21
Coordinamento energetico in accordo a
IEC 61643-22 per la protezione di 2 coppie di fili.
Con LifeCheck integrato per la verifica dello scaricatore senza contatto.
Innestabile in elemento base BXT BAS / BSP BAS 4.
Tensione massima continuativa DC: 15 V
Corrente nominale con 45 °C: 1,0 A
D1 Corrente impulsiva di fulmine (10/350 µs) complessiva: 10 kA
D1 Corrente impulsiva di fulmine (10/350 µs) per filo: 2,5 kA

Fabbricato: DEHN
Tipo: BXT ML4 BD 12
Art.: 920342
o similare.

Certificati

 

Caratteristiche tecniche

Classe SPD M
Tensione massima continuativa DC (UC ) 15 V
Corrente nominale con 45 °C (IL ) 1,0 A
D1 Corrente impulsiva di fulmine (10/350 µs) complessiva (Iimp ) 10 kA
C2 Corrente impulsiva nominale di scarica (8/20 µs) complessiva (In ) 20 kA
Impedenza longitudinale per filo 1,0 Ohm
Frequenza limite filo-filo (fG ) 2,8 MHz
Omologazioni CSA, UL 497B, ATEX, IECEx, CSA & USA Hazloc, SIL
*) dettagli vedi: www.dehn.it

Prodotto 920342 è stato aggiunto al blocco note.

Prodotto 920342 è stato aggiunto al carrello.

Apri Web-Shop

Art. 920344 BXT ML4 BD 24

GTIN (EAN) 4013364108981, Codice doganale (EU): 85363010, Peso lordo: 45.30 g, UM: 1.00 pz.

Predecessore

Immagini

Maggior informazioni

Modulo di protezione combinato con LifeCkeck BLITZDUCTOR XT BD 24
Modulo di protezione combinato Tipo 1 / P1 BLITZDUCTOR XT,
provato in accordo a CEI EN 61643-21
Coordinamento energetico in accordo a
IEC 61643-22 per la protezione di 2 coppie di fili.
Con LifeCheck integrato per la verifica dello scaricatore senza contatto.
Innestabile in elemento base BXT BAS / BSP BAS 4.
Tensione massima continuativa DC: 33 V
Corrente nominale con 45 °C: 1,0 A
D1 Corrente impulsiva di fulmine (10/350 µs) complessiva: 10 kA
D1 Corrente impulsiva di fulmine (10/350 µs) per filo: 2,5 kA

Fabbricato: DEHN
Tipo: BXT ML4 BD 24
Art.: 920344
o similare.

Certificati

 

Caratteristiche tecniche

Classe SPD M
Tensione massima continuativa DC (UC ) 33 V
Corrente nominale con 45 °C (IL ) 1,0 A
D1 Corrente impulsiva di fulmine (10/350 µs) complessiva (Iimp ) 10 kA
C2 Corrente impulsiva nominale di scarica (8/20 µs) complessiva (In ) 20 kA
Impedenza longitudinale per filo 1,0 Ohm
Frequenza limite filo-filo (fG ) 7,8 MHz
Omologazioni CSA, UL 497B, ATEX, IECEx, CCC, CSA & USA Hazloc, SIL
*) dettagli vedi: www.dehn.it

Prodotto 920344 è stato aggiunto al blocco note.

Prodotto 920344 è stato aggiunto al carrello.

Apri Web-Shop

Art. 920345 BXT ML4 BD 48

GTIN (EAN) 4013364108998, Codice doganale (EU): 85363010, Peso lordo: 30.50 g, UM: 1.00 pz.

Predecessore

Immagini

Maggior informazioni

Modulo di protezione combinato con Life Check BLITZDUCTOR XT BD 48
Modulo di protezione combinato Tipo 1 / P1 BLITZDUCTOR XT,
provato in accordo a CEI EN 61643-21
Coordinamento energetico in accordo a
IEC 61643-22 per la protezione di 2 coppie di fili.
Con LifeCheck integrato per la verifica dello scaricatore senza contatto.
Innestabile in elemento base BXT BAS / BSP BAS 4.
Tensione massima continuativa DC: 54 V
Corrente nominale con 45 °C: 1,0 A
D1 Corrente impulsiva di fulmine (10/350 µs) complessiva: 10 kA
D1 Corrente impulsiva di fulmine (10/350 µs) per filo: 2,5 kA

Fabbricato: DEHN
Tipo: BXT ML4 BD 48
Art.: 920345
o similare.

Certificati

 

Caratteristiche tecniche

Classe SPD M
Tensione massima continuativa DC (UC ) 54 V
Corrente nominale con 45 °C (IL ) 1,0 A
D1 Corrente impulsiva di fulmine (10/350 µs) complessiva (Iimp ) 10 kA
C2 Corrente impulsiva nominale di scarica (8/20 µs) complessiva (In ) 20 kA
Impedenza longitudinale per filo 1,0 Ohm
Frequenza limite filo-filo (fG ) 8,7 MHz
Omologazioni CSA, UL 497B, ATEX, IECEx, CSA & USA Hazloc, SIL
*) dettagli vedi: www.dehn.it

Prodotto 920345 è stato aggiunto al blocco note.

Prodotto 920345 è stato aggiunto al carrello.

Apri Web-Shop

Art. 920346 BXT ML4 BD 60

GTIN (EAN) 4013364109001, Codice doganale (EU): 85363010, Peso lordo: 30.70 g, UM: 1.00 pz.

Predecessore

Immagini

Maggior informazioni

Modulo di protezione combinato con LifeCheck BLITZDUCTOR XT BD 60
Modulo di protezione combinato Tipo 1 / P1 BLITZDUCTOR XT,
provato in accordo a CEI EN 61643-21
Coordinamento energetico in accordo a
IEC 61643-22 per la protezione di 2 coppie di fili.
Con LifeCheck integrato per la verifica dello scaricatore senza contatto.
Innestabile in elemento base BXT BAS / BSP BAS 4.
Tensione massima continuativa DC: 70 V
Corrente nominale con 45 °C: 1,0 A
D1 Corrente impulsiva di fulmine (10/350 µs) complessiva: 10 kA
D1 Corrente impulsiva di fulmine (10/350 µs) per filo: 2,5 kA

Fabbricato: DEHN
Tipo: BXT ML4 BD 60
Art.: 920346
o similare.

Certificati

 

Caratteristiche tecniche

Classe SPD M
Tensione massima continuativa DC (UC ) 70 V
Corrente nominale con 45 °C (IL ) 1,0 A
D1 Corrente impulsiva di fulmine (10/350 µs) complessiva (Iimp ) 10 kA
C2 Corrente impulsiva nominale di scarica (8/20 µs) complessiva (In ) 20 kA
Impedenza longitudinale per filo 1,0 Ohm
Frequenza limite filo-filo (fG ) 11,0 MHz
Omologazioni CSA, UL 497B, ATEX, IECEx, CSA & USA Hazloc, SIL
*) dettagli vedi: www.dehn.it

Prodotto 920346 è stato aggiunto al blocco note.

Prodotto 920346 è stato aggiunto al carrello.

Apri Web-Shop

Art. 920347 BXT ML4 BD 180

GTIN (EAN) 4013364109018, Codice doganale (EU): 85363010, Peso lordo: 30.50 g, UM: 1.00 pz.

Predecessore

Immagini

Maggior informazioni

Modulo di protezione combinato con LifeCheck BLITZDUCTOR XT BD 180
Modulo di protezione combinato Tipo 1 / P1 BLITZDUCTOR XT,
provato in accordo a CEI EN 61643-21
Coordinamento energetico in accordo a
IEC 61643-22 per la protezione di 2 coppie di fili.
Con LifeCheck integrato per la verifica dello scaricatore senza contatto.
Innestabile in elemento base BXT BAS / BSP BAS 4.
Tensione massima continuativa DC: 180 V
Corrente nominale con 45 °C: 0,75 A
D1 Corrente impulsiva di fulmine (10/350 µs) complessiva: 10 kA
D1 Corrente impulsiva di fulmine (10/350 µs) per filo: 2,5 kA

Fabbricato: DEHN
Tipo: BXT ML4 BD 180
Art.: 920347
o similare.

Certificati

 

Caratteristiche tecniche

Classe SPD L
Tensione massima continuativa DC (UC ) 180 V
Corrente nominale con 45 °C (IL ) 0,75 A
D1 Corrente impulsiva di fulmine (10/350 µs) complessiva (Iimp ) 10 kA
C2 Corrente impulsiva nominale di scarica (8/20 µs) complessiva (In ) 20 kA
Impedenza longitudinale per filo 1,8 Ohm
Frequenza limite filo-filo (fG ) 25,0 MHz
Omologazioni CSA, UL 497B, ATEX, IECEx, CSA & USA Hazloc, SIL
*) dettagli vedi: www.dehn.it

Prodotto 920347 è stato aggiunto al blocco note.

Prodotto 920347 è stato aggiunto al carrello.

Apri Web-Shop

BXT ML4 BPD 24

Modulo di protezione combinata con RFID-LifeCheck, costruzione stretta, per la protezione di 2 coppie di fili nei sistemi da 24 V DC. Impiego adatto anche per polo negativo di terra. Le resistenze PTC integrate permettono un resettaggio sicuro del modulo di protezione in seguito all'interferenza nel circuito dell'impianto con corrente di cortocircuito fino a 40 A.

1 Prodotto

Art. 920314 BXT ML4 BPD 24

GTIN (EAN) 4013364261396, Codice doganale (EU): 85363010, Peso lordo: 39.66 g, UM: 1.00 pz.


Immagini

Maggior informazioni

Modulo di protezione combinata con LifeCheck BLITZDUCTOR XT BPD 24
Modulo di protezione combinata Tipo 1 /
P1 BLITZDUCTOR XT, provato in accordo a CEI EN 61643-21
coordinamento energetico in accordo a IEC 61643-22 per la protezione
di 2 coppie di fili nei sistemi da 24 V DC. Impiego adatto anche per polo negativo di terra.
Le resistenze PTC integrate permettono una protezione da sovracorrente fino a 40 A.
Indicazione con LifeCheck integrato per verifica dello scaricatore senza contatto.
Innestabile in elemento base BXT BAS / BSP BAS 4.
Tensione massima continuativa DC: 33 V
Corrente nominale con 70 °C: 0,1 A
D1 Corrente impulsiva di fulmine (10/350 µs) complessiva: 10 kA
D1 Corrente impulsiva di fulmine (10/350 µs) per filo: 2,5 kA

Fabbricato: DEHN
Tipo: BXT ML4 BPD 24
Art.: 920314
o similare.

Certificati

 

Caratteristiche tecniche

Classe SPD M
Tensione massima continuativa DC (UC ) 33 V
Corrente nominale con 70 °C (IL ) 0,1 A
D1 Corrente impulsiva di fulmine (10/350 µs) complessiva (Iimp ) 10 kA
C2 Corrente impulsiva nominale di scarica (8/20 µs) complessiva (In ) 20 kA
Impedenza longitudinale per filo tip. 10 Ohm
Frequenza limite filo-filo (fG ) 4 MHz
Omologazioni SIL

Prodotto 920314 è stato aggiunto al blocco note.

Prodotto 920314 è stato aggiunto al carrello.

Apri Web-Shop

BXT ML4 BC 5 / 24

Modulo di protezione combinata con RFID-LifeCheck, costruzione stretta, per la protezione fino a 4 fili singoli con separazione galvanica con potenziale di riferimento comune. LifeCheck riconosce sovraccarichi termici ed elettrici che richiedono la sostituzione dello scaricatore. La segnalazione avviene senza contatto tramite DEHNrecord LC / SCM / MCM.

2 Prodotti

Art. 920350 BXT ML4 BC 5

GTIN (EAN) 4013364109131, Codice doganale (EU): 85363010, Peso lordo: 30.60 g, UM: 1.00 pz.


Immagini

Maggior informazioni

Modulo di protezione combinato con LifeCheck BLITZDUCTOR XT BXT ML4 BC 5
Modulo di protezione combinato Tipo 1 / P1 BLITZDUCTOR XT,
provato in accordo a CEI EN 61643-21, coordinamento energetico in accordo a IEC 61643-22 per la protezione
di 4 fili singoli con separazione galvanica con potenziale di riferimento comune. Con LifeCheck integrato per
verifica dello scaricatore senza contatto
Innestabile in elemento base BXT BAS / BSP BAS 4.
Tensione massima continuativa DC: 6,0 V
Corrente nominale con 45 °C: 1,0 A
D1 Corrente impulsiva di fulmine (10/350 µs) complessiva: 10 kA
D1 Corrente impulsiva di fulmine (10/350 µs) per filo: 2,5 kA

Fabbricato: DEHN
Tipo: BXT ML4 BC 5
Art.: 920350
o similare.

Certificati

 

Caratteristiche tecniche

Classe SPD M
Tensione massima continuativa DC (UC ) 6,0 V
Corrente nominale con 45 °C (IL ) 1,0 A
D1 Corrente impulsiva di fulmine (10/350 µs) complessiva (Iimp ) 10 kA
C2 Corrente impulsiva nominale di scarica (8/20 µs) complessiva (In ) 20 kA
Impedenza longitudinale per filo 1,0 Ohm
Frequenza limite filo-filo (fG ) 1,0 MHz
Omologazioni CSA, ATEX, IECEx, CSA & USA Hazloc, SIL
*) dettagli vedi: www.dehn.it

Prodotto 920350 è stato aggiunto al blocco note.

Prodotto 920350 è stato aggiunto al carrello.

Apri Web-Shop

Art. 920354 BXT ML4 BC 24

GTIN (EAN) 4013364109148, Codice doganale (EU): 85363010, Peso lordo: 30.90 g, UM: 1.00 pz.


Immagini

Maggior informazioni

Modulo di protezione combinato con LifeCheck BLITZDUCTOR XT BXT ML4 BC 24
Modulo di protezione combinato Tipo 1 / P1 BLITZDUCTOR XT,
provato in accordo a CEI EN 61643-21, coordinamento energetico in accordo a IEC 61643-22 per la protezione
di 4 fili singoli con separazione galvanica con potenziale di riferimento comune. Con LifeCheck integrato per
verifica dello scaricatore senza contatto.
Innestabile in elemento base BXT BAS / BSP BAS 4.
Tensione massima continuativa DC: 33 V
Corrente nominale con 45 °C: 0,75 A
D1 Corrente impulsiva di fulmine (10/350 µs) complessiva: 10 kA
D1 Corrente impulsiva di fulmine (10/350 µs) per filo: 2,5 kA

Fabbricato: DEHN
Tipo: BXT ML4 BC 24
Art.: 920354
o similare.

Certificati

 

Caratteristiche tecniche

Classe SPD M
Tensione massima continuativa DC (UC ) 33 V
Corrente nominale con 45 °C (IL ) 0,75 A
D1 Corrente impulsiva di fulmine (10/350 µs) complessiva (Iimp ) 10 kA
C2 Corrente impulsiva nominale di scarica (8/20 µs) complessiva (In ) 20 kA
Impedenza longitudinale per filo 1,8 Ohm
Frequenza limite filo-filo (fG ) 5,7 MHz
Omologazioni CSA, ATEX, IECEx, CSA & USA Hazloc, SIL
*) dettagli vedi: www.dehn.it

Prodotto 920354 è stato aggiunto al blocco note.

Prodotto 920354 è stato aggiunto al carrello.

Apri Web-Shop

BXT ML4 BE C 12 / 24

Modulo di protezione combinata con RFID-LifeCheck, costruzione stretta, per la protezione di 2 coppie di fili a interfaccia simmetrica con circuito di protezione d’ingresso a diodi, loop di corrente (TTY) ed ingressi opto-accoppiatori. LifeCheck riconosce sovraccarichi termici ed elettrici che richiedono la sostituzione dello scaricatore. La segnalazione avviene senza contatto tramite DEHNrecord LC / SCM / MCM.

2 Prodotti

Art. 920362 BXT ML4 BE C 12

GTIN (EAN) 4013364120587, Codice doganale (EU): 85363010, Peso lordo: 31.20 g, UM: 1.00 pz.

Predecessore

Immagini

Maggior informazioni

Modulo di protezione combinato BLITZDUCTOR XT BXT ML4 BE C 12
Modulo di protezione combinato Tipo 1 / P1 BLITZDUCTOR XT, tetrapolare,
provato in accordo a CEI EN 61643-21, coordinamento energetico in accordo a IEC 61643-22
per la protezione di interfacce simmetriche con circuito di protezione d’ingresso a diodi,
loop di corrente e ingressi opto-accoppiatori.
Con LifeCheck integrato per verifica dello scaricatore senza contatto.
Innestabile in elemento base BXT BAS / BSP BAS 4
Tensione massima continuativa DC: 15 V
Corrente nominale con 80 °C: 0,1 A
D1 Corrente impulsiva di fulmine (10/350 µs) complessiva: 10 kA
D1 Corrente impulsiva di fulmine (10/350 µs) per filo: 2,5 kA

Fabbricato: DEHN
Tipo: BXT ML4 BE C 12
Art.: 920362
o similare.

Certificati

 

Caratteristiche tecniche

Classe SPD M
Tensione massima continuativa DC (UC ) 15 V
Corrente nominale con 80 °C (IL ) 0,1 A
D1 Corrente impulsiva di fulmine (10/350 µs) complessiva (Iimp ) 10 kA
C2 Corrente impulsiva nominale di scarica (8/20 µs) complessiva (In ) 20 kA
Impedenza longitudinale per filo 13,8 Ohm
Frequenza limite filo-PG (fG ) 0,85 MHz
Omologazioni ATEX, IECEx, CSA & USA Hazloc, SIL
*) dettagli vedi: www.dehn.it

Prodotto 920362 è stato aggiunto al blocco note.

Prodotto 920362 è stato aggiunto al carrello.

Apri Web-Shop

Art. 920364 BXT ML4 BE C 24

GTIN (EAN) 4013364109155, Codice doganale (EU): 85363010, Peso lordo: 31.70 g, UM: 1.00 pz.

Predecessore

Immagini

Maggior informazioni

Modulo di protezione combinato BLITZDUCTOR XT BXT ML4 BE C 24
Modulo di protezione combinato Tipo 1 / P1 BLITZDUCTOR XT, tetrapolare,
provato in accordo a CEI EN 61643-21, coordinamento energetico in accordo a IEC 61643-22
per la protezione di interfacce simmetriche con circuito di protezione d’ingresso a diodi,
loop di corrente e ingressi opto-accoppiatori.
Con LifeCheck integrato per verifica dello scaricatore senza contatto.
Innestabile in elemento base BXT BAS / BSP BAS 4
Tensione massima continuativa DC: 33 V
Corrente nominale con 80 °C: 0,1 A
D1 Corrente impulsiva di fulmine (10/350 µs) complessiva: 10 kA
D1 Corrente impulsiva di fulmine (10/350 µs) per filo: 2,5 kA

Fabbricato: DEHN
Tipo: BXT ML4 BE C 24
Art.: 920364
o similare.

Certificati

 

Caratteristiche tecniche

Classe SPD M
Tensione massima continuativa DC (UC ) 33 V
Corrente nominale con 80 °C (IL ) 0,1 A
D1 Corrente impulsiva di fulmine (10/350 µs) complessiva (Iimp ) 10 kA
C2 Corrente impulsiva nominale di scarica (8/20 µs) complessiva (In ) 20 kA
Impedenza longitudinale per filo 28,8 Ohm
Frequenza limite filo-PG (fG ) 1,7 MHz
Omologazioni CSA, ATEX, IECEx, CSA & USA Hazloc, SIL
*) dettagli vedi: www.dehn.it

Prodotto 920364 è stato aggiunto al blocco note.

Prodotto 920364 è stato aggiunto al carrello.

Apri Web-Shop

BXT ML4 BE HF 5

Modulo di protezione combinata con RFID-LifeCheck, costruzione stretta, per la protezione di 4 fili singoli con potenziale di riferimento comune e di trasmissioni ad alta frequenza senza separazione galvanica. LifeCheck riconosce sovraccarichi termici ed elettrici che richiedono la sostituzione dello scaricatore. La segnalazione avviene senza contatto tramite DEHNrecord LC / SCM / MCM.

1 Prodotto

Art. 920370 BXT ML4 BE HF 5

GTIN (EAN) 4013364109117, Codice doganale (EU): 85363010, Peso lordo: 31.00 g, UM: 1.00 pz.

Predecessore

Immagini

Maggior informazioni

Modulo di protezione combinato con LifeCheck BLITZDUCTOR XT BXT ML4 BE HF 5
Modulo di protezione combinato Tipo 1 / P1 BLITZDUCTOR XT,
provato in accordo a CEI EN 61643-21, coordinamento energetico in accordo a IEC 61643-22,
per la protezione di due coppie di fili. Adatto per un'elevata percentuale di dati.
Con LifeCheck integrato per verifica dello scaricatore senza contatto.
Innestabile in elemento base BXT BAS / BSP BAS 4
Tensione massima continuativa DC: 6,0 V
Corrente nominale con 45 °C: 1,0 A
D1 Corrente impulsiva di fulmine (10/350 µs) complessiva: 10 kA
D1 Corrente impulsiva di fulmine (10/350 µs) per filo: 2,5 kA

Fabbricato: DEHN
Tipo: BXT ML4 BE HF 5
Art.: 920370
o similare.

Certificati

 

Caratteristiche tecniche

Classe SPD M
Tensione massima continuativa DC (UC ) 6,0 V
Corrente nominale con 45 °C (IL ) 1,0 A
D1 Corrente impulsiva di fulmine (10/350 µs) complessiva (Iimp ) 10 kA
C2 Corrente impulsiva nominale di scarica (8/20 µs) complessiva (In ) 20 kA
Impedenza longitudinale per filo 1,0 Ohm
Frequenza limite filo-PG (fG ) 100,0 MHz
Omologazioni CSA, UL 497B, ATEX, IECEx, CCC, CSA & USA Hazloc, SIL
*) dettagli vedi: www.dehn.it

Prodotto 920370 è stato aggiunto al blocco note.

Prodotto 920370 è stato aggiunto al carrello.

Apri Web-Shop

BXT ML4 BD HF 5 / 24

Modulo di protezione combinata con RFID-LifeCheck, costruzione stretta, per la protezione di 2 coppie di fili di sistemi bus con separazione galvanica e ad alta frequenza oppure trasmissioni video a due fili. LifeCheck riconosce sovraccarichi termici ed elettrici che richiedono la sostituzione dello scaricatore. La segnalazione avviene senza contatto tramite DEHNrecord LC / SCM / MCM.

2 Prodotti

Art. 920371 BXT ML4 BD HF 5

GTIN (EAN) 4013364109094, Codice doganale (EU): 85363010, Peso lordo: 30.80 g, UM: 1.00 pz.

Predecessore

Immagini

Maggior informazioni

Modulo di protezione combinato BLITZDUCTOR XT BXT ML4 BD HF 5
Modulo di protezione combinata Tipo 1 / P1 BLITZDUCTOR XT,
provato in accordo a CEI EN 61643-21 e
coordinamento energetico in accordo a IEC 61643-22
per la protezione di 2 coppie di fili. Adatto per elevate epercentuali di dati.
Con LifeCheck integrato per verifica
dello scaricatore senza contatto. Innestabile
in elemento base BXT BAS / BSP BAS 4.
Tensione massima continuativa DC: 6,0 V
Corrente nominale con 45 °C: 1,0 A
D1 Corrente impulsiva di fulmine (10/350 µs) complessiva: 10 kA
D1 Corrente impulsiva di fulmine (10/350 µs) per filo: 2,5 kA

Fabbricato: DEHN
Tipo: BXT ML4 BD HF 5
Art.: 920371
o similare.

Certificati

 

Caratteristiche tecniche

Classe SPD M
Tensione massima continuativa DC (UC ) 6,0 V
Corrente nominale con 45 °C (IL ) 1,0 A
D1 Corrente impulsiva di fulmine (10/350 µs) complessiva (Iimp ) 10 kA
C2 Corrente impulsiva nominale di scarica (8/20 µs) complessiva (In ) 20 kA
Impedenza longitudinale per filo 1,0 Ohm
Frequenza limite filo-filo (fG ) 100,0 MHz
Omologazioni CSA, UL 497B, ATEX, IECEx, CCC, CSA & USA Hazloc, SIL
*) dettagli vedasi: www.dehn.it

Prodotto 920371 è stato aggiunto al blocco note.

Prodotto 920371 è stato aggiunto al carrello.

Apri Web-Shop

Art. 920375 BXT ML4 BD HF 24

GTIN (EAN) 4013364109100, Codice doganale (EU): 85363010, Peso lordo: 31.00 g, UM: 1.00 pz.

Predecessore

Immagini

Maggior informazioni

Modulo di protezione combinato BLITZDUCTOR XT BXT ML4 BD HF 24
Modulo di protezione combinato Tipo 1 / P1 BLITZDUCTOR XT,
provato in accordo a CEI EN 61643-21 e
coordinamento energetico in accordo a IEC 61643-22
per la protezione di 2 coppie di fili. Adatto per elevate epercentuali di dati.
Con LifeCheck integrato per verifica dello scaricatore senza contatto.
Innestabile in elemento base BXT BAS / BSP BAS 4.
Tensione massima continuativa DC: 33 V
Corrente nominale con 45 °C: 1,0 A
D1 Corrente impulsiva di fulmine (10/350 µs) complessiva: 10 kA
D1 Corrente impulsiva di fulmine (10/350 µs) per filo: 2,5 kA

Fabbricato: DEHN
Tipo: BXT ML4 BD HF 24
Art.: 920375
o similare.

Certificati

 

Caratteristiche tecniche

Classe SPD M
Tensione massima continuativa DC (UC ) 33 V
Corrente nominale con 45 °C (IL ) 1,0 A
D1 Corrente impulsiva di fulmine (10/350 µs) complessiva (Iimp ) 10 kA
C2 Corrente impulsiva nominale di scarica (8/20 µs) complessiva (In ) 20 kA
Impedenza longitudinale per filo 1,0 Ohm
Frequenza limite filo-filo (fG ) 100,0 MHz
Omologazioni CSA, UL 497B, ATEX, IECEx, CSA & USA Hazloc, SIL
*) dettagli vedasi: www.dehn.it

Prodotto 920375 è stato aggiunto al blocco note.

Prodotto 920375 è stato aggiunto al carrello.

Apri Web-Shop

BXT ML4 MY 110 / 250

Modulo di protezione da sovratensioni con RFID-LifeCheck, costruzione stretta, per la protezione di 4 fili di interfacce di segnale multifilari. LifeCheck riconosce sovraccarichi termici ed elettrici che richiedono la sostituzione dello scaricatore. La segnalazione avviene senza contatto tramite DEHNrecord LC / SCM / MCM.

2 Prodotti

Art. 920388 BXT ML4 MY 110

GTIN (EAN) 4013364137370, Codice doganale (EU): 85363010, Peso lordo: 34.70 g, UM: 1.00 pz.


Immagini

Maggior informazioni

Modulo di protezione combinato BLITZDUCTOR XT BXT ML4 MY 110
Modulo di protezione da sovratensione Tipo 2 / P3 BLITZDUCTOR XT,
provato in accordo a CEI EN 61643-21, coordinamento energetico
in accordo a IEC 61643-22 per la protezione di due interfacce
simmetriche con sezionamento galvanico. Con LifeCheck
integrato per verifica dello scaricatore senza contatto. Innestabile
in elemento base BXT BAS / BSP BAS 4.
Corrente nominale con 80 °C: 3,0 A

Fabbricato: DEHN
Tipo: BXT ML4 MY 110
Art.: 920388
o similare.

Certificati

 

Caratteristiche tecniche

Classe SPD U
Tensione massima continuativa DC filo-filo (UC ) 170 V
Tensione massima continuativa DC filo-PG (UC ) 85 V
Corrente nominale con 80 °C (IL ) 3,0 A
C2 Corrente impulsiva nominale di scarica (8/20 µs) complessiva (In ) 10 kA
Frequenza limite filo-filo (fG ) 4,5 MHz
Omologazioni SIL
*) dettagli vedasi: www.dehn.it

Prodotto 920388 è stato aggiunto al blocco note.

Prodotto 920388 è stato aggiunto al carrello.

Apri Web-Shop

Art. 920389 BXT ML4 MY 250

GTIN (EAN) 4013364118447, Codice doganale (EU): 85363010, Peso lordo: 36.70 g, UM: 1.00 pz.

Predecessore

Immagini

Maggior informazioni

Modulo di protezione combinato BLITZDUCTOR XT BXT ML4 MY 225
Modulo di protezione da sovratensione Tipo 2 / P3 BLITZDUCTOR XT,
provato in accordo a CEI EN 61643-21, coordinamento energetico
in accordo a IEC 61643-22 per la protezione di due interfacce
simmetriche con sezionamento galvanico. Con LifeCheck
integrato per verifica dello scaricatore senza contatto. Innestabile
in elemento base BXT BAS / BSP BAS 4.
Corrente nominale con 80 °C: 3,0 A

Fabbricato: DEHN
Tipo: BXT ML4 MY 250
Art.: 920389
o similare.

Certificati

 

Caratteristiche tecniche

Classe SPD V
Tensione massima continuativa DC filo-filo (UC ) 620 V
Tensione massima continuativa DC filo-PG (UC ) 320 V
Corrente nominale con 80 °C (IL ) 3,0 A
C2 Corrente impulsiva nominale di scarica (8/20 µs) complessiva (In ) 10 kA
Frequenza limite filo-filo (fG ) 20,0 MHz
Omologazioni SIL
*) dettagli vedasi: www.dehn.it

Prodotto 920389 è stato aggiunto al blocco note.

Prodotto 920389 è stato aggiunto al carrello.

Apri Web-Shop

BXT ML4 BE BD 24

Modulo di protezione combinata per spazi ristretti con RFID-LifeCheck per la protezione di 2 fili singoli con potenziale di riferimento comune nonché di interfacce asimmetriche e di 1 coppia di fili di interfacce simmetriche con protezione galvanica. LifeCheck riconosce stati termici o elettrici di sovraccarico che richiedono la sostituzione dello scaricatore. L'indicazione avviene senza contatto per mezzo di DEHNrecord LC / MCM.

1 Prodotto

Art. 920334 BXT ML4 BE BD 24

GTIN (EAN) 4013364152229, Codice doganale (EU): 85363010, Peso lordo: 29.59 g, UM: 1.00 pz.


Immagini

Maggior informazioni

Modulo di protezione combinata con LifeCheck BLITZDUCTOR XT BXT ML4 BE BD 24
Modulo di protezione da sovratensione
Tipo 1 / P1 BLITZDUCTOR XT,
provato in accordo a CEI EN 61643-21, coordinamento energetico
in accordo a IEC 61643-22 per la protezione di due fili singoli
con potenziale di riferimento comune e di interfacce
asimmetriche e di una coppia di fili di interfacce simmetriche con separazione galvanica.
Con LifeCheck integrato per verifica dello scaricatore senza contatto. Innestabile
in elemento base BXT BAS / BSP BAS 4.
Tensione massima continuativa DC: 33 V
Corrente nominale con 45 °C: 0,75 A
D1 Corrente impulsiva di fulmine (10/350 µs) complessiva: 10 kA
D1 Corrente impulsiva di fulmine (10/350 µs) per filo: 2,5 kA

Fabbricato: DEHN
Tipo: BXT ML4 BE BD 24
Art.: 920334
o similare.

 

Caratteristiche tecniche

Classe SPD M
Tensione massima continuativa DC (UC ) 33 V
Corrente nominale con 45 °C (IL ) 0,75 A
D1 Corrente impulsiva di fulmine (10/350 µs) complessiva (Iimp ) 10 kA
C2 Corrente impulsiva nominale di scarica (8/20 µs) complessiva (In ) 20 kA

Prodotto 920334 è stato aggiunto al blocco note.

Prodotto 920334 è stato aggiunto al carrello.

Apri Web-Shop

BXT ML2 BD 180

Modulo scaricatore combinato salvaspazio con LifeCheck RFID, per la protezione di 1 coppia di fili di interfacce simmetriche con separazione galvanica. LifeCheck riconosce gli stati di sovraccarico termico o elettrico dopo i quali lo scaricatore deve essere sostituito. L’indicazione avviene senza contatto con DEHNrecord LC / SCM / MCM.

1 Prodotto

Art. 920247 BXT ML2 BD 180

GTIN (EAN) 4013364116078, Codice doganale (EU): 85363010, Peso lordo: 49.60 g, UM: 1.00 pz.

Predecessore

Immagini

Maggior informazioni

Modulo di protezione combinato con LifeCheck BLITZDUCTOR XT BXT ML2 BD 180
Modulo di protezione combinato Tipo 1 / P2BLITZDUCTOR XT,
provato in accordo a CEI EN 61643-21, coordinamento energetico
in accordo a IEC 61643-22 per la protezione di una coppia di fili.
Con LifeCheck integrato per la verifica senza contatto dello scaricatore.
Innestabile in elemento base BXT BAS / BSP BAS 4.
Tensione massima continuativa DC: 180 V
Corrente nominale con 45 °C: 0,75 A
D1 Corrente impulsiva di fulmine (10/350 µs) complessiva: 5 kA
D1 Corrente impulsiva di fulmine (10/350 µs) per filo: 2,5 kA

Fabbricato: DEHN
Tipo: BXT ML2 BD 180
Art.: 920247
o similare.

Certificati

 

Caratteristiche tecniche

Classe SPD L
Tensione massima continuativa DC (UC ) 180 V
Corrente nominale con 45 °C (IL ) 0,75 A
D1 Corrente impulsiva di fulmine (10/350 µs) complessiva (Iimp ) 5 kA
C2 Corrente impulsiva nominale di scarica (8/20 µs) complessiva (In ) 20 kA
Impedenza longitudinale per filo 1,8 Ohm
Frequenza limite filo-filo (fG ) 25,0 MHz
Omologazioni CSA, ATEX, IECEx, CSA & USA Hazloc, SIL
*) dettagli vedasi: www.dehn.it

Prodotto 920247 è stato aggiunto al blocco note.

Prodotto 920247 è stato aggiunto al carrello.

Apri Web-Shop

BXT ML2 BD S 5 – BD S 48

Scaricatore combinato con LifeCheck RFID per la protezione di 1 coppia di fili di interfacce simmetriche con separazione galvanica, a scelta messa a terra diretta o indiretta della schermatura. LifeCheck riconosce gli stati di sovraccarico termico o elettrico dopo i quali lo scaricatore deve essere sostituito. L’indicazione avviene senza contatto con DEHNrecord LC / SCM / MCM.

4 Prodotti

Art. 920240 BXT ML2 BD S 5

GTIN (EAN) 4013364118348, Codice doganale (EU): 85363010, Peso lordo: 27.50 g, UM: 1.00 pz.

Predecessore

Immagini

Maggior informazioni

Modulo di protezione combinato con LifeCheck BLITZDUCTOR XT BXT ML2 BD S 5
Modulo di protezione combinato Tipo 1 / P1, BLITZDUCTOR XT,
provato in accordo a CEI EN 61643-21, coordinamento energetico in accordo a IEC 61643-22
per la protezione di una coppia di fili, a scelta schermatura indiretta o diretta.
Con LifeCheck integrato per verifica dello scaricatore senza contatto.
Innestabile in elemento base BXT BAS / BSP BAS 4.
Tensione massima continuativa DC: 6,0 V
Corrente nominale con 45 °C: 1,0 A
D1 Corrente impulsiva di fulmine (10/350 µs) complessiva: 9 kA
D1 Corrente impulsiva di fulmine (10/350 µs) per filo: 2,5 kA

Fabbricato: DEHN
Tipo: BXT ML2 BD S 5
Art.: 920240
o similare.

Certificati

 

Caratteristiche tecniche

Classe SPD M
Tensione massima continuativa DC (UC ) 6,0 V
Corrente nominale con 45 °C (IL ) 1,0 A
D1 Corrente impulsiva di fulmine (10/350 µs) complessiva (Iimp ) 9 kA
C2 Corrente impulsiva nominale di scarica (8/20 µs) complessiva (In ) 20 kA
Impedenza longitudinale per filo 1,0 Ohm
Frequenza limite filo-filo (fG ) 1,0 MHz
Omologazioni CSA, ATEX, IECEx, CSA & USA Hazloc, SIL
*) dettagli vedi: www.dehn.it

Prodotto 920240 è stato aggiunto al blocco note.

Prodotto 920240 è stato aggiunto al carrello.

Apri Web-Shop

Art. 920242 BXT ML2 BD S 12

GTIN (EAN) 4013364118362, Codice doganale (EU): 85363010, Peso lordo: 27.60 g, UM: 1.00 pz.

Predecessore

Immagini

Maggior informazioni

Modulo di protezione combinato con LifeCheck BLITZDUCTOR XT BXT ML2 BD S 12
Modulo di protezione combinato Tipo 1 / P1, BLITZDUCTOR XT,
provato in accordo a CEI EN 61643-21, coordinamento energetico in accordo a IEC 61643-22
per la protezione di una coppia di fili, a scelta schermatura indiretta o diretta.
Con LifeCheck integrato per verifica dello scaricatore senza contatto.
Innestabile in elemento base BXT BAS / BSP BAS 4.
Tensione massima continuativa DC: 15 V
Corrente nominale con 45 °C: 1,0 A
D1 Corrente impulsiva di fulmine (10/350 µs) complessiva: 9 kA
D1 Corrente impulsiva di fulmine (10/350 µs) per filo: 2,5 kA

Fabbricato: DEHN
Tipo: BXT ML2 BD S 12
Art.: 920242
o similare.

Certificati

 

Caratteristiche tecniche

Classe SPD M
Tensione massima continuativa DC (UC ) 15 V
Corrente nominale con 45 °C (IL ) 1,0 A
D1 Corrente impulsiva di fulmine (10/350 µs) complessiva (Iimp ) 9 kA
C2 Corrente impulsiva nominale di scarica (8/20 µs) complessiva (In ) 20 kA
Impedenza longitudinale per filo 1,0 Ohm
Frequenza limite filo-filo (fG ) 2,8 MHz
Omologazioni CSA, ATEX, IECEx, CSA & USA Hazloc, SIL
*) dettagli vedi: www.dehn.it

Prodotto 920242 è stato aggiunto al blocco note.

Prodotto 920242 è stato aggiunto al carrello.

Apri Web-Shop

Art. 920244 BXT ML2 BD S 24

GTIN (EAN) 4013364117792, Codice doganale (EU): 85363010, Peso lordo: 27.80 g, UM: 1.00 pz.

Predecessore

Immagini

Maggior informazioni

Modulo di protezione combinato con LifeCheck BLITZDUCTOR XT BXT ML2 BD S 24
Modulo di protezione combinato Tipo 1 / P1, BLITZDUCTOR XT,
provato in accordo a CEI EN 61643-21, coordinamento energetico in accordo a IEC 61643-22
per la protezione di una coppia di fili, a scelta schermatura indiretta o diretta.
Con LifeCheck integrato per verifica dello scaricatore senza contatto.
Innestabile in elemento base BXT BAS / BSP BAS 4.
Tensione massima continuativa DC: 33 V
Corrente nominale con 45 °C: 1,0 A
D1 Corrente impulsiva di fulmine (10/350 µs) complessiva: 9 kA
D1 Corrente impulsiva di fulmine (10/350 µs) per filo: 2,5 kA

Fabbricato: DEHN
Tipo: BXT ML2 BD S 24
Art.: 920244
o similare.

Certificati

 

Caratteristiche tecniche

Classe SPD M
Tensione massima continuativa DC (UC ) 33 V
Corrente nominale con 45 °C (IL ) 1,0 A
D1 Corrente impulsiva di fulmine (10/350 µs) complessiva (Iimp ) 9 kA
C2 Corrente impulsiva nominale di scarica (8/20 µs) complessiva (In ) 20 kA
Impedenza longitudinale per filo 1,0 Ohm
Frequenza limite filo-filo (fG ) 7,8 MHz
Omologazioni CSA, ATEX, IECEx, CCC, CSA & USA Hazloc, SIL
*) dettagli vedi: www.dehn.it

Prodotto 920244 è stato aggiunto al blocco note.

Prodotto 920244 è stato aggiunto al carrello.

Apri Web-Shop

Art. 920245 BXT ML2 BD S 48

GTIN (EAN) 4013364118386, Codice doganale (EU): 85363010, Peso lordo: 43.20 g, UM: 1.00 pz.

Predecessore

Immagini

Maggior informazioni

Modulo di protezione combinato con LifeCheck BLITZDUCTOR XT BXT ML2 BD S 48
Modulo di protezione combinato Tipo 1 / P1, BLITZDUCTOR XT,
provato in accordo a CEI EN 61643-21, coordinamento energetico in accordo a IEC 61643-22
per la protezione di una coppia di fili, a scelta schermatura indiretta o diretta.
Con LifeCheck integrato per verifica dello scaricatore senza contatto.
Innestabile in elemento base BXT BAS / BSP BAS 4.
Innestabile in elemento base BXT BAS / BSP BAS 4
Tensione massima continuativa DC: 54 V
Corrente nominale con 45 °C: 1,0 A
D1 Corrente impulsiva di fulmine (10/350 µs) complessiva: 9 kA
D1 Corrente impulsiva di fulmine (10/350 µs) per filo: 2,5 kA

Fabbricato: DEHN
Tipo: BXT ML2 BD S 48
Art.: 920245
o similare.

Certificati

 

Caratteristiche tecniche

Classe SPD M
Tensione massima continuativa DC (UC ) 54 V
Corrente nominale con 45 °C (IL ) 1,0 A
D1 Corrente impulsiva di fulmine (10/350 µs) complessiva (Iimp ) 9 kA
C2 Corrente impulsiva nominale di scarica (8/20 µs) complessiva (In ) 20 kA
Impedenza longitudinale per filo 1,0 Ohm
Frequenza limite filo-filo (fG ) 8,7 MHz
Omologazioni CSA, ATEX, IECEx, CSA & USA Hazloc, SIL
*) dettagli vedi: www.dehn.it

Prodotto 920245 è stato aggiunto al blocco note.

Prodotto 920245 è stato aggiunto al carrello.

Apri Web-Shop

BXT ML2 BE S 5 – BE S 48

Modulo di protezione combinata con RFID-LifeCheck, costruzione stretta, per la protezione di 2 fili singoli con potenziale di riferimento comune e di interfacce non simmetriche, possibilità di messa a terra diretta oppure indiretta dello schermo. LifeCheck riconosce sovraccarichi termici ed elettrici che richiedono la sostituzione dello scaricatore. La segnalazione avviene senza contatto tramite DEHNrecord LC / SCM / MCM.

5 Prodotti

Art. 920220 BXT ML2 BE S 5

GTIN (EAN) 4013364118331, Codice doganale (EU): 85363010, Peso lordo: 43.40 g, UM: 1.00 pz.

Predecessore

Immagini

Maggior informazioni

Modulo di protezione combinato con LifeCheck BLITZDUCTOR XT BXT ML2 BE S 5
Modulo di protezione combinato Tipo 1 / P1, BLITZDUCTOR XT,
provato in accordo a CEI EN 61643-21, coordinamento energetico in accordo a IEC 61643-22
per la protezione di 2 coppie di fili, a scelta schermatura indiretta o diretta.
Con LifeCheck integrato per verifica dello scaricatore senza contatto.
Innestabile in elemento base BXT BAS / BSP BAS 4.
Tensione massima continuativa DC: 6,0 V
Corrente nominale con 45 °C: 1,0 A
D1 Corrente impulsiva di fulmine (10/350 µs) complessiva: 9 kA
D1 Corrente impulsiva di fulmine (10/350 µs) per filo: 2,5 kA

Fabbricato: DEHN
Tipo: BXT ML2 BE S 5
Art.: 920220
o similare.

Certificati

 

Caratteristiche tecniche

Classe SPD M
Tensione massima continuativa DC (UC ) 6,0 V
Corrente nominale con 45 °C (IL ) 1,0 A
D1 Corrente impulsiva di fulmine (10/350 µs) complessiva (Iimp ) 9 kA
C2 Corrente impulsiva nominale di scarica (8/20 µs) complessiva (In ) 20 kA
Impedenza longitudinale per filo 1,0 Ohm
Frequenza limite filo-PG (fG ) 1,0 MHz
Omologazioni CSA, ATEX, IECEx, CSA & USA Hazloc, SIL
*) dettagli vedi: www.dehn.it

Prodotto 920220 è stato aggiunto al blocco note.

Prodotto 920220 è stato aggiunto al carrello.

Apri Web-Shop

Art. 920222 BXT ML2 BE S 12

GTIN (EAN) 4013364118355, Codice doganale (EU): 85363010, Peso lordo: 27.90 g, UM: 1.00 pz.

Predecessore

Immagini

Maggior informazioni

Modulo di protezione combinato con LifeCheck BLITZDUCTOR XT BXT ML2 BE S 12
Modulo di protezione combinato Tipo 1 / P1, BLITZDUCTOR XT,
provato in accordo a CEI EN 61643-21, coordinamento energetico in accordo a IEC 61643-22
per la protezione di 2 fili singoli, a scelta schermatura indiretta o diretta.
Con LifeCheck integrato per verifica dello scaricatore senza contatto.
Innestabile in elemento base BXT BAS / BSP BAS 4.
Tensione massima continuativa DC: 15 V
Corrente nominale con 45 °C: 0,75 A
D1 Corrente impulsiva di fulmine (10/350 µs) complessiva: 9 kA
D1 Corrente impulsiva di fulmine (10/350 µs) per filo: 2,5 kA

Fabbricato: DEHN
Tipo: BXT ML2 BE S 12
Art.: 920222
o similare.

Certificati

 

Caratteristiche tecniche

Classe SPD M
Tensione massima continuativa DC (UC ) 15 V
Corrente nominale con 45 °C (IL ) 0,75 A
D1 Corrente impulsiva di fulmine (10/350 µs) complessiva (Iimp ) 9 kA
C2 Corrente impulsiva nominale di scarica (8/20 µs) complessiva (In ) 20 kA
Impedenza longitudinale per filo 1,8 Ohm
Frequenza limite filo-PG (fG ) 2,7 MHz
Omologazioni CSA, ATEX, IECEx, CCC, CSA & USA Hazloc, SIL
*) dettagli vedi: www.dehn.it

Prodotto 920222 è stato aggiunto al blocco note.

Prodotto 920222 è stato aggiunto al carrello.

Apri Web-Shop

Art. 920224 BXT ML2 BE S 24

GTIN (EAN) 4013364117785, Codice doganale (EU): 85363010, Peso lordo: 44.00 g, UM: 1.00 pz.

Predecessore

Immagini

Maggior informazioni

Modulo di protezione combinato con LifeCheck BLITZDUCTOR XT BXT ML2 BE S 24
Modulo di protezione combinato Tipo 1 / P1, BLITZDUCTOR XT,
provato in accordo a CEI EN 61643-21, coordinamento energetico in accordo a IEC 61643-22
per la protezione di 2 fili singoli, a scelta schermatura indiretta o diretta.
Con LifeCheck integrato per verifica dello scaricatore senza contatto.
Innestabile in elemento base BXT BAS / BSP BAS 4.
Tensione massima continuativa DC: 33 V
Corrente nominale con 45 °C: 0,75 A
D1 Corrente impulsiva di fulmine (10/350 µs) complessiva: 9 kA
D1 Corrente impulsiva di fulmine (10/350 µs) per filo: 2,5 kA

Fabbricato: DEHN
Tipo: BXT ML2 BE S 24
Art.: 920224
o similare.

Certificati

 

Caratteristiche tecniche

Classe SPD M
Tensione massima continuativa DC (UC ) 33 V
Corrente nominale con 45 °C (IL ) 0,75 A
D1 Corrente impulsiva di fulmine (10/350 µs) complessiva (Iimp ) 9 kA
C2 Corrente impulsiva nominale di scarica (8/20 µs) complessiva (In ) 20 kA
Impedenza longitudinale per filo 1,8 Ohm
Frequenza limite filo-PG (fG ) 6,8 MHz
Omologazioni CSA, ATEX, IECEx, CCC, CSA & USA Hazloc, SIL
*) dettagli vedi: www.dehn.it

Prodotto 920224 è stato aggiunto al blocco note.

Prodotto 920224 è stato aggiunto al carrello.

Apri Web-Shop

Art. 920226 BXT ML2 BE S 36

GTIN (EAN) 4013364142121, Codice doganale (EU): 85363010, Peso lordo: 30.10 g, UM: 1.00 pz.


Immagini

Maggior informazioni

Modulo di protezione combinato con LifeCheck BLITZDUCTOR XT BXT ML2 BE S 36
Modulo di protezione combinato Tipo 1 / P1, BLITZDUCTOR XT,
provato in accordo a CEI EN 61643-21, coordinamento energetico in accordo a IEC 61643-22
per la protezione di 2 fili singoli, a scelta schermatura indiretta o diretta.
Con LifeCheck integrato per verifica dello scaricatore senza contatto.
Innestabile in elemento base BXT BAS / BSP BAS 4.
Tensione massima continuativa DC: 45 V
Corrente nominale con 45 °C: 1,8 A
D1 Corrente impulsiva di fulmine (10/350 µs) complessiva: 9 kA
D1 Corrente impulsiva di fulmine (10/350 µs) per filo: 2,5 kA

Fabbricato: DEHN
Tipo: BXT ML2 BE S 36
Art.: 920226
o similare.

Certificati

 

Caratteristiche tecniche

Classe SPD M
Tensione massima continuativa DC (UC ) 45 V
Corrente nominale con 45 °C (IL ) 1,8 A
D1 Corrente impulsiva di fulmine (10/350 µs) complessiva (Iimp ) 9 kA
C2 Corrente impulsiva nominale di scarica (8/20 µs) complessiva (In ) 20 kA
Impedenza longitudinale per filo 0,43 Ohm
Frequenza limite filo-PG (fG ) 3,8 MHz
Omologazioni UL 497B, SIL
*) dettagli vedi: www.dehn.it

Prodotto 920226 è stato aggiunto al blocco note.

Prodotto 920226 è stato aggiunto al carrello.

Apri Web-Shop

Art. 920225 BXT ML2 BE S 48

GTIN (EAN) 4013364118379, Codice doganale (EU): 85363010, Peso lordo: 27.60 g, UM: 1.00 pz.

Predecessore

Immagini

Maggior informazioni

Modulo di protezione combinato con LifeCheck BLITZDUCTOR XT BXT ML2 BE S 48
Modulo di protezione combinato Tipo 1 / P1, BLITZDUCTOR XT,
provato in accordo a CEI EN 61643-21, coordinamento energetico in accordo a IEC 61643-22
per la protezione di 2 fili singoli, a scelta schermatura indiretta o diretta.
Con LifeCheck integrato per verifica dello scaricatore senza contatto.
Innestabile in elemento base BXT BAS / BSP BAS 4.
Tensione massima continuativa DC: 54 V
Corrente nominale con 45 °C: 0,75 A
D1 Corrente impulsiva di fulmine (10/350 µs) complessiva: 9 kA
D1 Corrente impulsiva di fulmine (10/350 µs) per filo: 2,5 kA

Fabbricato: DEHN
Tipo: BXT ML2 BE S 48
Art.: 920225
o similare.

Certificati

 

Caratteristiche tecniche

Classe SPD M
Tensione massima continuativa DC (UC ) 54 V
Corrente nominale con 45 °C (IL ) 0,75 A
D1 Corrente impulsiva di fulmine (10/350 µs) complessiva (Iimp ) 9 kA
C2 Corrente impulsiva nominale di scarica (8/20 µs) complessiva (In ) 20 kA
Impedenza longitudinale per filo 1,8 Ohm
Frequenza limite filo-PG (fG ) 8,7 MHz
Omologazioni CSA, UL 497B, ATEX, IECEx, CSA & USA Hazloc, SIL
*) dettagli vedi: www.dehn.it

Prodotto 920225 è stato aggiunto al blocco note.

Prodotto 920225 è stato aggiunto al carrello.

Apri Web-Shop

BXT ML2 BE HFS 5

Modulo di protezione combinata con RFID-LifeCheck, costruzione stretta, per la protezione di 1 coppia di fili di trasmissioni ad alta frequenza senza separazione galvanica, possibilità di messa a terra diretta oppure indiretta dello schermo. LifeCheck riconosce sovraccarichi termici ed elettrici che richiedono la sostituzione dello scaricatore. La segnalazione avviene senza contatto tramite DEHNrecordLC / SCM / MCM.

1 Prodotto

Art. 920270 BXT ML2 BE HFS 5

GTIN (EAN) 4013364117549, Codice doganale (EU): 85363010, Peso lordo: 28.60 g, UM: 1.00 pz.

Predecessore

Immagini

Maggior informazioni

Modulo di protezione combinato con LifeCheck BLITZDUCTOR XT BXT ML2 BE S 48
Modulo di protezione combinato Tipo 1 / P1, BLITZDUCTOR XT,
provato in accordo a CEI EN 61643-21, coordinamento energetico in accordo a IEC 61643-22
per la protezione di 2 fili singoli, a scelta schermatura indiretta o diretta.
Con LifeCheck integrato per verifica dello scaricatore senza contatto.
Innestabile in elemento base BXT BAS / BSP BAS 4.
Tensione massima continuativa DC: 6,0 V
Corrente nominale con 45 °C: 1,0 A
D1 Corrente impulsiva di fulmine (10/350 µs) complessiva: 9 kA
D1 Corrente impulsiva di fulmine (10/350 µs) per filo: 2,5 kA

Fabbricato: DEHN
Tipo: BXT ML2 BE HFS 5
Art.: 920270
o similare.

Certificati

 

Caratteristiche tecniche

Classe SPD M
Tensione massima continuativa DC (UC ) 6,0 V
Corrente nominale con 45 °C (IL ) 1,0 A
D1 Corrente impulsiva di fulmine (10/350 µs) complessiva (Iimp ) 9 kA
C2 Corrente impulsiva nominale di scarica (8/20 µs) complessiva (In ) 20 kA
Impedenza longitudinale per filo 1,0 Ohm
Frequenza limite filo-PG (fG ) 100,0 MHz
Omologazioni CSA, UL 497B, ATEX, IECEx, CCC, CSA & USA Hazloc, SIL
*) dettagli vedi: www.dehn.it

Prodotto 920270 è stato aggiunto al blocco note.

Prodotto 920270 è stato aggiunto al carrello.

Apri Web-Shop

BXT ML2 BD HFS 5

Modulo di protezione combinata con RFID-LifeCheck, costruzione stretta, per la protezione di 1 coppia di fili di sistemi bus con separazione galvanica e ad alta frequenza oppure trasmissioni video, possibilità di messa a terra diretta oppure indiretta dello schermo. LifeCheck riconosce sovraccarichi termici ed elettrici che richiedono la sostituzione dello scaricatore. La segnalazione avviene senza contatto tramite DEHNrecord LC / SCM / MCM.

1 Prodotto

Art. 920271 BXT ML2 BD HFS 5

GTIN (EAN) 4013364117556, Codice doganale (EU): 85363010, Peso lordo: 28.60 g, UM: 1.00 pz.

Predecessore

Immagini

Maggior informazioni

Modulo di protezione combinato con LifeCheck BLITZDUCTOR XT BXT ML2 BD HFS 5
Modulo di protezione combinato Tipo 1 / P1, BLITZDUCTOR XT,
provato in accordo a CEI EN 61643-21, coordinamento energetico in accordo a IEC 61643-22
per la protezione di una coppia di fili.
Adatto per alte percentuali di dati, a scelta schermatura indiretta o diretta.
Con LifeCheck integrato per verifica dello scaricatore senza contatto.
Innestabile in elemento base BXT BAS / BSP BAS 4.
Tensione massima continuativa DC: 6,0 V
Corrente nominale con 45 °C: 1,0 A
D1 Corrente impulsiva di fulmine (10/350 µs) complessiva: 9 kA
D1 Corrente impulsiva di fulmine (10/350 µs) per filo: 2,5 kA

Fabbricato: DEHN
Tipo: BXT ML2 BD HFS 5
Art.: 920271
o similare.

Certificati

 

Caratteristiche tecniche

Classe SPD M
Tensione massima continuativa DC (UC ) 6,0 V
Corrente nominale con 45 °C (IL ) 1,0 A
D1 Corrente impulsiva di fulmine (10/350 µs) complessiva (Iimp ) 9 kA
C2 Corrente impulsiva nominale di scarica (8/20 µs) complessiva (In ) 20 kA
Impedenza longitudinale per filo 1,0 Ohm
Frequenza limite filo-filo (fG ) 100,0 MHz
Omologazioni CSA, UL 497B, ATEX, IECEx, CCC, CSA & USA Hazloc, SIL
*) dettagli vedi: www.dehn.it

Prodotto 920271 è stato aggiunto al blocco note.

Prodotto 920271 è stato aggiunto al carrello.

Apri Web-Shop

BXT ML2 B 180

Modulo di protezione per corrente di fulmine bipolare con RFID-LifeCheck e possibilità di messa a terra dello schermo, in costruzione stretta, per quasi tutte le applicazioni. Utilizzabile in combinazione con limitatori di sovratensione Q a valle oppure scaricatori combinati con livello di tensione uguale o inferiore. LifeCheck riconosce sovraccarichi termici ed elettrici che richiedono la sostituzione dello scaricatore. La segnalazione avviene senza contatto tramite DEHNrecord LC / SCM / MCM.

1 Prodotto

Art. 920211 BXT ML2 B 180

GTIN (EAN) 4013364120570, Codice doganale (EU): 85363010, Peso lordo: 30.40 g, UM: 1.00 pz.

Predecessore

Immagini

Maggior informazioni

Scaricatore per corrente di fulmine con LifeCheck BLITZDUCTOR XT BXT ML2 B 180
Modulo di protezione per corrente di fulmine Tipo 1 / P1, BLITZDUCTOR XT,
provato in accordo a CEI EN 61643-21, coordinamento energetico in accordo a IEC 61643-22
per la protezione di 2 fili singoli. Con LifeCheck integrato per la verifica dello scaricatore senza contatto.
Innestabile in elemento base BXT BAS / BSP BAS 4.
Tensione massima continuativa DC: 180 V
Corrente nominale con 45 °C: 1,2 A
D1 Corrente impulsiva di fulmine (10/350 µs) complessiva: 10 kA
D1 Corrente impulsiva di fulmine (10/350 µs) per filo: 2,5 kA

Fabbricato: DEHN
Tipo: BXT ML2 B 180
Art.: 920211
o similare.

Certificati

 

Caratteristiche tecniche

Classe SPD H
Tensione massima continuativa DC (UC ) 180 V
Corrente nominale con 45 °C (IL ) 1,2 A
D1 Corrente impulsiva di fulmine (10/350 µs) complessiva (Iimp ) 10 kA
C2 Corrente impulsiva nominale di scarica (8/20 µs) complessiva (In ) 20 kA
Impedenza longitudinale per filo 0,4 Ohm
Omologazioni CSA, ATEX, IECEx, CSA & USA Hazloc, SIL
*) dettagli vedi: www.dehn.it

Prodotto 920211 è stato aggiunto al blocco note.

Prodotto 920211 è stato aggiunto al carrello.

Apri Web-Shop

BXT ML2 BD DL S 15

Modulo di protezione combinata con RFID-LifeCheck, costruzione stretta, per la protezione di 1 coppia di fili di interfacce simmetriche con separazione galvanica, specialmente coordianto per i requisiti del bus Dupline, possibilità di messa a terra diretta oppure indiretta dello schermo. LifeCheck riconosce sovraccarichi termici ed elettrici che richiedono la sostituzione dello scaricatore. La segnalazione avviene senza contatto tramite DEHNrecord LC / SCM / MCM.

1 Prodotto

Art. 920243 BXT ML2 BD DL S 15

GTIN (EAN) 4013364126732, Codice doganale (EU): 85363010, Peso lordo: 28.30 g, UM: 1.00 pz.


Immagini

Maggior informazioni

Modulo di protezione combinato con LifeCheck BLITZDUCTOR XT BXT ML2 BD DL S 15
Modulo di protezione combinato
Tipo 1 / P1 provato in accordo a CEI EN 61643-21, coordinamento energetico in accordo a IEC 61643-22
per la protezione di 1 coppia di fili di interfacce simmetriche, specificamente
preparato su bus Dupline; a scelta schermatura indiretta o diretta.
Con LifeCheck integrato per verifica dello scaricatore senza contatto.
Innestabile in elemento base BXT BAS / BSP BAS 4.
Tensione massima continuativa DC: 17 V
Corrente nominale con 70 °C: 0,4 A
D1 Corrente impulsiva di fulmine (10/350 µs) complessiva: 9 kA
D1 Corrente impulsiva di fulmine (10/350 µs) per filo: 2,5 kA

Fabbricato: DEHN
Tipo: BXT ML2 BD DL S 15
Art.: 920243
o similare.

Certificati

 

Caratteristiche tecniche

Classe SPD M
Tensione massima continuativa DC (UC ) 17 V
Corrente nominale con 70 °C (IL ) 0,4 A
D1 Corrente impulsiva di fulmine (10/350 µs) complessiva (Iimp ) 9 kA
C2 Corrente impulsiva nominale di scarica (8/20 µs) complessiva (In ) 20 kA
Impedenza longitudinale per filo 2,2 Ohm
Frequenza limite filo-filo (fG ) 2,7 MHz
Omologazioni ATEX, IECEx, CSA & USA Hazloc, SIL
*) dettagli vedi: www.dehn.it

Prodotto 920243 è stato aggiunto al blocco note.

Prodotto 920243 è stato aggiunto al carrello.

Apri Web-Shop

BXT ML2 MY 250

Modulo di protezione da sovratensioni con RFID-LifeCheck, costruzione stretta, per la protezione di 2 fili di interfacce di segnale multifilari fino a 250 V AC. LifeCheck riconosce sovraccarichi termici ed elettrici che richiedono la sostituzione dello scaricatore. La segnalazione avviene senza contatto tramite DEHNrecord LC / SCM / MCM.

1 Prodotto

Art. 920289 BXT ML2 MY 250

GTIN (EAN) 4013364135840, Codice doganale (EU): 85363010, Peso lordo: 29.20 g, UM: 1.00 pz.

Predecessore

Immagini

Maggior informazioni

Modulo di protezione da sovratensioni con LifeCheck BLITZDUCTOR BXT ML2 MY 250
Modulo di protezione da sovratensioni Tipo 2 / P3 BLITZDUCTOR XT,
provato in accordo a CEI EN 61643-21, coordinamento energetico in accordo a
IEC 61643-22 per la protezione di un'interfaccia simmetrica con sezionamento galvanico.
Con LifeCheck integrato per verifica dello scaricatore senza contatto.
Innestabile in elemento base BXT BAS / BSP BAS 4.
Corrente nominale con 80 °C: 3,0 A

Fabbricato: DEHN
Tipo: BXT ML2 MY 250
Art.: 920289
o similare.

Certificati

 

Caratteristiche tecniche

Classe SPD V
Tensione massima continuativa DC filo-filo (UC ) 620 V
Tensione massima continuativa DC filo-PG (UC ) 320 V
Corrente nominale con 80 °C (IL ) 3,0 A
C2 Corrente impulsiva nominale di scarica (8/20 µs) complessiva (In ) 5 kA
Frequenza limite filo-filo (fG ) 20,0 MHz
Omologazioni SIL
*) dettagli vedi: www.dehn.it

Prodotto 920289 è stato aggiunto al blocco note.

Prodotto 920289 è stato aggiunto al carrello.

Apri Web-Shop

BXT ML2 MY E 110

Modulo di protezione da sovratensioni con RFID-LifeCheck, costruzione stretta, per la protezione di 2 fili di interfacce di segnale multifilari. LifeCheck riconosce sovraccarichi termici ed elettrici che richiedono la sostituzione dello scaricatore. La segnalazione avviene senza contatto tramite DEHNrecord LC / SCM / MCM.

1 Prodotto

Art. 920288 BXT ML2 MY E 110

GTIN (EAN) 4013364137363, Codice doganale (EU): 85363010, Peso lordo: 31.60 g, UM: 1.00 pz.


Immagini

Maggior informazioni

Modulo di protezione da sovratensioni con LifeCheck BLITZDUCTOR XT ML2 MY E 110
Modulo di protezione da sovratensioni Tipo 2 / P2 BLITZDUCTOR XT,
provato in accordo a CEI EN 61643-21, coordinamento energetico in accordo a
IEC 61643-22 per la protezione di due interfacce simmetriche con sezionamento galvanico.
Con LifeCheck integrato per verifica dello scaricatore senza contatto.
Innestabile in elemento base BXT BAS / BSP BAS 4.
Corrente nominale con 80 °C: 3,0 A

Fabbricato: DEHN
Tipo: BXT ML2 MY E 110
Art.: 920288
o similare.

 

Caratteristiche tecniche

Classe SPD U
Tensione massima continuativa DC filo-filo (UC ) 170 V
Tensione massima continuativa DC filo-PG (UC ) 85 V
Corrente nominale con 80 °C (IL ) 3,0 A
C2 Corrente impulsiva nominale di scarica (8/20 µs) complessiva (In ) 5 kA
Impedenza longitudinale per filo 0 Ohm
Frequenza limite filo-filo (fG ) 4,5 MHz
Omologazioni SIL
*) dettagli vedi: www.dehn.it

Prodotto 920288 è stato aggiunto al blocco note.

Prodotto 920288 è stato aggiunto al carrello.

Apri Web-Shop

BXT M2 BD HC5A 24

Modulo scaricatore combinato a risparmio di spazio per la protezione di 1 coppia di fili di interfacce simmetriche con separazione galvanica. Il modulo è concepito per interfacce con correnti DC fino a 5 A, ad es. per il comando di attuatori azionati a motore con correnti di avvio e di esercizio elevate.

1 Prodotto

Art. 920296 BXT M2 BD HC5A 24

GTIN (EAN) 4013364340015, Codice doganale (EU): 85363010, Peso lordo: 28.00 g, UM: 1.00 pz.


Immagini

Maggior informazioni

Modulo combinato BLITZDUCTOR XT BXT M2 BD HC5A 24
Modulo di protezione combinata Tipo 1 / P1 BLITZDUCTOR XT,
provato in accordo a CEI EN 61643-21, coordinamento energetico
in accordo a IEC 61643-22 per la protezione di una coppia di fili.
Innestabile in elemento base BXT BAS / BSP BAS 4.
Tensione massima continuativa DC: 36 V
Corrente nominale: 5 A
D1 Corrente impulsiva di fulmine (10/350 µs) complessiva: 5 kA
D1 Corrente impulsiva di fulmine (10/350 µs) per filo: 2,5 kA

Fabbricato: DEHN
Tipo: BXT M2 BD HC5A 24
Art.: 920296
o similare.

Certificati

 

Caratteristiche tecniche

Classe SPD M
Tensione massima continuativa DC (UC ) 36 V
Corrente nominale (IL ) 5 A
D1 Corrente impulsiva di fulmine (10/350 µs) complessiva (Iimp ) 5 kA
C2 Corrente impulsiva nominale di scarica (8/20 µs) complessiva (In ) 20 kA
Impedenza longitudinale per filo 0 Ohm
Frequenza limite filo-filo (fG ) 1,56 MHz
Omologazioni SIL
*) Dettagli vedi: www.dehn.de

Prodotto 920296 è stato aggiunto al blocco note.

Prodotto 920296 è stato aggiunto al carrello.

Apri Web-Shop

back to top