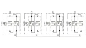
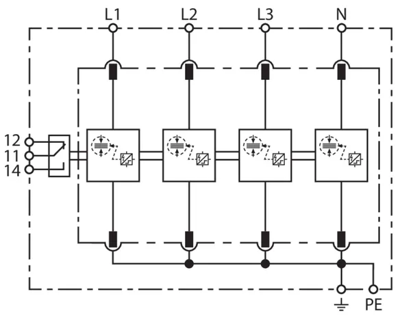
DEHNventil modular
:quality(98)/www.elvatec.ch/store/f/63210075/HDVORSCHAU/956315a0001_16-9.jpg)
:quality(98)/www.elvatec.ch/store/f/63210075/HDVORSCHAU/956315a0001_16-9.jpg)
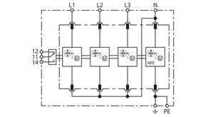
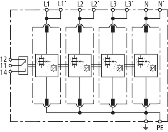
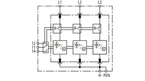
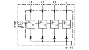
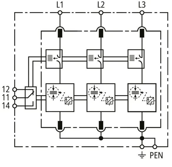
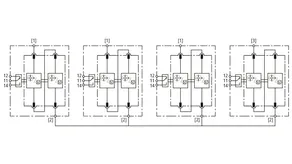
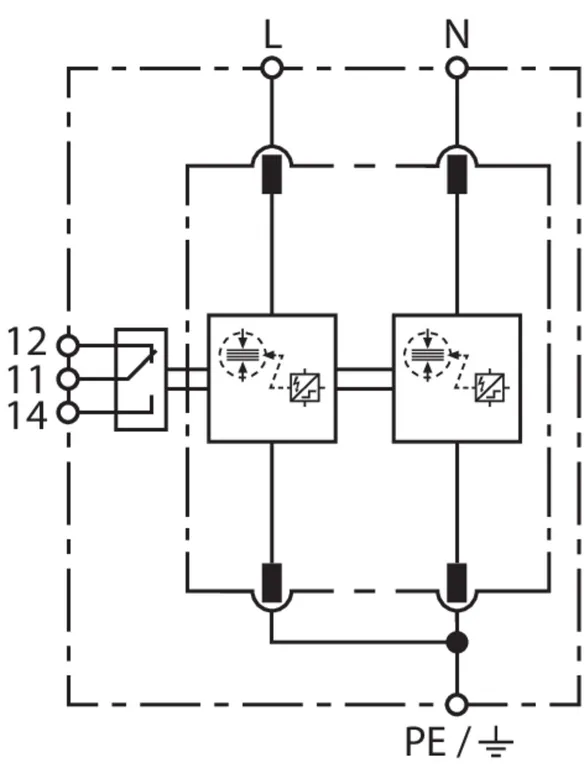
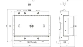
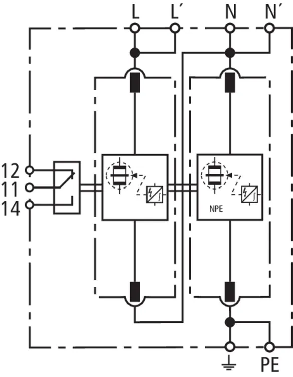
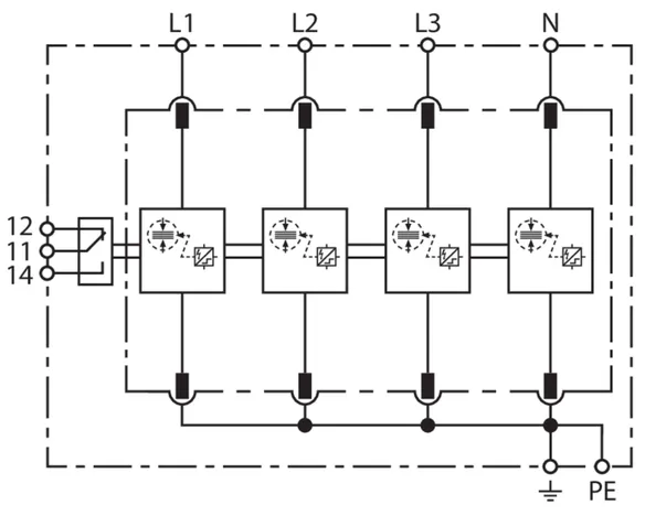
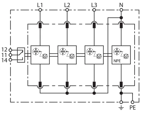
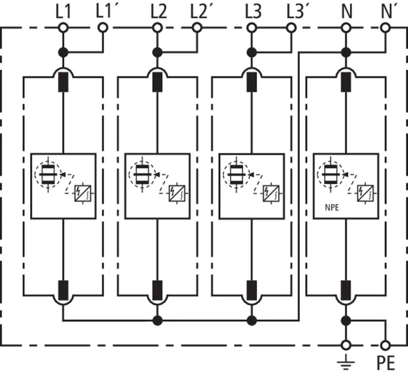
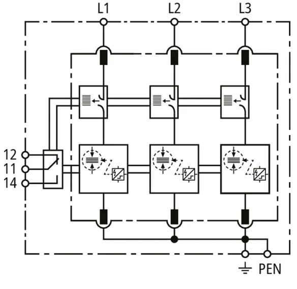
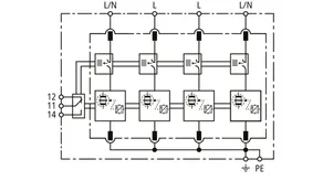
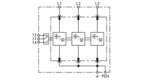
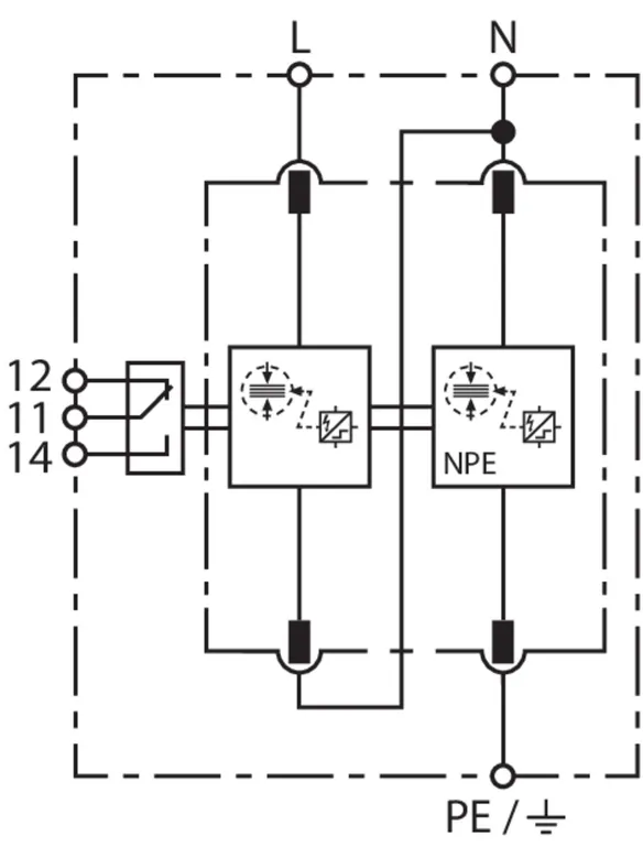
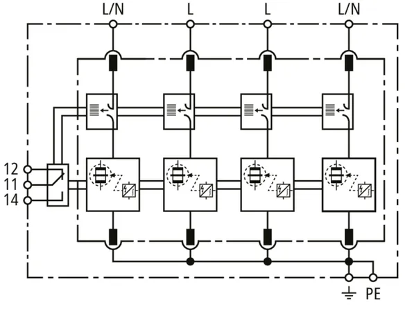
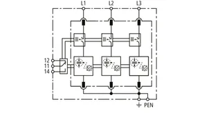
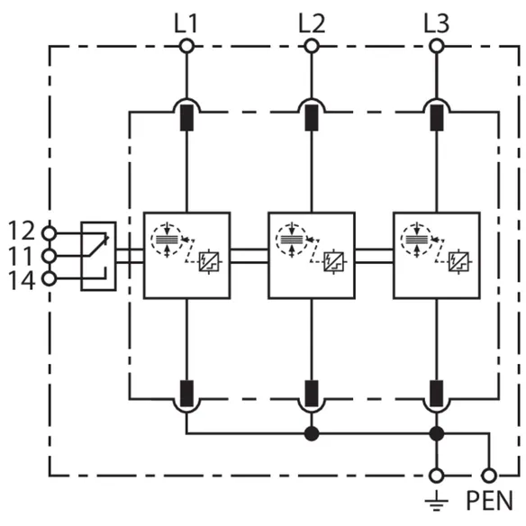
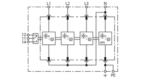
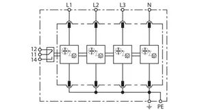
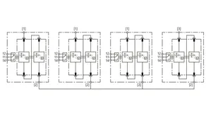
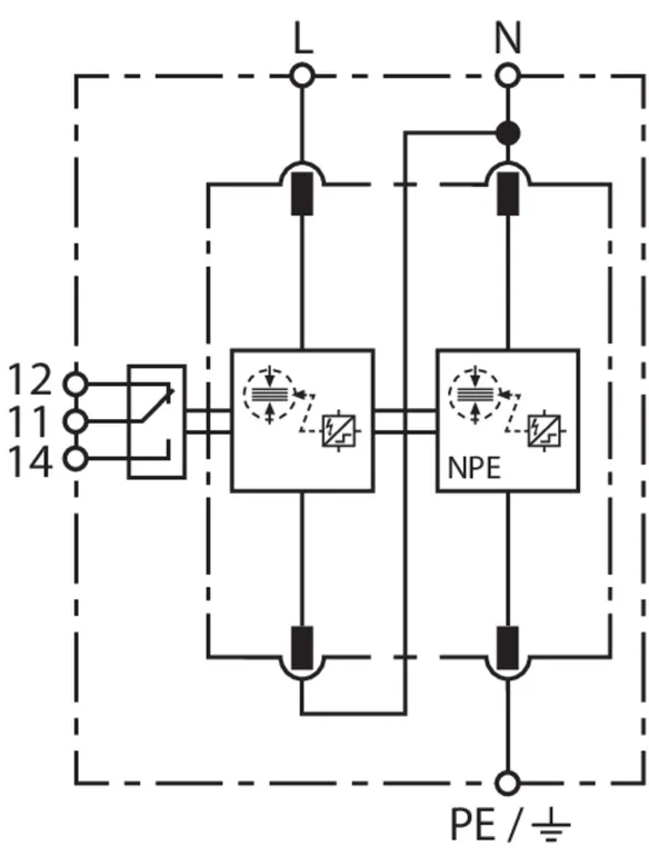
- caricatore combinato spinterometrico precablato Tipo 1 + Tipo 2 + Tipo 3, composto da elemento base e un singolo modulo di protezione innestabile
- Tecnologia spinterometrica RAC potente e per la protezione delle utenze finali
- Selettività verso fusibili 20 A gG fino a una corrente di di cortocircuito di 50 kAeff
- Capacità di scarica fino a 100 kA (10/350 μs)
- Permette la protezione di utenze finali
- Indicazione di funzionamento / guasto tramite marcatura verde / rossa nella finestrella e monitoraggio di tutti i poli
- Sostituzione semplice e senza attrezzi del modulo di protezione tramite sistema di blocco e tasto di sblocco modulo
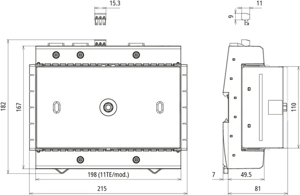
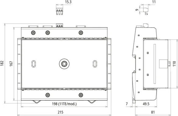
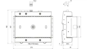
Dettagli
:quality(98)/www.elvatec.ch/store/f/63210076/HDVORSCHAU/954315a0004.jpg)
:quality(98)/www.elvatec.ch/store/f/63210076/HDVORSCHAU/954315a0004.jpg)
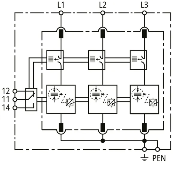
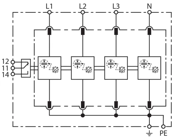
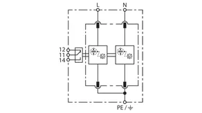
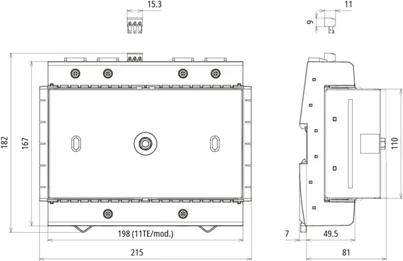
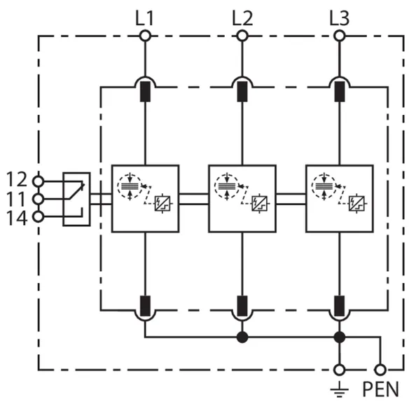
Art. 956305 DV M2 TNC 255 FM
GTIN (EAN) 4013364510586, Codice doganale (EU): 85363090, Peso lordo: 519.19 g, UM: 1.00 pz.
PredecessoreCaratteristiche tecniche
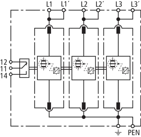
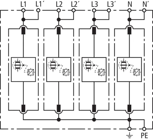
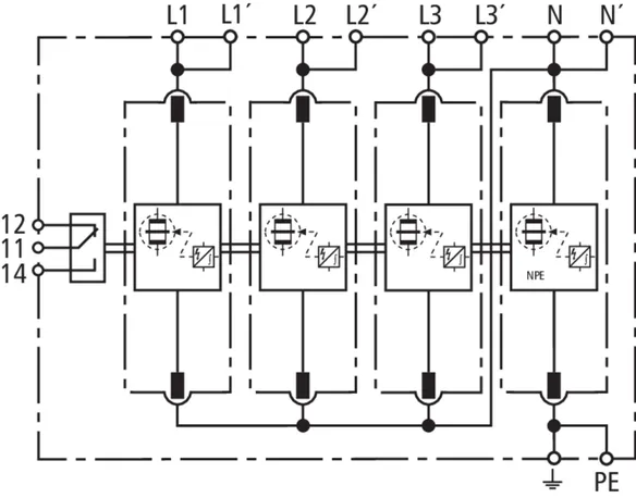
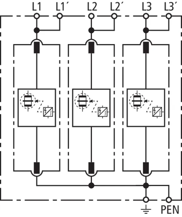
SPD secondo EN 61643-11 / ... IEC 61643-11 | Tipo 1 + Tipo 2 + Tipo 3 / Classe I + Classe II + Classe III |
Corrente impulsiva di fulmine (10/350 µs) [L1+L2+L3-PEN] (Itotal ) | 75 kA |
Corrente impulsiva di fulmine (10/350 µs) [L-PEN] (Iimp ) | 25 kA |
Livello di protezione (UP ) | ≤ 1,5 kV |
Fusibile di protezione max. (L) fino ICC = 50 kAeff | 250 A gG |
Omologazioni | VDE, KEMA, UL |
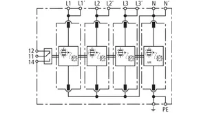
Contatto FM / tipo di contatto | sì / scambio pulito |
Dati tecnici aggiuntivi: | Utilizzo in impianti di distribuzione con possibili correnti di cortocircuito maggiori di 50 kAeff |
– Corrente di cortocircuito max. prevista | 100 kAeff (220 kApeak) |
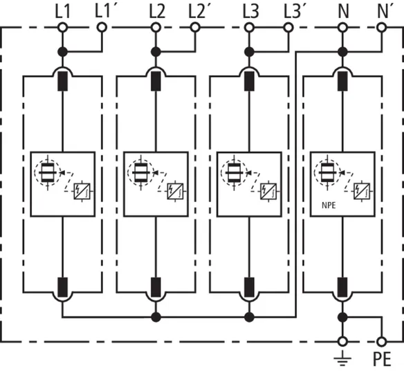
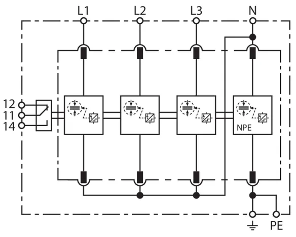
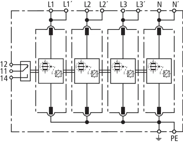
Art. 956405 DV M2 TNS 255 FM
GTIN (EAN) 4013364510562, Codice doganale (EU): 85363090, Peso lordo: 583.68 g, UM: 1.00 pz.
PredecessoreCaratteristiche tecniche
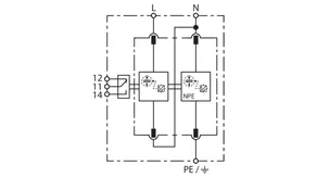
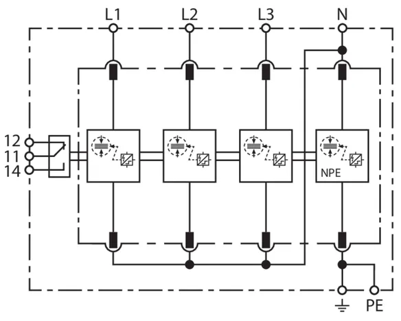
SPD secondo EN 61643-11 / ... IEC 61643-11 | Tipo 1 + Tipo 2 + Tipo 3 / Classe I + Classe II + Classe III |
Corrente impulsiva di fulmine (10/350 µs) [L1+L2+L3+N-PE] (Itotal ) | 100 kA |
Corrente impulsiva di fulmine (10/350 µs) [L, N-PE] (Iimp ) | 25 kA |
Livello di protezione [L-PE]/[N-PE] (UP ) | ≤ 1,5 / ≤ 1,5 kV |
Fusibile di protezione max. (L) fino ICC = 50 kAeff | 250 A gG |
Omologazioni | VDE, KEMA, UL |
Contatto FM / tipo di contatto | sì / scambio pulito |
Dati tecnici aggiuntivi: | Utilizzo in impianti di distribuzione con possibili correnti di cortocircuito maggiori di 50 kAeff |
– Corrente di cortocircuito max. prevista | 100 kAeff (220 kApeak) |
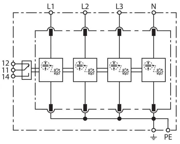
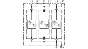
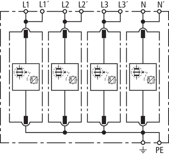
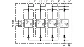
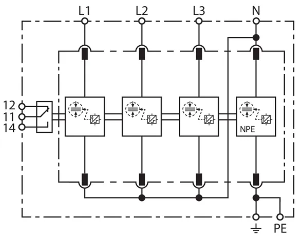
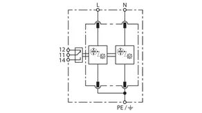
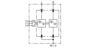
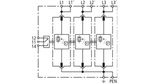
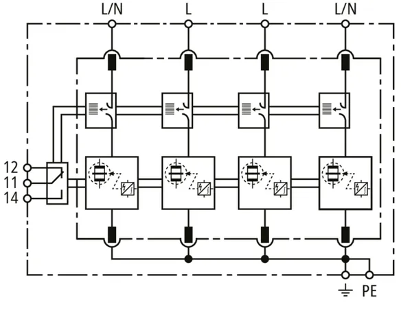
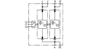
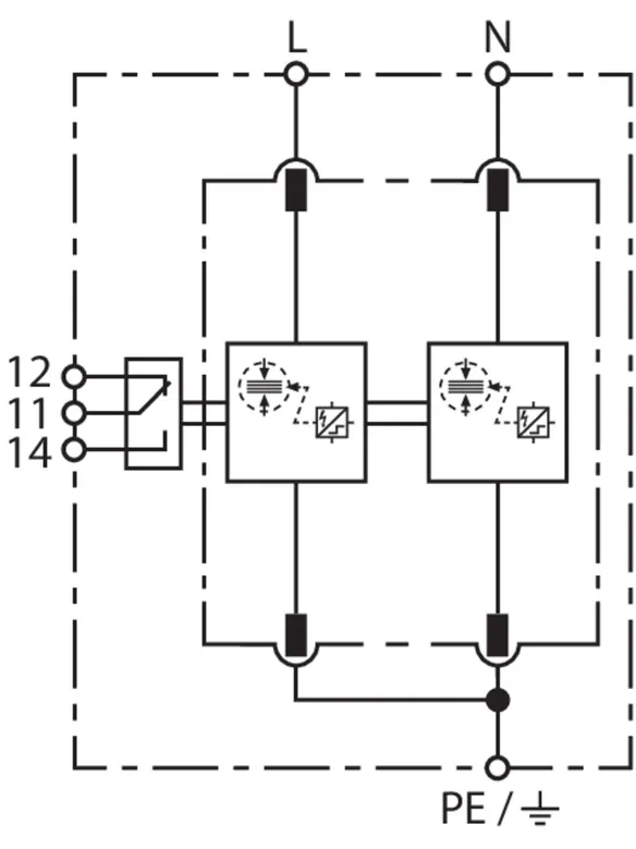
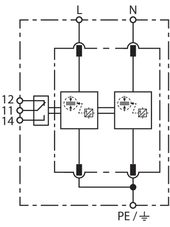
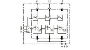
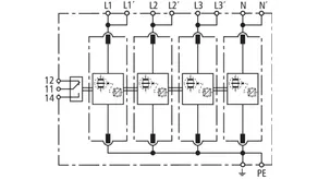
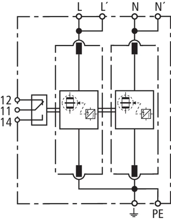
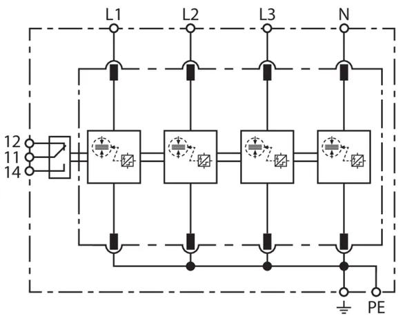
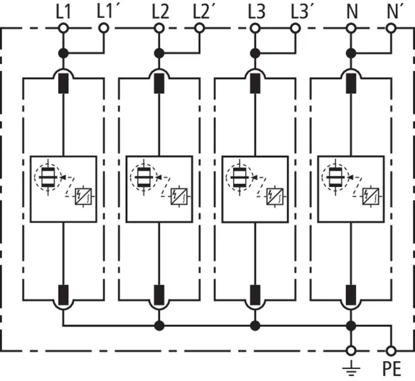
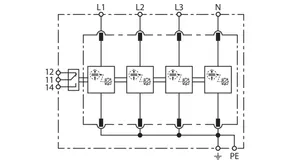
Art. 956315 DV M2 TT 255 FM
GTIN (EAN) 4013364528963, Codice doganale (EU): 85363090, Peso lordo: 616.00 g, UM: 1.00 pz.
Caratteristiche tecniche
SPD secondo EN 61643-11 / ... IEC 61643-11 | Tipo 1 + Tipo 2 + Tipo 3 / Classe I + Classe II + Classe III |
Corrente impulsiva di fulmine (10/350 µs) [L1+L2+L3+N-PE] (Itotal ) | 100 kA |
Corrente impulsiva di fulmine (10/350 µs) [L-N]/[N-PE] (Iimp ) | 25 / 100 kA |
Livello di protezione [L-N]/[N-PE] (UP ) | ≤ 1,5 / ≤ 1,5 kV |
Fusibile di protezione max. (L) fino ICC = 50 kAeff | 250 A gG |
Omologazioni | VDE, KEMA, UL |
Contatto FM / tipo di contatto | sì / scambio pulito |
Dati tecnici aggiuntivi: | Utilizzo in impianti di distribuzione con possibili correnti di cortocircuito maggiori di 50 kAeff |
– Corrente di cortocircuito max. prevista | 100 kAeff (220 kApeak ) |
Indicazioni aggiuntive: | --------------------------------- |
– Livello di protezione [L-PE] (UP ) | 1,8 kV |
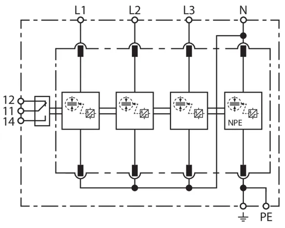
Art. 956205 DV M2 TN 255 FM
GTIN (EAN) 4013364510579, Codice doganale (EU): 85363090, Peso lordo: 311.29 g, UM: 1.00 pz.
PredecessoreCaratteristiche tecniche
SPD secondo EN 61643-11 / ... IEC 61643-11 | Tipo 1 + Tipo 2 + Tipo 3 / Classe I + Classe II + Classe III |
Corrente impulsiva di fulmine (10/350 µs) [L+N-PE] (Itotal ) | 50 kA |
Corrente impulsiva di fulmine (10/350 µs) [L, N-PE] (Iimp ) | 25 kA |
Livello di protezione [L-PE]/[N-PE] (UP ) | ≤ 1,5 / ≤ 1,5 kV |
Fusibile di protezione max. (L) fino ICC = 50 kAeff | 250 A gG |
Omologazioni | VDE, KEMA, UL |
Contatto FM / tipo di contatto | sì / scambio pulito |
Dati tecnici aggiuntivi: | Utilizzo in impianti di distribuzione con possibili correnti di cortocircuito maggiori di 50 kAeff |
– Corrente di cortocircuito max. prevista | 100 kAeff (220 kApeak) |
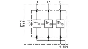
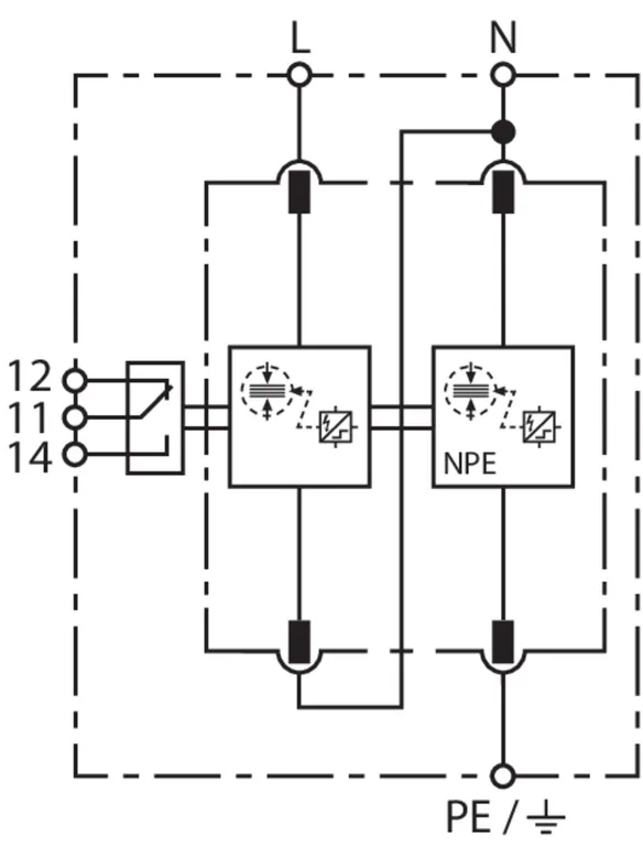
Art. 956115 DV M2 TT 2P 255 FM
GTIN (EAN) 4013364546929, Codice doganale (EU): 85363090, Peso lordo: 327.00 g, UM: 1.00 pz.
Caratteristiche tecniche
SPD secondo EN 61643-11 / ... IEC 61643-11 | Tipo 1 + Tipo 2 + Tipo 3 / Classe I + Classe II + Classe III |
Corrente impulsiva di fulmine (10/350 µs) [L+N-PE] (Itotal ) | 50 kA |
Corrente impulsiva di fulmine (10/350 µs) [L-N]/[N-PE] (Iimp ) | 25 / 50 kA |
Livello di protezione [L-N]/[N-PE] (UP ) | ≤ 1,5 / ≤ 1,5 kV |
Fusibile di protezione max. (L) fino ICC = 50 kAeff | 250 A gG |
Omologazioni | VDE, KEMA, UL |
Contatto FM / tipo di contatto | sì / scambio pulito |
Dati tecnici aggiuntivi: | Utilizzo in impianti di distribuzione con possibili correnti di cortocircuito maggiori di 50 kAeff |
– Corrente di cortocircuito max. prevista | 100 kAeff (220 kApeak) |
Indicazioni aggiuntive: | --------------------------------- |
– Livello di protezione [L-PE] (UP ) | 1,8 kV |
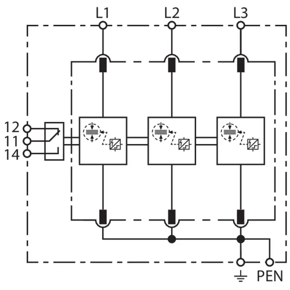
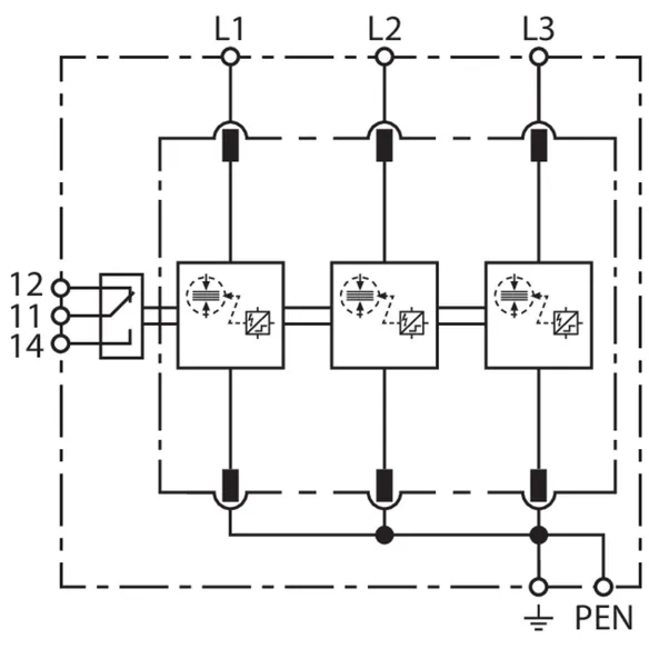
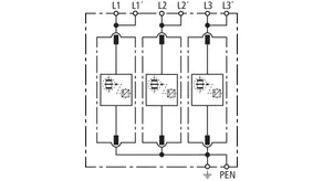
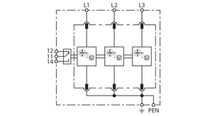
Art. 951300 DV M TNC 255
GTIN (EAN) 4013364108134, Codice doganale (EU): 85363090, Peso lordo: 1004.00 g, UM: 1.00 pz.
PredecessoreCaratteristiche tecniche
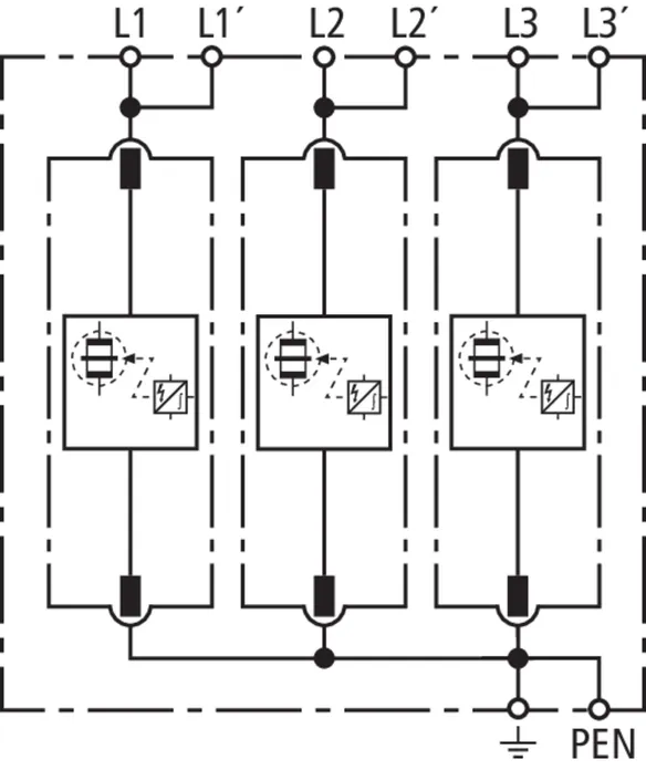
SPD secondo EN 61643-11 / ... IEC 61643-11 | Tipo 1 + Tipo 2 / Classe I + Classe II |
Corrente impulsiva di fulmine (10/350 µs) [L1+L2+L3-PEN] (Itotal ) | 75 kA |
Corrente impulsiva di fulmine (10/350 µs) [L-PEN] (Iimp ) | 25 kA |
Livello di protezione (UP ) | ≤ 1,5 kV |
Fusibile di protezione max. (L) fino ICC = 50 kAeff | 315 A gG |
Omologazioni | KEMA, VDE, UL |
Dati tecnici aggiuntivi: | Utilizzo in impianti di distribuzione con possibili correnti di cortocircuito maggiori di 50 kAeff |
– Corrente di cortocircuito max. prevista | 100 kAeff ( 220 kApeak) |
Art. 951305 DV M TNC 255 FM
GTIN (EAN) 4013364108141, Codice doganale (EU): 85363090, Peso lordo: 1020.00 g, UM: 1.00 pz.
PredecessoreCaratteristiche tecniche
SPD secondo EN 61643-11 / ... IEC 61643-11 | Tipo 1 + Tipo 2 / Classe I + Classe II |
Corrente impulsiva di fulmine (10/350 µs) [L1+L2+L3-PEN] (Itotal ) | 75 kA |
Corrente impulsiva di fulmine (10/350 µs) [L-PEN] (Iimp ) | 25 kA |
Livello di protezione (UP ) | ≤ 1,5 kV |
Fusibile di protezione max. (L) fino ICC = 50 kAeff | 315 A gG |
Omologazioni | KEMA, VDE, UL |
Contatto FM / tipo di contatto | scambio pulito |
Dati tecnici aggiuntivi: | Utilizzo in impianti di distribuzione con possibili correnti di cortocircuito maggiori di 50 kAeff |
– Corrente di cortocircuito max. prevista | 100 kAeff (220 kApeak) |
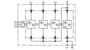
Art. 951400 DV M TNS 255
GTIN (EAN) 4013364108158, Codice doganale (EU): 85363090, Peso lordo: 1.40 kg, UM: 1.00 pz.
PredecessoreCaratteristiche tecniche
SPD secondo EN 61643-11 / ... IEC 61643-11 | Tipo 1 + Tipo 2 / Classe I + Classe II |
Corrente impulsiva di fulmine (10/350 µs) [L1+L2+L3+N-PE] (Itotal ) | 100 kA |
Corrente impulsiva di fulmine (10/350 µs) [L, N-PE] (Iimp ) | 25 kA |
Livello di protezione [L-PE]/[N-PE] (UP ) | ≤ 1,5 / ≤ 1,5 kV |
Fusibile di protezione max. (L) fino ICC = 50 kAeff | 315 A gG |
Omologazioni | KEMA, VDE, UL |
Dati tecnici aggiuntivi: | Utilizzo in impianti di distribuzione con possibili correnti di cortocircuito maggiori di 50 kAeff |
– Corrente di cortocircuito max. prevista | 100 kAeff (220 kApeak) |
Art. 951405 DV M TNS 255 FM
GTIN (EAN) 4013364108165, Codice doganale (EU): 85363090, Peso lordo: 1.40 kg, UM: 1.00 pz.
PredecessoreCaratteristiche tecniche
SPD secondo EN 61643-11 / ... IEC 61643-11 | Tipo 1 + Tipo 2 / Classe I + Classe II |
Corrente impulsiva di fulmine (10/350 µs) [L1+L2+L3+N-PE] (Itotal ) | 100 kA |
Corrente impulsiva di fulmine (10/350 µs) [L, N-PE] (Iimp ) | 25 kA |
Livello di protezione [L-PE]/[N-PE] (UP ) | ≤ 1,5 / ≤ 1,5 kV |
Fusibile di protezione max. (L) fino ICC = 50 kAeff | 315 A gG |
Omologazioni | KEMA, VDE, UL |
Contatto FM / tipo di contatto | scambio pulito |
Dati tecnici aggiuntivi: | Utilizzo in impianti di distribuzione con possibili correnti di cortocircuito maggiori di 50 kAeff |
– Corrente di cortocircuito max. prevista | 100 kAeff (220 kApeak) |
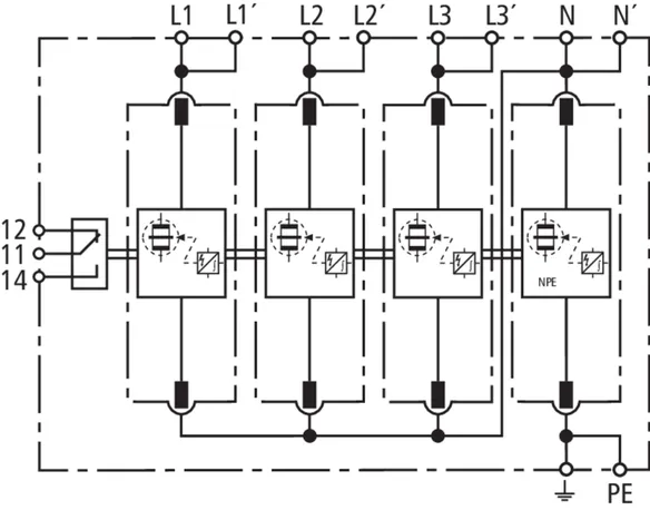
Art. 951310 DV M TT 255
GTIN (EAN) 4013364108172, Codice doganale (EU): 85363090, Peso lordo: 1.31 kg, UM: 1.00 pz.
PredecessoreCaratteristiche tecniche
SPD secondo EN 61643-11 / ... IEC 61643-11 | Tipo 1 + Tipo 2 / Classe I + Classe II |
Corrente impulsiva di fulmine (10/350 µs) [L1+L2+L3+N-PE] (Itotal ) | 100 kA |
Corrente impulsiva di fulmine (10/350 µs) [L-N]/[N-PE] (Iimp ) | 25 / 100 kA |
Livello di protezione [L-N]/[N-PE] (UP ) | ≤ 1,5 / ≤ 1,5 kV |
Fusibile di protezione max. (L) fino ICC = 50 kAeff | 315 A gG |
Omologazioni | KEMA, VDE, UL |
Dati tecnici aggiuntivi: | Utilizzo in impianti di distribuzione con possibili correnti di cortocircuito maggiori di 50 kAeff |
– Corrente di cortocircuito max. prevista | 100 kAeff (220 kApeak) |
Indicazioni aggiuntive: | --------------------------------- |
– Livello di protezione [L-PE] (UP ) | 2,2 kV |
Art. 951315 DV M TT 255 FM
GTIN (EAN) 4013364108189, Codice doganale (EU): 85363090, Peso lordo: 1.32 kg, UM: 1.00 pz.
PredecessoreCaratteristiche tecniche
SPD secondo EN 61643-11 / ... IEC 61643-11 | Tipo 1 + Tipo 2 / Classe I + Classe II |
Corrente impulsiva di fulmine (10/350 µs) [L1+L2+L3+N-PE] (Itotal ) | 100 kA |
Corrente impulsiva di fulmine (10/350 µs) [L-N]/[N-PE] (Iimp ) | 25 / 100 kA |
Livello di protezione [L-N]/[N-PE] (UP ) | ≤ 1,5 / ≤ 1,5 kV |
Fusibile di protezione max. (L) fino ICC = 50 kAeff | 315 A gG |
Omologazioni | KEMA, VDE, UL |
Contatto FM / tipo di contatto | scambio pulito |
Dati tecnici aggiuntivi: | Utilizzo in impianti di distribuzione con possibili correnti di cortocircuito maggiori di 50 kAeff |
– Corrente di cortocircuito max. prevista | 100 kAeff (220 kApeak ) |
Indicazioni aggiuntive: | --------------------------------- |
– Livello di protezione [L-PE] (UP ) | 2,2 kV |
Art. 951200 DV M TN 255
GTIN (EAN) 4013364108097, Codice doganale (EU): 85363090, Peso lordo: 754.00 g, UM: 1.00 pz.
PredecessoreCaratteristiche tecniche
SPD secondo EN 61643-11 / ... IEC 61643-11 | Tipo 1 + Tipo 2 / Classe I + Classe II |
Corrente impulsiva di fulmine (10/350 µs) [L+N-PE] (Itotal ) | 50 kA |
Corrente impulsiva di fulmine (10/350 µs) [L, N-PE] (Iimp ) | 25 kA |
Livello di protezione [L-PE]/[N-PE] (UP ) | ≤ 1,5 / ≤ 1,5 kV |
Fusibile di protezione max. (L) fino ICC = 50 kAeff | 315 A gG |
Omologazioni | KEMA, VDE, UL |
Dati tecnici aggiuntivi: | Utilizzo in impianti di distribuzione con possibili correnti di cortocircuito maggiori di 50 kAeff |
– Corrente di cortocircuito max. prevista | 100 kAeff (220 kApeak) |
Art. 951205 DV M TN 255 FM
GTIN (EAN) 4013364108103, Codice doganale (EU): 85363090, Peso lordo: 698.50 g, UM: 1.00 pz.
PredecessoreCaratteristiche tecniche
SPD secondo EN 61643-11 / ... IEC 61643-11 | Tipo 1 + Tipo 2 / Classe I + Classe II |
Corrente impulsiva di fulmine (10/350 µs) [L+N-PE] (Itotal ) | 50 kA |
Corrente impulsiva di fulmine (10/350 µs) [L, N-PE] (Iimp ) | 25 kA |
Livello di protezione [L-PE]/[N-PE] (UP ) | ≤ 1,5 / ≤ 1,5 kV |
Fusibile di protezione max. (L) fino ICC = 50 kAeff | 315 A gG |
Omologazioni | KEMA, VDE, UL |
Contatto FM / tipo di contatto | scambio pulito |
Dati tecnici aggiuntivi: | Utilizzo in impianti di distribuzione con possibili correnti di cortocircuito maggiori di 50 kAeff |
– Corrente di cortocircuito max. prevista | 100 kAeff (220 kApeak) |
Art. 951110 DV M TT 2P 255
GTIN (EAN) 4013364108110, Codice doganale (EU): 85363090, Peso lordo: 688.59 g, UM: 1.00 pz.
PredecessoreCaratteristiche tecniche
SPD secondo EN 61643-11 / ... IEC 61643-11 | Tipo 1 + Tipo 2 / Classe I + Classe II |
Corrente impulsiva di fulmine (10/350 µs) [L+N-PE] (Itotal ) | 50 kA |
Corrente impulsiva di fulmine (10/350 µs) [L-N]/[N-PE] (Iimp ) | 25 / 50 kA |
Livello di protezione [L-N]/[N-PE] (UP ) | ≤ 1,5 / ≤ 1,5 kV |
Fusibile di protezione max. (L) fino ICC = 50 kAeff | 315 A gG |
Omologazioni | KEMA, VDE, UL |
Dati tecnici aggiuntivi: | Utilizzo in impianti di distribuzione con possibili correnti di cortocircuito maggiori di 50 kAeff |
– Corrente di cortocircuito max. prevista | 100 kAeff (220 kApeak) |
Indicazioni aggiuntive: | --------------------------------- |
– Livello di protezione [L-PE] (UP ) | 2,2 kV |
Art. 951115 DV M TT 2P 255 FM
GTIN (EAN) 4013364108127, Codice doganale (EU): 85363090, Peso lordo: 694.38 g, UM: 1.00 pz.
PredecessoreCaratteristiche tecniche
SPD secondo EN 61643-11 / ... IEC 61643-11 | Tipo 1 + Tipo 2 / Classe I + Classe II |
Corrente impulsiva di fulmine (10/350 µs) [L+N-PE] (Itotal ) | 50 kA |
Corrente impulsiva di fulmine (10/350 µs) [L-N]/[N-PE] (Iimp ) | 25 / 50 kA |
Livello di protezione [L-N]/[N-PE] (UP ) | ≤ 1,5 / ≤ 1,5 kV |
Fusibile di protezione max. (L) fino ICC = 50 kAeff | 315 A gG |
Omologazioni | KEMA, VDE, UL |
Contatto FM / tipo di contatto | scambio pulito |
Dati tecnici aggiuntivi: | Utilizzo in impianti di distribuzione con possibili correnti di cortocircuito maggiori di 50 kAeff |
– Corrente di cortocircuito max. prevista | 100 kAeff (220 kApeak) |
Indicazioni aggiuntive: | --------------------------------- |
– Livello di protezione [L-PE] (UP ) | 2,2 kV |
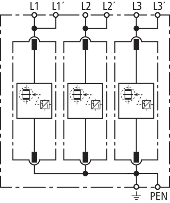
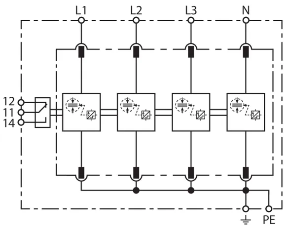
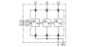
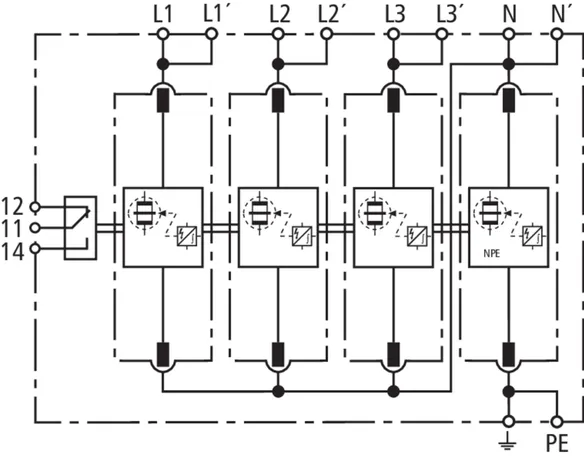
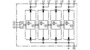
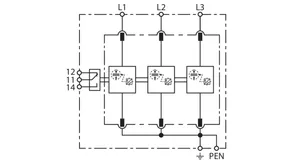
Art. 961305 DV ACI M TNC 264 FM
GTIN (EAN) 4013364513440, Codice doganale (EU): 85363090, Peso lordo: 2.42 kg, UM: 1.00 pz.
Caratteristiche tecniche
SPD secondo EN 61673-11 / IEC 61643-11 | Tipo 1 + tipo 2 + tipo 3 / classe I + classe II + classe III |
Corrente impulsiva di fulmine (10/350 µs) [L1+L2+L3-PEN] (Itotal ) | 75 kA |
Corrente impulsiva di fulmine (10/350 µs) [L-PEN] (Iimp ) | 25 kA |
Livello di protezione (UP ) | ≤ 1,5 kV |
Dati tecnici aggiuntivi: | Utilizzo in impianti di distribuzione con possibili correnti di cortocircuito maggiori di 50 kAeff |
– Corrente di cortocircuito max. prevista | 100 kAeff (220 kApeak) |
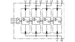
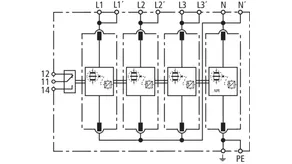
Art. 961405 DV ACI M TNS 264 FM
GTIN (EAN) 4013364513365, Codice doganale (EU): 85363090, Peso lordo: 2.42 kg, UM: 1.00 pz.
Caratteristiche tecniche
SPD secondo EN 61673-11 / IEC 61643-11 | Tipo 1 + tipo 2 + tipo 3 / classe I + classe II + classe III |
Corrente impulsiva di fulmine (10/350 µs) [L1+L2+L3+N-PE] (Itotal ) | 100 kA |
Corrente impulsiva di fulmine (10/350 µs) [L, N-PE] (Iimp ) | 25 kA |
Livello di protezione [L-PE]/[N-PE] (UP ) | ≤ 1,5 kV |
Dati tecnici aggiuntivi: | Utilizzo in impianti di distribuzione con possibili correnti di cortocircuito maggiori di 50 kAeff |
– Corrente di cortocircuito max. prevista | 100 kAeff (220 kApeak) |
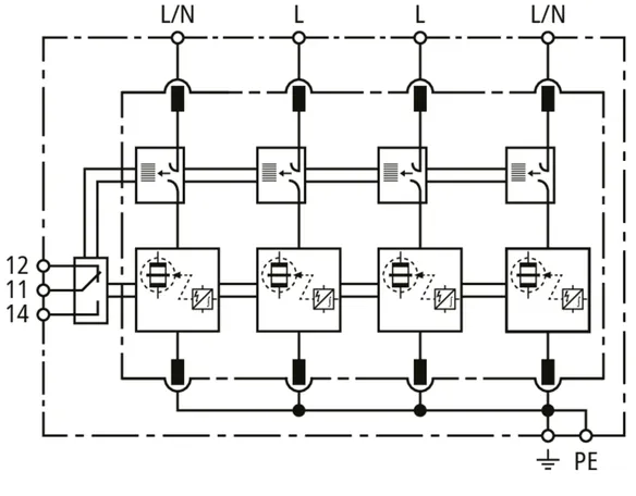
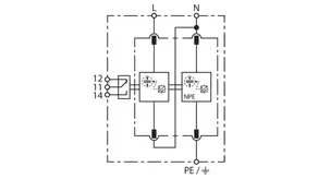
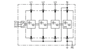
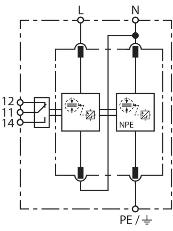
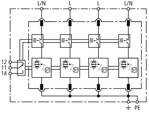
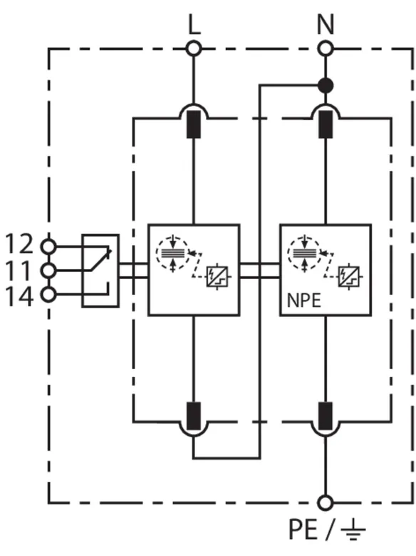
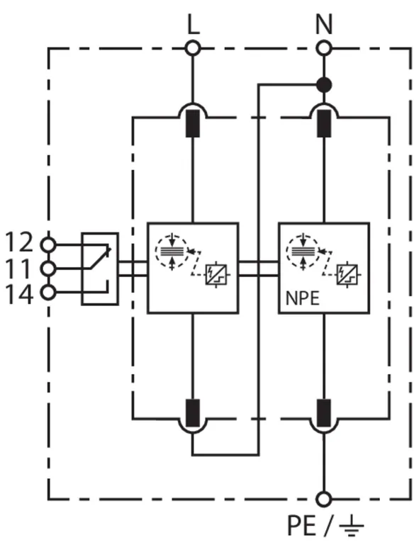
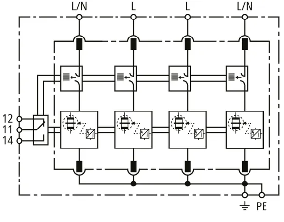
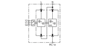
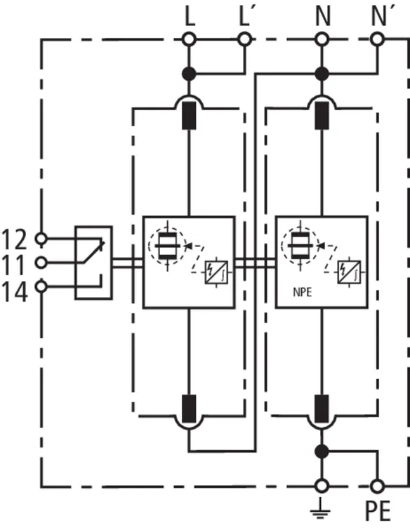
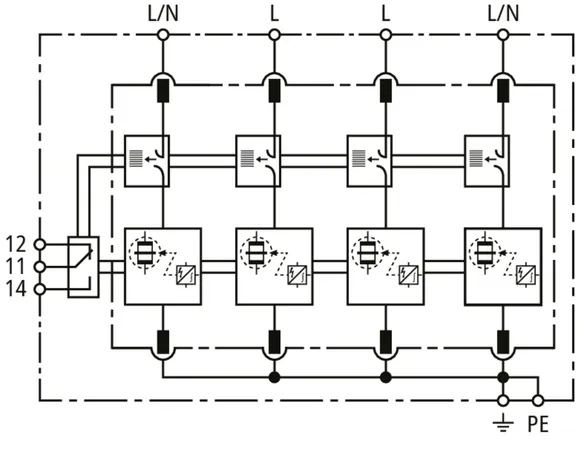
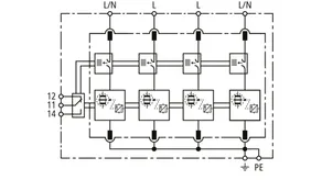
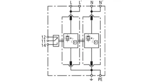
DEHNventil M2 880 FM
Set costituito da scaricatori di corrente di fulmine e di sovratensione innestabili, inclusa barra di cablaggio del modulo isolata applicabile in sistemi a inverter con anti-PID attivo, con offset DC massimo pari a 750 V DC. Collegamento degli impianti di messa a terra conforme alla norma IEC 60364-4-44, Tabella 44.A1 - collegamento tra RE e Z e tra RE e RA.
1 Prodotto
Art. 961151 DV M2 880 FM
GTIN (EAN) 4013364532557, Codice doganale (EU): 85363090, Peso lordo: 1.07 kg, UM: 1.00 pz.
Caratteristiche tecniche
SPD secondo EN 61643-11 / ... IEC 61643-11 | Tipo 1 + Tipo 2 / Classe I + Classe II |
Corrente di fulmine (10/350 µs) [1,2-3] (Iimp ) | 12,5 kA |
Fusibile di protezione max. (L) fino ICC = 50 kAeff | 160 A gG |
Contatto FM / tipo di contatto | sì / contatto di scambio |
Indicazioni aggiuntive: | --------------------------------- |
– Tensione anti-PID (U1-3 + UPID ) | 508 VAC + 750 VDC – Tenuta |