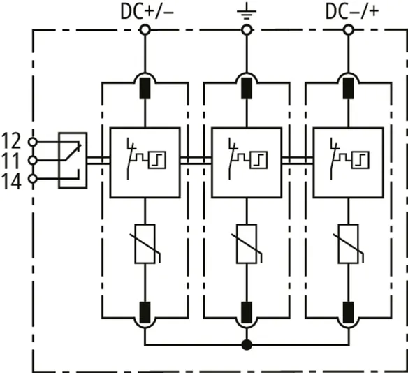
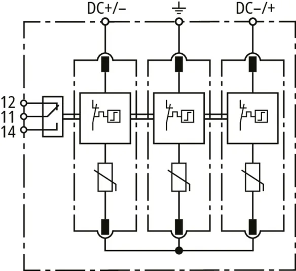
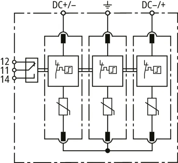
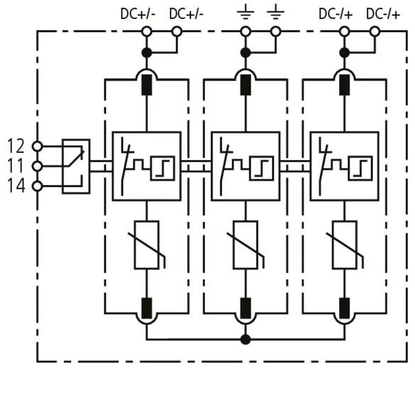
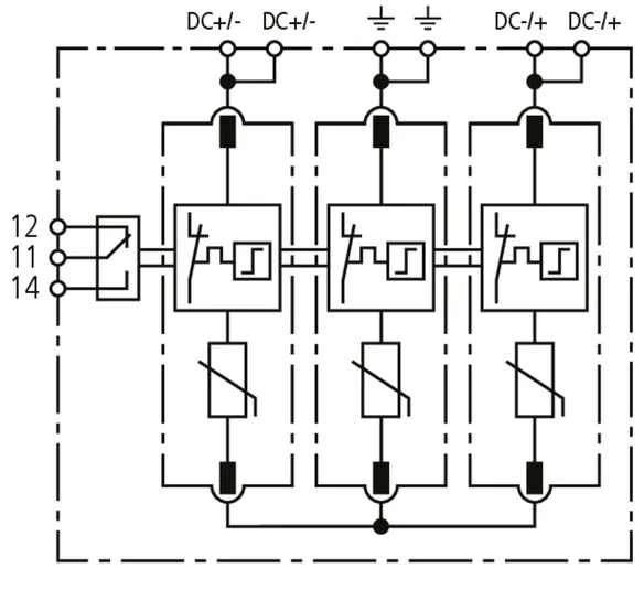
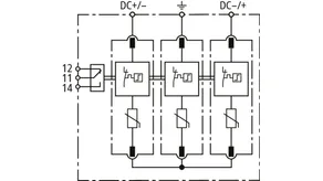
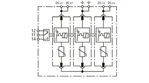
DEHNguard modular YPV ... FM

  • Unità completa precablata per impianti fotovoltaici, costituita da basetta e moduli di protezione a innesto
  • Circuito a Y resistente ai guasti con tre varistori ad alte prestazioni, evita il danneggiamento della protezione da sovratensioni in caso di guasto dell’isolamento nel circuito del generatore
  • Collaudato secondo la noma EN 61643-31
  • Elevata sicurezza del monitoraggio attraverso il dispositivo di sezionamento "Thermo-Dynamik-Control"
  • Visualizzazione del guasto tramite marcatura rossa nella finestrella di controllo
  • Utilizzabile secondo la norma IEC 60364-7-712 “realizzazione di impianti fotovoltaici"

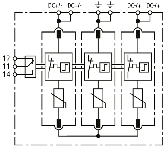
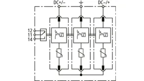
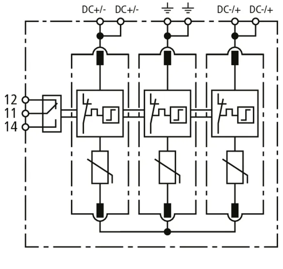
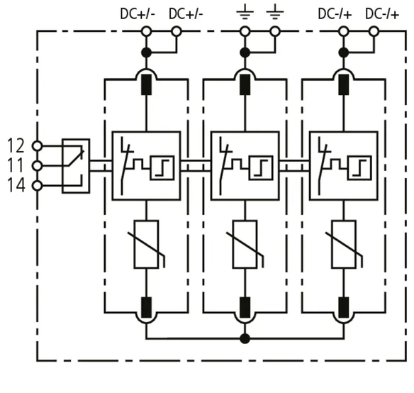
DEHNguard MP YPV ... FM

Limitatore di sovratensione modulare multipolare per impianti FV con contatto di telesegnalamento per unità di monitoraggio (contatto di scambio pulito).

2 Prodotti

Art. 942565 DG MP YPV 1200 FM

GTIN (EAN) 4013364495685, Codice doganale (EU): 85354000, Peso lordo: 355.99 g, UM: 1.00 pz.


Immagini

Maggior informazioni

Limitatore di sovratensione DEHNguard MP YPV 1200 FM
SPD fotovoltaico multipolare, modulare, innestabile
con doppio morsetto di collegamento Push-in adatto a
cablaggio in derivazione e passante a "V”
fino a 1170 V DC, larghezza 3 unità
Indicazione di difetto
Con contatto di telesegnalamento
Tipo 2 secondo la norma EN 61643-31
Utilizzabile secondo la norma IEC 60364-7-712
Tensione FV massima: <= 1170 V DC
Corrente impulsiva complessiva di scarica: 40 kA
Livello di protezione: <= 4 kV
Tenuta al cortocircuito Iscpv: 10 kA

Fabbricato: DEHN
Tipo: DG MP YPV 1200 FM
Art.: 942565
o similare.

Certificati

 

Caratteristiche tecniche

SPD secondo la norma EN 61643-31 / ... IEC 61643-31 Tipo 2 / Classe II
Tensione max FV (UCPV ) 1170 V
Tenuta al corto circuito (ISCPV ) 10 kA
Corrente impulsiva nominale di scarica (8/20 µs) [(DC+/DC-) --> PE] (In ) 20 kA
Corrente impulsiva max di scarica (8/20 µs) [(DC+/DC-) --> PE] (Imax ) 40 kA
Livello di protezione (UP ) ≤ 4 kV
Contatto di segnalamento FM / tipo di contatto scambio

Prodotto 942565 è stato aggiunto al blocco note.

Prodotto 942565 è stato aggiunto al carrello.

Apri Web-Shop

Art. 942567 DG MP YPV 1500 FM

GTIN (EAN) 4013364495678, Codice doganale (EU): 85354000, Peso lordo: 387.05 g, UM: 1.00 pz.


Immagini

Maggior informazioni

Limitatore di sovratensione DEHNguard MP YPV 1500 FM
SPD fotovoltaico multipolare, modulare, innestabile
con doppio morsetto di collegamento Push-in adatto a
cablaggio in derivazione e passante a "V”
fino a 1500 V DC, larghezza 3 unità
Indicazione di difetto
Con contatto di telesegnalamento
Tipo 2 secondo la norma EN 61643-31
Utilizzabile secondo la norma IEC 60364-7-712
Tensione FV massima: <= 1500 V DC
Corrente impulsiva complessiva di scarica: 40 kA
Livello di protezione: <= 5 kV
Tenuta al cortocircuito Iscpv: 10 kA

Fabbricato: DEHN
Tipo: DG MP YPV 1500 FM
Art.: 942567
o similare.

Certificati

 

Caratteristiche tecniche

SPD secondo la norma EN 61643-31 / ... IEC 61643-31 Tipo 2 / Classe II
Tensione max FV (UCPV ) 1500 V
Tenuta al corto circuito (ISCPV ) 10 kA
Corrente impulsiva nominale di scarica (8/20 µs) [(DC+/DC-) --> PE] (In ) 15 kA
Corrente impulsiva max di scarica (8/20 µs) [(DC+/DC-) --> PE] (Imax ) 40 kA
Livello di protezione (UP ) ≤ 5 kV
Contatto di segnalamento FM / tipo di contatto scambio

Prodotto 942567 è stato aggiunto al blocco note.

Prodotto 942567 è stato aggiunto al carrello.

Apri Web-Shop

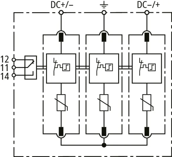
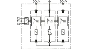
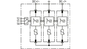
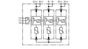
DEHNguard M YPV ... FM

Limitatore di sovratensione modulare multipolare per impianti FV con contatto di telesegnalametno per controllo a distanza (contatto di scambio pulito).

2 Prodotti

Art. 952565 DG M YPV 1200 FM

GTIN (EAN) 4013364327719, Codice doganale (EU): 85354000, Peso lordo: 382.00 g, UM: 1.00 pz.


Immagini

Maggior informazioni

Limitatore di sovratensione DEHNguard M YPV 1200 FM
SPD fotovoltaico multipolare, modulare, innestabile
fino a 1170 V DC, larghezza 3 unità modulari
Indicazione di difetto
Tipo 2 secondo la norma EN 61643-31
Utilizzabile secondo la norma IEC 60364-7-712
Tensione FV massima: <= 1170 V DC
Corrente impulsiva complessiva di scarica: 40 kA
Livello di protezione: <= 4 kV
Tenuta al cortocircuito Iscpv: 10 kA

Fabbricato: DEHN
Tipo: DG M YPV 1200 FM
Art.: 952565
o similare.

Certificati

 

Caratteristiche tecniche

SPD secondo la norma EN 61643-31 / ... IEC 61643-31 Tipo 2 / Classe II
Tensione max FV (UCPV ) 1170 V
Tenuta al corto circuito (ISCPV ) 10 kA
Corrente impulsiva nominale di scarica (8/20 µs) [(DC+/DC-) --> PE] (In ) 20 kA
Corrente impulsiva max di scarica (8/20 µs) [(DC+/DC-) --> PE] (Imax ) 40 kA
Livello di protezione (UP ) ≤ 4 kV
Omologazioni UL, KEMA
Contatto di segnalamento FM / tipo di contatto scambio

Prodotto 952565 è stato aggiunto al blocco note.

Prodotto 952565 è stato aggiunto al carrello.

Apri Web-Shop

Art. 952567 DG M YPV 1500 FM

GTIN (EAN) 4013364327726, Codice doganale (EU): 85354000, Peso lordo: 411.20 g, UM: 1.00 pz.


Immagini

Maggior informazioni

Limitatore di sovratensione DEHNguard M YPV 1500 FM
SPD fotovoltaico multipolare, modulare, innestabile
fino a 1500 V DC, larghezza 3 unità modulari
Indicazione di difetto
Con contatto di telesegnalamento
Tipo 2 secondo la norma EN 61643-31
Utilizzabile secondo la norma IEC 60364-7-712
Tensione FV massima: <= 1500 V DC
Corrente impulsiva complessiva di scarica: 40 kA
Livello di protezione: <= 5 kV
Tenuta al cortocircuito Iscpv: 10 kA

Fabbricato: DEHN
Tipo: DG M YPV 1500 FM
Art.: 952567
o similare.

Certificati

 

Caratteristiche tecniche

SPD secondo la norma EN 61643-31 / ... IEC 61643-31 Tipo 2 / Classe II
Tensione max FV (UCPV ) 1500 V
Tenuta al corto circuito (ISCPV ) 10 kA
Corrente impulsiva nominale di scarica (8/20 µs) [(DC+/DC-) --> PE] (In ) 15 kA
Corrente impulsiva max di scarica (8/20 µs) [(DC+/DC-) --> PE] (Imax ) 40 kA
Livello di protezione (UP ) ≤ 5 kV
Omologazioni UL, KEMA
Contatto di segnalamento FM / tipo di contatto scambio

Prodotto 952567 è stato aggiunto al blocco note.

Prodotto 952567 è stato aggiunto al carrello.

Apri Web-Shop

back to top