Barra equipotenziale trasmissioni

Barre di messa a terra in INOX (V4A): soluzioni robuste e durature per le connessioni di messa a terra nell'ingegneria delle trasmissioni. Disponibili con 6 o 3 punti di connessione, offrono la massima flessibilità e una facile installazione grazie ai connettori KS e al fissaggio con bulloni.

Omologazione: secondo VG 96953-7

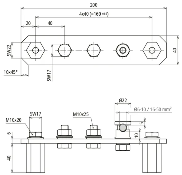
3 collegamenti

1 Prodotto

Art. 472246 PAS 3AP M10 KSM10 V4A

GTIN (EAN) 4013364459885, Codice doganale (EU): 85359000, Peso lordo: 768.00 g, UM: 1.00 pz.


Immagini

Maggior informazioni

Barra equipotenziale in INOX (V4A)
da avvitare su supporto esagonale
1x connettore KS, 2x vite e dado
Numero collegamenti: 3
Collegamenti: 1x connettore KS, 2x morsetto a vite M10
Materiale: Inox (V4A)
Materiale n. : 1.4571 / 1.4404 / 1.4401
Dimensione: 200 x 40 x 6 mm
Sezione: 240 mm2
Corrente di corto circuito (AC 50 Hz / DC): 8,9 kA
Vite: M10 x 25 mm
Campo di serraggio del connettore KS Td: 6-10 mm
Omologazione: secondo VG96953
Denominazione militare: VG96953T07E

Fabbricato: DEHN
Tipo: PAS 3AP M10 KSM10 V4A
Art.: 472246
o similare.

Certificati

 

Caratteristiche tecniche

Numero collegamenti 3
Collegamenti 1x connettore KS, 2x morsetto a vite M10
Materiale Inox (V4A)
Dimensione (lu x la x p1) 200 x 40 x 6 mm
Sezione 240 mm2
Corrente di corto circuito (AC 50 Hz / DC) (1 s; ≤ 300 °C) 8,9 kA
Vite di M10 x 25 mm
Campo di serraggio del connettore KS Td 6-10 mm
Omologazione secondo VG96953

Prodotto 472246 è stato aggiunto al blocco note.

Prodotto 472246 è stato aggiunto al carrello.

Apri Web-Shop

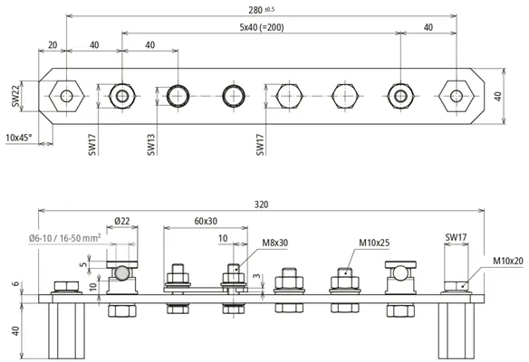
6 collegamenti

1 Prodotto

Art. 472245 PAS 6AP M8 M10 KSM10 V4A

GTIN (EAN) 4013364449268, Codice doganale (EU): 85359000, Peso lordo: 1.12 kg, UM: 1.00 pz.


Immagini

Maggior informazioni

Barra equipotenziale in INOX (V4A)
da avvitare su supporto esagonale
2x connettore KS, 1x Pt - 30 mm,
2x vite e dado
Numero collegamenti: 6
Collegamenti: 2x connettore KS, 1x linguetta Pt 30 mm, 2x connettore a vite M10
Materiale: Inox (V4A)
Materiale n. : 1.4571 / 1.4404 / 1.4401
Dimensione: 320 x 40 x 6 mm
Sezione: 240 mm2
Corrente di corto circuito (AC 50 Hz / DC): 8,9 kA
Vite: M8 x 30 mm / M10 x 25 mm
Campo di serraggio del connettore KS Td: 6-10 mm
Omologazione: secondo VG96953
Denominazione militare: VG96953T07D

Fabbricato: DEHN
Tipo: PAS 6AP M8 M10 KSM10 V4A
Art.: 472245
o similare.

Certificati

 

Caratteristiche tecniche

Numero collegamenti 6
Collegamenti 2x connettore KS, 1x linguetta Pt 30 mm, 2x connettore a vite M10
Materiale Inox (V4A)
Dimensione (lu x la x p1) 320 x 40 x 6 mm
Sezione 240 mm2
Corrente di corto circuito (AC 50 Hz / DC) (1 s; ≤ 300 °C) 8,9 kA
Vite di M8 x 30 mm / M10 x 25 mm
Campo di serraggio del connettore KS Td 6-10 mm
Omologazione secondo VG96953

Prodotto 472245 è stato aggiunto al blocco note.

Prodotto 472245 è stato aggiunto al carrello.

Apri Web-Shop

back to top