Les services de votre tableau de bord.
Inscrivez-vous pour accéder à tous les outils.

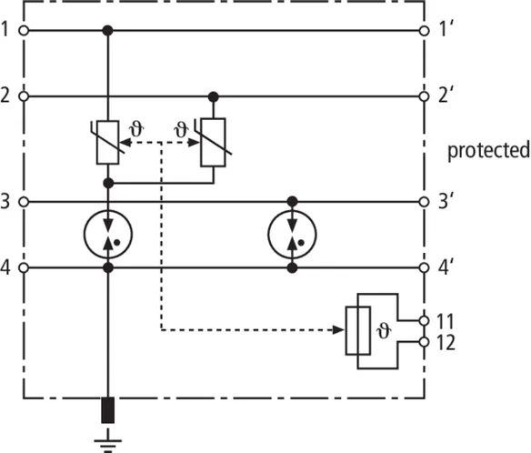
DEHNvario

La gamme de parafoudres variables
  • Montage simple et rapide grâce aux bornes de raccordements compactes
  • Les conducteurs sont enfichés directement ce qui permet un raccordement sans outillage
  • Remplacement rapide des modules : détacher et retirer les bornes de raccordement
  • Mise à la terre et équilibrage de potentiel via le rail DIN
  • Adapté aux désirs du client et a chaque application

Détails

Les conducteurs sont enfichés directement ce qui permet un raccordement sans outillage.
lorem ipsum
Une indication intégrable est disponible en option.
lorem ipsum
Contact de mise à la terre résistant aux courants de foudre.
lorem ipsum
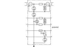
Exemple de solution : Parafoudre compact 3 en 1 pour la protection de 3 interfaces dans un seul appareil.
lorem ipsum
Ouvertures intégrées dans les bornes de raccordement pour un contrôle des signaux à l'aide des tiges.
lorem ipsum
Débranchement facile des bornes de raccordement pour un remplacement rapide des modules.
lorem ipsum

DVR 2 BY S 150 FM

Parafoudre combiné et compact pour la protection des systèmes électroacoustiques (par ex. des systèmes d’alarme vocale ou des haut-parleurs). Protection d'une paire avec séparation galvanique et possibilité de mise à la terre directe ou indirecte du blindage.
Les conducteurs sont enfichés directement ce qui permet un raccordement rapide, simple et sans outillage. Pour un remplacement simple des modules, les bornes de raccordement peuvent être débranchées et retirées facilement du boîtier. Avec contact de télésignalisation intégrée (signal d'ouverture).

1 Produit

Référence de la pièce 928430 DVR 2 BY S 150 FM

GTIN 4013364261389, Clients tariffs no (UE): 85363010, Poids brut: 161.30 g, Prix unitaire: 1.00 pièce(s)


Images

Plus d'informations


Tension nominale AC: 100 V
Tension d’utilisation permanente max DC: 150 V
Tension d’utilisation permanente max AC: 110 V
Courant nominal à 70° C: 10 A
Courant nominal à 80 °C: 7 A
D1 Courant de foudre (10/350 µs) par conducteur: 2,5 kA
D1 Courant de foudre (10/350 µs) total: 9 kA
C2 Courant nominal de décharge (8/20 µs) par conducteur: 7,5 kA
C2 Courant nominal de décharge (8/20 µs) total: 22,5 kA
Bande passante cond-cond: 1,4 MHz
Indice de protection: IP 20

produit : DEHN
Type: DVR 2 BY S 150 FM
Référence: 928430
ou équivalent

Certificats

 

Caractéristiques techniques

Classe SPD L
Tension d’utilisation permanente max DC (UC ) 150 V
Courant nominal à 70° C (IL ) 10 A
Courant nominal à 80 °C (IL ) 7 A
D1 Courant de foudre (10/350 µs) par conducteur (Iimp ) 2,5 kA
C2 Courant nominal de décharge (8/20 µs) total (In ) 22,5 kA
Bande passante cond-cond (fG ) 1,4 MHz

Le produit 928430 a été ajouté au bloc-notes

Le produit 928430 a été ajouté au panier.


DVR BNC RS485 230

Parafoudre 3 en 1 compact pour la protection de systèmes de caméras analogiques. Protection du signal de vidéo (raccordement BNC), d'un signal de données (RS485) et d'une alimentation en tension (230 V AC). Les conducteurs sont enfichés directement ce qui permet un raccordement rapide, simple et sans outillage. Pour un remplacement simple des modules, les bornes de raccordement peuvent être débranchées et retirées facilement du boîtier. Avec une indication de défaut simple (230 V).

1 Produit

Référence de la pièce 928440 DVR BNC RS485 230

GTIN 4013364280809, Clients tariffs no (UE): 85363010, Poids brut: 185.50 g, Prix unitaire: 1.00 pièce(s)


Images

Plus d'informations



produit : DEHN
Type: DVR BNC RS485 230
Référence: 928440
ou équivalent

 

Caractéristiques techniques

Vidéo (BNC)
Classe SPD U
Tension d’utilisation permanente max DC (UC ) 6,4 V
Courant nominal (IL ) 0,1 A
C2 Courant nominal de décharge (8/20 µs) blindage-terre (In ) 10 kA
Pertes par insertion sous 300 MHz (75 ohm) ≤ 3,0 dB
Raccordement d'entrée/de sortie prise BNC/prise BNC
Réseaux de données (RS485)
Classe SPD T
Tension d’utilisation permanente max DC (UC ) 8 V
Courant nominal (IL ) 0,5 A
C2 Courant nominal de décharge (8/20 µs) total (In ) 10 kA
Bande passante cond-cond (fG ) 100 MHz
Réseaux de puissance (230 V)
Classe SPD Type 2 / Classe II
Tension d’utilisation permanente max AC [L-N] (UC ) 255 V (50 / 60 Hz)
Tension d’utilisation permanente max AC [N-PE] (UC ) 255 V (50 / 60 Hz)
Courant nominal (IL ) 10 A
Courant nominal de décharge (8/20 µs) (In ) 5 kA
Courant de décharge max. (8/20 µs) (Imax ) 10 kA
Niveau de protection avec [L-N] (UP ) ≤ 1,5 kV
Niveau de protection [N-PE] (UP ) ≤ 1,5 kV

Le produit 928440 a été ajouté au bloc-notes

Le produit 928440 a été ajouté au panier.


back to top