Les services de votre tableau de bord.
Inscrivez-vous pour accéder à tous les outils.

Passage de paroi étanche à l’eau pour cuve blanche

Dans les constructions actuelles, les bâtiments avec sous-sol sont souvent réalisés en forme de cuve blanche. Avec cette cuve blanche, aucune couche d’étanchéité supplémentaire n’est nécessaire, car la dalle de sol et les murs extérieurs sont fabriqués sous forme de cuve fermée en béton avec une résistance élevée à la pénétration d’eau selon les normes DIN EN 206-1 et DIN 1045-2. Ce béton est appelé béton étanche.

En raison de la mise en place du matériau de mise à la terre avec une couverture de béton d’au moins 5 cm (mesure de protection contre la corrosion), il n’y a plus d’humidité dans la zone de pose. Le béton agit comme une isolation. Pour cette raison, la prise de terre doit être posée à l’extérieur des bâtiments pourvus de cette cuve blanche. Dans les nouvelles constructions, cette prise de terre est généralement installée dans la couche de propreté, sous la dalle de fondation.
Les effets de la modification de la formulation du béton étanche sont décrits dans la norme actuelle DIN 18014:2007-09 « Électrode de terre de fondation - Principes généraux de conception ».
Les boucles de terre en forme de mailles, installés sous les plaques de fondation conformément à la norme DIN 18014, doivent, dans le cadre de la liaison équipotentielle, être amenés à la barre principale de terre (anciennement : barre principale de liaison équipotentielle) à l’intérieur du bâtiment.

Le raccordement électrique à la boucle de terre est effectué également de manière étanche. Lors du développement de la traversée murale étanche, DEHN a également appliqué à ses produits les exigences imposées aux cuves blanches. C’est pourquoi, lors du développement, l’un des points importants a été de veiller à ce que les exigences réelles des composants soient représentées le plus possible. Ainsi, les échantillons ont été bétonnés dans un corps en béton (image 1), puis soumis à un essai à l’eau sous pression. Dans les constructions classiques, les situations d’installation jusqu’à une profondeur de 10 m sont courantes (par ex. garages souterrains). Cette situation d’installation a été transposée sur les échantillons et ceux-ci ont été soumis à une pression d’eau de 1 bar (image 2). Après le processus de durcissement du béton utilisé, les échantillons ont été soumis à la pression d’eau et leur étanchéité a été contrôlée par un test de longue durée (65 heures).
L’effet de capillarité constitue une difficulté supplémentaire lors de la mise en œuvre. Il faut comprendre que les liquides (par ex. l’eau) se répandent plus ou moins bien dans des fissures ou des tuyaux étroits et qu’ils peuvent être aspirés ou aspirants à l’intérieur du bâtiment. Ces éventuels espaces ou tubes étroits peuvent être causés par le processus de durcissement et le retrait du béton.
Même pendant l’installation de la traversée de mur dans le coffrage, il est donc important de travailler correctement et dans les règles de l’art, comme décrit en détail dans les instructions de montage correspondantes.

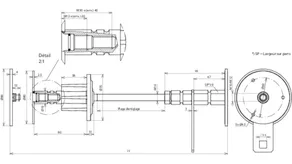
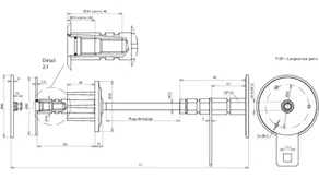
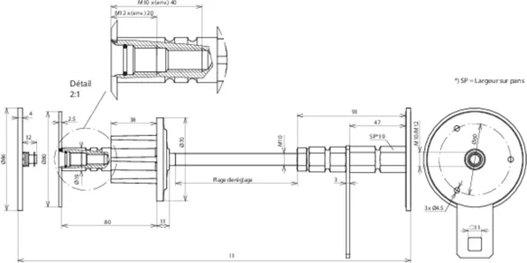
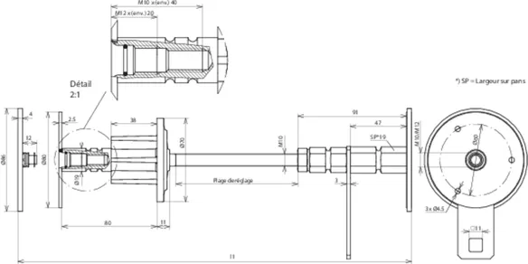
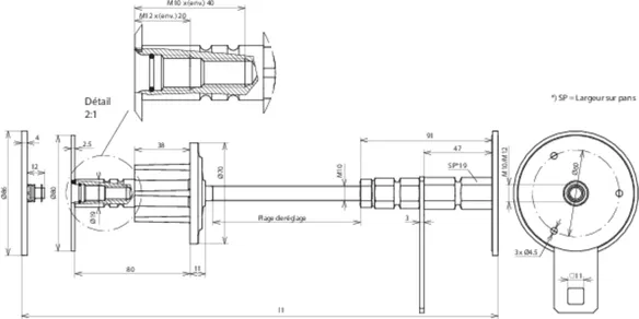
– Version pour construction de coffrage avec barrière d’eau et double filetage M10 / M12 pour raccorder par ex. les barres de liaison équipotentielle
– Réglable selon l’épaisseur de la paroi avec filetage M10 et contre-écrou
– La traversée peut également être raccourcie au niveau du filetage, si nécessaire
– Y compris pièce de raccordement (St/tZn dim. 30 x 4 mm) avec perforation carrée pour le raccordement avec un dispositif de serrage pour les conducteurs ronds ou une pièce en croix pour les conducteurs plats

3 Produits

Référence de la pièce 478530 WD M10 12 V4A DWD L200 300 STTZN

GTIN 4013364120341, Clients tariffs no (UE): 85359000, Poids brut: 697.00 g, Prix unitaire: 10.00 pièce(s)


Images

Plus d'informations

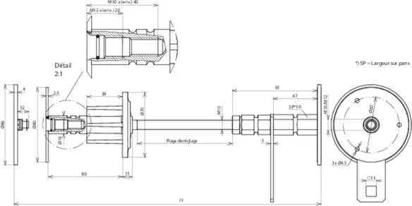
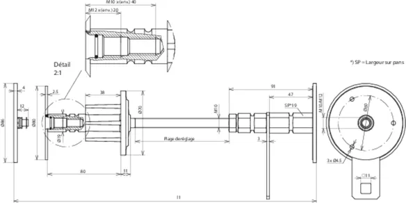
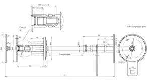
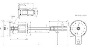
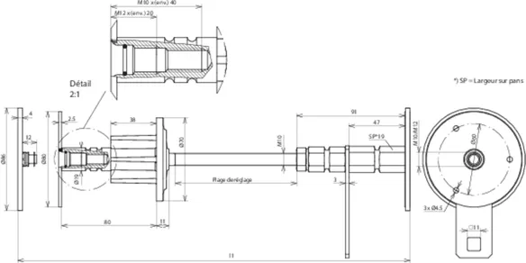
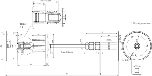
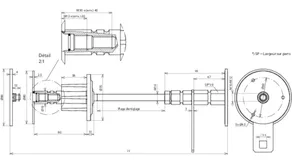
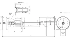
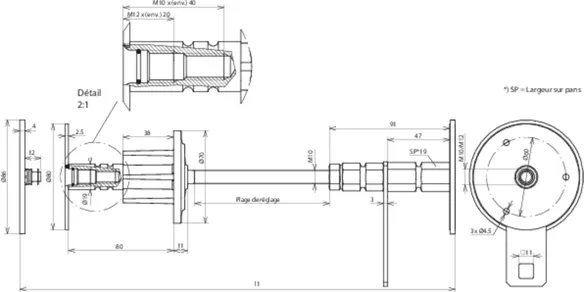
Traversée murale étanche à l’eau sous pression pour cuve blanche INOX (V4A)
La traversée murale étanche à l’eau sous pression pour cuve blanche convient
à la traversée étanche à l’eau sous pression des murs,
par ex. pour relier la boucle de terre aux
barres de liaison équipotentielle ou au
conducteur de liaison équipotentielle dans les fondations.
Matériau - plaque: INOX (V4A)
Matériau n°: 1.4571 / 1.4404 / 1.4401
Matériau - axe : St/tZn
Épaisseur - mur: 200-300 mm
Filetage de raccordement: M10 / 12
Normes: NF EN 62561-(1+5)

produit : DEHN
Type: WD M10 12 V4A DWD L200 300 STTZN
Référence: 478530
ou équivalent

Certificats

 

Caractéristiques techniques

Matériau - plaque INOX (V4A)
Matériau n° 1.4571 / 1.4404 / 1.4401
Matériau - axe St/tZn
Épaisseur - mur (l1) 200-300 mm
Filetage de raccordement M10 / 12
Ø Plaque 80 mm
Normes NF EN 62561-(1+5)

Le produit 478530 a été ajouté au bloc-notes

Le produit 478530 a été ajouté au panier.

Référence de la pièce 478540 WD M10 12 V4A DWD L300 400 STTZN

GTIN 4013364120358, Clients tariffs no (UE): 85359000, Poids brut: 750.00 g, Prix unitaire: 4.00 pièce(s)


Images

Plus d'informations

Traversée murale étanche à l’eau sous pression pour cuve blanche INOX (V4A)
La traversée murale étanche à l’eau sous pression pour cuve blanche convientà la traversée étanche à l’eau sous pression des murs,
par ex. pour relier la boucle de terre aux
barres de liaison équipotentielle ou au
conducteur de liaison équipotentielle dans les fondations.

Matériau - plaque: INOX (V4A)
Matériau n°: 1.4571 / 1.4404 / 1.4401
Matériau - axe : St/tZn
Épaisseur - mur: 300-400 mm
Filetage de raccordement: M10 / 12
Normes: NF EN 62561-(1+5)

produit : DEHN
Type: WD M10 12 V4A DWD L300 400 STTZN
Référence: 478540
ou équivalent

Certificats

 

Caractéristiques techniques

Matériau - plaque INOX (V4A)
Matériau n° 1.4571 / 1.4404 / 1.4401
Matériau - axe St/tZn
Épaisseur - mur (l1) 300-400 mm
Filetage de raccordement M10 / 12
Ø Plaque 80 mm
Normes NF EN 62561-(1+5)

Le produit 478540 a été ajouté au bloc-notes

Le produit 478540 a été ajouté au panier.

Référence de la pièce 478550 WD M10 12 V4A DWD L400 500 STTZN

GTIN 4013364120365, Clients tariffs no (UE): 85359000, Poids brut: 838.50 g, Prix unitaire: 4.00 pièce(s)


Images

Plus d'informations

Traversée murale étanche à l’eau sous pression pour cuve blanche INOX (V4A)
La traversée murale étanche à l’eau sous pression pour cuve blanche convientà la traversée étanche à l’eau sous pression des murs,
par ex. pour relier la boucle de terre aux
barres de liaison équipotentielle ou au
conducteur de liaison équipotentielle dans les fondations.

Matériau - plaque: INOX (V4A)
Matériau n°: 1.4571 / 1.4404 / 1.4401
Matériau - axe : St/tZn
Épaisseur - mur: 400-500 mm
Filetage de raccordement: M10 / 12
Normes: NF EN 62561-(1+5)

produit : DEHN
Type: WD M10 12 V4A DWD L400 500 STTZN
Référence: 478550
ou équivalent

Certificats

 

Caractéristiques techniques

Matériau - plaque INOX (V4A)
Matériau n° 1.4571 / 1.4404 / 1.4401
Matériau - axe St/tZn
Épaisseur - mur (l1) 400-500 mm
Filetage de raccordement M10 / 12
Ø Plaque 80 mm
Normes NF EN 62561-(1+5)

Le produit 478550 a été ajouté au bloc-notes

Le produit 478550 a été ajouté au panier.


back to top