Mise à la terre ferroviaire

Le système de mise à la terre ferroviaire de DEHN, à été spécialement conçu pour la mise à la terre des armatures métallique à proximité de système/ligne électrique haute tension.
Il permet d'une part la liaison équipotentielle de la structure et d'autre part à l'écoulement du courant de court-circuit en cas de rupture d'une ligne.
Différentes variantes, de ponts de mise à la terre, de connecteurs, de cosses ou d'autres éléments de connexions sont disponibles afin d'offrir un système adaptable au maximum.
Notre gamme DEHN railway a été approuvée par DB Netz AG.

Ponts de mise à la terre en acier inoxydable

Les ponts de mise à la terre sont conçus pour assurer la mise à la terre, le circuit de retour ainsi que la liaison équipotentielle dans la zone d’utilisation des voies ferrées. Le pont de mise à la terre en acier inoxydable assure cette mise à la terre par une soudure définie sur le conducteur de terre. De plus, ce pont de mise à la terre possède une homologation technique de DB Netz AG, ce qui garantit une sécurité de planification élevée.

3 Produits

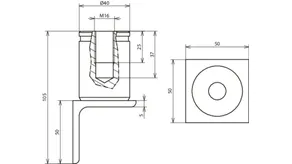
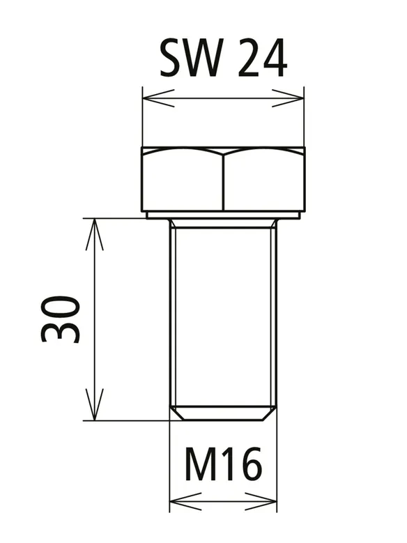
Référence de la pièce 419000 D BEB 0 - 63 / EBS 15-03-19

GTIN 4013364439412, Clients tariffs no (UE): 85369010, Poids brut: 840.00 g, Prix unitaire: 1.00 pièce(s)


Images

Plus d'informations

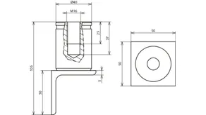
Pont de mise à la terre en acier inoxydable D BEB 0-63 / EBS 15-03-19
pour la mise à la terre des armatures de pièces en béton
approuvé par DB Netz AG
Matériau de l'élément de connexion: INOX
Matériau n°: 1.4301
Courant de court-circuit: > 25 kA
Courant de test: 40 kA / 100 ms
Normes: Ril 997.0205A01
Courant de court-circuit (AC 50 Hz/DC): 12,6 kA
Filetage: M16
Diamètre de la plaque de connexion: 50 mm
Hauteur max. – support conducteur: 63 mm
Hauteur de montage: 55 mm
N° de dessin DB: 3 Ebs 15.03.19 - 37

produit : DEHN
Type: D BEB 0 - 63 / EBS 15-03-19
Référence: 419000
ou équivalent

 

Caractéristiques techniques

Matériau de l'élément de connexion INOX
Matériau n° 1.4301
Courant de court-circuit > 25 kA
Courant de test 40 kA / 100 ms
Normes Ril 997.0205A01
Courant de court-circuit (AC 50 Hz/DC) (1 s; ≤ 300 °C) 12,6 kA
Filetage M16
Diamètre de la plaque de connexion 50 mm
Hauteur max. – support conducteur 63 mm
Hauteur de montage 55 mm
N° de dessin DB 3 Ebs 15.03.19 - 37

Le produit 419000 a été ajouté au bloc-notes

Le produit 419000 a été ajouté au panier.

Référence de la pièce 419001 D BEB 0 - 70 / EBS 15-03-19

GTIN 4013364439429, Clients tariffs no (UE): 85369010, Poids brut: 950.00 g, Prix unitaire: 1.00 pièce(s)


Images

Plus d'informations

Pont de mise à la terre en acier inoxydable D BEB 0-70 / EBS 15-03-19
pour la mise à la terre des armatures de pièces en béton
approuvé par DB Netz AG
Matériau de l'élément de connexion: INOX
Matériau n°: 1.4301
Courant de court-circuit: > 25 kA
Courant de test: 40 kA / 100 ms
Normes: Ril 997.0205A01
Courant de court-circuit (AC 50 Hz/DC): 12,6 kA
Filetage: M16
Diamètre de la plaque de connexion: 50 mm
Hauteur max. – support conducteur: 70 mm
Hauteur de montage: 62 mm
N° de dessin DB: 3 Ebs 15.03.19 - 37

produit : DEHN
Type: D BEB 0 - 70 / EBS 15-03-19
Référence: 419001
ou équivalent

 

Caractéristiques techniques

Matériau de l'élément de connexion INOX
Matériau n° 1.4301
Courant de court-circuit > 25 kA
Courant de test 40 kA / 100 ms
Normes Ril 997.0205A01
Courant de court-circuit (AC 50 Hz/DC) (1 s; ≤ 300 °C) 12,6 kA
Filetage M16
Diamètre de la plaque de connexion 50 mm
Hauteur max. – support conducteur 70 mm
Hauteur de montage 62 mm
N° de dessin DB 3 Ebs 15.03.19 - 37

Le produit 419001 a été ajouté au bloc-notes

Le produit 419001 a été ajouté au panier.

Référence de la pièce 419002 D BEB 0 - 77 / EBS 15-03-19

GTIN 4013364439436, Clients tariffs no (UE): 85369010, Poids brut: 1.05 kg, Prix unitaire: 1.00 pièce(s)


Images

Plus d'informations

Pont de mise à la terre en acier inoxydable D BEB 0-77 / EBS 15-03-19
pour la mise à la terre des armatures de pièces en béton
avec l'approbation de DB Netz AG
Matériau de l'élément de connexion: INOX
Matériau n°: 1.4301
Courant de court-circuit: > 25 kA
Courant de test: 40 kA / 100 ms
Normes: Ril 997.0205A01
Courant de court-circuit (AC 50 Hz/DC): 12,6 kA
Filetage: M16
Diamètre de la plaque de connexion: 50 mm
Hauteur max. – support conducteur: 77 mm
Hauteur de montage: 69 mm
N° de dessin DB: 3 Ebs 15.03.19 - 37

produit : DEHN
Type: D BEB 0 - 77 / EBS 15-03-19
Référence: 419002
ou équivalent

 

Caractéristiques techniques

Matériau de l'élément de connexion INOX
Matériau n° 1.4301
Courant de court-circuit > 25 kA
Courant de test 40 kA / 100 ms
Normes Ril 997.0205A01
Courant de court-circuit (AC 50 Hz/DC) (1 s; ≤ 300 °C) 12,6 kA
Filetage M16
Diamètre de la plaque de connexion 50 mm
Hauteur max. – support conducteur 77 mm
Hauteur de montage 69 mm
N° de dessin DB 3 Ebs 15.03.19 - 37

Le produit 419002 a été ajouté au bloc-notes

Le produit 419002 a été ajouté au panier.


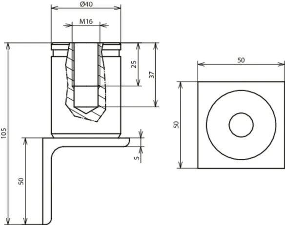
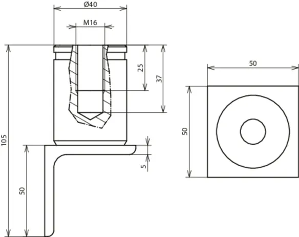
Ponts de mise à la terre en acier inoxydable D BEB 16

Les ponts de mise à la terre sont conçus pour assurer la mise à la terre, le circuit de retour ainsi que la liaison équipotentielle dans la zone d’utilisation des voies ferrées. Le pont de mise à la terre en acier inoxydable assure cette mise à la terre par une soudure définie sur le conducteur de terre. De plus, ce pont de mise à la terre possède une homologation technique de DB Netz AG, ce qui garantit une sécurité de planification élevée.

1 Produit

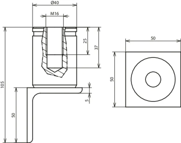
Référence de la pièce 419160 D BEB 16 - 105 / 3 EBS 15-03-19-38

GTIN 4013364510203, Clients tariffs no (UE): 85369010, Poids brut: 697.72 g, Prix unitaire: 8.00 pièce(s)


Images

Plus d'informations

Pont de mise à la terre en acier inoxydable D BEB 16 - 105 / 3 EBS 15-03-19-38
Pont de mise à la terre en acier inoxydable
D BEB 16 - 105 / 3 EBS 15-03-19-38
pour la mise à la terre
des armatures
des pièces en béton

avec homologation DB Netz AG
Matériau de l'élément de connexion: INOX
Matériau n°: 1.4301
Matériau, équerre: St
Courant de court-circuit: > 25 kA
Courant de test: 40 kA / 100 ms
Normes: Ril 997.0205A01
Courant de court-circuit (AC 50 Hz/DC): 12,6 kA
Filetage: M16
Diamètre de la plaque de connexion: 40 mm
Dimension, équerre: 50 x 50 x 5 mm
Hauteur max. – support conducteur: 105 mm
N° de dessin DB: 3 Ebs 15.03.19 - 38

produit : DEHN
Type: D BEB 16 - 105 / 3 EBS 15-03-19-38
Référence: 419160
ou équivalent

 

Caractéristiques techniques

Matériau de l'élément de connexion INOX
Matériau n° 1.4301
Matériau, équerre St
Courant de court-circuit > 25 kA
Courant de test 40 kA / 100 ms
Normes Ril 997.0205A01
Courant de court-circuit (AC 50 Hz/DC) (1 s; ≤ 300 °C) 12,6 kA
Filetage M16
Diamètre de la plaque de connexion 40 mm
Dimension, équerre (L x l x t) 50 x 50 x 5 mm
Hauteur max. – support conducteur 105 mm
N° de dessin DB 3 Ebs 15.03.19 - 38

Le produit 419160 a été ajouté au bloc-notes

Le produit 419160 a été ajouté au panier.


Ponts de mise à la terre plats en acier D BEB 1

Les ponts de mise à la terre sont conçus pour assurer la mise à la terre, le circuit de retour ainsi que la liaison équipotentielle dans la zone d’utilisation des voies ferrées. Cette variante garantit la mise à la terre avec une installation au ras de la surface et soudée au niveau de l’armature de terre avec l’acier d’armature – via une soudure définie. De plus, ce pont de mise à la terre possède une homologation technique de DB Netz AG, ce qui garantit une sécurité de planification élevée.

1 Produit

Référence de la pièce 419500 D BEB 1 - L100 / EBS 15-03-19

GTIN 4013364458383, Clients tariffs no (UE): 85369010, Poids brut: 205.00 g, Prix unitaire: 1.00 pièce(s)


Images

Plus d'informations

Pont de mise à la terre plat en acier D BEB 1 / EBS 15-03-19
pour la mise à la terre des armatures de pièces en béton
approuvé par DB Netz AG
Matériau - plaque: INOX
Matériau n°: 1.4301
Matériau du support: St / Cu
Matériau en acier plat: S235
Courant de court-circuit: > 25 kA
Courant de test: 40 kA / 100 ms
Normes: Ril 997.0205A01
Courant de court-circuit (AC 50 Hz/DC): 12,6 kA
Filetage: M16
Diamètre de la plaque de connexion: 50 mm
Dimensions de l'acier plat: 100 x 40 x 5 mm
Hauteur max. – support conducteur: 58 mm
N° de dessin DB: 3 Ebs 15.03.19 - 30

produit : DEHN
Type: D BEB 1 - L100 / EBS 15-03-19
Référence: 419500
ou équivalent

 

Caractéristiques techniques

Matériau - plaque INOX
Matériau n° 1.4301
Matériau du support St / Cu
Matériau en acier plat S235
Courant de court-circuit > 25 kA
Courant de test 40 kA / 100 ms
Normes Ril 997.0205A01
Courant de court-circuit (AC 50 Hz/DC) (1 s; ≤ 300 °C) 12,6 kA
Filetage M16
Diamètre de la plaque de connexion 50 mm
Dimensions de l'acier plat 100 x 40 x 5 mm
Hauteur max. – support conducteur 58 mm
N° de dessin DB 3 Ebs 15.03.19 - 30

Le produit 419500 a été ajouté au bloc-notes

Le produit 419500 a été ajouté au panier.


Ponts de mise à la terre plats en acier D BEB 1-L

Les ponts de mise à la terre sont conçus pour assurer la mise à la terre, le circuit de retour ainsi que la liaison équipotentielle dans la zone d’utilisation des voies ferrées. Cette variante garantit la mise à la terre avec une installation au ras de la surface et soudée au niveau de l’armature de terre avec l’acier d’armature – via une soudure définie. De plus, ce pont de mise à la terre possède une homologation technique de DB Netz AG, ce qui garantit une sécurité de planification élevée.

1 Produit

Référence de la pièce 419011 D BEB 1-L / EBS 15-03-19

GTIN 4013364439450, Clients tariffs no (UE): 85369010, Poids brut: 740.00 g, Prix unitaire: 1.00 pièce(s)


Images

Plus d'informations

Pont de mise à la terre en acier plat D BEB 1-L / EBS 15-03-19
pour la mise à la terre de l'armature des éléments en béton
approuvé par DB Netz AG
Matériau - plaque: INOX
Matériau n°: 1.4301
Matériau du support: St / Cu
Matériau en acier plat: S235
Courant de court-circuit: > 25 kA
Courant de test: 40 kA / 100 ms
Normes: Ril 997.0205A01
Courant de court-circuit (AC 50 Hz/DC): 12,6 kA
Filetage: M16
Diamètre de la plaque de connexion: 50 mm
Dimensions de l'acier plat: 402 x 40 x 5 mm
Hauteur max. – support conducteur: 58 mm
Hauteur de montage: 410 mm
N° de dessin DB: 3 Ebs 15.03.19 - 30

produit : DEHN
Type: D BEB 1-L / EBS 15-03-19
Référence: 419011
ou équivalent

 

Caractéristiques techniques

Matériau - plaque INOX
Matériau n° 1.4301
Matériau du support St / Cu
Matériau en acier plat S235
Courant de court-circuit > 25 kA
Courant de test 40 kA / 100 ms
Normes Ril 997.0205A01
Courant de court-circuit (AC 50 Hz/DC) (1 s; ≤ 300 °C) 12,6 kA
Filetage M16
Diamètre de la plaque de connexion 50 mm
Dimensions de l'acier plat 402 x 40 x 5 mm
Hauteur max. – support conducteur 58 mm
Hauteur de montage 410 mm
N° de dessin DB 3 Ebs 15.03.19 - 30

Le produit 419011 a été ajouté au bloc-notes

Le produit 419011 a été ajouté au panier.


Ponts de terre plats en acier D BEB 1-NR

Les ponts de mise à la terre sont conçus pour assurer la mise à la terre, le circuit de retour ainsi que la liaison équipotentielle dans la zone d’utilisation des voies ferrées. Cette variante garantit la mise à la terre avec une installation au ras de la surface et soudée au niveau de l’armature de terre avec l’acier d’armature – via une soudure définie. De plus, ce pont de mise à la terre possède une homologation technique de DB Netz AG, ce qui garantit une sécurité de planification élevée.

1 Produit

Référence de la pièce 419012 D BEB 1-NR / EBS 15-03-19

GTIN 4013364439467, Clients tariffs no (UE): 85369010, Poids brut: 1.46 kg, Prix unitaire: 1.00 pièce(s)


Images

Plus d'informations

Pont de mise à la terre en acier plat D BEB 1-NR / EBS 15-03-19
pour la mise à la terre de l'armature des pièces en béton
approuvé par DB Netz AG
Matériau de l'élément de connexion: INOX
Matériau n°: 1.4301
Matériau en acier plat: S235
Courant de court-circuit: > 25 kA
Courant de test: 40 kA / 100 ms
Normes: Ril 997.0205A01
Courant de court-circuit (AC 50 Hz/DC): 12,6 kA
Filetage: M16
Diamètre de la plaque de connexion: 50 mm
Dimensions de l'acier plat: 400 x 50 x 5 mm
Hauteur max. – support conducteur: 63 mm
N° de dessin DB: 3 Ebs 15.03.19 - 36

produit : DEHN
Type: D BEB 1-NR / EBS 15-03-19
Référence: 419012
ou équivalent

 

Caractéristiques techniques

Matériau de l'élément de connexion INOX
Matériau n° 1.4301
Matériau en acier plat S235
Courant de court-circuit > 25 kA
Courant de test 40 kA / 100 ms
Normes Ril 997.0205A01
Courant de court-circuit (AC 50 Hz/DC) (1 s; ≤ 300 °C) 12,6 kA
Filetage M16
Diamètre de la plaque de connexion 50 mm
Dimensions de l'acier plat 400 x 50 x 5 mm
Hauteur max. – support conducteur 63 mm
N° de dessin DB 3 Ebs 15.03.19 - 36

Le produit 419012 a été ajouté au bloc-notes

Le produit 419012 a été ajouté au panier.


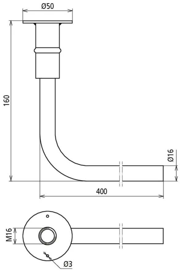
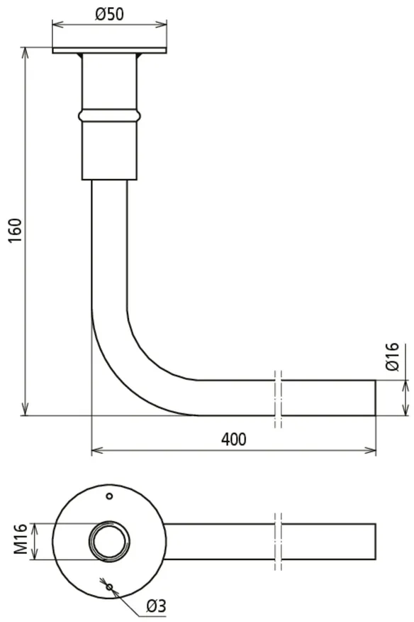
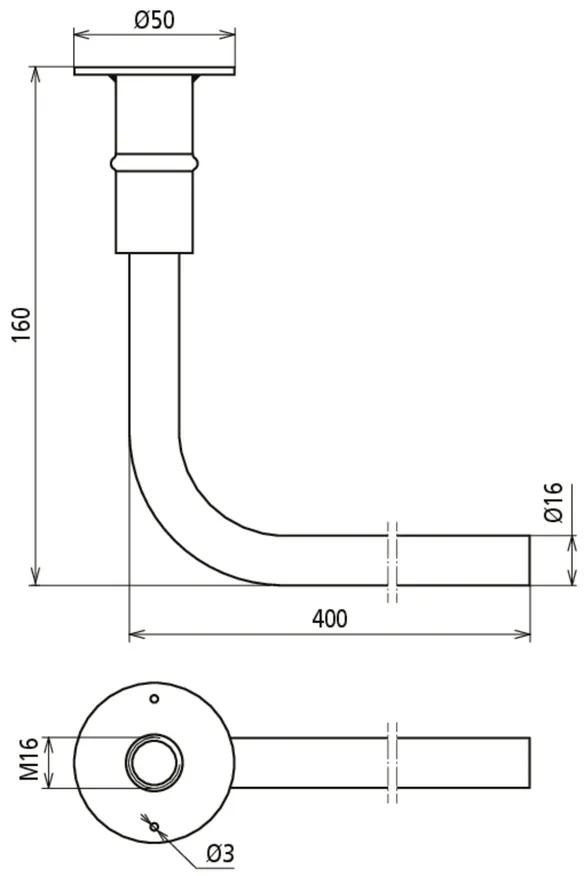
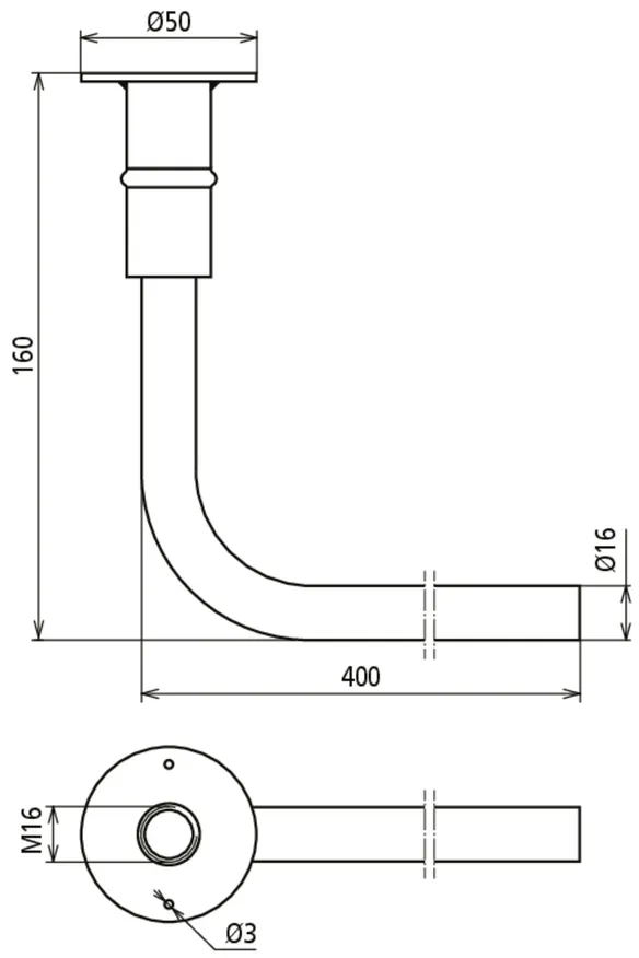
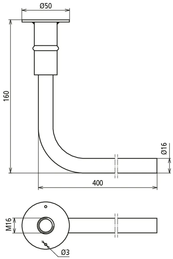
Ponts de mise à la terre en acier d'armature D BEB 2

Les ponts de mise à la terre sont conçus pour assurer la mise à la terre, le circuit de retour ainsi que la liaison équipotentielle dans la zone d’utilisation des voies ferrées. Cette variante est installée au ras de la surface et soudée au niveau de l’armature de terre avec l’acier d’armature courbé, surtout dans des situations de montage à espace restreint. De plus, ce pont de mise à la terre possède une homologation technique de DB Netz AG, ce qui garantit une sécurité de planification élevée.

1 Produit

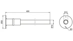
Référence de la pièce 419020 D BEB 2 / EBS 15-03-19

GTIN 4013364439405, Clients tariffs no (UE): 85369010, Poids brut: 950.00 g, Prix unitaire: 1.00 pièce(s)


Images

Plus d'informations

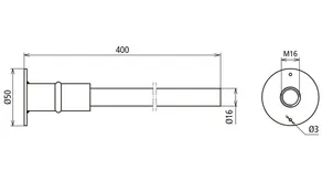
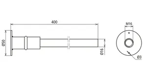
Pont de mise à la terre en acier à béton D BEB 2 / EBS 15-03-19
pour la mise à la terre des armatures des pièces en béton
avec homologation DB Netz AG
Matériau - plaque: INOX
Matériau n°: 1.4301
Matériau du support: St / Cu
Matériau - axe : Ferraillage acier B500B
Courant de court-circuit: > 25 kA
Courant de test: 40 kA / 100 ms
Normes: Ril 997.0205A01
Courant de court-circuit (AC 50 Hz/DC): 12,6 kA
Filetage: M16
Diamètre de la plaque de connexion: 50 mm
Diamètre de l'acier d'armature: 16 mm
Hauteur de montage: 160 mm
Longueur: 400 mm
N° de dessin DB: 3 Ebs 15.03.19 - 31

produit : DEHN
Type: D BEB 2 / EBS 15-03-19
Référence: 419020
ou équivalent

 

Caractéristiques techniques

Matériau - plaque INOX
Matériau n° 1.4301
Matériau du support St / Cu
Matériau - axe Ferraillage acier B500B
Courant de court-circuit > 25 kA
Courant de test 40 kA / 100 ms
Normes Ril 997.0205A01
Courant de court-circuit (AC 50 Hz/DC) (1 s; ≤ 300 °C) 12,6 kA
Filetage M16
Diamètre de la plaque de connexion 50 mm
Diamètre de l'acier d'armature 16 mm
Hauteur de montage 160 mm
Longueur 400 mm
N° de dessin DB 3 Ebs 15.03.19 - 31

Le produit 419020 a été ajouté au bloc-notes

Le produit 419020 a été ajouté au panier.


Ponts de mise à la terre en acier d'armature D BEB 3

Les ponts de mise à la terre sont conçus pour assurer la mise à la terre, le circuit de retour ainsi que la liaison équipotentielle dans la zone d’utilisation des voies ferrées. Cette variante est installée au ras de la surface et soudée au niveau de l’armature de terre avec l’acier d’armature. De plus, ce pont de mise à la terre possède une homologation technique de DB Netz AG, ce qui garantit une sécurité de planification élevée.

1 Produit

Référence de la pièce 419030 D BEB 3 / EBS 15-03-19

GTIN 4013364439474, Clients tariffs no (UE): 85369010, Poids brut: 750.00 g, Prix unitaire: 1.00 pièce(s)


Images

Plus d'informations

Pont de mise à la terre en acier à béton D BEB 3 / EBS 15-03-19
pour la mise à la terre des armatures des pièces en béton
avec homologation DB Netz AG
Matériau - plaque: INOX
Matériau n°: 1.4301
Matériau du support: St / Cu
Matériau - axe : Ferraillage acier B500B
Courant de court-circuit: > 25 kA
Courant de test: 40 kA / 100 ms
Normes: Ril 997.0205A01
Courant de court-circuit (AC 50 Hz/DC): 12,6 kA
Filetage: M16
Diamètre de la plaque de connexion: 50 mm
Diamètre de l'acier d'armature: 16 mm
Longueur: 400 mm
N° de dessin DB: 3 Ebs 15.03.19 - 31

produit : DEHN
Type: D BEB 3 / EBS 15-03-19
Référence: 419030
ou équivalent

 

Caractéristiques techniques

Matériau - plaque INOX
Matériau n° 1.4301
Matériau du support St / Cu
Matériau - axe Ferraillage acier B500B
Courant de court-circuit > 25 kA
Courant de test 40 kA / 100 ms
Normes Ril 997.0205A01
Courant de court-circuit (AC 50 Hz/DC) (1 s; ≤ 300 °C) 12,6 kA
Filetage M16
Diamètre de la plaque de connexion 50 mm
Diamètre de l'acier d'armature 16 mm
Longueur 400 mm
N° de dessin DB 3 Ebs 15.03.19 - 31

Le produit 419030 a été ajouté au bloc-notes

Le produit 419030 a été ajouté au panier.


Ponts de mise à la terre en acier d'armature D BEB 8

Les ponts de mise à la terre sont conçus pour assurer la mise à la terre, le circuit de retour ainsi que la liaison équipotentielle dans la zone d’utilisation des voies ferrées. Cette variante est installée au ras de la surface et soudée au niveau de l’armature de terre avec l’acier d’armature. Les douilles placées des deux côtés permettent de réaliser des passages de composants de manière efficace et économique. De plus, ce pont de mise à la terre possède une homologation technique de DB Netz AG, ce qui garantit une sécurité de planification élevée.

1 Produit

Référence de la pièce 419080 D BEB 8 / EBS 15-03-19

GTIN 4013364439566, Clients tariffs no (UE): 85369010, Poids brut: 1.00 kg, Prix unitaire: 1.00 pièce(s)


Images

Plus d'informations

Pont de mise à la terre en acier à béton D BEB 8 / EBS 15-03-19
pour la mise à la terre des armatures des pièces en béton
avec homologation DB Netz AG

Matériau - plaque: INOX
Matériau n°: 1.4301
Matériau du support: St / Cu
Matériau - axe : Ferraillage acier B500B
Courant de court-circuit: > 25 kA
Courant de test: 40 kA / 100 ms
Normes: Ril 997.0205A01
Courant de court-circuit (AC 50 Hz/DC): 12,6 kA
Filetage: M16
Diamètre de la plaque de connexion: 50 mm
Diamètre de l'acier d'armature: 16 mm
Longueur: 500 mm
N° de dessin DB: 3 Ebs 15.03.19 - 33

produit : DEHN
Type: D BEB 8 / EBS 15-03-19
Référence: 419080
ou équivalent

 

Caractéristiques techniques

Matériau - plaque INOX
Matériau n° 1.4301
Matériau du support St / Cu
Matériau - axe Ferraillage acier B500B
Courant de court-circuit > 25 kA
Courant de test 40 kA / 100 ms
Normes Ril 997.0205A01
Courant de court-circuit (AC 50 Hz/DC) (1 s; ≤ 300 °C) 12,6 kA
Filetage M16
Diamètre de la plaque de connexion 50 mm
Diamètre de l'acier d'armature 16 mm
Longueur 500 mm
N° de dessin DB 3 Ebs 15.03.19 - 33

Le produit 419080 a été ajouté au bloc-notes

Le produit 419080 a été ajouté au panier.


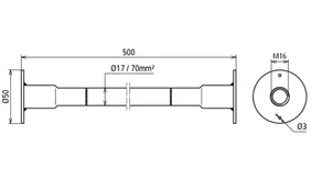
Ponts de mise à la terre de câbles en cuivre D BEB 4/5

Les ponts de mise à la terre sont conçus pour assurer la mise à la terre, le circuit de retour ainsi que la liaison équipotentielle dans la zone d’utilisation des voies ferrées. Cette variante est installée au ras de la surface et soudée au niveau de l’armature de terre, la languette en acier cuivré étant pressée sur le câble en cuivre. La flexibilité du câble facilite le montage dans l’armature pour l’utilisateur. Les variantes spéciales FLEX sont adaptées en particulier aux situations de montage où l’espace est limité – ici, sont utilisés des câbles en cuivre souples, extra-flexibles De plus, ces ponts de mise à la terre possèdent une homologation technique de DB Netz AG, ce qui garantit une sécurité de planification élevée.
Les longueurs spéciales sont disponibles sur demande : jusqu’à 500 mm de longueur totale par incréments de 50 mm, à partir de 500 mm de longueur totale par incréments de 100 mm.

7 Produits

Référence de la pièce 419040 D BEB 4 / EBS 15-03-19

GTIN 4013364439481, Clients tariffs no (UE): 85369010, Poids brut: 640.00 g, Prix unitaire: 1.00 pièce(s)


Images

Plus d'informations

Pont de mise à la terre avec câble en cuivre D BEB 4 / EBS 15-03-19
pour la mise à la terre des armatures des pièces en béton
avec homologation DB Netz AG
Matériau - plaque: INOX
Matériau n°: 1.4301
Matériau du support: St / Cu
Matériau - attache: St / Cu
Matériau - câble: Cu
Courant de court-circuit: ≤ 25 kA
Courant de test: 25 kA / 100 ms
Normes: Ril 997.0205A01
Courant de court-circuit (AC 50 Hz/DC): 7,9 kA
Filetage: M16
Diamètre de la plaque de connexion: 50 mm
Câble: NYY-O
Section de cable transversale max. du conducteur: 70 mm²
Diamètre du câble: 17 mm
Dimensions de la cosse: 80 x 30 mm
Longueur: 500 mm
N° de dessin DB: 3 Ebs 15.03.19 - 32

produit : DEHN
Type: D BEB 4 / EBS 15-03-19
Référence: 419040
ou équivalent

 

Caractéristiques techniques

Matériau - plaque INOX
Matériau n° 1.4301
Matériau du support St / Cu
Matériau - attache St / Cu
Matériau - câble Cu
Courant de court-circuit ≤ 25 kA
Courant de test 25 kA / 100 ms
Normes Ril 997.0205A01
Courant de court-circuit (AC 50 Hz/DC) (1 s; ≤ 300 °C) 7,9 kA
Filetage M16
Diamètre de la plaque de connexion 50 mm
Câble NYY-O
Section de cable transversale max. du conducteur 70 mm²
Diamètre du câble 17 mm
Dimensions de la cosse 80 x 30 mm
Longueur 500 mm
N° de dessin DB 3 Ebs 15.03.19 - 32

Le produit 419040 a été ajouté au bloc-notes

Le produit 419040 a été ajouté au panier.

Référence de la pièce 419050 D BEB 5 / EBS 15-03-19

GTIN 4013364439504, Clients tariffs no (UE): 85369010, Poids brut: 710.00 g, Prix unitaire: 1.00 pièce(s)


Images

Plus d'informations

Pont de mise à la terre avec câble en cuivre D BEB 5 / EBS 15-03-19
pour la mise à la terre des armatures des pièces en béton
avec homologation DB Netz AG
Matériau - plaque: INOX
Matériau n°: 1.4301
Matériau du support: St / Cu
Matériau - attache: St / Cu
Matériau - câble: Cu
Courant de court-circuit: > 25 kA
Courant de test: 40 kA / 100 ms
Normes: Ril 997.0205A01
Courant de court-circuit (AC 50 Hz/DC): 12,6 kA
Filetage: M16
Diamètre de la plaque de connexion: 50 mm
Câble: NYY-O
Section de cable transversale max. du conducteur: 95 mm²
Diamètre du câble: 19 mm
Dimensions de la cosse: 80 x 30 mm
Longueur: 500 mm
N° de dessin DB: 3 Ebs 15.03.19 - 32

produit : DEHN
Type: D BEB 5 / EBS 15-03-19
Référence: 419050
ou équivalent

 

Caractéristiques techniques

Matériau - plaque INOX
Matériau n° 1.4301
Matériau du support St / Cu
Matériau - attache St / Cu
Matériau - câble Cu
Courant de court-circuit > 25 kA
Courant de test 40 kA / 100 ms
Normes Ril 997.0205A01
Courant de court-circuit (AC 50 Hz/DC) (1 s; ≤ 300 °C) 12,6 kA
Filetage M16
Diamètre de la plaque de connexion 50 mm
Câble NYY-O
Section de cable transversale max. du conducteur 95 mm²
Diamètre du câble 19 mm
Dimensions de la cosse 80 x 30 mm
Longueur 500 mm
N° de dessin DB 3 Ebs 15.03.19 - 32

Le produit 419050 a été ajouté au bloc-notes

Le produit 419050 a été ajouté au panier.

Référence de la pièce 419051 D BEB 5-FLEX / EBS 15-03-19

GTIN 4013364439511, Clients tariffs no (UE): 85369010, Poids brut: 640.00 g, Prix unitaire: 1.00 pièce(s)


Images

Plus d'informations

Pont de mise à la terre avec câble en cuivre D BEB 5-FLEX / EBS 15-03-19
pour la mise à la terre des armatures des pièces en béton
avec homologation DB Netz AG
Matériau - plaque: INOX
Matériau n°: 1.4301
Matériau du support: St / Cu
Matériau - attache: St / Cu
Matériau - câble: Cu
Courant de court-circuit: > 25 kA
Courant de test: 40 kA / 100 ms
Normes: Ril 997.0205A01
Courant de court-circuit (AC 50 Hz/DC): 12,6 kA
Filetage: M16
Diamètre de la plaque de connexion: 50 mm
Câble: H07V-K
Section de cable transversale max. du conducteur: 95 mm²
Diamètre du câble: 19 mm
Dimensions de la cosse: 80 x 30 mm
Longueur: 500 mm
N° de dessin DB: 3 Ebs 15.03.19 - 32

produit : DEHN
Type: D BEB 5-FLEX / EBS 15-03-19
Référence: 419051
ou équivalent

 

Caractéristiques techniques

Matériau - plaque INOX
Matériau n° 1.4301
Matériau du support St / Cu
Matériau - attache St / Cu
Matériau - câble Cu
Courant de court-circuit > 25 kA
Courant de test 40 kA / 100 ms
Normes Ril 997.0205A01
Courant de court-circuit (AC 50 Hz/DC) (1 s; ≤ 300 °C) 12,6 kA
Filetage M16
Diamètre de la plaque de connexion 50 mm
Câble H07V-K
Section de cable transversale max. du conducteur 95 mm²
Diamètre du câble 19 mm
Dimensions de la cosse 80 x 30 mm
Longueur 500 mm
N° de dessin DB 3 Ebs 15.03.19 - 32

Le produit 419051 a été ajouté au bloc-notes

Le produit 419051 a été ajouté au panier.

Référence de la pièce 419501 D BEB 5 - L700 / EBS 15-03-19

GTIN 4013364458390, Clients tariffs no (UE): 85369010, Poids brut: 980.00 g, Prix unitaire: 1.00 pièce(s)


Images

Plus d'informations

Pont de mise à la terre avec câble en cuivre D BEB 5 / EBS 15-03-19
pour la mise à la terre des armatures des pièces en béton
avec homologation DB Netz AG
Matériau - plaque: INOX
Matériau n°: 1.4301
Matériau du support: St / Cu
Matériau - attache: St / Cu
Matériau - câble: Cu
Courant de court-circuit: > 25 kA
Courant de test: 40 kA / 100 ms
Normes: Ril 997.0205A01
Courant de court-circuit (AC 50 Hz/DC): 12,6 kA
Filetage: M16
Diamètre de la plaque de connexion: 50 mm
Câble: NYY-O
Section de cable transversale max. du conducteur: 95 mm²
Diamètre du câble: 19 mm
Dimensions de la cosse: 80 x 30 mm
Longueur: 700 mm
N° de dessin DB: 3 Ebs 15.03.19 - 32

produit : DEHN
Type: D BEB 5 - L700 / EBS 15-03-19
Référence: 419501
ou équivalent

 

Caractéristiques techniques

Matériau - plaque INOX
Matériau n° 1.4301
Matériau du support St / Cu
Matériau - attache St / Cu
Matériau - câble Cu
Courant de court-circuit > 25 kA
Courant de test 40 kA / 100 ms
Normes Ril 997.0205A01
Courant de court-circuit (AC 50 Hz/DC) (1 s; ≤ 300 °C) 12,6 kA
Filetage M16
Diamètre de la plaque de connexion 50 mm
Câble NYY-O
Section de cable transversale max. du conducteur 95 mm²
Diamètre du câble 19 mm
Dimensions de la cosse 80 x 30 mm
Longueur 700 mm
N° de dessin DB 3 Ebs 15.03.19 - 32

Le produit 419501 a été ajouté au bloc-notes

Le produit 419501 a été ajouté au panier.

Référence de la pièce 419502 D BEB 5 - L1000 / EBS 15-03-19

GTIN 4013364458406, Clients tariffs no (UE): 85369010, Poids brut: 1.40 kg, Prix unitaire: 1.00 pièce(s)


Images

Plus d'informations

Pont de mise à la terre avec câble en cuivre D BEB 5 / EBS 15-03-19
pour la mise à la terre des armatures des pièces en béton
avec homologation DB Netz AG
Matériau - plaque: INOX
Matériau n°: 1.4301
Matériau du support: St / Cu
Matériau - attache: St / Cu
Matériau - câble: Cu
Courant de court-circuit: > 25 kA
Courant de test: 40 kA / 100 ms
Normes: Ril 997.0205A01
Courant de court-circuit (AC 50 Hz/DC): 12,6 kA
Filetage: M16
Diamètre de la plaque de connexion: 50 mm
Câble: NYY-O
Section de cable transversale max. du conducteur: 95 mm²
Diamètre du câble: 19 mm
Dimensions de la cosse: 80 x 30 mm
Longueur: 1000 mm
N° de dessin DB: 3 Ebs 15.03.19 - 32

produit : DEHN
Type: D BEB 5 - L1000 / EBS 15-03-19
Référence: 419502
ou équivalent

 

Caractéristiques techniques

Matériau - plaque INOX
Matériau n° 1.4301
Matériau du support St / Cu
Matériau - attache St / Cu
Matériau - câble Cu
Courant de court-circuit > 25 kA
Courant de test 40 kA / 100 ms
Normes Ril 997.0205A01
Courant de court-circuit (AC 50 Hz/DC) (1 s; ≤ 300 °C) 12,6 kA
Filetage M16
Diamètre de la plaque de connexion 50 mm
Câble NYY-O
Section de cable transversale max. du conducteur 95 mm²
Diamètre du câble 19 mm
Dimensions de la cosse 80 x 30 mm
Longueur 1000 mm
N° de dessin DB 3 Ebs 15.03.19 - 32

Le produit 419502 a été ajouté au bloc-notes

Le produit 419502 a été ajouté au panier.

Référence de la pièce 419503 D BEB 5 - L1500 / EBS 15-03-19

GTIN 4013364458413, Clients tariffs no (UE): 85369010, Poids brut: 2.10 kg, Prix unitaire: 1.00 pièce(s)


Images

Plus d'informations

Pont de mise à la terre avec câble en cuivre D BEB 5 / EBS 15-03-19
pour la mise à la terre des armatures des pièces en béton
avec homologation DB Netz AG
Matériau - plaque: INOX
Matériau n°: 1.4301
Matériau du support: St / Cu
Matériau - attache: St / Cu
Matériau - câble: Cu
Courant de court-circuit: > 25 kA
Courant de test: 40 kA / 100 ms
Normes: Ril 997.0205A01
Courant de court-circuit (AC 50 Hz/DC): 12,6 kA
Filetage: M16
Diamètre de la plaque de connexion: 50 mm
Câble: NYY-O
Section de cable transversale max. du conducteur: 95 mm²
Diamètre du câble: 19 mm
Dimensions de la cosse: 80 x 30 mm
Longueur: 1500 mm
N° de dessin DB: 3 Ebs 15.03.19 - 32

produit : DEHN
Type: D BEB 5 - L1500 / EBS 15-03-19
Référence: 419503
ou équivalent

 

Caractéristiques techniques

Matériau - plaque INOX
Matériau n° 1.4301
Matériau du support St / Cu
Matériau - attache St / Cu
Matériau - câble Cu
Courant de court-circuit > 25 kA
Courant de test 40 kA / 100 ms
Normes Ril 997.0205A01
Courant de court-circuit (AC 50 Hz/DC) (1 s; ≤ 300 °C) 12,6 kA
Filetage M16
Diamètre de la plaque de connexion 50 mm
Câble NYY-O
Section de cable transversale max. du conducteur 95 mm²
Diamètre du câble 19 mm
Dimensions de la cosse 80 x 30 mm
Longueur 1500 mm
N° de dessin DB 3 Ebs 15.03.19 - 32

Le produit 419503 a été ajouté au bloc-notes

Le produit 419503 a été ajouté au panier.

Référence de la pièce 419504 D BEB 5 - L2000 / EBS 15-03-19

GTIN 4013364458420, Clients tariffs no (UE): 85369010, Poids brut: 2.80 kg, Prix unitaire: 1.00 pièce(s)


Images

Plus d'informations

Pont de mise à la terre avec câble en cuivre D BEB 5 / EBS 15-03-19
pour la mise à la terre des armatures des pièces en béton
avec homologation DB Netz AG
Matériau - plaque: INOX
Matériau n°: 1.4301
Matériau du support: St / Cu
Matériau - attache: St / Cu
Matériau - câble: Cu
Courant de court-circuit: > 25 kA
Courant de test: 40 kA / 100 ms
Normes: Ril 997.0205A01
Courant de court-circuit (AC 50 Hz/DC): 12,6 kA
Filetage: M16
Diamètre de la plaque de connexion: 50 mm
Câble: NYY-O
Section de cable transversale max. du conducteur: 95 mm²
Diamètre du câble: 19 mm
Dimensions de la cosse: 80 x 30 mm
Longueur: 2000 mm
N° de dessin DB: 3 Ebs 15.03.19 - 32

produit : DEHN
Type: D BEB 5 - L2000 / EBS 15-03-19
Référence: 419504
ou équivalent

 

Caractéristiques techniques

Matériau - plaque INOX
Matériau n° 1.4301
Matériau du support St / Cu
Matériau - attache St / Cu
Matériau - câble Cu
Courant de court-circuit > 25 kA
Courant de test 40 kA / 100 ms
Normes Ril 997.0205A01
Courant de court-circuit (AC 50 Hz/DC) (1 s; ≤ 300 °C) 12,6 kA
Filetage M16
Diamètre de la plaque de connexion 50 mm
Câble NYY-O
Section de cable transversale max. du conducteur 95 mm²
Diamètre du câble 19 mm
Dimensions de la cosse 80 x 30 mm
Longueur 2000 mm
N° de dessin DB 3 Ebs 15.03.19 - 32

Le produit 419504 a été ajouté au bloc-notes

Le produit 419504 a été ajouté au panier.


Ponts de mise à la terre de câbles en cuivre D BEB 6/7

Les ponts de mise à la terre sont conçus pour assurer la mise à la terre, le circuit de retour ainsi que la liaison équipotentielle dans la zone d’utilisation des voies ferrées. Cette variante est utilisée comme passage de mise à la terre des composants avec une installation au ras de la surface des deux côtés. La flexibilité du câble facilite le montage dans l’armature pour l’utilisateur. Les variantes spéciales FLEX sont adaptées en particulier aux situations de montage où l’espace est limité – ici, sont utilisés des câbles en cuivre souples, extra-flexibles De plus, ces ponts de mise à la terre possèdent une homologation technique de DB Netz AG, ce qui garantit une sécurité de planification élevée.
Les longueurs spéciales sont disponibles sur demande : jusqu’à 500 mm de longueur totale par incréments de 50 mm, à partir de 500 mm de longueur totale par incréments de 100 mm.

4 Produits

Référence de la pièce 419060 D BEB 6 / EBS 15-03-19

GTIN 4013364439528, Clients tariffs no (UE): 85369010, Poids brut: 600.00 g, Prix unitaire: 1.00 pièce(s)


Images

Plus d'informations

Pont de mise à la terre avec câble en cuivre D BEB 6 / EBS 15-03-19
pour la mise à la terre des armatures des pièces en béton
avec homologation DB Netz AG
Matériau - plaque: INOX
Matériau n°: 1.4301
Matériau du support: St / Cu
Matériau - câble: Cu
Courant de court-circuit: ≤ 25 kA
Courant de test: 25 kA / 100 ms
Normes: Ril 997.0205A01
Courant de court-circuit (AC 50 Hz/DC): 7,9 kA
Filetage: M16
Diamètre de la plaque de connexion: 50 mm
Câble: NYY-O
Section de cable transversale max. du conducteur: 70 mm²
Diamètre du câble: 17 mm
Longueur: 500 mm
N° de dessin DB: 3 Ebs 15.03.19 - 33

produit : DEHN
Type: D BEB 6 / EBS 15-03-19
Référence: 419060
ou équivalent

 

Caractéristiques techniques

Matériau - plaque INOX
Matériau n° 1.4301
Matériau du support St / Cu
Matériau - câble Cu
Courant de court-circuit ≤ 25 kA
Courant de test 25 kA / 100 ms
Normes Ril 997.0205A01
Courant de court-circuit (AC 50 Hz/DC) (1 s; ≤ 300 °C) 7,9 kA
Filetage M16
Diamètre de la plaque de connexion 50 mm
Câble NYY-O
Section de cable transversale max. du conducteur 70 mm²
Diamètre du câble 17 mm
Longueur 500 mm
N° de dessin DB 3 Ebs 15.03.19 - 33

Le produit 419060 a été ajouté au bloc-notes

Le produit 419060 a été ajouté au panier.

Référence de la pièce 419061 D BEB 6-FLEX / EBS 15-03-19

GTIN 4013364439535, Clients tariffs no (UE): 85369010, Poids brut: 530.00 g, Prix unitaire: 1.00 pièce(s)


Images

Plus d'informations

Pont de mise à la terre avec câble en cuivre D BEB 6-FLEX / EBS 15-03-19
pour la mise à la terre des armatures des pièces en béton
avec homologation DB Netz AG
Matériau - plaque: INOX
Matériau n°: 1.4301
Matériau du support: St / Cu
Matériau - câble: Cu
Courant de court-circuit: ≤ 25 kA
Courant de test: 25 kA / 100 ms
Normes: Ril 997.0205A01
Courant de court-circuit (AC 50 Hz/DC): 7,9 kA
Filetage: M16
Diamètre de la plaque de connexion: 50 mm
Câble: H07V-K
Section de cable transversale max. du conducteur: 70 mm²
Diamètre du câble: 17 mm
Longueur: 500 mm
N° de dessin DB: 3 Ebs 15.03.19 - 33

produit : DEHN
Type: D BEB 6-FLEX / EBS 15-03-19
Référence: 419061
ou équivalent

 

Caractéristiques techniques

Matériau - plaque INOX
Matériau n° 1.4301
Matériau du support St / Cu
Matériau - câble Cu
Courant de court-circuit ≤ 25 kA
Courant de test 25 kA / 100 ms
Normes Ril 997.0205A01
Courant de court-circuit (AC 50 Hz/DC) (1 s; ≤ 300 °C) 7,9 kA
Filetage M16
Diamètre de la plaque de connexion 50 mm
Câble H07V-K
Section de cable transversale max. du conducteur 70 mm²
Diamètre du câble 17 mm
Longueur 500 mm
N° de dessin DB 3 Ebs 15.03.19 - 33

Le produit 419061 a été ajouté au bloc-notes

Le produit 419061 a été ajouté au panier.

Référence de la pièce 419070 D BEB 7 / EBS 15-03-19

GTIN 4013364439542, Clients tariffs no (UE): 85369010, Poids brut: 704.50 g, Prix unitaire: 1.00 pièce(s)


Images

Plus d'informations

Pont de mise à la terre avec câble en cuivre D BEB 7 / EBS 15-03-19
pour la mise à la terre des armatures des pièces en béton
avec homologation DB Netz AG
Matériau - plaque: INOX
Matériau n°: 1.4301
Matériau du support: St / Cu
Matériau - câble: Cu
Courant de court-circuit: > 25 kA
Courant de test: 40 kA / 100 ms
Normes: Ril 997.0205A01
Courant de court-circuit (AC 50 Hz/DC): 12,6 kA
Filetage: M16
Diamètre de la plaque de connexion: 50 mm
Câble: NYY-O
Section de cable transversale max. du conducteur: 95 mm²
Diamètre du câble: 19 mm
Longueur: 500 mm
N° de dessin DB: 3 Ebs 15.03.19 - 33

produit : DEHN
Type: D BEB 7 / EBS 15-03-19
Référence: 419070
ou équivalent

 

Caractéristiques techniques

Matériau - plaque INOX
Matériau n° 1.4301
Matériau du support St / Cu
Matériau - câble Cu
Courant de court-circuit > 25 kA
Courant de test 40 kA / 100 ms
Normes Ril 997.0205A01
Courant de court-circuit (AC 50 Hz/DC) (1 s; ≤ 300 °C) 12,6 kA
Filetage M16
Diamètre de la plaque de connexion 50 mm
Câble NYY-O
Section de cable transversale max. du conducteur 95 mm²
Diamètre du câble 19 mm
Longueur 500 mm
N° de dessin DB 3 Ebs 15.03.19 - 33

Le produit 419070 a été ajouté au bloc-notes

Le produit 419070 a été ajouté au panier.

Référence de la pièce 419071 D BEB 7-FLEX / EBS 15-03-19

GTIN 4013364439559, Clients tariffs no (UE): 85369010, Poids brut: 622.00 g, Prix unitaire: 1.00 pièce(s)


Images

Plus d'informations

Pont de mise à la terre avec câble en cuivre D BEB 7-FLEX / EBS 15-03-19
pour la mise à la terre des armatures des pièces en béton
avec homologation DB Netz AG
Matériau - plaque: INOX
Matériau n°: 1.4301
Matériau du support: St / Cu
Matériau - câble: Cu
Courant de court-circuit: > 25 kA
Courant de test: 40 kA / 100 ms
Normes: Ril 997.0205A01
Courant de court-circuit (AC 50 Hz/DC): 12,6 kA
Filetage: M16
Diamètre de la plaque de connexion: 50 mm
Câble: H07V-K
Section de cable transversale max. du conducteur: 95 mm²
Diamètre du câble: 19 mm
Longueur: 500 mm
N° de dessin DB: 3 Ebs 15.03.19 - 33

produit : DEHN
Type: D BEB 7-FLEX / EBS 15-03-19
Référence: 419071
ou équivalent

 

Caractéristiques techniques

Matériau - plaque INOX
Matériau n° 1.4301
Matériau du support St / Cu
Matériau - câble Cu
Courant de court-circuit > 25 kA
Courant de test 40 kA / 100 ms
Normes Ril 997.0205A01
Courant de court-circuit (AC 50 Hz/DC) (1 s; ≤ 300 °C) 12,6 kA
Filetage M16
Diamètre de la plaque de connexion 50 mm
Câble H07V-K
Section de cable transversale max. du conducteur 95 mm²
Diamètre du câble 19 mm
Longueur 500 mm
N° de dessin DB 3 Ebs 15.03.19 - 33

Le produit 419071 a été ajouté au bloc-notes

Le produit 419071 a été ajouté au panier.


Ponts de mise à la terre de câbles en cuivre D BEB 9/10

Les ponts de mise à la terre sont conçus pour assurer la mise à la terre, le circuit de retour ainsi que la liaison équipotentielle dans la zone d’utilisation des voies ferrées. Cette variante présente un raccordement non visible dans le béton, en soudant les languettes en acier cuivré, pressées sur le câble de cuivre, à l’armature de terre. La flexibilité du câble facilite le montage dans l’armature pour l’utilisateur. Les variantes spéciales FLEX sont adaptées en particulier aux situations de montage où l’espace est limité – ici, sont utilisés des câbles en cuivre souples, extra-flexibles De plus, ces ponts de mise à la terre possèdent une homologation technique de DB Netz AG, ce qui garantit une sécurité de planification élevée.
Les longueurs spéciales sont disponibles sur demande : jusqu’à 500 mm de longueur totale par incréments de 50 mm, à partir de 500 mm de longueur totale par incréments de 100 mm.

5 Produits

Référence de la pièce 419090 D BEB 9 / EBS 15-03-19

GTIN 4013364439573, Clients tariffs no (UE): 85369010, Poids brut: 640.00 g, Prix unitaire: 1.00 pièce(s)


Images

Plus d'informations

Pont de mise à la terre avec câble en cuivre D BEB 9 / EBS 15-03-19
pour la mise à la terre des armatures des pièces en béton
avec homologation DB Netz AG
Matériau - attache: St / Cu
Matériau - câble: Cu
Courant de court-circuit: ≤ 25 kA
Courant de test: 25 kA / 100 ms
Normes: Ril 997.0205A01
Courant de court-circuit (AC 50 Hz/DC): 7,9 kA
Câble: NYY-O
Section de cable transversale max. du conducteur: 70 mm²
Diamètre du câble: 17 mm
Dimensions de la cosse: 80 x 30 mm
Longueur: 500 mm
N° de dessin DB: 3 Ebs 15.03.19 - 33

produit : DEHN
Type: D BEB 9 / EBS 15-03-19
Référence: 419090
ou équivalent

 

Caractéristiques techniques

Matériau - attache St / Cu
Matériau - câble Cu
Courant de court-circuit ≤ 25 kA
Courant de test 25 kA / 100 ms
Normes Ril 997.0205A01
Courant de court-circuit (AC 50 Hz/DC) (1 s; ≤ 300 °C) 7,9 kA
Câble NYY-O
Section de cable transversale max. du conducteur 70 mm²
Diamètre du câble 17 mm
Dimensions de la cosse 80 x 30 mm
Longueur 500 mm
N° de dessin DB 3 Ebs 15.03.19 - 33

Le produit 419090 a été ajouté au bloc-notes

Le produit 419090 a été ajouté au panier.

Référence de la pièce 419091 D BEB 9-FLEX / EBS 15-03-19

GTIN 4013364439580, Clients tariffs no (UE): 85369010, Poids brut: 570.00 g, Prix unitaire: 1.00 pièce(s)


Images

Plus d'informations

Pont de mise à la terre avec câble en cuivre D BEB 9-FLEX / EBS 15-03-19
pour la mise à la terre des armatures des pièces en béton
avec homologation DB Netz AG
Matériau - attache: St / Cu
Matériau - câble: Cu
Courant de court-circuit: ≤ 25 kA
Courant de test: 25 kA / 100 ms
Normes: Ril 997.0205A01
Courant de court-circuit (AC 50 Hz/DC): 7,9 kA
Câble: H07V-K
Section de cable transversale max. du conducteur: 70 mm²
Diamètre du câble: 17 mm
Dimensions de la cosse: 80 x 30 mm
Longueur: 500 mm
N° de dessin DB: 3 Ebs 15.03.19 - 33

produit : DEHN
Type: D BEB 9-FLEX / EBS 15-03-19
Référence: 419091
ou équivalent

 

Caractéristiques techniques

Matériau - attache St / Cu
Matériau - câble Cu
Courant de court-circuit ≤ 25 kA
Courant de test 25 kA / 100 ms
Normes Ril 997.0205A01
Courant de court-circuit (AC 50 Hz/DC) (1 s; ≤ 300 °C) 7,9 kA
Câble H07V-K
Section de cable transversale max. du conducteur 70 mm²
Diamètre du câble 17 mm
Dimensions de la cosse 80 x 30 mm
Longueur 500 mm
N° de dessin DB 3 Ebs 15.03.19 - 33

Le produit 419091 a été ajouté au bloc-notes

Le produit 419091 a été ajouté au panier.

Référence de la pièce 419100 D BEB 10 / EBS 15-03-19

GTIN 4013364439597, Clients tariffs no (UE): 85369010, Poids brut: 722.50 g, Prix unitaire: 1.00 pièce(s)


Images

Plus d'informations

Pont de mise à la terre avec câble en cuivre D BEB 10 / EBS 15-03-19
pour la mise à la terre des armatures des pièces en béton
avec homologation DB Netz AG
Matériau - attache: St / Cu
Matériau - câble: Cu
Courant de court-circuit: > 25 kA
Courant de test: 40 kA / 100 ms
Normes: Ril 997.0205A01
Courant de court-circuit (AC 50 Hz/DC): 12,6 kA
Câble: NYY-O
Section de cable transversale max. du conducteur: 95 mm²
Diamètre du câble: 19 mm
Dimensions de la cosse: 80 x 30 mm
Longueur: 500 mm
N° de dessin DB: 3 Ebs 15.03.19 - 33

produit : DEHN
Type: D BEB 10 / EBS 15-03-19
Référence: 419100
ou équivalent

 

Caractéristiques techniques

Matériau - attache St / Cu
Matériau - câble Cu
Courant de court-circuit > 25 kA
Courant de test 40 kA / 100 ms
Normes Ril 997.0205A01
Courant de court-circuit (AC 50 Hz/DC) (1 s; ≤ 300 °C) 12,6 kA
Câble NYY-O
Section de cable transversale max. du conducteur 95 mm²
Diamètre du câble 19 mm
Dimensions de la cosse 80 x 30 mm
Longueur 500 mm
N° de dessin DB 3 Ebs 15.03.19 - 33

Le produit 419100 a été ajouté au bloc-notes

Le produit 419100 a été ajouté au panier.

Référence de la pièce 419101 D BEB 10-FLEX / EBS 15-03-19

GTIN 4013364439603, Clients tariffs no (UE): 85369010, Poids brut: 667.00 g, Prix unitaire: 1.00 pièce(s)


Images

Plus d'informations

Pont de mise à la terre avec câble en cuivre D BEB 10-FLEX / EBS 15-03-19
pour la mise à la terre des armatures des pièces en béton
avec homologation DB Netz AG
Matériau - attache: St / Cu
Matériau - câble: Cu
Courant de court-circuit: > 25 kA
Courant de test: 40 kA / 100 ms
Normes: Ril 997.0205A01
Courant de court-circuit (AC 50 Hz/DC): 12,6 kA
Câble: H07V-K
Section de cable transversale max. du conducteur: 95 mm²
Diamètre du câble: 19 mm
Dimensions de la cosse: 80 x 30 mm
Longueur: 500 mm
N° de dessin DB: 3 Ebs 15.03.19 - 33

produit : DEHN
Type: D BEB 10-FLEX / EBS 15-03-19
Référence: 419101
ou équivalent

 

Caractéristiques techniques

Matériau - attache St / Cu
Matériau - câble Cu
Courant de court-circuit > 25 kA
Courant de test 40 kA / 100 ms
Normes Ril 997.0205A01
Courant de court-circuit (AC 50 Hz/DC) (1 s; ≤ 300 °C) 12,6 kA
Câble H07V-K
Section de cable transversale max. du conducteur 95 mm²
Diamètre du câble 19 mm
Dimensions de la cosse 80 x 30 mm
Longueur 500 mm
N° de dessin DB 3 Ebs 15.03.19 - 33

Le produit 419101 a été ajouté au bloc-notes

Le produit 419101 a été ajouté au panier.

Référence de la pièce 419505 D BEB 10 - L800 / EBS 15-03-19

GTIN 4013364458437, Clients tariffs no (UE): 85369010, Poids brut: 1.12 kg, Prix unitaire: 1.00 pièce(s)


Images

Plus d'informations

Pont de mise à la terre avec câble en cuivre D BEB 10 / EBS 15-03-19
pour la mise à la terre des armatures des pièces en béton
avec homologation DB Netz AG
Matériau - attache: St / Cu
Matériau - câble: Cu
Courant de court-circuit: > 25 kA
Courant de test: 40 kA / 100 ms
Normes: Ril 997.0205A01
Courant de court-circuit (AC 50 Hz/DC): 12,6 kA
Câble: NYY-O
Section de cable transversale max. du conducteur: 95 mm²
Diamètre du câble: 19 mm
Dimensions de la cosse: 80 x 30 mm
Longueur: 800 mm
N° de dessin DB: 3 Ebs 15.03.19 - 33

produit : DEHN
Type: D BEB 10 - L800 / EBS 15-03-19
Référence: 419505
ou équivalent

 

Caractéristiques techniques

Matériau - attache St / Cu
Matériau - câble Cu
Courant de court-circuit > 25 kA
Courant de test 40 kA / 100 ms
Normes Ril 997.0205A01
Courant de court-circuit (AC 50 Hz/DC) (1 s; ≤ 300 °C) 12,6 kA
Câble NYY-O
Section de cable transversale max. du conducteur 95 mm²
Diamètre du câble 19 mm
Dimensions de la cosse 80 x 30 mm
Longueur 800 mm
N° de dessin DB 3 Ebs 15.03.19 - 33

Le produit 419505 a été ajouté au bloc-notes

Le produit 419505 a été ajouté au panier.


Pont de mise à la terre pour des conduits de large diamètre D BEB 11

Les ponts de mise à la terre sont conçus pour assurer la mise à la terre, le circuit de retour ainsi que la liaison équipotentielle dans la zone d’utilisation des voies ferrées. Cette variante destinée à la mise à la terre des tubes de grand diamètre est utilisée pour les fondations sur pieux et les tubes de grand diamètre. Le produit est composé d’un câble en cuivre avec une douille pressée et une plaque de raccordement en INOX avec perçage intégré pour la fixation du coffrage à une extrémité, ainsi que d’une cosse de câble à l’autre extrémité. La cosse de câble permet de créer un raccordement qui résiste aux courants de court-circuit pour les fondations sur pieux et sur les tubes de grand diamètre. La flexibilité du câble facilite le montage dans l’armature pour l’utilisateur. De plus, ce pont de mise à la terre possède une homologation technique de DB Netz AG, ce qui garantit une sécurité de planification élevée.
Les longueurs spéciales sont disponibles sur demande : jusqu’à 500 mm de longueur totale par incréments de 50 mm, à partir de 500 mm de longueur totale par incréments de 100 mm.

2 Produits

Référence de la pièce 419110 D BEB 11 / EBS 15-03-27

GTIN 4013364439665, Clients tariffs no (UE): 85369010, Poids brut: 640.00 g, Prix unitaire: 1.00 pièce(s)


Images

Plus d'informations

Pont de mise à la terre pour les tubes de grand diamètre D BEB 11 / EBS 15-03-27
pour la mise à la terre des armatures des pièces en béton
avec homologation DB Netz AG
Matériau - plaque: INOX
Matériau n°: 1.4301
Matériau du support: St / Cu
Matériau - cosse de câble: Cu/gal Sn
Matériau - câble: Cu
Courant de court-circuit: ≤ 25 kA
Courant de test: 25 kA / 100 ms
Normes: Ril 997.0205A01
Courant de court-circuit (AC 50 Hz/DC): 7,9 kA
Filetage: M16
Diamètre de la plaque de connexion: 50 mm
Câble: NYY-O
Section de cable transversale max. du conducteur: 70 mm²
Diamètre du câble: 17 mm
Diamètre int. cosse: 13 mm
Longueur: 500 mm
N° de dessin DB: 4 Ebs 15.03.27 - 2

produit : DEHN
Type: D BEB 11 / EBS 15-03-27
Référence: 419110
ou équivalent

 

Caractéristiques techniques

Matériau - plaque INOX
Matériau n° 1.4301
Matériau du support St / Cu
Matériau - cosse de câble Cu /gal Sn
Matériau - câble Cu
Courant de court-circuit ≤ 25 kA
Courant de test 25 kA / 100 ms
Normes Ril 997.0205A01
Courant de court-circuit (AC 50 Hz/DC) (1 s; ≤ 300 °C) 7,9 kA
Filetage M16
Diamètre de la plaque de connexion 50 mm
Câble NYY-O
Section de cable transversale max. du conducteur 70 mm²
Diamètre du câble 17 mm
Diamètre int. cosse 13 mm
Longueur 500 mm
N° de dessin DB 4 Ebs 15.03.27 - 2

Le produit 419110 a été ajouté au bloc-notes

Le produit 419110 a été ajouté au panier.

Référence de la pièce 419506 D BEB 11 - L1000 / EBS 15-03-27

GTIN 4013364458444, Clients tariffs no (UE): 85369010, Poids brut: 1.10 kg, Prix unitaire: 1.00 pièce(s)


Images

Plus d'informations

Pont de mise à la terre pour les tubes de grand diamètre D BEB 11 / EBS 15-03-27
pour la mise à la terre des armatures des pièces en béton
avec homologation DB Netz AG
Matériau - plaque: INOX
Matériau n°: 1.4301
Matériau du support: St / Cu
Matériau - cosse de câble: Cu/gal Sn
Matériau - câble: Cu
Courant de court-circuit: ≤ 25 kA
Courant de test: 25 kA / 100 ms
Normes: Ril 997.0205A01
Courant de court-circuit (AC 50 Hz/DC): 7,9 kA
Filetage: M16
Diamètre de la plaque de connexion: 50 mm
Câble: NYY-O
Section de cable transversale max. du conducteur: 70 mm²
Diamètre du câble: 17 mm
Diamètre int. cosse: 13 mm
Longueur: 1000 mm
N° de dessin DB: 4 Ebs 15.03.27 - 2

produit : DEHN
Type: D BEB 11 - L1000 / EBS 15-03-27
Référence: 419506
ou équivalent

 

Caractéristiques techniques

Matériau - plaque INOX
Matériau n° 1.4301
Matériau du support St / Cu
Matériau - cosse de câble Cu /gal Sn
Matériau - câble Cu
Courant de court-circuit ≤ 25 kA
Courant de test 25 kA / 100 ms
Normes Ril 997.0205A01
Courant de court-circuit (AC 50 Hz/DC) (1 s; ≤ 300 °C) 7,9 kA
Filetage M16
Diamètre de la plaque de connexion 50 mm
Câble NYY-O
Section de cable transversale max. du conducteur 70 mm²
Diamètre du câble 17 mm
Diamètre int. cosse 13 mm
Longueur 1000 mm
N° de dessin DB 4 Ebs 15.03.27 - 2

Le produit 419506 a été ajouté au bloc-notes

Le produit 419506 a été ajouté au panier.


Pont de mise à la terre pour des conduits de large diamètre D BEB 40

Les liaisons de mise à la terre sont conçues pour assurer la mise à la terre, le circuit de retour et la liaison équipotentielle dans la zone d’utilisation des voies ferrées. Cette variante destinée à la mise à la terre des tubes de grand diamètre est spécialement conçue pour les fondations sur pieux et les tubes de grand diamètre. Le produit est composé d’un câble en acier avec une languette en acier cuivré à une extrémité et une cosse de câble à l’autre extrémité. Une gaine thermorétractable sur le côté de la languette à souder empêche l’eau de pénétrer dans le câble en acier. Le câble en acier constitue ainsi une mesure préventive contre le vol. De plus, cette liaison de mise à la terre possède une homologation technique de DB Netz AG, ce qui garantit une sécurité de planification élevée.
Les longueurs spéciales sont disponibles sur demande : jusqu’à 500 mm de longueur totale par incréments de 50 mm, à partir de 500 mm de longueur totale par incréments de 100 mm.

1 Produit

Référence de la pièce 419400 D BEB 40 / EBS 15-03-25

GTIN 4013364439672, Clients tariffs no (UE): 85359000, Poids brut: 700.00 g, Prix unitaire: 1.00 pièce(s)


Images

Plus d'informations

Pont de mise à la terre pour les tubes de grand diamètre D BEB 40 / EBS 15-03-25
pour la mise à la terre des armatures des pièces en béton
avec homologation DB Netz AG
Matériau - attache: St / Cu
Matériau - cosse de câble: Cu/gal Sn
Matériau - corde: St
Courant de court-circuit: ≤ 25 kA
Courant de test: 25 kA / 100 ms
Normes: Ril 997.0205A01
Courant de court-circuit (AC 50 Hz/DC): 7,9 kA
Section - corde: 95 mm²
Diamètre du câble: 17 mm
Dimensions de la cosse: 80 x 30 mm
Diamètre int. cosse: 17 mm
Longueur: 500 mm
N° de dessin DB: 4 Ebs 15.03.25 - 4

produit : DEHN
Type: D BEB 40 / EBS 15-03-25
Référence: 419400
ou équivalent

 

Caractéristiques techniques

Matériau - attache St / Cu
Matériau - cosse de câble Cu /gal Sn
Matériau - corde St
Courant de court-circuit ≤ 25 kA
Courant de test 25 kA / 100 ms
Normes Ril 997.0205A01
Courant de court-circuit (AC 50 Hz/DC) (1 s; ≤ 300 °C) 7,9 kA
Section - corde 95 mm²
Diamètre du câble 17 mm
Dimensions de la cosse 80 x 30 mm
Diamètre int. cosse 17 mm
Longueur 500 mm
N° de dessin DB 4 Ebs 15.03.25 - 4

Le produit 419400 a été ajouté au bloc-notes

Le produit 419400 a été ajouté au panier.


Connecteur de mise à la terre du câble acier D BEB 26

Les liaisons de mise à la terre sont conçues pour assurer la mise à la terre, le circuit de retour et la liaison équipotentielle dans la zone d’utilisation des voies ferrées. La variante D BEB 26 sans halogènes (gainage) est destinée au raccordement extérieur des points de mise à la terre ou d’autres pièces mises à la terre. Elle possède un câble en acier comme conducteur de terre, ce qui offre une protection antivol supplémentaire. De plus, cette liaison de mise à la terre possède une homologation technique de DB Netz AG, ce qui garantit une sécurité de planification élevée.
Les longueurs spéciales sont disponibles sur demande : jusqu’à 500 mm de longueur totale par incréments de 50 mm, à partir de 500 mm de longueur totale par incréments de 100 mm.

1 Produit

Référence de la pièce 419260 D BEB 26 / EBS 15-03-17

GTIN 4013364439610, Clients tariffs no (UE): 85359000, Poids brut: 630.00 g, Prix unitaire: 1.00 pièce(s)


Images

Plus d'informations

Liaison de mise à la terre avec câble en acier D BEB 26 / EBS 15-03-17
pour la mise à la terre des armatures des pièces en béton
avec homologation DB Netz AG
Matériau - cosse de câble: Cu/gal Sn
Matériau - corde: St
Courant de court-circuit: ≤ 25 kA
Courant de test: 25 kA / 100 ms
Normes: Ril 997.0205A01
Courant de court-circuit (AC 50 Hz/DC): 7,9 kA
Corde: 1-12-12 B 350 sZ PE
Section - corde: ≥ 95 mm²
Version: Sans halogen
Diamètre du câble: 17 mm
Diamètre int. cosse: 17 mm
Longueur: 500 mm
N° de dessin DB: 3 Ebs 15.03.17 - 11

produit : DEHN
Type: D BEB 26 / EBS 15-03-17
Référence: 419260
ou équivalent

 

Caractéristiques techniques

Matériau - cosse de câble Cu /gal Sn
Matériau - corde St
Courant de court-circuit ≤ 25 kA
Courant de test 25 kA / 100 ms
Normes Ril 997.0205A01
Courant de court-circuit (AC 50 Hz/DC) (1 s; ≤ 300 °C) 7,9 kA
Corde 1-12-12 B 350 sZ PE
Section - corde ≥ 95 mm²
Version Sans halogen
Diamètre du câble 17 mm
Diamètre int. cosse 17 mm
Longueur 500 mm
N° de dessin DB 3 Ebs 15.03.17 - 11

Le produit 419260 a été ajouté au bloc-notes

Le produit 419260 a été ajouté au panier.


Connecteur de mise à la terre du câble CuStAl D BEB 29

Les liaisons de mise à la terre sont conçues pour assurer la mise à la terre, le circuit de retour et la liaison équipotentielle dans la zone d’utilisation des voies ferrées. La variante D BEB 29 sans halogènes ou la variante D BEB 29-NF sans halogènes et ignifuge, prévues pour le raccordement extérieur des points de mise à la terre ou d’autres éléments de raccordement, sont réalisées en version avec cosses de câble pour les raccordements M16. Ces liaisons de mise à la terre sont composées d’un câble en aluminium/acier/cuivre, ce qui offre une sécurité antivol supplémentaire. De plus, ces liaisons de mise à la terre possèdent une homologation technique de DB Netz AG, pour garantir une sécurité de planification élevée. La version sans halogènes et ignifuge peut être mise en place dans les tunnels conformément aux réglementations européennes.
Les longueurs spéciales sont disponibles sur demande : jusqu’à 500 mm de longueur totale par incréments de 50 mm, à partir de 500 mm de longueur totale par incréments de 100 mm.

6 Produits

Référence de la pièce 419290 D BEB 29 / EBS 15-03-17

GTIN 4013364439627, Clients tariffs no (UE): 85359000, Poids brut: 390.00 g, Prix unitaire: 1.00 pièce(s)


Images

Plus d'informations

Liaison de mise à la terre avec câble en aluminium/acier/cuivre
D BEB 29 / EBS 15-03-17
pour la mise à la terre des armatures des pièces en béton
avec homologation DB Netz AG
Matériau - cosse de câble: Cu/gal Sn
Matériau - câble: CuStAl
Courant de court-circuit: > 25 kA
Courant de test: 40 kA / 100 ms
Normes: Ril 997.0205A01
Courant de court-circuit (AC 50 Hz/DC): 12,6 kA
Câble: (N)2X RF CuStAl
Section de cable transversale max. du conducteur: ≥ 70 mm²
Version: Sans Halogène
Diamètre du câble: 17 mm
Diamètre int. cosse: 17 mm
Longueur: 500 mm
N° de dessin DB: 4 Ebs 15.03.17 - 6 (Bayka)

produit : DEHN
Type: D BEB 29 / EBS 15-03-17
Référence: 419290
ou équivalent

 

Caractéristiques techniques

Matériau - cosse de câble Cu /gal Sn
Matériau - câble Cu St Al
Courant de court-circuit > 25 kA
Courant de test 40 kA / 100 ms
Normes Ril 997.0205A01
Courant de court-circuit (AC 50 Hz/DC) (1 s; ≤ 300 °C) 12,6 kA
Câble (N)2X RF Cu St Al
Section de cable transversale max. du conducteur ≥ 70 mm²
Version Sans Halogène
Diamètre du câble 17 mm
Diamètre int. cosse 17 mm
Longueur 500 mm
N° de dessin DB 4 Ebs 15.03.17 - 6 (Bayka)

Le produit 419290 a été ajouté au bloc-notes

Le produit 419290 a été ajouté au panier.

Référence de la pièce 419291 D BEB 29-NF / EBS 15-03-17

GTIN 4013364439634, Clients tariffs no (UE): 85359000, Poids brut: 410.00 g, Prix unitaire: 1.00 pièce(s)


Images

Plus d'informations

Liaison de mise à la terre avec câble en aluminium/acier/cuivre
D BEB 29-NF / EBS 15-03-17
pour la mise à la terre des armatures des pièces en béton
avec homologation DB Netz AG
Matériau - cosse de câble: Cu/gal Sn
Matériau - câble: CuStAl
Courant de court-circuit: > 25 kA
Courant de test: 40 kA / 100 ms
Normes: Ril 997.0205A01
Courant de court-circuit (AC 50 Hz/DC): 12,6 kA
Câble: B2ca RF CuStAl
Section de cable transversale max. du conducteur: ≥ 70 mm²
Version: Sans halogène et ignfuge
Diamètre du câble: 17 mm
Diamètre int. cosse: 17 mm
Longueur: 500 mm
N° de dessin DB: 4 Ebs 15.03.17 - 6 (Bayka)

produit : DEHN
Type: D BEB 29-NF / EBS 15-03-17
Référence: 419291
ou équivalent

 

Caractéristiques techniques

Matériau - cosse de câble Cu /gal Sn
Matériau - câble Cu St Al
Courant de court-circuit > 25 kA
Courant de test 40 kA / 100 ms
Normes Ril 997.0205A01
Courant de court-circuit (AC 50 Hz/DC) (1 s; ≤ 300 °C) 12,6 kA
Câble B2ca RF Cu St Al
Section de cable transversale max. du conducteur ≥ 70 mm²
Version Sans halogène et ignfuge
Diamètre du câble 17 mm
Diamètre int. cosse 17 mm
Longueur 500 mm
N° de dessin DB 4 Ebs 15.03.17 - 6 (Bayka)

Le produit 419291 a été ajouté au bloc-notes

Le produit 419291 a été ajouté au panier.

Référence de la pièce 419511 D BEB 29 M12 M16 / EBS 15-03-17

GTIN 4013364480513, Clients tariffs no (UE): 85359000, Poids brut: 410.00 g, Prix unitaire: 1.00 pièce(s)


Images

Plus d'informations

Liaison de mise à la terre avec câble en aluminium/acier/cuivre
D BEB 29 M12 M16 / EBS 15-03-17
pour la mise à la terre de composants (M16) ou de barres (M12)
avec homologation DB Netz AG
Matériau - cosse de câble: Cu/gal Sn
Matériau - câble: CuStAl
Courant de court-circuit: > 25 kA
Courant de test: 40 kA / 100 ms
Normes: Ril 997.0205A01
Courant de court-circuit (AC 50 Hz/DC): 12,6 kA
Câble: (N)2X RF CuStAl
Section de cable transversale max. du conducteur: ≥ 70 mm²
Version: Sans Halogène
Diamètre du câble: 17 mm
Diamètre int. cosse: 17 mm
Longueur: 500 mm
N° de dessin DB: 4 Ebs 15.03.17 - 6 (Bayka)

produit : DEHN
Type: D BEB 29 M12 M16 / EBS 15-03-17
Référence: 419511
ou équivalent

 

Caractéristiques techniques

Matériau - cosse de câble Cu /gal Sn
Matériau - câble Cu St Al
Courant de court-circuit > 25 kA
Courant de test 40 kA / 100 ms
Normes Ril 997.0205A01
Courant de court-circuit (AC 50 Hz/DC) (1 s; ≤ 300 °C) 12,6 kA
Câble (N)2X RF Cu St Al
Section de cable transversale max. du conducteur ≥ 70 mm²
Version Sans Halogène
Diamètre du câble 17 mm
Diamètre int. cosse 17 mm
Longueur 500 mm
N° de dessin DB 4 Ebs 15.03.17 - 6 (Bayka)

Le produit 419511 a été ajouté au bloc-notes

Le produit 419511 a été ajouté au panier.

Référence de la pièce 419512 D BEB 29-NF M12 M16 / EBS 15-03-17

GTIN 4013364480520, Clients tariffs no (UE): 85359000, Poids brut: 410.00 g, Prix unitaire: 1.00 pièce(s)


Images

Plus d'informations

Liaison de mise à la terre avec câble en aluminium/acier/cuivre
D BEB 29-NF / EBS 15-03-17
pour la mise à la terre des armatures des pièces en béton
avec homologation DB Netz AG
Matériau - cosse de câble: Cu/gal Sn
Matériau - câble: CuStAl
Courant de court-circuit: > 25 kA
Courant de test: 40 kA / 100 ms
Normes: Ril 997.0205A01
Courant de court-circuit (AC 50 Hz/DC): 12,6 kA
Câble: B2ca RF CuStAl
Section de cable transversale max. du conducteur: ≥ 70 mm²
Version: Sans halogène et ignfuge
Diamètre du câble: 17 mm
Diamètre int. cosse: 17 mm
Longueur: 500 mm
N° de dessin DB: 4 Ebs 15.03.17 - 6 (Bayka)

produit : DEHN
Type: D BEB 29-NF M12 M16 / EBS 15-03-17
Référence: 419512
ou équivalent

 

Caractéristiques techniques

Matériau - cosse de câble Cu /gal Sn
Matériau - câble Cu St Al
Courant de court-circuit > 25 kA
Courant de test 40 kA / 100 ms
Normes Ril 997.0205A01
Courant de court-circuit (AC 50 Hz/DC) (1 s; ≤ 300 °C) 12,6 kA
Câble B2ca RF Cu St Al
Section de cable transversale max. du conducteur ≥ 70 mm²
Version Sans halogène et ignfuge
Diamètre du câble 17 mm
Diamètre int. cosse 17 mm
Longueur 500 mm
N° de dessin DB 4 Ebs 15.03.17 - 6 (Bayka)

Le produit 419512 a été ajouté au bloc-notes

Le produit 419512 a été ajouté au panier.

Référence de la pièce 419513 D BEB 29 R / EBS 15-03-17

GTIN 4013364480506, Clients tariffs no (UE): 85359000, Poids brut: 410.00 g, Prix unitaire: 1.00 pièce(s)


Images

Plus d'informations

Liaison de mise à la terre avec câble en aluminium/acier/cuivre
En version tournée à droite
D BEB 29 R / EBS 15-03-17
pour la mise à la terre des armatures des pièces en béton
avec homologation DB Netz AG
Matériau - cosse de câble: Cu/gal Sn
Matériau - câble: CuStAl
Courant de court-circuit: > 25 kA
Courant de test: 40 kA / 100 ms
Normes: Ril 997.0205A01
Courant de court-circuit (AC 50 Hz/DC): 12,6 kA
Câble: (N)2X RF CuStAl
Section de cable transversale max. du conducteur: ≥ 70 mm²
Version: Sans Halogène
Diamètre du câble: 17 mm
Diamètre int. cosse: 17 mm
Version cosse de câble: tourné à 90° vers la droite
Longueur: 500 mm
N° de dessin DB: 4 Ebs 15.03.17 - 6 (Bayka)

produit : DEHN
Type: D BEB 29 R / EBS 15-03-17
Référence: 419513
ou équivalent

 

Caractéristiques techniques

Matériau - cosse de câble Cu /gal Sn
Matériau - câble Cu St Al
Courant de court-circuit > 25 kA
Courant de test 40 kA / 100 ms
Normes Ril 997.0205A01
Courant de court-circuit (AC 50 Hz/DC) (1 s; ≤ 300 °C) 12,6 kA
Câble (N)2X RF Cu St Al
Section de cable transversale max. du conducteur ≥ 70 mm²
Version Sans Halogène
Diamètre du câble 17 mm
Diamètre int. cosse 17 mm
Version cosse de câble tourné à 90° vers la droite
Longueur 500 mm
N° de dessin DB 4 Ebs 15.03.17 - 6 (Bayka)

Le produit 419513 a été ajouté au bloc-notes

Le produit 419513 a été ajouté au panier.

Référence de la pièce 419514 D BEB 29 L / EBS 15-03-17

GTIN 4013364480537, Clients tariffs no (UE): 85359000, Poids brut: 410.00 g, Prix unitaire: 1.00 pièce(s)


Images

Plus d'informations

Liaison de mise à la terre avec câble en aluminium/acier/cuivre
En version tournée à gauche
D BEB 29 R / EBS 15-03-17
pour la mise à la terre des armatures des pièces en béton
avec homologation DB Netz AG
Matériau - cosse de câble: Cu/gal Sn
Matériau - câble: CuStAl
Courant de court-circuit: > 25 kA
Courant de test: 40 kA / 100 ms
Normes: Ril 997.0205A01
Courant de court-circuit (AC 50 Hz/DC): 12,6 kA
Câble: (N)2X RF CuStAl
Section de cable transversale max. du conducteur: ≥ 70 mm²
Version: Sans Halogène
Diamètre du câble: 17 mm
Diamètre int. cosse: 17 mm
Version cosse de câble: tourné à 90° vers la gauche
Longueur: 500 mm
N° de dessin DB: 4 Ebs 15.03.17 - 6 (Bayka)

produit : DEHN
Type: D BEB 29 L / EBS 15-03-17
Référence: 419514
ou équivalent

 

Caractéristiques techniques

Matériau - cosse de câble Cu /gal Sn
Matériau - câble Cu St Al
Courant de court-circuit > 25 kA
Courant de test 40 kA / 100 ms
Normes Ril 997.0205A01
Courant de court-circuit (AC 50 Hz/DC) (1 s; ≤ 300 °C) 12,6 kA
Câble (N)2X RF Cu St Al
Section de cable transversale max. du conducteur ≥ 70 mm²
Version Sans Halogène
Diamètre du câble 17 mm
Diamètre int. cosse 17 mm
Version cosse de câble tourné à 90° vers la gauche
Longueur 500 mm
N° de dessin DB 4 Ebs 15.03.17 - 6 (Bayka)

Le produit 419514 a été ajouté au bloc-notes

Le produit 419514 a été ajouté au panier.


Tampon adhésif

Le pad adhésif sert à coller des produits de mise à la terre ferroviaires sur des éléments de coffrage. Le pad adhésif peut être collé sur la plaque de raccordement en INOX du D BEB 0 qui est ensuite raccordée au coffrage lui-même.

1 Produit

Référence de la pièce 419900 D KLP D50 BEB

GTIN 4013364439641, Clients tariffs no (UE): 39191080, Poids brut: 2.00 g, Prix unitaire: 1.00 pièce(s)


Images

Plus d'informations

Pad adhésif D KLP D50 BEB
pour les produits de mise à la terre ferroviaire D BEB 0-x
Diamètre : 50 mm
Diamètre Ø: 50 mm

produit : DEHN
Type: D KLP D50 BEB
Référence: 419900
ou équivalent

 

Caractéristiques techniques

Diamètre Ø 50 mm

Le produit 419900 a été ajouté au bloc-notes

Le produit 419900 a été ajouté au panier.


Earthing sticker

Le sticker de mise la terre est une pièce de rechange pour réaliser l'installation des produits DEHN railway. Ce sticker peut être utiliser sur les ponts de mise à la terre D BEB 1 à 8 ainsi que pour le D BEB 11 pour les conduits de large diamètre.

1 Produit

Référence de la pièce 419901 D EAK D50 BEB

GTIN 4013364439658, Clients tariffs no (UE): 39191080, Poids brut: 3.00 g, Prix unitaire: 1.00 pièce(s)


Images

Plus d'informations

Adhésif de mise à la terre D EAK D50 BEB
pour le marquage des produits de mise à la terre ferroviaire.
Diamètre : 50 mm
Diamètre Ø: 50 mm

produit : DEHN
Type: D EAK D50 BEB
Référence: 419901
ou équivalent

 

Caractéristiques techniques

Diamètre Ø 50 mm

Le produit 419901 a été ajouté au bloc-notes

Le produit 419901 a été ajouté au panier.


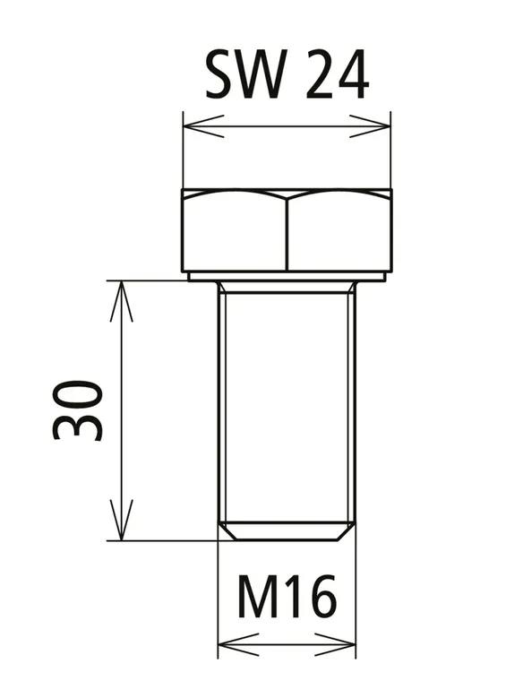
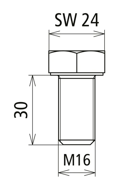
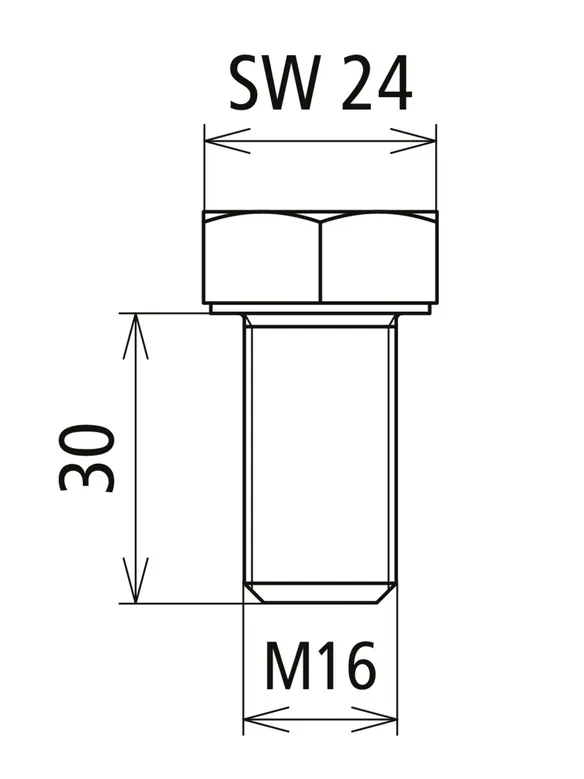
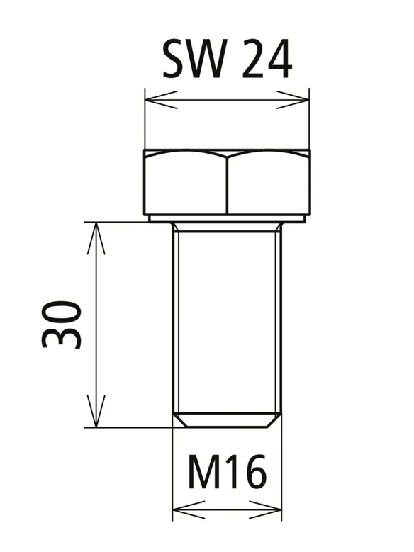
Boulon à tête hexagonale

1 Produit

Référence de la pièce 419902 D SKS M16X30 V4A

GTIN 4013364439689, Clients tariffs no (UE): 85389099, Poids brut: 76.89 g, Prix unitaire: 1.00 pièce(s)


Images

Plus d'informations

Vis hexagonnale D SKS M16x30 V2A
Matériau : StSt A4-70
Filetage : M16x30 mm
Matériau: INOX (V4A)
Filetage: M16 x 30 mm

produit : DEHN
Type: D SKS M16X30 V4A
Référence: 419902
ou équivalent

 

Caractéristiques techniques

Matériau INOX (V4A)
Filetage M16 x 30 mm

Le produit 419902 a été ajouté au bloc-notes

Le produit 419902 a été ajouté au panier.


Écrou hexagonal

1 Produit

Référence de la pièce 419903 D SKM M16 V4A

GTIN 4013364439696, Clients tariffs no (UE): 73181639, Poids brut: 28.98 g, Prix unitaire: 1.00 pièce(s)


Images

Plus d'informations

Ecrou hexagonal D SKM M16 V2A
Matériau : StSt A4
Filetage : M16

Matériau: INOX (V4A)
Filetage: M16

produit : DEHN
Type: D SKM M16 V4A
Référence: 419903
ou équivalent

 

Caractéristiques techniques

Matériau INOX (V4A)
Filetage M16

Le produit 419903 a été ajouté au bloc-notes

Le produit 419903 a été ajouté au panier.


Rondelle

1 Produit

Référence de la pièce 419904 D SCH A17 V4A

GTIN 4013364439702, Clients tariffs no (UE): 85389099, Poids brut: 9.10 g, Prix unitaire: 1.00 pièce(s)


Images

Plus d'informations

Rondelle D SCH A17 V2A
Matériau : StSt A4-70
Diamètre exterieur : 30mm
Diamètre intérieur : 17 mm
Matériau: INOX (V4A)
Diamètre extérieur: 30 mm
Diamètre intérieur: 17 mm

produit : DEHN
Type: D SCH A17 V4A
Référence: 419904
ou équivalent

 

Caractéristiques techniques

Matériau INOX (V4A)
Diamètre extérieur 30 mm
Diamètre intérieur 17 mm

Le produit 419904 a été ajouté au bloc-notes

Le produit 419904 a été ajouté au panier.


back to top