Les services de votre tableau de bord.
Inscrivez-vous pour accéder à tous les outils.

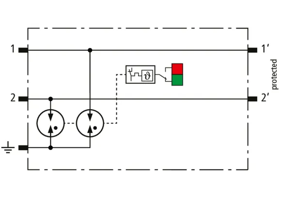
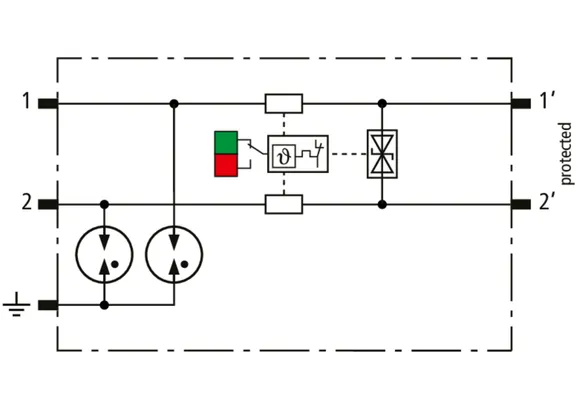
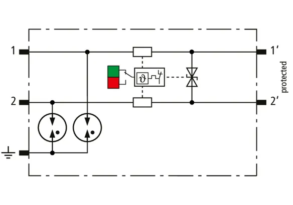
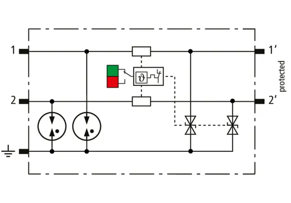
BLITZDUCTORconnect – Compact

Parafoudre universel
  • Pour la protection des interfaces de bus de données ainsi que des circuits MCR
  • Capacité d'écoulement de 3 kA (10/350 µs), 10 kA (8/20 µs)
  • Imax jusqu'à 20 kA
  • Bas niveau de protection, approprié pour la protection des appareils terminaux
Parafoudre compact
  • Connexion de câble simple et rapide grâce à la technologie de connexion push-in
  • Continuité de service élevé grace à la technologie "fail-safe"
  • Conception optimisé dans un encombrement réduit largeur de 6 mm
  • LifeCheck et indication d'état visuel intégrés dans le module
  • Télésignalisation grâce au module en option
  • Testé contre les vibrations et les chocs pour un fonctionnement sûr

Détails

Continuitée de service maximale du système
Certifié pour une utilisation dans des circuits de mesure à sécurité intrinsèque
lorem ipsum
Vérifier l'état rapidement – en un coup d'œil
Indication intégrée pour une maintenance facile et rapide
lorem ipsum
Connect = Protect
Technologie de connexion Push-in pour une connexion des fils simple et rapide
lorem ipsum
Maintenance facilitée
Unité de télésignaliation pour les groupes de parafoudres
lorem ipsum

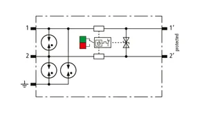
BCO CL2 B 180

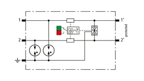
Parafoudre compact d'une largeur de 6 mm et technologie de connexion push-in avec indication d'état. Pour la protection de deux fils. Assure la liaison équipotentielle de la foudre ainsi que la mise à la terre indirecte des câbles blindés.

1 Produit

Référence de la pièce 927910 BCO CL2 B 180

GTIN 4013364411739, Clients tariffs no (UE): 85363010, Poids brut: 57.86 g, Prix unitaire: 1.00 pièce(s)


Images

Plus d'informations

BLITZDUCTORconnect CL2 B 180
Parafoudre compact pour protéger
deux fils, assure la liaison équipotentielle de foudre ainsi
que la mise à la terre indirecte de câbles blindés
Testé selon EN / IEC 61643-21 et coordonné énergétiquement selon
la norme EIC 61643-22
Classe SPD: type 1
Catégorie d'impulsion: C2, C3, B2, D1
Indication d'état, Largeur de 6 mm
Max. tension de fonctionnement continue: 180,0 V CC / 127,0 V CA
Courant nominal à 80 ° C: 1,2 A
C2 courant de décharge nominal par ligne (8/20): 5 kA
C2 courant de décharge nominal total (8/20): 10 kA
Courant de choc de foudre D1 (10/350 µs) par ligne: 1,5 kA
Courant total de choc de foudre D1 (10/350 µs): 3 kA
Connexion par câble: Push-in

produit : DEHN
Type: BCO CL2 B 180
Référence: 927910
ou équivalent

Certificats

 

Caractéristiques techniques

Classe SPD A
Tension d’utilisation permanente max DC (UC ) 180 V
Courant nominal (IL ) 1,2 A
D1 Courant de foudre (10/350 µs) par conducteur (Iimp ) 1,5 kA
C2 Courant nominal de décharge (8/20 µs) total (In ) 10 kA
Impédance série par conducteur 0 Ohm
Certifications UL 497B, CSA, ATEX, IECEx, CCC, SIL
*) Pour en savoir plus, voir : www.dehn.fr

Le produit 927910 a été ajouté au bloc-notes

Le produit 927910 a été ajouté au panier.


BCO CL2 BE

Parafoudre compact d'une largeur de 6 mm et technologie de connexion push-in avec indication d'état. Pour la protection de deux fils. Assure la liaison équipotentielle de la foudre ainsi que la mise à la terre indirecte des câbles blindés.

3 Produits

Référence de la pièce 927922 BCO CL2 BE 12

GTIN 4013364411951, Clients tariffs no (UE): 85363010, Poids brut: 57.86 g, Prix unitaire: 1.00 pièce(s)

Précédent

Images

Plus d'informations

BLITZDUCTORconnect CL2 BE 12
Parafoudre compact pour protéger
deux conducteurs partageant un potentiel de référence commun ou une interfaces asymétriques.
Testé selon EN / IEC 61643-21 et coordonné énergétiquement selon
la norme EIC 61643-22
Classe SPD : type 1 / P1
Catégorie d'impulsion : C1, C2, C3, B2, D1
Indication d'état, Largeur de 6 mm
Max. tension de fonctionnement continue: 15,0 V DC / 10,6 V AC
Courant nominal à 70 ° C: 0,75 A
C2 courant de décharge nominal par ligne (8/20): 5 kA
C2 courant de décharge nominal total (8/20): 10 kA
Courant de choc de foudre D1 (10/350 µs) par ligne: 1,5 kA
Courant total de choc de foudre D1 (10/350 µs): 3 kA
Connexion par câble: Push-in


produit : DEHN
Type: BCO CL2 BE 12
Référence: 927922
ou équivalent

Certificats

 

Caractéristiques techniques

Classe SPD M
Tension d’utilisation permanente max DC (UC ) 15 V
Courant nominal à 70 °C (IL ) 0,75 A
D1 Courant de foudre (10/350 µs) par conducteur (Iimp ) 1,5 kA
C2 Courant nominal de décharge (8/20 µs) total (In ) 10 kA
Impédance série par conducteur 1 Ohm
Bande passante cond-cond (fG ) 1,4 MHz
Certifications UL 497B, CSA, ATEX, IECEx, CCC, SIL
*) Pour en savoir plus, voir : www.dehn.fr

Le produit 927922 a été ajouté au bloc-notes

Le produit 927922 a été ajouté au panier.

Référence de la pièce 927924 BCO CL2 BE 24

GTIN 4013364411968, Clients tariffs no (UE): 85363010, Poids brut: 57.86 g, Prix unitaire: 1.00 pièce(s)

Précédent

Images

Plus d'informations

BLITZDUCTORconnect CL2 BE 24
Parafoudre compact pour protéger
deux conducteurs partageant un potentiel de référence commun ou une interfaces asymétriques.
Testé selon EN / IEC 61643-21 et coordonné énergétiquement selon
la norme IEC 61643-22
Classe SPD : type 1 / P1
Catégorie d'impulsion : C1, C2, C3, B2, D1
Indication d'état, Largeur de 6 mm
Max. tension de fonctionnement continue: 33,0 V DC / 23,3 V AC
Courant nominal à 70 ° C: 0,75 A
C2 courant de décharge nominal par ligne (8/20): 5 kA
C2 courant de décharge nominal total (8/20): 10 kA
Courant de choc de foudre D1 (10/350 µs) par ligne: 1,5 kA
Courant total de choc de foudre D1 (10/350 µs): 3 kA
Connexion par câble: Push-in

produit : DEHN
Type: BCO CL2 BE 24
Référence: 927924
ou équivalent

Certificats

 

Caractéristiques techniques

Classe SPD M
Tension d’utilisation permanente max DC (UC ) 33 V
Courant nominal à 70 °C (IL ) 0,75 A
D1 Courant de foudre (10/350 µs) par conducteur (Iimp ) 1,5 kA
C2 Courant nominal de décharge (8/20 µs) total (In ) 10 kA
Impédance série par conducteur 1 Ohm
Bande passante cond-cond (fG ) 3,4 MHz
Certifications UL 497B, CSA, ATEX, IECEx, CCC, SIL
*) Pour en savoir plus, voir : www.dehn.fr

Le produit 927924 a été ajouté au bloc-notes

Le produit 927924 a été ajouté au panier.

Référence de la pièce 927925 BCO CL2 BE 48

GTIN 4013364411975, Clients tariffs no (UE): 85363010, Poids brut: 57.86 g, Prix unitaire: 1.00 pièce(s)

Précédent

Images

Plus d'informations

BLITZDUCTORconnect CL2 BE 48
Parafoudre compact pour protéger
deux conducteurs partageant un potentiel de référence commun ou une interfaces asymétriques.
Testé selon EN / IEC 61643-21 et coordonné énergétiquement selon
la norme IEC 61643-22
Classe SPD : type 1 / P1
Catégorie d'impulsion : C1, C2, C3, B2, D1
Indication d'état, Largeur de 6 mm
Max. tension de fonctionnement continue: 54,0 V DC / 38,1 V AC
Courant nominal à 70 ° C: 0,75 A
C2 courant de décharge nominal par ligne (8/20): 5 kA
C2 courant de décharge nominal total (8/20): 10 kA
Courant de choc de foudre D1 (10/350 µs) par ligne: 1,5 kA
Courant total de choc de foudre D1 (10/350 µs): 3 kA
Connexion par câble: Push-in

produit : DEHN
Type: BCO CL2 BE 48
Référence: 927925
ou équivalent

Certificats

 

Caractéristiques techniques

Classe SPD M
Tension d’utilisation permanente max DC (UC ) 54 V
Courant nominal à 70 °C (IL ) 0,75 A
D1 Courant de foudre (10/350 µs) par conducteur (Iimp ) 1,5 kA
C2 Courant nominal de décharge (8/20 µs) total (In ) 10 kA
Impédance série par conducteur 1 Ohm
Bande passante cond-cond (fG ) 5 MHz
Certifications UL 497B, CSA, ATEX, IECEx, CCC, SIL
*) Pour en savoir plus, voir : www.dehn.fr

Le produit 927925 a été ajouté au bloc-notes

Le produit 927925 a été ajouté au panier.


BCO CL2 BD

Parafoudre compact d'une largeur de 6 mm et technologie de connexion push-in avec indication d'état. Pour la protection de deux conducteurs partageant un potentiel de référence commun.

3 Produits

Référence de la pièce 927942 BCO CL2 BD 12

GTIN 4013364411777, Clients tariffs no (UE): 85363010, Poids brut: 57.86 g, Prix unitaire: 1.00 pièce(s)

Précédent

Images

Plus d'informations

BLITZDUCTORconnect CL2 BD 12
Parafoudre compact pour protéger
deux conducteurs partageant un potentiel de référence commun.
Testé selon EN / IEC 61643-21 et coordonné énergétiquement selon
la norme IEC 61643-22
Classe SPD : type 1 / P2
Catégorie d'impulsion : C1, C2, C3, B2, D1
Indication d'état, Largeur de 6 mm
Max. tension de fonctionnement continue: 15,0 V DC / 10,6 V AC
Courant nominal à 70 ° C: 0,75 A
C2 courant de décharge nominal par ligne (8/20): 5 kA
C2 courant de décharge nominal total (8/20): 10 kA
Courant de choc de foudre D1 (10/350 µs) par ligne: 1,5 kA
Courant total de choc de foudre D1 (10/350 µs): 3 kA
Connexion par câble: Push-in

produit : DEHN
Type: BCO CL2 BD 12
Référence: 927942
ou équivalent

Certificats

 

Caractéristiques techniques

Classe SPD L
Tension d’utilisation permanente max DC (UC ) 15 V
Courant nominal à 70 °C (IL ) 0,75 A
D1 Courant de foudre (10/350 µs) par conducteur (Iimp ) 1,5 kA
C2 Courant nominal de décharge (8/20 µs) total (In ) 10 kA
Impédance série par conducteur 1 Ohm
Bande passante cond-cond (fG ) 2,6 MHz
Certifications UL 497B, CSA, ATEX, IECEx, CCC, SIL
*) Pour en savoir plus, voir : www.dehn.fr

Le produit 927942 a été ajouté au bloc-notes

Le produit 927942 a été ajouté au panier.

Référence de la pièce 927944 BCO CL2 BD 24

GTIN 4013364411784, Clients tariffs no (UE): 85363010, Poids brut: 57.86 g, Prix unitaire: 1.00 pièce(s)

Précédent

Images

Plus d'informations

BLITZDUCTORconnect CL2 BD 24
Parafoudre compact pour protéger
deux conducteurs partageant un potentiel de référence commun.
Testé selon EN / IEC 61643-21 et coordonné énergétiquement selon
la norme IEC 61643-22
Classe SPD : type 1 / P2
Catégorie d'impulsion : C1, C2, C3, B2, D1
Indication d'état, Largeur de 6 mm
Max. tension de fonctionnement continue: 36,0 V DC / 25,4 V AC
Courant nominal à 70 ° C: 0,75 A
C2 courant de décharge nominal par ligne (8/20): 5 kA
C2 courant de décharge nominal total (8/20): 10 kA
Courant de choc de foudre D1 (10/350 µs) par ligne: 1,5 kA
Courant total de choc de foudre D1 (10/350 µs): 3 kA
Connexion par câble: Push-in

produit : DEHN
Type: BCO CL2 BD 24
Référence: 927944
ou équivalent

Certificats

 

Caractéristiques techniques

Classe SPD L
Tension d’utilisation permanente max DC (UC ) 36 V
Courant nominal à 70 °C (IL ) 0,75 A
D1 Courant de foudre (10/350 µs) par conducteur (Iimp ) 1,5 kA
C2 Courant nominal de décharge (8/20 µs) total (In ) 10 kA
Impédance série par conducteur 1 Ohm
Bande passante cond-cond (fG ) 5,8 MHz
Certifications UL 497B, CSA, ATEX, IECEx, CCC, SIL
*) Pour en savoir plus, voir : www.dehn.fr

Le produit 927944 a été ajouté au bloc-notes

Le produit 927944 a été ajouté au panier.

Référence de la pièce 927945 BCO CL2 BD 48

GTIN 4013364411807, Clients tariffs no (UE): 85363010, Poids brut: 57.86 g, Prix unitaire: 1.00 pièce(s)

Précédent

Images

Plus d'informations

BLITZDUCTORconnect CL2 BD 48
Parafoudre compact pour protéger
deux conducteurs partageant un potentiel de référence commun.
Testé selon EN / IEC 61643-21 et coordonné énergétiquement selon
la norme IEC 61643-22
Classe SPD : type 1 / P2
Catégorie d'impulsion : C1, C2, C3, B2, D1
Indication d'état, Largeur de 6 mm
Max. tension de fonctionnement continue: 56,0 V DC / 39,6 V AC
Courant nominal à 70 ° C: 0,75 A
C2 courant de décharge nominal par ligne (8/20): 5 kA
C2 courant de décharge nominal total (8/20): 10 kA
Courant de choc de foudre D1 (10/350 µs) par ligne: 1,5 kA
Courant total de choc de foudre D1 (10/350 µs): 3 kA
Connexion par câble: Push-in

produit : DEHN
Type: BCO CL2 BD 48
Référence: 927945
ou équivalent

Certificats

 

Caractéristiques techniques

Classe SPD L
Tension d’utilisation permanente max DC (UC ) 56 V
Courant nominal à 70 °C (IL ) 0,75 A
D1 Courant de foudre (10/350 µs) par conducteur (Iimp ) 1,5 kA
C2 Courant nominal de décharge (8/20 µs) total (In ) 10 kA
Impédance série par conducteur 1 Ohm
Bande passante cond-cond (fG ) 7,2 MHz
Certifications UL 497B, CSA, ATEX, IECEx, CCC, SIL
*) Pour en savoir plus, voir : www.dehn.fr

Le produit 927945 a été ajouté au bloc-notes

Le produit 927945 a été ajouté au panier.


BCO CL2 BE HF

Parafoudre compact d'une largeur de 6 mm et technologie de connexion push-in avec indication d'état. Pour la protection de deux conducteurs partageant un potentiel de référence commun ou une interfaces asymétriques, adapté aux transmissions haute fréquence .

1 Produit

Référence de la pièce 927970 BCO CL2 BE HF 5

GTIN 4013364411982, Clients tariffs no (UE): 85363010, Poids brut: 57.86 g, Prix unitaire: 1.00 pièce(s)


Images

Plus d'informations

BLITZDUCTORconnect CL2 BE HF 12
Parafoudre compact pour protéger
deux conducteurs partageant un potentiel de référence commun ou une interfaces asymétriques
adapté aux transmissions haute fréquence.
Testé selon EN / IEC 61643-21 et coordonné énergétiquement selon
la norme IEC 61643-22
Classe SPD : type 1 / P1
Catégorie d'impulsion : C1, C2, C3, B2, D1
Indication d'état, Largeur de 6 mm
Max. tension de fonctionnement continue: 8.5,0 V DC / 6,0 V AC
Courant nominal à 70 ° C: 0,75 A
C2 courant de décharge nominal par ligne (8/20): 5 kA
C2 courant de décharge nominal total (8/20): 10 kA
Courant de choc de foudre D1 (10/350 µs) par ligne: 1,5 kA
Courant total de choc de foudre D1 (10/350 µs): 3 kA
Connexion par câble: Push-in

produit : DEHN
Type: BCO CL2 BE HF 5
Référence: 927970
ou équivalent

Certificats

 

Caractéristiques techniques

Classe SPD M
Tension d’utilisation permanente max DC (UC ) 8,5 V
Courant nominal à 70 °C (IL ) 0,75 A
D1 Courant de foudre (10/350 µs) par conducteur (Iimp ) 1,5 kA
C2 Courant nominal de décharge (8/20 µs) total (In ) 10 kA
Impédance série par conducteur 1 Ohm
Certifications UL 497B, CSA, ATEX, IECEx, CCC, SIL
*) Pour en savoir plus, voir : www.dehn.fr

Le produit 927970 a été ajouté au bloc-notes

Le produit 927970 a été ajouté au panier.


BCO CL2 BD HF

Parafoudre combiné compact à encombrement réduit, largeur 6 mm, technologie de connexion push-in avec indicateur d’état, pour protéger 1 conducteur double sans potentiel de terre pour systèmes de bus à haute fréquence et interfaces symétriques.

1 Produit

Référence de la pièce 927971 BCO CL2 BD HF 5

GTIN 4013364411999, Clients tariffs no (UE): 85363010, Poids brut: 57.86 g, Prix unitaire: 1.00 pièce(s)

Précédent

Images

Plus d'informations

BLITZDUCTORconnect CL2 BD HF
Parafoudre compact pour protéger
deux conducteurs partageant un potentiel de référence commun
adapté aux transmissions haute fréquence comme les BUS de données .
Testé selon EN / IEC 61643-21 et coordonné énergétiquement selon
la norme IEC 61643-22
Classe SPD : type 1 / P2
Catégorie d'impulsion : C1, C2, C3, B2, D1
Indication d'état, Largeur de 6 mm
Max. tension de fonctionnement continue: 8,5 V DC / 6,0 V AC
Courant nominal à 70 ° C: 0,75 A
C2 courant de décharge nominal par ligne (8/20): 5 kA
C2 courant de décharge nominal total (8/20): 10 kA
Courant de choc de foudre D1 (10/350 µs) par ligne: 1,5 kA
Courant total de choc de foudre D1 (10/350 µs): 3 kA
Connexion par câble: Push-in

produit : DEHN
Type: BCO CL2 BD HF 5
Référence: 927971
ou équivalent

Certificats

 

Caractéristiques techniques

Classe SPD L
Tension d’utilisation permanente max DC (UC ) 8,5 V
Courant nominal à 70 °C (IL ) 0,75 A
D1 Courant de foudre (10/350 µs) par conducteur (Iimp ) 1,5 kA
C2 Courant nominal de décharge (8/20 µs) total (In ) 10 kA
Impédance série par conducteur 1 Ohm
Bande passante cond-cond (fG ) 100 MHz
Certifications UL 497B, CSA, ATEX, IECEx, CCC, SIL
*) Pour en savoir plus, voir : www.dehn.fr

Le produit 927971 a été ajouté au bloc-notes

Le produit 927971 a été ajouté au panier.


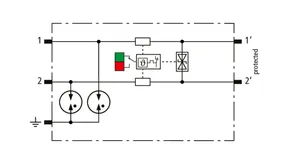
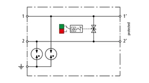
BCO CL2 E

Parafoudre combiné et peu encombrant, d'une largeur de 12 mm, avec connectique Push-In et indication d'état. Protection fine contre les surtensions de 2 conducteurs avec un potentiel de référence commun ainsi que des interfaces asymétriques.

3 Produits

Référence de la pièce 927987 BCO CL2 E 12

GTIN 4013364485754, Clients tariffs no (UE): 85363010, Poids brut: 55.94 g, Prix unitaire: 1.00 pièce(s)

Précédent

Images

Plus d'informations

BLITZDUCTORconnect CL2 E 12
Parafoudre compact pour protéger
deux conducteurs partageant un potentiel de référence commun ou une interfaces asymétriques.
Testé selon EN / IEC 61643-21 et coordonné énergétiquement selon la norme EIC 61643-22
Classe SPD : type 3 / P1
Catégorie d'impulsion : C1, C3
Indication d'état, Largeur de 6 mm
Tension max de fonctionnement continue: 15,0 V DC / 10,6 V AC
Courant nominal à 60 ° C: 10 A
C1 courant de décharge nominal par ligne (8/20): 1,5 kA
C1 courant de décharge nominal total (8/20): 3 kA
Connexion par câble: Push-in


produit : DEHN
Type: BCO CL2 E 12
Référence: 927987
ou équivalent

Certificats

 

Caractéristiques techniques

Classe SPD W
Tension d’utilisation permanente max DC (UC ) 15 V
Courant nominal à 60° C (IL ) 10 A
Courant nominal à 80 °C (IL ) 6 A
C1 Courant nominal de décharge (8/20 µs) total (In ) 3 kA
Impédance série par conducteur 0 Ohm
Certifications UL 497B, SIL
*) Pour en savoir plus, voir : www.dehn.fr

Le produit 927987 a été ajouté au bloc-notes

Le produit 927987 a été ajouté au panier.

Référence de la pièce 927988 BCO CL2 E 24

GTIN 4013364485747, Clients tariffs no (UE): 85363010, Poids brut: 56.04 g, Prix unitaire: 1.00 pièce(s)

Précédent

Images

Plus d'informations

BLITZDUCTORconnect CL2 E 24
Parafoudre compact pour protéger
deux conducteurs partageant un potentiel de référence commun ou une interfaces asymétriques.
Testé selon EN / IEC 61643-21 et coordonné énergétiquement selon la norme EIC 61643-22
Classe SPD : type 3 / P1
Catégorie d'impulsion : C1, C3
Indication d'état, Largeur de 6 mm
Max. tension de fonctionnement continue: 33,0 V DC / 23 V AC
Courant nominal à 60 ° C: 10 A
C1 courant de décharge nominal par ligne (8/20): 0,6 kA
C1 courant de décharge nominal total (8/20): 1,2 kA
Connexion par câble: Push-in


produit : DEHN
Type: BCO CL2 E 24
Référence: 927988
ou équivalent

Certificats

 

Caractéristiques techniques

Classe SPD W
Tension d’utilisation permanente max DC (UC ) 33 V
Courant nominal à 60° C (IL ) 10 A
Courant nominal à 80 °C (IL ) 6 A
C1 Courant nominal de décharge (8/20 µs) total (In ) 1,2 kA
Certifications UL 497B, SIL
*) Pour en savoir plus, voir : www.dehn.fr

Le produit 927988 a été ajouté au bloc-notes

Le produit 927988 a été ajouté au panier.

Référence de la pièce 927989 BCO CL2 E 48

GTIN 4013364485761, Clients tariffs no (UE): 85363010, Poids brut: 36.58 g, Prix unitaire: 1.00 pièce(s)

Précédent

Images

Plus d'informations

BLITZDUCTORconnect CL2 E 48
Parafoudre compact pour protéger
deux conducteurs partageant un potentiel de référence commun ou une interfaces asymétriques.
Testé selon EN / IEC 61643-21 et coordonné énergétiquement selon la norme EIC 61643-22
Classe SPD : type 3 / P1
Catégorie d'impulsion : C1, C3
Indication d'état, Largeur de 6 mm
Max. tension de fonctionnement continue: 58,0 V DC / 41 V AC
Courant nominal à 60 ° C: 10 A
C1 courant de décharge nominal par ligne (8/20): 0,4 kA
C1 courant de décharge nominal total (8/20): 0,8 kA
Connexion par câble: Push-in


produit : DEHN
Type: BCO CL2 E 48
Référence: 927989
ou équivalent

Certificats

 

Caractéristiques techniques

Classe SPD W
Tension d’utilisation permanente max DC (UC ) 58 V
Courant nominal à 60° C (IL ) 10 A
Courant nominal à 80 °C (IL ) 6 A
C1 Courant nominal de décharge (8/20 µs) total (In ) 0,8 kA
Impédance série par conducteur 0 Ohm
Certifications UL 497B, SIL
*) Pour en savoir plus, voir : www.dehn.fr

Le produit 927989 a été ajouté au bloc-notes

Le produit 927989 a été ajouté au panier.


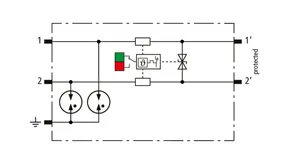
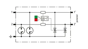
BCO CL4 BC

Parafoudre combiné compact, à encombrement réduit, d’une largeur de 12 mm, à technologie de connexion push-in avec indicateur d’état, pour la protection de circuits à sécurité intrinsèque à 4 conducteurs sans potentiel, pour systèmes informatiques et technologies MSR.

1 Produit

Référence de la pièce 927954 BCO CL4 BC 24

GTIN 4013364485730, Clients tariffs no (UE): 85363010, Poids brut: 80.10 g, Prix unitaire: 1.00 pièce(s)


Images

Plus d'informations

Parafoudre combiné BLITZDUCTORconnect CL2 BC 24
Parafoudre combiné compact pour la protection
de mesures à 4 conducteurs au sein de
systèmes informatiques et de circuits MSR
testé selon EN/IEC 61643-21 et coordonné
énergétiquement selon IEC 61643-22
Classe de parafoudre type 1 / P2
Catégorie d’impulsion : D1, C1, C2, C3, B2
Indicateur d’état
Tension continue maximale : 36,0 V DC / 25,4 V AC
Courant nominal à 80 °C : 3 A
Impédance série par conducteur 0 Ohm
C2 Courant nominal de décharge par conducteur (8/20) : 10 kA
C2 courant nominal de décharge total (8/20) : 20 kA
D1 Courant de foudre (10/350 µs) par conducteur : 2,5 kA
D1 Courant de foudre (10/350 µs) total : 5 kA
Raccordement de ligne : Push-in
Largeur d’installation 12 mm

produit : DEHN
Type: BCO CL4 BC 24
Référence: 927954
ou équivalent

Certificats

 

Caractéristiques techniques

Classe SPD L
Tension d’utilisation permanente max DC (UC ) 36 V
Courant nominal à 80 °C (IL ) 3 A
D1 Courant de foudre (10/350 µs) par conducteur (Iimp ) 2,5 kA
C2 Courant nominal de décharge (8/20 µs) total (In ) 20 kA
Impédance série par conducteur 0 Ohm
Certifications UL 497B, SIL
*) Pour en savoir plus, voir : www.dehn.fr

Le produit 927954 a été ajouté au bloc-notes

Le produit 927954 a été ajouté au panier.


BCO CL2 BD HC10A 24

Parafoudre combiné et peu encombrant, d'une largeur de 12 mm, avec connectique Push-In et indication d'état, pour la protection d'une paire d'alimentations DC non mises à la terre pour les systèmes informatiques et les circuits de mesure et de contrôle.

1 Produit

Référence de la pièce 927408 BCO CL2 BD HC10A 24

GTIN 4013364463653, Clients tariffs no (UE): 85363010, Poids brut: 68.30 g, Prix unitaire: 1.00 pièce(s)

Précédent

Images

Plus d'informations

Parafoudre combiné BLITZDUCTORconnect CL2 BD HC10A 24
pour la protection d'une alimentations DC sans potentiel de terre
et des circuits de mesure et de contrôle.
Testé selon EN/IEC 61643-21 et énergétiquement
coordonné selon CEI 61643-22
SPD classe type 1 / P2
Catégorie d'impulsion : C1, C2, C3, B2, D1
Indication d'état
Max. tension de fonctionnement continu : 45,0 V CC / 31,8 V CA
Courant nominal à 80°C : 10 A
Courant nominal de décharge impulsionnelle C2 par ligne (8/20) : 10 kA
Courant nominal total de décharge d'impulsion C2 (8/20) : 20 kA
Impulsion de courant de foudre D1 (10/350 µs) par ligne : 2,5 kA
Courant total de choc de foudre D1 (10/350 µs) : 5 kA
Connexion du conducteur : Push-in
Largeur : 12 mm

produit : DEHN
Type: BCO CL2 BD HC10A 24
Référence: 927408
ou équivalent

Certificats

 

Caractéristiques techniques

Classe SPD L
Tension d’utilisation permanente max DC (UC ) 45 V
Courant nominal à 80 °C (IL ) 10 A
D1 Courant de foudre (10/350 µs) par conducteur (Iimp ) 2,5 kA
C2 Courant nominal de décharge (8/20 µs) total (In ) 20 kA
Impédance série par conducteur 0 Ohm
Certifications UL 497B, SIL
*) Pour en savoir plus, voir : www.dehn.fr

Le produit 927408 a été ajouté au bloc-notes

Le produit 927408 a été ajouté au panier.


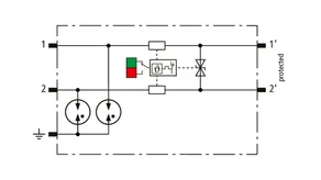
BCO CL2 BD EX 24

Parafoudre compact d'une largeur de 6 mm et technologie de connexion push-in avec indication d'état. Pour la protection d'une paire de circuits de mesure et de systèmes de bus à sécurité intrinsèque, conforme aux exigences FISCO. Résistance d'isolement >500 V mise à la terre.

1 Produit

Référence de la pièce 927984 BCO CL2 BD EX 24

GTIN 4013364412002, Clients tariffs no (UE): 85363010, Poids brut: 57.86 g, Prix unitaire: 1.00 pièce(s)

Précédent

Images

Plus d'informations

BLITZDUCTORconnect CL2 BD EX 24
Parafoudre compact pour protéger deux conducteurs de circuits de signaux à sécurité intrinsèque
Testé selon EN / IEC 61643-21 et coordonné énergétiquement selon
la norme IEC 61643-22
Classe SPD : type 1 / P2
Catégorie d'impulsion : C1, C2, C3, B2, D1
Indication d'état, Largeur de 6 mm
Max. tension de fonctionnement continue: 36,0 V DC / 25,4 V AC
Courant nominal à 70 ° C: 0,75 A
Tension max d'entrée selon EN 60079-11: 30 V
Courant max d'entrée selon EN 60079-11: 0,5 A
C2 courant de décharge nominal par ligne (8/20): 5 kA
C2 courant de décharge nominal total (8/20): 10 kA
Courant de choc de foudre D1 (10/350 µs) par ligne: 1,5 kA
Courant total de choc de foudre D1 (10/350 µs): 3 kA
Connexion par câble: Push-in

produit : DEHN
Type: BCO CL2 BD EX 24
Référence: 927984
ou équivalent

Certificats

 

Caractéristiques techniques

Classe SPD L
Tension d’utilisation permanente max DC (UC ) 36 V
Courant nominal à 80 °C (IL ) 0,5 A
D1 Courant de foudre (10/350 µs) par conducteur (Iimp ) 1,5 kA
C2 Courant nominal de décharge (8/20 µs) total (In ) 10 kA
Impédance série par conducteur 1 Ohm
Bande passante cond-cond (fG ) 3,5 MHz
Certifications ATEX, IECEx, CCC, SIL
*) Pour en savoir plus, voir : www.dehn.fr

Le produit 927984 a été ajouté au bloc-notes

Le produit 927984 a été ajouté au panier.


back to top