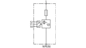
Référence de la pièce 961200 DVCI 1 255
GTIN 4013364145108, Clients tariffs no (UE): 85363090, Poids brut: 477.30 g, Prix unitaire: 1.00 pièce(s)
Caractéristiques techniques
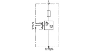
| SPD selon EN 61643-11 / ... CEI 61643-11 | Type 1 + Type 2 / Classe I + Classe II | 
| Tension max. de régime permanent AC (UC ) | 255 V (50/60 Hz) | 
| Courant de choc de décharge (10/350 µs) (Iimp ) | 25 kA | 
| Niveau de protection en tension (UP ) | ≤ 1,5 kV | 
| Protection max. contre les surintensités | Fusible amont intégré | 
| Certifications | KEMA | 
| Caractéristiques techniques supplémentaires: | Utilisation dans des tableaux de distribution présentant des courants de court-circuit présumés > 50 kAeff (testé et controlé par VDE) | 
| – Courant de court-circuit présumé max. | 100 kAeff (220 kApeak) | 
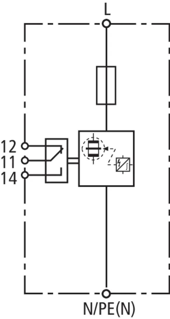
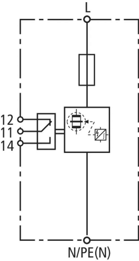
Référence de la pièce 961205 DVCI 1 255 FM
GTIN 4013364145115, Clients tariffs no (UE): 85363090, Poids brut: 480.80 g, Prix unitaire: 1.00 pièce(s)
Caractéristiques techniques
| SPD selon EN 61643-11 / ... CEI 61643-11 | Type 1 + Type 2 / Classe I + Classe II | 
| Tension max. de régime permanent AC (UC ) | 255 V (50/60 Hz) | 
| Courant de choc de décharge (10/350 µs) (Iimp ) | 25 kA | 
| Niveau de protection en tension (UP ) | ≤ 1,5 kV | 
| Protection max. contre les surintensités | Fusible amont intégré | 
| Certifications | KEMA | 
| Contacts de télésignalisation/Type de contact | Inverseur | 
| Caractéristiques techniques supplémentaires: | Utilisation dans des tableaux de distribution présentant des courants de court-circuit présumés > 50 kAeff (testé et controlé par VDE) | 
| – Courant de court-circuit présumé max. | 100 kAeff (220 kApeak) | 
                        
                        
                            
                        
                                
                                
                                    
                                        
                                    
                                    
                                
                                
                                
                                    
                                        
                                
                                
                                    
                                        
                
                
