DEHNcord
:quality(98)/www.elvatec.ch/store/f/62359517/HDVORSCHAU/900445a1_16-9.jpg)
:quality(98)/www.elvatec.ch/store/f/62359517/HDVORSCHAU/900445a1_16-9.jpg)
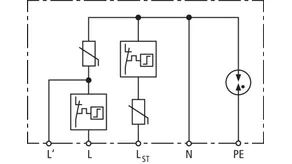
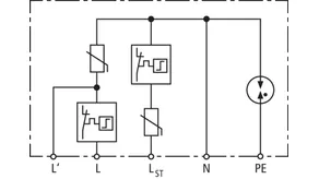
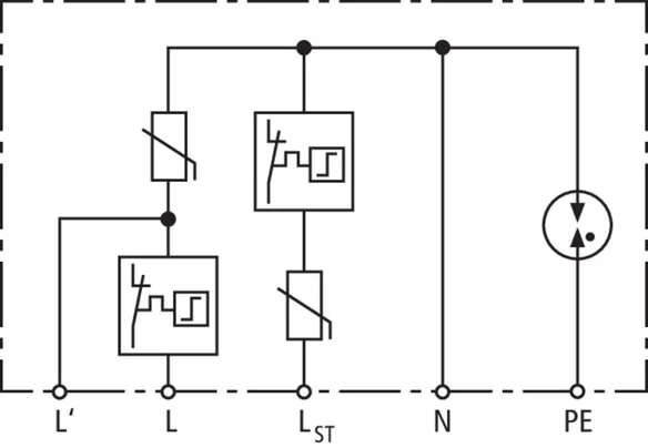
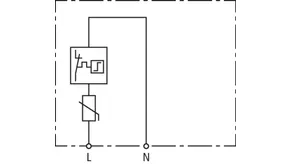
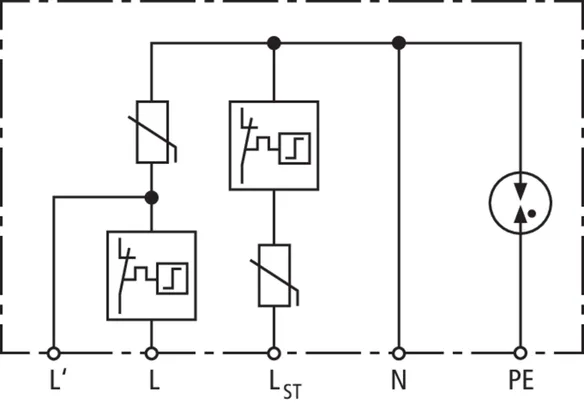
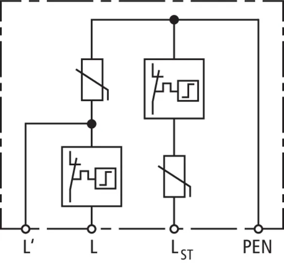
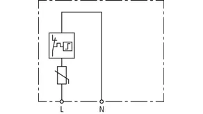
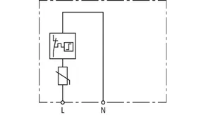
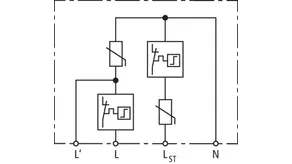
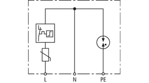
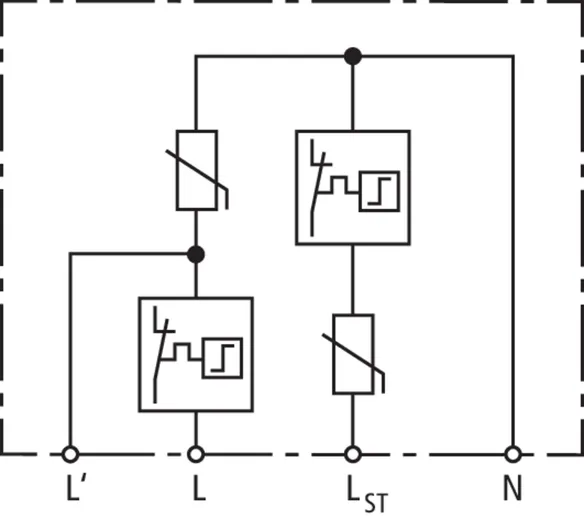
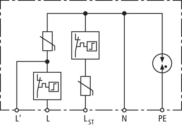
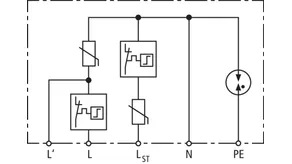
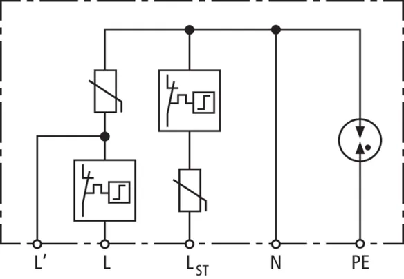
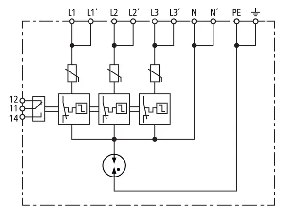
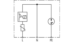
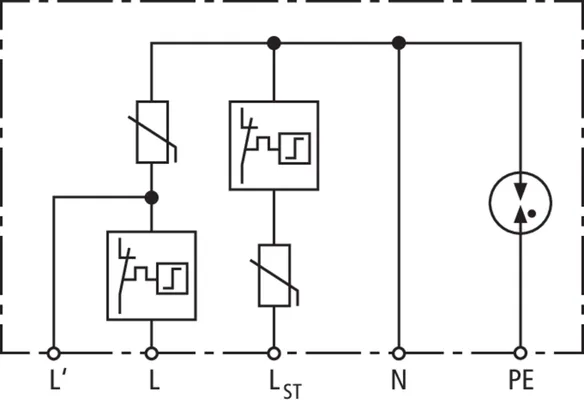
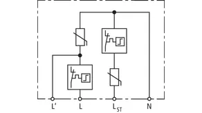
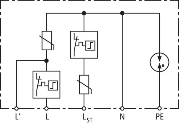
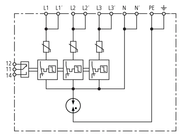
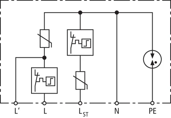
- Parafoudre unipolaire, bipolaire ou tripolaire avec dispositif de surveillance et de déconnexion
- Indication optique de défaut
- Versions disponibles avec interruption du circuit de charge en cas de défaut et avec protection de la phase de commande
- Boîtier compact aussi pour l'extérieur
- Pour une utilisation dans les boîtes de jonction, les goulottes, les planchers techniques et les boîtes d'encastrement
Détails
:quality(98)/www.elvatec.ch/store/f/62359518/HDVORSCHAU/900447a2.jpg)
:quality(98)/www.elvatec.ch/store/f/62359518/HDVORSCHAU/900447a2.jpg)
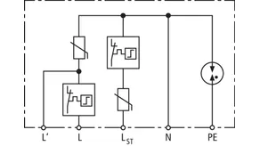
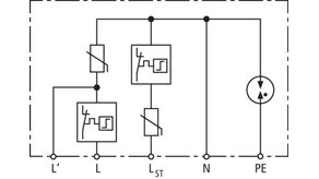
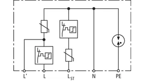
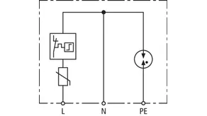
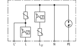
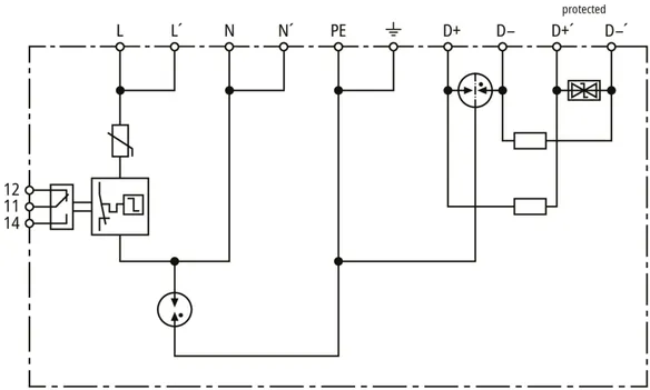
Référence de la pièce 900439 DCOR 3P TT 275 FM
GTIN 4013364436053, Clients tariffs no (UE): 85363030, Poids brut: 129.38 g, Prix unitaire: 1.00 pièce(s)
Caractéristiques techniques
SPD selon NF EN 61643-11/... CEI 61643-11 | Type 2 + Type 3 / Class II + Class III |
Tension max. de régime permanent AC [L-N] (UC ) | 275 V (50 / 60 Hz) |
Tension d’utilisation permanente max DC (Uc) | 350 V |
Courant nominal de décharge (8/20 µs) [L-N] (In ) | 10 kA |
Courant max. de décharge (8/20 µs) [L-NE] (Imax ) | 20 kA |
Courant nominal de décharge (8/20 µs) [N-PE] (In ) | 10 kA |
Courant max. de décharge (8/20 µs) [N-PE] (Imax ) | 40 kA |
Niveau de protection en tension [L-N] (UP ) | ≤ 1,5 kV |
Niveau de protection en tension [N-PE] (UP ) | ≤ 1,5 kV |
Certifications | KEMA |
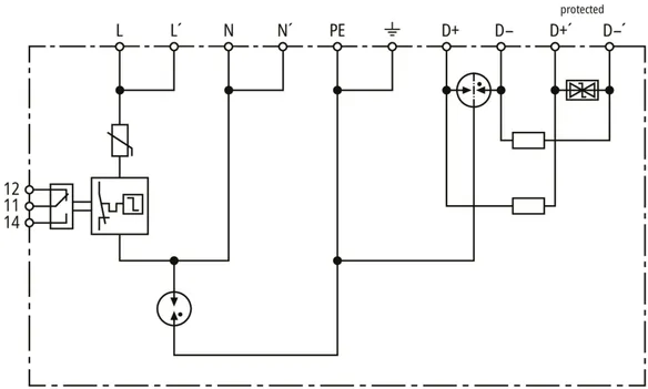
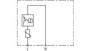
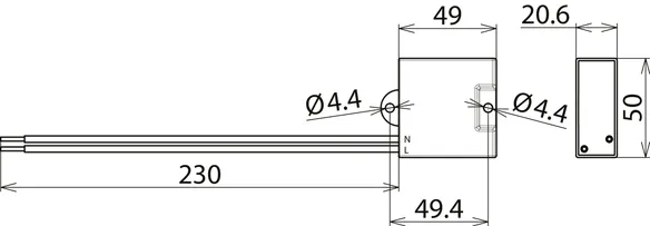
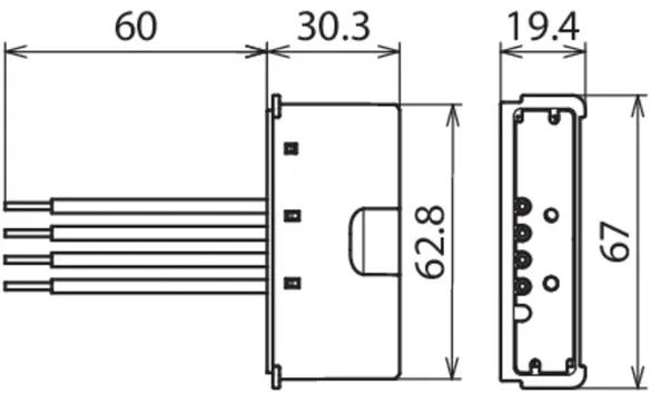
Référence de la pièce 900438 DCOR 1P 275 D FM
GTIN 4013364526891, Clients tariffs no (UE): 85363030, Poids brut: 86.27 g, Prix unitaire: 1.00 pièce(s)
Caractéristiques techniques
Technische Daten | |
SPD selon NF EN 61643-11/... CEI 61643-11 | Type 2 + Type 3 / Class II + Class III |
Tension max. de régime permanent AC [L-N] (UC ) | 275 V (50 / 60 Hz) |
Tension d’utilisation permanente max DC (Uc) | 350 V |
Courant nominal de décharge (8/20 µs) [L-N] (In ) | 10 kA |
Courant max. de décharge (8/20 µs) [L-NE] (Imax ) | 20 kA |
Courant nominal de décharge (8/20 µs) [N-PE] (In ) | 10 kA |
Courant max. de décharge (8/20 µs) [N-PE] (Imax ) | 40 kA |
Niveau de protection en tension [L-N] (UP ) | ≤ 1,5 kV |
Niveau de protection en tension [N-PE] (UP ) | ≤ 1,5 kV |
Certifications | KEMA |
Caractéristiques techniques côté signal | |
Classe de parafoudre | U |
Tension nominale DC (UN ) | 24 V |
Tension continue maximale DC (UC ) | 28 V |
C2 Courant nominal de décharge (8/20 µs) total (In ) | 10 kA |
Impédance série par conducteur | 1,8 Ohm |
Bande passante cond-cond (100 ohm) (fG ) | 10 MHz |
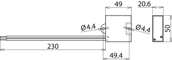
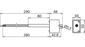
Référence de la pièce 900430 DCOR L 2P 275
GTIN 4013364157286, Clients tariffs no (UE): 85363030, Poids brut: 73.00 g, Prix unitaire: 1.00 pièce(s)
Caractéristiques techniques
SPD selon NF EN 61643-11/... CEI 61643-11 | Type 2/Classe II |
Tension max. de régime permanent AC [L-N] (UC ) | 275 V (50/60 Hz) |
Courant nominal de décharge (8/20 µs) (In ) | 5 kA |
Courant de décharge max. (8/20 µs) (Imax ) | 10 kA |
Niveau de protection en tension [L-N] (UP ) | ≤ 1,5 kV |
Niveau de protection en tension [N-PE] (UP ) | ≤ 1,5 kV |
Protection max. contre les surintensités | 25 A gG |
Certifications | KEMA |
Référence de la pièce 900432 DCOR L 2P 320
GTIN 4013364157309, Clients tariffs no (UE): 85363030, Poids brut: 74.00 g, Prix unitaire: 1.00 pièce(s)
Caractéristiques techniques
SPD selon NF EN 61643-11/... CEI 61643-11 | Type 2/Classe II |
Tension max. de régime permanent AC [L-N] (UC ) | 320 V (50/60 Hz) |
Courant nominal de décharge (8/20 µs) (In ) | 5 kA |
Courant de décharge max. (8/20 µs) (Imax ) | 10 kA |
Niveau de protection en tension [L-N] (UP ) | ≤ 1,75 kV |
Niveau de protection en tension [N-PE] (UP ) | ≤ 1,5 kV |
Protection max. contre les surintensités | 25 A gG |
Certifications | KEMA |
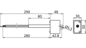
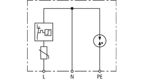
Référence de la pièce 900431 DCOR L 1P 275
GTIN 4013364310827, Clients tariffs no (UE): 85363030, Poids brut: 60.00 g, Prix unitaire: 1.00 pièce(s)
Caractéristiques techniques
SPD selon NF EN 61643-11/... CEI 61643-11 | Type 2/Classe II |
Tension max. de régime permanent AC [L-N] (UC ) | 275 V (50/60 Hz) |
Courant nominal de décharge (8/20 µs) (In ) | 5 kA |
Courant de décharge max. (8/20 µs) (Imax ) | 10 kA |
Niveau de protection en tension [L-N] (UP ) | ≤ 1,5 kV |
Protection max. contre les surintensités | 25 A gG |
Certifications | KEMA |
Référence de la pièce 900433 DCOR L 1P 320
GTIN 4013364157316, Clients tariffs no (UE): 85363030, Poids brut: 61.00 g, Prix unitaire: 1.00 pièce(s)
Caractéristiques techniques
SPD selon NF EN 61643-11/... CEI 61643-11 | Type 2/Classe II |
Tension max. de régime permanent AC [L-N] (UC ) | 320 V (50/60 Hz) |
Courant nominal de décharge (8/20 µs) (In ) | 5 kA |
Courant de décharge max. (8/20 µs) (Imax ) | 10 kA |
Niveau de protection en tension [L-N] (UP ) | ≤ 1,75 kV |
Protection max. contre les surintensités | 25 A gG |
Certifications | KEMA |
Référence de la pièce 999906 DCOR L 2P SN1864
GTIN 4013364310926, Clients tariffs no (UE): 85363030, Poids brut: 70.50 g, Prix unitaire: 1.00 pièce(s)
Caractéristiques techniques
SPD selon NF EN 61643-11/... CEI 61643-11 | Type 2/Classe II |
Tension max. de régime permanent AC [L-N] (UC ) | 275 V (50/60 Hz) |
Courant nominal de décharge (8/20 µs) (In ) | 5 kA |
Courant de décharge max. (8/20 µs) (Imax ) | 10 kA |
Niveau de protection en tension [L-N] (UP ) | ≤ 1,5 kV |
Protection max. contre les surintensités | B 16 A |
Référence de la pièce 999937 DCOR L 2P SN1860
GTIN 4013364303195, Clients tariffs no (UE): 85363030, Poids brut: 86.00 g, Prix unitaire: 1.00 pièce(s)
Caractéristiques techniques
SPD selon NF EN 61643-11/... CEI 61643-11 | Type 2/Classe II |
Tension max. de régime permanent AC [L-N] (UC ) | 275 V (50/60 Hz) |
Courant nominal de décharge (8/20 µs) (In ) | 5 kA |
Courant de décharge max. (8/20 µs) (Imax ) | 10 kA |
Niveau de protection en tension [L-N] (UP ) | ≤ 1,5 kV |
Niveau de protection en tension [N-PE] (UP ) | ≤ 1,5 kV |
Protection max. contre les surintensités | B 16 A |
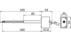
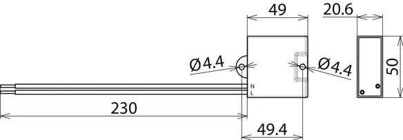
Référence de la pièce 900446 DCOR L 2P 275 SO LTG
GTIN 4013364292970, Clients tariffs no (UE): 85363030, Poids brut: 62.50 g, Prix unitaire: 1.00 pièce(s)
Caractéristiques techniques
SPD selon NF EN 61643-11/... CEI 61643-11 | Type 2/Classe II |
Tension max. de régime permanent AC [L-N] (UC ) | 275 V (50/60 Hz) |
Courant nominal de décharge (8/20 µs) (In ) | 5 kA |
Courant de décharge max. (8/20 µs) (Imax ) | 10 kA |
Niveau de protection en tension [L-N] (UP ) | ≤ 1,5 kV |
Niveau de protection en tension [N-PE] (UP ) | ≤ 1,5 kV |
Protection max. contre les surintensités | B 16 A |
Certifications | KEMA |
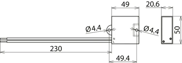
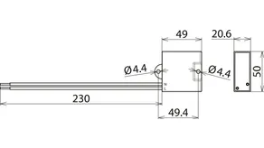
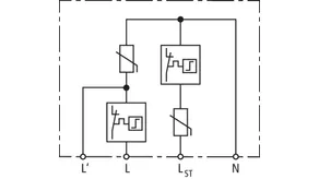
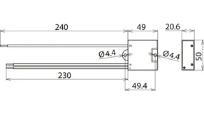
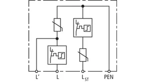
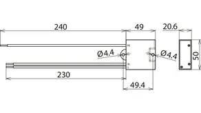
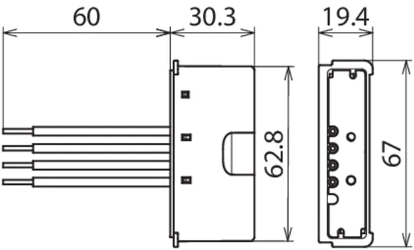
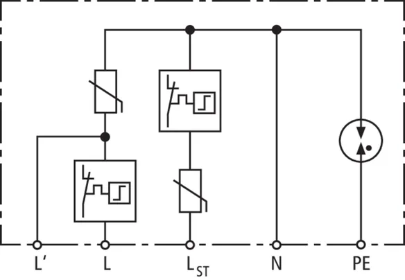
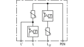
Référence de la pièce 900445 DCOR L 3P 275 SO LTG
GTIN 4013364280380, Clients tariffs no (UE): 85363030, Poids brut: 71.50 g, Prix unitaire: 1.00 pièce(s)
Caractéristiques techniques
SPD selon NF EN 61643-11/... CEI 61643-11 | Type 2/Classe II |
Tension max. de régime permanent AC [L-N] (UC ) | 275 V (50/60 Hz) |
Courant nominal de décharge (8/20 µs) (In ) | 5 kA |
Courant de décharge max. (8/20 µs) (Imax ) | 10 kA |
Niveau de protection en tension [L-N] (UP ) | ≤ 1,5 kV |
Niveau de protection en tension [N-PE] (UP ) | ≤ 1,5 kV |
Protection max. contre les surintensités | B 16 A |
Certifications | KEMA |
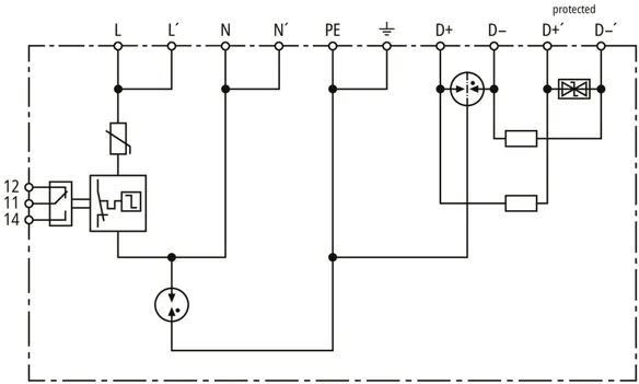
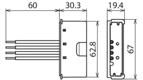
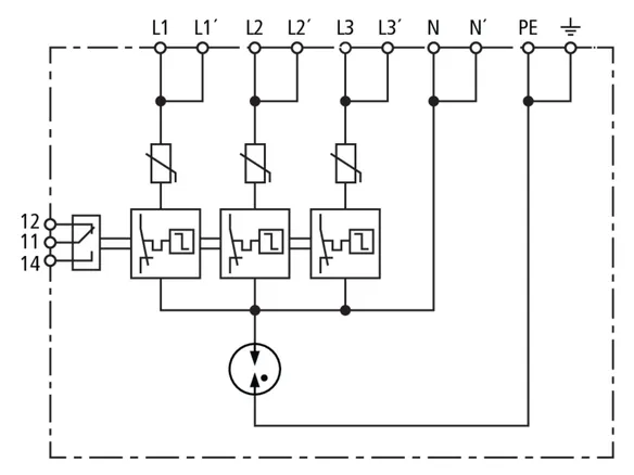
SK EK480 G2S-2d LM DCOR
La boîte à fusibles EK480 est un produit de qualité de Langmatz, caractérisé par une finition de haute qualité et des propriétés éprouvées. La gamme EK480 répond à toutes les exigences et normes mécaniques et électriques. Les luminaires dotés d'une électronique de haute qualité peuvent ainsi être efficacement protégés contre les surtensions causées par les opérations de commutation ou par un éclairage proche de la gâche.
1 Produit
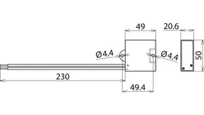
Référence de la pièce 900443 SK EK480 G2S-2d LM DCOR
GTIN 4013364394322, Clients tariffs no (UE): 85362010, Poids brut: 788.00 g, Prix unitaire: 20.00 pièce(s)
Caractéristiques techniques
Daten Sicherungskasten | |
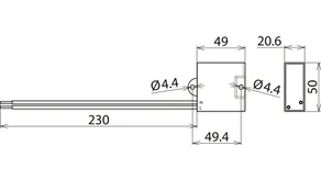
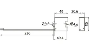
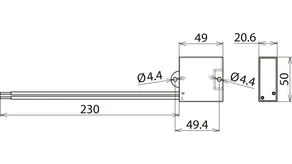
Dimensions | 276 x 81 x 70 mm |
à partir du diamètre intérieur du mât | 89 mm |
technologie terminale | Accès: Technique de pince coulissante / sortie: Technologie de pince à ressort |
Section de câble maximale pouvant être serrée | 1 - 3 câbles (4 ou 5 x 16 mm2) |
Bornes de sortie | max. 2,5 mm2 |
Daten Überspannungsschutzgerät DEHNcord L 3P 275 SO LTG | |
SPD selon NF EN 61643-11/... CEI 61643-11 | Type2 / Class II |
Tension max. de régime permanent max AC [L-N] (UC ) | 275 V (50 / 60 Hz) |
Courant nominal de décharge (8/20 µs) (In ) | 5 kA |
Courant max. de décharge (8/20 µs) (Imax ) | 10 kA |
Niveau de protection [L-N] (UP ) | ≤ 1,5 kV |
Niveau de protection en tension [N-PE] (UP ) | ≤ 1,5 kV |
Protection max. contre les surintensités | B 16 A |
Référence de la pièce 900435 DCOR L 2P 275 SO LT
GTIN 4013364292963, Clients tariffs no (UE): 85363030, Poids brut: 70.00 g, Prix unitaire: 1.00 pièce(s)
Caractéristiques techniques
SPD selon NF EN 61643-11/... CEI 61643-11 | Type 2/Classe II |
Tension max. de régime permanent AC [L-PEN] (UC ) | 275 V (50 / 60 Hz) |
Courant nominal de décharge (8/20 µs) (In ) | 5 kA |
Courant de décharge max. (8/20 µs) (Imax ) | 10 kA |
Niveau de protection en tension [L-PEN] (UP ) | ≤ 1,5 kV |
Protection max. contre les surintensités | B 16 A |
Certifications | KEMA |
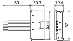
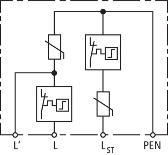
Référence de la pièce 900447 DCOR L 3P 275 SO IP
GTIN 4013364282216, Clients tariffs no (UE): 85363030, Poids brut: 146.60 g, Prix unitaire: 1.00 pièce(s)
Caractéristiques techniques
SPD selon NF EN 61643-11/... CEI 61643-11 | Type 2/Classe II |
Tension max. de régime permanent AC [L-N] (UC ) | 275 V (50/60 Hz) |
Courant nominal de décharge (8/20 µs) (In ) | 5 kA |
Courant de décharge max. (8/20 µs) (Imax ) | 10 kA |
Niveau de protection en tension [L-N] (UP ) | ≤ 1,5 kV |
Niveau de protection en tension [N-PE] (UP ) | ≤ 1,5 kV |
Protection max. contre les surintensités | B 16 A |
Référence de la pièce 900448 DCOR L 2P 275 SO IP
GTIN 4013364293007, Clients tariffs no (UE): 85363030, Poids brut: 139.90 g, Prix unitaire: 1.00 pièce(s)
Caractéristiques techniques
SPD selon NF EN 61643-11/... CEI 61643-11 | Type 2/Classe II |
Tension max. de régime permanent AC [L-N] (UC ) | 275 V (50/60 Hz) |
Courant nominal de décharge (8/20 µs) (In ) | 5 kA |
Courant de décharge max. (8/20 µs) (Imax ) | 10 kA |
Niveau de protection en tension [L-N] (UP ) | ≤ 1,5 kV |
Niveau de protection en tension [N-PE] (UP ) | ≤ 1,5 kV |
Protection max. contre les surintensités | B 16 A |
Référence de la pièce 900449 DCOR R 3P 275
GTIN 4013364320031, Clients tariffs no (UE): 85363030, Poids brut: 151.00 g, Prix unitaire: 1.00 pièce(s)
Caractéristiques techniques
SPD selon NF EN 61643-11/... CEI 61643-11 | Type 2/Classe II |
Tension max. de régime permanent AC [L-N] (UC ) | 275 V (50/60 Hz) |
Courant nominal de décharge (8/20 µs) (In ) | 5 kA |
Courant de décharge max. (8/20 µs) (Imax ) | 10 kA |
Niveau de protection en tension [L-N] (UP ) | ≤ 1,5 kV |
Niveau de protection en tension [N-PE] (UP ) | ≤ 1,5 kV |
Protection max. contre les surintensités | 25 A gG |
Connecteur | Hirschmann STAK 3 / STAS 3 |