Les services de votre tableau de bord.
Inscrivez-vous pour accéder à tous les outils.

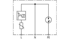
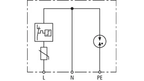
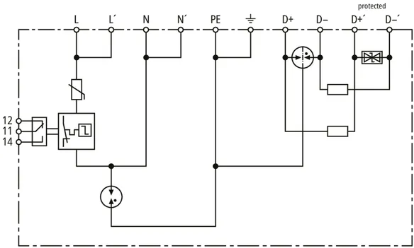
DEHNcord

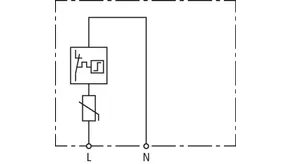
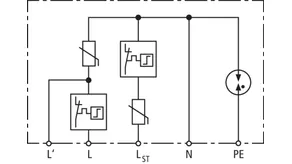
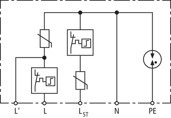
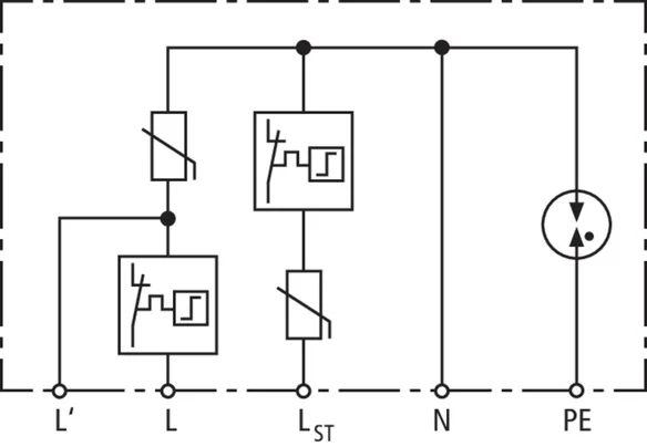
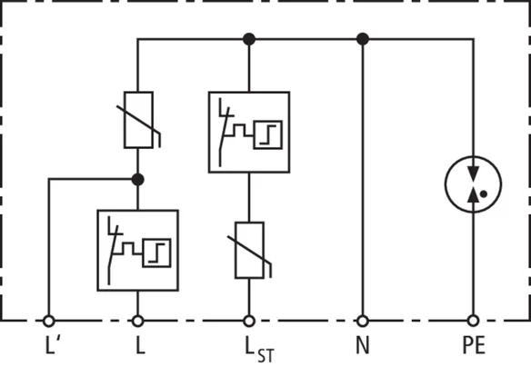
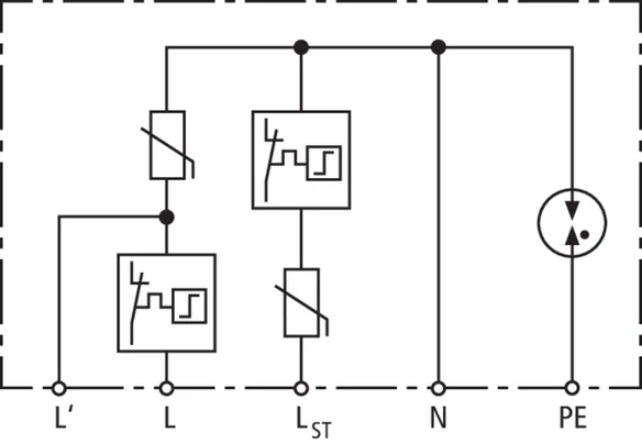
  • Parafoudre unipolaire, bipolaire ou tripolaire avec dispositif de surveillance et de déconnexion
  • Indication optique de défaut
  • Versions disponibles avec interruption du circuit de charge en cas de défaut et avec protection de la phase de commande
  • Boîtier compact aussi pour l'extérieur
  • Pour une utilisation dans les boîtes de jonction, les goulottes, les planchers techniques et les boîtes d'encastrement

Détails

lorem ipsum

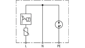
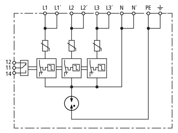
DEHNcord 3P TT 275 FM

Parafoudre triphasé compact pour les systèmes TT et TN-S.

1 Produit

Référence de la pièce 900439 DCOR 3P TT 275 FM

GTIN 4013364436053, Clients tariffs no (UE): 85363030, Poids brut: 129.38 g, Prix unitaire: 1.00 pièce(s)


Images

Plus d'informations

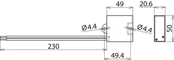
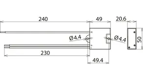
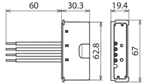
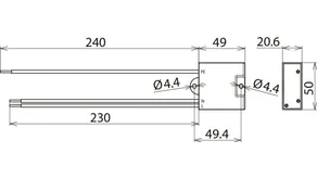
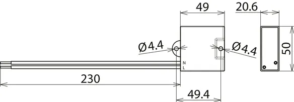
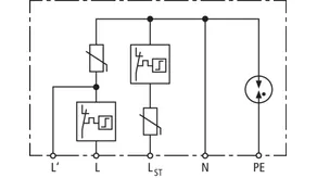
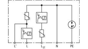
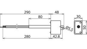
Parafoudre DEHNcord 3P TT 275 FM
Parafoudre multipolaire de type 2 + type 3 conforme à la norme NF EN 61643-11
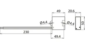
Dimension compacte : 94 x 39.5 x 36 mm
Avec contact de télésignalisation
Tension max. de fonctionnement continue: 275 V AC
Tension max. de fonctionnement continue: 350 V DC
Niveau de protection en tension: <= 1,5 kV
Courant de décharge nominal (8/20): 10 kA
Courant de décharge total (8/20): 40 kA
Suivre la capacité d'extinction actuelle [N-PE]: 100 A eff.
Max. protection contre les surintensités côté réseau: 25 A gG (connexion série) / 40 A gG (connexion parallèle)
Max. courant de charge (a.c.): 25 A
Coordination énergétique avec les parafoudres
de la série Red/Line : EN 62305-4

produit : DEHN
Type: DCOR 3P TT 275 FM
Référence: 900439
ou équivalent

Certificats

 

Caractéristiques techniques

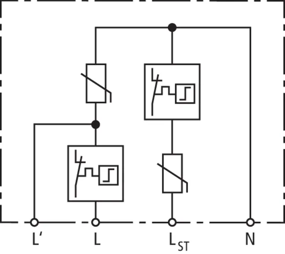
SPD selon NF EN 61643-11/... CEI 61643-11 Type 2 + Type 3 / Class II + Class III
Tension max. de régime permanent AC [L-N] (UC ) 275 V (50 / 60 Hz)
Tension d’utilisation permanente max DC (Uc) 350 V
Courant nominal de décharge (8/20 µs) [L-N] (In ) 10 kA
Courant max. de décharge (8/20 µs) [L-NE] (Imax ) 20 kA
Courant nominal de décharge (8/20 µs) [N-PE] (In ) 10 kA
Courant max. de décharge (8/20 µs) [N-PE] (Imax ) 40 kA
Niveau de protection en tension [L-N] (UP ) ≤ 1,5 kV
Niveau de protection en tension [N-PE] (UP ) ≤ 1,5 kV
Certifications KEMA

Le produit 900439 a été ajouté au bloc-notes

Le produit 900439 a été ajouté au panier.


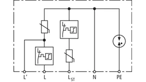
DEHNcord 1P 275 D FM

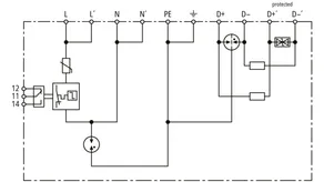
Parafoudre compact monophasé pour systèmes TT avec circuit de protection intégré pour interface DALI.

1 Produit

Référence de la pièce 900438 DCOR 1P 275 D FM

GTIN 4013364526891, Clients tariffs no (UE): 85363030, Poids brut: 86.27 g, Prix unitaire: 1.00 pièce(s)


Images

Plus d'informations

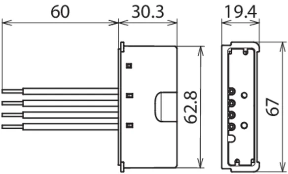
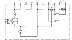
Parafoudre de type 2 DEHNcord 1P 275 D FM
Parafoudre de type 2 monophasé
DEHNcord selon EN 61643-11
et EN 61643-21 avec
circuit de protection intégré pour interface de communication
pour une utilisation dans des systèmes d’installation
avec contact de télésignalisation, indication de fonctionnement/défaut
Installation au choix sur rail DIN ou avec supports à visser
Dimensions compactes : 94 x 39,5 x 36 mm
Valeurs techniques (côté alimentation) :
Tension continue maximale : 275 V AC
Niveau de protection : <= 1,5 kV
Courant nominal de décharge (8/20) : 10 kA
Tenue aux courants de court-circuit [N-PE] : 100 A eff
Protection maximale contre les surintensités :
en série 25 A gG / en parallèle 40 A gG
Courant de charge max. 25 A
Valeurs techniques (côté signal) :
Tension continue maximale : 28 V DC
Niveau de protection cond-cond avec In C2: ≤ 50 V
C2 Courant nominal de décharge (8/20) par conducteur : 5 kA
Courant nominal à 45 °C : 0,3 A
Raccordement de ligne : Push-in
Coordination énergétique selon DIN EN 62305-4
avec parafoudres de la gamme Red/Line

produit : DEHN
Type: DCOR 1P 275 D FM
Référence: 900438
ou équivalent

Certificats

 

Caractéristiques techniques

Technische Daten
SPD selon NF EN 61643-11/... CEI 61643-11 Type 2 + Type 3 / Class II + Class III
Tension max. de régime permanent AC [L-N] (UC ) 275 V (50 / 60 Hz)
Tension d’utilisation permanente max DC (Uc) 350 V
Courant nominal de décharge (8/20 µs) [L-N] (In ) 10 kA
Courant max. de décharge (8/20 µs) [L-NE] (Imax ) 20 kA
Courant nominal de décharge (8/20 µs) [N-PE] (In ) 10 kA
Courant max. de décharge (8/20 µs) [N-PE] (Imax ) 40 kA
Niveau de protection en tension [L-N] (UP ) ≤ 1,5 kV
Niveau de protection en tension [N-PE] (UP ) ≤ 1,5 kV
Certifications KEMA
Caractéristiques techniques côté signal
Classe de parafoudre U
Tension nominale DC (UN ) 24 V
Tension continue maximale DC (UC ) 28 V
C2 Courant nominal de décharge (8/20 µs) total (In ) 10 kA
Impédance série par conducteur 1,8 Ohm
Bande passante cond-cond (100 ohm) (fG ) 10 MHz

Le produit 900438 a été ajouté au bloc-notes

Le produit 900438 a été ajouté au panier.


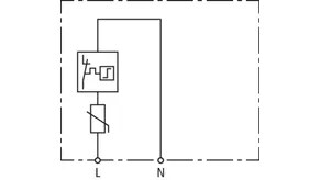
DEHNcord L 2P

Parasurtenseur bipolaire pour tous les systèmes d'installation (circuit 1 + 1) et luminaires de la classe de protection I; dimensions compactes.

2 Produits

Référence de la pièce 900430 DCOR L 2P 275

GTIN 4013364157286, Clients tariffs no (UE): 85363030, Poids brut: 73.00 g, Prix unitaire: 1.00 pièce(s)


Images

Plus d'informations

DEHNcord L 2P 275
Parafoudre bipolaire type 2
conforme à la norme EN 61643-11
Pour une utilisation dans les boîtes de jonction,
les goulottes, les planchers techniques
et les boîtes d'encastrement.
Indicateur de défaut
Tension max. d'utilisation : 275V AC
Niveau de protection Up : <= 1.5kV
Courant nominal de décharge In : 5 kA
Courant de décharge total : 20 kA
Protection contre les surintensités : 25 A gG ou B/C 16 A
Coordoné avec la gamme Red/Line

produit : DEHN
Type: DCOR L 2P 275
Référence: 900430
ou équivalent

Certificats

 

Caractéristiques techniques

SPD selon NF EN 61643-11/... CEI 61643-11 Type 2/Classe II
Tension max. de régime permanent AC [L-N] (UC ) 275 V (50/60 Hz)
Courant nominal de décharge (8/20 µs) (In ) 5 kA
Courant de décharge max. (8/20 µs) (Imax ) 10 kA
Niveau de protection en tension [L-N] (UP ) ≤ 1,5 kV
Niveau de protection en tension [N-PE] (UP ) ≤ 1,5 kV
Protection max. contre les surintensités 25 A gG
Certifications KEMA

Le produit 900430 a été ajouté au bloc-notes

Le produit 900430 a été ajouté au panier.

Référence de la pièce 900432 DCOR L 2P 320

GTIN 4013364157309, Clients tariffs no (UE): 85363030, Poids brut: 74.00 g, Prix unitaire: 1.00 pièce(s)


Images

Plus d'informations

DEHNcord L 2P 320
Tension d'utilisation 230/277 V
Parafoudre bipolaire type 2
conforme à la norme EN 61643-11
Pour une utilisation dans les boîtes de jonction,
les goulottes, les planchers techniques
et les boîtes d'encastrement.
Indicateur de défaut
Tension max. d'utilisation : 320V AC
Niveau de protection Up : <= 1.75kV
Courant nominal de décharge In : 5 kA
Courant de décharge total : 20 kA
Protection contre les surintensités : 25 A gG ou B/C 16 A
Coordoné avec la gamme Red/Line

produit : DEHN
Type: DCOR L 2P 320
Référence: 900432
ou équivalent

Certificats

 

Caractéristiques techniques

SPD selon NF EN 61643-11/... CEI 61643-11 Type 2/Classe II
Tension max. de régime permanent AC [L-N] (UC ) 320 V (50/60 Hz)
Courant nominal de décharge (8/20 µs) (In ) 5 kA
Courant de décharge max. (8/20 µs) (Imax ) 10 kA
Niveau de protection en tension [L-N] (UP ) ≤ 1,75 kV
Niveau de protection en tension [N-PE] (UP ) ≤ 1,5 kV
Protection max. contre les surintensités 25 A gG
Certifications KEMA

Le produit 900432 a été ajouté au bloc-notes

Le produit 900432 a été ajouté au panier.


DEHNcord L 1P

Parafoudre unipolaire pour luminaires avec classe de protection II; dimensions compactes.

2 Produits

Référence de la pièce 900431 DCOR L 1P 275

GTIN 4013364310827, Clients tariffs no (UE): 85363030, Poids brut: 60.00 g, Prix unitaire: 1.00 pièce(s)


Images

Plus d'informations

DEHNcord L 1P 275
Tension d'utilisation 230 V
Parafoudre bipolaire type 2
conforme à la norme EN 61643-11
Pour une utilisation dans les boîtes de jonction,
les goulottes, les planchers techniques
et les boîtes d'encastrement.
Indicateur de défaut
Tension max. d'utilisation : 275V AC
Niveau de protection Up : <= 1.5kV
Courant nominal de décharge In : 5 kA
Courant de décharge total : 20 kA
Protection contre les surintensités : 25 A gG ou B/C 16 A
Coordoné avec la gamme Red/Line

produit : DEHN
Type: DCOR L 1P 275
Référence: 900431
ou équivalent

Certificats

 

Caractéristiques techniques

SPD selon NF EN 61643-11/... CEI 61643-11 Type 2/Classe II
Tension max. de régime permanent AC [L-N] (UC ) 275 V (50/60 Hz)
Courant nominal de décharge (8/20 µs) (In ) 5 kA
Courant de décharge max. (8/20 µs) (Imax ) 10 kA
Niveau de protection en tension [L-N] (UP ) ≤ 1,5 kV
Protection max. contre les surintensités 25 A gG
Certifications KEMA

Le produit 900431 a été ajouté au bloc-notes

Le produit 900431 a été ajouté au panier.

Référence de la pièce 900433 DCOR L 1P 320

GTIN 4013364157316, Clients tariffs no (UE): 85363030, Poids brut: 61.00 g, Prix unitaire: 1.00 pièce(s)


Images

Plus d'informations

DEHNcord L 1P 320
Tension d'utilisation 230/277 V
Parafoudre bipolaire type 2
conforme à la norme EN 61643-11
Pour une utilisation dans les boîtes de jonction,
les goulottes, les planchers techniques
et les boîtes d'encastrement.
Indicateur de défaut
Tension max. d'utilisation : 320V AC
Niveau de protection Up : <= 1.75kV
Courant nominal de décharge In : 5 kA
Courant de décharge total : 20 kA
Protection contre les surintensités : 25 A gG ou B/C 16 A
Coordoné avec la gamme Red/Line

produit : DEHN
Type: DCOR L 1P 320
Référence: 900433
ou équivalent

Certificats

 

Caractéristiques techniques

SPD selon NF EN 61643-11/... CEI 61643-11 Type 2/Classe II
Tension max. de régime permanent AC [L-N] (UC ) 320 V (50/60 Hz)
Courant nominal de décharge (8/20 µs) (In ) 5 kA
Courant de décharge max. (8/20 µs) (Imax ) 10 kA
Niveau de protection en tension [L-N] (UP ) ≤ 1,75 kV
Protection max. contre les surintensités 25 A gG
Certifications KEMA

Le produit 900433 a été ajouté au bloc-notes

Le produit 900433 a été ajouté au panier.


DEHNcord L 2P SN1864

Parafoudre pour luminaires avec classe de protection II; dimensions compactes. Avec fonction d'arrêt en cas d'erreur.

1 Produit

Référence de la pièce 999906 DCOR L 2P SN1864

GTIN 4013364310926, Clients tariffs no (UE): 85363030, Poids brut: 70.50 g, Prix unitaire: 1.00 pièce(s)


Images

Plus d'informations



produit : DEHN
Type: DCOR L 2P SN1864
Référence: 999906
ou équivalent

Certificats

 

Caractéristiques techniques

SPD selon NF EN 61643-11/... CEI 61643-11 Type 2/Classe II
Tension max. de régime permanent AC [L-N] (UC ) 275 V (50/60 Hz)
Courant nominal de décharge (8/20 µs) (In ) 5 kA
Courant de décharge max. (8/20 µs) (Imax ) 10 kA
Niveau de protection en tension [L-N] (UP ) ≤ 1,5 kV
Protection max. contre les surintensités B 16 A

Le produit 999906 a été ajouté au bloc-notes

Le produit 999906 a été ajouté au panier.


DEHNcord L 2P SN1860

Parafoudre pour tout type de systèmes avec classe de protection II; dimensions compactes. Avec fonction d'arrêt en cas d'erreur.

1 Produit

Référence de la pièce 999937 DCOR L 2P SN1860

GTIN 4013364303195, Clients tariffs no (UE): 85363030, Poids brut: 86.00 g, Prix unitaire: 1.00 pièce(s)


Images

Plus d'informations

DEHNcord L 2P 275 SN1860
Parafoudre bipolaire type 2
conforme à la norme EN 61643-11
Pour une utilisation dans les boîtes de jonction.
Protection de la phase de contrôle.
Indicateur de défaut
Tension max. d'utilisation : 275V AC
Niveau de protection Up : <= 1.5kV
Courant nominal de décharge (8/20) : 5 kA
Courant de décharge total (8/20) : 20 kA
Capacité d'extinction du courant de court circuit [N-PE]: 100 A eff
Protection contre les surintensités : 16 A gG
Courant de charge max. ac : 10 A
Coordoné avec la gamme Red/Line

produit : DEHN
Type: DCOR L 2P SN1860
Référence: 999937
ou équivalent

Certificats

 

Caractéristiques techniques

SPD selon NF EN 61643-11/... CEI 61643-11 Type 2/Classe II
Tension max. de régime permanent AC [L-N] (UC ) 275 V (50/60 Hz)
Courant nominal de décharge (8/20 µs) (In ) 5 kA
Courant de décharge max. (8/20 µs) (Imax ) 10 kA
Niveau de protection en tension [L-N] (UP ) ≤ 1,5 kV
Niveau de protection en tension [N-PE] (UP ) ≤ 1,5 kV
Protection max. contre les surintensités B 16 A

Le produit 999937 a été ajouté au bloc-notes

Le produit 999937 a été ajouté au panier.


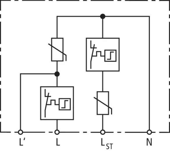
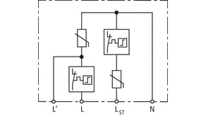
DEHNcord L 2P 275 SO LTG

Parafoudre pour tout type de systèmes avec classe de protection II; dimensions compactes. Avec fonction d'arrêt en cas d'erreur.

1 Produit

Référence de la pièce 900446 DCOR L 2P 275 SO LTG

GTIN 4013364292970, Clients tariffs no (UE): 85363030, Poids brut: 62.50 g, Prix unitaire: 1.00 pièce(s)


Images

Plus d'informations

DEHNcord L 2P 275 SO LTG
Parafoudre bipolaire type 2
conforme à la norme EN 61643-11
Pour une utilisation dans les boîtes de jonction.
Protection de la phase de contrôle.
Indicateur de défaut
Tension max. d'utilisation : 275V AC
Niveau de protection Up : <= 1.5kV
Courant nominal de décharge (8/20) : 5 kA
Courant de décharge total (8/20) : 20 kA
Capacité d'extinction du courant de court circuit [N-PE]: 100 A eff
Protection contre les surintensités : 16 A gG
Courant de charge max. ac : 10 A
Coordoné avec la gamme Red/Line

produit : DEHN
Type: DCOR L 2P 275 SO LTG
Référence: 900446
ou équivalent

Certificats

 

Caractéristiques techniques

SPD selon NF EN 61643-11/... CEI 61643-11 Type 2/Classe II
Tension max. de régime permanent AC [L-N] (UC ) 275 V (50/60 Hz)
Courant nominal de décharge (8/20 µs) (In ) 5 kA
Courant de décharge max. (8/20 µs) (Imax ) 10 kA
Niveau de protection en tension [L-N] (UP ) ≤ 1,5 kV
Niveau de protection en tension [N-PE] (UP ) ≤ 1,5 kV
Protection max. contre les surintensités B 16 A
Certifications KEMA

Le produit 900446 a été ajouté au bloc-notes

Le produit 900446 a été ajouté au panier.


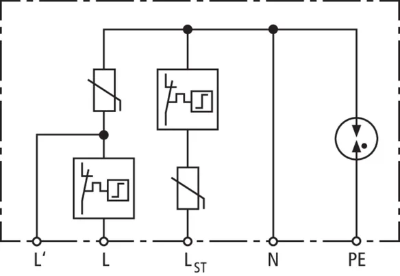
DEHNcord L 3P 275 SO LTG

Parafoudre tripolaire pour tous les systèmes d'installation; dimensions compactes. Avec fonction d'arrêt du circuit de charge en cas de défaut et protection de la phase de contrôle.

1 Produit

Référence de la pièce 900445 DCOR L 3P 275 SO LTG

GTIN 4013364280380, Clients tariffs no (UE): 85363030, Poids brut: 71.50 g, Prix unitaire: 1.00 pièce(s)


Images

Plus d'informations

DEHNcord L 3P 275 SO LTG
Tension d'utilisation 230
Parafoudre bipolaire type 2
conforme à la norme EN 61643-11
Pour une utilisation dans les boîtes de jonction.
Protection de la phase de contrôle.
Indicateur de défaut
Tension max. d'utilisation : 275V AC
Niveau de protection Up : <= 1.5kV
Courant nominal de décharge (8/20) : 5 kA
Courant de décharge total (8/20) : 20 kA
Capacité d'extinction du courant de court circuit [N-PE]: 100 A eff
Protection contre les surintensités : 25 A gG
Coordoné avec la gamme Red/Line

produit : DEHN
Type: DCOR L 3P 275 SO LTG
Référence: 900445
ou équivalent

Certificats

 

Caractéristiques techniques

SPD selon NF EN 61643-11/... CEI 61643-11 Type 2/Classe II
Tension max. de régime permanent AC [L-N] (UC ) 275 V (50/60 Hz)
Courant nominal de décharge (8/20 µs) (In ) 5 kA
Courant de décharge max. (8/20 µs) (Imax ) 10 kA
Niveau de protection en tension [L-N] (UP ) ≤ 1,5 kV
Niveau de protection en tension [N-PE] (UP ) ≤ 1,5 kV
Protection max. contre les surintensités B 16 A
Certifications KEMA

Le produit 900445 a été ajouté au bloc-notes

Le produit 900445 a été ajouté au panier.


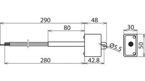
SK EK480 G2S-2d LM DCOR

La boîte à fusibles EK480 est un produit de qualité de Langmatz, caractérisé par une finition de haute qualité et des propriétés éprouvées. La gamme EK480 répond à toutes les exigences et normes mécaniques et électriques. Les luminaires dotés d'une électronique de haute qualité peuvent ainsi être efficacement protégés contre les surtensions causées par les opérations de commutation ou par un éclairage proche de la gâche.

1 Produit

Référence de la pièce 900443 SK EK480 G2S-2d LM DCOR

GTIN 4013364394322, Clients tariffs no (UE): 85362010, Poids brut: 788.00 g, Prix unitaire: 20.00 pièce(s)


Images

Plus d'informations

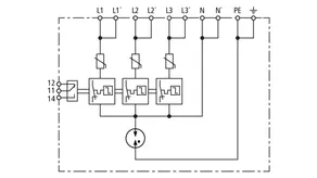
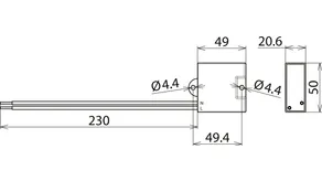
Boîte à fusibles EK480 avec parafoudre
DEHNcord L 3P 275 SO LTG
pour la protection des feux à LED
Avec protection de la phase de contrôle
Possibilité d'éteindre le luminaire en cas de défaut
ainsi qu'un affichage séparé intégré des défauts optiques
pour la tension d'alimentation et la phase de contrôle
Plus haute tension continue: 275 V ca
Niveau de protection: <= 1,5 kV
Courant de décharge nominal (8/20): 5 kA
Courant total de décharge (8/20): 20 kA
Suivre la capacité d'extinction actuelle [N-PE]: 100 A eff
Protection maximale contre les surintensités côté réseau: 16 A gG
Courant de charge max. AC: 10 A
Coordination énergétique selon DIN EN 62305-4
avec des parafoudres de la famille Red / Line
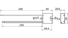
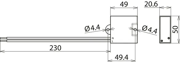
Boîte de dimension: 277x80x67 mm
Degré de protection: IP54 selon DIN VDE 0470
Classe de protection: II

produit : DEHN
Type: SK EK480 G2S-2d LM DCOR
Référence: 900443
ou équivalent

Certificats

 

Caractéristiques techniques

Daten Überspannungsschutzgerät DEHNcord L 3P 275 SO LTG
SPD selon NF EN 61643-11/... CEI 61643-11 Type2 / Class II
Tension max. de régime permanent max AC [L-N] (UC ) 275 V (50 / 60 Hz)
Courant nominal de décharge (8/20 µs) (In ) 5 kA
Courant max. de décharge (8/20 µs) (Imax ) 10 kA
Niveau de protection [L-N] (UP ) ≤ 1,5 kV
Niveau de protection en tension [N-PE] (UP ) ≤ 1,5 kV
Protection max. contre les surintensités B 16 A
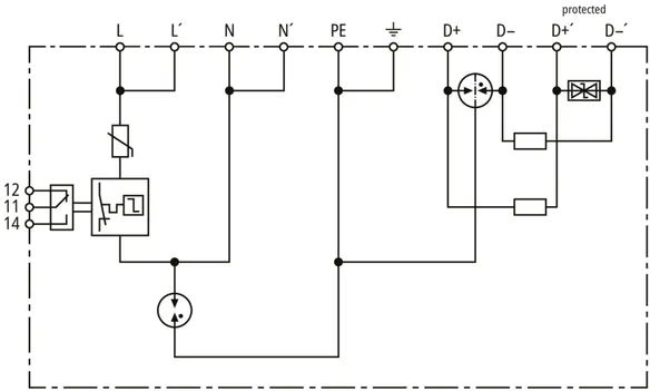
Daten Sicherungskasten
Dimensions 276 x 81 x 70 mm
à partir du diamètre intérieur du mât 89 mm
technologie terminale Accès: Technique de pince coulissante / sortie: Technologie de pince à ressort
Section de câble maximale pouvant être serrée 1 - 3 câbles (4 ou 5 x 16 mm2)
Bornes de sortie max. 2,5 mm2

Le produit 900443 a été ajouté au bloc-notes

Le produit 900443 a été ajouté au panier.


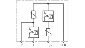
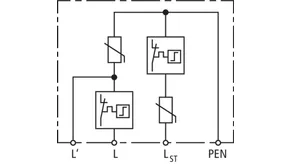
DEHNcord L 2P 275 SO LT

Parafoudre bipolaire pour les systèmes TNC; dimensions compactes. Avec fonction d'arrêt du circuit de charge en cas de défaut et protection de la phase de contrôle.

1 Produit

Référence de la pièce 900435 DCOR L 2P 275 SO LT

GTIN 4013364292963, Clients tariffs no (UE): 85363030, Poids brut: 70.00 g, Prix unitaire: 1.00 pièce(s)


Images

Plus d'informations

DEHNcord L 2P 275 SO LT
Parafoudre bipolaire type 2
conforme à la norme EN 61643-11
Avec câble, pour une utilisation dans les boîtes de jonction.
Protection de la phase de contrôle.
Indicateur de défaut
Tension max. d'utilisation : 275V AC
Niveau de protection Up : <= 1.5kV
Courant nominal de décharge (8/20) : 5 kA
Courant de décharge total (8/20) : 20 kA
Capacité d'extinction du courant de court circuit [N-PE]: 100 A eff
Protection contre les surintensités : 16 A gG
Courant de charge max. ac : 10 A
Coordoné avec la gamme Red/Line

produit : DEHN
Type: DCOR L 2P 275 SO LT
Référence: 900435
ou équivalent

Certificats

 

Caractéristiques techniques

SPD selon NF EN 61643-11/... CEI 61643-11 Type 2/Classe II
Tension max. de régime permanent AC [L-PEN] (UC ) 275 V (50 / 60 Hz)
Courant nominal de décharge (8/20 µs) (In ) 5 kA
Courant de décharge max. (8/20 µs) (Imax ) 10 kA
Niveau de protection en tension [L-PEN] (UP ) ≤ 1,5 kV
Protection max. contre les surintensités B 16 A
Certifications KEMA

Le produit 900435 a été ajouté au bloc-notes

Le produit 900435 a été ajouté au panier.


DEHNcord L 3P 275 SO IP

Parafoudre bipolaire pour luminaires avec classe de protection II; dimensions compactes. Indice de protection IP 65. Avec fonction de désactivation en cas d'erreur.

1 Produit

Référence de la pièce 900447 DCOR L 3P 275 SO IP

GTIN 4013364282216, Clients tariffs no (UE): 85363030, Poids brut: 146.60 g, Prix unitaire: 1.00 pièce(s)


Images

Plus d'informations



produit : DEHN
Type: DCOR L 3P 275 SO IP
Référence: 900447
ou équivalent

Certificats

 

Caractéristiques techniques

SPD selon NF EN 61643-11/... CEI 61643-11 Type 2/Classe II
Tension max. de régime permanent AC [L-N] (UC ) 275 V (50/60 Hz)
Courant nominal de décharge (8/20 µs) (In ) 5 kA
Courant de décharge max. (8/20 µs) (Imax ) 10 kA
Niveau de protection en tension [L-N] (UP ) ≤ 1,5 kV
Niveau de protection en tension [N-PE] (UP ) ≤ 1,5 kV
Protection max. contre les surintensités B 16 A

Le produit 900447 a été ajouté au bloc-notes

Le produit 900447 a été ajouté au panier.


DEHNcord L 2P 275 SO IP

Parafoudre bipolaire pour tout type de systèmes avec classe de protection II; dimensions compactes. Indice de protection IP 65. Avec fonction de désactivation en cas d'erreur.

1 Produit

Référence de la pièce 900448 DCOR L 2P 275 SO IP

GTIN 4013364293007, Clients tariffs no (UE): 85363030, Poids brut: 139.90 g, Prix unitaire: 1.00 pièce(s)


Images

Plus d'informations



produit : DEHN
Type: DCOR L 2P 275 SO IP
Référence: 900448
ou équivalent

Certificats

 

Caractéristiques techniques

SPD selon NF EN 61643-11/... CEI 61643-11 Type 2/Classe II
Tension max. de régime permanent AC [L-N] (UC ) 275 V (50/60 Hz)
Courant nominal de décharge (8/20 µs) (In ) 5 kA
Courant de décharge max. (8/20 µs) (Imax ) 10 kA
Niveau de protection en tension [L-N] (UP ) ≤ 1,5 kV
Niveau de protection en tension [N-PE] (UP ) ≤ 1,5 kV
Protection max. contre les surintensités B 16 A

Le produit 900448 a été ajouté au bloc-notes

Le produit 900448 a été ajouté au panier.


DEHNcord R 3P

Parafoudre pour stores électrique; dimensions compactes.

1 Produit

Référence de la pièce 900449 DCOR R 3P 275

GTIN 4013364320031, Clients tariffs no (UE): 85363030, Poids brut: 151.00 g, Prix unitaire: 1.00 pièce(s)


Images

Plus d'informations



produit : DEHN
Type: DCOR R 3P 275
Référence: 900449
ou équivalent

Certificats

 

Caractéristiques techniques

SPD selon NF EN 61643-11/... CEI 61643-11 Type 2/Classe II
Tension max. de régime permanent AC [L-N] (UC ) 275 V (50/60 Hz)
Courant nominal de décharge (8/20 µs) (In ) 5 kA
Courant de décharge max. (8/20 µs) (Imax ) 10 kA
Niveau de protection en tension [L-N] (UP ) ≤ 1,5 kV
Niveau de protection en tension [N-PE] (UP ) ≤ 1,5 kV
Protection max. contre les surintensités 25 A gG
Connecteur Hirschmann STAK 3 / STAS 3

Le produit 900449 a été ajouté au bloc-notes

Le produit 900449 a été ajouté au panier.


back to top