Les services de votre tableau de bord.
Inscrivez-vous pour accéder à tous les outils.

Compteur de coups de foudre

Compteur d’impacts de foudre intelligent pour l’enregistrement sans potentiel du nombre et du moment (date d’entrée avec horodatage) des courants d’écoulement.
Fonctionnement sur pile (autonome, sans bloc d’alimentation) avec enregistrement local des données et affichage à l’écran.
Fonctionnement avec bloc d’alimentation avec communication en option (Modbus RTU) entre le compteur et un poste de commande externe.

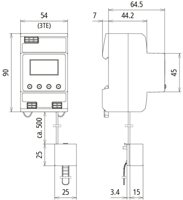
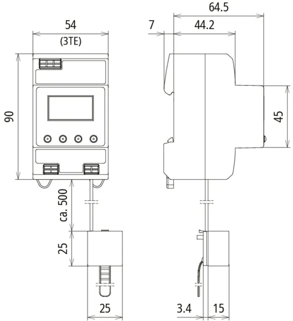
Compteur de coups de foudre IPC P4

1 Produit

Référence de la pièce 910513 IPC P4

GTIN 6942299506310, Clients tariffs no (UE): 90291000, Poids brut: 180.20 g, Prix unitaire: 1.00 pièce(s)


Images

Plus d'informations

Compteur de coups de foudre IPC P4
Compteur à fonctionnement sur piles (enregistrements internes uniquement) ou
avec alimentation externe 9-36 V DC (avec communication vers le poste de commande)
Enregistrement sans potentiel des courants d’écoulement
des dispositifs de protection contre les surtensions
Capteur pour l’installation sur le conducteur de terre du parafoudre
Conducteur de capteur torsadé, longueur 0,5 m
Valeur de comptage minimale du courant de décharge à impulsions (10/350 µs) : 1 kA
Valeur de comptage limite du courant de décharge à impulsions (10/350 µs) : 100 kA
Valeur de comptage minimale du courant de décharge à impulsions (8/20 µs) : 1 kA
Valeur de comptage limite du courant de décharge à impulsions (8/20 µs) : 100 kA
Indicateur OLED
Compteur électrique 0 ... 999
Montage sur rail DIN 35 mm selon EN 60715

produit : DEHN
Type: IPC P4
Référence: 910513
ou équivalent

Certificats

 

Caractéristiques techniques

Compteur d’impacts de foudre selon GB/T 33588.6 et EN/IEC 62561-6 Type I + Type II
Valeur limite de comptage du courant de décharge à impulsions (10/350 µs) (Iimp max ) 100 kA
Valeur minimale de comptage du courant de décharge à impulsions (10/350 µs) (Iimp min ) 1 kA
Valeur limite de comptage du courant de décharge (8/20 µs) (In max ) 100 kA
Valeur minimale de comptage du courant de décharge (8/20 µs) (In min ) 1 kA
Indicateur OLED Compteur électronique 0-999
Alimentation Pile au lithium et au dioxyde de manganèse ou 9-36 V DC
Dispositif de remise à zéro Touches sur l’appareil (par ex. pour la remise à 0 du compteur) ou par accès à distance
Encombrement : capteurs 25 mm x 25 mm x 15 mm
Accessoires compris dans la livraison Capteur avec bride de fixation intégrée

Le produit 910513 a été ajouté au bloc-notes

Le produit 910513 a été ajouté au panier.


back to top