DEHNbox
:quality(98)/www.elvatec.ch/store/f/55039132/HDVORSCHAU/922220a1_16-9.jpg)
:quality(98)/www.elvatec.ch/store/f/55039132/HDVORSCHAU/922220a1_16-9.jpg)
- Capacité d'écoulement jusqu'à 10 kA (10/350 µs)
- Bas niveau de protection permettant la protection des équipements terminaux
- Utilisation selon le concept des zones de protection contre la foudre aux interfaces 0A – 2 et plus haut
- Adapté à un montage mural
- Installation simple et rapide grâce à des borniers à ressort
- Permet une rénovation simple de la protection contre les surtensions
- Indication d'état pour une maintenance facile
- Possibilité de connexion RJ45 pour plug & play
- Utilisation universelle jusqu'à 1 Gbit
Détails
:quality(98)/www.elvatec.ch/store/f/55039134/HDVORSCHAU/922220a3_Detail_2.jpg)
connexion directe au routeur
(DBX TC B 180).
:quality(98)/www.elvatec.ch/store/f/55039134/HDVORSCHAU/922220a3_Detail_2.jpg)
:quality(98)/www.elvatec.ch/store/f/55039133/HDVORSCHAU/922220a3_Detail_1.jpg)
:quality(98)/www.elvatec.ch/store/f/55039133/HDVORSCHAU/922220a3_Detail_1.jpg)
:quality(98)/www.elvatec.ch/store/f/55039135/HDVORSCHAU/922220a2_Detail_3.jpg)
(DBX TC B 180).
:quality(98)/www.elvatec.ch/store/f/55039135/HDVORSCHAU/922220a2_Detail_3.jpg)
:quality(98)/www.elvatec.ch/store/f/55039136/HDVORSCHAU/922220a4_Detail_4.jpg)
:quality(98)/www.elvatec.ch/store/f/55039136/HDVORSCHAU/922220a4_Detail_4.jpg)
Thèmes similaires
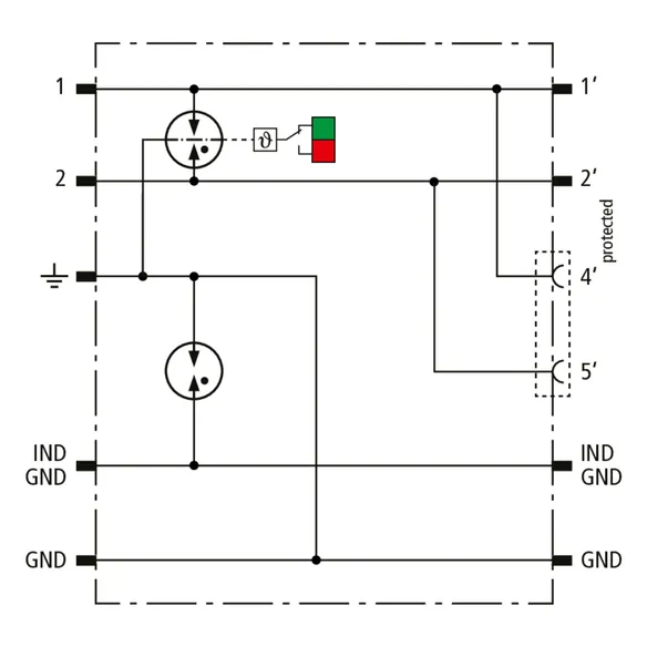
DBX TC B 180
Parafoudre compact et peu encombrant dans un boîtier en plastique avec technologie de connexion push-in et indication d'état pour protéger une paire à interfaces symétriques, en particulier les interfaces de télécommunication jusqu'à VVDSL et G.fast (jusqu'à 1 Gbit/s). Mise à la terre directe / indirecte du blindage possible. Connexion d'une paire ou d'un câble patch avec prise RJ45 en sortie.
Les tests effectués par Deutsche Telekom Technik GmbH confirment la compatibilité avec Vectoring-VDSL (VVDSL), Super-Vectoring-VDSL (SVVDSL) et G.Fast.
1 Produit
Référence de la pièce 922220 DBX TC B 180
GTIN 4013364433953, Clients tariffs no (UE): 85363030, Poids brut: 93.63 g, Prix unitaire: 1.00 pièce(s)
PrécédentCaractéristiques techniques
Classe SPD | L |
Tension d’utilisation permanente max DC (UC ) | 180 V |
Courant nominal à 40°C (IL ) | 1 A |
D1 Courant de foudre (10/350 µs) total (Iimp ) | 7,5 kA |
C2 Courant nominal de décharge (8/20 µs) total (In ) | 15 kA |
Impédance série par conducteur | 0 ohm |
Bande passante cond-cond (100 ohm) (fG ) | 425 MHz |
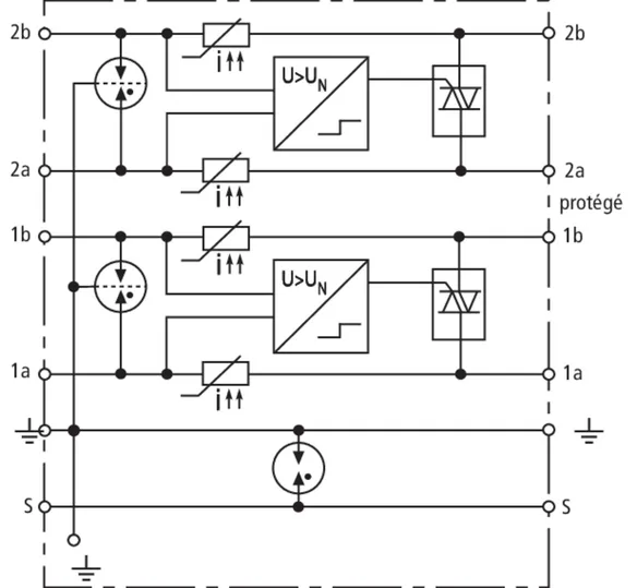
DBX U4 KT BD S 0-180
Parafoudre compact combiné dans un boîtier plastique en saillie avec la technologie actiVsense pour la protection de 2 paires avec une tension du signal identique ou différente, interfaces symétriques avec séparation galvanique, mise à la terre du blindage directe ou indirecte.
1 Produit
Référence de la pièce 922400 DBX U4 KT BD S 0-180
GTIN 4013364137349, Clients tariffs no (UE): 85363010, Poids brut: 251.70 g, Prix unitaire: 1.00 pièce(s)
Caractéristiques techniques
Classe SPD | M |
Tension d’utilisation permanente max DC (UC ) | 180 V |
Modulation d'amplitude de la tension du signal (USignal ) | ≤ +/- 5 V |
Bande passante cond-cond (USignal, symétrique 100 ohm) (fG ) | 50 MHz |
Courant nominal (correspond au courant de court-circuit max.) (IL ) | 100 mA |
D1 Courant de foudre (10/350 µs) total (Iimp ) | 10 kA |
C2 Courant nominal de décharge (8/20 µs) total (In ) | 20 kA |
Impédance série par conducteur | ≤ 9 ohm ; typique 7,9 ohm |
Dimensions (l x l x h) | 93 x 93 x 55 mm |