Les services de votre tableau de bord.
Inscrivez-vous pour accéder à tous les outils.

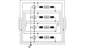
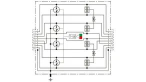
DEHNpatch

  • Protection contre les surtensions pour les infrastructures Ethernet
  • jusqu’à 10 Go/s (jusqu’a la classe EA / 500 MHz)
  • Câble patch avec protection contre les surtensions CAT 6A dans le canal
  • Variante IP66 pour les applications extérieures
  • Conforme à la norme Power over Ethernet IEEE 802.3 (jusqu’à PoE ++ / 4PPoE)
  • Post-équipement possible à tout moment

Détails

Variante pour l’extérieur, indice de protection IP66
lorem ipsum
Une maintenance simple grâce à un système d’indication et de signalisation à distance
lorem ipsum
Kit de montage en tant qu’accessoire pour les solutions « Patch-Rack » 19“
lorem ipsum
Variante « câble patch », complètement blindée (longueur 3m)
lorem ipsum

DPA CLE IP66

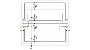
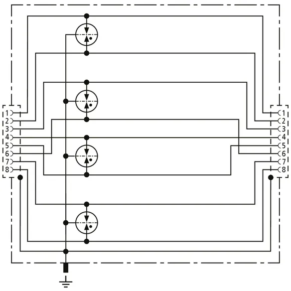
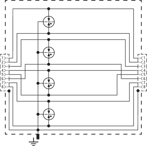
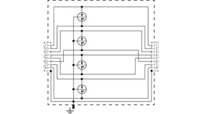
Parafoudre universel pour applications Ethernet GBit, Power over Ethernet (IEEE 802.3 conforme à PoE ++ / 4PPoE) et applications similaires en câblage structuré jusqu'à classe E intérieur et extérieur dans un boîtier IP66 pour la protection contre l'intrusion de poussière et d'eau. Protection de toutes les paires de fils avec des parafoudres à décharge de gaz puissants et une matrice de filtrage adaptée par paire de fils. Solution de protection contre les surtensions entièrement blindée avec prises RJ 45. Support de montage universel pour montage sur poteau ou mural.
Accessoires externes: Sangles de tension pour le montage sur poteau

1 Produit

Référence de la pièce 929221 DPA CLE IP66

GTIN 4013364342866, Clients tariffs no (UE): 85363010, Poids brut: 745.00 g, Prix unitaire: 1.00 pièce(s)


Images

Plus d'informations



produit : DEHN
Type: DPA CLE IP66
Référence: 929221
ou équivalent

Certificats

 

Caractéristiques techniques

Classe SPD T
Tension d’utilisation permanente max DC paire-paire (PoE) (UC ) 60 V
Courant nominal (IL ) 1 A
D1 Courant de foudre (10/350 µs) par conducteur (Iimp ) 0,8 kA
D1 Courant de foudre (10/350 µs) total (Iimp ) 4 kA
C2 Courant nominal de décharge (8/20 µs) total (In ) 10 kA
Bande passante (fG ) 250 MHz
Indice de protection (avec fils connectés) IP 66
Raccordement d'entrée/de sortie prise RJ45/prise RJ45
Certifications UL 497B, CSA

Le produit 929221 a été ajouté au bloc-notes

Le produit 929221 a été ajouté au panier.


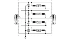
DPA M CAT6

Parafoudre universel pour Industrial Ethernet, Power over Ethernet (conforme IEEE 802.3 à PoE ++ / 4PPoE) et applications similaires dans le câblage structuré Cat 6 et Classe EA jusqu'à 500 MHz. Version entièrement blindée avec câble de raccordement pour montage sur rail DIN (jusqu'à 10 Gbit Ethernet).

1 Produit

Référence de la pièce 929100 DPA M CAT6 RJ45S 48

GTIN 4013364102170, Clients tariffs no (UE): 85363010, Poids brut: 244.00 g, Prix unitaire: 1.00 pièce(s)

Précédent

Images

Plus d'informations



produit : DEHN
Type: DPA M CAT6 RJ45S 48
Référence: 929100
ou équivalent

Certificats

 

Caractéristiques techniques

Classe SPD T
Tension d’utilisation permanente max DC (UC ) 48 V
Tension d’utilisation permanente max DC paire-paire (PoE) (UC ) 57 V
Courant nominal (IL ) 1 A
D1 Courant de foudre (10/350 µs) par conducteur (Iimp ) 1 kA
C2 Courant nominal de décharge (8/20 µs) total (In ) 10 kA
Bande passante (fG ) 250 MHz
Raccordement d'entrée/de sortie câble de raccordement RJ45/câble de raccordement RJ45

Le produit 929100 a été ajouté au bloc-notes

Le produit 929100 a été ajouté au panier.


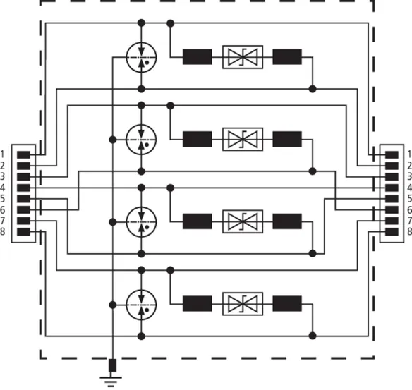
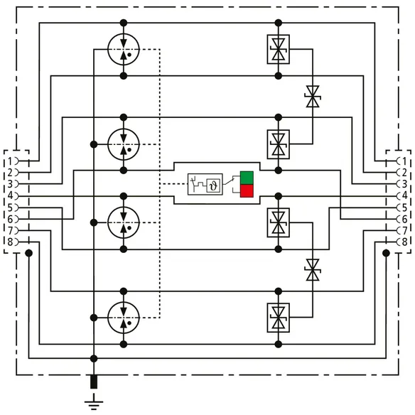
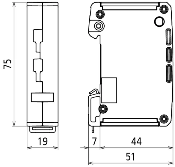
DEHNpatch Classe EA (Nouveau)

Parafoudre universel peu encombrant, largeur 19 mm, technologie de raccordement RJ45, avec indicateur d’état, pour une maintenance facile. Protection pour les applications dans les câblages structurés de classe EA jusqu’à 500 MHz, par ex. Industrial Ethernet, distributeurs de données, systèmes de caméras numériques, Power over Ethernet (IEEE 802.3 conforme jusqu’à 4PPoE) et les interfaces basées sur Ethernet en général. Protection de toutes les paires de conducteurs via un parafoudre à éclateur à gaz performant et des diodes de protection entre les conducteurs de signaux et les paires de conducteurs. Version d’adaptateur blindé avec prises RJ45 pour le montage sur rail DIN. Avec raccord à visser supplémentaire côté boîtier pour une liaison à la terre facultative.

1 Produit

Référence de la pièce 929161 DPA CL8 EA 4PPOE

GTIN 4013364472921, Clients tariffs no (UE): 85363010, Poids brut: 188.70 g, Prix unitaire: 1.00 pièce(s)


Images

Plus d'informations

Parafoudre DEHNpatch CL8 EA 4PPOE
classe EA selon ISO/IEC 11801
pour la protection des interfaces de données contre
les courants de foudre et les surtensions dans
les applications Ethernet jusqu'à 10 GBit et
Power over Ethernet (jusqu'à 4PPoE)
Protection de 4 paires via des prises RJ45
Conception entièrement blindée
Testé selon la norme EN/IEC 61643-21
Classe SPD : type 1/P2
Catégorie d'impulsion : D1, C1, C2, C3, B2
Indication d'état intégrée
Surveillance via une unité de signalisation à distance séparée
Faible encombrement, largeur de 19 mm
Mise à la terre via un rail DIN de 35 mm ou
par un raccord à vis sur le boîtier
Tension de fonctionnement continue maximale : 3,3 V DC
Courant nominal à 70°C : 1.5 A
Fréquence de coupure : 500 MHz
Courant nominal de décharge impulsionnelle C2 par ligne (8/20) : 2,5 kA
C2 courant nominal total de décharge impulsionnelle (8/20) : 10 kA
D1 courant d'impulsion de foudre (10/350 µs) par ligne : 0,5 kA
D1 courant total d'impulsion de foudre (10/350 µs) : 4 kA
Connexion des conducteurs : Prises RJ45

produit : DEHN
Type: DPA CL8 EA 4PPOE
Référence: 929161
ou équivalent

Certificats

 

Caractéristiques techniques

Classe SPD L
Tension d’utilisation permanente max DC (UC ) 3,3 V
Tension d’utilisation permanente max DC paire-paire (PoE) (UC ) 58 V
Courant nominal (IL ) 1,5 A
D1 Courant de foudre (10/350 µs) par conducteur (Iimp ) 0,5 kA
C2 Courant nominal de décharge (8/20 µs) total (In ) 10 kA
Bande passante (fG ) 500 MHz
Raccordement d'entrée/de sortie prise RJ45/prise RJ45
Certifications GHMT, UL 497B

Le produit 929161 a été ajouté au bloc-notes

Le produit 929161 a été ajouté au panier.


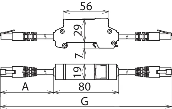
DEHNpatch Classe E

Parafoudre universel sous forme de câble de brassage pour réseaux Ethernet industriel, Power over Ethernet (PoE+ selon IEEE 802.3 et allant jusqu'à 57 V) et pour applications similaires en câblage structuré selon la classe E jusqu'à 250 MHz. Protection pour toutes les paires de conducteurs grâce aux éclateurs à gaz performants et un filtre matrice adapté pour chaque paire. Version totalement blindée avec support pour montage sur rail DIN (1 Gbit Ethernet max.).
Aussi pour les cameras type « Dôme ».

1 Produit

Référence de la pièce 929121 DPA M CLE RJ45B 48

GTIN 4013364118935, Clients tariffs no (UE): 85363010, Poids brut: 122.00 g, Prix unitaire: 1.00 pièce(s)

Précédent

Images

Plus d'informations



produit : DEHN
Type: DPA M CLE RJ45B 48
Référence: 929121
ou équivalent

Certificats

 

Caractéristiques techniques

Classe SPD T
Tension d’utilisation permanente max DC (UC ) 48 V
Tension d’utilisation permanente max DC paire-paire (PoE) (UC ) 57 V
Courant nominal (IL ) 1 A
D1 Courant de foudre (10/350 µs) par conducteur (Iimp ) 0,5 kA
C2 Courant nominal de décharge (8/20 µs) total (In ) 10 kA
Bande passante (fG ) 250 MHz
Raccordement d'entrée/de sortie prise RJ45/prise RJ45
Certifications CSA, UL 497B

Le produit 929121 a été ajouté au bloc-notes

Le produit 929121 a été ajouté au panier.


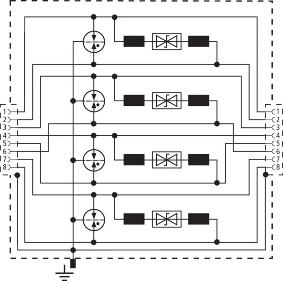
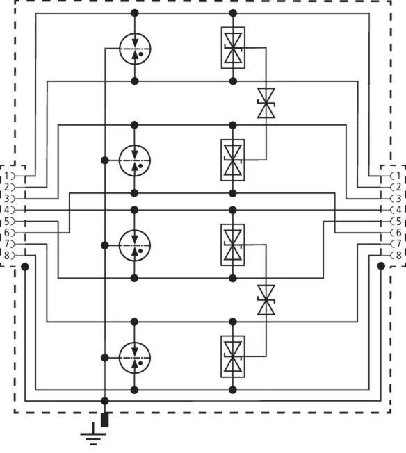
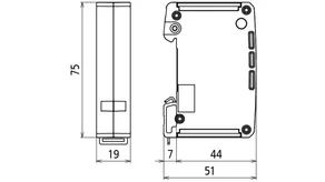
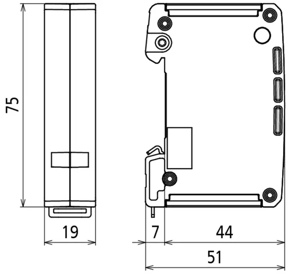
DEHNpatch Classe D (Nouveau)

Parafoudre universel compact d’une largeur de 19 mm avec raccordement RJ45 pour liaison équipotentielle de protection contre la foudre. Protection pour les applications dans les câblages structurés de classe D jusqu’à 100 MHz, par ex. réseaux Ethernet industriels, distributeurs de données, systèmes de caméras numériques, Power over Ethernet (IEEE 802.3 conforme jusqu’à 4PPoE) et toutes les interfaces basées sur le réseau Ethernet en général. Protection de toutes les paires de conducteurs via un parafoudre à éclateur à gaz performant. Version d’adaptateur blindé avec prises RJ45 pour le montage sur rail DIN. Avec raccord à visser supplémentaire côté boîtier pour une liaison à la terre facultative.

1 Produit

Référence de la pièce 929166 DPA C8 D 4PPOE

GTIN 4013364472914, Clients tariffs no (UE): 85363010, Poids brut: 178.25 g, Prix unitaire: 1.00 pièce(s)


Images

Plus d'informations

Protection contre les surtensions DEHNpatch C8 D 4PPOE
Parafoudre compact
de classe de transmission D selon ISO/IEC 11801
pour la protection des interfaces de données contre les courants de foudre
dans les applications Ethernet
jusqu’à 1 Go et Power over Ethernet (jusqu’à 4PPoE)
Protection de 4 paires de conducteurs via prises RJ45
Version entièrement blindée
testée selon EN/IEC 61643-21
Classe de parafoudre type 1
Catégorie d’impulsion : D1, C2, C3
gain d’espace, largeur 19 mm
Mise à la terre via rail DIN 35 mm ou
via raccord à visser côté boîtier
Tension continue maximale : 3,3V DC
Courant nominal à 70°C : 1,5 A
Bande passante : 100 MHz
C2 Courant nominal de décharge par conducteur (8/20) : 2,5 kA
C2 courant nominal de décharge total (8/20) : 10 kA
D1 Courant de foudre (10/350 µs) par conducteur : 0,5 kA
D1 Courant de foudre (10/350 µs) total : 4 kA
Raccordement de ligne : Prises RJ45

produit : DEHN
Type: DPA C8 D 4PPOE
Référence: 929166
ou équivalent

Certificats

 

Caractéristiques techniques

Classe SPD A
Tension d’utilisation permanente max DC (UC ) 3,3 V
Tension d’utilisation permanente max DC paire-paire (PoE) (UC ) 58 V
Courant nominal (IL ) 1,5 A
D1 Courant de foudre (10/350 µs) par conducteur (Iimp ) 0,5 kA
C2 Courant nominal de décharge (8/20 µs) total (In ) 10 kA
Bande passante (fG ) 100 MHz
Raccordement d'entrée/de sortie prise RJ45/prise RJ45
Certifications UL 497B

Le produit 929166 a été ajouté au bloc-notes

Le produit 929166 a été ajouté au panier.


DEHNpatch Classe D

Parafoudre universel pour Industrial Ethernet, Power over Ethernet (conforme IEEE 802.3 à PoE ++ / 4PPoE) et applications similaires dans le câblage de classe D à 100 MHz. Protection de toutes les paires de fils par de puissants tubes à décharge gazeuse. Version adaptateur avec douilles pour montage sur rail DIN.

1 Produit

Référence de la pièce 929126 DPA M CLD RJ45B 48

GTIN 4013364242258, Clients tariffs no (UE): 85363010, Poids brut: 102.00 g, Prix unitaire: 1.00 pièce(s)


Images

Plus d'informations



produit : DEHN
Type: DPA M CLD RJ45B 48
Référence: 929126
ou équivalent

Certificats

 

Caractéristiques techniques

Classe SPD U
Tension d’utilisation permanente max DC (UC ) 48 V
Tension d’utilisation permanente max DC paire-paire (PoE) (UC ) 57 V
Courant nominal (IL ) 1 A
D1 Courant de foudre (10/350 µs) par conducteur (Iimp ) 0,5 kA
C2 Courant nominal de décharge (8/20 µs) total (In ) 10 kA
Bande passante (fG ) 100 MHz
Raccordement d'entrée/de sortie prise RJ45/prise RJ45
Certifications UL 497B

Le produit 929126 a été ajouté au bloc-notes

Le produit 929126 a été ajouté au panier.


back to top