Les services de votre tableau de bord.
Inscrivez-vous pour accéder à tous les outils.

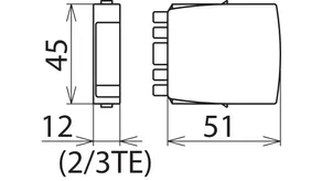
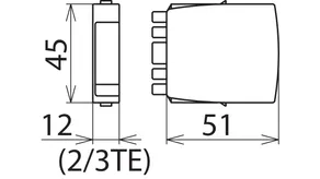
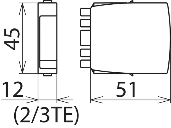
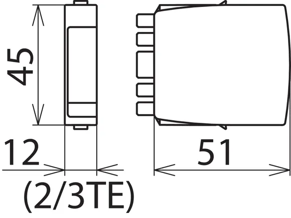
BLITZDUCTOR XT - modules de protection

Parafoudre combiné
  • Capacité d'écoulement élevée pour interfaces à deux, trois ou quatre conducteurs
  • Tenue au courant de foudre jusqu'à 10 kA (10/350 µs)
  • Bas niveau de protection, approprié également pour la protection des appareils terminaux
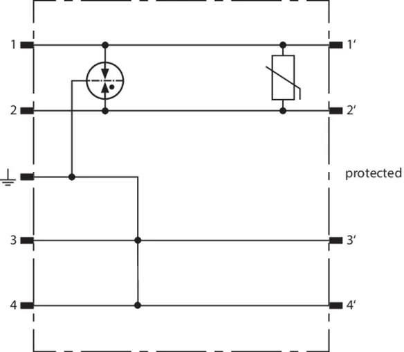
Avec fonction de surveillance LifeCheck intégrée
  • Permet de tester le module de protection en fonctionnement
  • Détection préventive de fin de vie
  • Continuité de signaux élevée grâce au remplacement préventif des modules de protection
Design fonctionnel et élégant
  • Testé contre les vibrations et chocs pour garantir un fonctionnement fiable
  • Tous les composants de protection sont intégrés dans le module de protection
  • Deux embases universelles, en option avec ou sans interruption du signal

Détails

Tous les éléments de protection sont intégrés dans le module débrochable et surveillés par la fonction LifeCheck.
lorem ipsum
Borne à ressort EMV (accessoire) pour assurer le contact permanent et à basse impédance du blindage.
lorem ipsum
Verrouillage des modules résistant aux vibrations et avec protection mécanique contre l'inversion de polarité.
lorem ipsum
Construction en deux parties avec embase universelle et module de protection adapté à chaque application.
lorem ipsum

BXT ML4 B 180

Parafoudre coordonné de type 1 à quatre conducteurs et à encombrement réduit avec technologie RFID-LifeCheck pour l'utilisation dans presque toutes les applications. À utiliser en combinaison avec un parafoudre Q ou avec un parafoudre combiné ayant une tension égale ou inférieure. La technologie LifeCheck détecte des surcharges électriques ou thermiques nécessitant le remplacement préventif des modules de protection. Sans contact, l’état LifeCheck est lu à l'aide du testeur DEHNrecord LC M1+, LC M3+, SCM et MCM.

1 Produit

Référence de la pièce 920310 BXT ML4 B 180

GTIN 4013364109124, Clients tariffs no (UE): 85363010, Poids brut: 31.60 g, Prix unitaire: 1.00 pièce(s)

Précédent

Images

Plus d'informations


Tension d’utilisation permanente max DC: 180 V
Courant nominal à 45 °C: 1,2 A
D1 Courant de foudre (10/350 µs) total: 10 kA
D1 Courant de foudre (10/350 µs) par conducteur: 2,5 kA

produit : DEHN
Type: BXT ML4 B 180
Référence: 920310
ou équivalent

Certificats

 

Caractéristiques techniques

Classe SPD H
Tension d’utilisation permanente max DC (UC ) 180 V
Courant nominal à 45 °C (IL ) 1,2 A
D1 Courant de foudre (10/350 µs) total (Iimp ) 10 kA
C2 Courant nominal de décharge (8/20 µs) total (In ) 20 kA
Impédance série par conducteur 0,4 ohm
Certifications CSA, ATEX, IECEx, CSA & USA Hazloc, SIL
*) Information détaillée : http://www.dehn.fr/sil/


Le produit 920310 a été ajouté au bloc-notes

Le produit 920310 a été ajouté au panier.


BXT ML4 BE 5 – BE 180

Parafoudre combiné à encombrement réduit avec technologie RFID-LifeCheck pour la protection de 4 conducteurs séparés avec référence de potentiel commun ou bien pour la protection d'interfaces asymétriques. La technologie LifeCheck détecte des surcharges électriques ou thermiques nécessitant le remplacement préventif des modules de protection. Sans contact, l’état LifeCheck est lu à l'aide du testeur DEHNrecord LC M1+, LC M3+, SCM et MCM.

7 Produits

Référence de la pièce 920320 BXT ML4 BE 5

GTIN 4013364109032, Clients tariffs no (UE): 85363010, Poids brut: 31.00 g, Prix unitaire: 1.00 pièce(s)

Précédent

Images

Plus d'informations


Tension d’utilisation permanente max DC: 6 V
Courant nominal à 45 °C: 1,0 A
D1 Courant de foudre (10/350 µs) total: 10 kA
D1 Courant de foudre (10/350 µs) par conducteur: 2,5 kA

produit : DEHN
Type: BXT ML4 BE 5
Référence: 920320
ou équivalent

Certificats

 

Caractéristiques techniques

Classe SPD M
Tension d’utilisation permanente max DC (UC ) 6 V
Courant nominal à 45 °C (IL ) 1,0 A
D1 Courant de foudre (10/350 µs) total (Iimp ) 10 kA
C2 Courant nominal de décharge (8/20 µs) total (In ) 20 kA
Impédance série par conducteur 1,0 ohm
Bande passante cond-terre (fG ) 1,0 MHz
Certifications CSA, UL 497B, ATEX, IECEx, CSA & USA Hazloc, SIL
*) Information détaillée : http://www.dehn.fr/sil/


Le produit 920320 a été ajouté au bloc-notes

Le produit 920320 a été ajouté au panier.

Référence de la pièce 920322 BXT ML4 BE 12

GTIN 4013364109049, Clients tariffs no (UE): 85363010, Poids brut: 30.70 g, Prix unitaire: 1.00 pièce(s)

Précédent

Images

Plus d'informations


Tension d’utilisation permanente max DC: 15 V
Courant nominal à 45 °C: 0,75 A
D1 Courant de foudre (10/350 µs) total: 10 kA
D1 Courant de foudre (10/350 µs) par conducteur: 2,5 kA

produit : DEHN
Type: BXT ML4 BE 12
Référence: 920322
ou équivalent

Certificats

 

Caractéristiques techniques

Classe SPD M
Tension d’utilisation permanente max DC (UC ) 15 V
Courant nominal à 45 °C (IL ) 0,75 A
D1 Courant de foudre (10/350 µs) total (Iimp ) 10 kA
C2 Courant nominal de décharge (8/20 µs) total (In ) 20 kA
Impédance série par conducteur 1,8 ohm
Bande passante cond-terre (fG ) 2,7 MHz
Certifications CSA, UL 497B, ATEX, IECEx, CSA & USA Hazloc, SIL
*) Information détaillée : http://www.dehn.fr/sil/


Le produit 920322 a été ajouté au bloc-notes

Le produit 920322 a été ajouté au panier.

Référence de la pièce 920324 BXT ML4 BE 24

GTIN 4013364109056, Clients tariffs no (UE): 85363010, Poids brut: 45.00 g, Prix unitaire: 1.00 pièce(s)

Précédent

Images

Plus d'informations


Tension d’utilisation permanente max DC: 33 V
Courant nominal à 45 °C: 0,75 A
D1 Courant de foudre (10/350 µs) total: 10 kA
D1 Courant de foudre (10/350 µs) par conducteur: 2,5 kA

produit : DEHN
Type: BXT ML4 BE 24
Référence: 920324
ou équivalent

Certificats

 

Caractéristiques techniques

Classe SPD M
Tension d’utilisation permanente max DC (UC ) 33 V
Courant nominal à 45 °C (IL ) 0,75 A
D1 Courant de foudre (10/350 µs) total (Iimp ) 10 kA
C2 Courant nominal de décharge (8/20 µs) total (In ) 20 kA
Impédance série par conducteur 1,8 ohm
Bande passante cond-terre (fG ) 6,8 MHz
Certifications CSA, UL 497B, ATEX, IECEx, CCC, CSA & USA Hazloc, SIL
*) Information détaillée : http://www.dehn.fr/sil/


Le produit 920324 a été ajouté au bloc-notes

Le produit 920324 a été ajouté au panier.

Référence de la pièce 920336 BXT ML4 BE 36

GTIN 4013364118539, Clients tariffs no (UE): 85363010, Poids brut: 47.50 g, Prix unitaire: 1.00 pièce(s)


Images

Plus d'informations


Tension d’utilisation permanente max DC: 45 V
Courant nominal à 45 °C: 1,8 A
D1 Courant de foudre (10/350 µs) total: 10 kA
D1 Courant de foudre (10/350 µs) par conducteur: 2,5 kA

produit : DEHN
Type: BXT ML4 BE 36
Référence: 920336
ou équivalent

Certificats

 

Caractéristiques techniques

Classe SPD M
Tension d’utilisation permanente max DC (UC ) 45 V
Courant nominal à 45 °C (IL ) 1,8 A
D1 Courant de foudre (10/350 µs) total (Iimp ) 10 kA
C2 Courant nominal de décharge (8/20 µs) total (In ) 20 kA
Impédance série par conducteur 0,43 ohm
Bande passante cond-terre (fG ) 3,8 MHz
Certifications UL 497B, ATEX, IECEx, CSA & USA Hazloc, SIL
*) Information détaillée : http://www.dehn.fr/sil/


Le produit 920336 a été ajouté au bloc-notes

Le produit 920336 a été ajouté au panier.

Référence de la pièce 920325 BXT ML4 BE 48

GTIN 4013364109063, Clients tariffs no (UE): 85363010, Poids brut: 31.20 g, Prix unitaire: 1.00 pièce(s)

Précédent

Images

Plus d'informations


Tension d’utilisation permanente max DC: 54 V
Courant nominal à 45 °C: 0,75 A
D1 Courant de foudre (10/350 µs) total: 10 kA
D1 Courant de foudre (10/350 µs) par conducteur: 2,5 kA

produit : DEHN
Type: BXT ML4 BE 48
Référence: 920325
ou équivalent

Certificats

 

Caractéristiques techniques

Classe SPD M
Tension d’utilisation permanente max DC (UC ) 54 V
Courant nominal à 45 °C (IL ) 0,75 A
D1 Courant de foudre (10/350 µs) total (Iimp ) 10 kA
C2 Courant nominal de décharge (8/20 µs) total (In ) 20 kA
Impédance série par conducteur 1,8 ohm
Bande passante cond-terre (fG ) 8,7 MHz
Certifications CSA, UL 497B, ATEX, IECEx, CSA & USA Hazloc, SIL
*) Information détaillée : http://www.dehn.fr/sil/


Le produit 920325 a été ajouté au bloc-notes

Le produit 920325 a été ajouté au panier.

Référence de la pièce 920326 BXT ML4 BE 60

GTIN 4013364109070, Clients tariffs no (UE): 85363010, Poids brut: 31.00 g, Prix unitaire: 1.00 pièce(s)

Précédent

Images

Plus d'informations


Tension d’utilisation permanente max DC: 70 V
Courant nominal à 45 °C: 1,0 A
D1 Courant de foudre (10/350 µs) total: 10 kA
D1 Courant de foudre (10/350 µs) par conducteur: 2,5 kA

produit : DEHN
Type: BXT ML4 BE 60
Référence: 920326
ou équivalent

Certificats

 

Caractéristiques techniques

Classe SPD M
Tension d’utilisation permanente max DC (UC ) 70 V
Courant nominal à 45 °C (IL ) 1,0 A
D1 Courant de foudre (10/350 µs) total (Iimp ) 10 kA
C2 Courant nominal de décharge (8/20 µs) total (In ) 20 kA
Impédance série par conducteur 1,0 ohm
Bande passante cond-terre (fG ) 9,0 MHz
Certifications CSA, UL 497B, ATEX, IECEx, CSA & USA Hazloc, SIL
*) Information détaillée : http://www.dehn.fr/sil/


Le produit 920326 a été ajouté au bloc-notes

Le produit 920326 a été ajouté au panier.

Référence de la pièce 920327 BXT ML4 BE 180

GTIN 4013364109087, Clients tariffs no (UE): 85363010, Poids brut: 31.30 g, Prix unitaire: 1.00 pièce(s)

Précédent

Images

Plus d'informations


Tension d’utilisation permanente max DC: 180 V
Courant nominal à 45 °C: 1,0 A
D1 Courant de foudre (10/350 µs) total: 10 kA
D1 Courant de foudre (10/350 µs) par conducteur: 2,5 kA

produit : DEHN
Type: BXT ML4 BE 180
Référence: 920327
ou équivalent

Certificats

 

Caractéristiques techniques

Classe SPD L
Tension d’utilisation permanente max DC (UC ) 180 V
Courant nominal à 45 °C (IL ) 1,0 A
D1 Courant de foudre (10/350 µs) total (Iimp ) 10 kA
C2 Courant nominal de décharge (8/20 µs) total (In ) 20 kA
Impédance série par conducteur 1,0 ohm
Bande passante cond-terre (fG ) 25,0 MHz
Certifications CSA, UL 497B, ATEX, IECEx, CSA & USA Hazloc, SIL
*) Information détaillée : http://www.dehn.fr/sil/


Le produit 920327 a été ajouté au bloc-notes

Le produit 920327 a été ajouté au panier.


BXT ML4 BD 5 – BD 180

Parafoudre combiné à encombrement réduit avec technologie RFID-LifeCheck pour la protection d'interfaces symétriques sans potentiel de terre à 2 paires. La technologie LifeCheck détecte des surcharges électriques ou thermiques nécessitant le remplacement préventif des modules de protection. Sans contact, l’état LifeCheck est lu à l'aide du testeur DEHNrecord LC M1+, LC M3+, SCM et MCM.

6 Produits

Référence de la pièce 920340 BXT ML4 BD 5

GTIN 4013364108967, Clients tariffs no (UE): 85363010, Poids brut: 30.10 g, Prix unitaire: 1.00 pièce(s)

Précédent

Images

Plus d'informations


Tension d’utilisation permanente max DC: 6,0 V
Courant nominal à 45 °C: 1,0 A
D1 Courant de foudre (10/350 µs) total: 10 kA
D1 Courant de foudre (10/350 µs) par conducteur: 2,5 kA

produit : DEHN
Type: BXT ML4 BD 5
Référence: 920340
ou équivalent

Certificats

 

Caractéristiques techniques

Classe SPD M
Tension d’utilisation permanente max DC (UC ) 6,0 V
Courant nominal à 45 °C (IL ) 1,0 A
D1 Courant de foudre (10/350 µs) total (Iimp ) 10 kA
C2 Courant nominal de décharge (8/20 µs) total (In ) 20 kA
Impédance série par conducteur 1,0 ohm
Bande passante cond-cond (fG ) 1,0 MHz
Certifications CSA, UL 497B, ATEX, IECEx, CSA & USA Hazloc, SIL
*) Information détaillée : http://www.dehn.fr/sil/


Le produit 920340 a été ajouté au bloc-notes

Le produit 920340 a été ajouté au panier.

Référence de la pièce 920342 BXT ML4 BD 12

GTIN 4013364108974, Clients tariffs no (UE): 85363010, Poids brut: 30.30 g, Prix unitaire: 1.00 pièce(s)

Précédent

Images

Plus d'informations


Tension d’utilisation permanente max DC: 15 V
Courant nominal à 45 °C: 1,0 A
D1 Courant de foudre (10/350 µs) total: 10 kA
D1 Courant de foudre (10/350 µs) par conducteur: 2,5 kA

produit : DEHN
Type: BXT ML4 BD 12
Référence: 920342
ou équivalent

Certificats

 

Caractéristiques techniques

Classe SPD M
Tension d’utilisation permanente max DC (UC ) 15 V
Courant nominal à 45 °C (IL ) 1,0 A
D1 Courant de foudre (10/350 µs) total (Iimp ) 10 kA
C2 Courant nominal de décharge (8/20 µs) total (In ) 20 kA
Impédance série par conducteur 1,0 ohm
Bande passante cond-cond (fG ) 2,8 MHz
Certifications CSA, UL 497B, ATEX, IECEx, CSA & USA Hazloc, SIL
*) Information détaillée : http://www.dehn.fr/sil/


Le produit 920342 a été ajouté au bloc-notes

Le produit 920342 a été ajouté au panier.

Référence de la pièce 920344 BXT ML4 BD 24

GTIN 4013364108981, Clients tariffs no (UE): 85363010, Poids brut: 45.30 g, Prix unitaire: 1.00 pièce(s)

Précédent

Images

Plus d'informations


Tension d’utilisation permanente max DC: 33 V
Courant nominal à 45 °C: 1,0 A
D1 Courant de foudre (10/350 µs) total: 10 kA
D1 Courant de foudre (10/350 µs) par conducteur: 2,5 kA

produit : DEHN
Type: BXT ML4 BD 24
Référence: 920344
ou équivalent

Certificats

 

Caractéristiques techniques

Classe SPD M
Tension d’utilisation permanente max DC (UC ) 33 V
Courant nominal à 45 °C (IL ) 1,0 A
D1 Courant de foudre (10/350 µs) total (Iimp ) 10 kA
C2 Courant nominal de décharge (8/20 µs) total (In ) 20 kA
Impédance série par conducteur 1,0 ohm
Bande passante cond-cond (fG ) 7,8 MHz
Certifications CSA, UL 497B, ATEX, IECEx, CCC, CSA & USA Hazloc, SIL
*) Information détaillée : http://www.dehn.fr/sil/


Le produit 920344 a été ajouté au bloc-notes

Le produit 920344 a été ajouté au panier.

Référence de la pièce 920345 BXT ML4 BD 48

GTIN 4013364108998, Clients tariffs no (UE): 85363010, Poids brut: 30.50 g, Prix unitaire: 1.00 pièce(s)

Précédent

Images

Plus d'informations


Tension d’utilisation permanente max DC: 54 V
Courant nominal à 45 °C: 1,0 A
D1 Courant de foudre (10/350 µs) total: 10 kA
D1 Courant de foudre (10/350 µs) par conducteur: 2,5 kA

produit : DEHN
Type: BXT ML4 BD 48
Référence: 920345
ou équivalent

Certificats

 

Caractéristiques techniques

Classe SPD M
Tension d’utilisation permanente max DC (UC ) 54 V
Courant nominal à 45 °C (IL ) 1,0 A
D1 Courant de foudre (10/350 µs) total (Iimp ) 10 kA
C2 Courant nominal de décharge (8/20 µs) total (In ) 20 kA
Impédance série par conducteur 1,0 ohm
Bande passante cond-cond (fG ) 8,7 MHz
Certifications CSA, UL 497B, ATEX, IECEx, CSA & USA Hazloc, SIL
*) Information détaillée : http://www.dehn.fr/sil/


Le produit 920345 a été ajouté au bloc-notes

Le produit 920345 a été ajouté au panier.

Référence de la pièce 920346 BXT ML4 BD 60

GTIN 4013364109001, Clients tariffs no (UE): 85363010, Poids brut: 30.70 g, Prix unitaire: 1.00 pièce(s)

Précédent

Images

Plus d'informations


Tension d’utilisation permanente max DC: 70 V
Courant nominal à 45 °C: 1,0 A
D1 Courant de foudre (10/350 µs) total: 10 kA
D1 Courant de foudre (10/350 µs) par conducteur: 2,5 kA

produit : DEHN
Type: BXT ML4 BD 60
Référence: 920346
ou équivalent

Certificats

 

Caractéristiques techniques

Classe SPD M
Tension d’utilisation permanente max DC (UC ) 70 V
Courant nominal à 45 °C (IL ) 1,0 A
D1 Courant de foudre (10/350 µs) total (Iimp ) 10 kA
C2 Courant nominal de décharge (8/20 µs) total (In ) 20 kA
Impédance série par conducteur 1,0 ohm
Bande passante cond-cond (fG ) 11,0 MHz
Certifications CSA, UL 497B, ATEX, IECEx, CSA & USA Hazloc, SIL
*) Information détaillée : http://www.dehn.fr/sil/


Le produit 920346 a été ajouté au bloc-notes

Le produit 920346 a été ajouté au panier.

Référence de la pièce 920347 BXT ML4 BD 180

GTIN 4013364109018, Clients tariffs no (UE): 85363010, Poids brut: 30.50 g, Prix unitaire: 1.00 pièce(s)

Précédent

Images

Plus d'informations


Tension d’utilisation permanente max DC: 180 V
Courant nominal à 45 °C: 0,75 A
D1 Courant de foudre (10/350 µs) total: 10 kA
D1 Courant de foudre (10/350 µs) par conducteur: 2,5 kA

produit : DEHN
Type: BXT ML4 BD 180
Référence: 920347
ou équivalent

Certificats

 

Caractéristiques techniques

Classe SPD L
Tension d’utilisation permanente max DC (UC ) 180 V
Courant nominal à 45 °C (IL ) 0,75 A
D1 Courant de foudre (10/350 µs) total (Iimp ) 10 kA
C2 Courant nominal de décharge (8/20 µs) total (In ) 20 kA
Impédance série par conducteur 1,8 ohm
Bande passante cond-cond (fG ) 25,0 MHz
Certifications CSA, UL 497B, ATEX, IECEx, CSA & USA Hazloc, SIL
*) Information détaillée : http://www.dehn.fr/sil/


Le produit 920347 a été ajouté au bloc-notes

Le produit 920347 a été ajouté au panier.


BXT ML4 BPD 24

Parafoudre combiné à encombrement réduit avec technologie RFID-LifeCheck pour la protection de 2 paires dans des systèmes DC 24 V. Utilisation possible dans le cas d'un pôle négatif rélié à la terre. Les résistances CTP intégrées permettent de remettre à zéro le parafoudre après des perturbations et des courants de court-circuit allant jusqu'à 40 A survenus dans le circuit de l'installation.

1 Produit

Référence de la pièce 920314 BXT ML4 BPD 24

GTIN 4013364261396, Clients tariffs no (UE): 85363010, Poids brut: 39.66 g, Prix unitaire: 1.00 pièce(s)


Images

Plus d'informations


Tension d’utilisation permanente max DC: 33 V
Courant nominal à 70 °C: 0,1 A
D1 Courant de foudre (10/350 µs) total: 10 kA
D1 Courant de foudre (10/350 µs) par conducteur: 2,5 kA

produit : DEHN
Type: BXT ML4 BPD 24
Référence: 920314
ou équivalent

Certificats

 

Caractéristiques techniques

Classe SPD M
Tension d’utilisation permanente max DC (UC ) 33 V
Courant nominal à 70 °C (IL ) 0,1 A
D1 Courant de foudre (10/350 µs) total (Iimp ) 10 kA
C2 Courant nominal de décharge (8/20 µs) total (In ) 20 kA
Impédance série par conducteur typ. 10 ohm
Bande passante cond-cond (fG ) 4 MHz
Certifications SIL

Le produit 920314 a été ajouté au bloc-notes

Le produit 920314 a été ajouté au panier.


BXT ML4 BC 5 / 24

Parafoudre combiné à encombrement réduit avec technologie RFID-LifeCheck pour la protection de 4 conducteurs séparés sans potentiel du sol avec référence de potentiel commun. La technologie LifeCheck détecte des surcharges électriques ou thermiques nécessitant le remplacement préventif des modules de protection. Sans contact, l’état LifeCheck est lu à l'aide du testeur DEHNrecord LC M1+, LC M3+, SCM et MCM.

2 Produits

Référence de la pièce 920350 BXT ML4 BC 5

GTIN 4013364109131, Clients tariffs no (UE): 85363010, Poids brut: 30.60 g, Prix unitaire: 1.00 pièce(s)


Images

Plus d'informations


Tension d’utilisation permanente max DC: 6,0 V
Courant nominal à 45 °C: 1,0 A
D1 Courant de foudre (10/350 µs) total: 10 kA
D1 Courant de foudre (10/350 µs) par conducteur: 2,5 kA

produit : DEHN
Type: BXT ML4 BC 5
Référence: 920350
ou équivalent

Certificats

 

Caractéristiques techniques

Classe SPD M
Tension d’utilisation permanente max DC (UC ) 6,0 V
Courant nominal à 45 °C (IL ) 1,0 A
D1 Courant de foudre (10/350 µs) total (Iimp ) 10 kA
C2 Courant nominal de décharge (8/20 µs) total (In ) 20 kA
Impédance série par conducteur 1,0 ohm
Bande passante cond-cond (fG ) 1,0 MHz
Certifications CSA, ATEX, IECEx, CSA & USA Hazloc, SIL
*) Information détaillée : http://www.dehn.fr/sil/


Le produit 920350 a été ajouté au bloc-notes

Le produit 920350 a été ajouté au panier.

Référence de la pièce 920354 BXT ML4 BC 24

GTIN 4013364109148, Clients tariffs no (UE): 85363010, Poids brut: 30.90 g, Prix unitaire: 1.00 pièce(s)


Images

Plus d'informations


Tension d’utilisation permanente max DC: 33 V
Courant nominal à 45 °C: 0,75 A
D1 Courant de foudre (10/350 µs) total: 10 kA
D1 Courant de foudre (10/350 µs) par conducteur: 2,5 kA

produit : DEHN
Type: BXT ML4 BC 24
Référence: 920354
ou équivalent

Certificats

 

Caractéristiques techniques

Classe SPD M
Tension d’utilisation permanente max DC (UC ) 33 V
Courant nominal à 45 °C (IL ) 0,75 A
D1 Courant de foudre (10/350 µs) total (Iimp ) 10 kA
C2 Courant nominal de décharge (8/20 µs) total (In ) 20 kA
Impédance série par conducteur 1,8 ohm
Bande passante cond-cond (fG ) 5,7 MHz
Certifications CSA, ATEX, IECEx, CSA & USA Hazloc, SIL
*) Information détaillée : http://www.dehn.fr/sil/


Le produit 920354 a été ajouté au bloc-notes

Le produit 920354 a été ajouté au panier.


BXT ML4 BE C 12 / 24

Parafoudre combiné à encombrement réduit avec technologie RFID-LifeCheck pour la protection de 2 paires d'une interface symétrique avec diodes de protection en entrée, boucles de courant (TTY) et entrées à optocoupleurs. La technologie LifeCheck détecte des surcharges électriques ou thermiques nécessitant le remplacement préventif des modules de protection. Sans contact, l’état LifeCheck est lu à l'aide du testeur DEHNrecord LC M1+, LC M3+, SCM et MCM.

2 Produits

Référence de la pièce 920362 BXT ML4 BE C 12

GTIN 4013364120587, Clients tariffs no (UE): 85363010, Poids brut: 31.20 g, Prix unitaire: 1.00 pièce(s)

Précédent

Images

Plus d'informations


Tension d’utilisation permanente max DC: 15 V
Courant nominal à 80 °C: 0,1 A
D1 Courant de foudre (10/350 µs) total: 10 kA
D1 Courant de foudre (10/350 µs) par conducteur: 2,5 kA

produit : DEHN
Type: BXT ML4 BE C 12
Référence: 920362
ou équivalent

Certificats

 

Caractéristiques techniques

Classe SPD M
Tension d’utilisation permanente max DC (UC ) 15 V
Courant nominal à 80 °C (IL ) 0,1 A
D1 Courant de foudre (10/350 µs) total (Iimp ) 10 kA
C2 Courant nominal de décharge (8/20 µs) total (In ) 20 kA
Impédance série par conducteur 13,8 ohm
Bande passante cond-terre (fG ) 0,85 MHz
Certifications ATEX, IECEx, CSA & USA Hazloc, SIL
*) Information détaillée : http://www.dehn.fr/sil/


Le produit 920362 a été ajouté au bloc-notes

Le produit 920362 a été ajouté au panier.

Référence de la pièce 920364 BXT ML4 BE C 24

GTIN 4013364109155, Clients tariffs no (UE): 85363010, Poids brut: 31.70 g, Prix unitaire: 1.00 pièce(s)

Précédent

Images

Plus d'informations


Tension d’utilisation permanente max DC: 33 V
Courant nominal à 80 °C: 0,1 A
D1 Courant de foudre (10/350 µs) total: 10 kA
D1 Courant de foudre (10/350 µs) par conducteur: 2,5 kA

produit : DEHN
Type: BXT ML4 BE C 24
Référence: 920364
ou équivalent

Certificats

 

Caractéristiques techniques

Classe SPD M
Tension d’utilisation permanente max DC (UC ) 33 V
Courant nominal à 80 °C (IL ) 0,1 A
D1 Courant de foudre (10/350 µs) total (Iimp ) 10 kA
C2 Courant nominal de décharge (8/20 µs) total (In ) 20 kA
Impédance série par conducteur 28,8 ohm
Bande passante cond-terre (fG ) 1,7 MHz
Certifications CSA, ATEX, IECEx, CSA & USA Hazloc, SIL
*) Information détaillée : http://www.dehn.fr/sil/


Le produit 920364 a été ajouté au bloc-notes

Le produit 920364 a été ajouté au panier.


BXT ML4 BE HF 5

Parafoudre combiné à encombrement réduit avec technologie RFID-LifeCheck pour la protection de 4 conducteurs séparés avec référence de potentiel commun et transmission haute fréquence sans séparation galvanique. La technologie LifeCheck détecte des surcharges électriques ou thermiques nécessitant le remplacement préventif des modules de protection. Sans contact, l’état LifeCheck est lu à l'aide du testeur DEHNrecord LC M1+, LC M3+, SCM et MCM.

1 Produit

Référence de la pièce 920370 BXT ML4 BE HF 5

GTIN 4013364109117, Clients tariffs no (UE): 85363010, Poids brut: 31.00 g, Prix unitaire: 1.00 pièce(s)

Précédent

Images

Plus d'informations


Tension d’utilisation permanente max DC: 6,0 V
Courant nominal à 45 °C: 1,0 A
D1 Courant de foudre (10/350 µs) total: 10 kA
D1 Courant de foudre (10/350 µs) par conducteur: 2,5 kA

produit : DEHN
Type: BXT ML4 BE HF 5
Référence: 920370
ou équivalent

Certificats

 

Caractéristiques techniques

Classe SPD M
Tension d’utilisation permanente max DC (UC ) 6,0 V
Courant nominal à 45 °C (IL ) 1,0 A
D1 Courant de foudre (10/350 µs) total (Iimp ) 10 kA
C2 Courant nominal de décharge (8/20 µs) total (In ) 20 kA
Impédance série par conducteur 1,0 ohm
Bande passante cond-terre (fG ) 100,0 MHz
Certifications CSA, UL 497B, ATEX, IECEx, CCC, CSA & USA Hazloc, SIL
*) Information détaillée : http://www.dehn.fr/sil/


Le produit 920370 a été ajouté au bloc-notes

Le produit 920370 a été ajouté au panier.


BXT ML4 BD HF 5 / 24

Parafoudre combiné à encombrement réduit avec technologie RFID-LifeCheck pour la protection de 2 paires de systèmes de bus haute fréquence ou de transmissions vidéo. La technologie LifeCheck détecte des surcharges électriques ou thermiques nécessitant le remplacement préventif des modules de protection. Sans contact, l’état LifeCheck est lu à l'aide du testeur DEHNrecord LC M1+, LC M3+, SCM et MCM.

2 Produits

Référence de la pièce 920371 BXT ML4 BD HF 5

GTIN 4013364109094, Clients tariffs no (UE): 85363010, Poids brut: 30.80 g, Prix unitaire: 1.00 pièce(s)

Précédent

Images

Plus d'informations


Tension d’utilisation permanente max DC: 6,0 V
Courant nominal à 45 °C: 1,0 A
D1 Courant de foudre (10/350 µs) total: 10 kA
D1 Courant de foudre (10/350 µs) par conducteur: 2,5 kA

produit : DEHN
Type: BXT ML4 BD HF 5
Référence: 920371
ou équivalent

Certificats

 

Caractéristiques techniques

Classe SPD M
Tension d’utilisation permanente max DC (UC ) 6,0 V
Courant nominal à 45 °C (IL ) 1,0 A
D1 Courant de foudre (10/350 µs) total (Iimp ) 10 kA
C2 Courant nominal de décharge (8/20 µs) total (In ) 20 kA
Impédance série par conducteur 1,0 ohm
Bande passante cond-cond (fG ) 100,0 MHz
Certifications CSA, UL 497B, ATEX, IECEx, CCC, CSA & USA Hazloc, SIL
*) Information détaillée : http://www.dehn.fr/sil/


Le produit 920371 a été ajouté au bloc-notes

Le produit 920371 a été ajouté au panier.

Référence de la pièce 920375 BXT ML4 BD HF 24

GTIN 4013364109100, Clients tariffs no (UE): 85363010, Poids brut: 31.00 g, Prix unitaire: 1.00 pièce(s)

Précédent

Images

Plus d'informations


Tension d’utilisation permanente max DC: 33 V
Courant nominal à 45 °C: 1,0 A
D1 Courant de foudre (10/350 µs) total: 10 kA
D1 Courant de foudre (10/350 µs) par conducteur: 2,5 kA

produit : DEHN
Type: BXT ML4 BD HF 24
Référence: 920375
ou équivalent

Certificats

 

Caractéristiques techniques

Classe SPD M
Tension d’utilisation permanente max DC (UC ) 33 V
Courant nominal à 45 °C (IL ) 1,0 A
D1 Courant de foudre (10/350 µs) total (Iimp ) 10 kA
C2 Courant nominal de décharge (8/20 µs) total (In ) 20 kA
Impédance série par conducteur 1,0 ohm
Bande passante cond-cond (fG ) 100,0 MHz
Certifications CSA, UL 497B, ATEX, IECEx, CSA & USA Hazloc, SIL
*) Information détaillée : http://www.dehn.fr/sil/


Le produit 920375 a été ajouté au bloc-notes

Le produit 920375 a été ajouté au panier.


BXT ML4 MY 110 / 250

Parafoudre à encombrement réduit avec technologie RFID-LifeCheck pour la protection de 4 conducteurs d'interfaces de signaux multiconducteurs. La technologie LifeCheck détecte des surcharges électriques ou thermiques nécessitant le remplacement préventif des modules de protection. Sans contact, l’état LifeCheck est lu à l'aide du testeur DEHNrecord LC M1+, LC M3+, SCM et MCM.

2 Produits

Référence de la pièce 920388 BXT ML4 MY 110

GTIN 4013364137370, Clients tariffs no (UE): 85363010, Poids brut: 34.70 g, Prix unitaire: 1.00 pièce(s)


Images

Plus d'informations


Courant nominal à 80 °C: 3,0 A

produit : DEHN
Type: BXT ML4 MY 110
Référence: 920388
ou équivalent

Certificats

 

Caractéristiques techniques

Classe SPD U
Tension d’utilisation permanente max DC cond-cond (UC ) 170 V
Tension d’utilisation permanente max DC cond-terre (UC ) 85 V
Courant nominal à 80 °C (IL ) 3,0 A
C2 Courant nominal de décharge (8/20 µs) total (In ) 10 kA
Bande passante cond-cond (fG ) 4,5 MHz
Certifications SIL
*) Information détaillée : http://www.dehn.fr/sil/


Le produit 920388 a été ajouté au bloc-notes

Le produit 920388 a été ajouté au panier.

Référence de la pièce 920389 BXT ML4 MY 250

GTIN 4013364118447, Clients tariffs no (UE): 85363010, Poids brut: 36.70 g, Prix unitaire: 1.00 pièce(s)

Précédent

Images

Plus d'informations


Courant nominal à 80 °C: 3,0 A

produit : DEHN
Type: BXT ML4 MY 250
Référence: 920389
ou équivalent

Certificats

 

Caractéristiques techniques

Classe SPD V
Tension d’utilisation permanente max DC cond-cond (UC ) 620 V
Tension d’utilisation permanente max DC cond-terre (UC ) 320 V
Courant nominal à 80 °C (IL ) 3,0 A
C2 Courant nominal de décharge (8/20 µs) total (In ) 10 kA
Certifications SIL
*) Information détaillée : http://www.dehn.fr/sil/


Le produit 920389 a été ajouté au bloc-notes

Le produit 920389 a été ajouté au panier.


BXT ML4 BE BD 24

Module de parafoudre combiné avec RFID-LifeCheck pour la protection de 2 cœurs simples avec potentiel de référence commun ainsi que des interfaces asymétriques et 1 double cœur d'interfaces symétriques sans potentiel de masse. LifeCheck détecte les conditions de surcharge thermique ou électrique selon lesquelles le parafoudre doit être remplacé. L'affichage est sans contact avec DEHNrecord LC / MCM.

1 Produit

Référence de la pièce 920334 BXT ML4 BE BD 24

GTIN 4013364152229, Clients tariffs no (UE): 85363010, Poids brut: 29.59 g, Prix unitaire: 1.00 pièce(s)


Images

Plus d'informations

Module de parafoudre avec LifeCheck BLITZDUCTOR XT BXT ML4 BE BD 24
Module de protection contre les surtensions de
Classe d'arrêt Type 1 / P1 BLITZDUCTOR XT,
testé selon EN 61643-21 et coordonné énergétiquement
selon CEI 61643-22 pour la protection de deux fils simples
avec un potentiel de référence commun ainsi qu'un déséquilibre
Interfaces et une terre à double cœur sans potentiel
intersections symétriques. Avec intégré
LifeCheck pour les tests de parafoudre sans contact. Pluggable
dans la partie de base BXT BAS / BSP BAS 4.
Tension d’utilisation permanente max DC: 33 V
Courant nominal à 45 °C: 0,75 A
D1 Courant de foudre (10/350 µs) total: 10 kA
D1 Courant de foudre (10/350 µs) par conducteur: 2,5 kA

produit : DEHN
Type: BXT ML4 BE BD 24
Référence: 920334
ou équivalent

 

Caractéristiques techniques

Classe SPD M
Tension d’utilisation permanente max DC (UC ) 33 V
Courant nominal à 45 °C (IL ) 0,75 A
D1 Courant de foudre (10/350 µs) total (Iimp ) 10 kA
C2 Courant nominal de décharge (8/20 µs) total (In ) 20 kA

Le produit 920334 a été ajouté au bloc-notes

Le produit 920334 a été ajouté au panier.


BXT ML2 BD 180

Module de parafoudre combiné à encombrement réduit avec technologie RFID-LifeCheck pour protéger 1 conducteur double sans potentiel de terre pour interfaces symétriques. Le LifeCheck détecte les états de surcharge thermique ou électrique après lesquels le parafoudre doit être remplacé. L’affichage s’effectue sans problème au moyen de DEHNrecord LC / SCM / MCM.

1 Produit

Référence de la pièce 920247 BXT ML2 BD 180

GTIN 4013364116078, Clients tariffs no (UE): 85363010, Poids brut: 49.60 g, Prix unitaire: 1.00 pièce(s)

Précédent

Images

Plus d'informations


Tension d’utilisation permanente max DC: 180 V
Courant nominal à 45 °C: 0,75 A
D1 Courant de foudre (10/350 µs) total: 5 kA
D1 Courant de foudre (10/350 µs) par conducteur: 2,5 kA

produit : DEHN
Type: BXT ML2 BD 180
Référence: 920247
ou équivalent

Certificats

 

Caractéristiques techniques

Classe SPD L
Tension d’utilisation permanente max DC (UC ) 180 V
Courant nominal à 45 °C (IL ) 0,75 A
D1 Courant de foudre (10/350 µs) total (Iimp ) 5 kA
C2 Courant nominal de décharge (8/20 µs) total (In ) 20 kA
Impédance série par conducteur 1,8 ohm
Bande passante cond-cond (fG ) 25,0 MHz
Certifications CSA, ATEX, IECEx, CSA & USA Hazloc, SIL
*) Information détaillée : http://www.dehn.fr/sil/


Le produit 920247 a été ajouté au bloc-notes

Le produit 920247 a été ajouté au panier.


BXT ML2 BD S 5 – BD S 48

Parafoudre combiné à encombrement réduit avec RFID-LifeCheck pour la protection de 1 conducteur double à interfaces symétriques, sans potentiel de terre, avec mise à la terre directe ou indirecte du blindage au choix. Le LifeCheck détecte les états de surcharge thermique ou électrique après lesquels le parafoudre doit être remplacé. L’affichage s’effectue sans problème au moyen de DEHNrecord LC / SCM / MCM.

4 Produits

Référence de la pièce 920240 BXT ML2 BD S 5

GTIN 4013364118348, Clients tariffs no (UE): 85363010, Poids brut: 27.50 g, Prix unitaire: 1.00 pièce(s)

Précédent

Images

Plus d'informations


Tension d’utilisation permanente max DC: 6,0 V
Courant nominal à 45 °C: 1,0 A
D1 Courant de foudre (10/350 µs) total: 9 kA
D1 Courant de foudre (10/350 µs) par conducteur: 2,5 kA

produit : DEHN
Type: BXT ML2 BD S 5
Référence: 920240
ou équivalent

Certificats

 

Caractéristiques techniques

Classe SPD M
Tension d’utilisation permanente max DC (UC ) 6,0 V
Courant nominal à 45 °C (IL ) 1,0 A
D1 Courant de foudre (10/350 µs) total (Iimp ) 9 kA
C2 Courant nominal de décharge (8/20 µs) total (In ) 20 kA
Impédance série par conducteur 1,0 ohm
Bande passante cond-cond (fG ) 1,0 MHz
Certifications CSA, ATEX, IECEx, CSA & USA Hazloc, SIL
*) Information détaillée : http://www.dehn.fr/sil/


Le produit 920240 a été ajouté au bloc-notes

Le produit 920240 a été ajouté au panier.

Référence de la pièce 920242 BXT ML2 BD S 12

GTIN 4013364118362, Clients tariffs no (UE): 85363010, Poids brut: 27.60 g, Prix unitaire: 1.00 pièce(s)

Précédent

Images

Plus d'informations


Tension d’utilisation permanente max DC: 15 V
Courant nominal à 45 °C: 1,0 A
D1 Courant de foudre (10/350 µs) total: 9 kA
D1 Courant de foudre (10/350 µs) par conducteur: 2,5 kA

produit : DEHN
Type: BXT ML2 BD S 12
Référence: 920242
ou équivalent

Certificats

 

Caractéristiques techniques

Classe SPD M
Tension d’utilisation permanente max DC (UC ) 15 V
Courant nominal à 45 °C (IL ) 1,0 A
D1 Courant de foudre (10/350 µs) total (Iimp ) 9 kA
C2 Courant nominal de décharge (8/20 µs) total (In ) 20 kA
Impédance série par conducteur 1,0 ohm
Bande passante cond-cond (fG ) 2,8 MHz
Certifications CSA, ATEX, IECEx, CSA & USA Hazloc, SIL
*) Information détaillée : http://www.dehn.fr/sil/


Le produit 920242 a été ajouté au bloc-notes

Le produit 920242 a été ajouté au panier.

Référence de la pièce 920244 BXT ML2 BD S 24

GTIN 4013364117792, Clients tariffs no (UE): 85363010, Poids brut: 27.80 g, Prix unitaire: 1.00 pièce(s)

Précédent

Images

Plus d'informations


Tension d’utilisation permanente max DC: 33 V
Courant nominal à 45 °C: 1,0 A
D1 Courant de foudre (10/350 µs) total: 9 kA
D1 Courant de foudre (10/350 µs) par conducteur: 2,5 kA

produit : DEHN
Type: BXT ML2 BD S 24
Référence: 920244
ou équivalent

Certificats

 

Caractéristiques techniques

Classe SPD M
Tension d’utilisation permanente max DC (UC ) 33 V
Courant nominal à 45 °C (IL ) 1,0 A
D1 Courant de foudre (10/350 µs) total (Iimp ) 9 kA
C2 Courant nominal de décharge (8/20 µs) total (In ) 20 kA
Impédance série par conducteur 1,0 ohm
Bande passante cond-cond (fG ) 7,8 MHz
Certifications CSA, ATEX, IECEx, CCC, CSA & USA Hazloc, SIL
*) Information détaillée : http://www.dehn.fr/sil/


Le produit 920244 a été ajouté au bloc-notes

Le produit 920244 a été ajouté au panier.

Référence de la pièce 920245 BXT ML2 BD S 48

GTIN 4013364118386, Clients tariffs no (UE): 85363010, Poids brut: 43.20 g, Prix unitaire: 1.00 pièce(s)

Précédent

Images

Plus d'informations


Tension d’utilisation permanente max DC: 54 V
Courant nominal à 45 °C: 1,0 A
D1 Courant de foudre (10/350 µs) total: 9 kA
D1 Courant de foudre (10/350 µs) par conducteur: 2,5 kA

produit : DEHN
Type: BXT ML2 BD S 48
Référence: 920245
ou équivalent

Certificats

 

Caractéristiques techniques

Classe SPD M
Tension d’utilisation permanente max DC (UC ) 54 V
Courant nominal à 45 °C (IL ) 1,0 A
D1 Courant de foudre (10/350 µs) total (Iimp ) 9 kA
C2 Courant nominal de décharge (8/20 µs) total (In ) 20 kA
Impédance série par conducteur 1,0 ohm
Bande passante cond-cond (fG ) 8,7 MHz
Certifications CSA, ATEX, IECEx, CSA & USA Hazloc, SIL
*) Information détaillée : http://www.dehn.fr/sil/


Le produit 920245 a été ajouté au bloc-notes

Le produit 920245 a été ajouté au panier.


BXT ML2 BE S 5 – BE S 48

Parafoudre combiné à encombrement réduit avec technologie RFID-LifeCheck pour la protection de 2 conducteurs séparés avec référence de potentiel commun et d'interfaces asymétriques ; mise à la terre directe ou indirecte du blindage au choix. La technologie LifeCheck détecte des surcharges électriques ou thermiques nécessitant le remplacement préventif des modules de protection. Sans contact, l’état LifeCheck est lu à l'aide du testeur DEHNrecord LC M1+, LC M3+, SCM et MCM.

5 Produits

Référence de la pièce 920220 BXT ML2 BE S 5

GTIN 4013364118331, Clients tariffs no (UE): 85363010, Poids brut: 43.40 g, Prix unitaire: 1.00 pièce(s)

Précédent

Images

Plus d'informations


Tension d’utilisation permanente max DC: 6,0 V
Courant nominal à 45 °C: 1,0 A
D1 Courant de foudre (10/350 µs) total: 9 kA
D1 Courant de foudre (10/350 µs) par conducteur: 2,5 kA

produit : DEHN
Type: BXT ML2 BE S 5
Référence: 920220
ou équivalent

Certificats

 

Caractéristiques techniques

Classe SPD M
Tension d’utilisation permanente max DC (UC ) 6,0 V
Courant nominal à 45 °C (IL ) 1,0 A
D1 Courant de foudre (10/350 µs) total (Iimp ) 9 kA
C2 Courant nominal de décharge (8/20 µs) total (In ) 20 kA
Impédance série par conducteur 1,0 ohm
Bande passante cond-terre (fG ) 1,0 MHz
Certifications CSA, ATEX, IECEx, CSA & USA Hazloc, SIL
*) Information détaillée : http://www.dehn.fr/sil/


Le produit 920220 a été ajouté au bloc-notes

Le produit 920220 a été ajouté au panier.

Référence de la pièce 920222 BXT ML2 BE S 12

GTIN 4013364118355, Clients tariffs no (UE): 85363010, Poids brut: 27.90 g, Prix unitaire: 1.00 pièce(s)

Précédent

Images

Plus d'informations


Tension d’utilisation permanente max DC: 15 V
Courant nominal à 45 °C: 0,75 A
D1 Courant de foudre (10/350 µs) total: 9 kA
D1 Courant de foudre (10/350 µs) par conducteur: 2,5 kA

produit : DEHN
Type: BXT ML2 BE S 12
Référence: 920222
ou équivalent

Certificats

 

Caractéristiques techniques

Classe SPD M
Tension d’utilisation permanente max DC (UC ) 15 V
Courant nominal à 45 °C (IL ) 0,75 A
D1 Courant de foudre (10/350 µs) total (Iimp ) 9 kA
C2 Courant nominal de décharge (8/20 µs) total (In ) 20 kA
Impédance série par conducteur 1,8 ohm
Bande passante cond-terre (fG ) 2,7 MHz
Certifications CSA, ATEX, IECEx, CCC, CSA & USA Hazloc, SIL
*) Information détaillée : http://www.dehn.fr/sil/


Le produit 920222 a été ajouté au bloc-notes

Le produit 920222 a été ajouté au panier.

Référence de la pièce 920224 BXT ML2 BE S 24

GTIN 4013364117785, Clients tariffs no (UE): 85363010, Poids brut: 44.00 g, Prix unitaire: 1.00 pièce(s)

Précédent

Images

Plus d'informations


Tension d’utilisation permanente max DC: 33 V
Courant nominal à 45 °C: 0,75 A
D1 Courant de foudre (10/350 µs) total: 9 kA
D1 Courant de foudre (10/350 µs) par conducteur: 2,5 kA

produit : DEHN
Type: BXT ML2 BE S 24
Référence: 920224
ou équivalent

Certificats

 

Caractéristiques techniques

Classe SPD M
Tension d’utilisation permanente max DC (UC ) 33 V
Courant nominal à 45 °C (IL ) 0,75 A
D1 Courant de foudre (10/350 µs) total (Iimp ) 9 kA
C2 Courant nominal de décharge (8/20 µs) total (In ) 20 kA
Impédance série par conducteur 1,8 ohm
Bande passante cond-terre (fG ) 6,8 MHz
Certifications CSA, ATEX, IECEx, CCC, CSA & USA Hazloc, SIL
*) Information détaillée : http://www.dehn.fr/sil/


Le produit 920224 a été ajouté au bloc-notes

Le produit 920224 a été ajouté au panier.

Référence de la pièce 920226 BXT ML2 BE S 36

GTIN 4013364142121, Clients tariffs no (UE): 85363010, Poids brut: 30.10 g, Prix unitaire: 1.00 pièce(s)


Images

Plus d'informations


Tension d’utilisation permanente max DC: 45 V
Courant nominal à 45 °C: 1,8 A
D1 Courant de foudre (10/350 µs) total: 9 kA
D1 Courant de foudre (10/350 µs) par conducteur: 2,5 kA

produit : DEHN
Type: BXT ML2 BE S 36
Référence: 920226
ou équivalent

Certificats

 

Caractéristiques techniques

Classe SPD M
Tension d’utilisation permanente max DC (UC ) 45 V
Courant nominal à 45 °C (IL ) 1,8 A
D1 Courant de foudre (10/350 µs) total (Iimp ) 9 kA
C2 Courant nominal de décharge (8/20 µs) total (In ) 20 kA
Impédance série par conducteur 0,43 ohm
Bande passante cond-terre (fG ) 3,8 MHz
Certifications UL 497B, SIL
*) Information détaillée : http://www.dehn.fr/sil/


Le produit 920226 a été ajouté au bloc-notes

Le produit 920226 a été ajouté au panier.

Référence de la pièce 920225 BXT ML2 BE S 48

GTIN 4013364118379, Clients tariffs no (UE): 85363010, Poids brut: 27.60 g, Prix unitaire: 1.00 pièce(s)

Précédent

Images

Plus d'informations


Tension d’utilisation permanente max DC: 54 V
Courant nominal à 45 °C: 0,75 A
D1 Courant de foudre (10/350 µs) total: 9 kA
D1 Courant de foudre (10/350 µs) par conducteur: 2,5 kA

produit : DEHN
Type: BXT ML2 BE S 48
Référence: 920225
ou équivalent

Certificats

 

Caractéristiques techniques

Classe SPD M
Tension d’utilisation permanente max DC (UC ) 54 V
Courant nominal à 45 °C (IL ) 0,75 A
D1 Courant de foudre (10/350 µs) total (Iimp ) 9 kA
C2 Courant nominal de décharge (8/20 µs) total (In ) 20 kA
Impédance série par conducteur 1,8 ohm
Bande passante cond-terre (fG ) 8,7 MHz
Certifications CSA, UL 497B, ATEX, IECEx, CSA & USA Hazloc, SIL
*) Information détaillée : http://www.dehn.fr/sil/


Le produit 920225 a été ajouté au bloc-notes

Le produit 920225 a été ajouté au panier.


BXT ML2 BE HFS 5

Parafoudre combiné à encombrement réduit avec technologie RFID-LifeCheck pour la protection de 1 paire de transmissions haute fréquence sans séparation galvanique ; mise à la terre directe ou indirecte du blindage au choix. La technologie LifeCheck détecte des surcharges électriques ou thermiques nécessitant le remplacement préventif des modules de protection. Sans contact, l’état LifeCheck est lu à l'aide du testeur DEHNrecord LC M1+, LC M3+, SCM et MCM.

1 Produit

Référence de la pièce 920270 BXT ML2 BE HFS 5

GTIN 4013364117549, Clients tariffs no (UE): 85363010, Poids brut: 28.60 g, Prix unitaire: 1.00 pièce(s)

Précédent

Images

Plus d'informations


Tension d’utilisation permanente max DC: 6,0 V
Courant nominal à 45 °C: 1,0 A
D1 Courant de foudre (10/350 µs) total: 9 kA
D1 Courant de foudre (10/350 µs) par conducteur: 2,5 kA

produit : DEHN
Type: BXT ML2 BE HFS 5
Référence: 920270
ou équivalent

Certificats

 

Caractéristiques techniques

Classe SPD M
Tension d’utilisation permanente max DC (UC ) 6,0 V
Courant nominal à 45 °C (IL ) 1,0 A
D1 Courant de foudre (10/350 µs) total (Iimp ) 9 kA
C2 Courant nominal de décharge (8/20 µs) total (In ) 20 kA
Impédance série par conducteur 1,0 ohm
Bande passante cond-terre (fG ) 100,0 MHz
Certifications CSA, UL 497B, ATEX, IECEx, CCC, CSA & USA Hazloc, SIL
*) Information détaillée : http://www.dehn.fr/sil/


Le produit 920270 a été ajouté au bloc-notes

Le produit 920270 a été ajouté au panier.


BXT ML2 BD HFS 5

Parafoudre combiné à encombrement réduit avec technologie RFID-LifeCheck pour la protection de 1 paire de systèmes de bus haute fréquence ou de transmissions vidéo ; mise à la terre directe ou indirecte du blindage au choix. La technologie LifeCheck détecte des surcharges électriques ou thermiques nécessitant le remplacement préventif des modules de protection. Sans contact, l’état LifeCheck est lu à l'aide du testeur DEHNrecord LC M1+, LC M3+, SCM et MCM.

1 Produit

Référence de la pièce 920271 BXT ML2 BD HFS 5

GTIN 4013364117556, Clients tariffs no (UE): 85363010, Poids brut: 28.60 g, Prix unitaire: 1.00 pièce(s)

Précédent

Images

Plus d'informations


Tension d’utilisation permanente max DC: 6,0 V
Courant nominal à 45 °C: 1,0 A
D1 Courant de foudre (10/350 µs) total: 9 kA
D1 Courant de foudre (10/350 µs) par conducteur: 2,5 kA

produit : DEHN
Type: BXT ML2 BD HFS 5
Référence: 920271
ou équivalent

Certificats

 

Caractéristiques techniques

Classe SPD M
Tension d’utilisation permanente max DC (UC ) 6,0 V
Courant nominal à 45 °C (IL ) 1,0 A
D1 Courant de foudre (10/350 µs) total (Iimp ) 9 kA
C2 Courant nominal de décharge (8/20 µs) total (In ) 20 kA
Impédance série par conducteur 1,0 ohm
Bande passante cond-cond (fG ) 100,0 MHz
Certifications CSA, UL 497B, ATEX, IECEx, CCC, CSA & USA Hazloc, SIL
*) Information détaillée : http://www.dehn.fr/sil/


Le produit 920271 a été ajouté au bloc-notes

Le produit 920271 a été ajouté au panier.


BXT ML2 B 180

Parafoudre à deux pôles et à encombrement réduit avec technologie RFID-LifeCheck et mise à la terre du blindage pour l'utilisation dans presque toutes les applications. À utiliser en combinaison avec un parafoudre Q ou avec un parafoudre combiné ayant une tension égale ou inférieure. La technologie LifeCheck détecte des surcharges électriques ou thermiques nécessitant le remplacement préventif des modules de protection. Sans contact, l’état LifeCheck est lu à l'aide du testeur DEHNrecord LC M1+, LC M3+, SCM et MCM.

1 Produit

Référence de la pièce 920211 BXT ML2 B 180

GTIN 4013364120570, Clients tariffs no (UE): 85363010, Poids brut: 30.40 g, Prix unitaire: 1.00 pièce(s)

Précédent

Images

Plus d'informations


Tension d’utilisation permanente max DC: 180 V
Courant nominal à 45 °C: 1,2 A
D1 Courant de foudre (10/350 µs) total: 10 kA
D1 Courant de foudre (10/350 µs) par conducteur: 2,5 kA

produit : DEHN
Type: BXT ML2 B 180
Référence: 920211
ou équivalent

Certificats

 

Caractéristiques techniques

Classe SPD H
Tension d’utilisation permanente max DC (UC ) 180 V
Courant nominal à 45 °C (IL ) 1,2 A
D1 Courant de foudre (10/350 µs) total (Iimp ) 10 kA
C2 Courant nominal de décharge (8/20 µs) total (In ) 20 kA
Impédance série par conducteur 0,4 ohm
Certifications CSA, ATEX, IECEx, CSA & USA Hazloc, SIL
*) Information détaillée : http://www.dehn.fr/sil/


Le produit 920211 a été ajouté au bloc-notes

Le produit 920211 a été ajouté au panier.


BXT ML2 BD DL S 15

Parafoudre combiné à encombrement réduit avec RFID-LifeCheck pour la protection de 1 paire d'interfaces symétriques, prévu pour le bus Dupline ; mise à la terre directe ou indirecte du blindage au choix. La technologie LifeCheck détecte des surcharges électriques ou thermiques nécessitant le remplacement préventif des modules de protection. Sans contact, l’état LifeCheck est lu à l'aide du testeur DEHNrecord LC M1+, LC M3+, SCM et MCM.

1 Produit

Référence de la pièce 920243 BXT ML2 BD DL S 15

GTIN 4013364126732, Clients tariffs no (UE): 85363010, Poids brut: 28.30 g, Prix unitaire: 1.00 pièce(s)


Images

Plus d'informations


Tension d’utilisation permanente max DC: 17 V
Courant nominal à 70 °C: 0,4 A
D1 Courant de foudre (10/350 µs) total: 9 kA
D1 Courant de foudre (10/350 µs) par conducteur: 2,5 kA

produit : DEHN
Type: BXT ML2 BD DL S 15
Référence: 920243
ou équivalent

Certificats

 

Caractéristiques techniques

Classe SPD M
Tension d’utilisation permanente max DC (UC ) 17 V
Courant nominal à 70 °C (IL ) 0,4 A
D1 Courant de foudre (10/350 µs) total (Iimp ) 9 kA
C2 Courant nominal de décharge (8/20 µs) total (In ) 20 kA
Impédance série par conducteur 2,2 ohm
Bande passante cond-cond (fG ) 2,7 MHz
Certifications ATEX, IECEx, CSA & USA Hazloc, SIL
*) Information détaillée : http://www.dehn.fr/sil/


Le produit 920243 a été ajouté au bloc-notes

Le produit 920243 a été ajouté au panier.


BXT ML2 MY 250

Parafoudre à encombrement réduit avec technologie RFID-LifeCheck pour la protection de 2 conducteurs d'interfaces de signaux multiconducteurs jusqu'à 250 V AC. La technologie LifeCheck détecte des surcharges électriques ou thermiques nécessitant le remplacement préventif des modules de protection. Sans contact, l’état LifeCheck est lu à l'aide du testeur DEHNrecord LC M1+, LC M3+, SCM et MCM.

1 Produit

Référence de la pièce 920289 BXT ML2 MY 250

GTIN 4013364135840, Clients tariffs no (UE): 85363010, Poids brut: 29.20 g, Prix unitaire: 1.00 pièce(s)

Précédent

Images

Plus d'informations


Courant nominal à 80 °C: 3,0 A

produit : DEHN
Type: BXT ML2 MY 250
Référence: 920289
ou équivalent

Certificats

 

Caractéristiques techniques

Classe SPD V
Tension d’utilisation permanente max DC cond-cond (UC ) 620 V
Tension d’utilisation permanente max DC cond-terre (UC ) 320 V
Courant nominal à 80 °C (IL ) 3,0 A
C2 Courant nominal de décharge (8/20 µs) total (In ) 5 kA
Bande passante cond-cond (fG ) 20,0 MHz
Certifications SIL
*) Information détaillée : http://www.dehn.fr/sil/

Le produit 920289 a été ajouté au bloc-notes

Le produit 920289 a été ajouté au panier.


BXT ML2 MY E 110

Parafoudre à encombrement réduit avec technologie RFID-LifeCheck pour la protection de 2 conducteurs d'interfaces de signaux multiconducteurs. La technologie LifeCheck détecte des surcharges électriques ou thermiques nécessitant le remplacement préventif des modules de protection. Sans contact, l’état LifeCheck est lu à l'aide du testeur DEHNrecord LC M1+, LC M3+, SCM et MCM.

1 Produit

Référence de la pièce 920288 BXT ML2 MY E 110

GTIN 4013364137363, Clients tariffs no (UE): 85363010, Poids brut: 31.60 g, Prix unitaire: 1.00 pièce(s)


Images

Plus d'informations


Courant nominal à 80 °C: 3,0 A

produit : DEHN
Type: BXT ML2 MY E 110
Référence: 920288
ou équivalent

 

Caractéristiques techniques

Classe SPD U
Tension d’utilisation permanente max DC cond-cond (UC ) 170 V
Tension d’utilisation permanente max DC cond-terre (UC ) 85 V
Courant nominal à 80 °C (IL ) 3,0 A
C2 Courant nominal de décharge (8/20 µs) total (In ) 5 kA
Impédance série par conducteur 0 ohm
Bande passante cond-cond (fG ) 4,5 MHz
Certifications SIL
*) Information détaillée : http://www.dehn.fr/sil/

Le produit 920288 a été ajouté au bloc-notes

Le produit 920288 a été ajouté au panier.


BXT M2 BD HC5A 24

Module de parafoudre combiné à encombrement réduit pour protéger 1 conducteur double d’une interface symétrique sans potentiel de terre. Le module est adapté aux interfaces avec courants DC jusqu’à 5 A, par ex. pour contrôler des actionneurs motorisés avec courants de démarrage et de fonctionnement élevés.

1 Produit

Référence de la pièce 920296 BXT M2 BD HC5A 24

GTIN 4013364340015, Clients tariffs no (UE): 85363010, Poids brut: 28.00 g, Prix unitaire: 1.00 pièce(s)


Images

Plus d'informations

Module de parafoudre combiné BLITZDUCTOR XT BXT M2 BD HC5A 24
Module de protection parafoudre combiné de la classe de parafoudre Type 1 / P1 BLITZDUCTOR XT,
testé selon EN 61643-21 et coordonné énergétiquement
selon CEI 61643-22 pour la protection d'un double coeur.
Pluggable dans la partie de base BXT BAS / BSP BAS 4.
Tension d’utilisation permanente max DC: 36 V
Courant nominal: 5 A
D1 Courant de foudre (10/350 µs) total: 5 kA
D1 Courant de foudre (10/350 µs) par conducteur: 2,5 kA

produit : DEHN
Type: BXT M2 BD HC5A 24
Référence: 920296
ou équivalent

Certificats

 

Caractéristiques techniques

Classe SPD M
Tension d’utilisation permanente max DC (UC ) 36 V
Courant nominal (IL ) 5 A
D1 Courant de foudre (10/350 µs) total (Iimp ) 5 kA
C2 Courant nominal de décharge (8/20 µs) total (In ) 20 kA
Impédance série par conducteur 0 ohm
Bande passante cond-cond (fG ) 1,56 MHz
Certifications SIL
*) Pour plus de détails, voir: www.dehn.de

Le produit 920296 a été ajouté au bloc-notes

Le produit 920296 a été ajouté au panier.


back to top