Les services de votre tableau de bord.
Inscrivez-vous pour accéder à tous les outils.

DEHNguard 1000

  • Capacité d'écoulement élevée grâce à une varistance à oxyde de zinc performante
  • Temps de réponse rapide
  • Fiabilité élevée de surveillance grâce au dispositif de déconnexion « Thermo-Dynamic-Control »
  • Indication optique de défaut grâce à un voyant mécanique vert/rouge
  • Design des parafoudres spécialement conçu pour les tensions élevées

DEHNguard 1000 (FM)

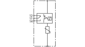
Parafoudre unipolaire compact ; version FM avec contact sec inverseur pour la télésignalisation.

2 Produits

Référence de la pièce 950102 DG 1000

GTIN 4013364105621, Clients tariffs no (UE): 85363030, Poids brut: 205.30 g, Prix unitaire: 1.00 pièce(s)

Précédent

Images

Plus d'informations



produit : DEHN
Type: DG 1000
Référence: 950102
ou équivalent

Certificats

 

Caractéristiques techniques

SPD selon NF EN 61643-11/... CEI 61643-11 Type 2/Classe II
Tension max. de régime permanent AC (UC ) 1000 V (50/60 Hz)
Courant max. de décharge (8/20 µs) (Imax ) 30 kA
Niveau de protection en tension (UP ) ≤ 4,2 kV
Protection max. contre les surintensités 100 A aM
Protection max. contre les surintensités avec U ≤ 690 V AC 125 A gG
Certifications UL

Le produit 950102 a été ajouté au bloc-notes

Le produit 950102 a été ajouté au panier.

Référence de la pièce 950112 DG 1000 FM

GTIN 4013364105638, Clients tariffs no (UE): 85363030, Poids brut: 217.00 g, Prix unitaire: 1.00 pièce(s)

Précédent

Images

Plus d'informations



produit : DEHN
Type: DG 1000 FM
Référence: 950112
ou équivalent

Certificats

 

Caractéristiques techniques

SPD selon NF EN 61643-11/... CEI 61643-11 Type 2/Classe II
Tension max. de régime permanent AC (UC ) 1000 V (50/60 Hz)
Courant max. de décharge (8/20 µs) (Imax ) 30 kA
Niveau de protection en tension (UP ) ≤ 4,2 kV
Protection max. contre les surintensités 100 A aM
Protection max. contre les surintensités avec U ≤ 690 V AC 125 A gG
Certifications UL
Contacts de télésignalisation/Type de contact Inverseur

Le produit 950112 a été ajouté au bloc-notes

Le produit 950112 a été ajouté au panier.


back to top