Les services de votre tableau de bord.
Inscrivez-vous pour accéder à tous les outils.

DEHNventil

  • Parafoudre combiné type 1 + type 2 + type 3 à base d'éclateurs à air, composé d'une embase et d'un module de protection
  • Technologie d'éclateur à air -RAC
  • La faible énergie résiduelle permet la protection des équipements terminaux
  • Non déclenchement d'un fusible de 20A gG jusqu'à des courants de court-circuit de 50kArms
  • Capacité d'écoulement jusqu'à 100 kA (10/350 µs)
  • La largeur de seulement 4 modules facilite l'installation et le respect de la règle des 50cm.
  • Indication optique de fonctionnement/défaut grâce à un voyant mécanique vert/rouge

Détails

lorem ipsum

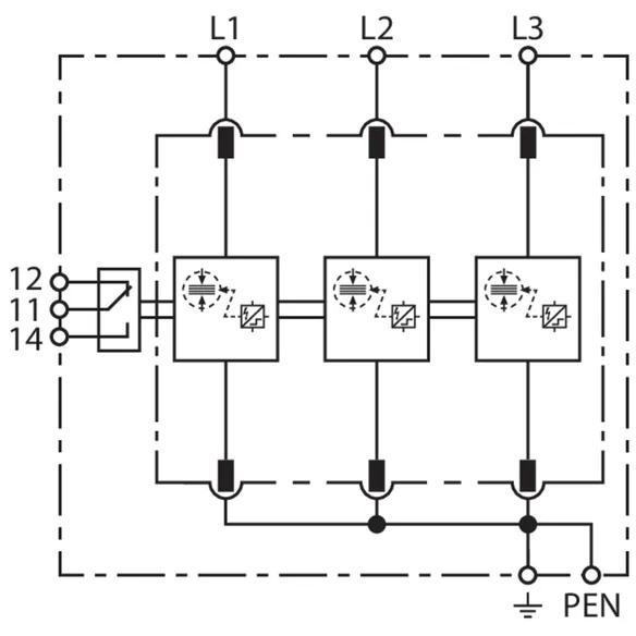
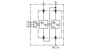
DEHNventil M2 TNC FM

Parafoudre combiné modulaire pour système TN-C

1 Produit

Référence de la pièce 956305 DV M2 TNC 255 FM

GTIN 4013364510586, Clients tariffs no (UE): 85363090, Poids brut: 519.19 g, Prix unitaire: 1.00 pièce(s)

Précédent

Images

Plus d'informations

Parafoudre combiné modulaire DEHNventil M2 TNC 255 FM
Parafoudre combiné enfichable, modulaire, tripolaire
pour systèmes TN-C 230/400 V, largeur 4 modules
avec contact de télésignalisation
Parafoudre type 1 + type 2 + type 3 selon EN 61643-11
Technologie d’éclateurs à air RAC
pour la limitation du courant de suite
Tension continue maximale : 255 V AC
Niveau de protection : <= 1,5 kV
Courant de foudre (10/350) : 75 kA
Tenue aux courants de court-circuit : jusqu’à 100 kAeff.
Certifié VDE, KEMA
Coordination énergétique selon DIN CLC/TS 61643-12
Parafoudre de la gamme Red/Line, ainsi que directement pour les appareils terminaux

produit : DEHN
Type: DV M2 TNC 255 FM
Référence: 956305
ou équivalent

Certificats

 

Caractéristiques techniques

SPD selon NF EN 61643-11 / ... CEI 61643-11 Type 1 + Type 2 + Type 3/ Classe I + Classe II + Classe III
Courant de choc de décharge (10/350 µs) [L1+L2+L3-PEN] (Itotal ) 75 kA
Courant de foudre (10/350 µs) [L-PEN] (Iimp ) 25 kA
Niveau de protection en tension (UP ) ≤ 1,5 kV
Fusible amont max. (L) jusqu'à IK = 50 kAeff 250 A gG
Certifications VDE, KEMA, UL
Contacts de télésignalisation/Type de contact Inverseur
Caractéristiques techniques supplémentaires : Utilisation dans des tableaux de distribution avec des courts-circuits présumés supérieurs à 50 kAeff
– Courant de court-circuit présumé max. 100 kAeff (220 kApeak)

Le produit 956305 a été ajouté au bloc-notes

Le produit 956305 a été ajouté au panier.


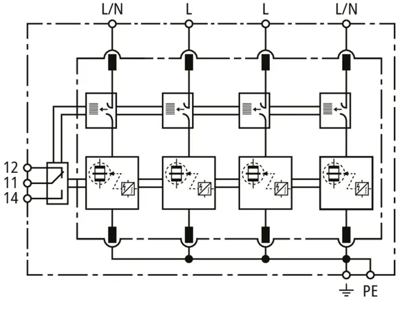
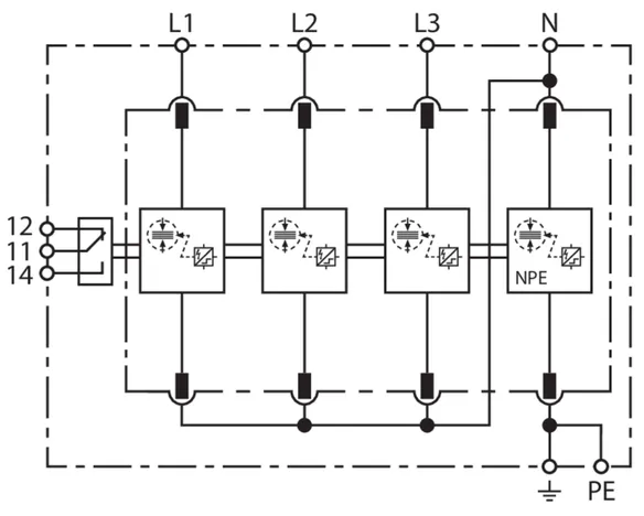
DEHNventil M2 TNS FM

Parafoudre combiné modulaire pour système TN-S

1 Produit

Référence de la pièce 956405 DV M2 TNS 255 FM

GTIN 4013364510562, Clients tariffs no (UE): 85363090, Poids brut: 583.68 g, Prix unitaire: 1.00 pièce(s)

Précédent

Images

Plus d'informations

Parafoudre combiné modulaire DEHNventil M2 TNS 255 FM
Parafoudre combiné enfichable, modulaire, quadripolaire
pour systèmes TN(C)-S 230/400 V, largeur 4 modules
avec contact de télésignalisation
Parafoudre type 1 + type 2 + type 3 selon EN 61643-11
Technologie d’éclateurs à air RAC
pour la limitation du courant de suite
Tension continue maximale : 255 V AC
Niveau de protection : <= 1,5 kV
Courant de foudre (10/350) : 100 kA
Tenue aux courants de court-circuit : jusqu’à 100 kAeff.
Certifié VDE, KEMA
Coordination énergétique selon DIN CLC/TS 61643-12
Parafoudre de la gamme Red/Line, ainsi que directement pour les appareils terminaux

produit : DEHN
Type: DV M2 TNS 255 FM
Référence: 956405
ou équivalent

Certificats

 

Caractéristiques techniques

SPD selon NF EN 61643-11 / ... CEI 61643-11 Type 1 + Type 2 + Type 3 / Classe I + Classe II + Classe III
Courant de choc de décharge (10/350 µs) [L1+L2+L3+N-PE] (Itotal ) 100 kA
Courant de foudre (10/350 µs) [L, N-PE] (Iimp ) 25 kA
Niveau de protection en tension [L-PE]/[N-PE] (UP ) ≤ 1,5 kV/≤ 1,5 kV
Fusible amont max. (L) jusqu'à IK = 50 kAeff 250 A gG
Certifications VDE, KEMA, UL
Contacts de télésignalisation/Type de contact Inverseur
Caractéristiques techniques supplémentaires : Utilisation dans des tableaux de distribution avec des courts-circuits présumés supérieurs à 50 kAeff
– Courant de court-circuit présumé max. 100 kAeff (220 kApeak)

Le produit 956405 a été ajouté au bloc-notes

Le produit 956405 a été ajouté au panier.


DEHNventil M2 TT FM

Parafoudre combiné modulaire, pour systèmes TT et TN-S (circuit 3+1).

1 Produit

Référence de la pièce 956315 DV M2 TT 255 FM

GTIN 4013364528963, Clients tariffs no (UE): 85363090, Poids brut: 616.00 g, Prix unitaire: 1.00 pièce(s)


Images

Plus d'informations

Parafoudre combiné modulaire DEHNventil M2 TT 255 FM
Parafoudre combiné enfichable, modulaire, quadripolaire
pour systèmes TT et TN(C)-S 230/400 V, largeur 4 modules
avec contact de télésignalisation
Parafoudre type 1 + type 2 + type 3 selon EN 61643-11
Technologie d’éclateurs à air RAC
pour la limitation du courant de suite
Tension continue maximale : 255 V AC
Niveau de protection : <= 1,5 kV
Courant de foudre (10/350) : 100 kA
Tenue aux courants de court-circuit : jusqu’à 100 kAeff.
Certifié VDE, KEMA
Coordination énergétique selon DIN CLC/TS 61643-12
Parafoudre de la gamme Red/Line, ainsi que directement pour les appareils terminaux

produit : DEHN
Type: DV M2 TT 255 FM
Référence: 956315
ou équivalent

Certificats

 

Caractéristiques techniques

SPD selon NF EN 61643-11 / ... CEI 61643-11 Type 1 + Type 2 + Type 3 / Classe I + Classe II + Classe III
Courant de choc de décharge (10/350 µs) [L1+L2+L3+N-PE] (Itotal ) 100 kA
Courant de foudre (10/350 µs) [L-N]/[N-PE] (Iimp ) 25/100 kA
Niveau de protection en tension [L-N]/[N-PE] (UP ) ≤ 1,5 kV/≤ 1,5 kV
Fusible amont max. (L) jusqu'à IK = 50 kAeff 250 A gG
Certifications VDE, KEMA, UL
Contacts de télésignalisation/Type de contact Inverseur
Caractéristiques techniques supplémentaires : Utilisation dans des tableaux de distribution avec des courts-circuits présumés supérieurs à 50 kAeff
– Courant de court-circuit présumé max. 100 kAeff (220 kApeak)
Détails supplémentaires : ---------------------------------
– Niveau de protection [L-PE] (UP ) 1,8 kV

Le produit 956315 a été ajouté au bloc-notes

Le produit 956315 a été ajouté au panier.


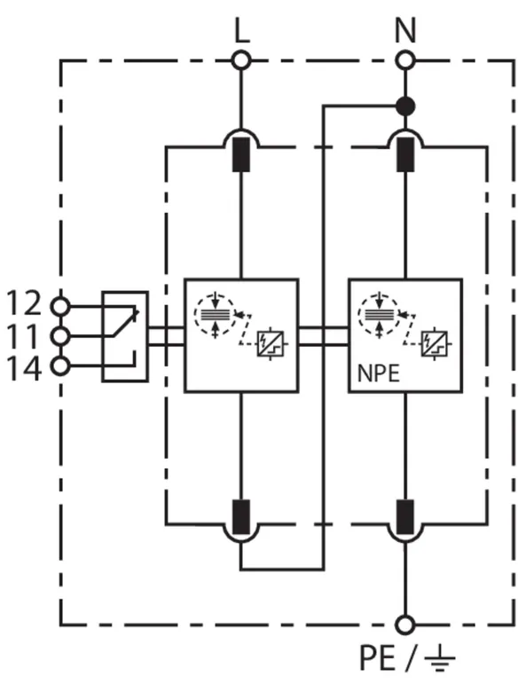
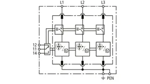
DEHNventil M2 TN FM

Parafoudre combiné modulaire pour système TN uniphasé.

1 Produit

Référence de la pièce 956205 DV M2 TN 255 FM

GTIN 4013364510579, Clients tariffs no (UE): 85363090, Poids brut: 311.29 g, Prix unitaire: 1.00 pièce(s)

Précédent

Images

Plus d'informations

Parafoudre combiné modulaire DEHNventil M2 TN 255 FM
Parafoudre combiné enfichable, modulaire, bipolaire
pour systèmes TN monophasés, largeur 2 modules
avec contact de télésignalisation
Parafoudre type 1 + type 2 + type 3 selon EN 61643-11
Technologie d’éclateurs à air RAC
pour la limitation du courant de suite
Tension continue maximale : 255 V AC
Niveau de protection : <= 1,5 kV
Courant de foudre (10/350) : 50 kA
Tenue aux courants de court-circuit : jusqu’à 100 kAeff.
Certifié VDE, KEMA
Coordination énergétique selon DIN CLC/TS 61643-12
Parafoudre de la gamme Red/Line, ainsi que directement pour les appareils terminaux

produit : DEHN
Type: DV M2 TN 255 FM
Référence: 956205
ou équivalent

Certificats

 

Caractéristiques techniques

SPD selon NF EN 61643-11 / ... CEI 61643-11 Type 1 + Type 2 + Type 3 / Classe I + Classe II + Classe III
Courant de choc de décharge (10/350 µs) [L+N-PE] (Itotal ) 50 kA
Courant de foudre (10/350 µs) [L, N-PE] (Iimp ) 25 kA
Niveau de protection en tension [L-PE]/[N-PE] (UP ) ≤ 1,5 kV/≤ 1,5 kV
Fusible amont max. (L) jusqu'à IK = 50 kAeff 250 A gG
Certifications VDE, KEMA, UL
Contacts de télésignalisation/Type de contact Inverseur
Caractéristiques techniques supplémentaires : Utilisation dans des tableaux de distribution avec des courts-circuits présumés supérieurs à 50 kAeff
– Courant de court-circuit présumé max. 100 kAeff (220 kApeak)

Le produit 956205 a été ajouté au bloc-notes

Le produit 956205 a été ajouté au panier.


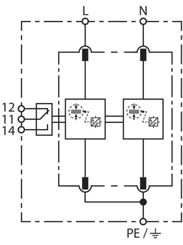
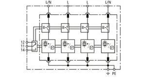
DEHNventil M2 TT 2P FM

Parafoudre combiné modulaire, pour systèmes monophasés TT et TN (circuit 1+1).

1 Produit

Référence de la pièce 956115 DV M2 TT 2P 255 FM

GTIN 4013364546929, Clients tariffs no (UE): 85363090, Poids brut: 327.00 g, Prix unitaire: 1.00 pièce(s)


Images

Plus d'informations

Parafoudre combiné modulaire DEHNventil M2 TT 2P 255 FM
Parafoudre combiné enfichable, modulaire, bipolaire
pour systèmes TT et TN monophasés, largeur 2 modules
avec contact de télésignalisation
Parafoudre type 1 + type 2 + type 3 selon EN 61643-11
Technologie d’éclateurs à air RAC
pour la limitation du courant de suite
Tension continue maximale : 255 V AC
Niveau de protection : <= 1,5 kV
Courant de foudre (10/350) : 50 kA
Tenue aux courants de court-circuit : jusqu’à 100 kAeff.
Certifié VDE, KEMA
Coordination énergétique selon DIN CLC/TS 61643-12
Parafoudre de la gamme Red/Line, ainsi que directement pour les appareils terminaux

produit : DEHN
Type: DV M2 TT 2P 255 FM
Référence: 956115
ou équivalent

Certificats

 

Caractéristiques techniques

SPD selon NF EN 61643-11 / ... CEI 61643-11 Type 1 + Type 2 + Type 3 / Classe I + Classe II + Classe III
Courant de choc de décharge (10/350 µs) [L+N-PE] (Itotal ) 50 kA
Courant de foudre (10/350 µs) [L-N]/[N-PE] (Iimp ) 25/50 kA
Niveau de protection en tension [L-N]/[N-PE] (UP ) ≤ 1,5 kV/≤ 1,5 kV
Fusible amont max. (L) jusqu'à IK = 50 kAeff 250 A gG
Certifications VDE, KEMA, UL
Contacts de télésignalisation/Type de contact Inverseur
Caractéristiques techniques supplémentaires : Utilisation dans des tableaux de distribution avec des courts-circuits présumés supérieurs à 50 kAeff
– Courant de court-circuit présumé max. 100 kAeff (220 kApeak)
Détails supplémentaires : ---------------------------------
– Niveau de protection [L-PE] (UP ) 1,8 kV

Le produit 956115 a été ajouté au bloc-notes

Le produit 956115 a été ajouté au panier.


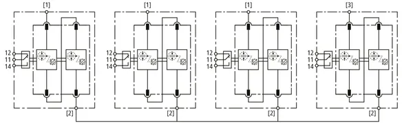
DEHNventil M2 880 FM

Set composé de parafoudres enfichables, y compris rail de câblage de modules isolé, utilisable dans les systèmes d’onduleurs avec anti-PID actif avec un décalage DC maximal de 750 V DC. Câblage des systèmes de prise de terre conformément à IEC 60364-4-44, tableau 44.A1 - RE et Z ainsi que RE et RA liés.

1 Produit

Référence de la pièce 961151 DV M2 880 FM

GTIN 4013364532557, Clients tariffs no (UE): 85363090, Poids brut: 1.07 kg, Prix unitaire: 1.00 pièce(s)


Images

Plus d'informations

Parafoudre combiné modulaire DEHNventil M2 880 FM
Parafoudre combiné enfichable modulaire tripolaire pour
systèmes 880 V triphasés non mis à la terre, largeur 8 modules
avec contact de télésignalisation
Parafoudre type 1 + type 2 selon EN 61643-11
Technologie à base d’éclateurs à air RAC
pour la limitation du courant de suite
Tension continue maximale : 880 V ac
Niveau de protection : <= 4 kV
Courant de foudre (10/350) : 12,5 kA
Tenue aux courants de court-circuit : jusqu’à 50 kAeff.

produit : DEHN
Type: DV M2 880 FM
Référence: 961151
ou équivalent

Certificats

 

Caractéristiques techniques

SPD selon NF EN 61643-11 / ... CEI 61643-11 Type 1 + Type 2 / Classe I + Classe II
Courant de foudre (10/350 µs) [1,2-3] (Iimp ) 12,5 kA
Fusible amont max. (L) jusqu'à IK = 50 kAeff 160 A gG
Contacts de télésignalisation/Type de contact oui / inverseur
Détails supplémentaires : ---------------------------------
– Tension anti-PID (U1-3 + UPID ) 508 VAC + 750 VDC – Résistance

Le produit 961151 a été ajouté au bloc-notes

Le produit 961151 a été ajouté au panier.


DEHNventil ACI TNC FM

Parafoudre combiné modulaire avec technologie Advanced Circuit Interruption (ACI) pour les systèmes TN-C.

1 Produit

Référence de la pièce 961305 DV ACI M TNC 264 FM

GTIN 4013364513440, Clients tariffs no (UE): 85363090, Poids brut: 2.85 kg, Prix unitaire: 1.00 pièce(s)


Images

Plus d'informations

Parafoudre combiné modulaire DEHNventil ACI M TNC 264 FM
Parafoudre combiné enfichable modulaire tripolaire
pour systèmes TN-C 230/400 V avec
éclateur/interrupteur ACI intégré, largeur 11 modules
avec contact de télésignalisation
Parafoudre type 1 + type 2 + type 3 selon EN 61643-11
Technologie d’éclateurs à air RADAX-Flow
pour limiter le courant de suite
Tension continue maximale : 264 V AC
Niveau de protection : <= 1,5 kV
Courant de foudre (10/350): 75 kA
Tenue aux courants de court-circuit : jusqu’à 100 kAeff.
Certifié VDE, KEMA
Coordination énergétique selon IEC 61643-12
Parafoudre de la gamme Red/Line
ainsi que directement pour les appareils terminaux

produit : DEHN
Type: DV ACI M TNC 264 FM
Référence: 961305
ou équivalent

Certificats

 

Caractéristiques techniques

SPD selon EN 61643-11 / IEC 61643-11 Type 1 + Type 2 + Type 3 / Classe I + Classe II + Classe III
Courant de choc de décharge (10/350 µs) [L1+L2+L3-PEN] (Itotal ) 75 kA
Courant de foudre (10/350 µs) [L-PEN] (Iimp ) 25 kA
Niveau de protection en tension (UP ) ≤ 1,5 kV
Caractéristiques techniques supplémentaires : Utilisation dans des tableaux de distribution avec des courts-circuits présumés supérieurs à 50 kAeff
– Courant de court-circuit présumé max. 100 kAeff (220 kApeak)

Le produit 961305 a été ajouté au bloc-notes

Le produit 961305 a été ajouté au panier.


DEHNventil ACI TNS FM

Parafoudre combiné modulaire avec technologie Advanced Circuit Interruption (ACI) pour les systèmes TN-S.

1 Produit

Référence de la pièce 961405 DV ACI M TNS 264 FM

GTIN 4013364513365, Clients tariffs no (UE): 85363090, Poids brut: 3.20 kg, Prix unitaire: 1.00 pièce(s)


Images

Plus d'informations

Parafoudre combiné modulaire DEHNventil ACI M TNS 264 FM
Parafoudre combiné enfichable modulaire quadripolaire
pour systèmes TN(C)-S 230/400 V avec
éclateur/interrupteur ACI intégré
Largeur 11 modules
avec contact de télésignalisation
Parafoudre type 1 + type 2 + type 3 selon EN 61643-11
Technologie d’éclateurs à air RADAX-Flow
pour limiter le courant de suite
Tension continue maximale : 264 V AC
Niveau de protection : <= 1,5 kV
Courant de foudre (10/350) : 100 kA
Tenue aux courants de court-circuit : jusqu’à 100 kAeff.
Certifié VDE, KEMA
Coordination énergétique selon IEC 61643-12
Parafoudre de la gamme Red/Line
ainsi que directement pour les appareils terminaux

produit : DEHN
Type: DV ACI M TNS 264 FM
Référence: 961405
ou équivalent

Certificats

 

Caractéristiques techniques

SPD selon EN 61643-11 / IEC 61643-11 Type 1 + Type 2 + Type 3 / Classe I + Classe II + Classe III
Courant de choc de décharge (10/350 µs) [L1+L2+L3+N-PE] (Itotal ) 100 kA
Courant de foudre (10/350 µs) [L, N-PE] (Iimp ) 25 kA
Niveau de protection en tension [L-PE]/[N-PE] (UP ) ≤ 1,5 kV
Caractéristiques techniques supplémentaires : Utilisation dans des tableaux de distribution avec des courts-circuits présumés supérieurs à 50 kAeff
– Courant de court-circuit présumé max. 100 kAeff (220 kApeak)

Le produit 961405 a été ajouté au bloc-notes

Le produit 961405 a été ajouté au panier.


back to top