Ihre Services im Dashboard..
Registriert nutzen Sie das komplette Angebot.

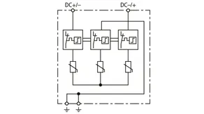
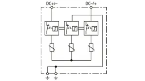
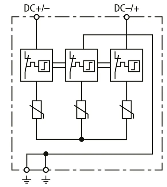
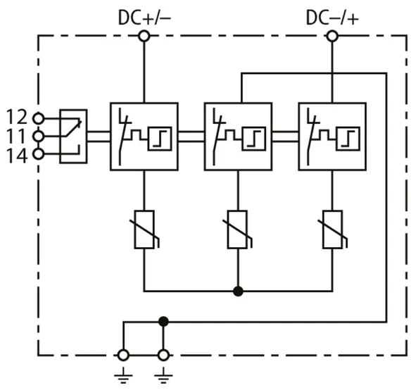
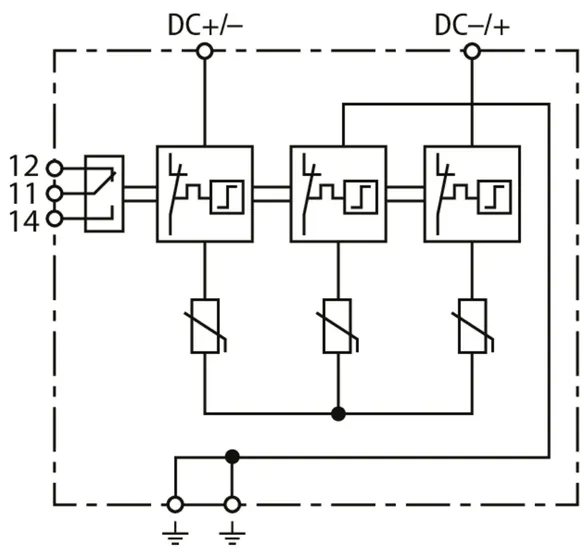
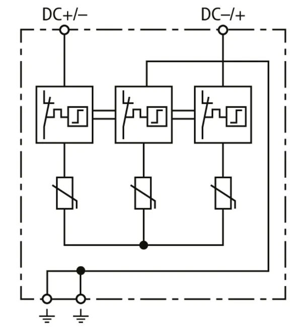
Typ 1 PV-Box

  • Anschlussfertiger Kombi-Ableiter Typ 1 + Typ 2 für Photovoltaik-Generatorstromkreise
  • Kombinierte Abtrenn- und Kurzschließvorrichtung mit sicherer elektrischer Trennung (patentiertes SCI-Prinzip)
  • Bewährte fehlerresistente Y-Schaltung vermeidet Schädigung des Überspannungsschutzes bei Isolationsfehlern im Generatorkreis
  • Geprüft nach EN 50539-11
  • Einsetzbar in PV-Systemen gemäß IEC 60364-7-712
  • Funktions- / Defektanzeige durch grün-rote Markierung im Sichtfenster

PVB 1 1200

2 Produkte

Art.-Nr. 041161

GTIN , Bruttogewicht: , VPE:


Abbildungen

Weitere Information

 

SCI-Technologie

Mit der von DEHN patentierten SCI-Technologie mit ihrer aktiven Lichtbogenlöschung wird ein eventuell auftretender Schaltlichtbogen im Überlastfall aktiv, schnell und sicher gelöscht. Die im Kurzschlusspfad integrierte PV-Sicherung löst sofort nach Erlöschen des Lichtbogens aus und stellt dann die sichere elektrische Trennung (Interruption) her. Damit realisieren alle PV-Ableiter von DEHN Überspannungs-, Brand-, und Personenschutz in einem Gerät.

Technische Daten

Daten Ableiter
SPD nach EN 50539-11 Typ 1 + Typ 2
Max. PV-Spannung [DC+ -> DC-] (UCPV ) ≤ 1200 V
Kurzschlussfestigkeit (ISCPV ) 10 kA
Gesamtableitstoßstrom (10/350 µs) [DC+/DC- -> PE] (Itotal ) 12,5 kA
Blitzstoßstrom (10/350 µs) [DC+ -> PE/DC- -> PE] (Iimp ) 6,25 kA
Schutzpegel [(DC+/DC-) -> PE] (UP ) ≤ 3,8 kV
Zulassungen KEMA
Daten Gehäuse
Schutzart IP65
Kabeleinführung 2x MC4 Steckanschluss DC/+, 2x MC4 Steckanschluss DC/-, 1x Verschraubung M16 x 1,5
Verfügbarer Einbauraum 4 TE, DIN 43880
Abmessungen (b x h x t) 125 x 200 x 110 mm

Artikel 041161 wurde zum Merkzettel hinzugefügt.

Zum Merkzettel

Artikel 041161 wurde zum Warenkorb hinzugefügt.

Zum Warenkorb

Art.-Nr. 041166

GTIN , Bruttogewicht: , VPE:


Abbildungen

Weitere Information

 

SCI-Technologie

Mit der von DEHN patentierten SCI-Technologie mit ihrer aktiven Lichtbogenlöschung wird ein eventuell auftretender Schaltlichtbogen im Überlastfall aktiv, schnell und sicher gelöscht. Die im Kurzschlusspfad integrierte PV-Sicherung löst sofort nach Erlöschen des Lichtbogens aus und stellt dann die sichere elektrische Trennung (Interruption) her. Damit realisieren alle PV-Ableiter von DEHN Überspannungs-, Brand-, und Personenschutz in einem Gerät.

Technische Daten

Daten Ableiter
SPD nach EN 50539-11 Typ 1 + Typ 2
Max. PV-Spannung [DC+ -> DC-] (UCPV ) ≤ 1200 V
Kurzschlussfestigkeit (ISCPV ) 10 kA
Gesamtableitstoßstrom (10/350 µs) [DC+/DC- -> PE] (Itotal ) 12,5 kA
Blitzstoßstrom (10/350 µs) [DC+ -> PE/DC- -> PE] (Iimp ) 6,25 kA
Schutzpegel [(DC+/DC-) -> PE] (UP ) ≤ 3,8 kV
Zulassungen KEMA
Daten Gehäuse
Schutzart IP65
Kabeleinführung 2x MC4 Steckanschluss DC/+, 2x MC4 Steckanschluss DC/-, 1x Verschraubung M16 x 1,5
Verfügbarer Einbauraum 4 TE, DIN 43880
Abmessungen (b x h x t) 125 x 200 x 110 mm

Artikel 041166 wurde zum Merkzettel hinzugefügt.

Zum Merkzettel

Artikel 041166 wurde zum Warenkorb hinzugefügt.

Zum Warenkorb

PVB 2 1200

2 Produkte

Art.-Nr. 041261

GTIN , Bruttogewicht: , VPE:


Abbildungen

Weitere Information

 

SCI-Technologie

Mit der von DEHN patentierten SCI-Technologie mit ihrer aktiven Lichtbogenlöschung wird ein eventuell auftretender Schaltlichtbogen im Überlastfall aktiv, schnell und sicher gelöscht. Die im Kurzschlusspfad integrierte PV-Sicherung löst sofort nach Erlöschen des Lichtbogens aus und stellt dann die sichere elektrische Trennung (Interruption) her. Damit realisieren alle PV-Ableiter von DEHN Überspannungs-, Brand-, und Personenschutz in einem Gerät.

Technische Daten

Daten Ableiter
SPD nach EN 50539-11 Typ 1 + Typ 2
Max. PV-Spannung [DC+ -> DC-] (UCPV ) ≤ 1200 V
Kurzschlussfestigkeit (ISCPV ) 10 kA
Gesamtableitstoßstrom (10/350 µs) [DC+/DC- -> PE] (Itotal ) 12,5 kA
Blitzstoßstrom (10/350 µs) [DC+ -> PE/DC- -> PE] (Iimp ) 6,25 kA
Schutzpegel [(DC+/DC-) -> PE] (UP ) ≤ 3,8 kV
Zulassungen KEMA
Daten Gehäuse
Schutzart IP65
Kabeleinführung 4x MC4 Steckanschluss DC/+, 4x MC4 Steckanschluss DC/-, 1x Verschraubung M16 x 1,5
Verfügbarer Einbauraum 8 TE, DIN 43880
Abmessungen (b x h x t) 200 x 210 x 110 mm

Artikel 041261 wurde zum Merkzettel hinzugefügt.

Zum Merkzettel

Artikel 041261 wurde zum Warenkorb hinzugefügt.

Zum Warenkorb

Art.-Nr. 041266

GTIN , Bruttogewicht: , VPE:


Abbildungen

Weitere Information

 

SCI-Technologie

Mit der von DEHN patentierten SCI-Technologie mit ihrer aktiven Lichtbogenlöschung wird ein eventuell auftretender Schaltlichtbogen im Überlastfall aktiv, schnell und sicher gelöscht. Die im Kurzschlusspfad integrierte PV-Sicherung löst sofort nach Erlöschen des Lichtbogens aus und stellt dann die sichere elektrische Trennung (Interruption) her. Damit realisieren alle PV-Ableiter von DEHN Überspannungs-, Brand-, und Personenschutz in einem Gerät.

Technische Daten

Daten Ableiter
SPD nach EN 50539-11 Typ 1 + Typ 2
Max. PV-Spannung [DC+ -> DC-] (UCPV ) ≤ 1200 V
Kurzschlussfestigkeit (ISCPV ) 10 kA
Gesamtableitstoßstrom (10/350 µs) [DC+/DC- -> PE] (Itotal ) 12,5 kA
Blitzstoßstrom (10/350 µs) [DC+ -> PE/DC- -> PE] (Iimp ) 6,25 kA
Schutzpegel [(DC+/DC-) -> PE] (UP ) ≤ 3,8 kV
Zulassungen KEMA
Daten Gehäuse
Schutzart IP65
Kabeleinführung 4x MC4 Steckanschluss DC/+, 4x MC4 Steckanschluss DC/-, 1x Verschraubung M16 x 1,5
Verfügbarer Einbauraum 8 TE, DIN 43880
Abmessungen (b x h x t) 200 x 210 x 110 mm

Artikel 041266 wurde zum Merkzettel hinzugefügt.

Zum Merkzettel

Artikel 041266 wurde zum Warenkorb hinzugefügt.

Zum Warenkorb

nach oben