Ihre Services im Dashboard..
Registriert nutzen Sie das komplette Angebot.

Verbindungsklemmen für Fundamenterder und Bewehrungen

Zum Verbinden von Rund- und Flachleitern im Betonfundament oder von Betonstahl-Matten und Bewehrungen mit Rund- und Flachleitern.

Anordnung:
(II) = parallel
(+) = kreuz

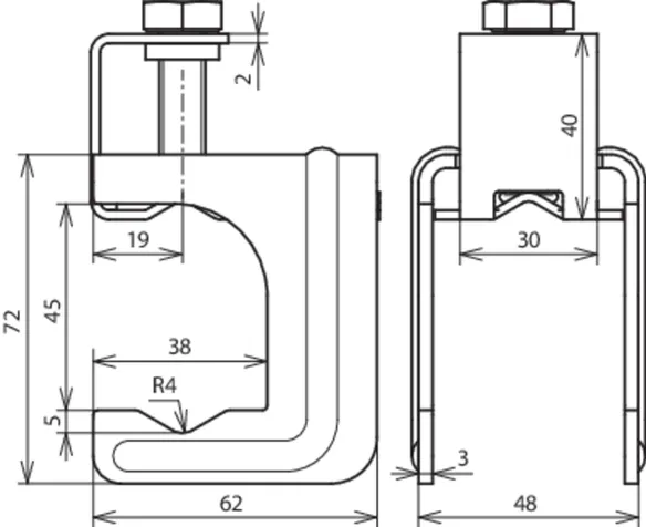
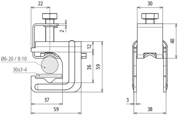
Druckbügelklemme

Für T-, Kreuz- und Parallelverbindungen.

2 Produkte

Art.-Nr. 308031 VK DB 6.20 8.10 FL30 BSB STBL

GTIN 4013364136571, Zolltarifnr. (EU): 85359000, Bruttogewicht: 239.60 g, VPE: 25.00 Stk.


Abbildungen

Weitere Information

Druckbügelklemme St/blank
Druckbügelklemme zum Verbinden von Rund- und
Flachleitern im Betonfundament oder von Betonstahl-
Matten und Bewehrungen mit Rund- und Flachleitern
für T-, Kreuz- und Parallelverbindungen
Werkstoff: St/blank
Klemmbereich Rd / Rd: (+/II) 6-20 / 8-10 mm
Klemmbereich Rd / Fl: (+/II) 6-20 / 30 x 3-4 mm
Klemmbereich Fl / Fl: (+/II) 30 x 3-4 / 30 x 3-4 mm
Ausführung: ohne Klemmring
Normenbezug: DIN EN 62561-1

Fabrikat: DEHN
Typ: VK DB 6.20 8.10 FL30 BSB STBL
Art.-Nr.: 308031
oder gleichwertig.

Zertifikate

 

Technische Daten

Werkstoff St/blank
Klemmbereich Rd / Rd (+/II) 6-20 / 8-10 mm
Klemmbereich Rd / Fl (+/II) 6-20 / 30 x 3-4 mm
Klemmbereich Fl / Fl (+/II) 30 x 3-4 / 30 x 3-4 mm
Ausführung ohne Klemmring
Kurzschlussstrom (AC 50 Hz / DC) (1 s; ≤ 300 °C) 8,4 kA
Normenbezug DIN EN 62561-1
*) Genaue Zuordnung siehe Prüfzertifikat.

Artikel 308031 wurde zum Merkzettel hinzugefügt.

Zum Merkzettel

Artikel 308031 wurde zum Warenkorb hinzugefügt.

Zum Warenkorb

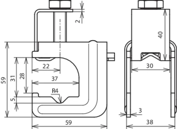
Art.-Nr. 308033 VK DB KR 6.20 8.10 FL30 BSB STBL

GTIN 4013364519978, Zolltarifnr. (EU): 85359000, Bruttogewicht: 240.40 g, VPE: 25.00 Stk.


Abbildungen

Weitere Information

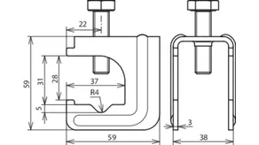
Druckbügelklemme St/blank
Druckbügelklemme mit Klemmring
zum Verbinden von Rund- und
Flachleitern im Betonfundament
oder von Betonstahlmatten und
Bewehrungen mit Rund- und Flachleitern
für T-, Kreuz- und Parallelverbindungen
Werkstoff: St/blank
Klemmbereich Rd / Rd: (+/II) 6-20 / 8-10 mm
Klemmbereich Rd / Fl: (+/II) 6-20 / 30 x 3-4 mm
Klemmbereich Fl / Fl: (+/II) 30 x 3-4 / 30 x 3-4 mm
Ausführung: mit Klemmring
Normenbezug: DIN EN 62561-1

Fabrikat: DEHN
Typ: VK DB KR 6.20 8.10 FL30 BSB STBL
Art.-Nr.: 308033
oder gleichwertig.

Zertifikate

 

Technische Daten

Werkstoff St/blank
Klemmbereich Rd / Rd (+/II) 6-20 / 8-10 mm
Klemmbereich Rd / Fl (+/II) 6-20 / 30 x 3-4 mm
Klemmbereich Fl / Fl (+/II) 30 x 3-4 / 30 x 3-4 mm
Ausführung mit Klemmring
Kurzschlussstrom (AC 50 Hz / DC) (1 s; ≤ 300 °C) 8,4 kA
Normenbezug DIN EN 62561-1
*) Genaue Zuordnung siehe Prüfzertifikat.

Artikel 308033 wurde zum Merkzettel hinzugefügt.

Zum Merkzettel

Artikel 308033 wurde zum Warenkorb hinzugefügt.

Zum Warenkorb

Druckbügelklemme MAXI

Für T-, Kreuz- und Parallelverbindungen.

1 Produkt

Art.-Nr. 308036 VK DB 20.32 8.10 FL40 BSB STBL

GTIN 4013364136588, Zolltarifnr. (EU): 85359000, Bruttogewicht: 275.60 g, VPE: 25.00 Stk.


Abbildungen

Weitere Information

Druckbügelklemme MAXI St/blank
Druckbügelklemme zum Verbinden von Rund- und Flachleitern im Betonfundament oder von Betonstahl-
Matten und Bewehrungen mit Rund- und Flachleitern für
T-, Kreuz- und Parallelverbindungen
Werkstoff: St/blank
Klemmbereich Rd / Rd: (+/II) 20-32 / 8-10 mm
Klemmbereich Rd / Fl: (+/II) 20-32 / 40 x 4-5 mm
Ausführung: mit Klemmring
Normenbezug: DIN EN 62561-1

Fabrikat: DEHN
Typ: VK DB 20.32 8.10 FL40 BSB STBL
Art.-Nr.: 308036
oder gleichwertig.

Zertifikate

 

Technische Daten

Werkstoff St/blank
Klemmbereich Rd / Rd (+/II) 20-32 / 8-10 mm
Klemmbereich Rd / Fl (+/II) 20-32 / 40 x 4-5 mm
Ausführung mit Klemmring
Kurzschlussstrom (AC 50 Hz / DC) (1 s; ≤ 300 °C) 14,0 kA
Normenbezug DIN EN 62561-1
*) Genaue Zuordnung siehe Prüfzertifikat.

Artikel 308036 wurde zum Merkzettel hinzugefügt.

Zum Merkzettel

Artikel 308036 wurde zum Warenkorb hinzugefügt.

Zum Warenkorb

Verbindungsklemme ohne Druckbügel

Für Kreuzverbindungen.

1 Produkt

Art.-Nr. 308032 VK 6.20 FL30 BSB STBL

GTIN 4013364152823, Zolltarifnr. (EU): 85359000, Bruttogewicht: 178.50 g, VPE: 25.00 Stk.


Abbildungen

Weitere Information

Verbindungsklemme ohne Druckbügel St/blank
Verbindungsklemmen, für Fundamenterder zum Verbinden von Rund- und Flachleitern im Betonfundament
Für Kreuzverbindungen ohne die Leiter einfädeln
zu müssen
Werkstoff: St/blank
Klemmbereich Rd / Fl: (+) 6-20 / 30 x 3-4 mm
Klemmbereich Fl / Fl: (+/II) 30 x 3-4 / 30 x 3-4 mm
Normenbezug: DIN EN 62561-1

Fabrikat: DEHN
Typ: VK 6.20 FL30 BSB STBL
Art.-Nr.: 308032
oder gleichwertig.

Zertifikate

 

Technische Daten

Werkstoff St/blank
Klemmbereich Rd / Fl (+) 6-20 / 30 x 3-4 mm
Klemmbereich Fl / Fl (+/II) 30 x 3-4 / 30 x 3-4 mm
Kurzschlussstrom (AC 50 Hz / DC) (1 s; ≤ 300 °C) 7,0 kA
Normenbezug DIN EN 62561-1
*) Genaue Zuordnung siehe Prüfzertifikat.

Artikel 308032 wurde zum Merkzettel hinzugefügt.

Zum Merkzettel

Artikel 308032 wurde zum Warenkorb hinzugefügt.

Zum Warenkorb

Verbindungsklemme MAXI ohne Druckbügel

Für Kreuzverbindungen.

1 Produkt

Art.-Nr. 308037 VK 20.32 FL40 BSB STBL

GTIN 4013364154704, Zolltarifnr. (EU): 85359000, Bruttogewicht: 218.00 g, VPE: 25.00 Stk.


Abbildungen

Weitere Information

Verbindungsklemme MAXI ohne Druckbügel St/blank
Verbindungsklemmen, für Fundamenterder zum Verbinden von Rund- und Flachleitern im Betonfundament
Für Kreuzverbindungen ohne die Leiter einfädeln
zu müssen
Werkstoff: St/blank
Klemmbereich Rd / Fl: (+) 20-32 / 30 x 3-40 x 5 mm
Normenbezug: DIN EN 62561-1

Fabrikat: DEHN
Typ: VK 20.32 FL40 BSB STBL
Art.-Nr.: 308037
oder gleichwertig.

Zertifikate

 

Technische Daten

Werkstoff St/blank
Klemmbereich Rd / Fl (+) 20-32 / 30 x 3-40 x 5 mm
Normenbezug DIN EN 62561-1
*) Genaue Zuordnung siehe Prüfzertifikat.

Artikel 308037 wurde zum Merkzettel hinzugefügt.

Zum Merkzettel

Artikel 308037 wurde zum Warenkorb hinzugefügt.

Zum Warenkorb

nach oben