Ihre Services im Dashboard..
Registriert nutzen Sie das komplette Angebot.

DEHNvenCI

  • Kombi-Ableiter auf Funkenstreckenbasis mit integrierter blitzstromtragfähiger Ableitervorsicherung
  • Energetisch koordiniert innerhalb der Red/Line-Produktfamilie
  • Tiefer Schutzpegel UP ≤ 1,5 kV (inkl. Vorsicherung)
  • Höchste Anlagenverfügbarkeit durch RADAX-Flow-Folgestrombegrenzung
  • Löschung von Netzfolgeströmen bis 100 kAeff
  • Hohes Blitzstrom-Ableitvermögen von 25 kA (10/350 µs)
  • Ermöglicht Endgeräteschutz
  • Funktions- / Defektanzeige durch grün-rote Markierung im Sichtfenster

DEHNvenCI 255 (FM)

Einpoliger Kombi-Ableiter mit integrierter blitzstromtragfähiger Ableitervorsicherung zum Einsatz in 230 / 400 V Systemen; in der Ausführung FM mit potentialfreiem Fernmeldekontakt.

2 Produkte

Art.-Nr. 961200 DVCI 1 255

GTIN 4013364145108, Zolltarifnr. (EU): 85363090, Bruttogewicht: 477.30 g, VPE: 1.00 Stk.


Abbildungen

Weitere Information

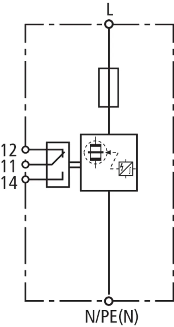
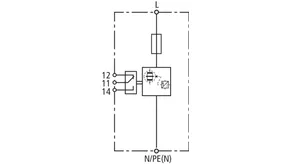
Kombi-Ableiter DEHNvenCI 255
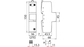
1-poliger Kombi-Ableiter mit integrierter
Ableitervorsicherung, Breite2TE
Ableiter Typ 1 + Typ 2 nach EN 61643-11
RADAX-Flow-Funkenstreckentechnologie
zur Folgestrombegrenzung
Ermöglicht Endgeräteschutz
Defektanzeige für Ableiter und integrierte Sicherung
Höchste Dauerspannung: 255 V AC
Schutzpegel: <= 1,5 kV
Blitzstoßstrom (10/350): 25 kA
Folgestromlöschfähigkeit: bis 100 kAeff.
Energetische Koordination nach DIN EN 62305-4
Ableiter der Red/Line-Familie, sowie direkt zum Endgerät

Fabrikat: DEHN
Typ: DVCI 1 255
Art.-Nr.: 961200
oder gleichwertig.

Zertifikate

 

Integrierte Vorsicherung

Hier ist die Vorsicherung bereits integriert. Das bedeutet: Reduzierter Platzbedarf, geringere Montagekosten, schnellere Verdrahtungszeiten und kürzere Anschlussleitungslängen. Dieses Konzept ist in den Produktfamilien DEHNvenCI, DEHNbloc Maxi S, DEHNguard ... CI und V(A) NH zu finden.

Wellenbrecher-Funktion

Während des Ableitvorgangs fließt bei funkenstreckenbasierten Typ 1-Ableitern der gesamte Strom über den Typ-1 Ableiter. Wie bei einem Wellenbrecher wird die ankommende Energie stark heruntergebrochen, was die nachgeschalteten SPDs deutlich entlastet. Alle Typ 1-Ableiter der Red/Line-Produktfamilie weisen die Wellenbrecherfunktion WBF auf.

Technische Daten

SPD nach EN 61643-11 / ... IEC 61643-11 Typ 1 + Typ 2 / Class I + Class II
Höchste Dauerspannung AC (UC ) 255 V (50 / 60 Hz)
Blitzstoßstrom (10/350 µs) (Iimp ) 25 kA
Schutzpegel (UP ) ≤ 1,5 kV
Max. netzseitiger Überstromschutz integrierte Vorsicherung
Zulassungen KEMA
Erweiterte technische Daten: Verwendung in Schaltanlagen mit prospektiven Kurzschlussströmen größer 50 kAeff (geprüft durch VDE)
– Max. prospektiver Kurzschlussstrom 100 kAeff (220 kApeak)

Artikel 961200 wurde zum Merkzettel hinzugefügt.

Zum Merkzettel

Artikel 961200 wurde zum Warenkorb hinzugefügt.

Zum Warenkorb

Art.-Nr. 961205 DVCI 1 255 FM

GTIN 4013364145115, Zolltarifnr. (EU): 85363090, Bruttogewicht: 480.80 g, VPE: 1.00 Stk.


Abbildungen

Weitere Information

Kombi-Ableiter DEHNvenCI 255 FM
1-poliger Kombi-Ableiter mit integrierter
Ableitervorsicherung, Breite 2TE
mit Fernmeldekontakt
Ableiter Typ 1 + Typ 2 nach EN 61643-11
RADAX-Flow-Funkenstreckentechnologie
zur Folgestrombegrenzung
Ermöglicht Endgeräteschutz
Defektanzeige und Fernmeldung für Ableiter und integrierte Sicherung
Höchste Dauerspannung: 255 V AC
Schutzpegel: <= 1,5 kV
Blitzstoßstrom (10/350): 25 kA
Folgestromlöschfähigkeit: bis 100 kAeff.
Energetische Koordination nach
DIN EN 62305-4
Ableiter der Red/Line-Familie, sowie direkt zum Endgerät

Fabrikat: DEHN
Typ: DVCI 1 255 FM
Art.-Nr.: 961205
oder gleichwertig.

Zertifikate

 

Integrierte Vorsicherung

Hier ist die Vorsicherung bereits integriert. Das bedeutet: Reduzierter Platzbedarf, geringere Montagekosten, schnellere Verdrahtungszeiten und kürzere Anschlussleitungslängen. Dieses Konzept ist in den Produktfamilien DEHNvenCI, DEHNbloc Maxi S, DEHNguard ... CI und V(A) NH zu finden.

Wellenbrecher-Funktion

Während des Ableitvorgangs fließt bei funkenstreckenbasierten Typ 1-Ableitern der gesamte Strom über den Typ-1 Ableiter. Wie bei einem Wellenbrecher wird die ankommende Energie stark heruntergebrochen, was die nachgeschalteten SPDs deutlich entlastet. Alle Typ 1-Ableiter der Red/Line-Produktfamilie weisen die Wellenbrecherfunktion WBF auf.

Technische Daten

SPD nach EN 61643-11 / ... IEC 61643-11 Typ 1 + Typ 2 / Class I + Class II
Höchste Dauerspannung AC (UC ) 255 V (50 / 60 Hz)
Blitzstoßstrom (10/350 µs) (Iimp ) 25 kA
Schutzpegel (UP ) ≤ 1,5 kV
Max. netzseitiger Überstromschutz integrierte Vorsicherung
Zulassungen KEMA
FM-Kontakte / Kontaktform Wechsler
Erweiterte technische Daten: Verwendung in Schaltanlagen mit prospektiven Kurzschlussströmen größer 50 kAeff (geprüft durch VDE)
– Max. prospektiver Kurzschlussstrom 100 kAeff (220 kApeak)

Artikel 961205 wurde zum Merkzettel hinzugefügt.

Zum Merkzettel

Artikel 961205 wurde zum Warenkorb hinzugefügt.

Zum Warenkorb

nach oben