Ihre Services im Dashboard..
Registriert nutzen Sie das komplette Angebot.

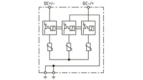
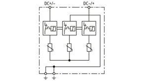
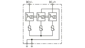
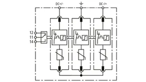
DEHNcube PV

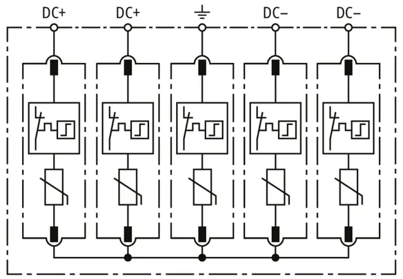
  • Anschlussfertiger, mehrpoliger Überspannungs-Ableiter für Photovoltaik-Anlagen in Schutzart IP 65
  • Unkomplizierte Umsetzung des Überspannungsschutzes ohne Platzbedarf in einem Verteilergehäuse
  • Vorkonfektionierte Anschlussleitung erhältlich für den einfachen Anschluss des Überspannungs-Ableiters direkt vor dem zu schützenden Wechselrichter
  • Kombinierte Abtrenn- und Kurzschließvorrichtung mit sicherer elektrischer Trennung in jedem Schutzpfad (patentiertes SCI-Prinzip)
  • Einfacher, schneller und werkzeugloser Anschluss durch Federzugklemmen
  • Geprüft nach EN 61643-31
  • Einsetzbar in allen PV-Systemen gemäß IEC 60364-7-712

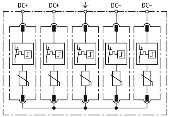
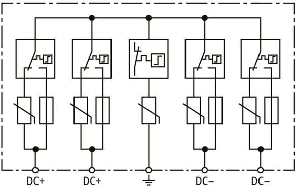
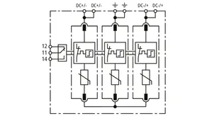
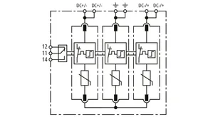
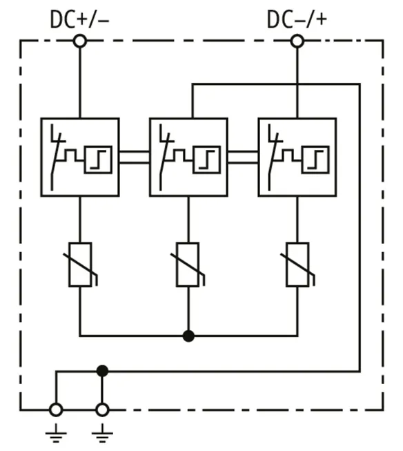
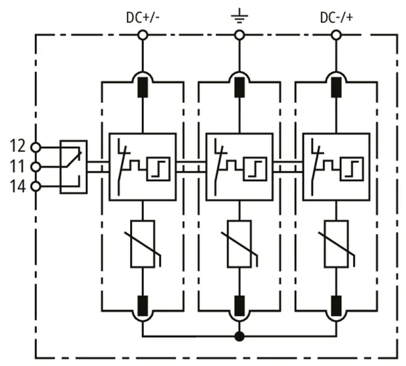
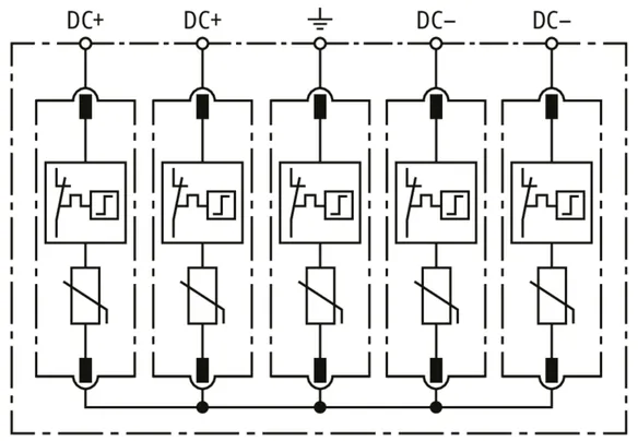
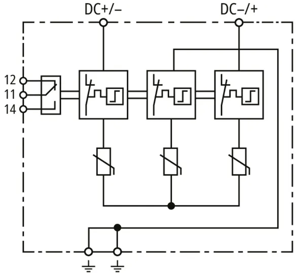
DEHNcube YPV SCI 1000 1M

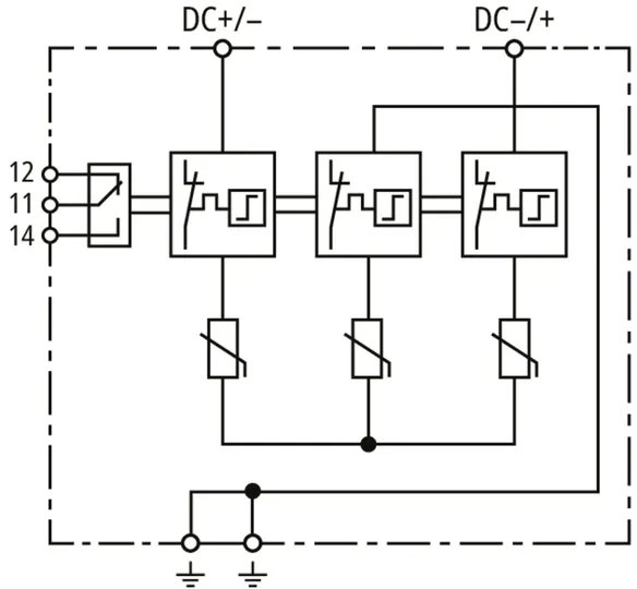
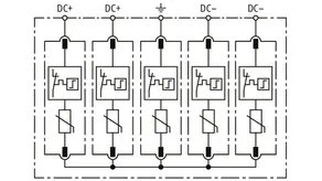
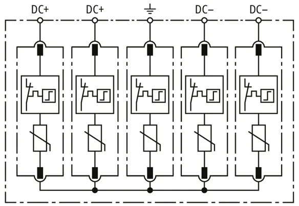
Zweipoliger Überspannungs-Ableiter in IP 65 mit dreistufiger Gleichspannungs-Schaltvorrichtung für PV-Wechselrichter zum Schutz von einem MPP-Eingang.

1 Produkt

Art.-Nr. 900910 DCU YPV SCI 1000 1M

GTIN 4013364155046, Zolltarifnr. (EU): 85363030, Bruttogewicht: 426.00 g, VPE: 1.00 Stk.


Abbildungen

Weitere Information

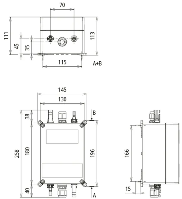
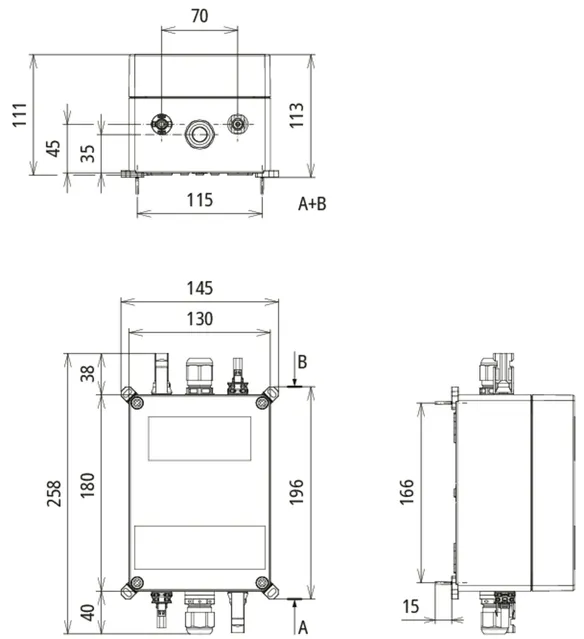
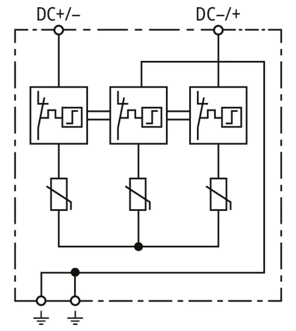
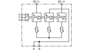
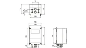
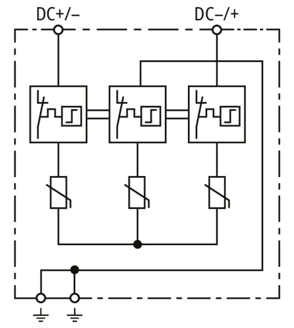
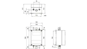
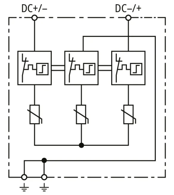
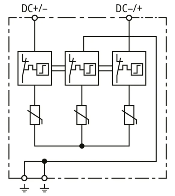
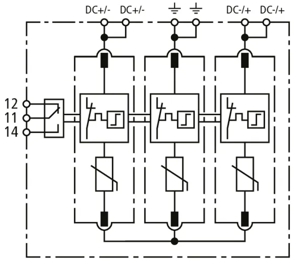
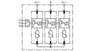
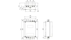
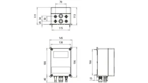
Überspannungs-Ableiter DEHNcube YPV SCI 1000 1M
Mehrpoliger Photovoltaik-Ableiter bis 1000 V DC
zum Schutz von 1 MPP Eingang in Schutzart IP65
Defektanzeige
Typ 2 nach EN 61643-31 mit 3-stufiger DC-Schalteinrichtung
Einsetzbar gemäß IEC 60364-7-712
Maximale PV-Spannung: <= 1000 V dc
Nennableitstoßstrom: (8/20) 12,5 kA
Gesamtableitstoßstrom: (8/20) 40 kA
Schutzpegel: <= 4 kV
Kurzschlussfestigkeit Iscpv: 1000 A
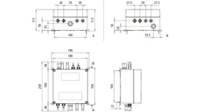
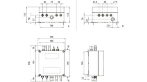
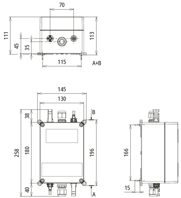
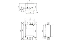
Abmessung: 94 x 94 x 81 mm
Kabeleinführung: 3x Ø3-7 mm

Fabrikat: DEHN
Typ: DCU YPV SCI 1000 1M
Art.-Nr.: 900910
oder gleichwertig.

Zertifikate

 

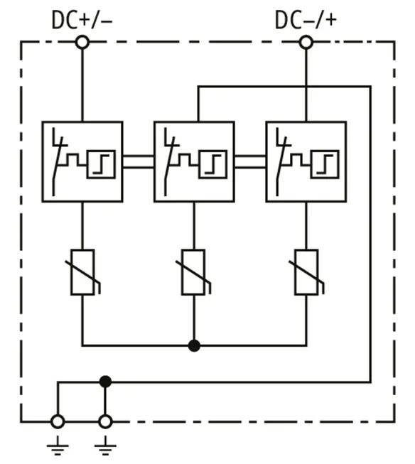
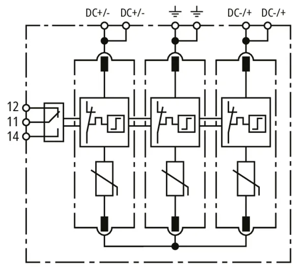
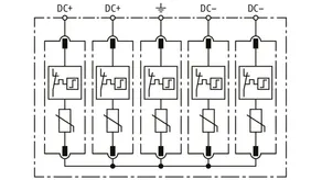
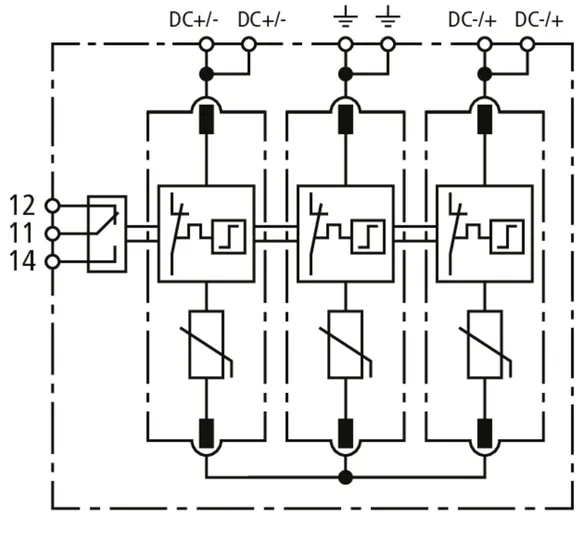
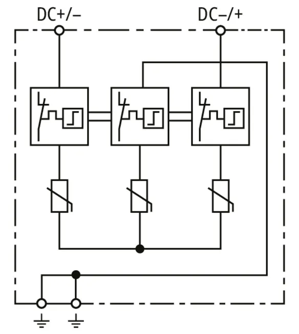
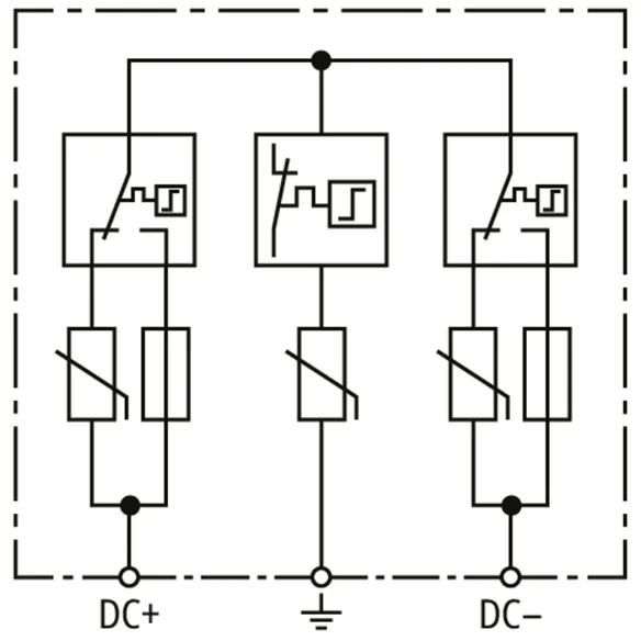
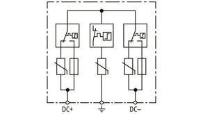
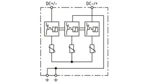
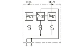
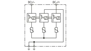
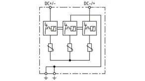
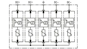
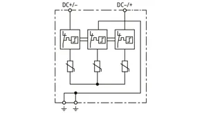
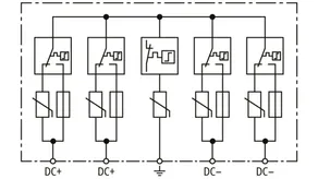
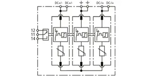
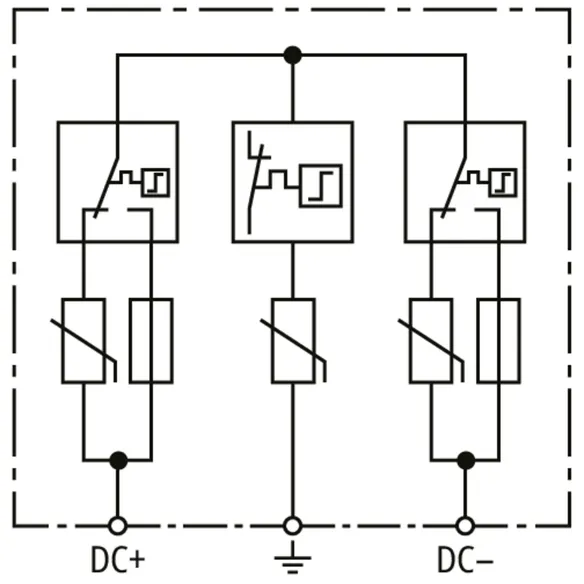
SCI-Technologie

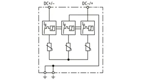
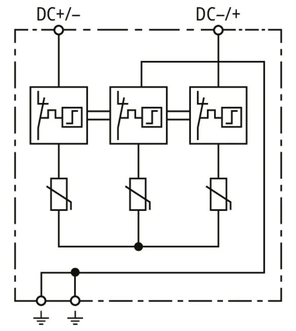
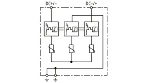
Mit der von DEHN patentierten SCI-Technologie mit ihrer aktiven Lichtbogenlöschung wird ein eventuell auftretender Schaltlichtbogen im Überlastfall aktiv, schnell und sicher gelöscht. Die im Kurzschlusspfad integrierte PV-Sicherung löst sofort nach Erlöschen des Lichtbogens aus und stellt dann die sichere elektrische Trennung (Interruption) her. Damit realisieren alle PV-Ableiter von DEHN Überspannungs-, Brand-, und Personenschutz in einem Gerät.

Technische Daten

SPD nach EN 61643-31 / ... IEC 61643-31 Typ 2 / Class II
Max. PV-Spannung (UCPV ) 1000 V
Kurzschlussfestigkeit (ISCPV ) 1 kA
Nennableitstoßstrom (8/20 µs) [(DC+/DC-) --> PE] (In ) 12,5 kA
Max. Ableitstoßstrom (8/20 µs) [(DC+/DC-) --> PE] (Imax ) 25 kA
Schutzpegel (UP ) ≤ 4 kV
Schutzart IP 65

Artikel 900910 wurde zum Merkzettel hinzugefügt.

Zum Merkzettel

Artikel 900910 wurde zum Warenkorb hinzugefügt.

Zum Warenkorb

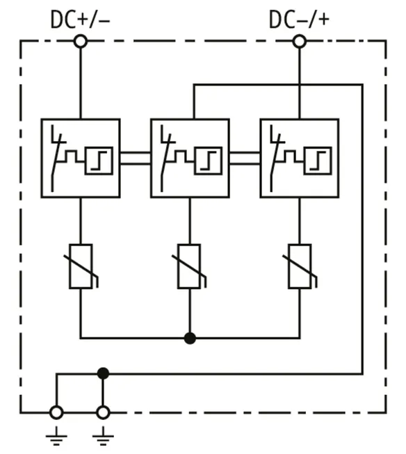
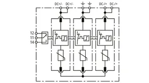
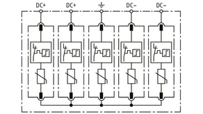
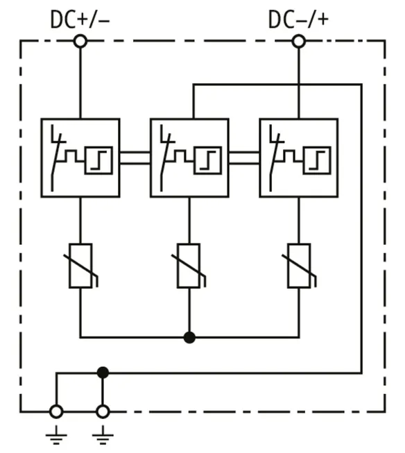
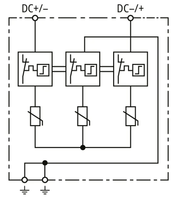
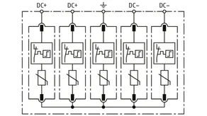
DEHNcube YPV SCI 1000 2M

Vierpoliger Überspannungs-Ableiter in IP 65 mit dreistufiger Gleichspannungs-Schaltvorrichtung für PV-Wechselrichter zum Schutz von zwei MPP-Eingängen.

1 Produkt

Art.-Nr. 900920 DCU YPV SCI 1000 2M

GTIN 4013364155053, Zolltarifnr. (EU): 85363030, Bruttogewicht: 731.00 g, VPE: 1.00 Stk.


Abbildungen

Weitere Information

Überspannungs-Ableiter DEHNcube YPV SCI 1000 2M
Mehrpoliger Photovoltaik-Ableiter bis 1000 V DC
zum Schutz von 2 MPP Eingängen in Schutzart IP65
Defektanzeige
Typ 2 nach EN 61643-31 mit 3-stufiger DC-Schalteinrichtung
Einsetzbar gemäß IEC 60364-7-712
Maximale PV-Spannung: <= 1000 V dc
Nennableitstoßstrom: (8/20) 12,5 kA
Gesamtableitstoßstrom: (8/20) 40 kA
Schutzpegel: <= 4 kV
Kurzschlussfestigkeit Iscpv: 1000 A
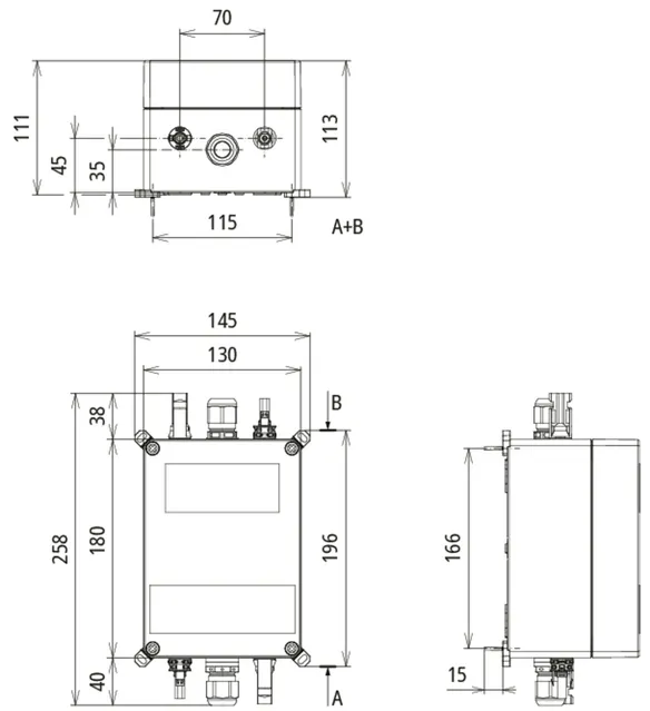
Abmessung: 130 x 94 x 81 mm
Kabeleinführung: 5x Ø3-7 mm

Fabrikat: DEHN
Typ: DCU YPV SCI 1000 2M
Art.-Nr.: 900920
oder gleichwertig.

Zertifikate

 

SCI-Technologie

Mit der von DEHN patentierten SCI-Technologie mit ihrer aktiven Lichtbogenlöschung wird ein eventuell auftretender Schaltlichtbogen im Überlastfall aktiv, schnell und sicher gelöscht. Die im Kurzschlusspfad integrierte PV-Sicherung löst sofort nach Erlöschen des Lichtbogens aus und stellt dann die sichere elektrische Trennung (Interruption) her. Damit realisieren alle PV-Ableiter von DEHN Überspannungs-, Brand-, und Personenschutz in einem Gerät.

Technische Daten

SPD nach EN 61643-31 / ... IEC 61643-31 Typ 2 / Class II
Max. PV-Spannung (UCPV ) 1000 V
Kurzschlussfestigkeit (ISCPV ) 1 kA
Nennableitstoßstrom (8/20 µs) [(DC+/DC-) --> PE] (In ) 12,5 kA
Max. Ableitstoßstrom (8/20 µs) [(DC+/DC-) --> PE] (Imax ) 25 kA
Schutzpegel (UP ) ≤ 4 kV
Schutzart IP 65

Artikel 900920 wurde zum Merkzettel hinzugefügt.

Zum Merkzettel

Artikel 900920 wurde zum Warenkorb hinzugefügt.

Zum Warenkorb

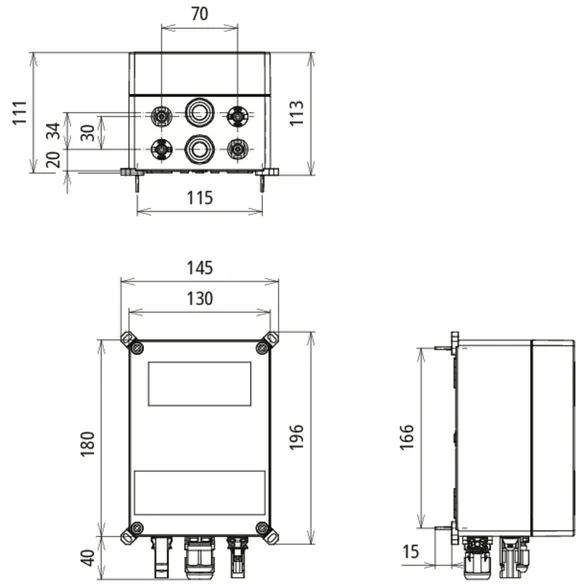
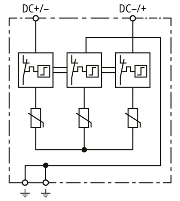
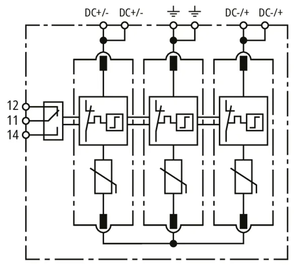
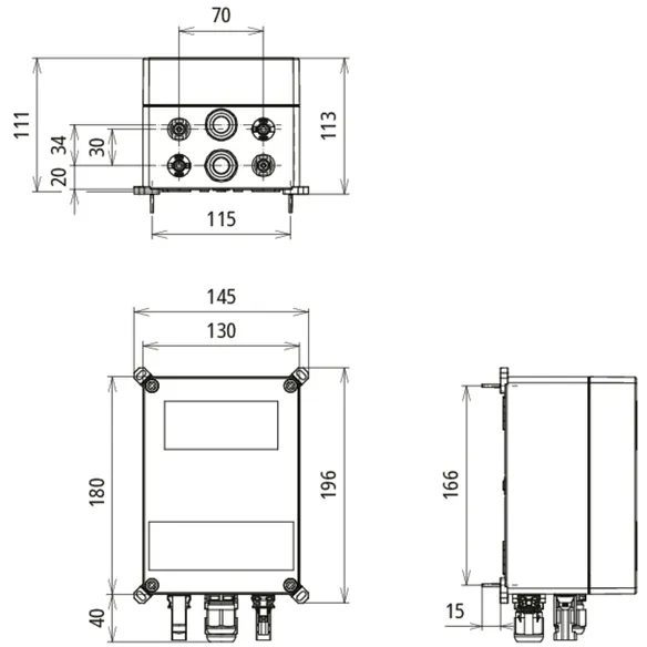
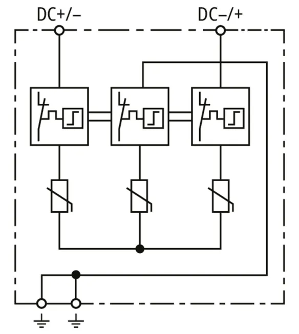
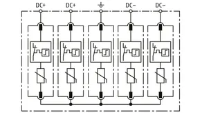
DEHNcube 2 YPV 1100 1M 2S

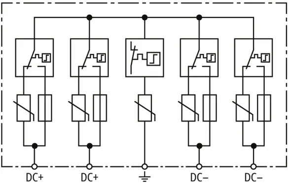
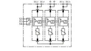
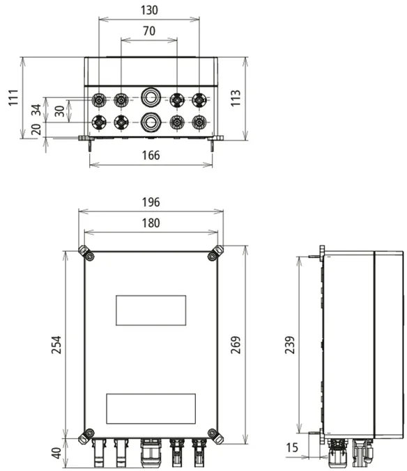
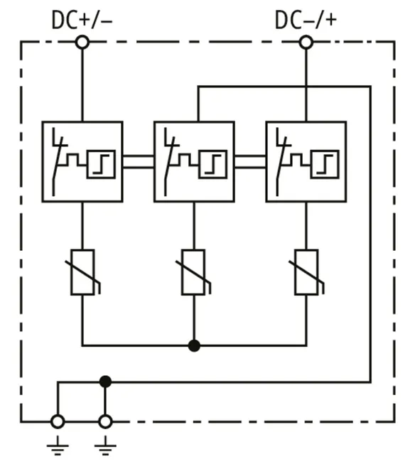
Generatoranschlusskasten für PV-Systeme bis zu 1100 V DC zum Schutz von einem MPP-Eingang und zwei Strings.
Mit Überspannungsschutz und Push-in Klemmen für den Ein- und Ausgang.

1 Produkt

Art.-Nr. 900913 DCU 2 YPV 1100 1M 2S

GTIN 4013364492455, Zolltarifnr. (EU): 85372091, Bruttogewicht: 1.59 kg, VPE: 1.00 Stk.


Abbildungen

Weitere Information

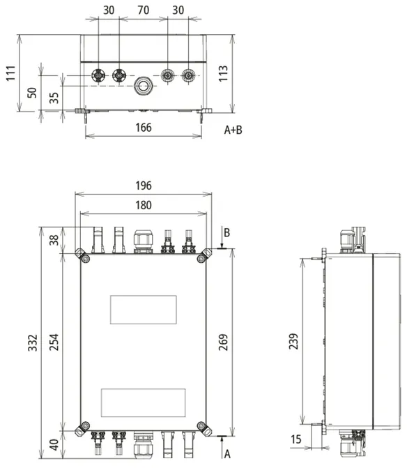
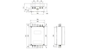
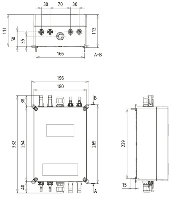
Generatoranschlusskasten DCU 2 YPV 1100 1M 2S
Generatoranschlusskasten bis 1100 V DC
zum Schutz von einem MPP Eingang und
zwei Strings in Schutzart IP65
Defektanzeige
Generatoranschlusskasten nach DIN EN IEC 61439-2
Einsetzbar gemäß IEC 60364-7-712
Maximale PV-Spannung: <=1100 V dc
Nennableitstoßstrom: (8/20) 20 kA
Gesamtableitstoßstrom: (8/20) 40 kA
Schutzpegel: <= 4 kV
Kurzschlussfestigkeit Iscpv: 10 kA
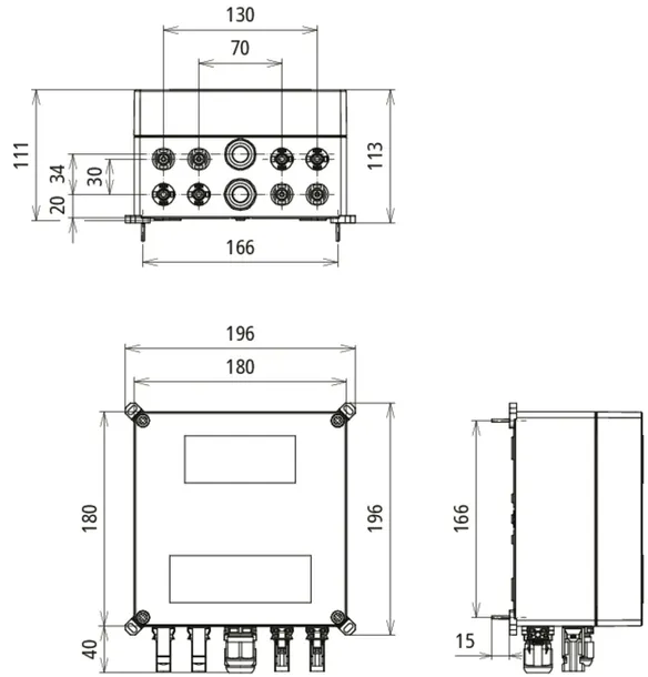
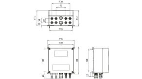
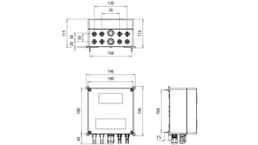
Abmessung: 180 x 182 x 111 mm
Kabeleinführung: 2x 3-Fachverschraubung (2,5mm² - 6mm² PV-Leitung)
Kabeleinführung: 2x M20

Fabrikat: DEHN
Typ: DCU 2 YPV 1100 1M 2S
Art.-Nr.: 900913
oder gleichwertig.

 

Technische Daten

SPD nach EN 61643-31 / ... IEC 61643-31 Typ 2 / Class II
Max. PV-Spannung (UCPV ) 1100 V
Kurzschlussfestigkeit (ISCPV ) 10 kA
Nennableitstoßstrom (8/20 µs) [(DC+/DC-) --> PE] (In ) 20 kA
Max. Ableitstoßstrom (8/20 µs) [(DC+/DC-) --> PE] (Imax ) 40 kA
Schutzpegel (UP ) ≤ 4 kV
Schutzart IP 65

Artikel 900913 wurde zum Merkzettel hinzugefügt.

Zum Merkzettel

Artikel 900913 wurde zum Warenkorb hinzugefügt.

Zum Warenkorb

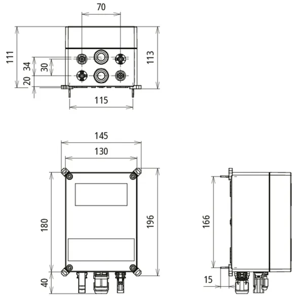
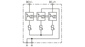
DEHNcube 2 YPV 1100 2M 1S

Generatoranschlusskasten für PV-Systeme bis zu 1100 V DC zum Schutz von zwei MPP-Eingängen und je einem String.
Mit Überspannungsschutz und Push-in Klemmen für den Ein- und Ausgang.

1 Produkt

Art.-Nr. 900921 DCU 2 YPV 1100 2M 1S

GTIN 4013364492462, Zolltarifnr. (EU): 85372091, Bruttogewicht: 2.14 kg, VPE: 1.00 Stk.


Abbildungen

Weitere Information

Generatoranschlusskasten DCU 2 YPV 1100 2M 1S
Generatoranschlusskasten bis 1100 V DC
zum Schutz von zwei MPP-Eingängen
und je einen String in Schutzart IP65
Defektanzeige
Generatoranschlusskasten nach DIN EN IEC 61439-2
Einsetzbar gemäß IEC 60364-7-712
Maximale PV-Spannung: <=1100 V dc
Nennableitstoßstrom: (8/20) 20 kA
Gesamtableitstoßstrom: (8/20) 40 kA
Schutzpegel: <= 4 kV
Kurzschlussfestigkeit Iscpv: 10 kA
Abmessung: 254 x 180 x 111 mm
Kabeleinführung: 2x 4-Fachverschraubung
(2,5mm² - 6mm² PV-Leitung)
Kabeleinführung: 2x M20

Fabrikat: DEHN
Typ: DCU 2 YPV 1100 2M 1S
Art.-Nr.: 900921
oder gleichwertig.

Zertifikate

 

Technische Daten

SPD nach EN 61643-31 / ... IEC 61643-31 Typ 2 / Class II
Max. PV-Spannung (UCPV ) 1100 V
Kurzschlussfestigkeit (ISCPV ) 10 kA
Nennableitstoßstrom (8/20 µs) [(DC+/DC-) --> PE] (In ) 20 kA
Max. Ableitstoßstrom (8/20 µs) [(DC+/DC-) --> PE] (Imax ) 40 kA
Schutzpegel (UP ) ≤ 4 kV
Schutzart IP 65

Artikel 900921 wurde zum Merkzettel hinzugefügt.

Zum Merkzettel

Artikel 900921 wurde zum Warenkorb hinzugefügt.

Zum Warenkorb

DEHNcube 2 YPV 1100 2M 2S

Generatoranschlusskasten für PV-Systeme bis zu 1100 V DC zum Schutz von zwei MPP-Eingängen und je zwei Strings.
Mit Überspannungsschutz und Push-in Klemmen für den Ein- und Ausgang.

1 Produkt

Art.-Nr. 900923 DCU 2 YPV 1100 2M 2S

GTIN 4013364492400, Zolltarifnr. (EU): 85372091, Bruttogewicht: 2.21 kg, VPE: 1.00 Stk.


Abbildungen

Weitere Information

Generatoranschlusskasten DCU 2 YPV 1100 2M 2S
Generatoranschlusskasten bis 1100 V DC
zum Schutz von zwei MPP-Eingängen
und je zwei Strings in Schutzart IP65
Defektanzeige
Generatoranschlusskasten nach DIN EN IEC 61439-2
Einsetzbar gemäß IEC 60364-7-712
Maximale PV-Spannung: <=1100 V dc
Nennableitstoßstrom: (8/20) 20 kA
Gesamtableitstoßstrom: (8/20) 40 kA
Schutzpegel: <= 4 kV
Kurzschlussfestigkeit Iscpv: 10 kA
Abmessung: 254 x 180 x 111 mm
Kabeleinführung: 4x 3-Fachverschraubung
(2,5mm² - 6mm² PV-Leitung)
Kabeleinführung: 2x M20

Fabrikat: DEHN
Typ: DCU 2 YPV 1100 2M 2S
Art.-Nr.: 900923
oder gleichwertig.

 

Technische Daten

SPD nach EN 61643-31 / ... IEC 61643-31 Typ 2 / Class II
Max. PV-Spannung (UCPV ) 1100 V
Kurzschlussfestigkeit (ISCPV ) 10 kA
Nennableitstoßstrom (8/20 µs) [(DC+/DC-) --> PE] (In ) 20 kA
Max. Ableitstoßstrom (8/20 µs) [(DC+/DC-) --> PE] (Imax ) 40 kA
Schutzpegel (UP ) ≤ 4 kV
Schutzart IP 65

Artikel 900923 wurde zum Merkzettel hinzugefügt.

Zum Merkzettel

Artikel 900923 wurde zum Warenkorb hinzugefügt.

Zum Warenkorb

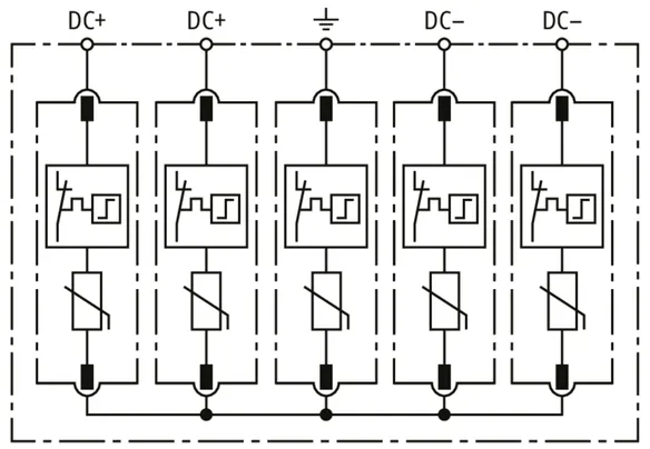
DEHNcube 2 YPV 1+2 1000 1M 2S FM

Generatoranschlusskasten für PV-Systeme bis zu 1000 V DC mit Trennklemmen zum Schutz von einem MPP-Eingang und zwei Strings.
Mit Überspannungsschutz und Push-in Klemmen für den Ein- und Ausgang.

1 Produkt

Art.-Nr. 900975 DCU 2 YPV 1+2 1000 1M 2S FM

GTIN 4013364520318, Zolltarifnr. (EU): 85371098, Bruttogewicht: 1.85 kg, VPE: 1.00 Stk.


Abbildungen

Weitere Information

GAK DCU 2 YPV 1+2 1000 1M 2S FM
Generatoranschlusskasten bis 1000 V DC
zum Schutz von einem MPP Eingang und
zwei Strings in Schutzart IP65
mit Fernmeldekontakt, Defektanzeige
Generatoranschlusskasten nach DIN EN IEC 61439-2
Einsetzbar gemäß IEC 60364-7-712
Maximale PV-Spannung: <=1000 V dc
Nennableitstoßstrom: (8/20) 20 kA
Gesamtableitstoßstrom: (8/20) 40 kA
Schutzpegel: <= 3,8 kV
Kurzschlussfestigkeit Iscpv: 10 kA
Abmessung: 182 x 180 x 111 mm
Kabeleinführung: 2x 3-Fachverschraubung
(2,5mm² - 6mm² PV-Leitung)
Kabeleinführung: 2x M20

Fabrikat: DEHN
Typ: DCU 2 YPV 1+2 1000 1M 2S FM
Art.-Nr.: 900975
oder gleichwertig.

Zertifikate

 

Technische Daten

SPD nach EN 61643-31 / ... IEC 61643-31 Typ 1 + Typ 2 / Class I + Class II
Max. PV-Spannung (UCPV ) 1000 V
Kurzschlussfestigkeit (ISCPV ) 10 kA
Nennableitstoßstrom (8/20 µs) [(DC+/DC-) --> PE] (In ) 20 kA
Max. Ableitstoßstrom (8/20 µs) [(DC+/DC-) --> PE] (Imax ) 40 kA
Schutzpegel (UP ) ≤ 3,8 kV
Schutzart IP 65

Artikel 900975 wurde zum Merkzettel hinzugefügt.

Zum Merkzettel

Artikel 900975 wurde zum Warenkorb hinzugefügt.

Zum Warenkorb

DEHNcube 2 YPV 1+2 1000 2M 2S FM

Generatoranschlusskasten für PV-Systeme bis zu 1000 V DC mit Trennklemmen zum Schutz von zwei MPP-Eingängen und je zwei Strings.
Mit Überspannungsschutz und Push-in Klemmen für den Ein- und Ausgang.

1 Produkt

Art.-Nr. 900976 DCU 2 YPV 1+2 1000 2M 2S FM

GTIN 4013364520295, Zolltarifnr. (EU): 85371098, Bruttogewicht: 2.69 kg, VPE: 1.00 Stk.


Abbildungen

Weitere Information

Generatoranschlusskasten DCU 2 YPV 1+2 1000 2M 2S FM
Generatoranschlusskasten bis 1000 V DC
zum Schutz von zwei MPP-Eingängen
und je zwei Strings in Schutzart IP65
mit Fernmeldekontakt, Defektanzeige
Generatoranschlusskasten nach DIN EN IEC 61439-2
Einsetzbar gemäß IEC 60364-7-712
Maximale PV-Spannung: <=1100 V dc
Nennableitstoßstrom: (8/20) 20 kA
Gesamtableitstoßstrom: (8/20) 40 kA
Schutzpegel: <= 3,8 kV
Kurzschlussfestigkeit Iscpv: 10 kA
Abmessung: 254 x 180 x 111 mm
Kabeleinführung: 4x 3-Fachverschraubung
(2,5 mm² - 6 mm² PV-Leitung)
Kabeleinführung: 2x M20

Fabrikat: DEHN
Typ: DCU 2 YPV 1+2 1000 2M 2S FM
Art.-Nr.: 900976
oder gleichwertig.

Zertifikate

 

Technische Daten

SPD nach EN 61643-31 / ... IEC 61643-31 Typ 1 + Typ 2 / Class I + Class II
Max. PV-Spannung (UCPV ) 1000 V
Kurzschlussfestigkeit (ISCPV ) 10 kA
Nennableitstoßstrom (8/20 µs) [(DC+/DC-) --> PE] (In ) 20 kA
Max. Ableitstoßstrom (8/20 µs) [(DC+/DC-) --> PE] (Imax ) 40 kA
Schutzpegel (UP ) ≤ 3,8 kV
Schutzart IP 65

Artikel 900976 wurde zum Merkzettel hinzugefügt.

Zum Merkzettel

Artikel 900976 wurde zum Warenkorb hinzugefügt.

Zum Warenkorb

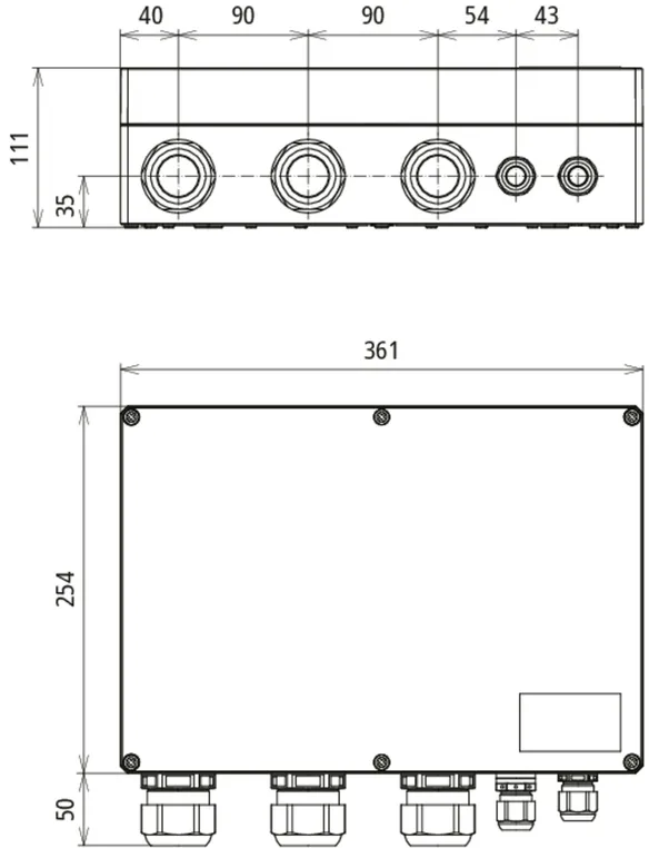
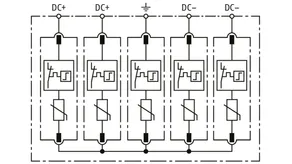
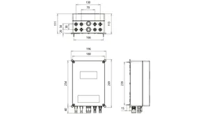
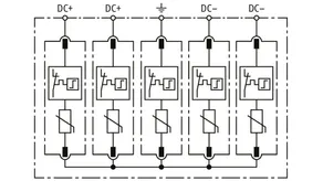
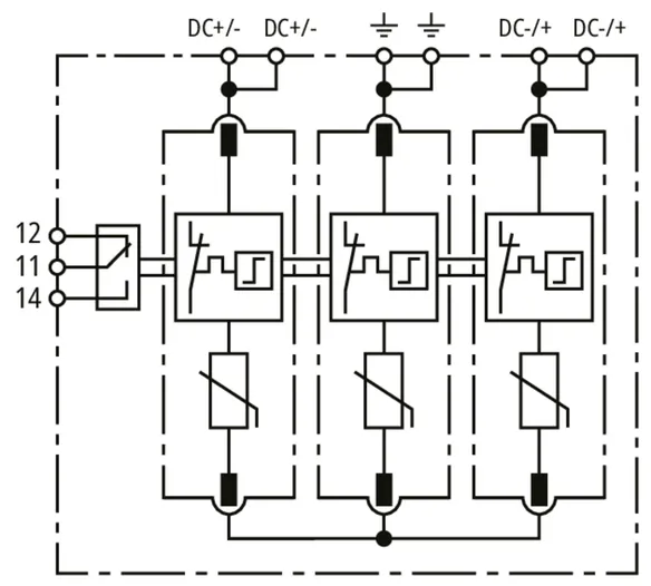
DEHNcube 2 YPV 1+2 1000 3M 2S FM

Generatoranschlusskasten für PV-Systeme bis zu 1000 V DC mit Trennklemmen zum Schutz von drei MPP-Eingängen und je zwei Strings.
Mit Überspannungsschutz und Push-in Klemmen für den Ein- und Ausgang.

1 Produkt

Art.-Nr. 900978 DCU 2 YPV 1+2 1000 3M 2S FM

GTIN 4013364534766, Zolltarifnr. (EU): 85372091, Bruttogewicht: 4.19 kg, VPE: 1.00 Stk.


Abbildungen

Weitere Information

GAK DCU 2 YPV 1+2 1000 3M 2S FM
Generatoranschlusskasten bis 1000 V DC
zum Schutz von drei MPP Eingängen und
je zwei Strings in Schutzart IP65
mit Fernmeldekontakt, Defektanzeige
Generatoranschlusskasten nach DIN EN IEC 61439-2
Einsetzbar gemäß IEC 60364-7-712
Maximale PV-Spannung: <=1000 V dc
In: (8/20) 20 kA / pol
Itotal: (10/350) 12,5 kA
Up: <= 3,8 kV
Kurzschlussfestigkeit Iscpv: 10 kA
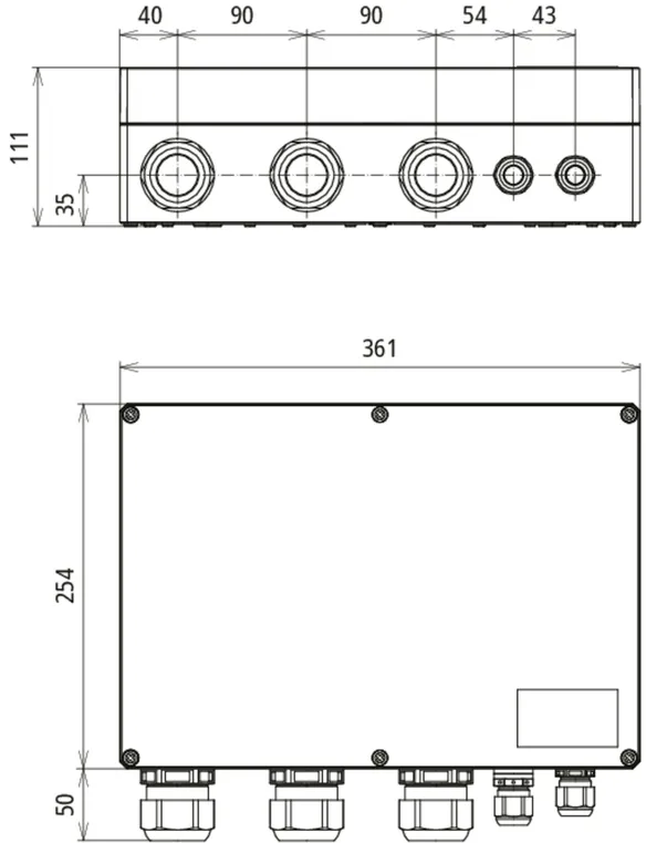
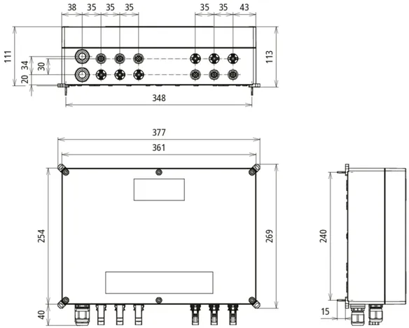
Abmessung: 361 x 254 x 111 mm
Kabeleinführung: 3x 6-Fachverschraubung
(2,5mm² - 6mm² PV-Leitung)
Kabeleinführung: 2x M20

Fabrikat: DEHN
Typ: DCU 2 YPV 1+2 1000 3M 2S FM
Art.-Nr.: 900978
oder gleichwertig.

Zertifikate

 

Technische Daten

SPD nach EN 61643-31 / ... IEC 61643-31 Typ 1 + Typ 2 / Class I + Class II
Max. PV-Spannung (UCPV ) 1000 V
Kurzschlussfestigkeit (ISCPV ) 10 kA
Nennableitstoßstrom (8/20 µs) [(DC+/DC-) --> PE] (In ) 20 kA
Max. Ableitstoßstrom (8/20 µs) [(DC+/DC-) --> PE] (Imax ) 40 kA
Schutzpegel (UP ) ≤ 3,8 kV
Schutzart IP 65

Artikel 900978 wurde zum Merkzettel hinzugefügt.

Zum Merkzettel

Artikel 900978 wurde zum Warenkorb hinzugefügt.

Zum Warenkorb

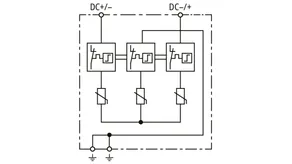
DEHNcube 2 YPV 1100 1M 1S MC4 FM

Generatoranschlusskasten für PV-Systeme bis zu 1100 V DC zum Schutz von einem MPP-Eingang und einem String.

1 Produkt

Art.-Nr. 900911 DCU 2 YPV 1100 1M 1S MC4 FM

GTIN 4013364529182, Zolltarifnr. (EU): 85372091, Bruttogewicht: 1027.00 g, VPE: 1.00 Stk.


Abbildungen

Weitere Information

GAK DCU 2 YPV 1100 1M 1S MC4 FM
Generatoranschlusskasten bis 1100 V DC
zum Schutz von einem MPP-Eingang
und einem String in Schutzart IP65
mit Fernmeldekontakt, Defektanzeige
Generatoranschlusskasten nach DIN EN IEC 61439-2
Einsetzbar gemäß IEC 60364-7-712
Maximale PV-Spannung: <=1100 V DC
Nennableitstoßstrom: (8/20) 20 kA
Gesamtableitstoßstrom: (8/20) 40 kA
Schutzpegel: <= 4 kV
Kurzschlussfestigkeit Iscpv: 10 kA
Abmessung: 180 x 130 x 111 mm
Anschlussart: Original MC4 Steckverbindung

Fabrikat: DEHN
Typ: DCU 2 YPV 1100 1M 1S MC4 FM
Art.-Nr.: 900911
oder gleichwertig.

Zertifikate

 

Technische Daten

SPD nach EN 61643-31 / ... IEC 61643-31 Typ 2 / Class II
Max. PV-Spannung (UCPV ) 1100 V
Kurzschlussfestigkeit (ISCPV ) 10 kA
Nennableitstoßstrom (8/20 µs) [(DC+/DC-) --> PE] (In ) 20 kA
Max. Ableitstoßstrom (8/20 µs) [(DC+/DC-) --> PE] (Imax ) 40 kA
Schutzpegel (UP ) ≤ 4 kV
Schutzart IP 65

Artikel 900911 wurde zum Merkzettel hinzugefügt.

Zum Merkzettel

Artikel 900911 wurde zum Warenkorb hinzugefügt.

Zum Warenkorb

DEHNcube 2 YPV 1100 2M 1S MC4

Generatoranschlusskasten für PV-Systeme bis zu 1100 V DC zum Schutz von zwei MPP-Eingängen und je einem String.

1 Produkt

Art.-Nr. 900924 DCU 2 YPV 1100 2M 1S MC4

GTIN 4013364529205, Zolltarifnr. (EU): 85372091, Bruttogewicht: 1963.00 g, VPE: 1.00 Stk.


Abbildungen

Weitere Information

GAK DCU 2 YPV 1100 2M 1S MC4
Generatoranschlusskasten bis 1100 V DC
zum Schutz von zwei MPP-Eingängen
und je einem String in Schutzart IP65
Defektanzeige
Generatoranschlusskasten nach DIN EN IEC 61439-2
Einsetzbar gemäß IEC 60364-7-712
Maximale PV-Spannung: <=1100 V DC
Nennableitstoßstrom: (8/20) 20 kA
Gesamtableitstoßstrom: (8/20) 40 kA
Schutzpegel: <= 4 kV
Kurzschlussfestigkeit Iscpv: 10 kA
Abmessung: 180 x 180 x 111 mm
Anschlussart: Original MC4 Steckverbindung

Fabrikat: DEHN
Typ: DCU 2 YPV 1100 2M 1S MC4
Art.-Nr.: 900924
oder gleichwertig.

Zertifikate

 

Technische Daten

SPD nach EN 61643-31 / ... IEC 61643-31 Typ 2 / Class II
Max. PV-Spannung (UCPV ) 1100 V
Kurzschlussfestigkeit (ISCPV ) 10 kA
Nennableitstoßstrom (8/20 µs) [(DC+/DC-) --> PE] (In ) 20 kA
Max. Ableitstoßstrom (8/20 µs) [(DC+/DC-) --> PE] (Imax ) 40 kA
Schutzpegel (UP ) ≤ 4 kV
Schutzart IP 65

Artikel 900924 wurde zum Merkzettel hinzugefügt.

Zum Merkzettel

Artikel 900924 wurde zum Warenkorb hinzugefügt.

Zum Warenkorb

DEHNcube 2 YPV 1100 3M 1S MC4 FM

Generatoranschlusskasten für PV-Systeme bis zu 1100 V DC zum Schutz von drei MPP-Eingängen und je einem String.

1 Produkt

Art.-Nr. 900931 DCU 2 YPV 1100 3M 1S MC4 FM

GTIN 4013364534742, Zolltarifnr. (EU): 85372091, Bruttogewicht: 2.63 kg, VPE: 1.00 Stk.


Abbildungen

Weitere Information

GAK DCU 2 YPV 1100 3M 1S MC4 FM
Generatoranschlusskasten bis 1100 V DC
zum Schutz von drei MPP-Eingängen
und je einem String in Schutzart IP65
mit Fernmeldekontakt, Defektanzeige
Generatoranschlusskasten nach DIN EN IEC 61439-2
Einsetzbar gemäß IEC 60364-7-712
Maximale PV-Spannung: <=1100 V DC
In: (8/20) 20 kA / pol
Itotal: (8/20) 40 kA
Up: <= 4 kV
Kurzschlussfestigkeit Iscpv: 10 kA
Abmessung: 254 x 180 x 111 mm
Anschlussart: Original MC4 Steckverbindung

Fabrikat: DEHN
Typ: DCU 2 YPV 1100 3M 1S MC4 FM
Art.-Nr.: 900931
oder gleichwertig.

Zertifikate

 

Technische Daten

SPD nach EN 61643-31 / ... IEC 61643-31 Typ 2 / Class II
Max. PV-Spannung (UCPV ) 1100 V
Kurzschlussfestigkeit (ISCPV ) 10 kA
Nennableitstoßstrom (8/20 µs) [(DC+/DC-) --> PE] (In ) 20 kA
Max. Ableitstoßstrom (8/20 µs) [(DC+/DC-) --> PE] (Imax ) 40 kA
Schutzpegel (UP ) ≤ 4 kV
Schutzart IP 65

Artikel 900931 wurde zum Merkzettel hinzugefügt.

Zum Merkzettel

Artikel 900931 wurde zum Warenkorb hinzugefügt.

Zum Warenkorb

DEHNcube 2 YPV 1+2 1200 1M 1S MC4

Generatoranschlusskasten für PV-Systeme bis zu 1200 V DC zum Schutz von einem MPP-Eingang und einem String.

1 Produkt

Art.-Nr. 900985 DCU 2 YPV 1+2 1200 1M 1S MC4

GTIN 4013364529199, Zolltarifnr. (EU): 85372091, Bruttogewicht: 1169.00 g, VPE: 1.00 Stk.


Abbildungen

Weitere Information

GAK DCU 2 YPV 1+2 1200 1M 1S MC4
Generatoranschlusskasten bis 1200 V DC
zum Schutz von einem MPP-Eingang
und einem String in Schutzart IP65
Defektanzeige
Generatoranschlusskasten nach DIN EN IEC 61439-2
Einsetzbar gemäß IEC 60364-7-712
Maximale PV-Spannung: <=1200 V DC
In: (8/20) 20 kA / pol
Itotal: (10/350) 12,5 kA
Up: <= 3,8 kV
Kurzschlussfestigkeit Iscpv: 10 kA
Abmessung: 180 x 130 x 111 mm
Anschlussart: Original MC4 Steckverbindung

Fabrikat: DEHN
Typ: DCU 2 YPV 1+2 1200 1M 1S MC4
Art.-Nr.: 900985
oder gleichwertig.

Zertifikate

 

Technische Daten

SPD nach EN 61643-31 / ... IEC 61643-31 Typ 1 + Typ 2 / Class I + Class II
Kurzschlussfestigkeit (ISCPV ) 10 kA
Schutzpegel (UP ) < 3,8 kV
Schutzart IP 65

Artikel 900985 wurde zum Merkzettel hinzugefügt.

Zum Merkzettel

Artikel 900985 wurde zum Warenkorb hinzugefügt.

Zum Warenkorb

DEHNcube 2 YPV 1+2 1200 2M 1S MC4

Generatoranschlusskasten für PV-Systeme bis zu 1200 V DC zum Schutz von zwei MPP-Eingängen und je einem String.

1 Produkt

Art.-Nr. 900986 DCU 2 YPV 1+2 1200 2M 1S MC4

GTIN 4013364529212, Zolltarifnr. (EU): 85372091, Bruttogewicht: 2.76 kg, VPE: 1.00 Stk.


Abbildungen

Weitere Information

GAK DCU 2 YPV 1+2 1200 2M 1S MC4
Generatoranschlusskasten bis 1200 V DC
zum Schutz von zwei MPP-Eingängen
und je einem String in Schutzart IP65
Defektanzeige
Generatoranschlusskasten nach DIN EN IEC 61439-2
Einsetzbar gemäß IEC 60364-7-712
Maximale PV-Spannung: <=1200 V DC
In: (8/20) 20 kA / pol
Itotal: (10/350) 12,5 kA
Up: <= 3,8 kV
Kurzschlussfestigkeit Iscpv: 10 kA
Abmessung: 254 x 180 x 111 mm
Anschlussart: Original MC4 Steckverbindung

Fabrikat: DEHN
Typ: DCU 2 YPV 1+2 1200 2M 1S MC4
Art.-Nr.: 900986
oder gleichwertig.

Zertifikate

 

Technische Daten

SPD nach EN 61643-31 / ... IEC 61643-31 Typ 1 + Typ 2 / Class I + Class II
Kurzschlussfestigkeit (ISCPV ) 10 kA
Schutzpegel (UP ) < 3,8 kV
Schutzart IP 65

Artikel 900986 wurde zum Merkzettel hinzugefügt.

Zum Merkzettel

Artikel 900986 wurde zum Warenkorb hinzugefügt.

Zum Warenkorb

DEHNcube 2 YPV 1+2 1200 2M 2S MC4

Generatoranschlusskasten für PV-Systeme bis zu 1200 V DC zum Schutz von zwei MPP-Eingängen und je zwei Strings.

1 Produkt

Art.-Nr. 900987 DCU 2 YPV 1+2 1200 2M 2S MC4

GTIN 4013364534735, Zolltarifnr. (EU): 85372091, Bruttogewicht: 2.74 kg, VPE: 1.00 Stk.


Abbildungen

Weitere Information

GAK DCU 2 YPV 1+2 1200 2M 2S MC4
Generatoranschlusskasten bis 1200 V DC
zum Schutz von zwei MPP-Eingängen
und je zwei Strings in Schutzart IP65
Defektanzeige
Generatoranschlusskasten nach DIN EN IEC 61439-2
Einsetzbar gemäß IEC 60364-7-712
Maximale PV-Spannung: <=1200 V DC
In: (8/20) 20 kA / pol
Itotal: (10/350) 12,5 kA
Up: <= 3,8 kV
Kurzschlussfestigkeit Iscpv: 10 kA
Abmessung: 254 x 180 x 111 mm
Anschlussart: Original MC4 Steckverbindung

Fabrikat: DEHN
Typ: DCU 2 YPV 1+2 1200 2M 2S MC4
Art.-Nr.: 900987
oder gleichwertig.

Zertifikate

 

Technische Daten

SPD nach EN 61643-31 / ... IEC 61643-31 Typ 1 + Typ 2 / Class I + Class II
Kurzschlussfestigkeit (ISCPV ) 10 kA
Schutzpegel (UP ) < 3,8 kV
Schutzart IP 65

Artikel 900987 wurde zum Merkzettel hinzugefügt.

Zum Merkzettel

Artikel 900987 wurde zum Warenkorb hinzugefügt.

Zum Warenkorb

DEHNcube 2 YPV 1+2 1200 3M 1S MC4

Generatoranschlusskasten für PV-Systeme bis zu 1200 V DC zum Schutz von drei MPP-Eingängen und je einem String.

1 Produkt

Art.-Nr. 900988 DCU 2 YPV 1+2 1200 3M 1S MC4 FM

GTIN 4013364534759, Zolltarifnr. (EU): 85372091, Bruttogewicht: 3.70 kg, VPE: 1.00 Stk.


Abbildungen

Weitere Information

GAK DCU 2 YPV 1200 3M 1S MC4 FM
Generatoranschlusskasten bis 1200 V DC
zum Schutz von drei MPP-Eingängen
und je einem String in Schutzart IP65
mit Fernmeldekontakt, Defektanzeige
Generatoranschlusskasten nach DIN EN IEC 61439-2
Einsetzbar gemäß IEC 60364-7-712
Maximale PV-Spannung: <=1200 V DC
In: (8/20) 20 kA / pol
Itotal: (10/350) 12,5 kA
Up: <= 3,8 kV
Kurzschlussfestigkeit Iscpv: 10 kA
Abmessung: 361 x 254 x 111 mm
Anschlussart: Original MC4 Steckverbindung

Fabrikat: DEHN
Typ: DCU 2 YPV 1+2 1200 3M 1S MC4 FM
Art.-Nr.: 900988
oder gleichwertig.

Zertifikate

 

Technische Daten

SPD nach EN 61643-31 / ... IEC 61643-31 Typ 1 + Typ 2 / Class I + Class II
Kurzschlussfestigkeit (ISCPV ) 10 kA
Schutzpegel (UP ) < 3,8 kV
Schutzart IP 65

Artikel 900988 wurde zum Merkzettel hinzugefügt.

Zum Merkzettel

Artikel 900988 wurde zum Warenkorb hinzugefügt.

Zum Warenkorb

DEHNcube S 2 YPV 1100 1M 1S MC4 FM

Generatoranschlusskasten für PV-Systeme bis zu 1100 V DC zum Schutz von einem MPP-Eingang und einem String.

1 Produkt

Art.-Nr. 900918 DCU S 2 YPV 1100 1M 1S MC4 FM

GTIN 4013364538450, Zolltarifnr. (EU): 85372091, Bruttogewicht: 1400.00 g, VPE: 1.00 Stk.


Abbildungen

Weitere Information

GAK DCU S 2 YPV 1100 1M 1S MC4 FM
Generatoranschlusskasten bis 1100 V DC
zum Schutz von einem MPP-Eingang
und einem String in Schutzart IP65
mit Fernmeldekontakt, Defektanzeige
Generatoranschlusskasten nach DIN EN IEC 61439-2
Einsetzbar gemäß IEC 60364-7-712
Maximale PV-Spannung: <=1100 V DC
Nennableitstoßstrom: (8/20) 20 kA
Gesamtableitstoßstrom: (8/20) 40 kA
Schutzpegel: <= 4 kV
Kurzschlussfestigkeit Iscpv: 10 kA
Abmessung: 180 x 130 x 111 mm
Anschlussart: Original MC4 Steckverbindung

Fabrikat: DEHN
Typ: DCU S 2 YPV 1100 1M 1S MC4 FM
Art.-Nr.: 900918
oder gleichwertig.

Zertifikate

 

Technische Daten

SPD nach EN 61643-31 / ... IEC 61643-31 Typ 2 / Class II
Max. PV-Spannung (UCPV ) 1100 V
Kurzschlussfestigkeit (ISCPV ) 10 kA
Nennableitstoßstrom (8/20 µs) [(DC+/DC-) --> PE] (In ) 20 kA
Max. Ableitstoßstrom (8/20 µs) [(DC+/DC-) --> PE] (Imax ) 40 kA
Schutzpegel (UP ) ≤ 4 kV
Schutzart IP 65

Artikel 900918 wurde zum Merkzettel hinzugefügt.

Zum Merkzettel

Artikel 900918 wurde zum Warenkorb hinzugefügt.

Zum Warenkorb

DEHNcube S 2 YPV 1100 2M 1S MC4

Generatoranschlusskasten für PV-Systeme bis zu 1100 V DC zum Schutz von zwei MPP-Eingängen und je einem String.

1 Produkt

Art.-Nr. 900926 DCU S 2 YPV 1100 2M 1S MC4

GTIN 4013364538467, Zolltarifnr. (EU): 85372091, Bruttogewicht: 1883.00 g, VPE: 1.00 Stk.


Abbildungen

Weitere Information

GAK DCU S 2 YPV 1100 2M 1S MC4
Generatoranschlusskasten bis 1100 V DC
zum Schutz von zwei MPP-Eingängen
und je einem String in Schutzart IP65
Defektanzeige
Generatoranschlusskasten nach DIN EN IEC 61439-2
Einsetzbar gemäß IEC 60364-7-712
Maximale PV-Spannung: <=1100 V DC
Nennableitstoßstrom: (8/20) 20 kA
Gesamtableitstoßstrom: (8/20) 40 kA
Schutzpegel: <= 4 kV
Kurzschlussfestigkeit Iscpv: 10 kA
Abmessung: 180 x 180 x 111 mm
Anschlussart: Original MC4 Steckverbindung

Fabrikat: DEHN
Typ: DCU S 2 YPV 1100 2M 1S MC4
Art.-Nr.: 900926
oder gleichwertig.

Zertifikate

 

Technische Daten

SPD nach EN 61643-31 / ... IEC 61643-31 Typ 2 / Class II
Max. PV-Spannung (UCPV ) 1100 V
Kurzschlussfestigkeit (ISCPV ) 10 kA
Nennableitstoßstrom (8/20 µs) [(DC+/DC-) --> PE] (In ) 20 kA
Max. Ableitstoßstrom (8/20 µs) [(DC+/DC-) --> PE] (Imax ) 40 kA
Schutzpegel (UP ) ≤ 4 kV
Schutzart IP 65

Artikel 900926 wurde zum Merkzettel hinzugefügt.

Zum Merkzettel

Artikel 900926 wurde zum Warenkorb hinzugefügt.

Zum Warenkorb

DEHNcube S 2 YPV 1+2 1200 1M 1S MC4

Generatoranschlusskasten für PV-Systeme bis zu 1200 V DC zum Schutz von einem MPP-Eingang und einem String.

1 Produkt

Art.-Nr. 900980 DCU S 2 YPV 1+2 1200 1M 1S MC4

GTIN 4013364538481, Zolltarifnr. (EU): 85372091, Bruttogewicht: 1537.00 g, VPE: 1.00 Stk.


Abbildungen

Weitere Information

GAK DCU S 2 YPV 1+2 1200 1M 1S MC4
Generatoranschlusskasten bis 1200 V DC
zum Schutz von einem MPP-Eingang
und einem String in Schutzart IP65
Defektanzeige
Generatoranschlusskasten nach DIN EN IEC 61439-2
Einsetzbar gemäß IEC 60364-7-712
Maximale PV-Spannung: <=1200 V DC
In: (8/20) 20 kA / pol
Itotal: (10/350) 12,5 kA
Up: <= 3,8 kV
Kurzschlussfestigkeit Iscpv: 10 kA
Abmessung: 180 x 130 x 111 mm
Anschlussart: Original MC4 Steckverbindung

Fabrikat: DEHN
Typ: DCU S 2 YPV 1+2 1200 1M 1S MC4
Art.-Nr.: 900980
oder gleichwertig.

Zertifikate

 

Technische Daten

SPD nach EN 61643-31 / ... IEC 61643-31 Typ 1 + Typ 2 / Class I + Class II
Kurzschlussfestigkeit (ISCPV ) 10 kA
Schutzpegel (UP ) < 3,8 kV
Schutzart IP 65

Artikel 900980 wurde zum Merkzettel hinzugefügt.

Zum Merkzettel

Artikel 900980 wurde zum Warenkorb hinzugefügt.

Zum Warenkorb

DEHNcube S 2 YPV 1+2 1200 2M 1S MC4

Generatoranschlusskasten für PV-Systeme bis zu 1200 V DC zum Schutz von zwei MPP-Eingängen und je einem String.

1 Produkt

Art.-Nr. 900981 DCU S 2 YPV 1+2 1200 2M 1S MC4

GTIN 4013364538498, Zolltarifnr. (EU): 85372091, Bruttogewicht: 2634.00 g, VPE: 1.00 Stk.


Abbildungen

Weitere Information

GAK DCU S 2 YPV 1+2 1200 2M 1S MC4
Generatoranschlusskasten bis 1200 V DC
zum Schutz von zwei MPP-Eingängen
und je einem String in Schutzart IP65
Defektanzeige
Generatoranschlusskasten nach DIN EN IEC 61439-2
Einsetzbar gemäß IEC 60364-7-712
Maximale PV-Spannung: <=1200 V DC
In: (8/20) 20 kA / pol
Itotal: (10/350) 12,5 kA
Up: <= 3,8 kV
Kurzschlussfestigkeit Iscpv: 10 kA
Abmessung: 254 x 180 x 111 mm
Anschlussart: Original MC4 Steckverbindung

Fabrikat: DEHN
Typ: DCU S 2 YPV 1+2 1200 2M 1S MC4
Art.-Nr.: 900981
oder gleichwertig.

Zertifikate

 

Technische Daten

SPD nach EN 61643-31 / ... IEC 61643-31 Typ 1 + Typ 2 / Class I + Class II
Kurzschlussfestigkeit (ISCPV ) 10 kA
Schutzpegel (UP ) < 3,8 kV
Schutzart IP 65

Artikel 900981 wurde zum Merkzettel hinzugefügt.

Zum Merkzettel

Artikel 900981 wurde zum Warenkorb hinzugefügt.

Zum Warenkorb

nach oben