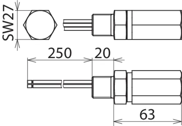
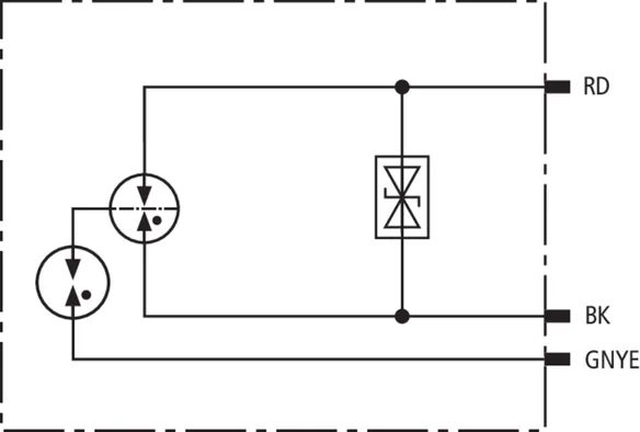
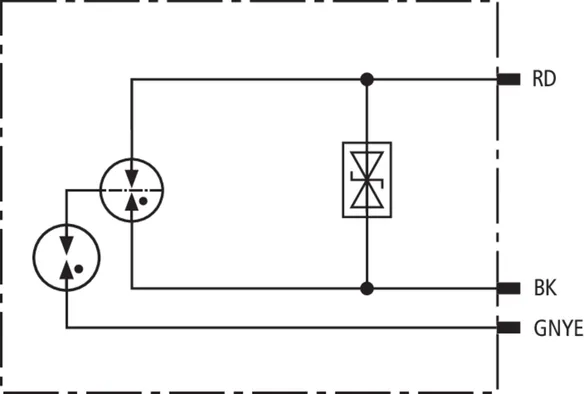
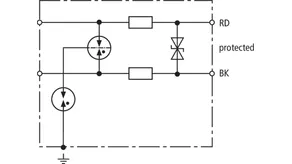
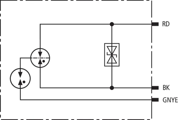
DEHNpipe
:quality(98)/www.elvatec.ch/store/f/63042218/HDVORSCHAU/929952a1_16-9.jpg)
:quality(98)/www.elvatec.ch/store/f/63042218/HDVORSCHAU/929952a1_16-9.jpg)
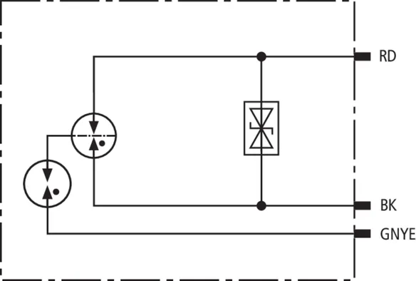
- In parallel- oder Serienverdrahtung
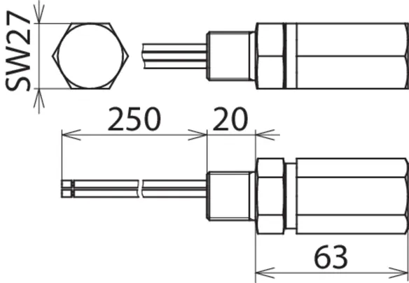
- Fertigung aus korrosionsbeständigem Edelstahl
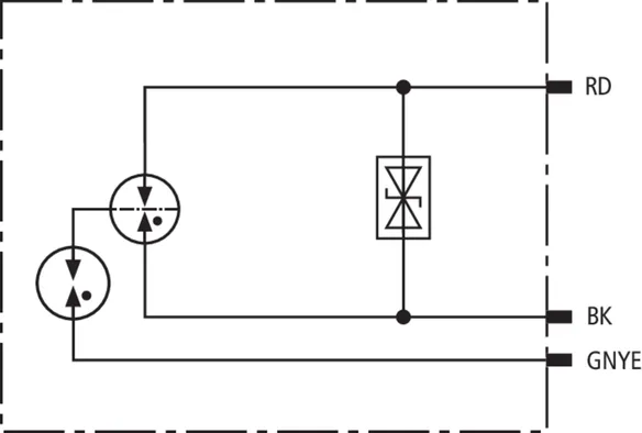
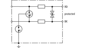
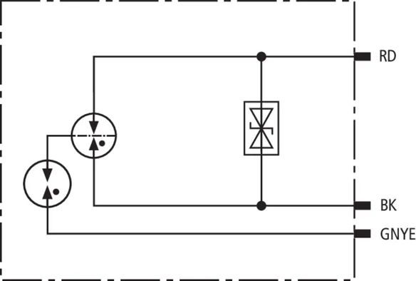
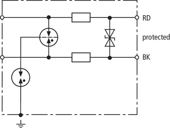
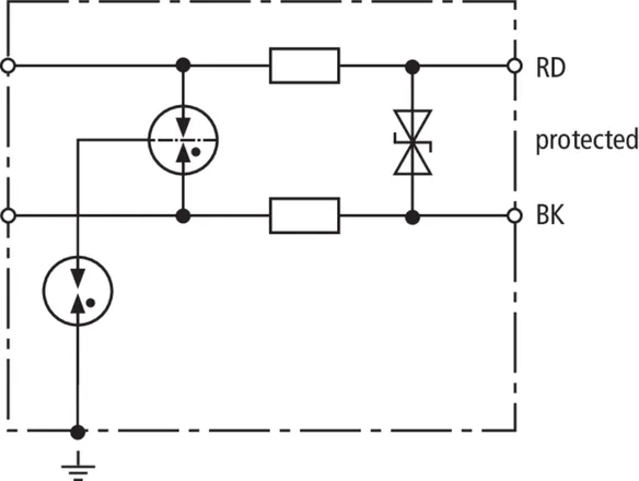
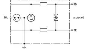
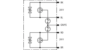
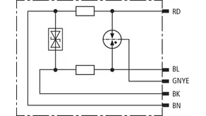
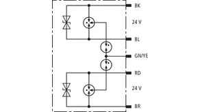
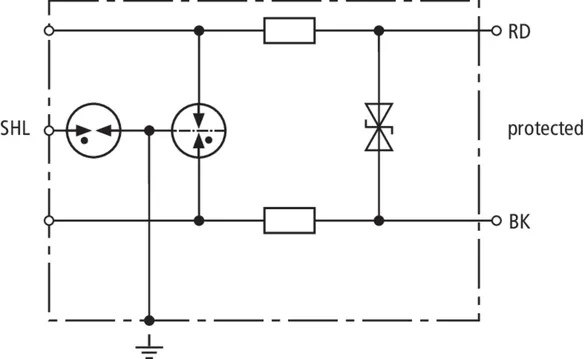
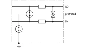
- Ableiter zum Schutz einer zweiten Schnittstellen (Datenseite oder Energieseite) verfügbar
- Zum Schutz eigensicherer Messkreise und Bussysteme Ex (i)
- Ausführung in druckfester Kapselung Ex (d)
Details
:quality(98)/www.elvatec.ch/store/f/63042222/HDVORSCHAU/929952a4_Kat.jpg)
:quality(98)/www.elvatec.ch/store/f/63042222/HDVORSCHAU/929952a4_Kat.jpg)
:quality(98)/www.elvatec.ch/store/f/63042219/HDVORSCHAU/929921_941_Kat.jpg)
:quality(98)/www.elvatec.ch/store/f/63042219/HDVORSCHAU/929921_941_Kat.jpg)
:quality(98)/www.elvatec.ch/store/f/63042221/HDVORSCHAU/929952a3_Kat.jpg)
:quality(98)/www.elvatec.ch/store/f/63042221/HDVORSCHAU/929952a3_Kat.jpg)
:quality(98)/www.elvatec.ch/store/f/63042220/HDVORSCHAU/929952a2_Kat.jpg)
:quality(98)/www.elvatec.ch/store/f/63042220/HDVORSCHAU/929952a2_Kat.jpg)
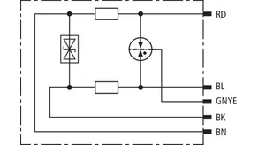
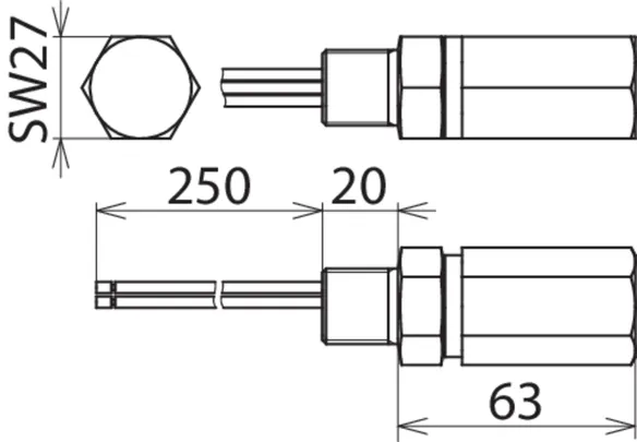
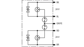
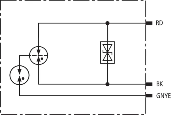
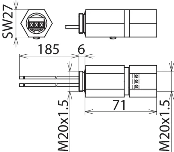
Art.-Nr. 929941 DPI MD 24 M 2S
GTIN 4013364098152, Zolltarifnr. (EU): 85363010, Bruttogewicht: 187.40 g, VPE: 1.00 Stk.
Technische Daten
Ableiterklasse | Q |
Höchste Dauerspannung DC (UC ) | 34,8 V |
Nennstrom (IL ) | 0,5 A |
D1 Blitzstoßstrom (10/350 µs) pro Ader (Iimp ) | 1 kA |
C2 Nennableitstoßstrom (8/20 µs) gesamt (In ) | 10 kA |
Grenzfrequenz Ad-Ad (fG ) | 14 MHz |
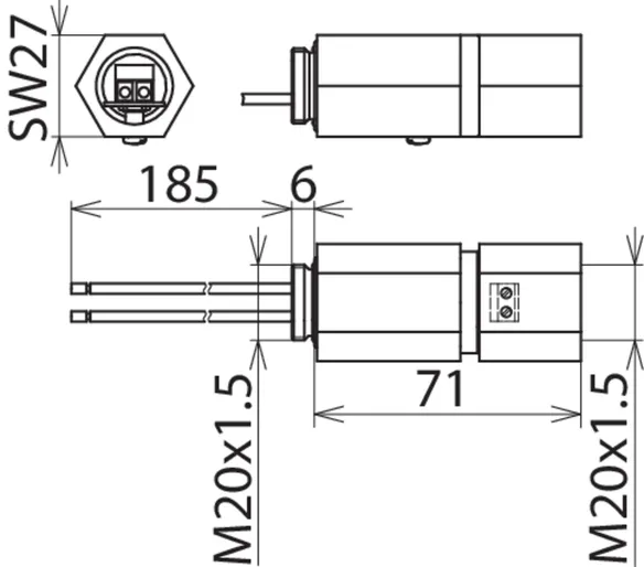
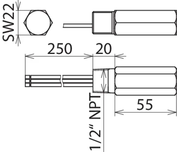
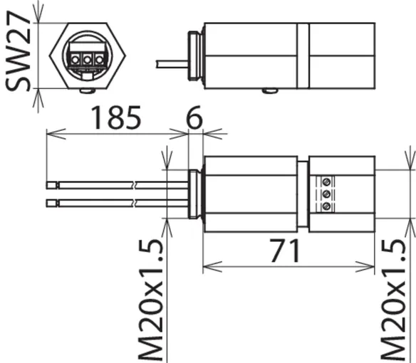
Montage Feld- / Geräteseite | M20 x 1,5 Innengewinde / M20 x 1,5 Außengewinde |
Zulassungen | SIL |
*) Details siehe: www.dehn.de |
Art.-Nr. 929960 DPI MD EX 24 M 2
GTIN 4013364098145, Zolltarifnr. (EU): 85363010, Bruttogewicht: 185.80 g, VPE: 1.00 Stk.
Technische Daten
Ableiterklasse | T |
Höchste Dauerspannung DC (UC ) | 34,8 V |
Nennstrom (IL ) | 0,5 A |
D1 Blitzstoßstrom (10/350 µs) pro Ader (Iimp ) | 1 kA |
C2 Nennableitstoßstrom (8/20 µs) gesamt (In ) | 10 kA |
Grenzfrequenz Ad-Ad (fG ) | 7 MHz |
Montage Feld- / Geräteseite | M20 x 1,5 Innengewinde / M20 x 1,5 Außengewinde |
Zulassungen | ATEX, IECEx, CCC, CSA & USA Hazloc, SIL |
*) Details siehe: www.dehn.de |
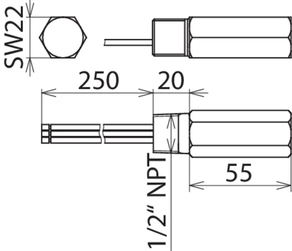
Art.-Nr. 929965 DPI MD EX 24 N 2
GTIN 4013364360778, Zolltarifnr. (EU): 85363010, Bruttogewicht: 185.00 g, VPE: 1.00 Stk.
Technische Daten
Ableiterklasse | T |
Höchste Dauerspannung DC (UC ) | 34,8 V |
Nennstrom (IL ) | 0,5 A |
D1 Blitzstoßstrom (10/350 µs) pro Ader (Iimp ) | 1 kA |
C2 Nennableitstoßstrom (8/20 µs) gesamt (In ) | 10 kA |
Grenzfrequenz Ad-Ad (fG ) | 7 MHz |
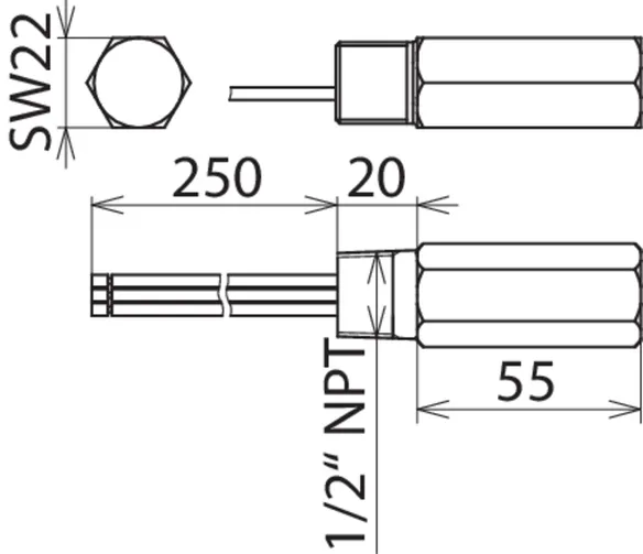
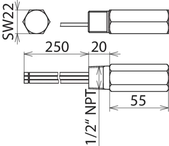
Montage Feld- / Geräteseite | 1/2-14 NPT Innengewinde / 1/2-14 NPT Außengewinde |
Zulassungen | ATEX, IECEx, CCC, SIL |
*) Details siehe: www.dehn.de |
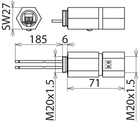
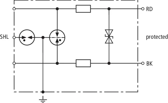
Art.-Nr. 929961 DPI CD EXI 24 M
GTIN 4013364101784, Zolltarifnr. (EU): 85363010, Bruttogewicht: 183.00 g, VPE: 1.00 Stk.
Technische Daten
Ableiterklasse | T |
Höchste Dauerspannung DC (UC ) | 32 V |
Nennstrom (IL ) | 0,55 A |
D1 Blitzstoßstrom (10/350 µs) Ad-PG (Iimp ) | 1 kA |
C2 Nennableitstoßstrom (8/20 µs) gesamt (In ) | 10 kA |
Grenzfrequenz Ad-Ad (fG ) | 67 MHz |
Montage Feld- / Geräteseite | M20 x 1,5 Außengewinde |
Zulassungen | ATEX, IECEx, CCC, CSA & USA Hazloc, SIL |
*) Details siehe: www.dehn.de |
Art.-Nr. 929963 DPI CD EXI 24 N
GTIN 4013364101807, Zolltarifnr. (EU): 85363010, Bruttogewicht: 196.00 g, VPE: 1.00 Stk.
Technische Daten
Ableiterklasse | T |
Höchste Dauerspannung DC (UC ) | 32 V |
Nennstrom (IL ) | 0,55 A |
D1 Blitzstoßstrom (10/350 µs) Ad-PG (Iimp ) | 1 kA |
C2 Nennableitstoßstrom (8/20 µs) gesamt (In ) | 10 kA |
Grenzfrequenz Ad-Ad (fG ) | 67 MHz |
Montage Feld- / Geräteseite | 1/2-14 NPT Außengewinde |
Zulassungen | ATEX, IECEx, CCC, CSA & USA Hazloc, SIL |
*) Details siehe: www.dehn.de |
Art.-Nr. 929962 DPI CD EXD 24 M
GTIN 4013364101791, Zolltarifnr. (EU): 85363010, Bruttogewicht: 183.00 g, VPE: 1.00 Stk.
Technische Daten
Ableiterklasse | T |
Höchste Dauerspannung DC (UC ) | 32 V |
Nennstrom (IL ) | 0,55 A |
D1 Blitzstoßstrom (10/350 µs) Ad-PG (Iimp ) | 1 kA |
C2 Nennableitstoßstrom (8/20 µs) gesamt (In ) | 10 kA |
Grenzfrequenz Ad-Ad (fG ) | 67 MHz |
Montage Feld- / Geräteseite | M20 x 1,5 Außengewinde |
Zulassungen | ATEX, IECEx, CCC, CSA & USA Hazloc, SIL |
*) Details siehe: www.dehn.de |
Art.-Nr. 929964 DPI CD EXD 24 N
GTIN 4013364101814, Zolltarifnr. (EU): 85363010, Bruttogewicht: 183.00 g, VPE: 1.00 Stk.
Technische Daten
Ableiterklasse | T |
Höchste Dauerspannung DC (UC ) | 32 V |
Nennstrom (IL ) | 0,55 A |
D1 Blitzstoßstrom (10/350 µs) Ad-PG (Iimp ) | 1 kA |
C2 Nennableitstoßstrom (8/20 µs) gesamt (In ) | 10 kA |
Grenzfrequenz Ad-Ad (fG ) | 67 MHz |
Montage Feld- / Geräteseite | 1/2-14 NPT Außengewinde |
Zulassungen | ATEX, IECEx, CCC, CSA & USA Hazloc, SIL |
*) Details siehe: www.dehn.de |
Art.-Nr. 929971 DPI CD HF EXD 5 M
GTIN 4013364120761, Zolltarifnr. (EU): 85363010, Bruttogewicht: 285.60 g, VPE: 1.00 Stk.
Technische Daten
Ableiterklasse | T |
Höchste Dauerspannung DC (UC ) | 6 V |
Nennstrom bei 80 °C (IL ) | 0,1 A |
C2 Nennableitstoßstrom (8/20 µs) gesamt (In ) | 20 kA |
Grenzfrequenz Ad-Ad (fG ) | 100 MHz |
Montage Feld- / Geräteseite | M20 x 1,5 Außengewinde |
Zulassungen | ATEX, IECEx, CCC, CSA & USA Hazloc, SIL |
*) Details siehe: www.dehn.de |
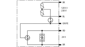
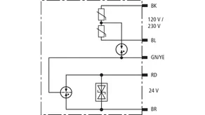
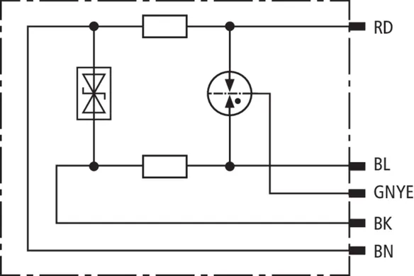
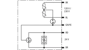
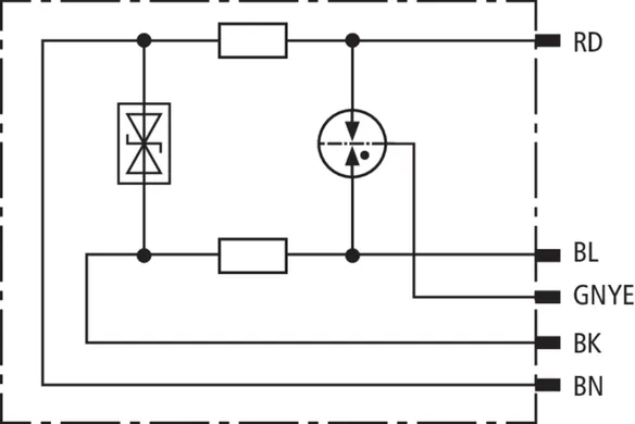
DPI CD EXD 230 24
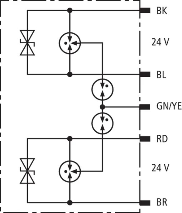
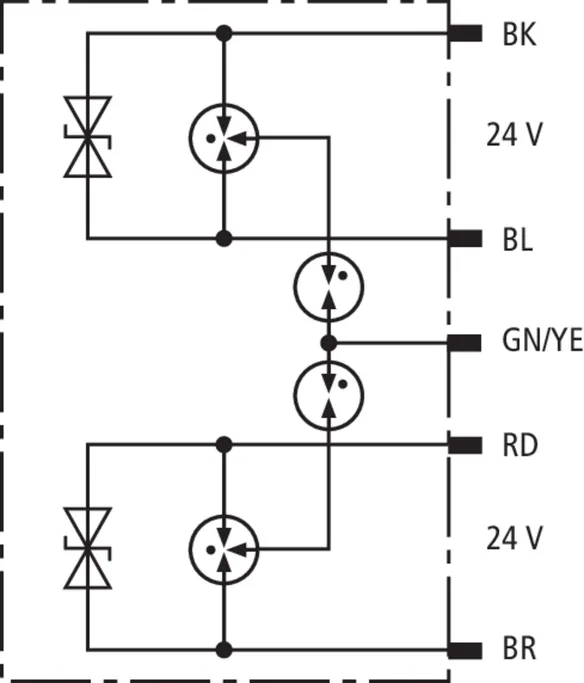
Überspannungs-Ableiter in kombinierter Ausführung für Energie und Datenseite. Druckfeste Kapselung zum Einsatz in explosionsgefährdeten Bereichen in Zone 1 und 2, zum Schutz einer 120 / 230 V-Netzversorgungs- und einer 24 V-Datenschnittstelle von Feldgeräten.
Zusätzliche Sicherheit durch verwechslungssichere Y-Schaltung für die 120 / 230 V-Netzversorgung.
Durch Ausführung II 2 G Ex d IIC T5/T6 universell einsetzbar in Ex-Zone 1 und 2. Nach CSA und USA Hazloc-Standard zertifiziert.
2 Produkte
Art.-Nr. 929969 DPI CD EXD 230 24 M
GTIN 4013364127418, Zolltarifnr. (EU): 85363010, Bruttogewicht: 280.00 g, VPE: 1.00 Stk.
Technische Daten
Schutz der Datenseite | |
Ableiterklasse | U |
Höchste Dauerspannung DC (UC ) | 32 V |
Nennstrom bei 80 °C (IL ) | 0,55 A |
D1 Blitzstoßstrom (10/350 µs) Ad-PG (Iimp ) | 1 kA |
C2 Nennableitstoßstrom (8/20 µs) gesamt (In ) | 10 kA |
Montage Feld- / Geräteseite | M20 x 1,5 Außengewinde |
Zulassungen | ATEX, IECEx, CCC, CSA & USA Hazloc, SIL |
*) Details siehe: www.dehn.de | |
Schutz der Energieseite | |
SPD nach EN 61643-11 / ... IEC 61643-11 | Typ 2 / Class II |
Höchste Dauerspannung AC (UC ) | 255 V |
Gesamtableitstoßstrom (8/20 µs) L+N-PE (Itotal ) | 5 kA |
Schutzpegel L-N (UP ) | ≤ 1,4 kV |
Maximaler netzseitiger Überstromschutz | 16 A gG oder B 16 A |
Art.-Nr. 929970 DPI CD EXD 230 24 N
GTIN 4013364127425, Zolltarifnr. (EU): 85363010, Bruttogewicht: 273.00 g, VPE: 1.00 Stk.
Technische Daten
Schutz der Datenseite | |
Ableiterklasse | U |
Höchste Dauerspannung DC (UC ) | 32 V |
Nennstrom bei 80 °C (IL ) | 0,55 A |
D1 Blitzstoßstrom (10/350 µs) Ad-PG (Iimp ) | 1 kA |
C2 Nennableitstoßstrom (8/20 µs) gesamt (In ) | 10 kA |
Montage Feld- / Geräteseite | 1/2-14 NPT Außengewinde |
Zulassungen | ATEX, IECEx, CCC, CSA & USA Hazloc, SIL |
*) Details siehe: www.dehn.de | |
Schutz der Energieseite | |
SPD nach EN 61643-11 / ... IEC 61643-11 | Typ 2 / Class II |
Höchste Dauerspannung AC (UC ) | 255 V |
Gesamtableitstoßstrom (8/20 µs) L+N-PE (Itotal ) | 5 kA |
Schutzpegel L-N (UP ) | ≤ 1,4 kV |
Maximaler netzseitiger Überstromschutz | 16 A gG oder B 16 A |
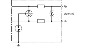
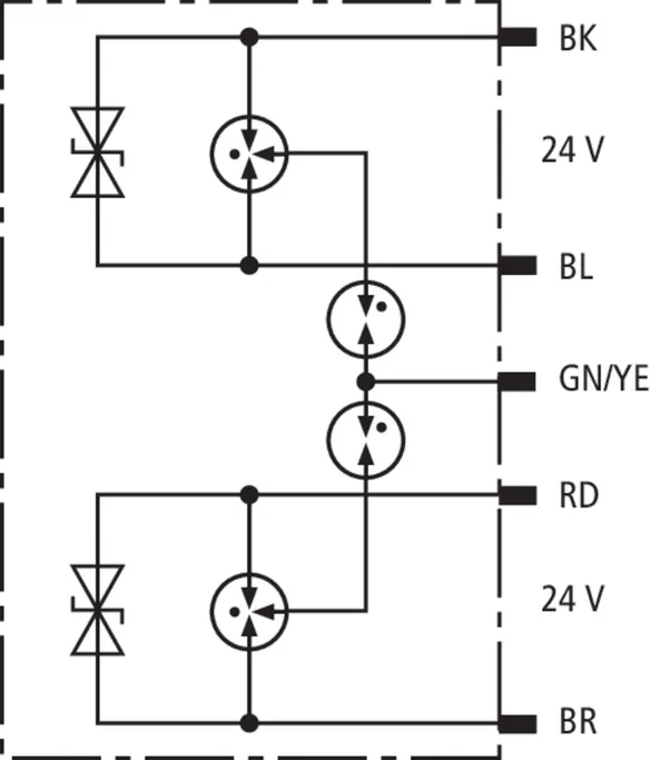
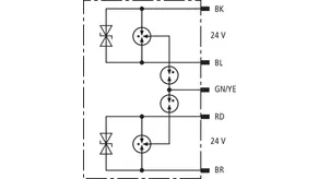
Art.-Nr. 929950 DPI CD EXI+D 2X24 M
GTIN 4013364137387, Zolltarifnr. (EU): 85363010, Bruttogewicht: 247.00 g, VPE: 1.00 Stk.
Technische Daten
Ableiterklasse | T |
Höchste Dauerspannung DC (UC ) | 36 V |
Nennstrom (IL ) | 0,55 A |
D1 Blitzstoßstrom (10/350 µs) Ad-PG (Iimp ) | 1,5 kA |
C2 Nennableitstoßstrom (8/20 µs) gesamt (In ) | 20 kA |
Montage Feld- / Geräteseite | M20 x 1,5 Außengewinde |
Zulassungen | ATEX, IECEx, CCC, CSA & USA Hazloc, SIL |
*) Details siehe: www.dehn.de |
Art.-Nr. 929951 DPI CD EXI+D 2X24 N
GTIN 4013364137394, Zolltarifnr. (EU): 85363010, Bruttogewicht: 247.00 g, VPE: 1.00 Stk.
Technische Daten
Ableiterklasse | T |
Höchste Dauerspannung DC (UC ) | 36 V |
Nennstrom (IL ) | 0,55 A |
D1 Blitzstoßstrom (10/350 µs) Ad-PG (Iimp ) | 1,5 kA |
C2 Nennableitstoßstrom (8/20 µs) gesamt (In ) | 20 kA |
Montage Feld- / Geräteseite | 1/2-14 NPT Außengewinde |
Zulassungen | ATEX, IECEx, CCC, CSA & USA Hazloc, SIL |
*) Details siehe: www.dehn.de |