DEHNgate – Ableiter für koaxialen Anschluss
:quality(98)/www.elvatec.ch/store/f/63050562/HDVORSCHAU/929148a1_16-9.jpg)
:quality(98)/www.elvatec.ch/store/f/63050562/HDVORSCHAU/929148a1_16-9.jpg)
- Universelle Überspannungs- und Kombi-Ableiter
- Höchstes Ableitvermögen für koaxiale Systeme
- Niedriger Schutzpegel auch für Endgeräteschutz geeignet
- Extrem langzeitbeständige Kontaktmaterialien
Details
:quality(98)/www.elvatec.ch/store/f/63050565/HDVORSCHAU/929045_Kat.jpg)
:quality(98)/www.elvatec.ch/store/f/63050565/HDVORSCHAU/929045_Kat.jpg)
:quality(98)/www.elvatec.ch/store/f/63050564/HDVORSCHAU/909703_1_Kat.jpg)
:quality(98)/www.elvatec.ch/store/f/63050564/HDVORSCHAU/909703_1_Kat.jpg)
:quality(98)/www.elvatec.ch/store/f/63050563/HDVORSCHAU/909703_Kat.jpg)
:quality(98)/www.elvatec.ch/store/f/63050563/HDVORSCHAU/909703_Kat.jpg)
:quality(98)/www.elvatec.ch/store/f/63050566/HDVORSCHAU/929047_148_Kat.jpg)
:quality(98)/www.elvatec.ch/store/f/63050566/HDVORSCHAU/929047_148_Kat.jpg)
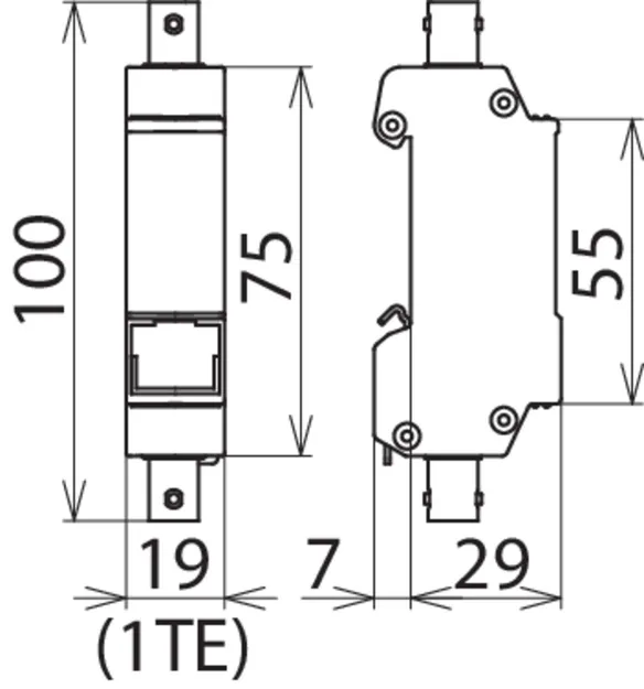
Art.-Nr. 909710 DGA BNC VCD
GTIN 4013364118942, Zolltarifnr. (EU): 85366910, Bruttogewicht: 126.00 g, VPE: 1.00 Stk.
Technische Daten
Ableiterklasse | T |
Höchste Dauerspannung DC (UC ) | 6,4 V |
Nennstrom (IL ) | 0,1 A |
D1 Blitzstoßstrom (10/350 µs) (Iimp ) | 1 kA |
C2 Nennableitstoßstrom (8/20 µs) Ad-Schirm (In ) | 5 kA |
Frequenzbereich | 0-300 MHz |
Anschluss Eingang / Ausgang | BNC Buchse / BNC Buchse |
Zulassungen | CSA, UL |
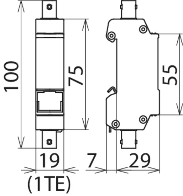
Art.-Nr. 909711 DGA BNC VCID
GTIN 4013364118980, Zolltarifnr. (EU): 85366910, Bruttogewicht: 127.50 g, VPE: 1.00 Stk.
Technische Daten
Ableiterklasse | T |
Höchste Dauerspannung DC (UC ) | 6,4 V |
Nennstrom (IL ) | 0,1 A |
D1 Blitzstoßstrom (10/350 µs) (Iimp ) | 1 kA |
C2 Nennableitstoßstrom (8/20 µs) Ad-Schirm (In ) | 5 kA |
Frequenzbereich | 0-300 MHz |
Anschluss Eingang / Ausgang | BNC Buchse / BNC Buchse |
Zulassungen | CSA, UL |
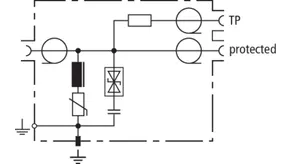
DGA TV
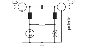
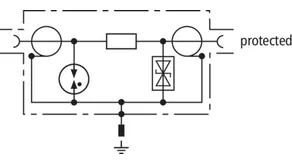
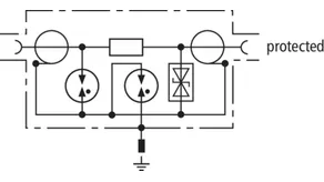
DGA ... TV sind fernspeisetaugliche Ableiter mit F-Anschluss für 75 Ohm SAT- und BK-Anlagen. Die Ableiter entsprechen den erhöhten Schirmungsanforderungen der Klasse A nach EN 50083-2. Geeignet für die platzsparende Installation in allen gängigen TV- und SAT-Anwendungen sind die Ableiter verfügbar als Blitzstrom-Ableiter sowie als Überspannungs-Ableiter oder Kombi-Ableiterset mit integriertem Messausgang zur Anlagenüberprüfung.
3 Produkte
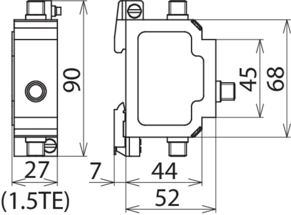
Art.-Nr. 909703 DGA FF TV
GTIN 4013364085664, Zolltarifnr. (EU): 85363010, Bruttogewicht: 233.00 g, VPE: 1.00 Stk.
Technische Daten
Ableiterklasse | { |
Höchste Dauerspannung DC (UC ) | 24 V |
Nennstrom (IL ) | 2 A |
D1 Blitzstoßstrom (10/350 µs) (Iimp ) | 0,2 kA |
C2 Nennableitstoßstrom (8/20 µs) (In ) | 1,5 kA |
Frequenzbereich | DC / 5-3000 MHz |
Anschluss Eingang / Ausgang | F Buchse / F Buchse |
Art.-Nr. 909704 DGA GF TV
GTIN 4013364105690, Zolltarifnr. (EU): 85363010, Bruttogewicht: 85.50 g, VPE: 1.00 Stk.
Technische Daten
Ableiterklasse | H |
Höchste Dauerspannung DC (UC ) | 60 V |
Nennstrom (IL ) | 2 A |
D1 Blitzstoßstrom (10/350 µs) (Iimp ) | 2,5 kA |
C2 Nennableitstoßstrom (8/20 µs) (In ) | 10 kA |
Frequenzbereich | 0-2400 MHz |
Anschluss Eingang / Ausgang | F Buchse / F Stecker |
Art.-Nr. 909705 DGA GFF TV
GTIN 4013364105706, Zolltarifnr. (EU): 85363010, Bruttogewicht: 282.70 g, VPE: 1.00 Stk.
Technische Daten
Ableiterklasse | H{ |
Höchste Dauerspannung DC (UC ) | 24 V |
Nennstrom (IL ) | 2 A |
D1 Blitzstoßstrom (10/350 µs) (Iimp ) | 2,5 kA |
C2 Nennableitstoßstrom (8/20 µs) (In ) | 10 kA |
Frequenzbereich | DC / 5-2400 MHz |
Anschluss Eingang / Ausgang | F Buchse / F Buchse |
Art.-Nr. 909706 DGA FF5 TV
GTIN 4013364362437, Zolltarifnr. (EU): 85363010, Bruttogewicht: 284.00 g, VPE: 1.00 Stk.
Technische Daten
Ableiterklasse | T |
Höchste Dauerspannung DC (UC ) | 20 V |
Nennstrom (IL ) | 0,4 A |
D1 Blitzstoßstrom (10/350 µs) (Iimp ) | 0,5 kA |
D1 Blitzstoßstrom (10/350 µs) gesamt (Iimp ) | 2,5 kA |
C2 Nennableitstoßstrom (8/20 µs) (In ) | 2,5 kA |
C2 Nennableitstoßstrom (8/20 µs) gesamt (In ) | 10 kA |
Frequenzbereich | 47-2200 MHz |
Anschluss Eingang / Ausgang | F Buchse / F Buchse |
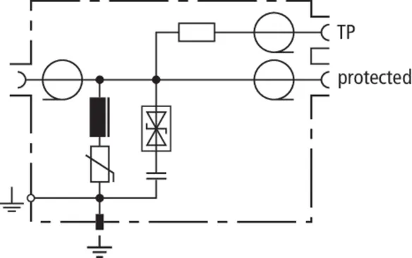
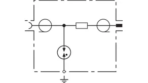
DGA G
Fernspeisetauglicher Überspannungs-Ableiter mit integriertem Gasentladungsableiter. Speziell zugeschnitten auf die Einsatzgebiete in Wireless-Applikationen für Geräte- und Antennen-Schnittstellen in koaxialer Anschlusstechnik.
Erhältlich mit SMA-, BNC-, oder N-Anschluss für Durchführungsmontage.
3 Produkte
Art.-Nr. 929039 DGA G SMA
GTIN 4013364135185, Zolltarifnr. (EU): 85366910, Bruttogewicht: 24.00 g, VPE: 1.00 Stk.
Technische Daten
Ableiterklasse | B |
Höchste Dauerspannung DC (UC ) | 135 V |
Nennstrom (IL ) | 2 A |
Max. Übertragungsleistung | 60 W |
D1 Blitzstoßstrom (10/350 µs) (Iimp ) | 1 kA |
C2 Nennableitstoßstrom (8/20 µs) (In ) | 5 kA |
Frequenzbereich | 0-5,8 GHz |
Anschluss | SMA Buchse / SMA Stecker |
Art.-Nr. 929042 DGA G BNC
GTIN 4013364091030, Zolltarifnr. (EU): 85366910, Bruttogewicht: 39.20 g, VPE: 1.00 Stk.
Technische Daten
Ableiterklasse | B |
Höchste Dauerspannung DC (UC ) | 135 V |
Nennstrom (IL ) | 3,5 A |
Max. Übertragungsleistung | 25 W |
D1 Blitzstoßstrom (10/350 µs) (Iimp ) | 1 kA |
C2 Nennableitstoßstrom (8/20 µs) (In ) | 5 kA |
Frequenzbereich | 0-4 GHz |
Anschluss | BNC Buchse / BNC Stecker |
Art.-Nr. 929044 DGA G N
GTIN 4013364091054, Zolltarifnr. (EU): 85366910, Bruttogewicht: 86.30 g, VPE: 1.00 Stk.
VorgängerTechnische Daten
Ableiterklasse | B |
Höchste Dauerspannung DC (UC ) | 135 V |
Nennstrom (IL ) | 6 A |
Max. Übertragungsleistung | 60 W |
D1 Blitzstoßstrom (10/350 µs) (Iimp ) | 1 kA |
C2 Nennableitstoßstrom (8/20 µs) (In ) | 5 kA |
Frequenzbereich | 0-5,8 GHz |
Anschluss | N Buchse / N Stecker |
Art.-Nr. 929043 DGA AG BNC
GTIN 4013364091047, Zolltarifnr. (EU): 85366910, Bruttogewicht: 89.60 g, VPE: 1.00 Stk.
Technische Daten
Ableiterklasse | A |
Höchste Dauerspannung DC (UC ) | 180 V |
Nennstrom (IL ) | 3,5 A |
Max. Übertragungsleistung | 150 W |
D1 Blitzstoßstrom (10/350 µs) (Iimp ) | 5 kA |
C2 Nennableitstoßstrom (8/20 µs) (In ) | 20 kA |
Frequenzbereich | 0-1 GHz |
Anschluss | BNC Buchse / BNC Stecker |
Art.-Nr. 929045 DGA AG N
GTIN 4013364091061, Zolltarifnr. (EU): 85366910, Bruttogewicht: 266.00 g, VPE: 1.00 Stk.
Technische Daten
Ableiterklasse | A |
Höchste Dauerspannung DC (UC ) | 180 V |
Nennstrom (IL ) | 6 A |
Max. Übertragungsleistung | 150 W |
D1 Blitzstoßstrom (10/350 µs) (Iimp ) | 5 kA |
C2 Nennableitstoßstrom (8/20 µs) (In ) | 20 kA |
Frequenzbereich | 0-2,5 GHz |
Anschluss | N Buchse / N Stecker |
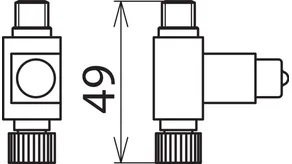
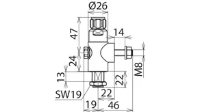
Art.-Nr. 929146 DGA LG 7 16 MFA
GTIN 4013364157156, Zolltarifnr. (EU): 85366910, Bruttogewicht: 493.00 g, VPE: 1.00 Stk.
VorgängerTechnische Daten
Ableiterklasse | A |
Höchste Dauerspannung DC (UC ) | 65 V |
Nennstrom (IL ) | 13 A |
Max. Übertragungsleistung | 1500 W |
D1 Blitzstoßstrom (10/350 µs) (Iimp ) | 5 kA |
C2 Nennableitstoßstrom (8/20 µs) (In ) | 20 kA |
Frequenzbereich | 690 MHz - 2,7 GHz |
Anschluss | 7/16 Buchse / 7/16 Stecker |
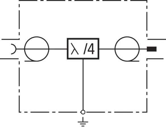
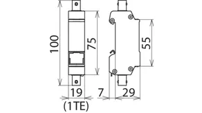
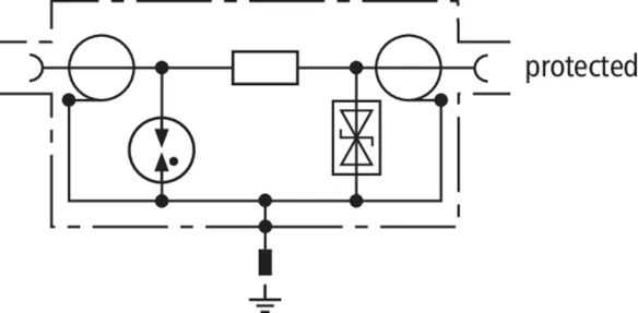
DGA L4
Kombi-Ableiter in wartungsfreier Lambda/4-Technik für Mehrfrequenzanwendungen (Multicarriersysteme). Die Ableiter können auch hohe Blitzteilströme ableiten. Keine Fernspeisung möglich, da der Ableiter für niederfrequente Signale einen galvanischen Kurzschluss darstellt. Besonders breitbandig für alle 4+3G- und LTE-Dienste.
2 Produkte
Art.-Nr. 929047 DGA L4 7 16 S
GTIN 4013364091085, Zolltarifnr. (EU): 85366910, Bruttogewicht: 467.00 g, VPE: 1.00 Stk.
Technische Daten
Ableiterklasse | M |
Höchste Dauerspannung DC (UC ) | 0 V |
Nennstrom (IL ) | 0 A |
Max. Übertragungsleistung | 3000 W |
D1 Blitzstoßstrom (10/350 µs) (Iimp ) | 25 kA |
C2 Nennableitstoßstrom (8/20 µs) (In ) | 50 kA |
Frequenzbereich | 380-512 MHz |
Anschluss | 7/16 Buchse / 7/16 Stecker |
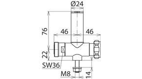
Art.-Nr. 929148 DGA L4 7 16 MFA
GTIN 4013364157163, Zolltarifnr. (EU): 85366910, Bruttogewicht: 476.00 g, VPE: 1.00 Stk.
VorgängerTechnische Daten
Ableiterklasse | M |
Höchste Dauerspannung DC (UC ) | 0 V |
Nennstrom (IL ) | 0 A |
Max. Übertragungsleistung | 1500 W |
D1 Blitzstoßstrom (10/350 µs) (Iimp ) | 40 kA |
C2 Nennableitstoßstrom (8/20 µs) (In ) | 80 kA |
Frequenzbereich | 690 MHz - 2,7 GHz |
Anschluss | 7/16 Buchse / 7/16 Stecker |