UGKF
:quality(98)/www.elvatec.ch/store/f/58413268/HDVORSCHAU/929010a4_16-9.jpg)
:quality(98)/www.elvatec.ch/store/f/58413268/HDVORSCHAU/929010a4_16-9.jpg)
- Steckbarer Überspannungsschutz-Adapter zum einfachen Nachrüsten
- Zum direkten Anstecken an Endgeräte mit koaxialer Anschlusstechnik
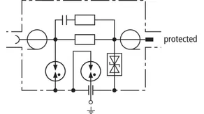
- Die integrierte indirekte Schirmerdung vermeidet Brummschleifen
Details
:quality(98)/www.elvatec.ch/store/f/58413272/HDVORSCHAU/909710_Kat2.jpg)
:quality(98)/www.elvatec.ch/store/f/58413272/HDVORSCHAU/909710_Kat2.jpg)
:quality(98)/www.elvatec.ch/store/f/58413271/HDVORSCHAU/909710_Kat1.jpg)
:quality(98)/www.elvatec.ch/store/f/58413271/HDVORSCHAU/909710_Kat1.jpg)
:quality(98)/www.elvatec.ch/store/f/58413269/HDVORSCHAU/929010a4_Kat2.jpg)
:quality(98)/www.elvatec.ch/store/f/58413269/HDVORSCHAU/929010a4_Kat2.jpg)
:quality(98)/www.elvatec.ch/store/f/58413270/HDVORSCHAU/929010_Kat2.jpg)
:quality(98)/www.elvatec.ch/store/f/58413270/HDVORSCHAU/929010_Kat2.jpg)
Art.-Nr. 929010 UGKF BNC
GTIN 4013364039940, Zolltarifnr. (EU): 85363010, Bruttogewicht: 67.70 g, VPE: 1.00 Stk.
Technische Daten
Ableiterklasse | T |
Höchste Dauerspannung DC (UC ) | 8 V |
Nennstrom (IL ) | 0,1 A |
C2 Nennableitstoßstrom (8/20 µs) Ad-Schirm (In ) | 2,5 kA |
Einfügungsdämpfung bei 300 MHz (50 Ohm) | ≤ 3 dB |
Rückflussdämpfung bei 40 MHz (50 Ohm) | ≥ 20 dB |
Einfügungsdämpfung bei 265 MHz (75 Ohm) | ≤ 3 dB |
Rückflussdämpfung bei 40 MHz (75 Ohm) | ≥ 20 dB |
Zulassungen | CSA, UL |