DEHNprotector
:quality(98)/www.elvatec.ch/store/f/49394994/HDVORSCHAU/909230a2_16-9.jpg)
:quality(98)/www.elvatec.ch/store/f/49394994/HDVORSCHAU/909230a2_16-9.jpg)
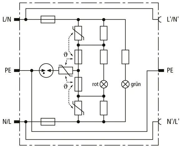
- Überspannungsschutz mit Überwachungseinrichtung und Abtrennvorrichtung
- Optische Funktionsanzeige (grün) und optische Defektanzeige (rot)
- Erhöhte Sicherheit durch verwechslungssichere Y-Schutzbeschaltung
Details
:quality(98)/www.elvatec.ch/store/f/49394995/HDVORSCHAU/909230a1_Kat.jpg)
:quality(98)/www.elvatec.ch/store/f/49394995/HDVORSCHAU/909230a1_Kat.jpg)
Art.-Nr. 909230 DPRO 230
GTIN 4013364117686, Zolltarifnr. (EU): 85363010, Bruttogewicht: 239.00 g, VPE: 1.00 Stk.
VorgängerTechnische Daten
SPD nach EN 61643-11 / ... IEC 61643-11 | Typ 3 / Class III |
Höchste Dauerspannung AC (UC ) | 255 V (50 / 60 Hz) |
Nennableitstoßstrom (8/20 µs) (In ) | 3 kA |
Gesamtableitstoßstrom (8/20 µs) [L+N-PE] (Itotal ) | 5 kA |
Schutzpegel [L-N] / [L/N-PE] (UP ) | ≤ 1350 / ≤ 1500 V |
Max. netzseitiger Überstromschutz | B 16 A |
Defektanzeige | rotes Licht |
Betriebsanzeige | grünes Licht |