Ihre Services im Dashboard..
Registriert nutzen Sie das komplette Angebot.

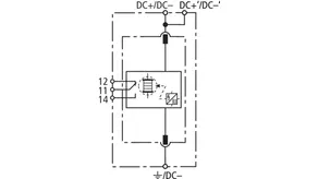
DEHNsecure modular

  • Koordinierter Blitzstrom-Ableiter auf Funkenstreckenbasis, bestehend aus Basisteil und gestecktem Schutzmodul
  • Speziell für den Einsatz in DC-Stromkreisen geeignete Funkenstreckentechnologie
  • Hohes Blitzstrom-Ableitvermögen von 25 kA (10/350 µs)
  • Auf Überspannungs-Schutzgerät DEHNguard SE DC ... direkt koordiniert
  • Tiefer Schutzpegel
  • Funktions- / Defektanzeige durch grün-rote Markierung im Sichtfenster
  • Einfacher, werkzeugloser Schutzmodulwechsel durch Modulverriegelungssystem mit Modulentriegelungstaste

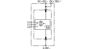
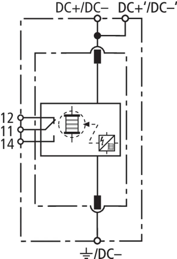
DEHNsecure M 1 ...

Einpoliger, modularer, koordinierter Blitzstrom-Ableiter für Gleichstromanwendungen.

3 Produkte

Art.-Nr. 971121 DSE M 1 60

GTIN 4013364138582, Zolltarifnr. (EU): 85363090, Bruttogewicht: 300.00 g, VPE: 1.00 Stk.


Abbildungen

Weitere Information

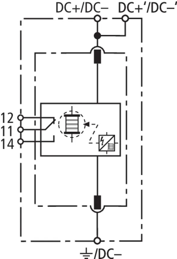
Koordinierter Blitzstrom-Ableiter DEHNsecure M 1 60
1-poliger, modularer, steckbarer koordinierter Blitzstrom-Ableiter
für Gleichstromanwendungen, Breite 2TE
Ableiter Typ 1 nach EN 61643-11
Speziell für den Einsatz in DC-Stromkreisen geeignete
Funkenstrecken-Technologie
Defektanzeige
Höchste Dauerspannung: 60 V dc
Schutzpegel: <= 1,5 kV
Blitzstoßstrom (10/350): 25 kA
Kurzschlussfestigkeit DC: 25 kA
Energetische Koordination nach DIN EN 62305-4
Ableiter der Red/Line-Familie

Fabrikat: DEHN
Typ: DSE M 1 60
Art.-Nr.: 971121
oder gleichwertig.

Zertifikate

 

Wellenbrecher-Funktion

Während des Ableitvorgangs fließt bei funkenstreckenbasierten Typ 1-Ableitern der gesamte Strom über den Typ-1 Ableiter. Wie bei einem Wellenbrecher wird die ankommende Energie stark heruntergebrochen, was die nachgeschalteten SPDs deutlich entlastet. Alle Typ 1-Ableiter der Red/Line-Produktfamilie weisen die Wellenbrecherfunktion WBF auf.

Technische Daten

SPD-Klassifikation nach EN 61643-11 / ... IEC 61643-11 Typ 1 / Class I
Höchste Dauerspannung DC (UC ) 60 V
Blitzstoßstrom (10/350 µs) (Iimp ) 25 kA
Schutzpegel (UP ) ≤ 1,5 kV
Max. netzseitiger Überstromschutz 250 A gG
Zulassungen UL
Erweiterte technische Daten: Verwendung in Sicherheitsbeleuchtungen

Artikel 971121 wurde zum Merkzettel hinzugefügt.

Zum Merkzettel

Artikel 971121 wurde zum Warenkorb hinzugefügt.

Zum Warenkorb

Art.-Nr. 971120 DSE M 1 220

GTIN 4013364133631, Zolltarifnr. (EU): 85363090, Bruttogewicht: 268.20 g, VPE: 1.00 Stk.


Abbildungen

Weitere Information

Koordinierter Blitzstrom-Ableiter DEHNsecure M 1 220
1-poliger, modularer, steckbarer, koordinierter Blitzstrom-Ableiter
für Gleichstromanwendungen, Breite 2TE
Ableiter Typ 1 nach EN 61643-11
Speziell für den Einsatz in DC-Stromkreisen geeignete
Funkenstrecken-Technologie
Defektanzeige
Höchste Dauerspannung: 220 V dc
Schutzpegel: <= 2,5 kV
Blitzstoßstrom (10/350): 25 kA
Kurzschlussfestigkeit DC: 25 kA
Energetische Koordination nach DIN EN 62305-4
Ableiter der Red/Line-Familie

Fabrikat: DEHN
Typ: DSE M 1 220
Art.-Nr.: 971120
oder gleichwertig.

Zertifikate

 

Wellenbrecher-Funktion

Während des Ableitvorgangs fließt bei funkenstreckenbasierten Typ 1-Ableitern der gesamte Strom über den Typ-1 Ableiter. Wie bei einem Wellenbrecher wird die ankommende Energie stark heruntergebrochen, was die nachgeschalteten SPDs deutlich entlastet. Alle Typ 1-Ableiter der Red/Line-Produktfamilie weisen die Wellenbrecherfunktion WBF auf.

Technische Daten

SPD-Klassifikation nach EN 61643-11 / ... IEC 61643-11 Typ 1 / Class I
Höchste Dauerspannung DC (UC ) 220 V
Blitzstoßstrom (10/350 µs) (Iimp ) 25 kA
Schutzpegel (UP ) ≤ 2,5 kV
Max. netzseitiger Überstromschutz 250 A gG
Erweiterte technische Daten: Verwendung in Sicherheitsbeleuchtungen

Artikel 971120 wurde zum Merkzettel hinzugefügt.

Zum Merkzettel

Artikel 971120 wurde zum Warenkorb hinzugefügt.

Zum Warenkorb

Art.-Nr. 971122 DSE M 1 242

GTIN 4013364144477, Zolltarifnr. (EU): 85363090, Bruttogewicht: 273.70 g, VPE: 1.00 Stk.


Abbildungen

Weitere Information

Koordinierter Blitzstrom-Ableiter DEHNsecure M 1 242
1-poliger, modularer, steckbarer, koordinierter Blitzstrom-Ableiter
für Gleichstromanwendungen, Breite 2TE
Ableiter Typ 1 nach EN 61643-11
Speziell für den Einsatz in DC-Stromkreisen geeignete
Funkenstrecken-Technologie
Defektanzeige
Höchste Dauerspannung: 242 V dc
Schutzpegel: <= 2,5 kV
Blitzstoßstrom (10/350): 25 kA
Kurzschlussfestigkeit DC: 25 kA
Energetische Koordination nach DIN EN 62305-4
Ableiter der Red/Line-Familie

Fabrikat: DEHN
Typ: DSE M 1 242
Art.-Nr.: 971122
oder gleichwertig.

Zertifikate

 

Wellenbrecher-Funktion

Während des Ableitvorgangs fließt bei funkenstreckenbasierten Typ 1-Ableitern der gesamte Strom über den Typ-1 Ableiter. Wie bei einem Wellenbrecher wird die ankommende Energie stark heruntergebrochen, was die nachgeschalteten SPDs deutlich entlastet. Alle Typ 1-Ableiter der Red/Line-Produktfamilie weisen die Wellenbrecherfunktion WBF auf.

Technische Daten

SPD-Klassifikation nach EN 61643-11 / ... IEC 61643-11 Typ 1 / Class I
Höchste Dauerspannung DC (UC ) 242 V
Blitzstoßstrom (10/350 µs) (Iimp ) 25 kA
Schutzpegel (UP ) ≤ 2,5 kV
Max. netzseitiger Überstromschutz 250 A gG
Erweiterte technische Daten: Verwendung in Sicherheitsbeleuchtungen
– Höchste Dauerspannung AC (UC ) 255 V

Artikel 971122 wurde zum Merkzettel hinzugefügt.

Zum Merkzettel

Artikel 971122 wurde zum Warenkorb hinzugefügt.

Zum Warenkorb

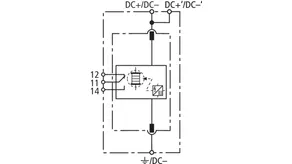
DEHNsecure M 1 ... FM

Einpoliger, modularer, koordinierter Blitzstrom-Ableiter für Gleichstromanwendungen; mit Fernmeldekontakt für Überwachungseinrichtung (potentialfreier Wechsler).

3 Produkte

Art.-Nr. 971126 DSE M 1 60 FM

GTIN 4013364138599, Zolltarifnr. (EU): 85363090, Bruttogewicht: 304.00 g, VPE: 1.00 Stk.


Abbildungen

Weitere Information

Koordinierter Blitzstrom-Ableiter DEHNsecure M 1 60 FM
1-poliger, modularer, steckbarer, koordinierter Blitzstrom-Ableiter
für Gleichstromanwendungen, Breite 2TE
mit Fernmeldekontakt
Ableiter Typ 1 nach EN 61643-11
Speziell für den Einsatz in DC-Stromkreisen geeignete
Funkenstrecken-Technologie
Defektanzeige
Höchste Dauerspannung: 60 V dc
Schutzpegel: <= 1,5 kV
Blitzstoßstrom (10/350): 25 kA
Kurzschlussfestigkeit DC: 25 kA
Energetische Koordination nach DIN EN 62305-4
Ableiter der Red/Line-Familie

Fabrikat: DEHN
Typ: DSE M 1 60 FM
Art.-Nr.: 971126
oder gleichwertig.

Zertifikate

 

Wellenbrecher-Funktion

Während des Ableitvorgangs fließt bei funkenstreckenbasierten Typ 1-Ableitern der gesamte Strom über den Typ-1 Ableiter. Wie bei einem Wellenbrecher wird die ankommende Energie stark heruntergebrochen, was die nachgeschalteten SPDs deutlich entlastet. Alle Typ 1-Ableiter der Red/Line-Produktfamilie weisen die Wellenbrecherfunktion WBF auf.

Technische Daten

SPD-Klassifikation nach EN 61643-11 / ... IEC 61643-11 Typ 1 / Class I
Höchste Dauerspannung DC (UC ) 60 V
Blitzstoßstrom (10/350 µs) (Iimp ) 25 kA
Schutzpegel (UP ) ≤ 1,5 kV
Max. netzseitiger Überstromschutz 250 A gG
Zulassungen UL
FM-Kontakte / Kontaktform Wechsler
Erweiterte technische Daten: Verwendung in Sicherheitsbeleuchtungen

Artikel 971126 wurde zum Merkzettel hinzugefügt.

Zum Merkzettel

Artikel 971126 wurde zum Warenkorb hinzugefügt.

Zum Warenkorb

Art.-Nr. 971125 DSE M 1 220 FM

GTIN 4013364133648, Zolltarifnr. (EU): 85363090, Bruttogewicht: 241.90 g, VPE: 1.00 Stk.


Abbildungen

Weitere Information

Koordinierter Blitzstrom-Ableiter DEHNsecure M 1 220 FM
1-poliger, modularer, steckbarer, koordinierter Blitzstrom-Ableiter
für Gleichstromanwendungen, Breite 2TE
mit Fernmeldekontakt
Ableiter Typ 1 nach EN 61643-11
Speziell für den Einsatz in DC-Stromkreisen geeignete
Funkenstrecken-Technologie
Defektanzeige
Höchste Dauerspannung: 220 V dc
Schutzpegel: <= 2,5 kV
Blitzstoßstrom (10/350): 25 kA
Kurzschlussfestigkeit DC: 25 kA
Energetische Koordination nach DIN EN 62305-4
Ableiter der Red/Line-Familie

Fabrikat: DEHN
Typ: DSE M 1 220 FM
Art.-Nr.: 971125
oder gleichwertig.

Zertifikate

 

Wellenbrecher-Funktion

Während des Ableitvorgangs fließt bei funkenstreckenbasierten Typ 1-Ableitern der gesamte Strom über den Typ-1 Ableiter. Wie bei einem Wellenbrecher wird die ankommende Energie stark heruntergebrochen, was die nachgeschalteten SPDs deutlich entlastet. Alle Typ 1-Ableiter der Red/Line-Produktfamilie weisen die Wellenbrecherfunktion WBF auf.

Technische Daten

SPD-Klassifikation nach EN 61643-11 / ... IEC 61643-11 Typ 1 / Class I
Höchste Dauerspannung DC (UC ) 220 V
Blitzstoßstrom (10/350 µs) (Iimp ) 25 kA
Schutzpegel (UP ) ≤ 2,5 kV
Max. netzseitiger Überstromschutz 250 A gG
FM-Kontakte / Kontaktform Wechsler
Erweiterte technische Daten: Verwendung in Sicherheitsbeleuchtungen

Artikel 971125 wurde zum Merkzettel hinzugefügt.

Zum Merkzettel

Artikel 971125 wurde zum Warenkorb hinzugefügt.

Zum Warenkorb

Art.-Nr. 971127 DSE M 1 242 FM

GTIN 4013364144484, Zolltarifnr. (EU): 85363090, Bruttogewicht: 269.50 g, VPE: 1.00 Stk.


Abbildungen

Weitere Information

Koordinierter Blitzstrom-Ableiter DEHNsecure M 1 242 FM
1-poliger, modularer, steckbarer, koordinierter Blitzstrom-Ableiter, Breite 2TE
für Gleichstromanwendungen, Breite 2TE
mit Fernmeldekontakt
Ableiter Typ 1 nach EN 61643-11
Speziell für den Einsatz in DC-Stromkreisen geeignete
Funkenstrecken-Technologie
Defektanzeige
Höchste Dauerspannung: 242 V dc
Schutzpegel: <= 2,5 kV
Blitzstoßstrom (10/350): 25 kA
Kurzschlussfestigkeit DC: 25 kA
Energetische Koordination nach DIN EN 62305-4
Ableiter der Red/Line-Familie

Fabrikat: DEHN
Typ: DSE M 1 242 FM
Art.-Nr.: 971127
oder gleichwertig.

Zertifikate

 

Wellenbrecher-Funktion

Während des Ableitvorgangs fließt bei funkenstreckenbasierten Typ 1-Ableitern der gesamte Strom über den Typ-1 Ableiter. Wie bei einem Wellenbrecher wird die ankommende Energie stark heruntergebrochen, was die nachgeschalteten SPDs deutlich entlastet. Alle Typ 1-Ableiter der Red/Line-Produktfamilie weisen die Wellenbrecherfunktion WBF auf.

Technische Daten

SPD-Klassifikation nach EN 61643-11 / ... IEC 61643-11 Typ 1 / Class I
Höchste Dauerspannung DC (UC ) 242 V
Blitzstoßstrom (10/350 µs) (Iimp ) 25 kA
Schutzpegel (UP ) ≤ 2,5 kV
Max. netzseitiger Überstromschutz 250 A gG
FM-Kontakte / Kontaktform Wechsler
Erweiterte technische Daten: Verwendung in Sicherheitsbeleuchtungen
– Höchste Dauerspannung AC (UC ) 255 V

Artikel 971127 wurde zum Merkzettel hinzugefügt.

Zum Merkzettel

Artikel 971127 wurde zum Warenkorb hinzugefügt.

Zum Warenkorb

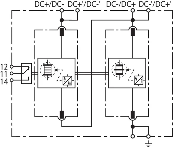
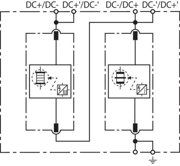
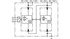
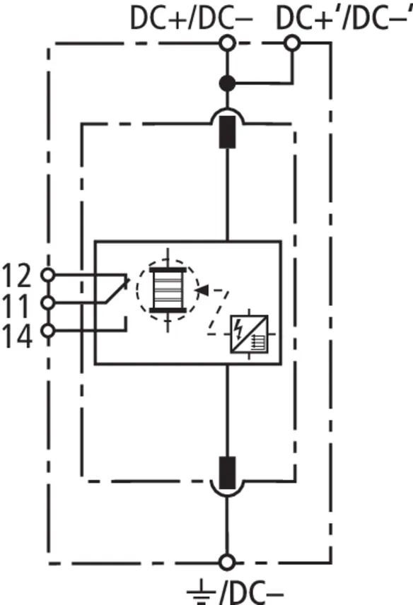
DEHNsecure M 2P ... (FM)

Zweipoliger, modularer, koordinierter Blitzstrom-Ableiter für Gleichstromanwendungen bis 60 V (1+1-Schaltung); in der Ausführung FM mit potentialfreiem Fernmeldekontakt.

2 Produkte

Art.-Nr. 971221 DSE M 2P 60

GTIN 4013364138612, Zolltarifnr. (EU): 85363090, Bruttogewicht: 638.00 g, VPE: 1.00 Stk.


Abbildungen

Weitere Information

Koordinierter Blitzstrom-Ableiter DEHNsecure M 2P 60
2-poliger, modularer, steckbarer, koordinierter Blitzstrom-Ableiter
für Gleichstromanwendungen, Breite 4TE
Ableiter Typ 1 nach EN 61643-11
Speziell für den Einsatz in DC-Stromkreisen geeignete
Funkenstrecken-Technologie
Defektanzeige
Höchste Dauerspannung: 60 V dc
Schutzpegel: <= 1,5 kV
Blitzstoßstrom (10/350): 50 kA
Kurzschlussfestigkeit DC: 25 kA
Energetische Koordination nach DIN EN 62305-4
Ableiter der Red/Line-Familie

Fabrikat: DEHN
Typ: DSE M 2P 60
Art.-Nr.: 971221
oder gleichwertig.

Zertifikate

 

Wellenbrecher-Funktion

Während des Ableitvorgangs fließt bei funkenstreckenbasierten Typ 1-Ableitern der gesamte Strom über den Typ-1 Ableiter. Wie bei einem Wellenbrecher wird die ankommende Energie stark heruntergebrochen, was die nachgeschalteten SPDs deutlich entlastet. Alle Typ 1-Ableiter der Red/Line-Produktfamilie weisen die Wellenbrecherfunktion WBF auf.

Technische Daten

SPD-Klassifikation nach EN 61643-11 / ... IEC 61643-11 Typ 1 / Class I
Höchste Dauerspannung DC (UC ) 60 V
Blitzstoßstrom (10/350 µs) (DC+/DC- -> DC-/DC+) / (DC-/DC+ -> 9) (Iimp ) 25 / 50 kA
Schutzpegel (DC+/DC- -> DC-/DC+) / (DC-/DC+ -> 9) (UP ) ≤ 1,5 / ≤ 1,5 kV
Max. netzseitiger Überstromschutz 250 A gG
Zulassungen UL

Artikel 971221 wurde zum Merkzettel hinzugefügt.

Zum Merkzettel

Artikel 971221 wurde zum Warenkorb hinzugefügt.

Zum Warenkorb

Art.-Nr. 971226 DSE M 2P 60 FM

GTIN 4013364138629, Zolltarifnr. (EU): 85363090, Bruttogewicht: 675.00 g, VPE: 1.00 Stk.


Abbildungen

Weitere Information

Koordinierter Blitzstrom-Ableiter DEHNsecure M 2P 60 FM
2-poliger, modularer, steckbarer, koordinierter Blitzstrom-Ableiter
für Gleichstromanwendungen, Breite 4TE
mit Fernmeldekontakt
Ableiter Typ 1 nach EN 61643-11
Speziell für den Einsatz in DC-Stromkreisen geeignete
Funkenstrecken-Technologie
Defektanzeige
Höchste Dauerspannung: 60 V dc
Schutzpegel: <= 1,5 kV
Blitzstoßstrom (10/350): 50 kA
Kurzschlussfestigkeit DC: 25 kA
Energetische Koordination nach DIN EN 62305-4
Ableiter der Red/Line-Familie

Fabrikat: DEHN
Typ: DSE M 2P 60 FM
Art.-Nr.: 971226
oder gleichwertig.

Zertifikate

 

Wellenbrecher-Funktion

Während des Ableitvorgangs fließt bei funkenstreckenbasierten Typ 1-Ableitern der gesamte Strom über den Typ-1 Ableiter. Wie bei einem Wellenbrecher wird die ankommende Energie stark heruntergebrochen, was die nachgeschalteten SPDs deutlich entlastet. Alle Typ 1-Ableiter der Red/Line-Produktfamilie weisen die Wellenbrecherfunktion WBF auf.

Technische Daten

SPD-Klassifikation nach EN 61643-11 / ... IEC 61643-11 Typ 1 / Class I
Höchste Dauerspannung DC (UC ) 60 V
Blitzstoßstrom (10/350 µs) (DC+/DC- -> DC-/DC+) / (DC-/DC+ -> 9) (Iimp ) 25 / 50 kA
Schutzpegel (DC+/DC- -> DC-/DC+) / (DC-/DC+ -> 9) (UP ) ≤ 1,5 / ≤ 1,5 kV
Max. netzseitiger Überstromschutz 250 A gG
Zulassungen UL
FM-Kontakte / Kontaktform Wechsler

Artikel 971226 wurde zum Merkzettel hinzugefügt.

Zum Merkzettel

Artikel 971226 wurde zum Warenkorb hinzugefügt.

Zum Warenkorb

DEHNsecure NG 2P 60 FM

Zweipoliger, modularer, koordinierter Blitzstrom-Ableiter für Gleichstromanwendungen bis 60 V (1+1-Schaltung); in der Ausführung FM mit potentialfreiem Fernmeldekontakt.

1 Produkt

Art.-Nr. 971222 DSE NG 2P 60 FM

GTIN 4013364489523, Zolltarifnr. (EU): 85363090, Bruttogewicht: 507.00 g, VPE: 1.00 Stk.


Abbildungen

Weitere Information

Koordinierter Blitzstrom-Ableiter DEHNsecure NG 2P 60 FM
2-poliger, modularer, steckbarer,
koordinierter Blitzstrom-Ableiter
für Gleichstromanwendungen, Breite 4TE
mit Fernmeldekontakt
Ableiter Typ 1 nach EN 61643-11
Speziell für den Einsatz in DC-Stromkreisen
geeignete Funkenstrecken-Technologie
Defektanzeige
Höchste Dauerspannung: 60 V dc
Schutzpegel: <= 1,5 kV
Blitzstoßstrom (10/350): 50 kA
Kurzschlussfestigkeit DC: 10 kA
Energetische Koordination nach DIN EN 62305-4
Ableiter der Red/Line-Familie

Fabrikat: DEHN
Typ: DSE NG 2P 60 FM
Art.-Nr.: 971222
oder gleichwertig.

 

Wellenbrecher-Funktion

Während des Ableitvorgangs fließt bei funkenstreckenbasierten Typ 1-Ableitern der gesamte Strom über den Typ-1 Ableiter. Wie bei einem Wellenbrecher wird die ankommende Energie stark heruntergebrochen, was die nachgeschalteten SPDs deutlich entlastet. Alle Typ 1-Ableiter der Red/Line-Produktfamilie weisen die Wellenbrecherfunktion WBF auf.

Technische Daten

SPD-Klassifikation nach EN 61643-11 / ... IEC 61643-11 Typ 1 + Typ 2 / Class I + Class II
Höchste Dauerspannung DC (UC ) 60 V
Blitzstoßstrom (10/350 µs) (DC+/DC- -> DC-/DC+) / (DC-/DC+ -> 9) (Iimp ) 25 / 50 kA
Schutzpegel (DC+/DC- -> DC-/DC+) / (DC-/DC+ -> 9) (UP ) ≤ 1,5 / ≤ 1,5 kV
Max. netzseitiger Überstromschutz 250 A gG
FM-Kontakte / Kontaktform Wechsler

Artikel 971222 wurde zum Merkzettel hinzugefügt.

Zum Merkzettel

Artikel 971222 wurde zum Warenkorb hinzugefügt.

Zum Warenkorb

nach oben