Ihre Services im Dashboard..
Registriert nutzen Sie das komplette Angebot.

Bahnerdungssystem

Unser DEHN-Bahnerdungssystem hat sich für den Einsatz in der Verkehrstechnik bewährt, da es speziell zur Erdung der Bewehrung von Betonteilen in der Nähe hochspannungsführender Elektroanlagen entwickelt wurde. Es dient zum einen für den Potentialausgleich von Betonbauwerken und zum anderen der Übertragung des Kurzschlussstromes in Fällen, bei denen es zu einem Abriss des Fahrdrahtes kommt.
Dazu stellt DEHN dem Anwender unterschiedliche Erdungsbrücken sowie Erdungsverbinder zur Verfügung, welche aufgrund variabler Endbefestigungen und Verbindungselementen ein umfangreiches Baukastensystem mit einer Vielzahl an Kombinationsmöglichkeiten bietet. Unsere DEHN-Bahnerdungssysteme verfügen über eine Freigabe der DB Netz AG.

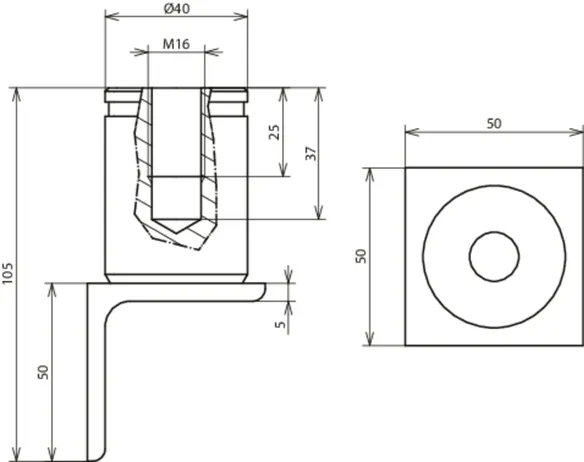
Edelstahl-Erdungsbrücken D BEB 16

Die Erdungsbrücken sind zur Erdung, Rückstromführung sowie dem Potentialausgleich im Nutzungsbereich von Bahnstrecken vorgesehen. Die Erdungsbrücke aus Edelstahl stellt dies über eine definierte Schweißnaht zum Erdungsleiter sicher. Diese Erdungsbrücke besitzt zudem eine technische Freigabe der DB Netz AG und kann dort somit planungssicher verwendet werden.

1 Produkt

Art.-Nr. 419160 D BEB 16 - 105 / 3 EBS 15-03-19-38

GTIN 4013364510203, Zolltarifnr. (EU): 85369010, Bruttogewicht: 697.72 g, VPE: 8.00 Stk.


Abbildungen

Weitere Information

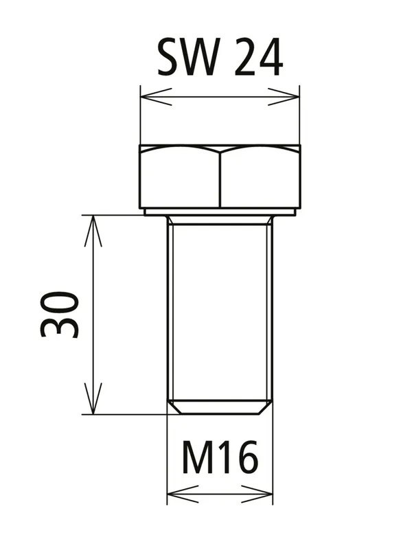
Edelstahl-Erdungsbrücke D BEB 16 - 105 / 3 EBS 15-03-19-38
Edelstahl-Erdungsbrücke
D BEB 16 - 105 / 3 EBS 15-03-19-38
zum Erden der
Bewehrung von
Betonteilen mit
Freigabe der
DB Netz AG
Werkstoff Anschlusselement: NIRO
Werkstoff-Nr.: 1.4301
Werkstoff Winkel: St
Kurzschlussstrom: > 25 kA
Prüfstrom: 40 kA / 100 ms
Kurzschlussstrom (AC 50 Hz / DC): 12,6 kA
Gewinde: M16
Durchmesser Anschlussplatte: 40 mm
Abmessung Winkel: 50 x 50 x 5 mm
Gesamthöhe: 105 mm
DB Zeichnungs-Nr.: 3 Ebs 15.03.19 - 38
Normenbezug: Ril 997.0205A01

Fabrikat: DEHN
Typ: D BEB 16 - 105 / 3 EBS 15-03-19-38
Art.-Nr.: 419160
oder gleichwertig.

 

Technische Daten

Werkstoff Anschlusselement NIRO
Werkstoff-Nr. 1.4301
Werkstoff Winkel St
Kurzschlussstrom > 25 kA
Prüfstrom 40 kA / 100 ms
Kurzschlussstrom (AC 50 Hz / DC) (1 s; ≤ 300 °C) 12,6 kA
Gewinde M16
Durchmesser Anschlussplatte 40 mm
Abmessung Winkel (l x b x t) 50 x 50 x 5 mm
Gesamthöhe 105 mm
DB Zeichnungs-Nr. 3 Ebs 15.03.19 - 38
Normenbezug Ril 997.0205A01

Artikel 419160 wurde zum Merkzettel hinzugefügt.

Zum Merkzettel

Artikel 419160 wurde zum Warenkorb hinzugefügt.

Zum Warenkorb

Flachstahl-Erdungsbrücken D BEB 1-NR

Die Erdungsbrücken sind zur Erdung, Rückstromführung sowie dem Potentialausgleich im Nutzungsbereich von Bahnstrecken vorgesehen. Diese Variante stellt dies sicher, indem diese bündig zur Oberfläche eingebaut und mit dem Flachstahl an die erdende Bewehrung – über eine definierte Schweißnaht – angeschweißt wird. Diese Erdungsbrücke besitzt zudem eine technische Freigabe der DB Netz AG und kann dort somit planungssicher verwendet werden.

1 Produkt

Art.-Nr. 419012 D BEB 1-NR / EBS 15-03-19

GTIN 4013364439467, Zolltarifnr. (EU): 85369010, Bruttogewicht: 1.46 kg, VPE: 1.00 Stk.


Abbildungen

Weitere Information

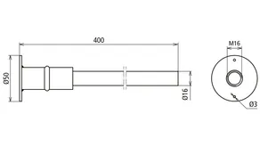
Flachstahl-Erdungsbrücke D BEB 1-NR / EBS 15-03-19
zum Erden der Bewehrung von Betonteilen
mit Freigabe der DB Netz AG
Werkstoff Anschlusselement: NIRO
Werkstoff-Nr.: 1.4301
Werkstoff Flachstahl: S235
Kurzschlussstrom: > 25 kA
Prüfstrom: 40 kA / 100 ms
Kurzschlussstrom (AC 50 Hz / DC): 12,6 kA
Gewinde: M16
Durchmesser Anschlussplatte: 50 mm
Abmessung Flachstahl: 400 x 50 x 5 mm
Gesamthöhe: 63 mm
DB Zeichnungs-Nr.: 3 Ebs 15.03.19 - 36
Normenbezug: Ril 997.0205A01

Fabrikat: DEHN
Typ: D BEB 1-NR / EBS 15-03-19
Art.-Nr.: 419012
oder gleichwertig.

 

Technische Daten

Werkstoff Anschlusselement NIRO
Werkstoff-Nr. 1.4301
Werkstoff Flachstahl S235
Kurzschlussstrom > 25 kA
Prüfstrom 40 kA / 100 ms
Kurzschlussstrom (AC 50 Hz / DC) (1 s; ≤ 300 °C) 12,6 kA
Gewinde M16
Durchmesser Anschlussplatte 50 mm
Abmessung Flachstahl 400 x 50 x 5 mm
Gesamthöhe 63 mm
DB Zeichnungs-Nr. 3 Ebs 15.03.19 - 36
Normenbezug Ril 997.0205A01

Artikel 419012 wurde zum Merkzettel hinzugefügt.

Zum Merkzettel

Artikel 419012 wurde zum Warenkorb hinzugefügt.

Zum Warenkorb

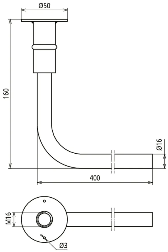
Betonstahl-Erdungsbrücken D BEB 2

Die Erdungsbrücken sind zur Erdung, Rückstromführung sowie dem Potentialausgleich im Nutzungsbereich von Bahnstrecken vorgesehen. Diese Variante wird bündig zur Oberfläche eingebaut und mit dem gebogenen Bewehrungsstahl vor allem bei platzkritischen Einbausituationen an die erdende Bewehrung angeschweißt. Diese Erdungsbrücke besitzt zudem eine technische Freigabe der DB Netz AG und kann dort somit planungssicher verwendet werden.

1 Produkt

Art.-Nr. 419020 D BEB 2 / EBS 15-03-19

GTIN 4013364439405, Zolltarifnr. (EU): 85369010, Bruttogewicht: 950.00 g, VPE: 1.00 Stk.


Abbildungen

Weitere Information

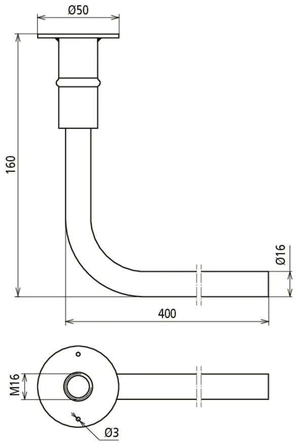
Betonstahl-Erdungsbrücke D BEB 2 / EBS 15-03-19
zum Erden der Bewehrung von Betonteilen
mit Freigabe der DB Netz AG
Werkstoff Platte: NIRO
Werkstoff-Nr.: 1.4301
Werkstoff Hülse: St / Cu
Werkstoff Achse: Betonstahl B500B
Kurzschlussstrom: > 25 kA
Prüfstrom: 40 kA / 100 ms
Kurzschlussstrom (AC 50 Hz / DC): 12,6 kA
Gewinde: M16
Durchmesser Anschlussplatte: 50 mm
Durchmesser Betonstahl: 16 mm
Einbauhöhe: 160 mm
Länge: 400 mm
DB Zeichnungs-Nr.: 3 Ebs 15.03.19 - 31
Normenbezug: Ril 997.0205A01

Fabrikat: DEHN
Typ: D BEB 2 / EBS 15-03-19
Art.-Nr.: 419020
oder gleichwertig.

 

Technische Daten

Werkstoff Platte NIRO
Werkstoff-Nr. 1.4301
Werkstoff Hülse St / Cu
Werkstoff Achse Betonstahl B500B
Kurzschlussstrom > 25 kA
Prüfstrom 40 kA / 100 ms
Kurzschlussstrom (AC 50 Hz / DC) (1 s; ≤ 300 °C) 12,6 kA
Gewinde M16
Durchmesser Anschlussplatte 50 mm
Durchmesser Betonstahl 16 mm
Einbauhöhe 160 mm
Länge 400 mm
DB Zeichnungs-Nr. 3 Ebs 15.03.19 - 31
Normenbezug Ril 997.0205A01

Artikel 419020 wurde zum Merkzettel hinzugefügt.

Zum Merkzettel

Artikel 419020 wurde zum Warenkorb hinzugefügt.

Zum Warenkorb

Betonstahl-Erdungsbrücken D BEB 3

Die Erdungsbrücken sind zur Erdung, Rückstromführung sowie dem Potentialausgleich im Nutzungsbereich von Bahnstrecken vorgesehen. Diese Variante wird bündig zur Oberfläche eingebaut und mit dem Bewehrungsstahl an die erdende Bewehrung angeschweißt. Diese Erdungsbrücke besitzt zudem eine technische Freigabe der DB Netz AG und kann dort somit planungssicher verwendet werden.

1 Produkt

Art.-Nr. 419030 D BEB 3 / EBS 15-03-19

GTIN 4013364439474, Zolltarifnr. (EU): 85369010, Bruttogewicht: 750.00 g, VPE: 1.00 Stk.


Abbildungen

Weitere Information

Betonstahl-Erdungsbrücke D BEB 3 / EBS 15-03-19
zum Erden der Bewehrung von Betonteilen
mit Freigabe der DB Netz AG
Werkstoff Platte: NIRO
Werkstoff-Nr.: 1.4301
Werkstoff Hülse: St / Cu
Werkstoff Achse: Betonstahl B500B
Kurzschlussstrom: > 25 kA
Prüfstrom: 40 kA / 100 ms
Kurzschlussstrom (AC 50 Hz / DC): 12,6 kA
Gewinde: M16
Durchmesser Anschlussplatte: 50 mm
Durchmesser Betonstahl: 16 mm
Länge: 400 mm
DB Zeichnungs-Nr.: 3 Ebs 15.03.19 - 31
Normenbezug: Ril 997.0205A01

Fabrikat: DEHN
Typ: D BEB 3 / EBS 15-03-19
Art.-Nr.: 419030
oder gleichwertig.

 

Technische Daten

Werkstoff Platte NIRO
Werkstoff-Nr. 1.4301
Werkstoff Hülse St / Cu
Werkstoff Achse Betonstahl B500B
Kurzschlussstrom > 25 kA
Prüfstrom 40 kA / 100 ms
Kurzschlussstrom (AC 50 Hz / DC) (1 s; ≤ 300 °C) 12,6 kA
Gewinde M16
Durchmesser Anschlussplatte 50 mm
Durchmesser Betonstahl 16 mm
Länge 400 mm
DB Zeichnungs-Nr. 3 Ebs 15.03.19 - 31
Normenbezug Ril 997.0205A01

Artikel 419030 wurde zum Merkzettel hinzugefügt.

Zum Merkzettel

Artikel 419030 wurde zum Warenkorb hinzugefügt.

Zum Warenkorb

Kupfer-Kabel-Erdungsbrücken D BEB 4 / 5

Die Erdungsbrücken sind zur Erdung, Rückstromführung sowie dem Potentialausgleich im Nutzungsbereich von Bahnstrecken vorgesehen. Diese Variante wird bündig zur Oberfläche eingebaut und mit der auf das Kupferkabel aufgepressten verkupferten Stahllasche an die erdende Bewehrung angeschweißt. Die Flexibilität des Kabels erleichtert dem Anwender den Einbau in die Bewehrung. Die speziellen FLEX-Varianten sind bei platzkritischen Einbausituationen besonders geeignet – hier kommen extra-flexible, feindrähtige Kupferkabel zum Einsatz. Diese Erdungsbrücken besitzen zudem eine technische Freigabe der DB Netz AG und können dort somit planungssicher verwendet werden.
Sonderlängen erhalten Sie auf Anfrage: bis 500 mm Gesamtlänge in Schritten von 50 mm und ab 500 mm Gesamtlänge in Schritten von 100 mm.

7 Produkte

Art.-Nr. 419040 D BEB 4 / EBS 15-03-19

GTIN 4013364439481, Zolltarifnr. (EU): 85369010, Bruttogewicht: 640.00 g, VPE: 1.00 Stk.


Abbildungen

Weitere Information

Kupfer-Kabel-Erdungsbrücke D BEB 4 / EBS 15-03-19
zum Erden der Bewehrung von Betonteilen
mit Freigabe der DB Netz AG
Werkstoff Platte: NIRO
Werkstoff-Nr.: 1.4301
Werkstoff Hülse: St / Cu
Werkstoff Lasche: St / Cu
Werkstoff Kabel: Cu
Kurzschlussstrom: ≤ 25 kA
Prüfstrom: 25 kA / 100 ms
Kurzschlussstrom (AC 50 Hz / DC): 7,9 kA
Gewinde: M16
Durchmesser Anschlussplatte: 50 mm
Kabel: NYY-O
Querschnitt Kabel: 70 mm²
Durchmesser Kabel: 17 mm
Abmessung Lasche: 80 x 30 mm
Länge: 500 mm
DB Zeichnungs-Nr.: 3 Ebs 15.03.19 - 32
Normenbezug: Ril 997.0205A01

Fabrikat: DEHN
Typ: D BEB 4 / EBS 15-03-19
Art.-Nr.: 419040
oder gleichwertig.

 

Technische Daten

Werkstoff Platte NIRO
Werkstoff-Nr. 1.4301
Werkstoff Hülse St / Cu
Werkstoff Lasche St / Cu
Werkstoff Kabel Cu
Kurzschlussstrom ≤ 25 kA
Prüfstrom 25 kA / 100 ms
Kurzschlussstrom (AC 50 Hz / DC) (1 s; ≤ 300 °C) 7,9 kA
Gewinde M16
Durchmesser Anschlussplatte 50 mm
Kabel NYY-O
Querschnitt Kabel 70 mm²
Durchmesser Kabel 17 mm
Abmessung Lasche 80 x 30 mm
Länge 500 mm
DB Zeichnungs-Nr. 3 Ebs 15.03.19 - 32
Normenbezug Ril 997.0205A01

Artikel 419040 wurde zum Merkzettel hinzugefügt.

Zum Merkzettel

Artikel 419040 wurde zum Warenkorb hinzugefügt.

Zum Warenkorb

Art.-Nr. 419050 D BEB 5 / EBS 15-03-19

GTIN 4013364439504, Zolltarifnr. (EU): 85369010, Bruttogewicht: 710.00 g, VPE: 1.00 Stk.


Abbildungen

Weitere Information

Kupfer-Kabel-Erdungsbrücke D BEB 5 / EBS 15-03-19
zum Erden der Bewehrung von Betonteilen
mit Freigabe der DB Netz AG
Werkstoff Platte: NIRO
Werkstoff-Nr.: 1.4301
Werkstoff Hülse: St / Cu
Werkstoff Lasche: St / Cu
Werkstoff Kabel: Cu
Kurzschlussstrom: > 25 kA
Prüfstrom: 40 kA / 100 ms
Kurzschlussstrom (AC 50 Hz / DC): 12,6 kA
Gewinde: M16
Durchmesser Anschlussplatte: 50 mm
Kabel: NYY-O
Querschnitt Kabel: 95 mm²
Durchmesser Kabel: 19 mm
Abmessung Lasche: 80 x 30 mm
Länge: 500 mm
DB Zeichnungs-Nr.: 3 Ebs 15.03.19 - 32
Normenbezug: Ril 997.0205A01

Fabrikat: DEHN
Typ: D BEB 5 / EBS 15-03-19
Art.-Nr.: 419050
oder gleichwertig.

 

Technische Daten

Werkstoff Platte NIRO
Werkstoff-Nr. 1.4301
Werkstoff Hülse St / Cu
Werkstoff Lasche St / Cu
Werkstoff Kabel Cu
Kurzschlussstrom > 25 kA
Prüfstrom 40 kA / 100 ms
Kurzschlussstrom (AC 50 Hz / DC) (1 s; ≤ 300 °C) 12,6 kA
Gewinde M16
Durchmesser Anschlussplatte 50 mm
Kabel NYY-O
Querschnitt Kabel 95 mm²
Durchmesser Kabel 19 mm
Abmessung Lasche 80 x 30 mm
Länge 500 mm
DB Zeichnungs-Nr. 3 Ebs 15.03.19 - 32
Normenbezug Ril 997.0205A01

Artikel 419050 wurde zum Merkzettel hinzugefügt.

Zum Merkzettel

Artikel 419050 wurde zum Warenkorb hinzugefügt.

Zum Warenkorb

Art.-Nr. 419051 D BEB 5-FLEX / EBS 15-03-19

GTIN 4013364439511, Zolltarifnr. (EU): 85369010, Bruttogewicht: 640.00 g, VPE: 1.00 Stk.


Abbildungen

Weitere Information

Kupfer-Kabel-Erdungsbrücke D BEB 5-FLEX / EBS 15-03-19
zum Erden der Bewehrung von Betonteilen
mit Freigabe der DB Netz AG
Werkstoff Platte: NIRO
Werkstoff-Nr.: 1.4301
Werkstoff Hülse: St / Cu
Werkstoff Lasche: St / Cu
Werkstoff Kabel: Cu
Kurzschlussstrom: > 25 kA
Prüfstrom: 40 kA / 100 ms
Kurzschlussstrom (AC 50 Hz / DC): 12,6 kA
Gewinde: M16
Durchmesser Anschlussplatte: 50 mm
Kabel: H07V-K
Querschnitt Kabel: 95 mm²
Durchmesser Kabel: 19 mm
Abmessung Lasche: 80 x 30 mm
Länge: 500 mm
DB Zeichnungs-Nr.: 3 Ebs 15.03.19 - 32
Normenbezug: Ril 997.0205A01

Fabrikat: DEHN
Typ: D BEB 5-FLEX / EBS 15-03-19
Art.-Nr.: 419051
oder gleichwertig.

 

Technische Daten

Werkstoff Platte NIRO
Werkstoff-Nr. 1.4301
Werkstoff Hülse St / Cu
Werkstoff Lasche St / Cu
Werkstoff Kabel Cu
Kurzschlussstrom > 25 kA
Prüfstrom 40 kA / 100 ms
Kurzschlussstrom (AC 50 Hz / DC) (1 s; ≤ 300 °C) 12,6 kA
Gewinde M16
Durchmesser Anschlussplatte 50 mm
Kabel H07V-K
Querschnitt Kabel 95 mm²
Durchmesser Kabel 19 mm
Abmessung Lasche 80 x 30 mm
Länge 500 mm
DB Zeichnungs-Nr. 3 Ebs 15.03.19 - 32
Normenbezug Ril 997.0205A01

Artikel 419051 wurde zum Merkzettel hinzugefügt.

Zum Merkzettel

Artikel 419051 wurde zum Warenkorb hinzugefügt.

Zum Warenkorb

Art.-Nr. 419501 D BEB 5 - L700 / EBS 15-03-19

GTIN 4013364458390, Zolltarifnr. (EU): 85369010, Bruttogewicht: 980.00 g, VPE: 1.00 Stk.


Abbildungen

Weitere Information

Kupfer-Kabel-Erdungsbrücke D BEB 5 / EBS 15-03-19
zum Erden der Bewehrung von Betonteilen
mit Freigabe der DB Netz AG
Werkstoff Platte: NIRO
Werkstoff-Nr.: 1.4301
Werkstoff Hülse: St / Cu
Werkstoff Lasche: St / Cu
Werkstoff Kabel: Cu
Kurzschlussstrom: > 25 kA
Prüfstrom: 40 kA / 100 ms
Kurzschlussstrom (AC 50 Hz / DC): 12,6 kA
Gewinde: M16
Durchmesser Anschlussplatte: 50 mm
Kabel: NYY-O
Querschnitt Kabel: 95 mm²
Durchmesser Kabel: 19 mm
Abmessung Lasche: 80 x 30 mm
Länge: 700 mm
DB Zeichnungs-Nr.: 3 Ebs 15.03.19 - 32
Normenbezug: Ril 997.0205A01

Fabrikat: DEHN
Typ: D BEB 5 - L700 / EBS 15-03-19
Art.-Nr.: 419501
oder gleichwertig.

 

Technische Daten

Werkstoff Platte NIRO
Werkstoff-Nr. 1.4301
Werkstoff Hülse St / Cu
Werkstoff Lasche St / Cu
Werkstoff Kabel Cu
Kurzschlussstrom > 25 kA
Prüfstrom 40 kA / 100 ms
Kurzschlussstrom (AC 50 Hz / DC) (1 s; ≤ 300 °C) 12,6 kA
Gewinde M16
Durchmesser Anschlussplatte 50 mm
Kabel NYY-O
Querschnitt Kabel 95 mm²
Durchmesser Kabel 19 mm
Abmessung Lasche 80 x 30 mm
Länge 700 mm
DB Zeichnungs-Nr. 3 Ebs 15.03.19 - 32
Normenbezug Ril 997.0205A01

Artikel 419501 wurde zum Merkzettel hinzugefügt.

Zum Merkzettel

Artikel 419501 wurde zum Warenkorb hinzugefügt.

Zum Warenkorb

Art.-Nr. 419502 D BEB 5 - L1000 / EBS 15-03-19

GTIN 4013364458406, Zolltarifnr. (EU): 85369010, Bruttogewicht: 1.40 kg, VPE: 1.00 Stk.


Abbildungen

Weitere Information

Kupfer-Kabel-Erdungsbrücke D BEB 5 / EBS 15-03-19
zum Erden der Bewehrung von Betonteilen
mit Freigabe der DB Netz AG
Werkstoff Platte: NIRO
Werkstoff-Nr.: 1.4301
Werkstoff Hülse: St / Cu
Werkstoff Lasche: St / Cu
Werkstoff Kabel: Cu
Kurzschlussstrom: > 25 kA
Prüfstrom: 40 kA / 100 ms
Kurzschlussstrom (AC 50 Hz / DC): 12,6 kA
Gewinde: M16
Durchmesser Anschlussplatte: 50 mm
Kabel: NYY-O
Querschnitt Kabel: 95 mm²
Durchmesser Kabel: 19 mm
Abmessung Lasche: 80 x 30 mm
Länge: 1000 mm
DB Zeichnungs-Nr.: 3 Ebs 15.03.19 - 32
Normenbezug: Ril 997.0205A01

Fabrikat: DEHN
Typ: D BEB 5 - L1000 / EBS 15-03-19
Art.-Nr.: 419502
oder gleichwertig.

 

Technische Daten

Werkstoff Platte NIRO
Werkstoff-Nr. 1.4301
Werkstoff Hülse St / Cu
Werkstoff Lasche St / Cu
Werkstoff Kabel Cu
Kurzschlussstrom > 25 kA
Prüfstrom 40 kA / 100 ms
Kurzschlussstrom (AC 50 Hz / DC) (1 s; ≤ 300 °C) 12,6 kA
Gewinde M16
Durchmesser Anschlussplatte 50 mm
Kabel NYY-O
Querschnitt Kabel 95 mm²
Durchmesser Kabel 19 mm
Abmessung Lasche 80 x 30 mm
Länge 1000 mm
DB Zeichnungs-Nr. 3 Ebs 15.03.19 - 32
Normenbezug Ril 997.0205A01

Artikel 419502 wurde zum Merkzettel hinzugefügt.

Zum Merkzettel

Artikel 419502 wurde zum Warenkorb hinzugefügt.

Zum Warenkorb

Art.-Nr. 419503 D BEB 5 - L1500 / EBS 15-03-19

GTIN 4013364458413, Zolltarifnr. (EU): 85369010, Bruttogewicht: 2.10 kg, VPE: 1.00 Stk.


Abbildungen

Weitere Information

Kupfer-Kabel-Erdungsbrücke D BEB 5 / EBS 15-03-19
zum Erden der Bewehrung von Betonteilen
mit Freigabe der DB Netz AG
Werkstoff Platte: NIRO
Werkstoff-Nr.: 1.4301
Werkstoff Hülse: St / Cu
Werkstoff Lasche: St / Cu
Werkstoff Kabel: Cu
Kurzschlussstrom: > 25 kA
Prüfstrom: 40 kA / 100 ms
Kurzschlussstrom (AC 50 Hz / DC): 12,6 kA
Gewinde: M16
Durchmesser Anschlussplatte: 50 mm
Kabel: NYY-O
Querschnitt Kabel: 95 mm²
Durchmesser Kabel: 19 mm
Abmessung Lasche: 80 x 30 mm
Länge: 1500 mm
DB Zeichnungs-Nr.: 3 Ebs 15.03.19 - 32
Normenbezug: Ril 997.0205A01

Fabrikat: DEHN
Typ: D BEB 5 - L1500 / EBS 15-03-19
Art.-Nr.: 419503
oder gleichwertig.

 

Technische Daten

Werkstoff Platte NIRO
Werkstoff-Nr. 1.4301
Werkstoff Hülse St / Cu
Werkstoff Lasche St / Cu
Werkstoff Kabel Cu
Kurzschlussstrom > 25 kA
Prüfstrom 40 kA / 100 ms
Kurzschlussstrom (AC 50 Hz / DC) (1 s; ≤ 300 °C) 12,6 kA
Gewinde M16
Durchmesser Anschlussplatte 50 mm
Kabel NYY-O
Querschnitt Kabel 95 mm²
Durchmesser Kabel 19 mm
Abmessung Lasche 80 x 30 mm
Länge 1500 mm
DB Zeichnungs-Nr. 3 Ebs 15.03.19 - 32
Normenbezug Ril 997.0205A01

Artikel 419503 wurde zum Merkzettel hinzugefügt.

Zum Merkzettel

Artikel 419503 wurde zum Warenkorb hinzugefügt.

Zum Warenkorb

Art.-Nr. 419504 D BEB 5 - L2000 / EBS 15-03-19

GTIN 4013364458420, Zolltarifnr. (EU): 85369010, Bruttogewicht: 2.80 kg, VPE: 1.00 Stk.


Abbildungen

Weitere Information

Kupfer-Kabel-Erdungsbrücke D BEB 5 / EBS 15-03-19
zum Erden der Bewehrung von Betonteilen
mit Freigabe der DB Netz AG
Werkstoff Platte: NIRO
Werkstoff-Nr.: 1.4301
Werkstoff Hülse: St / Cu
Werkstoff Lasche: St / Cu
Werkstoff Kabel: Cu
Kurzschlussstrom: > 25 kA
Prüfstrom: 40 kA / 100 ms
Kurzschlussstrom (AC 50 Hz / DC): 12,6 kA
Gewinde: M16
Durchmesser Anschlussplatte: 50 mm
Kabel: NYY-O
Querschnitt Kabel: 95 mm²
Durchmesser Kabel: 19 mm
Abmessung Lasche: 80 x 30 mm
Länge: 2000 mm
DB Zeichnungs-Nr.: 3 Ebs 15.03.19 - 32
Normenbezug: Ril 997.0205A01

Fabrikat: DEHN
Typ: D BEB 5 - L2000 / EBS 15-03-19
Art.-Nr.: 419504
oder gleichwertig.

 

Technische Daten

Werkstoff Platte NIRO
Werkstoff-Nr. 1.4301
Werkstoff Hülse St / Cu
Werkstoff Lasche St / Cu
Werkstoff Kabel Cu
Kurzschlussstrom > 25 kA
Prüfstrom 40 kA / 100 ms
Kurzschlussstrom (AC 50 Hz / DC) (1 s; ≤ 300 °C) 12,6 kA
Gewinde M16
Durchmesser Anschlussplatte 50 mm
Kabel NYY-O
Querschnitt Kabel 95 mm²
Durchmesser Kabel 19 mm
Abmessung Lasche 80 x 30 mm
Länge 2000 mm
DB Zeichnungs-Nr. 3 Ebs 15.03.19 - 32
Normenbezug Ril 997.0205A01

Artikel 419504 wurde zum Merkzettel hinzugefügt.

Zum Merkzettel

Artikel 419504 wurde zum Warenkorb hinzugefügt.

Zum Warenkorb

Kupfer-Kabel-Erdungsbrücken D BEB 6 / 7

Die Erdungsbrücken sind zur Erdung, Rückstromführung sowie dem Potentialausgleich im Nutzungsbereich von Bahnstrecken vorgesehen. Diese Variante wird als Erdungsdurchführung von Bauteilen verwendet indem sie beidseitig bündig zur Oberfläche eingebaut wird. Die Flexibilität des Kabels erleichtert dem Anwender den Einbau in die Bewehrung. Die speziellen FLEX-Varianten sind bei platzkritischen Einbausituationen besonders geeignet – hier kommen extra-flexible, feindrähtige Kupferkabel zum Einsatz. Diese Erdungsbrücken besitzen zudem eine technische Freigabe der DB Netz AG und können dort somit planungssicher verwendet werden.
Sonderlängen erhalten Sie auf Anfrage: bis 500 mm Gesamtlänge in Schritten von 50 mm und ab 500 mm Gesamtlänge in Schritten von 100 mm.

4 Produkte

Art.-Nr. 419060 D BEB 6 / EBS 15-03-19

GTIN 4013364439528, Zolltarifnr. (EU): 85369010, Bruttogewicht: 600.00 g, VPE: 1.00 Stk.


Abbildungen

Weitere Information

Kupfer-Kabel-Erdungsbrücke D BEB 6 / EBS 15-03-19
zum Erden der Bewehrung von Betonteilen
mit Freigabe der DB Netz AG
Werkstoff Platte: NIRO
Werkstoff-Nr.: 1.4301
Werkstoff Hülse: St / Cu
Werkstoff Kabel: Cu
Kurzschlussstrom: ≤ 25 kA
Prüfstrom: 25 kA / 100 ms
Kurzschlussstrom (AC 50 Hz / DC): 7,9 kA
Gewinde: M16
Durchmesser Anschlussplatte: 50 mm
Kabel: NYY-O
Querschnitt Kabel: 70 mm²
Durchmesser Kabel: 17 mm
Länge: 500 mm
DB Zeichnungs-Nr.: 3 Ebs 15.03.19 - 33
Normenbezug: Ril 997.0205A01

Fabrikat: DEHN
Typ: D BEB 6 / EBS 15-03-19
Art.-Nr.: 419060
oder gleichwertig.

 

Technische Daten

Werkstoff Platte NIRO
Werkstoff-Nr. 1.4301
Werkstoff Hülse St / Cu
Werkstoff Kabel Cu
Kurzschlussstrom ≤ 25 kA
Prüfstrom 25 kA / 100 ms
Kurzschlussstrom (AC 50 Hz / DC) (1 s; ≤ 300 °C) 7,9 kA
Gewinde M16
Durchmesser Anschlussplatte 50 mm
Kabel NYY-O
Querschnitt Kabel 70 mm²
Durchmesser Kabel 17 mm
Länge 500 mm
DB Zeichnungs-Nr. 3 Ebs 15.03.19 - 33
Normenbezug Ril 997.0205A01

Artikel 419060 wurde zum Merkzettel hinzugefügt.

Zum Merkzettel

Artikel 419060 wurde zum Warenkorb hinzugefügt.

Zum Warenkorb

Art.-Nr. 419061 D BEB 6-FLEX / EBS 15-03-19

GTIN 4013364439535, Zolltarifnr. (EU): 85369010, Bruttogewicht: 530.00 g, VPE: 1.00 Stk.


Abbildungen

Weitere Information

Kupfer-Kabel-Erdungsbrücke D BEB 6-FLEX / EBS 15-03-19
zum Erden der Bewehrung von Betonteilen
mit Freigabe der DB Netz AG
Werkstoff Platte: NIRO
Werkstoff-Nr.: 1.4301
Werkstoff Hülse: St / Cu
Werkstoff Kabel: Cu
Kurzschlussstrom: ≤ 25 kA
Prüfstrom: 25 kA / 100 ms
Kurzschlussstrom (AC 50 Hz / DC): 7,9 kA
Gewinde: M16
Durchmesser Anschlussplatte: 50 mm
Kabel: H07V-K
Querschnitt Kabel: 70 mm²
Durchmesser Kabel: 17 mm
Länge: 500 mm
DB Zeichnungs-Nr.: 3 Ebs 15.03.19 - 33
Normenbezug: Ril 997.0205A01

Fabrikat: DEHN
Typ: D BEB 6-FLEX / EBS 15-03-19
Art.-Nr.: 419061
oder gleichwertig.

 

Technische Daten

Werkstoff Platte NIRO
Werkstoff-Nr. 1.4301
Werkstoff Hülse St / Cu
Werkstoff Kabel Cu
Kurzschlussstrom ≤ 25 kA
Prüfstrom 25 kA / 100 ms
Kurzschlussstrom (AC 50 Hz / DC) (1 s; ≤ 300 °C) 7,9 kA
Gewinde M16
Durchmesser Anschlussplatte 50 mm
Kabel H07V-K
Querschnitt Kabel 70 mm²
Durchmesser Kabel 17 mm
Länge 500 mm
DB Zeichnungs-Nr. 3 Ebs 15.03.19 - 33
Normenbezug Ril 997.0205A01

Artikel 419061 wurde zum Merkzettel hinzugefügt.

Zum Merkzettel

Artikel 419061 wurde zum Warenkorb hinzugefügt.

Zum Warenkorb

Art.-Nr. 419070 D BEB 7 / EBS 15-03-19

GTIN 4013364439542, Zolltarifnr. (EU): 85369010, Bruttogewicht: 704.50 g, VPE: 1.00 Stk.


Abbildungen

Weitere Information

Kupfer-Kabel-Erdungsbrücke D BEB 7 / EBS 15-03-19
zum Erden der Bewehrung von Betonteilen
mit Freigabe der DB Netz AG
Werkstoff Platte: NIRO
Werkstoff-Nr.: 1.4301
Werkstoff Hülse: St / Cu
Werkstoff Kabel: Cu
Kurzschlussstrom: > 25 kA
Prüfstrom: 40 kA / 100 ms
Kurzschlussstrom (AC 50 Hz / DC): 12,6 kA
Gewinde: M16
Durchmesser Anschlussplatte: 50 mm
Kabel: NYY-O
Querschnitt Kabel: 95 mm²
Durchmesser Kabel: 19 mm
Länge: 500 mm
DB Zeichnungs-Nr.: 3 Ebs 15.03.19 - 33
Normenbezug: Ril 997.0205A01

Fabrikat: DEHN
Typ: D BEB 7 / EBS 15-03-19
Art.-Nr.: 419070
oder gleichwertig.

 

Technische Daten

Werkstoff Platte NIRO
Werkstoff-Nr. 1.4301
Werkstoff Hülse St / Cu
Werkstoff Kabel Cu
Kurzschlussstrom > 25 kA
Prüfstrom 40 kA / 100 ms
Kurzschlussstrom (AC 50 Hz / DC) (1 s; ≤ 300 °C) 12,6 kA
Gewinde M16
Durchmesser Anschlussplatte 50 mm
Kabel NYY-O
Querschnitt Kabel 95 mm²
Durchmesser Kabel 19 mm
Länge 500 mm
DB Zeichnungs-Nr. 3 Ebs 15.03.19 - 33
Normenbezug Ril 997.0205A01

Artikel 419070 wurde zum Merkzettel hinzugefügt.

Zum Merkzettel

Artikel 419070 wurde zum Warenkorb hinzugefügt.

Zum Warenkorb

Art.-Nr. 419071 D BEB 7-FLEX / EBS 15-03-19

GTIN 4013364439559, Zolltarifnr. (EU): 85369010, Bruttogewicht: 622.00 g, VPE: 1.00 Stk.


Abbildungen

Weitere Information

Kupfer-Kabel-Erdungsbrücke D BEB 7-FLEX / EBS 15-03-19
zum Erden der Bewehrung von Betonteilen
mit Freigabe der DB Netz AG
Werkstoff Platte: NIRO
Werkstoff-Nr.: 1.4301
Werkstoff Hülse: St / Cu
Werkstoff Kabel: Cu
Kurzschlussstrom: > 25 kA
Prüfstrom: 40 kA / 100 ms
Kurzschlussstrom (AC 50 Hz / DC): 12,6 kA
Gewinde: M16
Durchmesser Anschlussplatte: 50 mm
Kabel: H07V-K
Querschnitt Kabel: 95 mm²
Durchmesser Kabel: 19 mm
Länge: 500 mm
DB Zeichnungs-Nr.: 3 Ebs 15.03.19 - 33
Normenbezug: Ril 997.0205A01

Fabrikat: DEHN
Typ: D BEB 7-FLEX / EBS 15-03-19
Art.-Nr.: 419071
oder gleichwertig.

 

Technische Daten

Werkstoff Platte NIRO
Werkstoff-Nr. 1.4301
Werkstoff Hülse St / Cu
Werkstoff Kabel Cu
Kurzschlussstrom > 25 kA
Prüfstrom 40 kA / 100 ms
Kurzschlussstrom (AC 50 Hz / DC) (1 s; ≤ 300 °C) 12,6 kA
Gewinde M16
Durchmesser Anschlussplatte 50 mm
Kabel H07V-K
Querschnitt Kabel 95 mm²
Durchmesser Kabel 19 mm
Länge 500 mm
DB Zeichnungs-Nr. 3 Ebs 15.03.19 - 33
Normenbezug Ril 997.0205A01

Artikel 419071 wurde zum Merkzettel hinzugefügt.

Zum Merkzettel

Artikel 419071 wurde zum Warenkorb hinzugefügt.

Zum Warenkorb

Kupfer-Kabel-Erdungsbrücken D BEB 9 / 10

Die Erdungsbrücken sind zur Erdung, Rückstromführung sowie dem Potentialausgleich im Nutzungsbereich von Bahnstrecken vorgesehen. Diese Variante stellt eine nicht sichtbare Verbindung innerhalb des Betons dar, indem die auf das Kupferkabel aufgepressten verkupferten Stahllaschen an die erdende Bewehrung angeschweißt werden. Die Flexibilität des Kabels erleichtert dem Anwender den Einbau in die Bewehrung. Die speziellen FLEX-Varianten sind bei platzkritischen Einbausituationen besonders geeignet – hier kommen extra-flexible, feindrähtige Kupferkabel zum Einsatz. Diese Erdungsbrücken besitzen zudem eine technische Freigabe der DB Netz AG und können dort somit planungssicher verwendet werden.
Sonderlängen erhalten Sie auf Anfrage: bis 500 mm Gesamtlänge in Schritten von 50 mm und ab 500 mm Gesamtlänge in Schritten von 100 mm.

5 Produkte

Art.-Nr. 419090 D BEB 9 / EBS 15-03-19

GTIN 4013364439573, Zolltarifnr. (EU): 85369010, Bruttogewicht: 640.00 g, VPE: 1.00 Stk.


Abbildungen

Weitere Information

Kupfer-Kabel-Erdungsbrücke D BEB 9 / EBS 15-03-19
zum Erden der Bewehrung von Betonteilen
mit Freigabe der DB Netz AG
Werkstoff Lasche: St / Cu
Werkstoff Kabel: Cu
Kurzschlussstrom: ≤ 25 kA
Prüfstrom: 25 kA / 100 ms
Kurzschlussstrom (AC 50 Hz / DC): 7,9 kA
Kabel: NYY-O
Querschnitt Kabel: 70 mm²
Durchmesser Kabel: 17 mm
Abmessung Lasche: 80 x 30 mm
Länge: 500 mm
DB Zeichnungs-Nr.: 3 Ebs 15.03.19 - 33
Normenbezug: Ril 997.0205A01

Fabrikat: DEHN
Typ: D BEB 9 / EBS 15-03-19
Art.-Nr.: 419090
oder gleichwertig.

 

Technische Daten

Werkstoff Lasche St / Cu
Werkstoff Kabel Cu
Kurzschlussstrom ≤ 25 kA
Prüfstrom 25 kA / 100 ms
Kurzschlussstrom (AC 50 Hz / DC) (1 s; ≤ 300 °C) 7,9 kA
Kabel NYY-O
Querschnitt Kabel 70 mm²
Durchmesser Kabel 17 mm
Abmessung Lasche 80 x 30 mm
Länge 500 mm
DB Zeichnungs-Nr. 3 Ebs 15.03.19 - 33
Normenbezug Ril 997.0205A01

Artikel 419090 wurde zum Merkzettel hinzugefügt.

Zum Merkzettel

Artikel 419090 wurde zum Warenkorb hinzugefügt.

Zum Warenkorb

Art.-Nr. 419091 D BEB 9-FLEX / EBS 15-03-19

GTIN 4013364439580, Zolltarifnr. (EU): 85369010, Bruttogewicht: 570.00 g, VPE: 1.00 Stk.


Abbildungen

Weitere Information

Kupfer-Kabel-Erdungsbrücke D BEB 9-FLEX / EBS 15-03-19
zum Erden der Bewehrung von Betonteilen
mit Freigabe der DB Netz AG
Werkstoff Lasche: St / Cu
Werkstoff Kabel: Cu
Kurzschlussstrom: ≤ 25 kA
Prüfstrom: 25 kA / 100 ms
Kurzschlussstrom (AC 50 Hz / DC): 7,9 kA
Kabel: H07V-K
Querschnitt Kabel: 70 mm²
Durchmesser Kabel: 17 mm
Abmessung Lasche: 80 x 30 mm
Länge: 500 mm
DB Zeichnungs-Nr.: 3 Ebs 15.03.19 - 33
Normenbezug: Ril 997.0205A01

Fabrikat: DEHN
Typ: D BEB 9-FLEX / EBS 15-03-19
Art.-Nr.: 419091
oder gleichwertig.

 

Technische Daten

Werkstoff Lasche St / Cu
Werkstoff Kabel Cu
Kurzschlussstrom ≤ 25 kA
Prüfstrom 25 kA / 100 ms
Kurzschlussstrom (AC 50 Hz / DC) (1 s; ≤ 300 °C) 7,9 kA
Kabel H07V-K
Querschnitt Kabel 70 mm²
Durchmesser Kabel 17 mm
Abmessung Lasche 80 x 30 mm
Länge 500 mm
DB Zeichnungs-Nr. 3 Ebs 15.03.19 - 33
Normenbezug Ril 997.0205A01

Artikel 419091 wurde zum Merkzettel hinzugefügt.

Zum Merkzettel

Artikel 419091 wurde zum Warenkorb hinzugefügt.

Zum Warenkorb

Art.-Nr. 419100 D BEB 10 / EBS 15-03-19

GTIN 4013364439597, Zolltarifnr. (EU): 85369010, Bruttogewicht: 722.50 g, VPE: 1.00 Stk.


Abbildungen

Weitere Information

Kupfer-Kabel-Erdungsbrücke D BEB 10 / EBS 15-03-19
zum Erden der Bewehrung von Betonteilen
mit Freigabe der DB Netz AG
Werkstoff Lasche: St / Cu
Werkstoff Kabel: Cu
Kurzschlussstrom: > 25 kA
Prüfstrom: 40 kA / 100 ms
Kurzschlussstrom (AC 50 Hz / DC): 12,6 kA
Kabel: NYY-O
Querschnitt Kabel: 95 mm²
Durchmesser Kabel: 19 mm
Abmessung Lasche: 80 x 30 mm
Länge: 500 mm
DB Zeichnungs-Nr.: 3 Ebs 15.03.19 - 33
Normenbezug: Ril 997.0205A01

Fabrikat: DEHN
Typ: D BEB 10 / EBS 15-03-19
Art.-Nr.: 419100
oder gleichwertig.

 

Technische Daten

Werkstoff Lasche St / Cu
Werkstoff Kabel Cu
Kurzschlussstrom > 25 kA
Prüfstrom 40 kA / 100 ms
Kurzschlussstrom (AC 50 Hz / DC) (1 s; ≤ 300 °C) 12,6 kA
Kabel NYY-O
Querschnitt Kabel 95 mm²
Durchmesser Kabel 19 mm
Abmessung Lasche 80 x 30 mm
Länge 500 mm
DB Zeichnungs-Nr. 3 Ebs 15.03.19 - 33
Normenbezug Ril 997.0205A01

Artikel 419100 wurde zum Merkzettel hinzugefügt.

Zum Merkzettel

Artikel 419100 wurde zum Warenkorb hinzugefügt.

Zum Warenkorb

Art.-Nr. 419101 D BEB 10-FLEX / EBS 15-03-19

GTIN 4013364439603, Zolltarifnr. (EU): 85369010, Bruttogewicht: 667.00 g, VPE: 1.00 Stk.


Abbildungen

Weitere Information

Kupfer-Kabel-Erdungsbrücke D BEB 10-FLEX / EBS 15-03-19
zum Erden der Bewehrung von Betonteilen
mit Freigabe der DB Netz AG
Werkstoff Lasche: St / Cu
Werkstoff Kabel: Cu
Kurzschlussstrom: > 25 kA
Prüfstrom: 40 kA / 100 ms
Kurzschlussstrom (AC 50 Hz / DC): 12,6 kA
Kabel: H07V-K
Querschnitt Kabel: 95 mm²
Durchmesser Kabel: 19 mm
Abmessung Lasche: 80 x 30 mm
Länge: 500 mm
DB Zeichnungs-Nr.: 3 Ebs 15.03.19 - 33
Normenbezug: Ril 997.0205A01

Fabrikat: DEHN
Typ: D BEB 10-FLEX / EBS 15-03-19
Art.-Nr.: 419101
oder gleichwertig.

 

Technische Daten

Werkstoff Lasche St / Cu
Werkstoff Kabel Cu
Kurzschlussstrom > 25 kA
Prüfstrom 40 kA / 100 ms
Kurzschlussstrom (AC 50 Hz / DC) (1 s; ≤ 300 °C) 12,6 kA
Kabel H07V-K
Querschnitt Kabel 95 mm²
Durchmesser Kabel 19 mm
Abmessung Lasche 80 x 30 mm
Länge 500 mm
DB Zeichnungs-Nr. 3 Ebs 15.03.19 - 33
Normenbezug Ril 997.0205A01

Artikel 419101 wurde zum Merkzettel hinzugefügt.

Zum Merkzettel

Artikel 419101 wurde zum Warenkorb hinzugefügt.

Zum Warenkorb

Art.-Nr. 419505 D BEB 10 - L800 / EBS 15-03-19

GTIN 4013364458437, Zolltarifnr. (EU): 85369010, Bruttogewicht: 1.12 kg, VPE: 1.00 Stk.


Abbildungen

Weitere Information

Kupfer-Kabel-Erdungsbrücke D BEB 10 / EBS 15-03-19
zum Erden der Bewehrung von Betonteilen
mit Freigabe der DB Netz AG
Werkstoff Lasche: St / Cu
Werkstoff Kabel: Cu
Kurzschlussstrom: > 25 kA
Prüfstrom: 40 kA / 100 ms
Kurzschlussstrom (AC 50 Hz / DC): 12,6 kA
Kabel: NYY-O
Querschnitt Kabel: 95 mm²
Durchmesser Kabel: 19 mm
Abmessung Lasche: 80 x 30 mm
Länge: 800 mm
DB Zeichnungs-Nr.: 3 Ebs 15.03.19 - 33
Normenbezug: Ril 997.0205A01

Fabrikat: DEHN
Typ: D BEB 10 - L800 / EBS 15-03-19
Art.-Nr.: 419505
oder gleichwertig.

 

Technische Daten

Werkstoff Lasche St / Cu
Werkstoff Kabel Cu
Kurzschlussstrom > 25 kA
Prüfstrom 40 kA / 100 ms
Kurzschlussstrom (AC 50 Hz / DC) (1 s; ≤ 300 °C) 12,6 kA
Kabel NYY-O
Querschnitt Kabel 95 mm²
Durchmesser Kabel 19 mm
Abmessung Lasche 80 x 30 mm
Länge 800 mm
DB Zeichnungs-Nr. 3 Ebs 15.03.19 - 33
Normenbezug Ril 997.0205A01

Artikel 419505 wurde zum Merkzettel hinzugefügt.

Zum Merkzettel

Artikel 419505 wurde zum Warenkorb hinzugefügt.

Zum Warenkorb

Erdungsverbinder für Großrohrerdung D BEB 11

Die Erdungsbrücken sind zur Erdung, Rückstromführung sowie dem Potentialausgleich im Nutzungsbereich von Bahnstrecken vorgesehen. Die Variante für Großrohrerdung ist zur Verwendung bei Pfahl- und Großrohrfundamenten vorgesehen. Das Produkt besteht aus einem Kupferkabel mit aufgepresster Hülse und NIRO Anschlussplatte mit integrierten Bohrungen zur Schalungsbefestigung an einem Ende, sowie einem Kabelschuh am gegenüberliegenden Ende. Der Kabelschuh dient dazu eine kurzschlussstromfeste Verbindung zum Pfahl- oder Großrohrfundament herzustellen. Die Flexibilität des Kabels erleichtert dem Anwender den Einbau in die Bewehrung. Diese Erdungsbrücke besitzt zudem eine technische Freigabe der DB Netz AG und kann dort somit planungssicher verwendet werden.
Sonderlängen erhalten Sie auf Anfrage: bis 500 mm Gesamtlänge in Schritten von 50 mm und ab 500 mm Gesamtlänge in Schritten von 100 mm.

2 Produkte

Art.-Nr. 419110 D BEB 11 / EBS 15-03-27

GTIN 4013364439665, Zolltarifnr. (EU): 85369010, Bruttogewicht: 640.00 g, VPE: 1.00 Stk.


Abbildungen

Weitere Information

Erdungsbrücke für Großrohrerdung D BEB 11 / EBS 15-03-27
zum Erden der Bewehrung von Betonteilen
mit Freigabe der DB Netz AG
Werkstoff Platte: NIRO
Werkstoff-Nr.: 1.4301
Werkstoff Hülse: St / Cu
Werkstoff Kabelschuh: Cu/gal Sn
Werkstoff Kabel: Cu
Kurzschlussstrom: ≤ 25 kA
Prüfstrom: 25 kA / 100 ms
Kurzschlussstrom (AC 50 Hz / DC): 7,9 kA
Gewinde: M16
Durchmesser Anschlussplatte: 50 mm
Kabel: NYY-O
Querschnitt Kabel: 70 mm²
Durchmesser Kabel: 17 mm
Bohrung Kabelschuh: 13 mm
Länge: 500 mm
DB Zeichnungs-Nr.: 4 Ebs 15.03.27 - 2
Normenbezug: Ril 997.0205A01

Fabrikat: DEHN
Typ: D BEB 11 / EBS 15-03-27
Art.-Nr.: 419110
oder gleichwertig.

 

Technische Daten

Werkstoff Platte NIRO
Werkstoff-Nr. 1.4301
Werkstoff Hülse St / Cu
Werkstoff Kabelschuh Cu /gal Sn
Werkstoff Kabel Cu
Kurzschlussstrom ≤ 25 kA
Prüfstrom 25 kA / 100 ms
Kurzschlussstrom (AC 50 Hz / DC) (1 s; ≤ 300 °C) 7,9 kA
Gewinde M16
Durchmesser Anschlussplatte 50 mm
Kabel NYY-O
Querschnitt Kabel 70 mm²
Durchmesser Kabel 17 mm
Bohrung Kabelschuh 13 mm
Länge 500 mm
DB Zeichnungs-Nr. 4 Ebs 15.03.27 - 2
Normenbezug Ril 997.0205A01

Artikel 419110 wurde zum Merkzettel hinzugefügt.

Zum Merkzettel

Artikel 419110 wurde zum Warenkorb hinzugefügt.

Zum Warenkorb

Art.-Nr. 419506 D BEB 11 - L1000 / EBS 15-03-27

GTIN 4013364458444, Zolltarifnr. (EU): 85369010, Bruttogewicht: 1.10 kg, VPE: 1.00 Stk.


Abbildungen

Weitere Information

Erdungsbrücke für Großrohrerdung D BEB 11 / EBS 15-03-27
zum Erden der Bewehrung von Betonteilen
mit Freigabe der DB Netz AG
Werkstoff Platte: NIRO
Werkstoff-Nr.: 1.4301
Werkstoff Hülse: St / Cu
Werkstoff Kabelschuh: Cu/gal Sn
Werkstoff Kabel: Cu
Kurzschlussstrom: ≤ 25 kA
Prüfstrom: 25 kA / 100 ms
Kurzschlussstrom (AC 50 Hz / DC): 7,9 kA
Gewinde: M16
Durchmesser Anschlussplatte: 50 mm
Kabel: NYY-O
Querschnitt Kabel: 70 mm²
Durchmesser Kabel: 17 mm
Bohrung Kabelschuh: 13 mm
Länge: 1000 mm
DB Zeichnungs-Nr.: 4 Ebs 15.03.27 - 2
Normenbezug: Ril 997.0205A01

Fabrikat: DEHN
Typ: D BEB 11 - L1000 / EBS 15-03-27
Art.-Nr.: 419506
oder gleichwertig.

 

Technische Daten

Werkstoff Platte NIRO
Werkstoff-Nr. 1.4301
Werkstoff Hülse St / Cu
Werkstoff Kabelschuh Cu /gal Sn
Werkstoff Kabel Cu
Kurzschlussstrom ≤ 25 kA
Prüfstrom 25 kA / 100 ms
Kurzschlussstrom (AC 50 Hz / DC) (1 s; ≤ 300 °C) 7,9 kA
Gewinde M16
Durchmesser Anschlussplatte 50 mm
Kabel NYY-O
Querschnitt Kabel 70 mm²
Durchmesser Kabel 17 mm
Bohrung Kabelschuh 13 mm
Länge 1000 mm
DB Zeichnungs-Nr. 4 Ebs 15.03.27 - 2
Normenbezug Ril 997.0205A01

Artikel 419506 wurde zum Merkzettel hinzugefügt.

Zum Merkzettel

Artikel 419506 wurde zum Warenkorb hinzugefügt.

Zum Warenkorb

CuStAl-Kabel-Erdungsverbinder D BEB 29

Die Erdungsverbinder sind zur Erdung, Rückstromführung sowie dem Potentialausgleich im Nutzungsbereich von Bahnstrecken vorgesehen. Die halogenfreie Variante D BEB 29 bzw. halogenfreie und flammwidrige Variante D BEB 29-NF - zum äußeren Verbinden von Erdungspunkten und anderen Anschlusselementen wird mit einer Kabelschuhversion für M16-Anschlüsse ausgeführt. Diese Erdungsverbinder bestehen aus einem Kupfer-Stahl-Aluminium-Kabel und stellen somit eine präventive Diebstahlschutzmaßnahme dar. Diese Erdungsverbinder besitzen zudem eine technische Freigabe der DB Netz AG und können dort somit planungssicher verwendet werden. Bei der halogenfreie und flammwidrige Ausführung ist der Einsatz in Tunneln gemäß EU-Verordnung möglich.
Sonderlängen erhalten Sie auf Anfrage: bis 500 mm Gesamtlänge in Schritten von 50 mm und ab 500 mm Gesamtlänge in Schritten von 100 mm.

6 Produkte

Art.-Nr. 419290 D BEB 29 / EBS 15-03-17

GTIN 4013364439627, Zolltarifnr. (EU): 85359000, Bruttogewicht: 390.00 g, VPE: 1.00 Stk.


Abbildungen

Weitere Information

Kupfer-Stahl-Aluminium-Kabel-Erdungsverbinder
D BEB 29 / EBS 15-03-17
zum Erden der Bewehrung von Betonteilen
mit Freigabe der DB Netz AG
Werkstoff Kabelschuh: Cu/gal Sn
Werkstoff Kabel: CuStAl
Kurzschlussstrom: > 25 kA
Prüfstrom: 40 kA / 100 ms
Blitzstromtragfähigkeit (10/350 µs): 200 kA
Kurzschlussstrom (AC 50 Hz / DC): 12,6 kA
Kabel: (N)2X RF CuStAl
Querschnitt Kabel: ≥ 70 mm²
Ausführung: halogenfrei
Durchmesser Kabel: 17 mm
Bohrung Kabelschuh: 17 mm
Länge: 500 mm
DB Zeichnungs-Nr.: 4 Ebs 15.03.17 - 6 (Bayka)
Normenbezug: Ril 997.0205A01; DIN EN 62561-1

Fabrikat: DEHN
Typ: D BEB 29 / EBS 15-03-17
Art.-Nr.: 419290
oder gleichwertig.

Zertifikate

 

Technische Daten

Werkstoff Kabelschuh Cu /gal Sn
Werkstoff Kabel Cu St Al
Kurzschlussstrom > 25 kA
Prüfstrom 40 kA / 100 ms
Blitzstromtragfähigkeit (10/350 µs) 200 kA
Kurzschlussstrom (AC 50 Hz / DC) (1 s; ≤ 300 °C) 12,6 kA
Kabel (N)2X RF Cu St Al
Querschnitt Kabel ≥ 70 mm²
Ausführung halogenfrei
Durchmesser Kabel 17 mm
Bohrung Kabelschuh 17 mm
Länge 500 mm
DB Zeichnungs-Nr. 4 Ebs 15.03.17 - 6 (Bayka)
Normenbezug Ril 997.0205A01; DIN EN 62561-1

Artikel 419290 wurde zum Merkzettel hinzugefügt.

Zum Merkzettel

Artikel 419290 wurde zum Warenkorb hinzugefügt.

Zum Warenkorb

Art.-Nr. 419291 D BEB 29-NF / EBS 15-03-17

GTIN 4013364439634, Zolltarifnr. (EU): 85359000, Bruttogewicht: 410.00 g, VPE: 1.00 Stk.


Abbildungen

Weitere Information

Kupfer-Stahl-Aluminium-Kabel-Erdungsverbinder
D BEB 29-NF / EBS 15-03-17
zum Erden der Bewehrung von Betonteilen
mit Freigabe der DB Netz AG
Werkstoff Kabelschuh: Cu/gal Sn
Werkstoff Kabel: CuStAl
Kurzschlussstrom: > 25 kA
Prüfstrom: 40 kA / 100 ms
Blitzstromtragfähigkeit (10/350 µs): 200 kA
Kurzschlussstrom (AC 50 Hz / DC): 12,6 kA
Kabel: B2ca RF CuStAl
Querschnitt Kabel: ≥ 70 mm²
Ausführung: halogenfrei und flammenwidrig
Durchmesser Kabel: 17 mm
Bohrung Kabelschuh: 17 mm
Länge: 500 mm
DB Zeichnungs-Nr.: 4 Ebs 15.03.17 - 6 (Bayka)
Normenbezug: Ril 997.0205A01; DIN EN 62561-1

Fabrikat: DEHN
Typ: D BEB 29-NF / EBS 15-03-17
Art.-Nr.: 419291
oder gleichwertig.

Zertifikate

 

Technische Daten

Werkstoff Kabelschuh Cu /gal Sn
Werkstoff Kabel Cu St Al
Kurzschlussstrom > 25 kA
Prüfstrom 40 kA / 100 ms
Blitzstromtragfähigkeit (10/350 µs) 200 kA
Kurzschlussstrom (AC 50 Hz / DC) (1 s; ≤ 300 °C) 12,6 kA
Kabel B2ca RF Cu St Al
Querschnitt Kabel ≥ 70 mm²
Ausführung halogenfrei und flammenwidrig
Durchmesser Kabel 17 mm
Bohrung Kabelschuh 17 mm
Länge 500 mm
DB Zeichnungs-Nr. 4 Ebs 15.03.17 - 6 (Bayka)
Normenbezug Ril 997.0205A01; DIN EN 62561-1

Artikel 419291 wurde zum Merkzettel hinzugefügt.

Zum Merkzettel

Artikel 419291 wurde zum Warenkorb hinzugefügt.

Zum Warenkorb

Art.-Nr. 419511 D BEB 29 M12 M16 / EBS 15-03-17

GTIN 4013364480513, Zolltarifnr. (EU): 85359000, Bruttogewicht: 410.00 g, VPE: 1.00 Stk.


Abbildungen

Weitere Information

Kupfer-Stahl-Aluminium-Kabel-Erdungsverbinder
D BEB 29 M12 M16 / EBS 15-03-17
zum Erden an Bauteilen (M16) bzw. Schiene (M12)
mit Freigabe der DB Netz AG
Werkstoff Kabelschuh: Cu/gal Sn
Werkstoff Kabel: CuStAl
Kurzschlussstrom: > 25 kA
Prüfstrom: 40 kA / 100 ms
Kurzschlussstrom (AC 50 Hz / DC): 12,6 kA
Kabel: (N)2X RF CuStAl
Querschnitt Kabel: ≥ 70 mm²
Ausführung: halogenfrei
Durchmesser Kabel: 17 mm
Bohrung Kabelschuh: 13 mm für M12 und 17 mm für M16
Länge: 500 mm
DB Zeichnungs-Nr.: 4 Ebs 15.03.17 - 6 (Bayka)
Normenbezug: Ril 997.0205A01

Fabrikat: DEHN
Typ: D BEB 29 M12 M16 / EBS 15-03-17
Art.-Nr.: 419511
oder gleichwertig.

 

Technische Daten

Werkstoff Kabelschuh Cu /gal Sn
Werkstoff Kabel Cu St Al
Kurzschlussstrom > 25 kA
Prüfstrom 40 kA / 100 ms
Kurzschlussstrom (AC 50 Hz / DC) (1 s; ≤ 300 °C) 12,6 kA
Kabel (N)2X RF Cu St Al
Querschnitt Kabel ≥ 70 mm²
Ausführung halogenfrei
Durchmesser Kabel 17 mm
Bohrung Kabelschuh 13 mm für M12 und 17 mm für M16
Länge 500 mm
DB Zeichnungs-Nr. 4 Ebs 15.03.17 - 6 (Bayka)
Normenbezug Ril 997.0205A01

Artikel 419511 wurde zum Merkzettel hinzugefügt.

Zum Merkzettel

Artikel 419511 wurde zum Warenkorb hinzugefügt.

Zum Warenkorb

Art.-Nr. 419512 D BEB 29-NF M12 M16 / EBS 15-03-17

GTIN 4013364480520, Zolltarifnr. (EU): 85359000, Bruttogewicht: 410.00 g, VPE: 1.00 Stk.


Abbildungen

Weitere Information

Kupfer-Stahl-Aluminium-Kabel-Erdungsverbinder
D BEB 29-NF / EBS 15-03-17
zum Erden der Bewehrung von Betonteilen
mit Freigabe der DB Netz AG
Werkstoff Kabelschuh: Cu/gal Sn
Werkstoff Kabel: CuStAl
Kurzschlussstrom: > 25 kA
Prüfstrom: 40 kA / 100 ms
Kurzschlussstrom (AC 50 Hz / DC): 12,6 kA
Kabel: B2ca RF CuStAl
Querschnitt Kabel: ≥ 70 mm²
Ausführung: halogenfrei und flammenwidrig
Durchmesser Kabel: 17 mm
Bohrung Kabelschuh: 13 mm für M12 und 17 mm für M16
Länge: 500 mm
DB Zeichnungs-Nr.: 4 Ebs 15.03.17 - 6 (Bayka)
Normenbezug: Ril 997.0205A01

Fabrikat: DEHN
Typ: D BEB 29-NF M12 M16 / EBS 15-03-17
Art.-Nr.: 419512
oder gleichwertig.

 

Technische Daten

Werkstoff Kabelschuh Cu /gal Sn
Werkstoff Kabel Cu St Al
Kurzschlussstrom > 25 kA
Prüfstrom 40 kA / 100 ms
Kurzschlussstrom (AC 50 Hz / DC) (1 s; ≤ 300 °C) 12,6 kA
Kabel B2ca RF Cu St Al
Querschnitt Kabel ≥ 70 mm²
Ausführung halogenfrei und flammenwidrig
Durchmesser Kabel 17 mm
Bohrung Kabelschuh 13 mm für M12 und 17 mm für M16
Länge 500 mm
DB Zeichnungs-Nr. 4 Ebs 15.03.17 - 6 (Bayka)
Normenbezug Ril 997.0205A01

Artikel 419512 wurde zum Merkzettel hinzugefügt.

Zum Merkzettel

Artikel 419512 wurde zum Warenkorb hinzugefügt.

Zum Warenkorb

Art.-Nr. 419513 D BEB 29 R / EBS 15-03-17

GTIN 4013364480506, Zolltarifnr. (EU): 85359000, Bruttogewicht: 410.00 g, VPE: 1.00 Stk.


Abbildungen

Weitere Information

Kupfer-Stahl-Aluminium-Kabel-Erdungsverbinder
In rechtsgedrehter Ausführung
D BEB 29 R / EBS 15-03-17
zum Erden der Bewehrung von Betonteilen
mit Freigabe der DB Netz AG
Werkstoff Kabelschuh: Cu/gal Sn
Werkstoff Kabel: CuStAl
Kurzschlussstrom: > 25 kA
Prüfstrom: 40 kA / 100 ms
Blitzstromtragfähigkeit (10/350 µs): 200 kA
Kurzschlussstrom (AC 50 Hz / DC): 12,6 kA
Kabel: (N)2X RF CuStAl
Querschnitt Kabel: ≥ 70 mm²
Ausführung: halogenfrei
Durchmesser Kabel: 17 mm
Bohrung Kabelschuh: 17 mm
Ausführung Kabelschuh: 90° rechts gedreht
Länge: 500 mm
DB Zeichnungs-Nr.: 4 Ebs 15.03.17 - 6 (Bayka)
Normenbezug: Ril 997.0205A01; DIN EN 62561-1

Fabrikat: DEHN
Typ: D BEB 29 R / EBS 15-03-17
Art.-Nr.: 419513
oder gleichwertig.

Zertifikate

 

Technische Daten

Werkstoff Kabelschuh Cu /gal Sn
Werkstoff Kabel Cu St Al
Kurzschlussstrom > 25 kA
Prüfstrom 40 kA / 100 ms
Blitzstromtragfähigkeit (10/350 µs) 200 kA
Kurzschlussstrom (AC 50 Hz / DC) (1 s; ≤ 300 °C) 12,6 kA
Kabel (N)2X RF Cu St Al
Querschnitt Kabel ≥ 70 mm²
Ausführung halogenfrei
Durchmesser Kabel 17 mm
Bohrung Kabelschuh 17 mm
Ausführung Kabelschuh 90° rechts gedreht
Länge 500 mm
DB Zeichnungs-Nr. 4 Ebs 15.03.17 - 6 (Bayka)
Normenbezug Ril 997.0205A01; DIN EN 62561-1

Artikel 419513 wurde zum Merkzettel hinzugefügt.

Zum Merkzettel

Artikel 419513 wurde zum Warenkorb hinzugefügt.

Zum Warenkorb

Art.-Nr. 419514 D BEB 29 L / EBS 15-03-17

GTIN 4013364480537, Zolltarifnr. (EU): 85359000, Bruttogewicht: 410.00 g, VPE: 1.00 Stk.


Abbildungen

Weitere Information

Kupfer-Stahl-Aluminium-Kabel-Erdungsverbinder
In linksgedrehter Ausführung
D BEB 29 R / EBS 15-03-17
zum Erden der Bewehrung von Betonteilen
mit Freigabe der DB Netz AG
Werkstoff Kabelschuh: Cu/gal Sn
Werkstoff Kabel: CuStAl
Kurzschlussstrom: > 25 kA
Prüfstrom: 40 kA / 100 ms
Blitzstromtragfähigkeit (10/350 µs): 200 kA
Kurzschlussstrom (AC 50 Hz / DC): 12,6 kA
Kabel: (N)2X RF CuStAl
Querschnitt Kabel: ≥ 70 mm²
Ausführung: halogenfrei
Durchmesser Kabel: 17 mm
Bohrung Kabelschuh: 17 mm
Ausführung Kabelschuh: 90° links gedreht
Länge: 500 mm
DB Zeichnungs-Nr.: 4 Ebs 15.03.17 - 6 (Bayka)
Normenbezug: Ril 997.0205A01; DIN EN 62561-1

Fabrikat: DEHN
Typ: D BEB 29 L / EBS 15-03-17
Art.-Nr.: 419514
oder gleichwertig.

Zertifikate

 

Technische Daten

Werkstoff Kabelschuh Cu /gal Sn
Werkstoff Kabel Cu St Al
Kurzschlussstrom > 25 kA
Prüfstrom 40 kA / 100 ms
Blitzstromtragfähigkeit (10/350 µs) 200 kA
Kurzschlussstrom (AC 50 Hz / DC) (1 s; ≤ 300 °C) 12,6 kA
Kabel (N)2X RF Cu St Al
Querschnitt Kabel ≥ 70 mm²
Ausführung halogenfrei
Durchmesser Kabel 17 mm
Bohrung Kabelschuh 17 mm
Ausführung Kabelschuh 90° links gedreht
Länge 500 mm
DB Zeichnungs-Nr. 4 Ebs 15.03.17 - 6 (Bayka)
Normenbezug Ril 997.0205A01; DIN EN 62561-1

Artikel 419514 wurde zum Merkzettel hinzugefügt.

Zum Merkzettel

Artikel 419514 wurde zum Warenkorb hinzugefügt.

Zum Warenkorb

Klebepad

Das Klebepad wird verwendet, um die Bahnerdungsprodukte mittels einer Klebeverbindung an der Schalung zu befestigen. Das Klebepad lässt sich an der NIRO-Anschlussplatte des D BEB 0 aufkleben, um anschließed mit der Schalung selbst verbunden zu werden.

1 Produkt

Art.-Nr. 419900 D KLP D50 BEB

GTIN 4013364439641, Zolltarifnr. (EU): 39191080, Bruttogewicht: 2.00 g, VPE: 1.00 Stk.


Abbildungen

Weitere Information

Klebepad D KLP D50 BEB
für Bahnerdungsprodukte D BEB 0-x
Durchmesser: 50 mm
Durchmesser: 50 mm

Fabrikat: DEHN
Typ: D KLP D50 BEB
Art.-Nr.: 419900
oder gleichwertig.

 

Technische Daten

Durchmesser 50 mm

Artikel 419900 wurde zum Merkzettel hinzugefügt.

Zum Merkzettel

Artikel 419900 wurde zum Warenkorb hinzugefügt.

Zum Warenkorb

Erdungsaufkleber

Der Erdungsaufkleber ist als Ersatzteil zur Kennzeichnung von Bahnerdungsprodukten im eingebauten Zustand vorgesehen. Dieser lässt sich einfach auf die NIRO-Anschlussplatte aufkleben. Eine solche Kennzeichnung kann für die Erdungsbrücken D BEB 1 bis 8 sowie für die Variante D BEB 11 für Großrohrerdungen vorgenommen werden, falls der werksseitig angebrachte Aufkleber nicht mehr vorhanden bzw. beschädigt ist.

1 Produkt

Art.-Nr. 419901 D EAK D50 BEB

GTIN 4013364439658, Zolltarifnr. (EU): 39191080, Bruttogewicht: 3.00 g, VPE: 1.00 Stk.


Abbildungen

Weitere Information

Erdungsaufkleber D EAK D50 BEB
als Kennzeichnung für Bahnerdungsprodukte
Durchmesser: 50 mm
Durchmesser: 50 mm

Fabrikat: DEHN
Typ: D EAK D50 BEB
Art.-Nr.: 419901
oder gleichwertig.

 

Technische Daten

Durchmesser 50 mm

Artikel 419901 wurde zum Merkzettel hinzugefügt.

Zum Merkzettel

Artikel 419901 wurde zum Warenkorb hinzugefügt.

Zum Warenkorb

Sechskantschraube

1 Produkt

Art.-Nr. 419902 D SKS M16X30 V4A

GTIN 4013364439689, Zolltarifnr. (EU): 85389099, Bruttogewicht: 76.89 g, VPE: 1.00 Stk.


Abbildungen

Weitere Information

Sechskantschraube D SKS M16X30 V2A
Werkstoff: NIRO A4-70
Gewinde: M16 x 30 mm
Werkstoff: NIRO (V4A)
Gewinde: M16 x 30 mm

Fabrikat: DEHN
Typ: D SKS M16X30 V4A
Art.-Nr.: 419902
oder gleichwertig.

 

Technische Daten

Werkstoff NIRO (V4A)
Gewinde M16 x 30 mm

Artikel 419902 wurde zum Merkzettel hinzugefügt.

Zum Merkzettel

Artikel 419902 wurde zum Warenkorb hinzugefügt.

Zum Warenkorb

Sechskantmutter

1 Produkt

Art.-Nr. 419903 D SKM M16 V4A

GTIN 4013364439696, Zolltarifnr. (EU): 73181639, Bruttogewicht: 28.98 g, VPE: 1.00 Stk.


Abbildungen

Weitere Information

Sechskantmutter D SKM M16 V2A
Werkstoff: NIRO A4-70
Gewinde: M16
Werkstoff: NIRO (V4A)
Gewinde: M16

Fabrikat: DEHN
Typ: D SKM M16 V4A
Art.-Nr.: 419903
oder gleichwertig.

 

Technische Daten

Werkstoff NIRO (V4A)
Gewinde M16

Artikel 419903 wurde zum Merkzettel hinzugefügt.

Zum Merkzettel

Artikel 419903 wurde zum Warenkorb hinzugefügt.

Zum Warenkorb

Unterlegscheibe

1 Produkt

Art.-Nr. 419904 D SCH A17 V4A

GTIN 4013364439702, Zolltarifnr. (EU): 85389099, Bruttogewicht: 9.10 g, VPE: 1.00 Stk.


Abbildungen

Weitere Information

Scheibe D SCH A17 V2A
Werkstoff: NIRO A4-70
Durchmesser Außen: 30 mm
Durchmesser Innen: 17 mm
Werkstoff: NIRO (V4A)
Durchmesser Außen: 30 mm
Durchmesser Innen: 17 mm

Fabrikat: DEHN
Typ: D SCH A17 V4A
Art.-Nr.: 419904
oder gleichwertig.

 

Technische Daten

Werkstoff NIRO (V4A)
Durchmesser Außen 30 mm
Durchmesser Innen 17 mm

Artikel 419904 wurde zum Merkzettel hinzugefügt.

Zum Merkzettel

Artikel 419904 wurde zum Warenkorb hinzugefügt.

Zum Warenkorb

nach oben