Ihre Services im Dashboard..
Registriert nutzen Sie das komplette Angebot.

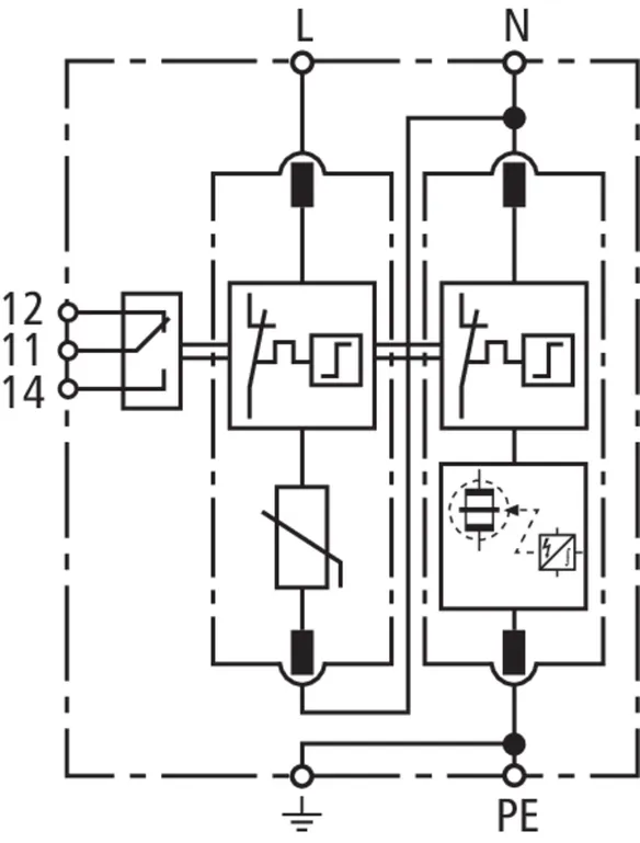
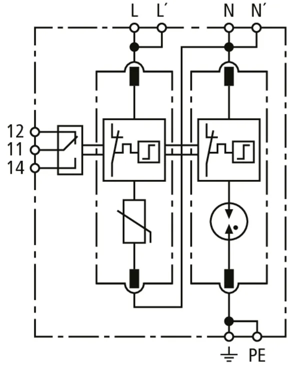
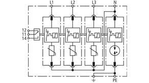
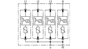
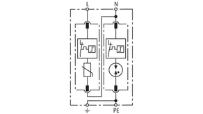
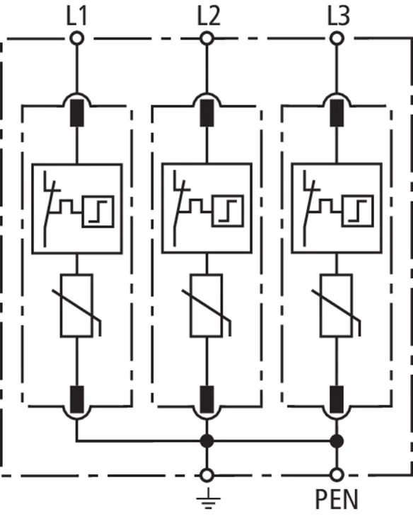
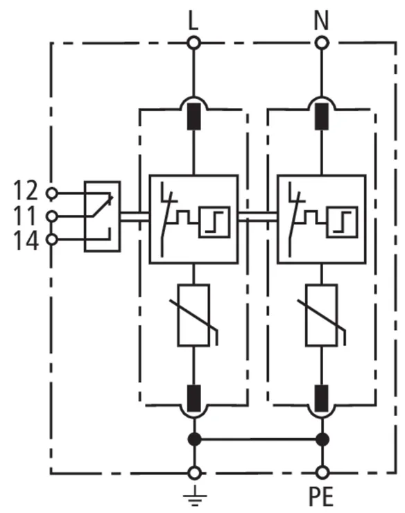
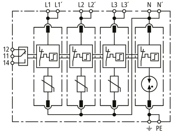
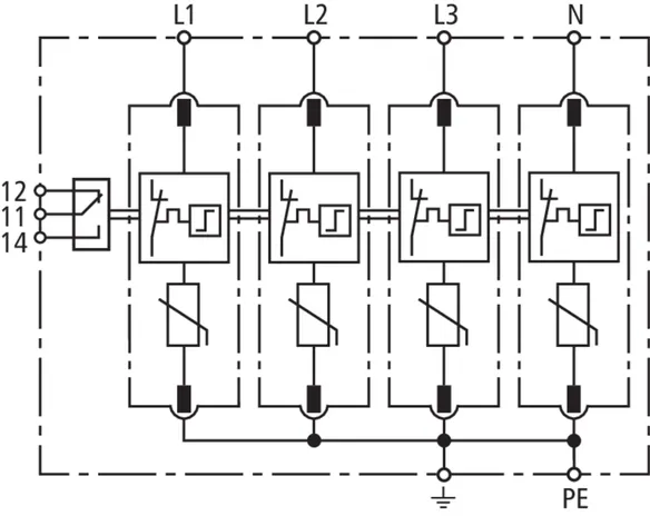
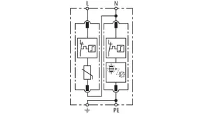
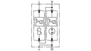
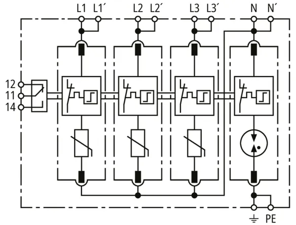
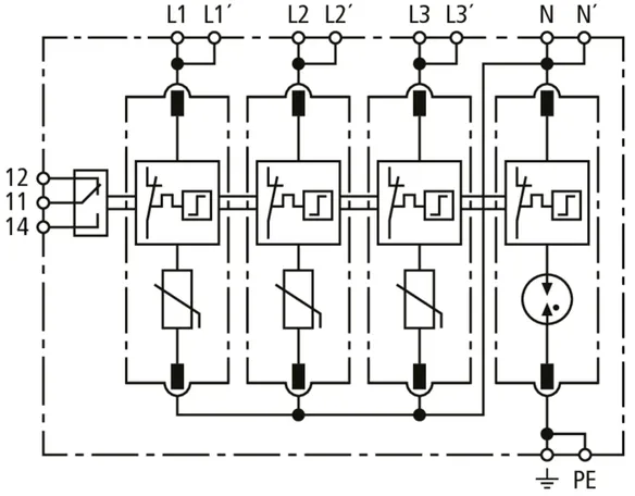
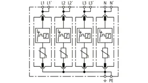
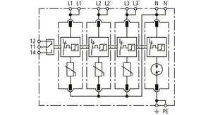
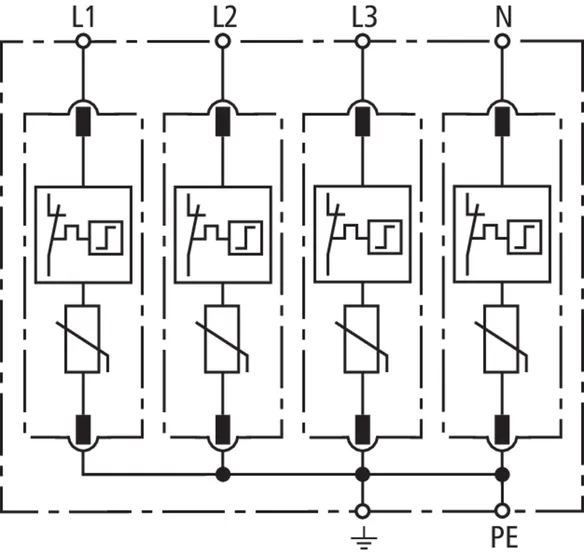
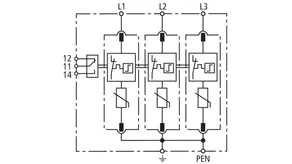
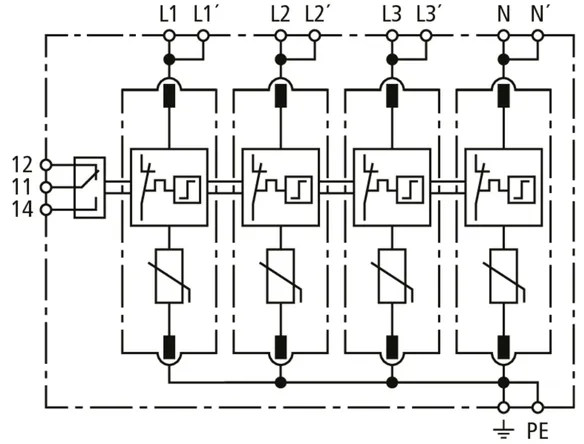
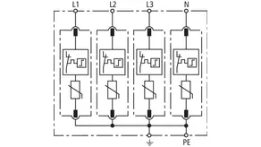
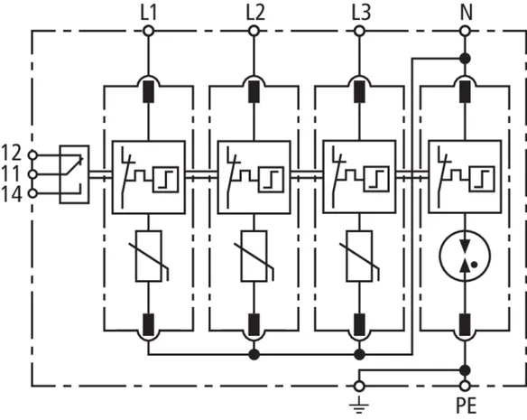
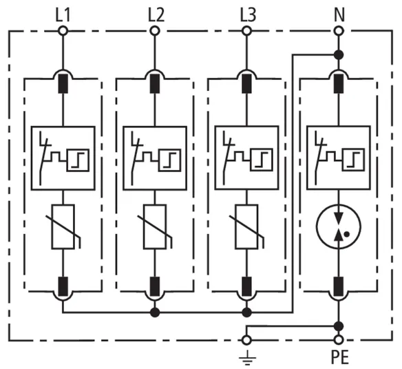
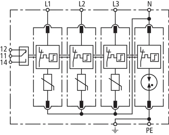
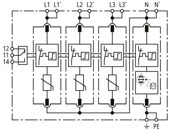
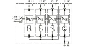
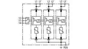
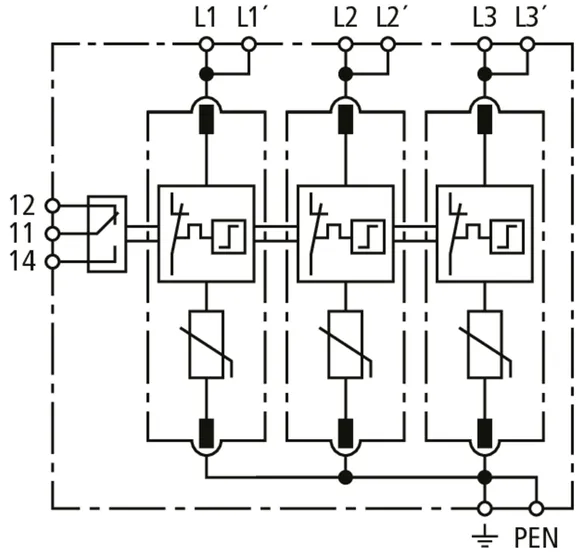
DEHNguard modular

  • Anschlussfertige Kompletteinheit bestehend aus Basisteil und gesteckten Schutzmodulen
  • Energetisch koordiniert innerhalb der Red/Line-Produktfamilie
  • Hohes Ableitvermögen durch leistungsfähige Zinkoxidvaristoren/Funkenstrecken
  • Hohe Gerätesicherheit durch Ableiterüberwachung "Thermo-Dynamik-Control"
  • Einfacher, werkzeugloser Schutzmodulwechsel durch Modulverriegelungssystem mit Modulentriegelungstaste
  • Vibrations- und schockgeprüft nach EN 60068-2
  • Bei DG MP-Varianten mit Push-In-Doppelklemmen zur einfachen Durchgangsverdrahtung
  • Bei DG MD-Varianten mit Doppelschraubklemmen zur einfachen Durchgangsverdrahtung

Details

lorem ipsum
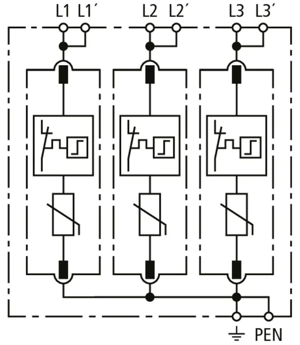
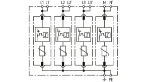
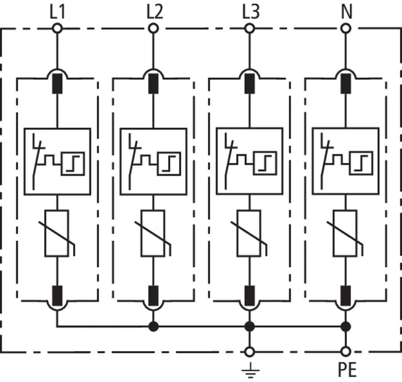
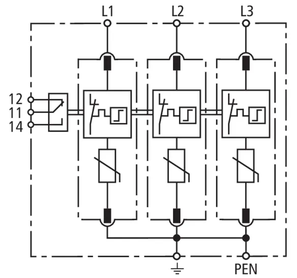
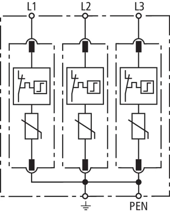
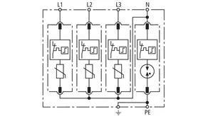
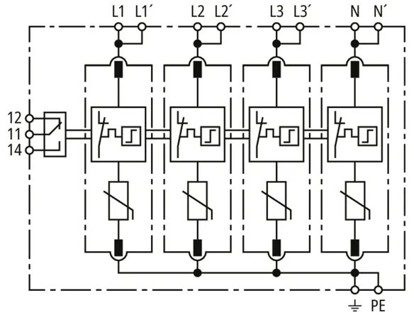
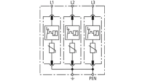
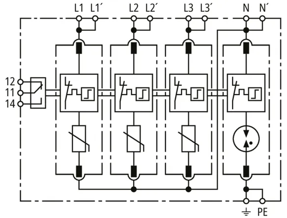
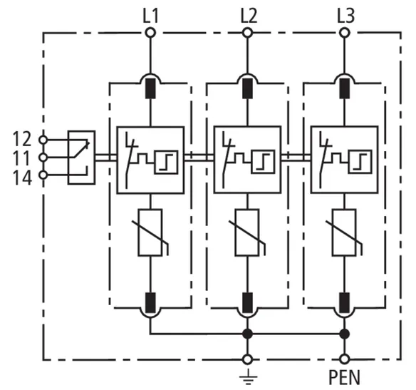
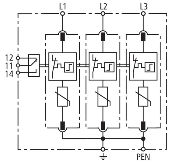
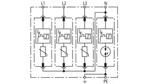
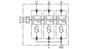
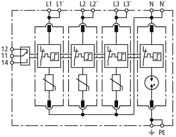
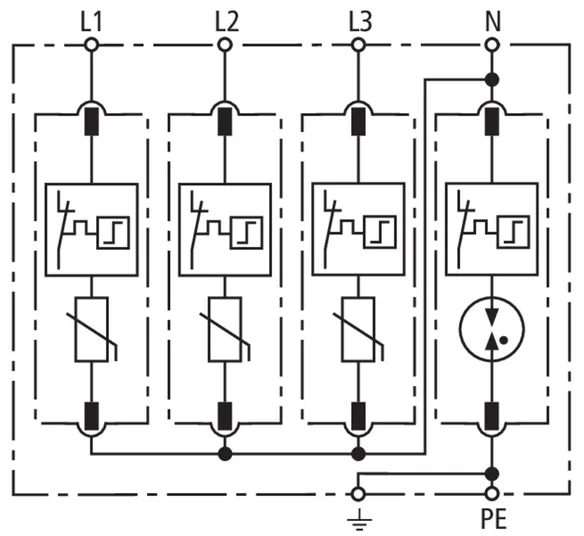
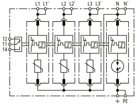
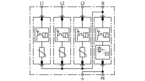
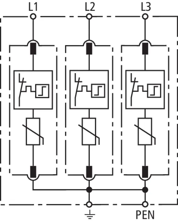
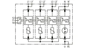
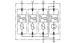
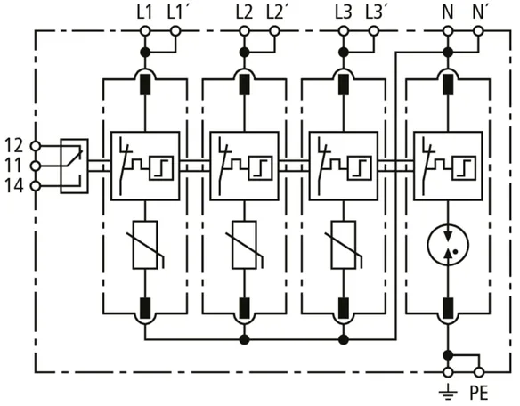
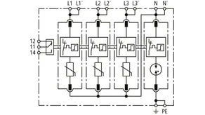
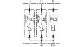
3+1-Schaltung mit einem höheren Ableitvermögen 4 x 20 kA = 80 kA.
lorem ipsum
lorem ipsum

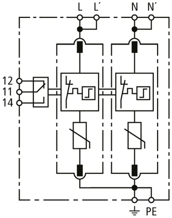
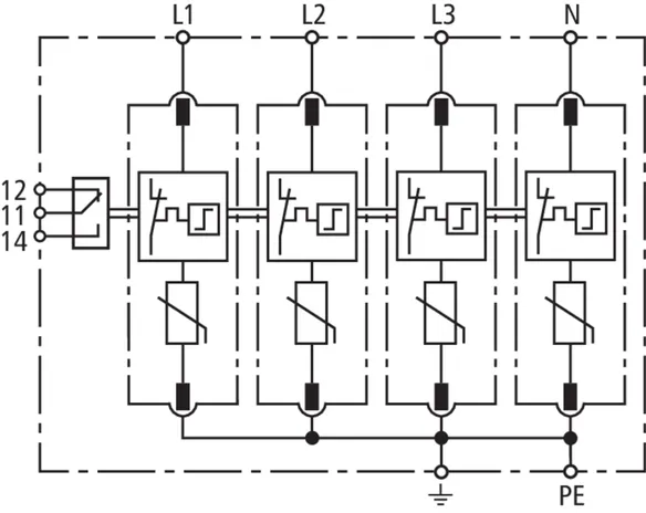
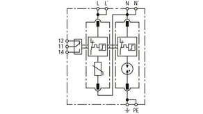
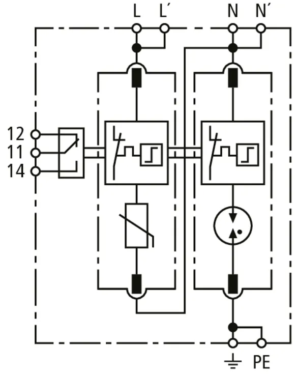
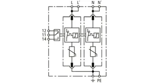
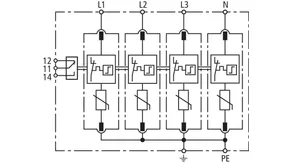
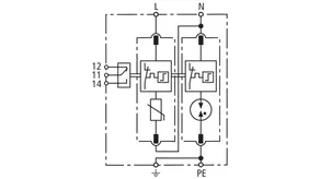
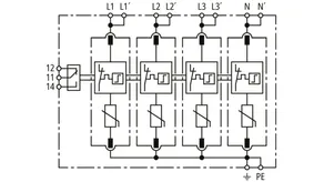
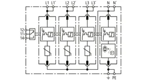
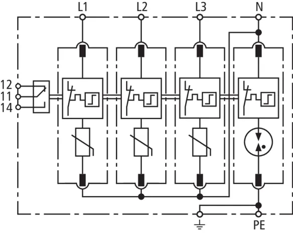
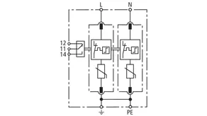
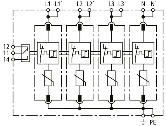
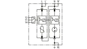
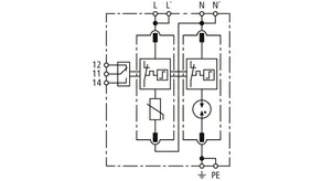
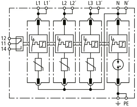
DEHNguard MD TNS ... (FM)

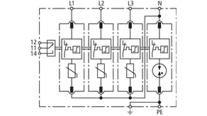
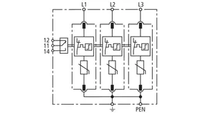
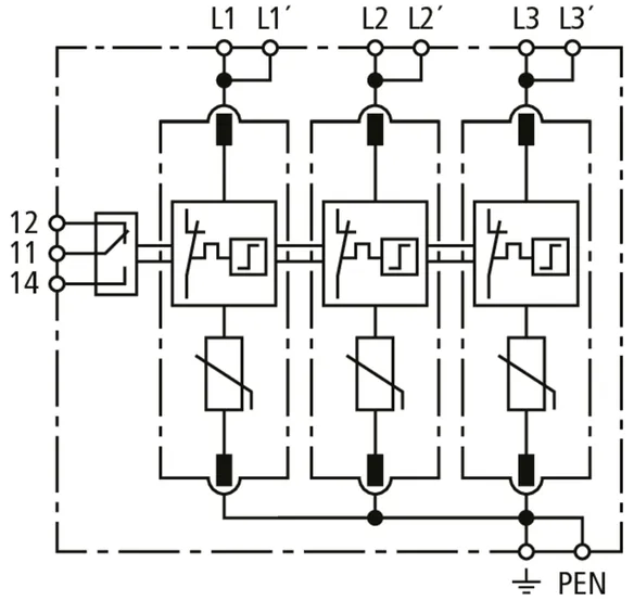
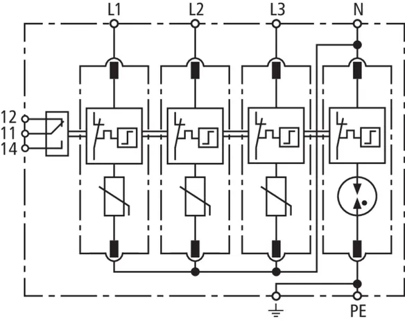
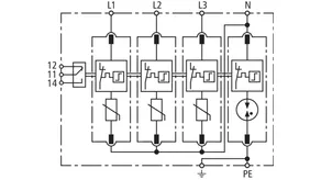
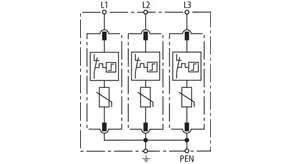
Modularer Überspannungs-Ableiter für TN-S-Systeme (4+0-Schaltung); mit potentialfreiem Fernmeldekontakt.

4 Produkte

Art.-Nr. 943408 DG MD TNS 150 FM

GTIN 4013364522244, Zolltarifnr. (EU): 85363030, Bruttogewicht: 496.00 g, VPE: 1.00 Stk.


Abbildungen

Weitere Information

Überspannungs-Ableiter DEHNguard MD TNS 150 FM
4-poliger, modularer, steckbarer Überspannungs-Ableiter
für 120/240 V TN-S-Systeme, Breite 4TE
mit Fernmeldekontakt
Ableiter Typ 2 nach EN 61643-11
Defektanzeige
Höchste Dauerspannung: 150 V ac
Schutzpegel: <= 0,7 kV
Nennableitstoßstrom: 15 kA
Kurzschlußfestigkeit: 50 kAeff
Energetische Koordination nach DIN EN 62305-4
Ableiter der Red/Line-Familie

Fabrikat: DEHN
Typ: DG MD TNS 150 FM
Art.-Nr.: 943408
oder gleichwertig.

Zertifikate

 

Technische Daten

SPD nach EN 61643-11 / ... IEC 61643-11 Typ 2 + Typ 3 / Class II + Class III
Höchste Dauerspannung AC (UC ) 150 V (50 / 60 Hz)
Nennableitstoßstrom (8/20 µs) (In ) 15 kA
Max. Ableitstoßstrom (8/20 µs) (Imax ) 40 kA
Schutzpegel [L-PE]/[N-PE] (UP ) ≤ 0,7 / ≤ 0,7 kV
Zulassungen DEKRA
FM-Kontakte / Kontaktform Wechsler

Artikel 943408 wurde zum Merkzettel hinzugefügt.

Zum Merkzettel

Artikel 943408 wurde zum Warenkorb hinzugefügt.

Zum Warenkorb

Art.-Nr. 943400 DG MD TNS 275

GTIN 4013364521919, Zolltarifnr. (EU): 85363030, Bruttogewicht: 380.00 g, VPE: 1.00 Stk.


Abbildungen

Weitere Information

Überspannungs-Ableiter DEHNguard MD TNS 275
4-poliger, modularer, steckbarer Überspannungs-Ableiter
für 230/400 V TN-S-Systeme, Breite 4TE
Ableiter Typ 2 nach EN 61643-11
Defektanzeige
Höchste Dauerspannung: 275 V ac
Schutzpegel: <= 1,5 kV
Nennableitstoßstrom: 20 kA
Kurzschlußfestigkeit: 50 kAeff
Energetische Koordination nach DIN EN 62305-4
Ableiter der Red/Line-Familie

Fabrikat: DEHN
Typ: DG MD TNS 275
Art.-Nr.: 943400
oder gleichwertig.

Zertifikate

 

Technische Daten

SPD nach EN 61643-11 / ... IEC 61643-11 Typ 2 + Typ 3 / Class II + Class III
Höchste Dauerspannung AC (UC ) 275 V (50 / 60 Hz)
Nennableitstoßstrom (8/20 µs) (In ) 20 kA
Max. Ableitstoßstrom (8/20 µs) (Imax ) 40 kA
Schutzpegel [L-PE]/[N-PE] (UP ) ≤ 1,5 / ≤ 1,5 kV
Zulassungen DEKRA

Artikel 943400 wurde zum Merkzettel hinzugefügt.

Zum Merkzettel

Artikel 943400 wurde zum Warenkorb hinzugefügt.

Zum Warenkorb

Art.-Nr. 943405 DG MD TNS 275 FM

GTIN 4013364477117, Zolltarifnr. (EU): 85363030, Bruttogewicht: 380.00 g, VPE: 1.00 Stk.


Abbildungen

Weitere Information

Überspannungs-Ableiter DEHNguard MD TNS 275 FM
4-poliger, modularer, steckbarer Überspannungs-Ableiter
für 230/400 V TN-S-Systeme, Breite 4TE
mit Fernmeldekontakt
Ableiter Typ 2 nach EN 61643-11
Defektanzeige
Höchste Dauerspannung: 275 V ac
Schutzpegel: <= 1,5 kV
Nennableitstoßstrom: 20 kA
Kurzschlußfestigkeit: 50 kAeff
Energetische Koordination nach DIN EN 62305-4
Ableiter der Red/Line-Familie

Fabrikat: DEHN
Typ: DG MD TNS 275 FM
Art.-Nr.: 943405
oder gleichwertig.

Zertifikate

 

Technische Daten

SPD nach EN 61643-11 / ... IEC 61643-11 Typ 2 + Typ 3 / Class II + Class III
Höchste Dauerspannung AC (UC ) 275 V (50 / 60 Hz)
Nennableitstoßstrom (8/20 µs) (In ) 20 kA
Max. Ableitstoßstrom (8/20 µs) (Imax ) 40 kA
Schutzpegel [L-PE]/[N-PE] (UP ) ≤ 1,5 / ≤ 1,5 kV
Zulassungen DEKRA
FM-Kontakte / Kontaktform Wechsler

Artikel 943405 wurde zum Merkzettel hinzugefügt.

Zum Merkzettel

Artikel 943405 wurde zum Warenkorb hinzugefügt.

Zum Warenkorb

Art.-Nr. 943409 DG MD TNS 385 FM

GTIN 4013364522213, Zolltarifnr. (EU): 85363030, Bruttogewicht: 380.00 g, VPE: 1.00 Stk.


Abbildungen

Weitere Information

Überspannungs-Ableiter DEHNguard MD TNS 385 FM
4-poliger, modularer, steckbarer Überspannungs-Ableiter
für 230/400 V TN-S-Systeme, Breite 4TE
mit Fernmeldekontakt
Ableiter Typ 2 nach EN 61643-11
Defektanzeige
Höchste Dauerspannung: 385 V ac
Schutzpegel: <= 1,75 kV
Nennableitstoßstrom: 20 kA
Kurzschlußfestigkeit: 25 kAeff
Energetische Koordination nach DIN EN 62305-4
Ableiter der Red/Line-Familie

Fabrikat: DEHN
Typ: DG MD TNS 385 FM
Art.-Nr.: 943409
oder gleichwertig.

Zertifikate

 

Technische Daten

SPD nach EN 61643-11 / ... IEC 61643-11 Typ 2 + Typ 3 / Class II + Class III
Höchste Dauerspannung AC (UC ) 385 V (50 / 60 Hz)
Nennableitstoßstrom (8/20 µs) (In ) 20 kA
Max. Ableitstoßstrom (8/20 µs) (Imax ) 40 kA
Schutzpegel [L-PE]/[N-PE] (UP ) ≤ 1,75 / ≤ 1,75 kV
Zulassungen DEKRA
FM-Kontakte / Kontaktform Wechsler

Artikel 943409 wurde zum Merkzettel hinzugefügt.

Zum Merkzettel

Artikel 943409 wurde zum Warenkorb hinzugefügt.

Zum Warenkorb

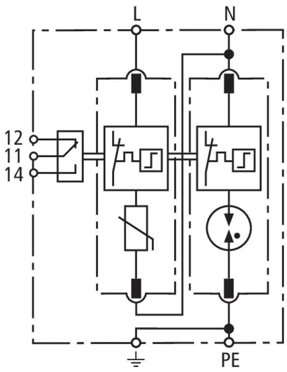
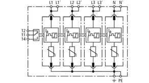
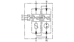
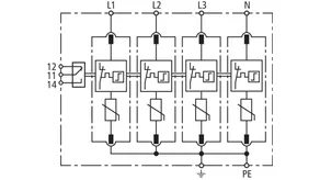
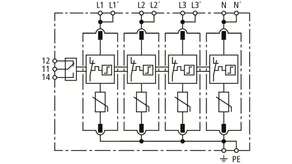
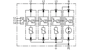
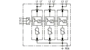
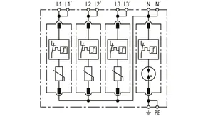
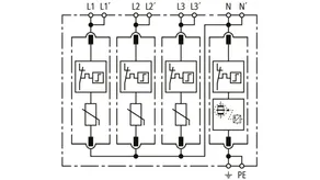
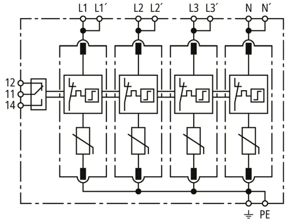
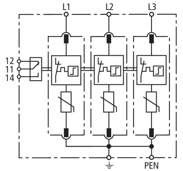
DEHNguard MD TT ... (FM)

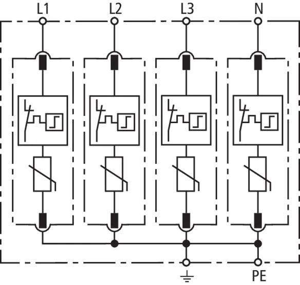
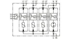
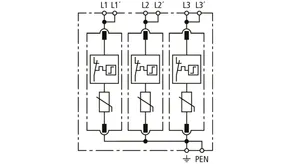
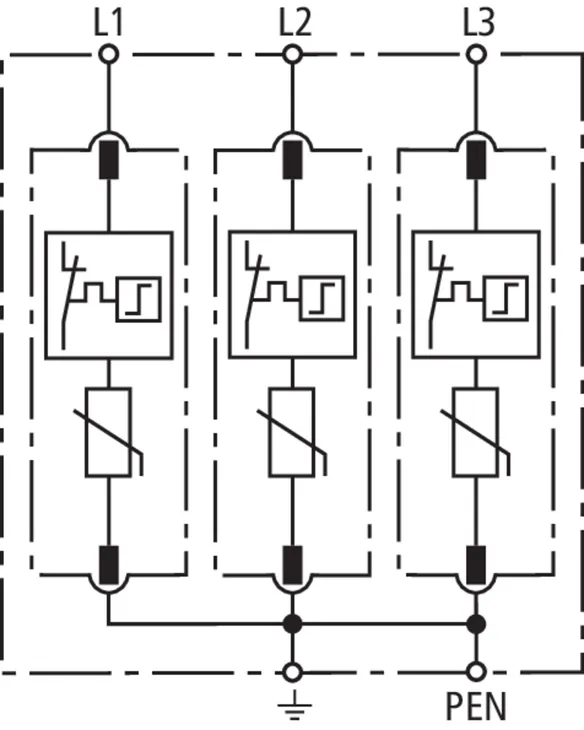
Modularer Überspannungs-Ableiter für TT- und TN-S-Systeme (3+1-Schaltung); mit potentialfreiem Fernmeldekontakt.

5 Produkte

Art.-Nr. 943310 DG MD TT 275

GTIN 4013364522046, Zolltarifnr. (EU): 85363030, Bruttogewicht: 250.00 g, VPE: 1.00 Stk.


Abbildungen

Weitere Information

Überspannungs-Ableiter DEHNguard MD TT 275
4-poliger, modularer, steckbarer Überspannungs-Ableiter
für 230/400 V TT-und TN-S-Systeme, Breite 4TE
Ableiter Typ 2 nach EN 61643-11
Defektanzeige
Höchste Dauerspannung: 275 V ac
Schutzpegel: <= 1,5 kV
Nennableitstoßstrom: 20 kA
Kurzschlußfestigkeit: 50 kAeff
Energetische Koordination nach DIN EN 62305-4
Ableiter der Red/Line-Familie

Fabrikat: DEHN
Typ: DG MD TT 275
Art.-Nr.: 943310
oder gleichwertig.

Zertifikate

 

Technische Daten

SPD nach EN 61643-11 / ... IEC 61643-11 Typ 2 + Typ 3 / Class II + Class III
Höchste Dauerspannung AC [L-N] (UC ) 275 V (50 / 60 Hz)
Nennableitstoßstrom (8/20 µs) (In ) 20 kA
Max. Ableitstoßstrom (8/20 µs) (Imax ) 40 kA
Schutzpegel [L-N]/[N-PE] (UP ) ≤ 1,5 / ≤ 1,5 kV
Zulassungen DEKRA

Artikel 943310 wurde zum Merkzettel hinzugefügt.

Zum Merkzettel

Artikel 943310 wurde zum Warenkorb hinzugefügt.

Zum Warenkorb

Art.-Nr. 943315 DG MD TT 275 FM

GTIN 4013364477155, Zolltarifnr. (EU): 85363030, Bruttogewicht: 250.00 g, VPE: 1.00 Stk.


Abbildungen

Weitere Information

Überspannungs-Ableiter DEHNguard MD TT 275 FM
4-poliger, modularer, steckbarer Überspannungs-Ableiter
für 230/400 V TT-und TN-S-Systeme, Breite 4TE
mit Fernmeldekontakt
Ableiter Typ 2 nach EN 61643-11
Defektanzeige
Höchste Dauerspannung: 275 V ac
Schutzpegel: <= 1,5 kV
Nennableitstoßstrom: 20 kA
Kurzschlußfestigkeit: 50 kAeff
Energetische Koordination nach DIN EN 62305-4
Ableiter der Red/Line-Familie

Fabrikat: DEHN
Typ: DG MD TT 275 FM
Art.-Nr.: 943315
oder gleichwertig.

Zertifikate

 

Technische Daten

SPD nach EN 61643-11 / ... IEC 61643-11 Typ 2 + Typ 3 / Class II + Class III
Höchste Dauerspannung AC [L-N] (UC ) 275 V (50 / 60 Hz)
Nennableitstoßstrom (8/20 µs) (In ) 20 kA
Max. Ableitstoßstrom (8/20 µs) (Imax ) 40 kA
Schutzpegel [L-N]/[N-PE] (UP ) ≤ 1,5 / ≤ 1,5 kV
Zulassungen DEKRA
FM-Kontakte / Kontaktform Wechsler

Artikel 943315 wurde zum Merkzettel hinzugefügt.

Zum Merkzettel

Artikel 943315 wurde zum Warenkorb hinzugefügt.

Zum Warenkorb

Art.-Nr. 943325 DG MD TT 320 FM

GTIN 4013364522206, Zolltarifnr. (EU): 85363030, Bruttogewicht: 250.00 g, VPE: 1.00 Stk.


Abbildungen

Weitere Information

Überspannungs-Ableiter DEHNguard MD TT 320 FM
4-poliger, modularer, steckbarer Überspannungs-Ableiter
für 230/400 V TT-und TN-S-Systeme, Breite 4TE
mit Fernmeldekontakt
Ableiter Typ 2 nach EN 61643-11
Defektanzeige
Höchste Dauerspannung: 320 V ac
Schutzpegel: <= 1,5 kV
Nennableitstoßstrom: 20 kA
Kurzschlußfestigkeit: 25 kAeff
Energetische Koordination nach DIN EN 62305-4
Ableiter der Red/Line-Familie

Fabrikat: DEHN
Typ: DG MD TT 320 FM
Art.-Nr.: 943325
oder gleichwertig.

Zertifikate

 

Technische Daten

SPD nach EN 61643-11 / ... IEC 61643-11 Typ 2 + Typ 3 / Class II + Class III
Höchste Dauerspannung AC [L-N] (UC ) 320 V (50 / 60 Hz)
Nennableitstoßstrom (8/20 µs) (In ) 20 kA
Max. Ableitstoßstrom (8/20 µs) (Imax ) 40 kA
Schutzpegel [L-N]/[N-PE] (UP ) ≤ 1,5 / ≤ 1,5 kV
Zulassungen DEKRA
FM-Kontakte / Kontaktform Wechsler

Artikel 943325 wurde zum Merkzettel hinzugefügt.

Zum Merkzettel

Artikel 943325 wurde zum Warenkorb hinzugefügt.

Zum Warenkorb

Art.-Nr. 943328 DG MD TT 150 FM

GTIN 4013364522237, Zolltarifnr. (EU): 85363030, Bruttogewicht: 498.00 g, VPE: 1.00 Stk.


Abbildungen

Weitere Information

Überspannungs-Ableiter DEHNguard MD TT 150 FM
4-poliger, modularer, steckbarer Überspannungs-Ableiter
für 120/240 V TT-und TN-S-Systeme, Breite 4TE
mit Fernmeldekontakt
Ableiter Typ 2 nach EN 61643-11
Defektanzeige
Höchste Dauerspannung: 150 V ac
Schutzpegel: <= 1,5 kV
Nennableitstoßstrom: 15 kA
Kurzschlußfestigkeit: 50 kAeff
Energetische Koordination nach DIN EN 62305-4
Ableiter der Red/Line-Familie

Fabrikat: DEHN
Typ: DG MD TT 150 FM
Art.-Nr.: 943328
oder gleichwertig.

Zertifikate

 

Technische Daten

SPD nach EN 61643-11 / ... IEC 61643-11 Typ 2 + Typ 3 / Class II + Class III
Höchste Dauerspannung AC [L-N] (UC ) 150 V (50 / 60 Hz)
Nennableitstoßstrom (8/20 µs) [L-N] (In ) 15 kA
Nennableitstoßstrom (8/20 µs) [N-PE] (In ) 20 kA
Max. Ableitstoßstrom (8/20 µs) (Imax ) 40 kA
Schutzpegel [L-N]/[N-PE] (UP ) ≤ 0,7 / ≤ 1,5 kV
Zulassungen DEKRA
FM-Kontakte / Kontaktform Wechsler

Artikel 943328 wurde zum Merkzettel hinzugefügt.

Zum Merkzettel

Artikel 943328 wurde zum Warenkorb hinzugefügt.

Zum Warenkorb

Art.-Nr. 943317 DG MD TT 385 FM

GTIN 4013364522220, Zolltarifnr. (EU): 85363030, Bruttogewicht: 250.00 g, VPE: 1.00 Stk.


Abbildungen

Weitere Information

Überspannungs-Ableiter DEHNguard MD TT 385 FM
4-poliger, modularer, steckbarer Überspannungs-Ableiter
für 230/400 V TT-und TN-S-Systeme, Breite 4TE
mit Fernmeldekontakt
Ableiter Typ 2 nach EN 61643-11
Defektanzeige
Höchste Dauerspannung: 385 V ac
Schutzpegel: <= 1,5 kV
Nennableitstoßstrom: 20 kA
Kurzschlußfestigkeit: 25 kAeff
Energetische Koordination nach DIN EN 62305-4
Ableiter der Red/Line-Familie

Fabrikat: DEHN
Typ: DG MD TT 385 FM
Art.-Nr.: 943317
oder gleichwertig.

Zertifikate

 

Technische Daten

SPD nach EN 61643-11 / ... IEC 61643-11 Typ 2 + Typ 3 / Class II + Class III
Höchste Dauerspannung AC [L-N] (UC ) 385 V (50 / 60 Hz)
Nennableitstoßstrom (8/20 µs) (In ) 20 kA
Max. Ableitstoßstrom (8/20 µs) (Imax ) 40 kA
Schutzpegel [L-N]/[N-PE] (UP ) ≤ 1,75 / ≤ 1,5 kV
Zulassungen DEKRA
FM-Kontakte / Kontaktform Wechsler

Artikel 943317 wurde zum Merkzettel hinzugefügt.

Zum Merkzettel

Artikel 943317 wurde zum Warenkorb hinzugefügt.

Zum Warenkorb

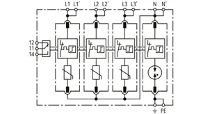
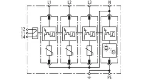
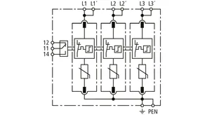
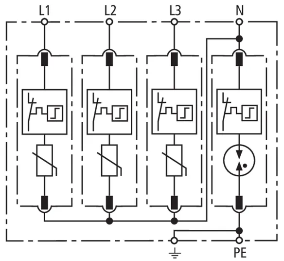
DEHNguard MD H TT ... (FM)

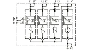
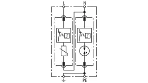
Modularer Überspannungs-Ableiter mit hohem Summen-Ableitvermögen im N-PE-Pfad für TT- und TN-S-Systeme (3+1-Schaltung). Erfüllt die höheren Sicherheitsanforderungen nach DIN VDE 0100-534 für den Einsatz am Speisepunkt der elektrischen Anlage; mit potentialfreiem Fernmeldekontakt.

2 Produkte

Art.-Nr. 943381 DG MD H TT 275

GTIN 4013364522022, Zolltarifnr. (EU): 85363030, Bruttogewicht: 250.00 g, VPE: 1.00 Stk.


Abbildungen

Weitere Information

Überspannungs-Ableiter DEHNguard MD H TT 275
4-poliger, modularer, steckbarer Überspannungs-Ableiter
für 230/400 V TT-und TN-S-Systeme, Breite 4TE
Ableiter Typ 2 nach EN 61643-11
Defektanzeige
Höchste Dauerspannung: 275 V ac
Schutzpegel: <= 1,5 kV
Nennableitstoßstrom: 20 kA
Kurzschlußfestigkeit: 50 kAeff
Energetische Koordination nach DIN EN 62305-4
Ableiter der Red/Line-Familie

Fabrikat: DEHN
Typ: DG MD H TT 275
Art.-Nr.: 943381
oder gleichwertig.

 

Technische Daten

SPD nach EN 61643-11 / ... IEC 61643-11 Typ 2 + Typ 3 / Class II + Class III
Höchste Dauerspannung AC [L-N] (UC ) 275 V (50 / 60 Hz)
Nennableitstoßstrom (8/20 µs) [L-N] (In ) 20 kA
Nennableitstoßstrom (8/20 µs) [N-PE] (In ) 80 kA
Max. Ableitstoßstrom (8/20 µs) [L-N] (Imax ) 40 kA
Max. Ableitstoßstrom (8/20 µs) [N-PE] (Imax ) 120 kA
Schutzpegel [L-N]/[N-PE] (UP ) ≤ 1,5 / ≤ 1,5 kV
Zulassungen DEKRA

Artikel 943381 wurde zum Merkzettel hinzugefügt.

Zum Merkzettel

Artikel 943381 wurde zum Warenkorb hinzugefügt.

Zum Warenkorb

Art.-Nr. 943385 DG MD H TT 275 FM

GTIN 4013364477193, Zolltarifnr. (EU): 85363030, Bruttogewicht: 250.00 g, VPE: 1.00 Stk.


Abbildungen

Weitere Information

Überspannungs-Ableiter DEHNguard MD H TT 275 FM
4-poliger, modularer, steckbarer Überspannungs-Ableiter
für 230/400 V TT-und TN-S-Systeme, Breite 4TE
mit Fernmeldekontakt
Ableiter Typ 2 nach EN 61643-11
Defektanzeige
Höchste Dauerspannung: 275 V ac
Schutzpegel: <= 1,5 kV
Nennableitstoßstrom: 20 kA
Kurzschlußfestigkeit: 50 kAeff
Energetische Koordination nach DIN EN 62305-4
Ableiter der Red/Line-Familie

Fabrikat: DEHN
Typ: DG MD H TT 275 FM
Art.-Nr.: 943385
oder gleichwertig.

 

Technische Daten

SPD nach EN 61643-11 / ... IEC 61643-11 Typ 2 + Typ 3 / Class II + Class III
Höchste Dauerspannung AC [L-N] (UC ) 275 V (50 / 60 Hz)
Nennableitstoßstrom (8/20 µs) [L-N] (In ) 20 kA
Nennableitstoßstrom (8/20 µs) [N-PE] (In ) 80 kA
Max. Ableitstoßstrom (8/20 µs) [L-N] (Imax ) 40 kA
Max. Ableitstoßstrom (8/20 µs) [N-PE] (Imax ) 120 kA
Schutzpegel [L-N]/[N-PE] (UP ) ≤ 1,5 / ≤ 1,5 kV
Zulassungen DEKRA
FM-Kontakte / Kontaktform Wechsler

Artikel 943385 wurde zum Merkzettel hinzugefügt.

Zum Merkzettel

Artikel 943385 wurde zum Warenkorb hinzugefügt.

Zum Warenkorb

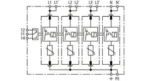
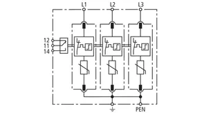
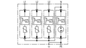
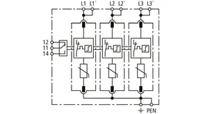
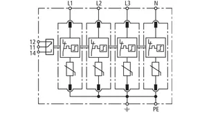
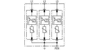
DEHNguard MP TNC ...

1 Produkt

Art.-Nr. 942300 DG MP TNC 275

GTIN 4013364495272, Zolltarifnr. (EU): 85363030, Bruttogewicht: 316.66 g, VPE: 1.00 Stk.


Abbildungen

Weitere Information

Überspannungs-Ableiter DEHNguard MP TNC 275
3-poliger, modularer, steckbarer
Überspannungs-Ableiter mit
Doppel-Push-In-Anschlussklemme für
Stich- und Durchgangsverdrahtung geeignet
für 230/400 V TN-C-Systeme, Breite 3TE
mit Fernmeldekontakt
Ableiter Typ 2 + Typ 3 nach EN 61643-11
Defektanzeige
Höchste Dauerspannung: 275 V ac
Schutzpegel: <= 1,5 kV
Nennableitstoßstrom: 20 kA
Kurzschlußfestigkeit: 50 kAeff
Energetische Koordination nach DIN EN 62305-4
Ableiter der Red/Line-Familie

Fabrikat: DEHN
Typ: DG MP TNC 275
Art.-Nr.: 942300
oder gleichwertig.

Zertifikate

 

Technische Daten

SPD nach EN 61643-11 / ... IEC 61643-11 Typ 2 + Typ 3 / Class II + Class III
Höchste Dauerspannung AC (UC ) 275 V (50 / 60 Hz)
Nennableitstoßstrom (8/20 µs) (In ) 20 kA
Max. Ableitstoßstrom (8/20 µs) (Imax ) 40 kA
Schutzpegel (UP ) ≤ 1,5 kV
Zulassungen KEMA, VDE

Artikel 942300 wurde zum Merkzettel hinzugefügt.

Zum Merkzettel

Artikel 942300 wurde zum Warenkorb hinzugefügt.

Zum Warenkorb

DEHNguard MP TNC ... FM

Modularer Überspannungs-Ableiter für TN-C-Systeme; mit potentialfreiem Fernmeldekontakt.

4 Produkte

Art.-Nr. 942318 DG MP TNC 150 FM

GTIN 4013364495265, Zolltarifnr. (EU): 85363030, Bruttogewicht: 324.71 g, VPE: 1.00 Stk.


Abbildungen

Weitere Information

Überspannungs-Ableiter DEHNguard MP TNC 150 FM
3-poliger, modularer, steckbarer
Überspannungs-Ableiter mit
Doppel-Push-In-Anschlussklemme für
Stich- und Durchgangsverdrahtung geeignet
für TN-C-Systeme, Breite 3TE
mit Fernmeldekontakt
Ableiter Typ 2 + Typ 3 nach EN 61643-11
Defektanzeige
Höchste Dauerspannung: 150 V ac
Schutzpegel: <= 0,7 kV
Nennableitstoßstrom: 15 kA
Kurzschlußfestigkeit: 50 kAeff
Energetische Koordination nach DIN EN 62305-4
Ableiter der Red/Line-Familie

Fabrikat: DEHN
Typ: DG MP TNC 150 FM
Art.-Nr.: 942318
oder gleichwertig.

Zertifikate

 

Technische Daten

SPD nach EN 61643-11 / ... IEC 61643-11 Typ 2 + Typ 3 / Class II + Class III
Höchste Dauerspannung AC (UC ) 150 V (50 / 60 Hz)
Nennableitstoßstrom (8/20 µs) (In ) 15 kA
Max. Ableitstoßstrom (8/20 µs) (Imax ) 40 kA
Schutzpegel (UP ) ≤ 0,7 kV
Zulassungen KEMA, VDE
FM-Kontakte / Kontaktform Wechsler

Artikel 942318 wurde zum Merkzettel hinzugefügt.

Zum Merkzettel

Artikel 942318 wurde zum Warenkorb hinzugefügt.

Zum Warenkorb

Art.-Nr. 942305 DG MP TNC 275 FM

GTIN 4013364495289, Zolltarifnr. (EU): 85363030, Bruttogewicht: 323.13 g, VPE: 1.00 Stk.


Abbildungen

Weitere Information

Überspannungs-Ableiter DEHNguard MP TNC 275 FM
3-poliger, modularer, steckbarer
Überspannungs-Ableiter mit
Doppel-Push-In-Anschlussklemme für
Stich- und Durchgangsverdrahtung geeignet
für 230/400 V TN-C-Systeme, Breite 3TE
mit Fernmeldekontakt
Ableiter Typ 2 + Typ 3 nach EN 61643-11
Defektanzeige
Höchste Dauerspannung: 275 V ac
Schutzpegel: <= 1,5 kV
Nennableitstoßstrom: 20 kA
Kurzschlußfestigkeit: 50 kAeff
Energetische Koordination nach DIN EN 62305-4
Ableiter der Red/Line-Familie

Fabrikat: DEHN
Typ: DG MP TNC 275 FM
Art.-Nr.: 942305
oder gleichwertig.

Zertifikate

 

Technische Daten

SPD nach EN 61643-11 / ... IEC 61643-11 Typ 2 + Typ 3 / Class II + Class III
Höchste Dauerspannung AC (UC ) 275 V (50 / 60 Hz)
Nennableitstoßstrom (8/20 µs) (In ) 20 kA
Max. Ableitstoßstrom (8/20 µs) (Imax ) 40 kA
Schutzpegel (UP ) ≤ 1,5 kV
Zulassungen KEMA, VDE
FM-Kontakte / Kontaktform Wechsler

Artikel 942305 wurde zum Merkzettel hinzugefügt.

Zum Merkzettel

Artikel 942305 wurde zum Warenkorb hinzugefügt.

Zum Warenkorb

Art.-Nr. 942319 DG MP TNC 385 FM

GTIN 4013364495296, Zolltarifnr. (EU): 85363030, Bruttogewicht: 324.71 g, VPE: 1.00 Stk.


Abbildungen

Weitere Information

Überspannungs-Ableiter DEHNguard MP TNC 385 FM
3-poliger, modularer, steckbarer
Überspannungs-Ableiter mit
Doppel-Push-In-Anschlussklemme für
Stich- und Durchgangsverdrahtung geeignet
für TN-C-Systeme, Breite 3TE
mit Fernmeldekontakt
Ableiter Typ 2 + Typ 3 nach EN 61643-11
Defektanzeige
Höchste Dauerspannung: 385 V ac
Schutzpegel: <= 1,75 kV
Nennableitstoßstrom: 20 kA
Kurzschlußfestigkeit: 25 kAeff
Energetische Koordination nach DIN EN 62305-4
Ableiter der Red/Line-Familie

Fabrikat: DEHN
Typ: DG MP TNC 385 FM
Art.-Nr.: 942319
oder gleichwertig.

Zertifikate

 

Technische Daten

SPD nach EN 61643-11 / ... IEC 61643-11 Typ 2 + Typ 3 / Class II + Class III
Höchste Dauerspannung AC (UC ) 385 V (50 / 60 Hz)
Nennableitstoßstrom (8/20 µs) (In ) 20 kA
Max. Ableitstoßstrom (8/20 µs) (Imax ) 40 kA
Schutzpegel (UP ) ≤ 1,75 kV
Zulassungen KEMA, VDE
FM-Kontakte / Kontaktform Wechsler

Artikel 942319 wurde zum Merkzettel hinzugefügt.

Zum Merkzettel

Artikel 942319 wurde zum Warenkorb hinzugefügt.

Zum Warenkorb

Art.-Nr. 942308 DG MP TNC 440 FM

GTIN 4013364495258, Zolltarifnr. (EU): 85363030, Bruttogewicht: 355.78 g, VPE: 1.00 Stk.


Abbildungen

Weitere Information

Überspannungs-Ableiter DEHNguard MP TNC 440 FM
3-poliger, modularer, steckbarer
Überspannungs-Ableiter mit
Doppel-Push-In-Anschlussklemme für
Stich- und Durchgangsverdrahtung geeignet
für 400/690 V TN-C-Systeme, Breite 3TE
mit Fernmeldekontakt
Ableiter Typ 2 + Typ 3 nach EN 61643-11
Defektanzeige
Höchste Dauerspannung: 440 V ac
Schutzpegel: <= 2 kV
Nennableitstoßstrom: 20 kA
Kurzschlußfestigkeit: 25 kAeff
Energetische Koordination nach DIN EN 62305-4
Ableiter der Red/Line-Familie

Fabrikat: DEHN
Typ: DG MP TNC 440 FM
Art.-Nr.: 942308
oder gleichwertig.

Zertifikate

 

Technische Daten

SPD nach EN 61643-11 / ... IEC 61643-11 Typ 2 + Typ 3 / Class II + Class III
Höchste Dauerspannung AC (UC ) 440 V (50 / 60 Hz)
Nennableitstoßstrom (8/20 µs) (In ) 20 kA
Max. Ableitstoßstrom (8/20 µs) (Imax ) 40 kA
Schutzpegel (UP ) ≤ 2 kV
Zulassungen KEMA, VDE
FM-Kontakte / Kontaktform Wechsler

Artikel 942308 wurde zum Merkzettel hinzugefügt.

Zum Merkzettel

Artikel 942308 wurde zum Warenkorb hinzugefügt.

Zum Warenkorb

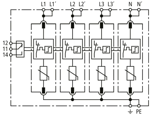
DEHNguard MP TNS ...

Modularer Überspannungs-Ableiter für TN-S-Systeme.

1 Produkt

Art.-Nr. 942400 DG MP TNS 275

GTIN 4013364484115, Zolltarifnr. (EU): 85363030, Bruttogewicht: 407.53 g, VPE: 1.00 Stk.


Abbildungen

Weitere Information

Überspannungs-Ableiter DEHNguard MP TNS 275
4-poliger, modularer, steckbarer
Überspannungs-Ableiter mit
Doppel-Push-In-Anschlussklemme für
Stich- und Durchgangsverdrahtung geeignet
für TN-S-Systeme, Breite 4TE
Ableiter Typ 2 + Typ 3 nach EN 61643-11
Defektanzeige
Höchste Dauerspannung: 275 V ac
Schutzpegel: <= 1,5 kV
Nennableitstoßstrom: 20 kA
Kurzschlußfestigkeit: 50 kAeff
Energetische Koordination nach DIN EN 62305-4
Ableiter der Red/Line-Familie

Fabrikat: DEHN
Typ: DG MP TNS 275
Art.-Nr.: 942400
oder gleichwertig.

Zertifikate

 

Technische Daten

SPD nach EN 61643-11 / ... IEC 61643-11 Typ 2 + Typ 3 / Class II + Class III
Höchste Dauerspannung AC (UC ) 275 V (50 / 60 Hz)
Nennableitstoßstrom (8/20 µs) (In ) 20 kA
Max. Ableitstoßstrom (8/20 µs) (Imax ) 40 kA
Schutzpegel [L-PE]/[N-PE] (UP ) ≤ 1,5 / ≤ 1,5 kV
Zulassungen KEMA, VDE

Artikel 942400 wurde zum Merkzettel hinzugefügt.

Zum Merkzettel

Artikel 942400 wurde zum Warenkorb hinzugefügt.

Zum Warenkorb

DEHNguard MP TNS ... FM

Modularer Überspannungs-Ableiter für TN-S-Systeme; mit potentialfreiem Fernmeldekontakt.

3 Produkte

Art.-Nr. 942408 DG MP TNS 150 FM

GTIN 4013364484863, Zolltarifnr. (EU): 85363030, Bruttogewicht: 385.91 g, VPE: 1.00 Stk.


Abbildungen

Weitere Information

Überspannungs-Ableiter DEHNguard MP TNS 150 FM
4-poliger, modularer, steckbarer
Überspannungs-Ableiter mit
Doppel-Push-In-Anschlussklemme für
Stich- und Durchgangsverdrahtung geeignet
für TN-S-Systeme, Breite 4TE
mit Fernmeldekontakt
Ableiter Typ 2 + Typ 3 nach EN 61643-11
Defektanzeige
Höchste Dauerspannung: 150 V ac
Schutzpegel: <= 0,7 kV
Nennableitstoßstrom: 15 kA
Kurzschlußfestigkeit: 50 kAeff
Energetische Koordination nach DIN EN 62305-4
Ableiter der Red/Line-Familie

Fabrikat: DEHN
Typ: DG MP TNS 150 FM
Art.-Nr.: 942408
oder gleichwertig.

Zertifikate

 

Technische Daten

SPD nach EN 61643-11 / ... IEC 61643-11 Typ 2 + Typ 3 / Class II + Class III
Höchste Dauerspannung AC (UC ) 150 V (50 / 60 Hz)
Nennableitstoßstrom (8/20 µs) (In ) 15 kA
Max. Ableitstoßstrom (8/20 µs) (Imax ) 40 kA
Schutzpegel [L-PE]/[N-PE] (UP ) ≤ 0,7 / ≤ 0,7 kV
Zulassungen KEMA, VDE
FM-Kontakte / Kontaktform Wechsler

Artikel 942408 wurde zum Merkzettel hinzugefügt.

Zum Merkzettel

Artikel 942408 wurde zum Warenkorb hinzugefügt.

Zum Warenkorb

Art.-Nr. 942405 DG MP TNS 275 FM

GTIN 4013364477124, Zolltarifnr. (EU): 85363030, Bruttogewicht: 350.91 g, VPE: 1.00 Stk.


Abbildungen

Weitere Information

Überspannungs-Ableiter DEHNguard MP TNS 275 FM
4-poliger, modularer, steckbarer
Überspannungs-Ableiter mit
Doppel-Push-In-Anschlussklemme für
Stich- und Durchgangsverdrahtung geeignet
für TN-S-Systeme, Breite 4TE
mit Fernmeldekontakt
Ableiter Typ 2 + Typ 3 nach EN 61643-11
Defektanzeige
Höchste Dauerspannung: 275 V ac
Schutzpegel: <= 1,5 kV
Nennableitstoßstrom: 20 kA
Kurzschlußfestigkeit: 50 kAeff
Energetische Koordination nach DIN EN 62305-4
Ableiter der Red/Line-Familie

Fabrikat: DEHN
Typ: DG MP TNS 275 FM
Art.-Nr.: 942405
oder gleichwertig.

Zertifikate

 

Technische Daten

SPD nach EN 61643-11 / ... IEC 61643-11 Typ 2 + Typ 3 / Class II + Class III
Höchste Dauerspannung AC (UC ) 275 V (50 / 60 Hz)
Nennableitstoßstrom (8/20 µs) (In ) 20 kA
Max. Ableitstoßstrom (8/20 µs) (Imax ) 40 kA
Schutzpegel [L-PE]/[N-PE] (UP ) ≤ 1,5 / ≤ 1,5 kV
Zulassungen KEMA, VDE
FM-Kontakte / Kontaktform Wechsler

Artikel 942405 wurde zum Merkzettel hinzugefügt.

Zum Merkzettel

Artikel 942405 wurde zum Warenkorb hinzugefügt.

Zum Warenkorb

Art.-Nr. 942409 DG MP TNS 385 FM

GTIN 4013364484832, Zolltarifnr. (EU): 85363030, Bruttogewicht: 441.67 g, VPE: 1.00 Stk.


Abbildungen

Weitere Information

Überspannungs-Ableiter DEHNguard MP TNS 385 FM
4-poliger, modularer, steckbarer
Überspannungs-Ableiter mit
Doppel-Push-In-Anschlussklemme für
Stich- und Durchgangsverdrahtung geeignet
für TN-S-Systeme, Breite 4TE
mit Fernmeldekontakt
Ableiter Typ 2 + Typ 3 nach EN 61643-11
Defektanzeige
Höchste Dauerspannung: 385 V ac
Schutzpegel: <= 1,75 kV
Nennableitstoßstrom: 20 kA
Kurzschlußfestigkeit: 25 kAeff
Energetische Koordination nach DIN EN 62305-4
Ableiter der Red/Line-Familie

Fabrikat: DEHN
Typ: DG MP TNS 385 FM
Art.-Nr.: 942409
oder gleichwertig.

Zertifikate

 

Technische Daten

SPD nach EN 61643-11 / ... IEC 61643-11 Typ 2 + Typ 3 / Class II + Class III
Höchste Dauerspannung AC (UC ) 385 V (50 / 60 Hz)
Nennableitstoßstrom (8/20 µs) (In ) 20 kA
Max. Ableitstoßstrom (8/20 µs) (Imax ) 40 kA
Schutzpegel [L-PE]/[N-PE] (UP ) ≤ 1,75 / ≤ 1,75 kV
Zulassungen KEMA, VDE
FM-Kontakte / Kontaktform Wechsler

Artikel 942409 wurde zum Merkzettel hinzugefügt.

Zum Merkzettel

Artikel 942409 wurde zum Warenkorb hinzugefügt.

Zum Warenkorb

DEHNguard MP TT ...

Modularer Überspannungs-Ableiter für TT- und TN-S-Systeme (3+1-Schaltung).

1 Produkt

Art.-Nr. 942310 DG MP TT 275

GTIN 4013364484108, Zolltarifnr. (EU): 85363030, Bruttogewicht: 343.84 g, VPE: 1.00 Stk.


Abbildungen

Weitere Information

Überspannungs-Ableiter DEHNguard MP TT 275
4-poliger, modularer, steckbarer
Überspannungs-Ableiter mit
Doppel-Push-In-Anschlussklemme für
Stich- und Durchgangsverdrahtung geeignet
für TT-und TN-S-Systeme, Breite 4TE
Ableiter Typ 2 + Typ 3 nach EN 61643-11
Defektanzeige
Höchste Dauerspannung: 275 V ac
Schutzpegel: <= 1,5 kV
Nennableitstoßstrom: 20 kA
Kurzschlußfestigkeit: 50 kAeff
Energetische Koordination nach DIN EN 62305-4
Ableiter der Red/Line-Familie

Fabrikat: DEHN
Typ: DG MP TT 275
Art.-Nr.: 942310
oder gleichwertig.

Zertifikate

 

Technische Daten

SPD nach EN 61643-11 / ... IEC 61643-11 Typ 2 + Typ 3 / Class II + Class III
Höchste Dauerspannung AC [L-N] (UC ) 275 V (50 / 60 Hz)
Nennableitstoßstrom (8/20 µs) (In ) 20 kA
Max. Ableitstoßstrom (8/20 µs) (Imax ) 40 kA
Schutzpegel [L-N]/[N-PE] (UP ) ≤ 1,5 / ≤ 1,5 kV
Zulassungen KEMA, VDE

Artikel 942310 wurde zum Merkzettel hinzugefügt.

Zum Merkzettel

Artikel 942310 wurde zum Warenkorb hinzugefügt.

Zum Warenkorb

DEHNguard MP TT ... FM

Modularer Überspannungs-Ableiter für TT- und TN-S-Systeme (3+1-Schaltung); mit potentialfreiem Fernmeldekontakt.

4 Produkte

Art.-Nr. 942328 DG MP TT 150 FM

GTIN 4013364484856, Zolltarifnr. (EU): 85363030, Bruttogewicht: 388.86 g, VPE: 1.00 Stk.


Abbildungen

Weitere Information

Überspannungs-Ableiter DEHNguard MP TT 275 FM
4-poliger, modularer, steckbarer
Überspannungs-Ableiter mit
Doppel-Push-In-Anschlussklemme für
Stich- und Durchgangsverdrahtung geeignet
für TT-und TN-S-Systeme, Breite 4TE
mit Fernmeldekontakt
Ableiter Typ 2 + Typ 3 nach EN 61643-11
Defektanzeige
Höchste Dauerspannung: 150 V ac
Schutzpegel: <= 0,7 kV
Nennableitstoßstrom: 15 kA
Kurzschlußfestigkeit: 50 kAeff
Energetische Koordination nach DIN EN 62305-4
Ableiter der Red/Line-Familie

Fabrikat: DEHN
Typ: DG MP TT 150 FM
Art.-Nr.: 942328
oder gleichwertig.

Zertifikate

 

Technische Daten

SPD nach EN 61643-11 / ... IEC 61643-11 Typ 2 + Typ 3 / Class II + Class III
Höchste Dauerspannung AC [L-N] (UC ) 150 V (50 / 60 Hz)
Nennableitstoßstrom (8/20 µs) [L-N] (In ) 15 kA
Nennableitstoßstrom (8/20 µs) [N-PE] (In ) 20 kA
Max. Ableitstoßstrom (8/20 µs) (Imax ) 40 kA
Schutzpegel [L-N]/[N-PE] (UP ) ≤ 0,7 / ≤ 1,5 kV
Zulassungen KEMA, VDE
FM-Kontakte / Kontaktform Wechsler

Artikel 942328 wurde zum Merkzettel hinzugefügt.

Zum Merkzettel

Artikel 942328 wurde zum Warenkorb hinzugefügt.

Zum Warenkorb

Art.-Nr. 942315 DG MP TT 275 FM

GTIN 4013364477162, Zolltarifnr. (EU): 85363030, Bruttogewicht: 346.63 g, VPE: 1.00 Stk.


Abbildungen

Weitere Information

Überspannungs-Ableiter DEHNguard MP TT 275 FM
4-poliger, modularer, steckbarer
Überspannungs-Ableiter mit
Doppel-Push-In-Anschlussklemme für
Stich- und Durchgangsverdrahtung geeignet
für TT-und TN-S-Systeme, Breite 4TE
mit Fernmeldekontakt
Ableiter Typ 2 + Typ 3 nach EN 61643-11
Defektanzeige
Höchste Dauerspannung: 275 V ac
Schutzpegel: <= 1,5 kV
Nennableitstoßstrom: 20 kA
Kurzschlußfestigkeit: 50 kAeff
Energetische Koordination nach DIN EN 62305-4
Ableiter der Red/Line-Familie

Fabrikat: DEHN
Typ: DG MP TT 275 FM
Art.-Nr.: 942315
oder gleichwertig.

Zertifikate

 

Technische Daten

SPD nach EN 61643-11 / ... IEC 61643-11 Typ 2 + Typ 3 / Class II + Class III
Höchste Dauerspannung AC [L-N] (UC ) 275 V (50 / 60 Hz)
Nennableitstoßstrom (8/20 µs) (In ) 20 kA
Max. Ableitstoßstrom (8/20 µs) (Imax ) 40 kA
Schutzpegel [L-N]/[N-PE] (UP ) ≤ 1,5 / ≤ 1,5 kV
Zulassungen KEMA, VDE
FM-Kontakte / Kontaktform Wechsler

Artikel 942315 wurde zum Merkzettel hinzugefügt.

Zum Merkzettel

Artikel 942315 wurde zum Warenkorb hinzugefügt.

Zum Warenkorb

Art.-Nr. 942325 DG MP TT 320 FM

GTIN 4013364484849, Zolltarifnr. (EU): 85363030, Bruttogewicht: 418.85 g, VPE: 1.00 Stk.


Abbildungen

Weitere Information

Überspannungs-Ableiter DEHNguard MP TT 320 FM
4-poliger, modularer, steckbarer
Überspannungs-Ableiter mit
Doppel-Push-In-Anschlussklemme für
Stich- und Durchgangsverdrahtung geeignet
für TT-und TN-S-Systeme, Breite 4TE
mit Fernmeldekontakt
Ableiter Typ 2 + Typ 3 nach EN 61643-11
Defektanzeige
Höchste Dauerspannung: 320 V ac
Schutzpegel: <= 1,5 kV
Nennableitstoßstrom: 20 kA
Kurzschlußfestigkeit: 25 kAeff
Energetische Koordination nach DIN EN 62305-4
Ableiter der Red/Line-Familie

Fabrikat: DEHN
Typ: DG MP TT 320 FM
Art.-Nr.: 942325
oder gleichwertig.

Zertifikate

 

Technische Daten

SPD nach EN 61643-11 / ... IEC 61643-11 Typ 2 + Typ 3 / Class II + Class III
Höchste Dauerspannung AC [L-N] (UC ) 320 V (50 / 60 Hz)
Nennableitstoßstrom (8/20 µs) (In ) 20 kA
Max. Ableitstoßstrom (8/20 µs) (Imax ) 40 kA
Schutzpegel [L-N]/[N-PE] (UP ) ≤ 1,5 / ≤ 1,5 kV
Zulassungen KEMA, VDE
FM-Kontakte / Kontaktform Wechsler

Artikel 942325 wurde zum Merkzettel hinzugefügt.

Zum Merkzettel

Artikel 942325 wurde zum Warenkorb hinzugefügt.

Zum Warenkorb

Art.-Nr. 942317 DG MP TT 385 FM

GTIN 4013364484825, Zolltarifnr. (EU): 85363030, Bruttogewicht: 430.48 g, VPE: 1.00 Stk.


Abbildungen

Weitere Information

Überspannungs-Ableiter DEHNguard MP TT 385 FM
4-poliger, modularer, steckbarer
Überspannungs-Ableiter mit
Doppel-Push-In-Anschlussklemme für
Stich- und Durchgangsverdrahtung geeignet
für TT-und TN-S-Systeme, Breite 4TE
mit Fernmeldekontakt
Ableiter Typ 2 + Typ 3 nach EN 61643-11
Defektanzeige
Höchste Dauerspannung: 385 V ac
Schutzpegel: <= 1,75 kV
Nennableitstoßstrom: 20 kA
Kurzschlußfestigkeit: 25 kAeff
Energetische Koordination nach DIN EN 62305-4
Ableiter der Red/Line-Familie

Fabrikat: DEHN
Typ: DG MP TT 385 FM
Art.-Nr.: 942317
oder gleichwertig.

Zertifikate

 

Technische Daten

SPD nach EN 61643-11 / ... IEC 61643-11 Typ 2 + Typ 3 / Class II + Class III
Höchste Dauerspannung AC [L-N] (UC ) 385 V (50 / 60 Hz)
Nennableitstoßstrom (8/20 µs) (In ) 20 kA
Max. Ableitstoßstrom (8/20 µs) (Imax ) 40 kA
Schutzpegel [L-N]/[N-PE] (UP ) ≤ 1,75 / ≤ 1,5 kV
Zulassungen KEMA, VDE
FM-Kontakte / Kontaktform Wechsler

Artikel 942317 wurde zum Merkzettel hinzugefügt.

Zum Merkzettel

Artikel 942317 wurde zum Warenkorb hinzugefügt.

Zum Warenkorb

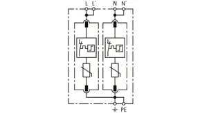
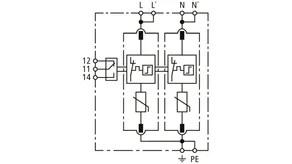
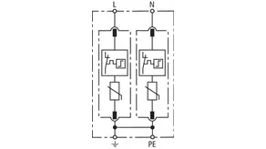
DEHNguard MP TN ...

Modularer Überspannungs-Ableiter für einphasige TN-Systeme.

1 Produkt

Art.-Nr. 942200 DG MP TN 275

GTIN 4013364495395, Zolltarifnr. (EU): 85363030, Bruttogewicht: 228.88 g, VPE: 1.00 Stk.


Abbildungen

Weitere Information

Überspannungs-Ableiter DEHNguard MP TN 275
2-poliger, modularer, steckbarer
Überspannungs-Ableiter mit
Doppel-Push-In-Anschlussklemme für
Stich- und Durchgangsverdrahtung geeignet
für einphasige 230 V-TN-Systeme, Breite 2TE
Ableiter Typ 2 + Typ 3 nach EN 61643-11
Defektanzeige
Höchste Dauerspannung: 275 V ac
Schutzpegel: <= 1,5 kV
Nennableitstoßstrom: 20 kA
Kurzschlußfestigkeit: 50 kAeff
Energetische Koordination nach DIN EN 62305-4
Ableiter der Red/Line-Familie

Fabrikat: DEHN
Typ: DG MP TN 275
Art.-Nr.: 942200
oder gleichwertig.

Zertifikate

 

Technische Daten

SPD nach EN 61643-11 / ... IEC 61643-11 Typ 2 + Typ 3 / Class II + Class III
Höchste Dauerspannung AC (UC ) 275 V (50 / 60 Hz)
Nennableitstoßstrom (8/20 µs) (In ) 20 kA
Max. Ableitstoßstrom (8/20 µs) (Imax ) 40 kA
Schutzpegel [L-PE]/[N-PE] (UP ) ≤ 1,5 / ≤ 1,5 kV
Zulassungen KEMA, VDE

Artikel 942200 wurde zum Merkzettel hinzugefügt.

Zum Merkzettel

Artikel 942200 wurde zum Warenkorb hinzugefügt.

Zum Warenkorb

DEHNguard MP TN ... FM

Modularer Überspannungs-Ableiter für einphasige TN-Systeme; mit potentialfreiem Fernmeldekontakt.

2 Produkte

Art.-Nr. 942207 DG MP TN 150 FM

GTIN 4013364495418, Zolltarifnr. (EU): 85363030, Bruttogewicht: 231.67 g, VPE: 1.00 Stk.


Abbildungen

Weitere Information

Überspannungs-Ableiter DEHNguard MP TN 150 FM
2-poliger, modularer, steckbarer
Überspannungs-Ableiter mit
Doppel-Push-In-Anschlussklemme für
Stich- und Durchgangsverdrahtung geeignet
für einphasige TN-Systeme, Breite 2TE
mit Fernmeldekontakt
Ableiter Typ 2 + Typ 3 nach EN 61643-11
Defektanzeige
Höchste Dauerspannung: 150 V ac
Schutzpegel: <= 0,7 kV
Nennableitstoßstrom: 15 kA
Kurzschlußfestigkeit: 50 kAeff
Energetische Koordination nach DIN EN 62305-4
Ableiter der Red/Line-Familie

Fabrikat: DEHN
Typ: DG MP TN 150 FM
Art.-Nr.: 942207
oder gleichwertig.

Zertifikate

 

Technische Daten

SPD nach EN 61643-11 / ... IEC 61643-11 Typ 2 + Typ 3 / Class II + Class III
Höchste Dauerspannung AC (UC ) 150 V (50 / 60 Hz)
Nennableitstoßstrom (8/20 µs) (In ) 15 kA
Max. Ableitstoßstrom (8/20 µs) (Imax ) 40 kA
Schutzpegel [L-PE]/[N-PE] (UP ) ≤ 0,7 / ≤ 0,7 kV
Zulassungen KEMA, VDE
FM-Kontakte / Kontaktform Wechsler

Artikel 942207 wurde zum Merkzettel hinzugefügt.

Zum Merkzettel

Artikel 942207 wurde zum Warenkorb hinzugefügt.

Zum Warenkorb

Art.-Nr. 942205 DG MP TN 275 FM

GTIN 4013364495401, Zolltarifnr. (EU): 85363030, Bruttogewicht: 231.32 g, VPE: 1.00 Stk.


Abbildungen

Weitere Information

Überspannungs-Ableiter DEHNguard MP TN 275 FM
2-poliger, modularer, steckbarer
Überspannungs-Ableiter mit
Doppel-Push-In-Anschlussklemme für
Stich- und Durchgangsverdrahtung geeignet
für einphasige 230 V-TN-Systeme, Breite 2TE
mit Fernmeldekontakt
Ableiter Typ 2 + Typ 3 nach EN 61643-11
Defektanzeige
Höchste Dauerspannung: 275 V ac
Schutzpegel: <= 1,5 kV
Nennableitstoßstrom: 20 kA
Kurzschlußfestigkeit: 50 kAeff
Energetische Koordination nach DIN EN 62305-4
Ableiter der Red/Line-Familie

Fabrikat: DEHN
Typ: DG MP TN 275 FM
Art.-Nr.: 942205
oder gleichwertig.

Zertifikate

 

Technische Daten

SPD nach EN 61643-11 / ... IEC 61643-11 Typ 2 + Typ 3 / Class II + Class III
Höchste Dauerspannung AC (UC ) 275 V (50 / 60 Hz)
Nennableitstoßstrom (8/20 µs) (In ) 20 kA
Max. Ableitstoßstrom (8/20 µs) (Imax ) 40 kA
Schutzpegel [L-PE]/[N-PE] (UP ) ≤ 1,5 / ≤ 1,5 kV
Zulassungen KEMA, VDE
FM-Kontakte / Kontaktform Wechsler

Artikel 942205 wurde zum Merkzettel hinzugefügt.

Zum Merkzettel

Artikel 942205 wurde zum Warenkorb hinzugefügt.

Zum Warenkorb

DEHNguard MP TT 2P ...

Modularer Überspannungs-Ableiter für einphasige TT- und TN-Systeme (1+1-Schaltung); mit potentialfreiem Fernmeldekontakt.

1 Produkt

Art.-Nr. 942110 DG MP TT 2P 275

GTIN 4013364495326, Zolltarifnr. (EU): 85363030, Bruttogewicht: 220.36 g, VPE: 1.00 Stk.


Abbildungen

Weitere Information

Überspannungs-Ableiter DEHNguard MP TT 2P 275
2-poliger, modularer, steckbarer
Überspannungs-Ableiter mit
Doppel-Push-In-Anschlussklemme für
Stich- und Durchgangsverdrahtung geeignet
für einphasige 230 V-TT- und TN-Systeme, Breite 2TE
Ableiter Typ 2 + Typ 3 nach EN 61643-11
Defektanzeige
Höchste Dauerspannung: 275 V ac
Schutzpegel: <= 1,5 kV
Nennableitstoßstrom: 20 kA
Kurzschlußfestigkeit: 50 kAeff
Energetische Koordination nach DIN EN 62305-4
Ableiter der Red/Line-Familie

Fabrikat: DEHN
Typ: DG MP TT 2P 275
Art.-Nr.: 942110
oder gleichwertig.

Zertifikate

 

Technische Daten

SPD nach EN 61643-11 / ... IEC 61643-11 Typ 2 + Typ 3 / Class II + Class III
Höchste Dauerspannung AC [L-N] (UC ) 275 V (50 / 60 Hz)
Nennableitstoßstrom (8/20 µs) (In ) 20 kA
Max. Ableitstoßstrom (8/20 µs) (Imax ) 40 kA
Schutzpegel [L-N]/[N-PE] (UP ) ≤ 1,5 / ≤ 1,5 kV
Zulassungen KEMA, VDE

Artikel 942110 wurde zum Merkzettel hinzugefügt.

Zum Merkzettel

Artikel 942110 wurde zum Warenkorb hinzugefügt.

Zum Warenkorb

DEHNguard MP TT 2P ... FM

Modularer Überspannungs-Ableiter für einphasige TT- und TN-Systeme (1+1-Schaltung); mit potentialfreiem Fernmeldekontakt.

3 Produkte

Art.-Nr. 942115 DG MP TT 2P 275 FM

GTIN 4013364495333, Zolltarifnr. (EU): 85363030, Bruttogewicht: 226.75 g, VPE: 1.00 Stk.


Abbildungen

Weitere Information

Überspannungs-Ableiter DEHNguard MP TT 2P 275 FM
2-poliger, modularer, steckbarer
Überspannungs-Ableiter mit
Doppel-Push-In-Anschlussklemme für
Stich- und Durchgangsverdrahtung geeignet
für einphasige 230 V-TT- und TN-Systeme, Breite 2TE
mit Fernmeldekontakt
Ableiter Typ 2 + Typ 3 nach EN 61643-11
Defektanzeige
Höchste Dauerspannung: 275 V ac
Schutzpegel: <= 1,5 kV
Nennableitstoßstrom: 20 kA
Kurzschlußfestigkeit: 50 kAeff
Energetische Koordination nach DIN EN 62305-4
Ableiter der Red/Line-Familie

Fabrikat: DEHN
Typ: DG MP TT 2P 275 FM
Art.-Nr.: 942115
oder gleichwertig.

Zertifikate

 

Technische Daten

SPD nach EN 61643-11 / ... IEC 61643-11 Typ 2 + Typ 3 / Class II + Class III
Höchste Dauerspannung AC [L-N] (UC ) 275 V (50 / 60 Hz)
Nennableitstoßstrom (8/20 µs) (In ) 20 kA
Max. Ableitstoßstrom (8/20 µs) (Imax ) 40 kA
Schutzpegel [L-N]/[N-PE] (UP ) ≤ 1,5 / ≤ 1,5 kV
Zulassungen KEMA, VDE
FM-Kontakte / Kontaktform Wechsler

Artikel 942115 wurde zum Merkzettel hinzugefügt.

Zum Merkzettel

Artikel 942115 wurde zum Warenkorb hinzugefügt.

Zum Warenkorb

Art.-Nr. 942135 DG MP TT 2P 320 FM

GTIN 4013364495340, Zolltarifnr. (EU): 85363030, Bruttogewicht: 230.96 g, VPE: 1.00 Stk.


Abbildungen

Weitere Information

Überspannungs-Ableiter DEHNguard MP TT 2P 320 FM
2-poliger, modularer, steckbarer
Überspannungs-Ableiter mit
Doppel-Push-In-Anschlussklemme für
Stich- und Durchgangsverdrahtung geeignet
für einphasige 230 V-TT- und TN-Systeme, Breite 2TE
mit Fernmeldekontakt
Ableiter Typ 2 + Typ 3 nach EN 61643-11
Defektanzeige
Höchste Dauerspannung: 320 V ac
Schutzpegel: <= 1,5 kV
Nennableitstoßstrom: 20 kA
Kurzschlußfestigkeit: 25 kAeff
Energetische Koordination nach DIN EN 62305-4
Ableiter der Red/Line-Familie

Fabrikat: DEHN
Typ: DG MP TT 2P 320 FM
Art.-Nr.: 942135
oder gleichwertig.

Zertifikate

 

Technische Daten

SPD nach EN 61643-11 / ... IEC 61643-11 Typ 2 + Typ 3 / Class II + Class III
Höchste Dauerspannung AC [L-N] (UC ) 320 V (50 / 60 Hz)
Nennableitstoßstrom (8/20 µs) (In ) 20 kA
Max. Ableitstoßstrom (8/20 µs) (Imax ) 40 kA
Schutzpegel [L-N]/[N-PE] (UP ) ≤ 1,5 / ≤ 1,5 kV
Zulassungen KEMA, VDE
FM-Kontakte / Kontaktform Wechsler

Artikel 942135 wurde zum Merkzettel hinzugefügt.

Zum Merkzettel

Artikel 942135 wurde zum Warenkorb hinzugefügt.

Zum Warenkorb

Art.-Nr. 942117 DG MP TT 2P 385 FM

GTIN 4013364495357, Zolltarifnr. (EU): 85363090, Bruttogewicht: 227.23 g, VPE: 1.00 Stk.


Abbildungen

Weitere Information

Überspannungs-Ableiter DEHNguard MP TT 2P 385 FM
2-poliger, modularer, steckbarer
Überspannungs-Ableiter mit
Doppel-Push-In-Anschlussklemme für
Stich- und Durchgangsverdrahtung geeignet
für einphasige TT- und TN-Systeme, Breite 2TE
mit Fernmeldekontakt
Ableiter Typ 2 + Typ 3 nach EN 61643-11
Defektanzeige
Höchste Dauerspannung: 385 V ac
Schutzpegel: <= 1,75 kV
Nennableitstoßstrom: 20 kA
Kurzschlußfestigkeit: 25 kAeff
Energetische Koordination nach DIN EN 62305-4
Ableiter der Red/Line-Familie

Fabrikat: DEHN
Typ: DG MP TT 2P 385 FM
Art.-Nr.: 942117
oder gleichwertig.

Zertifikate

 

Technische Daten

SPD nach EN 61643-11 / ... IEC 61643-11 Typ 2 + Typ 3 / Class II + Class III
Höchste Dauerspannung AC [L-N] (UC ) 385 V (50 / 60 Hz)
Nennableitstoßstrom (8/20 µs) (In ) 20 kA
Max. Ableitstoßstrom (8/20 µs) (Imax ) 40 kA
Schutzpegel [L-N]/[N-PE] (UP ) ≤ 1,75 / ≤ 1,5 kV
Zulassungen KEMA, VDE
FM-Kontakte / Kontaktform Wechsler

Artikel 942117 wurde zum Merkzettel hinzugefügt.

Zum Merkzettel

Artikel 942117 wurde zum Warenkorb hinzugefügt.

Zum Warenkorb

DEHNguard MP WE 600 FM

Dreipoliger modularer Überspannungs-Ableiter für Windenergieanlagen mit Varistor-Bemessungsspannung Umov = 750 V AC; in der Ausführung FM mit potentialfreiem Fernmeldekontakt.

1 Produkt

Art.-Nr. 942307 DG MP WE 600 FM

GTIN 4013364495302, Zolltarifnr. (EU): 85363030, Bruttogewicht: 384.26 g, VPE: 1.00 Stk.


Abbildungen

Weitere Information

Überspannungs-Ableiter DEHNguard MP WE 600 FM
3-poliger, modularer, steckbarer
Überspannungs-Ableiter mit
Doppel-Push-In-Anschlussklemme für
Stich- und Durchgangsverdrahtung geeignet
für Windkraftanlagen zum Einsatz im
400/690 V TN-C-System, Breite 3TE
mit Fernmeldekontakt
Berücksichtigung kurzzeitiger Spannungsschwankungen
durch erhöhte Varistor-Bemessungsspannung Umov
Ableiter Typ 2 + Typ 3 nach EN 61643-11
Defektanzeige
Höchste Dauerspannung: 600 V ac
Varistor-Bemessungsspannung: 750 V ac
Schutzpegel: <= 3 kV
Nennableitstoßstrom: 15 kA
Kurzschlußfestigkeit: 25 kAeff
Energetische Koordination nach DIN EN 62305-4
Ableiter der Red/Line-Familie

Fabrikat: DEHN
Typ: DG MP WE 600 FM
Art.-Nr.: 942307
oder gleichwertig.

Zertifikate

 

Technische Daten

SPD nach EN 61643-11 / ... IEC 61643-11 Typ 2 + Typ 3 / Class II + Class III
Höchste Dauerspannung AC (UC ) 600 V (50 / 60 Hz)
Varistor-Bemessungsspannung (Umov ) 750 V
Nennableitstoßstrom (8/20 µs) (In ) 15 kA
Max. Ableitstoßstrom (8/20 µs) (Imax ) 25 kA
Schutzpegel (UP ) ≤ 3 kV
Zulassungen KEMA, VDE
FM-Kontakte / Kontaktform Wechsler

Artikel 942307 wurde zum Merkzettel hinzugefügt.

Zum Merkzettel

Artikel 942307 wurde zum Warenkorb hinzugefügt.

Zum Warenkorb

DEHNguard M TNC ...

Modularer Überspannungs-Ableiter für TN-C-Systeme (3+0-Schaltung).

4 Produkte

Art.-Nr. 952313 DG M TNC 150

GTIN 4013364123939, Zolltarifnr. (EU): 85363030, Bruttogewicht: 319.70 g, VPE: 1.00 Stk.


Abbildungen

Weitere Information

Überspannungs-Ableiter DEHNguard M TNC 150
3-poliger, modularer steckbarer Überspannungs-Ableiter
für TN-C-Systeme , Breite 3TE
Ableiter Typ 2 nach EN 61643-11
Defektanzeige
Höchste Dauerspannung: 150 V ac
Schutzpegel: <= 0,7 kV
Nennableitstoßstrom: 15 kA
Kurzschlußfestigkeit: 50 kAeff
Energetische Koordination nach DIN EN 62305-4
Ableiter der Red/Line-Familie

Fabrikat: DEHN
Typ: DG M TNC 150
Art.-Nr.: 952313
oder gleichwertig.

Zertifikate

 

Technische Daten

SPD nach EN 61643-11 / ... IEC 61643-11 Typ 2 / Class II
Höchste Dauerspannung AC (UC ) 150 V (50 / 60 Hz)
Nennableitstoßstrom (8/20 µs) (In ) 15 kA
Max. Ableitstoßstrom (8/20 µs) (Imax ) 40 kA
Schutzpegel (UP ) ≤ 0,7 kV
Max. netzseitiger Überstromschutz 125 A gG
Zulassungen KEMA, UL

Artikel 952313 wurde zum Merkzettel hinzugefügt.

Zum Merkzettel

Artikel 952313 wurde zum Warenkorb hinzugefügt.

Zum Warenkorb

Art.-Nr. 952300 DG M TNC 275

GTIN 4013364108431, Zolltarifnr. (EU): 85363030, Bruttogewicht: 355.40 g, VPE: 1.00 Stk.

Vorgänger

Abbildungen

Weitere Information

Überspannungs-Ableiter DEHNguard M TNC 275
3-poliger, modularer, steckbarer Überspannungs-Ableiter
für TN-C-Systeme, Breite 3TE
Ableiter Typ 2 nach EN 61643-11
Defektanzeige
Höchste Dauerspannung: 275 V ac
Schutzpegel: <= 1,5 kV
Nennableitstoßstrom: 20 kA
Kurzschlußfestigkeit: 50 kAeff
Energetische Koordination nach DIN EN 62305-4
Ableiter der Red/Line-Familie

Fabrikat: DEHN
Typ: DG M TNC 275
Art.-Nr.: 952300
oder gleichwertig.

Zertifikate

 

Technische Daten

SPD nach EN 61643-11 / ... IEC 61643-11 Typ 2 / Class II
Höchste Dauerspannung AC (UC ) 275 V (50 / 60 Hz)
Nennableitstoßstrom (8/20 µs) (In ) 20 kA
Max. Ableitstoßstrom (8/20 µs) (Imax ) 40 kA
Schutzpegel (UP ) ≤ 1,5 kV
Max. netzseitiger Überstromschutz 125 A gG
Zulassungen KEMA, VDE, UL

Artikel 952300 wurde zum Merkzettel hinzugefügt.

Zum Merkzettel

Artikel 952300 wurde zum Warenkorb hinzugefügt.

Zum Warenkorb

Art.-Nr. 952314 DG M TNC 385

GTIN 4013364124028, Zolltarifnr. (EU): 85363030, Bruttogewicht: 362.50 g, VPE: 1.00 Stk.

Vorgänger

Abbildungen

Weitere Information

Überspannungs-Ableiter DEHNguard M TNC 385
3-poliger, modularer, steckbarer Überspannungs-Ableiter
für TN-C-Systeme, Breite 3TE
Ableiter Typ 2 nach EN 61643-11
Defektanzeige
Höchste Dauerspannung: 385 V ac
Schutzpegel: <= 1,75 kV
Nennableitstoßstrom: 20 kA
Kurzschlußfestigkeit: 25 kAeff
Energetische Koordination nach DIN EN 62305-4
Ableiter der Red/Line-Familie

Fabrikat: DEHN
Typ: DG M TNC 385
Art.-Nr.: 952314
oder gleichwertig.

Zertifikate

 

Technische Daten

SPD nach EN 61643-11 / ... IEC 61643-11 Typ 2 / Class II
Höchste Dauerspannung AC (UC ) 385 V (50 / 60 Hz)
Nennableitstoßstrom (8/20 µs) (In ) 20 kA
Max. Ableitstoßstrom (8/20 µs) (Imax ) 40 kA
Schutzpegel (UP ) ≤ 1,75 kV
Max. netzseitiger Überstromschutz 125 A gG
Zulassungen KEMA, UL

Artikel 952314 wurde zum Merkzettel hinzugefügt.

Zum Merkzettel

Artikel 952314 wurde zum Warenkorb hinzugefügt.

Zum Warenkorb

Art.-Nr. 952303 DG M TNC 440

GTIN 4013364120709, Zolltarifnr. (EU): 85363030, Bruttogewicht: 376.30 g, VPE: 1.00 Stk.


Abbildungen

Weitere Information

Überspannungs-Ableiter DEHNguard M TNC 440
3-poliger, modularer, steckbarer Überspannungs-Ableiter
für 400/690 V TN-C-Systeme, Breite 3TE
Ableiter Typ 2 nach EN 61643-11
Defektanzeige
Höchste Dauerspannung: 440 V ac
Schutzpegel: <= 2 kV
Nennableitstoßstrom: 20 kA
Kurzschlußfestigkeit: 25 kAeff
Energetische Koordination nach DIN EN 62305-4
Ableiter der Red/Line-Familie

Fabrikat: DEHN
Typ: DG M TNC 440
Art.-Nr.: 952303
oder gleichwertig.

Zertifikate

 

Technische Daten

SPD nach EN 61643-11 / ... IEC 61643-11 Typ 2 / Class II
Höchste Dauerspannung AC (UC ) 440 V (50 / 60 Hz)
Nennableitstoßstrom (8/20 µs) (In ) 20 kA
Max. Ableitstoßstrom (8/20 µs) (Imax ) 40 kA
Schutzpegel (UP ) ≤ 2 kV
Max. netzseitiger Überstromschutz 125 A gG
Zulassungen KEMA, UL

Artikel 952303 wurde zum Merkzettel hinzugefügt.

Zum Merkzettel

Artikel 952303 wurde zum Warenkorb hinzugefügt.

Zum Warenkorb

DEHNguard M TNC ... FM

Modularer Überspannungs-Ableiter für TN-C-Systeme (3+0-Schaltung); mit potentialfreiem Fernmeldekontakt.

4 Produkte

Art.-Nr. 952318 DG M TNC 150 FM

GTIN 4013364124011, Zolltarifnr. (EU): 85363030, Bruttogewicht: 326.80 g, VPE: 1.00 Stk.


Abbildungen

Weitere Information

Überspannungs-Ableiter DEHNguard M TNC 150 FM
3-poliger, modularer, steckbarer Überspannungs-Ableiter
für TN-C-Systeme, Breite 3TE
mit Fernmeldekontakt
Ableiter Typ 2 nach EN 61643-11
Defektanzeige
Höchste Dauerspannung: 150 V ac
Schutzpegel: <= 0,7 kV
Nennableitstoßstrom: 15 kA
Kurzschlußfestigkeit: 50 kAeff
Energetische Koordination nach DIN EN 62305-4
Ableiter der Red/Line-Familie

Fabrikat: DEHN
Typ: DG M TNC 150 FM
Art.-Nr.: 952318
oder gleichwertig.

Zertifikate

 

Technische Daten

SPD nach EN 61643-11 / ... IEC 61643-11 Typ 2 / Class II
Höchste Dauerspannung AC (UC ) 150 V (50 / 60 Hz)
Nennableitstoßstrom (8/20 µs) (In ) 15 kA
Max. Ableitstoßstrom (8/20 µs) (Imax ) 40 kA
Schutzpegel (UP ) ≤ 0,7 kV
Max. netzseitiger Überstromschutz 125 A gG
Zulassungen KEMA, UL
FM-Kontakte / Kontaktform Wechsler

Artikel 952318 wurde zum Merkzettel hinzugefügt.

Zum Merkzettel

Artikel 952318 wurde zum Warenkorb hinzugefügt.

Zum Warenkorb

Art.-Nr. 952305 DG M TNC 275 FM

GTIN 4013364108448, Zolltarifnr. (EU): 85363030, Bruttogewicht: 348.80 g, VPE: 1.00 Stk.

Vorgänger

Abbildungen

Weitere Information

Überspannungs-Ableiter DEHNguard M TNC 275 FM
3-poliger, modularer, steckbarer Überspannungs-Ableiter
für 230/400 V TN-C-Systeme, Breite 3TE
mit Fernmeldekontakt
Ableiter Typ 2 nach EN 61643-11
Defektanzeige
Höchste Dauerspannung: 275 V ac
Schutzpegel: <= 1,5 kV
Nennableitstoßstrom: 20 kA
Kurzschlußfestigkeit: 50 kAeff
Energetische Koordination nach DIN EN 62305-4
Ableiter der Red/Line-Familie

Fabrikat: DEHN
Typ: DG M TNC 275 FM
Art.-Nr.: 952305
oder gleichwertig.

Zertifikate

 

Technische Daten

SPD nach EN 61643-11 / ... IEC 61643-11 Typ 2 / Class II
Höchste Dauerspannung AC (UC ) 275 V (50 / 60 Hz)
Nennableitstoßstrom (8/20 µs) (In ) 20 kA
Max. Ableitstoßstrom (8/20 µs) (Imax ) 40 kA
Schutzpegel (UP ) ≤ 1,5 kV
Max. netzseitiger Überstromschutz 125 A gG
Zulassungen KEMA, VDE, UL
FM-Kontakte / Kontaktform Wechsler

Artikel 952305 wurde zum Merkzettel hinzugefügt.

Zum Merkzettel

Artikel 952305 wurde zum Warenkorb hinzugefügt.

Zum Warenkorb

Art.-Nr. 952319 DG M TNC 385 FM

GTIN 4013364124035, Zolltarifnr. (EU): 85363030, Bruttogewicht: 370.70 g, VPE: 1.00 Stk.

Vorgänger

Abbildungen

Weitere Information

Überspannungs-Ableiter DEHNguard M TNC 385 FM
3-poliger, modularer, steckbarer Überspannungs-Ableiter
für TN-C-Systeme, Breite 3TE
mit Fernmeldekontakt
Ableiter Typ 2 nach EN 61643-11
Defektanzeige
Höchste Dauerspannung: 385 V ac
Schutzpegel: <= 1,75 kV
Nennableitstoßstrom: 20 kA
Kurzschlußfestigkeit: 25 kAeff
Energetische Koordination nach DIN EN 62305-4
Ableiter der Red/Line-Familie

Fabrikat: DEHN
Typ: DG M TNC 385 FM
Art.-Nr.: 952319
oder gleichwertig.

Zertifikate

 

Technische Daten

SPD nach EN 61643-11 / ... IEC 61643-11 Typ 2 / Class II
Höchste Dauerspannung AC (UC ) 385 V (50 / 60 Hz)
Nennableitstoßstrom (8/20 µs) (In ) 20 kA
Max. Ableitstoßstrom (8/20 µs) (Imax ) 40 kA
Schutzpegel (UP ) ≤ 1,75 kV
Max. netzseitiger Überstromschutz 125 A gG
Zulassungen KEMA, UL
FM-Kontakte / Kontaktform Wechsler

Artikel 952319 wurde zum Merkzettel hinzugefügt.

Zum Merkzettel

Artikel 952319 wurde zum Warenkorb hinzugefügt.

Zum Warenkorb

Art.-Nr. 952308 DG M TNC 440 FM

GTIN 4013364120716, Zolltarifnr. (EU): 85363030, Bruttogewicht: 383.20 g, VPE: 1.00 Stk.


Abbildungen

Weitere Information

Überspannungs-Ableiter DEHNguard M TNC 440 FM
3-poliger, modularer, steckbarer Überspannungs-Ableiter
für 400/690 V TN-C-Systeme, Breite 3TE
mit Fernmeldekontakt
Ableiter Typ 2 nach EN 61643-11
Defektanzeige
Höchste Dauerspannung: 440 V ac
Schutzpegel: <= 2 kV
Nennableitstoßstrom: 20 kA
Kurzschlußfestigkeit: 25 kAeff
Energetische Koordination nach DIN EN 62305-4
Ableiter der Red/Line-Familie

Fabrikat: DEHN
Typ: DG M TNC 440 FM
Art.-Nr.: 952308
oder gleichwertig.

Zertifikate

 

Technische Daten

SPD nach EN 61643-11 / ... IEC 61643-11 Typ 2 / Class II
Höchste Dauerspannung AC (UC ) 440 V (50 / 60 Hz)
Nennableitstoßstrom (8/20 µs) (In ) 20 kA
Max. Ableitstoßstrom (8/20 µs) (Imax ) 40 kA
Schutzpegel (UP ) ≤ 2 kV
Max. netzseitiger Überstromschutz 125 A gG
Zulassungen KEMA, UL
FM-Kontakte / Kontaktform Wechsler

Artikel 952308 wurde zum Merkzettel hinzugefügt.

Zum Merkzettel

Artikel 952308 wurde zum Warenkorb hinzugefügt.

Zum Warenkorb

DEHNguard M TNS ...

Modularer Überspannungs-Ableiter für TN-S-Systeme (4+0-Schaltung).

3 Produkte

Art.-Nr. 952403 DG M TNS 150

GTIN 4013364128569, Zolltarifnr. (EU): 85363030, Bruttogewicht: 443.20 g, VPE: 1.00 Stk.


Abbildungen

Weitere Information

Überspannungs-Ableiter DEHNguard M TNS 150
4-poliger, modularer, steckbarer Überspannungs-Ableiter
für TN-S-Systeme, Breite 4TE
Ableiter Typ 2 nach EN 61643-11
Defektanzeige
Höchste Dauerspannung: 150 V ac
Schutzpegel: <= 0,7 kV
Nennableitstoßstrom: 15 kA
Kurzschlußfestigkeit: 50 kAeff
Energetische Koordination nach DIN EN 62305-4
Ableiter der Red/Line-Familie

Fabrikat: DEHN
Typ: DG M TNS 150
Art.-Nr.: 952403
oder gleichwertig.

Zertifikate

 

Technische Daten

SPD nach EN 61643-11 / ... IEC 61643-11 Typ 2 / Class II
Höchste Dauerspannung AC (UC ) 150 V (50 / 60 Hz)
Nennableitstoßstrom (8/20 µs) (In ) 15 kA
Max. Ableitstoßstrom (8/20 µs) (Imax ) 40 kA
Schutzpegel [L-PE]/[N-PE] (UP ) ≤ 0,7 / ≤ 0,7 kV
Max. netzseitiger Überstromschutz 125 A gG
Zulassungen KEMA, UL

Artikel 952403 wurde zum Merkzettel hinzugefügt.

Zum Merkzettel

Artikel 952403 wurde zum Warenkorb hinzugefügt.

Zum Warenkorb

Art.-Nr. 952400 DG M TNS 275

GTIN 4013364108455, Zolltarifnr. (EU): 85363030, Bruttogewicht: 444.00 g, VPE: 1.00 Stk.

Vorgänger

Abbildungen

Weitere Information

Überspannungs-Ableiter DEHNguard M TNS 275
4-poliger, modularer, steckbarer Überspannungs-Ableiter
für 230/400 V TN-S-Systeme, Breite 4TE
Ableiter Typ 2 nach EN 61643-11
Defektanzeige
Höchste Dauerspannung: 275 V ac
Schutzpegel: <= 1,5 kV
Nennableitstoßstrom: 20 kA
Kurzschlußfestigkeit: 50 kAeff
Energetische Koordination nach DIN EN 62305-4
Ableiter der Red/Line-Familie

Fabrikat: DEHN
Typ: DG M TNS 275
Art.-Nr.: 952400
oder gleichwertig.

Zertifikate

 

Technische Daten

SPD nach EN 61643-11 / ... IEC 61643-11 Typ 2 / Class II
Höchste Dauerspannung AC (UC ) 275 V (50 / 60 Hz)
Nennableitstoßstrom (8/20 µs) (In ) 20 kA
Max. Ableitstoßstrom (8/20 µs) (Imax ) 40 kA
Schutzpegel [L-PE]/[N-PE] (UP ) ≤ 1,5 / ≤ 1,5 kV
Max. netzseitiger Überstromschutz 125 A gG
Zulassungen KEMA, VDE, UL

Artikel 952400 wurde zum Merkzettel hinzugefügt.

Zum Merkzettel

Artikel 952400 wurde zum Warenkorb hinzugefügt.

Zum Warenkorb

Art.-Nr. 952404 DG M TNS 385

GTIN 4013364128545, Zolltarifnr. (EU): 85363030, Bruttogewicht: 499.50 g, VPE: 1.00 Stk.

Vorgänger

Abbildungen

Weitere Information

Überspannungs-Ableiter DEHNguard M TNS 385
4-poliger, modularer, steckbarer Überspannungs-Ableiter
für TN-S-Systeme, Breite 4TE
Ableiter Typ 2 nach EN 61643-11
Defektanzeige
Höchste Dauerspannung: 385 V ac
Schutzpegel: <= 1,75 kV
Nennableitstoßstrom: 20 kA
Kurzschlußfestigkeit: 25 kAeff
Energetische Koordination nach DIN EN 62305-4
Ableiter der Red/Line-Familie

Fabrikat: DEHN
Typ: DG M TNS 385
Art.-Nr.: 952404
oder gleichwertig.

Zertifikate

 

Technische Daten

SPD nach EN 61643-11 / ... IEC 61643-11 Typ 2 / Class II
Höchste Dauerspannung AC (UC ) 385 V (50 / 60 Hz)
Nennableitstoßstrom (8/20 µs) (In ) 20 kA
Max. Ableitstoßstrom (8/20 µs) (Imax ) 40 kA
Schutzpegel [L-PE]/[N-PE] (UP ) ≤ 1,75 / ≤ 1,75 kV
Max. netzseitiger Überstromschutz 125 A gG
Zulassungen KEMA, UL

Artikel 952404 wurde zum Merkzettel hinzugefügt.

Zum Merkzettel

Artikel 952404 wurde zum Warenkorb hinzugefügt.

Zum Warenkorb

DEHNguard M TNS ... FM

Modularer Überspannungs-Ableiter für TN-S-Systeme (4+0-Schaltung); mit potentialfreiem Fernmeldekontakt.

3 Produkte

Art.-Nr. 952408 DG M TNS 150 FM

GTIN 4013364128576, Zolltarifnr. (EU): 85363030, Bruttogewicht: 451.60 g, VPE: 1.00 Stk.


Abbildungen

Weitere Information

Überspannungs-Ableiter DEHNguard M TNS 150 FM
4-poliger, modularer, steckbarer Überspannungs-Ableiter
für TN-S-Systeme, Breite 4TE
mit Fernmeldekontakt
Ableiter Typ 2 nach EN 61643-11
Defektanzeige
Höchste Dauerspannung: 150 V ac
Schutzpegel: <= 0,7 kV
Nennableitstoßstrom: 15 kA
Kurzschlußfestigkeit: 50 kAeff
Energetische Koordination nach
DIN EN 62305-4
Ableiter der Red/Line-Familie

Fabrikat: DEHN
Typ: DG M TNS 150 FM
Art.-Nr.: 952408
oder gleichwertig.

Zertifikate

 

Technische Daten

SPD nach EN 61643-11 / ... IEC 61643-11 Typ 2 / Class II
Höchste Dauerspannung AC (UC ) 150 V (50 / 60 Hz)
Nennableitstoßstrom (8/20 µs) (In ) 15 kA
Max. Ableitstoßstrom (8/20 µs) (Imax ) 40 kA
Schutzpegel [L-PE]/[N-PE] (UP ) ≤ 0,7 / ≤ 0,7 kV
Max. netzseitiger Überstromschutz 125 A gG
Zulassungen KEMA, UL
FM-Kontakte / Kontaktform Wechsler

Artikel 952408 wurde zum Merkzettel hinzugefügt.

Zum Merkzettel

Artikel 952408 wurde zum Warenkorb hinzugefügt.

Zum Warenkorb

Art.-Nr. 952405 DG M TNS 275 FM

GTIN 4013364108462, Zolltarifnr. (EU): 85363030, Bruttogewicht: 479.00 g, VPE: 1.00 Stk.

Vorgänger

Abbildungen

Weitere Information

Überspannungs-Ableiter DEHNguard M TNS 275 FM
4-poliger modularer, steckbarer Überspannungs-Ableiter
für 230/400 V TN-S-Systeme, Breite 4TE
mit Fernmeldekontakt
Ableiter Typ 2 nach EN 61643-11
Defektanzeige
Höchste Dauerspannung: 275 V ac
Schutzpegel: <= 1,5 kV
Nennableitstoßstrom: 20 kA
Kurzschlußfestigkeit: 50 kAeff
Energetische Koordination nach DIN EN 62305-4
Ableiter der Red/Line-Familie

Fabrikat: DEHN
Typ: DG M TNS 275 FM
Art.-Nr.: 952405
oder gleichwertig.

Zertifikate

 

Technische Daten

SPD nach EN 61643-11 / ... IEC 61643-11 Typ 2 / Class II
Höchste Dauerspannung AC (UC ) 275 V (50 / 60 Hz)
Nennableitstoßstrom (8/20 µs) (In ) 20 kA
Max. Ableitstoßstrom (8/20 µs) (Imax ) 40 kA
Schutzpegel [L-PE]/[N-PE] (UP ) ≤ 1,5 / ≤ 1,5 kV
Max. netzseitiger Überstromschutz 125 A gG
Zulassungen KEMA, VDE, UL
FM-Kontakte / Kontaktform Wechsler

Artikel 952405 wurde zum Merkzettel hinzugefügt.

Zum Merkzettel

Artikel 952405 wurde zum Warenkorb hinzugefügt.

Zum Warenkorb

Art.-Nr. 952409 DG M TNS 385 FM

GTIN 4013364128552, Zolltarifnr. (EU): 85363030, Bruttogewicht: 508.40 g, VPE: 1.00 Stk.

Vorgänger

Abbildungen

Weitere Information

Überspannungs-Ableiter DEHNguard M TNS 385 FM
4-poliger, modularer, steckbarer Überspannungs-Ableiter
für TN-S-Systeme, Breite 4TE
mit Fernmeldekontakt
Ableiter Typ 2 nach EN 61643-11
Defektanzeige
Höchste Dauerspannung: 385 V ac
Schutzpegel: <= 1,75 kV
Nennableitstoßstrom: 20 kA
Kurzschlußfestigkeit: 25 kAeff
Energetische Koordination nach DIN EN 62305-4
Ableiter der Red/Line-Familie

Fabrikat: DEHN
Typ: DG M TNS 385 FM
Art.-Nr.: 952409
oder gleichwertig.

Zertifikate

 

Technische Daten

SPD nach EN 61643-11 / ... IEC 61643-11 Typ 2 / Class II
Höchste Dauerspannung AC (UC ) 385 V (50 / 60 Hz)
Nennableitstoßstrom (8/20 µs) (In ) 20 kA
Max. Ableitstoßstrom (8/20 µs) (Imax ) 40 kA
Schutzpegel [L-PE]/[N-PE] (UP ) ≤ 1,75 / ≤ 1,75 kV
Max. netzseitiger Überstromschutz 125 A gG
Zulassungen KEMA, UL
FM-Kontakte / Kontaktform Wechsler

Artikel 952409 wurde zum Merkzettel hinzugefügt.

Zum Merkzettel

Artikel 952409 wurde zum Warenkorb hinzugefügt.

Zum Warenkorb

DEHNguard M TT ...

Modularer Überspannungs-Ableiter für TT- und TN-S-Systeme (3+1-Schaltung).

4 Produkte

Art.-Nr. 952323 DG M TT 150

GTIN 4013364133235, Zolltarifnr. (EU): 85363030, Bruttogewicht: 406.90 g, VPE: 1.00 Stk.


Abbildungen

Weitere Information

Überspannungs-Ableiter DEHNguard M TT 150
4-poliger, modularer, steckbarer Überspannungs-Ableiter
für TT-und TN-S-Systeme, Breite 4TE
Ableiter Typ 2 nach EN 61643-11
Defektanzeige
Höchste Dauerspannung: 150 V ac
Schutzpegel: <= 0,7 kV
Nennableitstoßstrom: 15 kA
Kurzschlußfestigkeit: 50 kAeff
Energetische Koordination nach DIN EN 62305-4
Ableiter der Red/Line-Familie

Fabrikat: DEHN
Typ: DG M TT 150
Art.-Nr.: 952323
oder gleichwertig.

Zertifikate

 

Technische Daten

SPD nach EN 61643-11 / ... IEC 61643-11 Typ 2 / Class II
Höchste Dauerspannung AC [L-N] (UC ) 150 V (50 / 60 Hz)
Nennableitstoßstrom (8/20 µs) (In ) 15 kA
Max. Ableitstoßstrom (8/20 µs) (Imax ) 40 kA
Schutzpegel [L-N]/[N-PE] (UP ) ≤ 0,7 / ≤ 1,5 kV
Max. netzseitiger Überstromschutz 125 A gG

Artikel 952323 wurde zum Merkzettel hinzugefügt.

Zum Merkzettel

Artikel 952323 wurde zum Warenkorb hinzugefügt.

Zum Warenkorb

Art.-Nr. 952310 DG M TT 275

GTIN 4013364108479, Zolltarifnr. (EU): 85363030, Bruttogewicht: 435.03 g, VPE: 1.00 Stk.

Vorgänger

Abbildungen

Weitere Information

Überspannungs-Ableiter DEHNguard M TT 275
4-poliger, modularer, steckbarer Überspannungs-Ableiter
für 230/400 V TT-und TN-S-Systeme, Breite 4TE
Ableiter Typ 2 nach EN 61643-11
Defektanzeige
Höchste Dauerspannung: 275 V ac
Schutzpegel: <= 1,25 kV
Nennableitstoßstrom: 20 kA
Kurzschlußfestigkeit: 50 kAeff
Energetische Koordination nach DIN EN 62305-4
Ableiter der Red/Line-Familie

Fabrikat: DEHN
Typ: DG M TT 275
Art.-Nr.: 952310
oder gleichwertig.

Zertifikate

 

Technische Daten

SPD nach EN 61643-11 / ... IEC 61643-11 Typ 2 / Class II
Höchste Dauerspannung AC [L-N] (UC ) 275 V (50 / 60 Hz)
Nennableitstoßstrom (8/20 µs) (In ) 20 kA
Max. Ableitstoßstrom (8/20 µs) (Imax ) 40 kA
Schutzpegel [L-N]/[N-PE] (UP ) ≤ 1,5 / ≤ 1,5 kV
Max. netzseitiger Überstromschutz 125 A gG
Zulassungen KEMA, VDE, UL

Artikel 952310 wurde zum Merkzettel hinzugefügt.

Zum Merkzettel

Artikel 952310 wurde zum Warenkorb hinzugefügt.

Zum Warenkorb

Art.-Nr. 952320 DG M TT 320

GTIN 4013364126794, Zolltarifnr. (EU): 85363030, Bruttogewicht: 442.08 g, VPE: 1.00 Stk.

Vorgänger

Abbildungen

Weitere Information

Überspannungs-Ableiter DEHNguard M TT 320
4-poliger, modularer, steckbarer Überspannungs-Ableiter
für TT-und TN-S-Systeme, Breite 4TE
Defektanzeige
Höchste Dauerspannung: 320 V ac
Schutzpegel: <= 1,5 kV
Nennableitstoßstrom: 20 kA
Kurzschlußfestigkeit: 25 kAeff
Energetische Koordination nach DIN EN 62305-4
Ableiter der Red/Line-Familie

Fabrikat: DEHN
Typ: DG M TT 320
Art.-Nr.: 952320
oder gleichwertig.

Zertifikate

 

Technische Daten

SPD nach EN 61643-11 / ... IEC 61643-11 Typ 2 / Class II
Höchste Dauerspannung AC [L-N] (UC ) 320 V (50 / 60 Hz)
Nennableitstoßstrom (8/20 µs) (In ) 20 kA
Max. Ableitstoßstrom (8/20 µs) (Imax ) 40 kA
Schutzpegel [L-N]/[N-PE] (UP ) ≤ 1,5 / ≤ 1,5 kV
Max. netzseitiger Überstromschutz 125 A gG
Zulassungen KEMA

Artikel 952320 wurde zum Merkzettel hinzugefügt.

Zum Merkzettel

Artikel 952320 wurde zum Warenkorb hinzugefügt.

Zum Warenkorb

Art.-Nr. 952311 DG M TT 385

GTIN 4013364119390, Zolltarifnr. (EU): 85363030, Bruttogewicht: 458.20 g, VPE: 1.00 Stk.

Vorgänger

Abbildungen

Weitere Information

Überspannungs-Ableiter DEHNguard M TT 385
4-poliger, modularer, steckbarer Überspannungs-Ableiter
für TT-und TN-S-Systeme, Breite 4TE
Ableiter Typ 2 nach EN 61643-11
Defektanzeige
Höchste Dauerspannung: 385 V ac
Schutzpegel: <= 1,75 kV
Nennableitstoßstrom: 20 kA
Kurzschlußfestigkeit: 25 kAeff
Energetische Koordination nach DIN EN 62305-4
Ableiter der Red/Line-Familie

Fabrikat: DEHN
Typ: DG M TT 385
Art.-Nr.: 952311
oder gleichwertig.

Zertifikate

 

Technische Daten

SPD nach EN 61643-11 / ... IEC 61643-11 Typ 2 / Class II
Höchste Dauerspannung AC [L-N] (UC ) 385 V (50 / 60 Hz)
Nennableitstoßstrom (8/20 µs) (In ) 20 kA
Max. Ableitstoßstrom (8/20 µs) (Imax ) 40 kA
Schutzpegel [L-N]/[N-PE] (UP ) ≤ 1,75 / ≤ 1,5 kV
Max. netzseitiger Überstromschutz 125 A gG
Zulassungen KEMA, UL

Artikel 952311 wurde zum Merkzettel hinzugefügt.

Zum Merkzettel

Artikel 952311 wurde zum Warenkorb hinzugefügt.

Zum Warenkorb

DEHNguard M TT ... FM

Modularer Überspannungs-Ableiter für TT- und TN-S-Systeme (3+1-Schaltung); mit potentialfreiem Fernmeldekontakt.

5 Produkte

Art.-Nr. 952328 DG M TT 150 FM

GTIN 4013364133242, Zolltarifnr. (EU): 85363030, Bruttogewicht: 416.40 g, VPE: 1.00 Stk.


Abbildungen

Weitere Information

Überspannungs-Ableiter DEHNguard M TT 150 FM
4-poliger, modularer, steckbarer Überspannungs-Ableiter
für TT-und TN-S-Systeme, Breite 4TE
mit Fernmeldekontakt
Ableiter Typ 2 nach EN 61643-11
Defektanzeige
Höchste Dauerspannung: 150 V ac
Schutzpegel: <= 0,7 kV
Nennableitstoßstrom: 15 kA
Kurzschlußfestigkeit: 50 kAeff
Energetische Koordination nach DIN EN 62305-4
Ableiter der Red/Line-Familie

Fabrikat: DEHN
Typ: DG M TT 150 FM
Art.-Nr.: 952328
oder gleichwertig.

Zertifikate

 

Technische Daten

SPD nach EN 61643-11 / ... IEC 61643-11 Typ 2 / Class II
Höchste Dauerspannung AC [L-N] (UC ) 150 V (50 / 60 Hz)
Nennableitstoßstrom (8/20 µs) (In ) 15 kA
Max. Ableitstoßstrom (8/20 µs) (Imax ) 40 kA
Schutzpegel [L-N]/[N-PE] (UP ) ≤ 0,7 / ≤ 1,5 kV
Max. netzseitiger Überstromschutz 125 A gG
Zulassungen UL
FM-Kontakte / Kontaktform Wechsler

Artikel 952328 wurde zum Merkzettel hinzugefügt.

Zum Merkzettel

Artikel 952328 wurde zum Warenkorb hinzugefügt.

Zum Warenkorb

Art.-Nr. 952315 DG M TT 275 FM

GTIN 4013364108486, Zolltarifnr. (EU): 85363030, Bruttogewicht: 441.30 g, VPE: 1.00 Stk.

Vorgänger

Abbildungen

Weitere Information

Überspannungs-Ableiter DEHNguard M TT 275 FM
4-poliger, modularer, steckbarer Überspannungs-Ableiter
für 230/400 V TT-und TN-S-Systeme, Breite 4TE
mit Fernmeldekontakt
Ableiter Typ 2 nach EN 61643-11
Defektanzeige
Höchste Dauerspannung: 275 V ac
Schutzpegel: <= 1,5 kV
Nennableitstoßstrom: 20 kA
Kurzschlußfestigkeit: 50 kAeff
Energetische Koordination nach DIN EN 62305-4
Ableiter der Red/Line-Familie

Fabrikat: DEHN
Typ: DG M TT 275 FM
Art.-Nr.: 952315
oder gleichwertig.

Zertifikate

 

Technische Daten

SPD nach EN 61643-11 / ... IEC 61643-11 Typ 2 / Class II
Höchste Dauerspannung AC [L-N] (UC ) 275 V (50 / 60 Hz)
Nennableitstoßstrom (8/20 µs) (In ) 20 kA
Max. Ableitstoßstrom (8/20 µs) (Imax ) 40 kA
Schutzpegel [L-N]/[N-PE] (UP ) ≤ 1,5 / ≤ 1,5 kV
Max. netzseitiger Überstromschutz 125 A gG
Zulassungen KEMA, VDE, UL
FM-Kontakte / Kontaktform Wechsler

Artikel 952315 wurde zum Merkzettel hinzugefügt.

Zum Merkzettel

Artikel 952315 wurde zum Warenkorb hinzugefügt.

Zum Warenkorb

Art.-Nr. 952325 DG M TT 320 FM

GTIN 4013364126800, Zolltarifnr. (EU): 85363030, Bruttogewicht: 450.80 g, VPE: 1.00 Stk.

Vorgänger

Abbildungen

Weitere Information

Überspannungs-Ableiter DEHNguard M TT 320 FM
4-poliger, modularer, steckbarer Überspannungs-Ableiter
für TT-und TN-S-Systeme, Breite 4TE
mit Fernmeldekontakt
Ableiter Typ 2 nach EN 61643-11
Defektanzeige
Höchste Dauerspannung: 320 V ac
Schutzpegel: <= 1,5 kV
Nennableitstoßstrom: 20 kA
Kurzschlußfestigkeit: 25 kAeff
Energetische Koordination nach DIN EN 62305-4
Ableiter der Red/Line-Familie

Fabrikat: DEHN
Typ: DG M TT 320 FM
Art.-Nr.: 952325
oder gleichwertig.

Zertifikate

 

Technische Daten

SPD nach EN 61643-11 / ... IEC 61643-11 Typ 2 / Class II
Höchste Dauerspannung AC [L-N] (UC ) 320 V (50 / 60 Hz)
Nennableitstoßstrom (8/20 µs) (In ) 20 kA
Max. Ableitstoßstrom (8/20 µs) (Imax ) 40 kA
Schutzpegel [L-N]/[N-PE] (UP ) ≤ 1,5 / ≤ 1,5 kV
Max. netzseitiger Überstromschutz 125 A gG
Zulassungen KEMA
FM-Kontakte / Kontaktform Wechsler

Artikel 952325 wurde zum Merkzettel hinzugefügt.

Zum Merkzettel

Artikel 952325 wurde zum Warenkorb hinzugefügt.

Zum Warenkorb

Art.-Nr. 952316 DG M TT 385 FM

GTIN 4013364119406, Zolltarifnr. (EU): 85363030, Bruttogewicht: 462.10 g, VPE: 1.00 Stk.

Vorgänger

Abbildungen

Weitere Information

Überspannungs-Ableiter DEHNguard M TT 385 FM
4-poliger, modularer, steckbarer Überspannungs-Ableiter
für TT-undTN-S-Systeme, Breite 4TE
mit Fernmeldekontakt
Ableiter Typ 2 nach EN 61643-11
Defektanzeige
Höchste Dauerspannung: 385 V ac
Schutzpegel: <= 1,75 kV
Nennableitstoßstrom: 20 kA
Kurzschlußfestigkeit: 25 kAeff
Energetische Koordination nach DIN EN 62305-4
Ableiter der Red/Line-Familie

Fabrikat: DEHN
Typ: DG M TT 385 FM
Art.-Nr.: 952316
oder gleichwertig.

Zertifikate

 

Technische Daten

SPD nach EN 61643-11 / ... IEC 61643-11 Typ 2 / Class II
Höchste Dauerspannung AC [L-N] (UC ) 385 V (50 / 60 Hz)
Nennableitstoßstrom (8/20 µs) (In ) 20 kA
Max. Ableitstoßstrom (8/20 µs) (Imax ) 40 kA
Schutzpegel [L-N]/[N-PE] (UP ) ≤ 1,75 / ≤ 1,5 kV
Max. netzseitiger Überstromschutz 125 A gG
Zulassungen KEMA, UL
FM-Kontakte / Kontaktform Wechsler

Artikel 952316 wurde zum Merkzettel hinzugefügt.

Zum Merkzettel

Artikel 952316 wurde zum Warenkorb hinzugefügt.

Zum Warenkorb

Art.-Nr. 952332 DG M TT 385/305 FM

GTIN 4013364469945, Zolltarifnr. (EU): 85363030, Bruttogewicht: 464.30 g, VPE: 1.00 Stk.


Abbildungen

Weitere Information

Überspannungs-Ableiter DEHNguard M TT 385/305 FM
4-poliger, modularer, steckbarer Überspannungs-Ableiter
für TT-undTN-S-Systeme, Breite 4TE
mit Fernmeldekontakt
Ableiter Typ 2 nach EN 61643-11
Defektanzeige
Höchste Dauerspannung: 385 V ac
Schutzpegel: <= 1,75 kV
Nennableitstoßstrom: 20 kA
Kurzschlußfestigkeit: 25 kAeff
Energetische Koordination nach DIN EN 62305-4
Ableiter der Red/Line-Familie

Fabrikat: DEHN
Typ: DG M TT 385/305 FM
Art.-Nr.: 952332
oder gleichwertig.

Zertifikate

 

Technische Daten

SPD nach EN 61643-11 / ... IEC 61643-11 Typ 2 / Class II
Höchste Dauerspannung AC [L-N] (UC ) 385 V (50 / 60 Hz)
Nennableitstoßstrom (8/20 µs) (In ) 20 kA
Max. Ableitstoßstrom (8/20 µs) (Imax ) 40 kA
Schutzpegel [L-N]/[N-PE] (UP ) ≤ 1,75 / ≤ 1,5 kV
Max. netzseitiger Überstromschutz 125 A gG
Zulassungen UL
FM-Kontakte / Kontaktform Wechsler

Artikel 952332 wurde zum Merkzettel hinzugefügt.

Zum Merkzettel

Artikel 952332 wurde zum Warenkorb hinzugefügt.

Zum Warenkorb

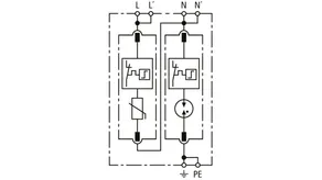
DEHNguard M H TT ... (FM)

Modularer Überspannungs-Ableiter mit hohem Summen-Ableitvermögen im N-PE-Pfad für TT- und TN-S-Systeme (3+1-Schaltung). Erfüllt die höheren Sicherheitsanforderungen nach DIN VDE 0100-534 für den Einsatz am Speisepunkt der elektrischen Anlage; mit potentialfreiem Fernmeldekontakt.

2 Produkte

Art.-Nr. 952381 DG M H TT 275

GTIN 4013364318144, Zolltarifnr. (EU): 85363030, Bruttogewicht: 435.03 g, VPE: 1.00 Stk.


Abbildungen

Weitere Information

Überspannungs-Ableiter DEHNguard M H TT 275
4-poliger, modularer, steckbarer Überspannungs-Ableiter
mit hohem Ableitvermögen
für 230/400 V TT-und TN-S-Systeme, Breite 4TE
Ableiter Typ 2 nach EN 61643-11
Defektanzeige
Höchste Dauerspannung: 275 V ac
Schutzpegel: <= 1,5 kV
Nennableitstoßstrom [L-N]: 20 kA
Nennableitstoßstrom [N-PE]: 80 kA
Kurzschlußfestigkeit: 50 kAeff
Energetische Koordination nach DIN EN 62305-4
Ableiter der Red/Line-Familie

Fabrikat: DEHN
Typ: DG M H TT 275
Art.-Nr.: 952381
oder gleichwertig.

Zertifikate

 

Technische Daten

SPD nach EN 61643-11 / ... IEC 61643-11 Typ 2 / Class II
Höchste Dauerspannung AC [L-N] (UC ) 275 V (50 / 60 Hz)
Nennableitstoßstrom (8/20 µs) [L-N] (In ) 20 kA
Nennableitstoßstrom (8/20 µs) [N-PE] (In ) 80 kA
Max. Ableitstoßstrom (8/20 µs) [L-N] (Imax ) 40 kA
Max. Ableitstoßstrom (8/20 µs) [N-PE] (Imax ) 120 kA
Schutzpegel [L-N]/[N-PE] (UP ) ≤ 1,5 / ≤ 1,5 kV
Max. netzseitiger Überstromschutz 125 A gG
Zulassungen KEMA

Artikel 952381 wurde zum Merkzettel hinzugefügt.

Zum Merkzettel

Artikel 952381 wurde zum Warenkorb hinzugefügt.

Zum Warenkorb

Art.-Nr. 952385 DG M H TT 275 FM

GTIN 4013364318137, Zolltarifnr. (EU): 85363030, Bruttogewicht: 441.30 g, VPE: 1.00 Stk.


Abbildungen

Weitere Information

Überspannungs-Ableiter DEHNguard M H TT 275 FM
4-poliger, modularer, steckbarer Überspannungs-Ableiter
mit hohem Ableitvermögen
für 230/400 V TT-und TN-S-Systeme, Breite 4TE
mit Fernmeldekontakt
Ableiter Typ 2 nach EN 61643-11
Defektanzeige
Höchste Dauerspannung: 275 V ac
Schutzpegel: <= 1,5 kV
Nennableitstoßstrom [L-N]: 20 kA
Nennableitstoßstrom [N-PE]: 80 kA
Kurzschlußfestigkeit: 50 kAeff
Energetische Koordination nach DIN EN 62305-4
Ableiter der Red/Line-Familie

Fabrikat: DEHN
Typ: DG M H TT 275 FM
Art.-Nr.: 952385
oder gleichwertig.

Zertifikate

 

Technische Daten

SPD nach EN 61643-11 / ... IEC 61643-11 Typ 2 / Class II
Höchste Dauerspannung AC [L-N] (UC ) 275 V (50 / 60 Hz)
Nennableitstoßstrom (8/20 µs) [L-N] (In ) 20 kA
Nennableitstoßstrom (8/20 µs) [N-PE] (In ) 80 kA
Max. Ableitstoßstrom (8/20 µs) [L-N] (Imax ) 40 kA
Max. Ableitstoßstrom (8/20 µs) [N-PE] (Imax ) 120 kA
Schutzpegel [L-N]/[N-PE] (UP ) ≤ 1,5 / ≤ 1,5 kV
Max. netzseitiger Überstromschutz 125 A gG
Zulassungen KEMA
FM-Kontakte / Kontaktform Wechsler

Artikel 952385 wurde zum Merkzettel hinzugefügt.

Zum Merkzettel

Artikel 952385 wurde zum Warenkorb hinzugefügt.

Zum Warenkorb

DEHNguard M TN ...

Modularer Überspannungs-Ableiter für einphasige TN-Systeme (2+0-Schaltung).

2 Produkte

Art.-Nr. 952201 DG M TN 150

GTIN 4013364123915, Zolltarifnr. (EU): 85363030, Bruttogewicht: 227.20 g, VPE: 1.00 Stk.


Abbildungen

Weitere Information

Überspannungs-Ableiter DEHNguard M TN 150
2-poliger, modularer, steckbarer Überspannungs-Ableiter
für einphasige TN-Systeme, Breite 2TE
Ableiter Typ 2 nach EN 61643-11
Defektanzeige
Höchste Dauerspannung: 150 V ac
Schutzpegel: <= 0,7 kV
Nennableitstoßstrom: 15 kA
Kurzschlußfestigkeit: 50 kAeff
Energetische Koordination nach DIN EN 62305-4
Ableiter der Red/Line-Familie

Fabrikat: DEHN
Typ: DG M TN 150
Art.-Nr.: 952201
oder gleichwertig.

Zertifikate

 

Technische Daten

SPD nach EN 61643-11 / ... IEC 61643-11 Typ 2 / Class II
Höchste Dauerspannung AC (UC ) 150 V (50 / 60 Hz)
Nennableitstoßstrom (8/20 µs) (In ) 15 kA
Max. Ableitstoßstrom (8/20 µs) (Imax ) 40 kA
Schutzpegel [L-PE]/[N-PE] (UP ) ≤ 0,7 / ≤ 0,7 kV
Max. netzseitiger Überstromschutz 125 A gG
Zulassungen KEMA, UL

Artikel 952201 wurde zum Merkzettel hinzugefügt.

Zum Merkzettel

Artikel 952201 wurde zum Warenkorb hinzugefügt.

Zum Warenkorb

Art.-Nr. 952200 DG M TN 275

GTIN 4013364108394, Zolltarifnr. (EU): 85363030, Bruttogewicht: 244.60 g, VPE: 1.00 Stk.

Vorgänger

Abbildungen

Weitere Information

Überspannungs-Ableiter DEHNguard M TN 275
2-poliger, modularer, steckbarer Überspannungs-Ableiter
für einphasige 230 V-TN-Systeme, Breite 2TE
Ableiter Typ 2 nach EN 61643-11
Defektanzeige
Höchste Dauerspannung: 275 V ac
Schutzpegel: <= 1,5 kV
Nennableitstoßstrom: 20 kA
Kurzschlußfestigkeit: 50 kAeff
Energetische Koordination nach DIN EN 62305-4
Ableiter der Red/Line-Familie

Fabrikat: DEHN
Typ: DG M TN 275
Art.-Nr.: 952200
oder gleichwertig.

Zertifikate

 

Technische Daten

SPD nach EN 61643-11 / ... IEC 61643-11 Typ 2 / Class II
Höchste Dauerspannung AC (UC ) 275 V (50 / 60 Hz)
Nennableitstoßstrom (8/20 µs) (In ) 20 kA
Max. Ableitstoßstrom (8/20 µs) (Imax ) 40 kA
Schutzpegel [L-PE]/[N-PE] (UP ) ≤ 1,5 / ≤ 1,5 kV
Max. netzseitiger Überstromschutz 125 A gG
Zulassungen KEMA, VDE, UL, ATEX, IECEx

Artikel 952200 wurde zum Merkzettel hinzugefügt.

Zum Merkzettel

Artikel 952200 wurde zum Warenkorb hinzugefügt.

Zum Warenkorb

DEHNguard M TN ... FM

Modularer Überspannungs-Ableiter für einphasige TN-Systeme (2+0-Schaltung); mit potentialfreiem Fernmeldekontakt.

2 Produkte

Art.-Nr. 952206 DG M TN 150 FM

GTIN 4013364123922, Zolltarifnr. (EU): 85363030, Bruttogewicht: 233.10 g, VPE: 1.00 Stk.


Abbildungen

Weitere Information

Überspannungs-Ableiter DEHNguard M TN 150 FM
2-poliger, modularer, steckbarer Überspannungs-Ableiter
für einphasige TN-Systeme, Breite 2TE
mit Fernmeldekontakt
Ableiter Typ 2 nach EN 61643-11
Defektanzeige
Höchste Dauerspannung: 150 V ac
Schutzpegel: <= 0,7 kV
Nennableitstoßstrom: 15 kA
Kurzschlußfestigkeit: 50 kAeff
Energetische Koordination nach DIN EN 62305-4
Ableiter der Red/Line-Familie

Fabrikat: DEHN
Typ: DG M TN 150 FM
Art.-Nr.: 952206
oder gleichwertig.

Zertifikate

 

Technische Daten

SPD nach EN 61643-11 / ... IEC 61643-11 Typ 2 / Class II
Höchste Dauerspannung AC (UC ) 150 V (50 / 60 Hz)
Nennableitstoßstrom (8/20 µs) (In ) 15 kA
Max. Ableitstoßstrom (8/20 µs) (Imax ) 40 kA
Schutzpegel [L-PE]/[N-PE] (UP ) ≤ 0,7 / ≤ 0,7 kV
Max. netzseitiger Überstromschutz 125 A gG
Zulassungen KEMA, UL
FM-Kontakte / Kontaktform Wechsler

Artikel 952206 wurde zum Merkzettel hinzugefügt.

Zum Merkzettel

Artikel 952206 wurde zum Warenkorb hinzugefügt.

Zum Warenkorb

Art.-Nr. 952205 DG M TN 275 FM

GTIN 4013364108400, Zolltarifnr. (EU): 85363030, Bruttogewicht: 247.70 g, VPE: 1.00 Stk.

Vorgänger

Abbildungen

Weitere Information

Überspannungs-Ableiter DEHNguard M TN 275 FM
2-poliger, modularer, steckbarer Überspannungs-Ableiter
für einphasige 230V-TN-Systeme, Breite 2TE
mit Fernmeldekontakt
Ableiter Typ 2 nach EN 61643-11
Defektanzeige
Höchste Dauerspannung: 275 V ac
Schutzpegel: <= 1,5 kV
Nennableitstoßstrom: 20 kA
Kurzschlußfestigkeit: 50 kAeff
Energetische Koordination nach DIN EN 62305-4
Ableiter der Red/Line-Familie

Fabrikat: DEHN
Typ: DG M TN 275 FM
Art.-Nr.: 952205
oder gleichwertig.

Zertifikate

 

Technische Daten

SPD nach EN 61643-11 / ... IEC 61643-11 Typ 2 / Class II
Höchste Dauerspannung AC (UC ) 275 V (50 / 60 Hz)
Nennableitstoßstrom (8/20 µs) (In ) 20 kA
Max. Ableitstoßstrom (8/20 µs) (Imax ) 40 kA
Schutzpegel [L-PE]/[N-PE] (UP ) ≤ 1,5 / ≤ 1,5 kV
Max. netzseitiger Überstromschutz 125 A gG
Zulassungen KEMA, VDE, UL, ATEX, IECEx
FM-Kontakte / Kontaktform Wechsler

Artikel 952205 wurde zum Merkzettel hinzugefügt.

Zum Merkzettel

Artikel 952205 wurde zum Warenkorb hinzugefügt.

Zum Warenkorb

DEHNguard M H TT 2P ... (FM)

Modularer Überspannungs-Ableiter mit hohem Summen-Ableitvermögen im N-PE-Pfad für einphasige TT- und TN-Systeme (1+1-Schaltung). Erfüllt die höheren Sicherheitsanforderungen nach DIN VDE 0100-534 für den Einsatz am Speisepunkt der elektrischen Anlage; mit potentialfreiem Fernmeldekontakt.

2 Produkte

Art.-Nr. 952181 DG M H TT 2P 275

GTIN 4013364318175, Zolltarifnr. (EU): 85363030, Bruttogewicht: 244.10 g, VPE: 1.00 Stk.


Abbildungen

Weitere Information

Überspannungs-Ableiter DEHNguard M H TT 2P 275
2-poliger, modularer, steckbarer Überspannungs-Ableiter
mit hohem Ableitvermögen
für einphasige 230 V-TT- und TN-Systeme, Breite 2TE
Ableiter Typ 2 nach EN 61643-11
Defektanzeige
Höchste Dauerspannung: 275 V ac
Schutzpegel: <= 1,5 kV
Nennableitstoßstrom [L-N]: 20 kA
Nennableitstoßstrom [N-PE]: 80 kA
Kurzschlußfestigkeit: 25 kAeff
Energetische Koordination nach DIN EN 62305-4
Ableiter der Red/Line-Familie

Fabrikat: DEHN
Typ: DG M H TT 2P 275
Art.-Nr.: 952181
oder gleichwertig.

Zertifikate

 

Technische Daten

SPD nach EN 61643-11 / ... IEC 61643-11 Typ 2 / Class II
Höchste Dauerspannung AC [L-N] (UC ) 275 V (50 / 60 Hz)
Nennableitstoßstrom (8/20 µs) [L-N] (In ) 20 kA
Nennableitstoßstrom (8/20 µs) [N-PE] (In ) 80 kA
Max. Ableitstoßstrom (8/20 µs) [L-N] (Imax ) 40 kA
Max. Ableitstoßstrom (8/20 µs) [N-PE] (Imax ) 120 kA
Schutzpegel [L-N]/[N-PE] (UP ) ≤ 1,5 / ≤ 1,5 kV
Max. netzseitiger Überstromschutz 125 A gG
Zulassungen KEMA

Artikel 952181 wurde zum Merkzettel hinzugefügt.

Zum Merkzettel

Artikel 952181 wurde zum Warenkorb hinzugefügt.

Zum Warenkorb

Art.-Nr. 952185 DG M H TT 2P 275 FM

GTIN 4013364318151, Zolltarifnr. (EU): 85363030, Bruttogewicht: 244.10 g, VPE: 1.00 Stk.


Abbildungen

Weitere Information

Überspannungs-Ableiter DEHNguard M H TT 2P 275 FM
2-poliger, modularer, steckbarer Überspannungs-Ableiter
mit hohem Ableitvermögen
für einphasige 230 V-TT- und TN-Systeme, Breite 2TE
mit Fernmeldekontakt
Ableiter Typ 2 nach EN 61643-11
Defektanzeige
Höchste Dauerspannung: 275 V ac
Schutzpegel: <= 1,5 kV
Nennableitstoßstrom [L-N]: 20 kA
Nennableitstoßstrom [N-PE]: 80 kA
Kurzschlußfestigkeit: 25 kAeff
Energetische Koordination nach DIN EN 62305-4
Ableiter der Red/Line-Familie

Fabrikat: DEHN
Typ: DG M H TT 2P 275 FM
Art.-Nr.: 952185
oder gleichwertig.

Zertifikate

 

Technische Daten

SPD nach EN 61643-11 / ... IEC 61643-11 Typ 2 / Class II
Höchste Dauerspannung AC [L-N] (UC ) 275 V (50 / 60 Hz)
Nennableitstoßstrom (8/20 µs) [L-N] (In ) 20 kA
Nennableitstoßstrom (8/20 µs) [N-PE] (In ) 80 kA
Max. Ableitstoßstrom (8/20 µs) [L-N] (Imax ) 40 kA
Max. Ableitstoßstrom (8/20 µs) [N-PE] (Imax ) 120 kA
Schutzpegel [L-N]/[N-PE] (UP ) ≤ 1,5 / ≤ 1,5 kV
Max. netzseitiger Überstromschutz 125 A gG
Zulassungen KEMA
FM-Kontakte / Kontaktform Wechsler

Artikel 952185 wurde zum Merkzettel hinzugefügt.

Zum Merkzettel

Artikel 952185 wurde zum Warenkorb hinzugefügt.

Zum Warenkorb

DEHNguard M TT 2P ...

Modularer Überspannungs-Ableiter für einphasige TT- und TN-Systeme (1+1-Schaltung).

3 Produkte

Art.-Nr. 952110 DG M TT 2P 275

GTIN 4013364108417, Zolltarifnr. (EU): 85363030, Bruttogewicht: 258.00 g, VPE: 1.00 Stk.

Vorgänger

Abbildungen

Weitere Information

Überspannungs-Ableiter DEHNguard M TT 2P 275
2-poliger, modularer, steckbarer Überspannungs-Ableiter
für einphasige 230 V-TT- und TN-Systeme, Breite 2TE
Ableiter Typ 2 nach EN 61643-11
Defektanzeige
Höchste Dauerspannung: 275 V ac
Schutzpegel: <= 1,5 kV
Nennableitstoßstrom: 20 kA
Kurzschlußfestigkeit: 50 kAeff
Energetische Koordination nach DIN EN 62305-4
Ableiter der Red/Line-Familie

Fabrikat: DEHN
Typ: DG M TT 2P 275
Art.-Nr.: 952110
oder gleichwertig.

Zertifikate

 

Technische Daten

SPD nach EN 61643-11 / ... IEC 61643-11 Typ 2 / Class II
Höchste Dauerspannung AC [L-N] (UC ) 275 V (50 / 60 Hz)
Nennableitstoßstrom (8/20 µs) (In ) 20 kA
Max. Ableitstoßstrom (8/20 µs) (Imax ) 40 kA
Schutzpegel [L-N]/[N-PE] (UP ) ≤ 1,5 / ≤ 1,5 kV
Max. netzseitiger Überstromschutz 125 A gG
Zulassungen KEMA, VDE, UL, ATEX, IECEx

Artikel 952110 wurde zum Merkzettel hinzugefügt.

Zum Merkzettel

Artikel 952110 wurde zum Warenkorb hinzugefügt.

Zum Warenkorb

Art.-Nr. 952130 DG M TT 2P 320

GTIN 4013364128521, Zolltarifnr. (EU): 85363030, Bruttogewicht: 263.20 g, VPE: 1.00 Stk.


Abbildungen

Weitere Information

Überspannungs-Ableiter DEHNguard M TT 2P 320
2-poliger, modularer, steckbarer Überspannungs-Ableiter
für einphasige 230 V-TT- und TN-Systeme, Breite 2TE
Ableiter Typ 2 nach EN 61643-11
Defektanzeige
Höchste Dauerspannung: 320 V ac
Schutzpegel: <= 1,5 kV
Nennableitstoßstrom: 20 kA
Kurzschlußfestigkeit: 25 kAeff
Energetische Koordination nach DIN EN 62305-4
Ableiter der Red/Line-Familie

Fabrikat: DEHN
Typ: DG M TT 2P 320
Art.-Nr.: 952130
oder gleichwertig.

Zertifikate

 

Technische Daten

SPD nach EN 61643-11 / ... IEC 61643-11 Typ 2 / Class II
Höchste Dauerspannung AC [L-N] (UC ) 320 V (50 / 60 Hz)
Nennableitstoßstrom (8/20 µs) (In ) 20 kA
Max. Ableitstoßstrom (8/20 µs) (Imax ) 40 kA
Schutzpegel [L-N]/[N-PE] (UP ) ≤ 1,5 / ≤ 1,5 kV
Max. netzseitiger Überstromschutz 125 A gG
Zulassungen KEMA

Artikel 952130 wurde zum Merkzettel hinzugefügt.

Zum Merkzettel

Artikel 952130 wurde zum Warenkorb hinzugefügt.

Zum Warenkorb

Art.-Nr. 952111 DG M TT 2P 385

GTIN 4013364119420, Zolltarifnr. (EU): 85363030, Bruttogewicht: 248.30 g, VPE: 1.00 Stk.


Abbildungen

Weitere Information

Überspannungs-Ableiter DEHNguard M TT 2P 385
2-poliger, modularer, steckbarer Überspannungs-Ableiter
für einphasige TT- und TN-Systeme, Breite 2TE
Ableiter Typ 2 nach EN 61643-11
Defektanzeige
Höchste Dauerspannung: 385 V ac
Schutzpegel: <= 1,75 kV
Nennableitstoßstrom: 20 kA
Kurzschlußfestigkeit: 25 kAeff
Energetische Koordination nach DIN EN 62305-4
Ableiter der Red/Line-Familie

Fabrikat: DEHN
Typ: DG M TT 2P 385
Art.-Nr.: 952111
oder gleichwertig.

Zertifikate

 

Technische Daten

SPD nach EN 61643-11 / ... IEC 61643-11 Typ 2 / Class II
Höchste Dauerspannung AC [L-N] (UC ) 385 V (50 / 60 Hz)
Nennableitstoßstrom (8/20 µs) (In ) 20 kA
Max. Ableitstoßstrom (8/20 µs) (Imax ) 40 kA
Schutzpegel [L-N]/[N-PE] (UP ) ≤ 1,75 / ≤ 1,5 kV
Max. netzseitiger Überstromschutz 125 A gG
Zulassungen KEMA

Artikel 952111 wurde zum Merkzettel hinzugefügt.

Zum Merkzettel

Artikel 952111 wurde zum Warenkorb hinzugefügt.

Zum Warenkorb

DEHNguard M TT 2P ... FM

Modularer Überspannungs-Ableiter für einphasige TT- und TN-Systeme (1+1-Schaltung); mit potentialfreiem Fernmeldekontakt.

3 Produkte

Art.-Nr. 952115 DG M TT 2P 275 FM

GTIN 4013364108424, Zolltarifnr. (EU): 85363030, Bruttogewicht: 244.10 g, VPE: 1.00 Stk.

Vorgänger

Abbildungen

Weitere Information

Überspannungs-Ableiter DEHNguard M TT 2P 275 FM
2-poliger, modularer, steckbarer Überspannungs-Ableiter
für einphasige 230 V-TT- und TN-Systeme, Breite 2TE
mit Fernmeldekontakt
Ableiter Typ 2 nach EN 61643-11
Defektanzeige
Höchste Dauerspannung: 275 V ac
Schutzpegel: <= 1,5 kV
Nennableitstoßstrom: 20 kA
Kurzschlußfestigkeit: 50 kAeff
Energetische Koordination nach DIN EN 62305-4
Ableiter der Red/Line-Familie

Fabrikat: DEHN
Typ: DG M TT 2P 275 FM
Art.-Nr.: 952115
oder gleichwertig.

Zertifikate

 

Technische Daten

SPD nach EN 61643-11 / ... IEC 61643-11 Typ 2 / Class II
Höchste Dauerspannung AC [L-N] (UC ) 275 V (50 / 60 Hz)
Nennableitstoßstrom (8/20 µs) (In ) 20 kA
Max. Ableitstoßstrom (8/20 µs) (Imax ) 40 kA
Schutzpegel [L-N]/[N-PE] (UP ) ≤ 1,5 / ≤ 1,5 kV
Max. netzseitiger Überstromschutz 125 A gG
Zulassungen KEMA, VDE, UL, ATEX, IECEx
FM-Kontakte / Kontaktform Wechsler

Artikel 952115 wurde zum Merkzettel hinzugefügt.

Zum Merkzettel

Artikel 952115 wurde zum Warenkorb hinzugefügt.

Zum Warenkorb

Art.-Nr. 952135 DG M TT 2P 320 FM

GTIN 4013364128538, Zolltarifnr. (EU): 85363030, Bruttogewicht: 269.20 g, VPE: 1.00 Stk.


Abbildungen

Weitere Information

Überspannungs-Ableiter DEHNguard M TT 2P 320 FM
2-poliger, modularer, steckbarer Überspannungs-Ableiter
für einphasige 230 V-TT- und TN-Systeme, Breite 2TE
mit Fernmeldekontakt
Ableiter Typ 2 nach EN 61643-11
Defektanzeige
Höchste Dauerspannung: 320 V ac
Schutzpegel: <= 1,5 kV
Nennableitstoßstrom: 20 kA
Kurzschlußfestigkeit: 25 kAeff
Energetische Koordination nach DIN EN 62305-4
Ableiter der Red/Line-Familie

Fabrikat: DEHN
Typ: DG M TT 2P 320 FM
Art.-Nr.: 952135
oder gleichwertig.

Zertifikate

 

Technische Daten

SPD nach EN 61643-11 / ... IEC 61643-11 Typ 2 / Class II
Höchste Dauerspannung AC [L-N] (UC ) 320 V (50 / 60 Hz)
Nennableitstoßstrom (8/20 µs) (In ) 20 kA
Max. Ableitstoßstrom (8/20 µs) (Imax ) 40 kA
Schutzpegel [L-N]/[N-PE] (UP ) ≤ 1,5 / ≤ 1,5 kV
Max. netzseitiger Überstromschutz 125 A gG
Zulassungen KEMA
FM-Kontakte / Kontaktform Wechsler

Artikel 952135 wurde zum Merkzettel hinzugefügt.

Zum Merkzettel

Artikel 952135 wurde zum Warenkorb hinzugefügt.

Zum Warenkorb

Art.-Nr. 952116 DG M TT 2P 385 FM

GTIN 4013364119413, Zolltarifnr. (EU): 85363030, Bruttogewicht: 251.70 g, VPE: 1.00 Stk.

Vorgänger

Abbildungen

Weitere Information

Überspannungs-Ableiter DEHNguard M TT 2P 385 FM
2-poliger, modularer, steckbarer Überspannungs-Ableiter
für einphasige TT- und TN-Systeme, Breite 2TE
mit Fernmeldekontakt
Ableiter Typ 2 nach EN 61643-11
Defektanzeige
Höchste Dauerspannung: 385 V ac
Schutzpegel: <= 1,75 kV
Nennableitstoßstrom: 20 kA
Kurzschlußfestigkeit: 25 kAeff
Energetische Koordination nach DIN EN 62305-4
Ableiter der Red/Line-Familie

Fabrikat: DEHN
Typ: DG M TT 2P 385 FM
Art.-Nr.: 952116
oder gleichwertig.

Zertifikate

 

Technische Daten

SPD nach EN 61643-11 / ... IEC 61643-11 Typ 2 / Class II
Höchste Dauerspannung AC [L-N] (UC ) 385 V (50 / 60 Hz)
Nennableitstoßstrom (8/20 µs) (In ) 20 kA
Max. Ableitstoßstrom (8/20 µs) (Imax ) 40 kA
Schutzpegel [L-N]/[N-PE] (UP ) ≤ 1,75 / ≤ 1,5 kV
Max. netzseitiger Überstromschutz 125 A gG
Zulassungen KEMA
FM-Kontakte / Kontaktform Wechsler

Artikel 952116 wurde zum Merkzettel hinzugefügt.

Zum Merkzettel

Artikel 952116 wurde zum Warenkorb hinzugefügt.

Zum Warenkorb

DEHNguard M WE ... (FM)

Modularer Überspannungs-Ableiter (3+0-Schaltung) mit Varistor-Bemessungsspannung Umov = 750 V AC; in der Ausführung FM mit potentialfreiem Fernmeldekontakt.

2 Produkte

Art.-Nr. 952302 DG M WE 600

GTIN 4013364113305, Zolltarifnr. (EU): 85363030, Bruttogewicht: 406.60 g, VPE: 1.00 Stk.

Vorgänger

Abbildungen

Weitere Information

Überspannungs-Ableiter DEHNguard M WE 600
3-poliger, modularer, steckbarer Überspannungs-Ableiter
für Windkraftanlagen zum Einsatz im
400/690 V TN-C-System, Breite 3TE
Berücksichtigung kurzzeitiger Spannungsschwankungen
durcherhöhte Varistor-Bemessungsspannung Umov
Ableiter Typ 2 nach EN 61643-11
Defektanzeige
Höchste Dauerspannung: 600 V ac
Varistor-Bemessungsspannung: 750 V ac
Schutzpegel: <= 3 kV
Nennableitstoßstrom: 15 kA
Kurzschlußfestigkeit: 25 kAeff
Energetische Koordination nach DIN EN 62305-4
Ableiter der Red/Line-Familie

Fabrikat: DEHN
Typ: DG M WE 600
Art.-Nr.: 952302
oder gleichwertig.

Zertifikate

 

Technische Daten

SPD nach EN 61643-11 / ... IEC 61643-11 Typ 2 / Class II
Höchste Dauerspannung AC (UC ) 600 V (50 / 60 Hz)
Varistor-Bemessungsspannung (Umov ) 750 V
Nennableitstoßstrom (8/20 µs) (In ) 15 kA
Max. Ableitstoßstrom (8/20 µs) (Imax ) 25 kA
Schutzpegel (UP ) ≤ 3 kV
Max. netzseitiger Überstromschutz 100 A gG
Zulassungen KEMA, UL

Artikel 952302 wurde zum Merkzettel hinzugefügt.

Zum Merkzettel

Artikel 952302 wurde zum Warenkorb hinzugefügt.

Zum Warenkorb

Art.-Nr. 952307 DG M WE 600 FM

GTIN 4013364113312, Zolltarifnr. (EU): 85363030, Bruttogewicht: 409.50 g, VPE: 1.00 Stk.

Vorgänger

Abbildungen

Weitere Information

Überspannungs-Ableiter DEHNguard M WE 600 FM
3-poliger, modularer, steckbarer Überspannungs-Ableiter
für Windkraftanlagen zum Einsatz im
400/690 V TN-C-System, Breite 3TE
mit Fernmeldekontakt
Berücksichtigung kurzzeitiger Spannungsschwankungen
durcherhöhte Varistor-Bemessungsspannung Umov
Ableiter Typ 2 nach EN 61643-11
Defektanzeige
Höchste Dauerspannung: 600 V ac
Varistor-Bemessungsspannung: 750 V ac
Schutzpegel: <= 3 kV
Nennableitstoßstrom: 15 kA
Kurzschlußfestigkeit: 25 kAeff
Energetische Koordination nach DIN EN 62305-4
Ableiter der Red/Line-Familie

Fabrikat: DEHN
Typ: DG M WE 600 FM
Art.-Nr.: 952307
oder gleichwertig.

Zertifikate

 

Technische Daten

SPD nach EN 61643-11 / ... IEC 61643-11 Typ 2 / Class II
Höchste Dauerspannung AC (UC ) 600 V (50 / 60 Hz)
Varistor-Bemessungsspannung (Umov ) 750 V
Nennableitstoßstrom (8/20 µs) (In ) 15 kA
Max. Ableitstoßstrom (8/20 µs) (Imax ) 25 kA
Schutzpegel (UP ) ≤ 3 kV
Max. netzseitiger Überstromschutz 100 A gG
Zulassungen KEMA, UL
FM-Kontakte / Kontaktform Wechsler

Artikel 952307 wurde zum Merkzettel hinzugefügt.

Zum Merkzettel

Artikel 952307 wurde zum Warenkorb hinzugefügt.

Zum Warenkorb

nach oben