Ihre Services im Dashboard..
Registriert nutzen Sie das komplette Angebot.

DEHNpatch – Ableiter für Datennetze und Ethernet-Anwendungen

  • Überspannungsschutz für die Ethernet Infrastruktur
  • bis 10 Gbit/s (bis Class EA / 500 MHz)
  • Patchkabel mit Überspannungsschutz CAT 6A im Channel
  • IP66-Variante für Outdoor-Anwendungen
  • Power over Ethernet IEEE 802.3 konform (bis PoE++ / 4PPoE)
  • Jederzeit nachrüstbar

Details

Einfache Wartung mit System durch Anzeige und Fernsignalisierung
lorem ipsum
Montageset als Zubehör für 19“ Patch-Rack“ Lösungen
lorem ipsum
Outdoor-Variante mit Schutzart IP66
lorem ipsum
Als Patchkabel-Variante, voll geschirmt (Länge 3m)
lorem ipsum

DPA CLE IP66

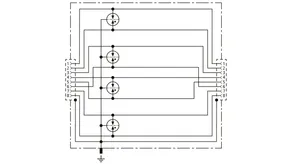
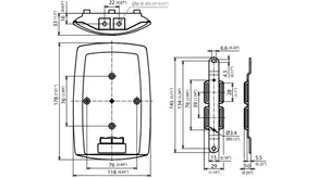
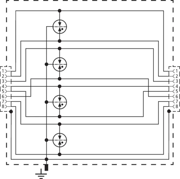
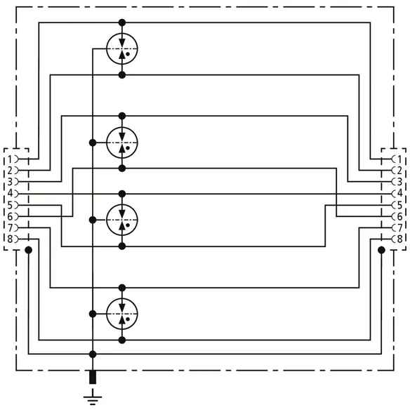
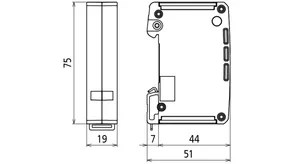
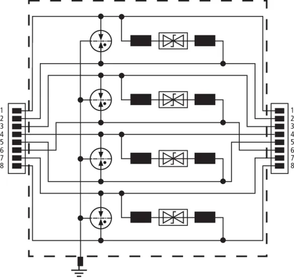
Universeller Überspannungs-Ableiter für GBit Ethernet Applikationen, Power over Ethernet (IEEE 802.3 konform bis PoE++ / 4PPoE) und ähnliche Anwendungen in strukturierten Verkabelungen bis Klasse E im Indoor- und Outdoorbereich in einem IP66 Gehäuse zum Schutz gegen Eindringen von Staub und Wasser. Schutz aller Adernpaare mit leistungsfähigen Gasentladungsableitern und je einer abgestimmten Filtermatrix pro Adernpaar. Voll geschirmte Überspannungsschutzlösung mit RJ 45-Buchsen. Universelle Montagehalterung für die wahlweise Mast- oder Wandmontage.
Externes Zubehör: Spannbänder für Mastmontage

1 Produkt

Art.-Nr. 929221 DPA CLE IP66

GTIN 4013364342866, Zolltarifnr. (EU): 85363010, Bruttogewicht: 745.00 g, VPE: 1.00 Stk.


Abbildungen

Weitere Information

Überspannungs-Ableiter Klasse E DEHNpatch DPA CLE IP66
Outdoor-Ableiter für GBit Ethernet Applikationen,
Power over Ethernet (bis PoE++ / 4PPoE) und ähnliche
Anwendungen im voll geschirmten IP66 Gehäuse
Ableiterklasse Type 2 / P1
DEHNpatch CLE IP66, geprüft nach
EN 61643-21, universell
einsetzbar nach EN 50173
für alle Datendienste bis 60 V DC (PoE++/4PPoE)
zum Schutz von 4 Adernpaaren
von Datennetzwerk-Schnittstellen
über RJ 45-Buchsen, für den Einsatz im
Indoor- und Outdoorbereich

Fabrikat: DEHN
Typ: DPA CLE IP66
Art.-Nr.: 929221
oder gleichwertig.

Zertifikate

 

Technische Daten

Ableiterklasse T
Höchste Dauerspannung DC Pa-Pa (PoE) (Uc ) 60 V
Nennstrom (IL ) 1 A
D1 Blitzstoßstrom (10/350 µs) pro Ader (Iimp ) 0,8 kA
D1 Blitzstoßstrom (10/350 µs) gesamt (Iimp ) 4 kA
C2 Nennableitstoßstrom (8/20 µs) gesamt (In ) 10 kA
Grenzfrequenz (fG ) 250 MHz
Schutzart (mit angeschlossenen Leitungen) IP 66
Anschluss Eingang / Ausgang RJ45-Buchse / RJ45-Buchse
Zulassungen UL 497B, CSA

Artikel 929221 wurde zum Merkzettel hinzugefügt.

Zum Merkzettel

Artikel 929221 wurde zum Warenkorb hinzugefügt.

Zum Warenkorb

DPA M CAT6

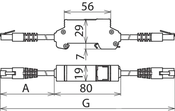
Universeller Ableiter für Industrial Ethernet, Power over Ethernet (IEEE 802.3 konform bis PoE++ / 4PPoE) und ähnliche Anwendungen in strukturierten Verkabelungen nach Cat 6 und nach Klasse EA bis 500 MHz. Voll geschirmte Ausführung mit Patchleitung für die Hutschienenmontage (bis 10 Gbit Ethernet).

1 Produkt

Art.-Nr. 929100 DPA M CAT6 RJ45S 48

GTIN 4013364102170, Zolltarifnr. (EU): 85363010, Bruttogewicht: 244.00 g, VPE: 1.00 Stk.

Vorgänger

Abbildungen

Weitere Information

Überspannungs-Ableiter-Patchkabel DEHNpatch DPA M CAT 6 RJ45S 48
Überspannungs-Ableiter-Patchkabel
Cat.6 voll geschirmt
der Ableiterklasse Type 2 / P1
DEHNpatch M, geprüft nach
EN 61643-21 und ISO/IEC 11801
universell einsetzbar nach EN 50173
für alle Datendienste bis 57 V DC
zum Schutz von 4 Adernpaaren
von Datennetzwerk-Schnittstellen
über RJ 45-Stecker, für Verteiler-
oder Einzelplatzanwendung, Gesamt-
leitungslänge 3 m, Baubreite 19 mm.

Fabrikat: DEHN
Typ: DPA M CAT6 RJ45S 48
Art.-Nr.: 929100
oder gleichwertig.

Zertifikate

 

Technische Daten

Ableiterklasse T
Höchste Dauerspannung DC (Uc ) 48 V
Höchste Dauerspannung DC Pa-Pa (PoE) (Uc ) 57 V
Nennstrom (IL ) 1 A
D1 Blitzstoßstrom (10/350 µs) pro Ader (Iimp ) 1 kA
C2 Nennableitstoßstrom (8/20 µs) gesamt (In ) 10 kA
Grenzfrequenz (fG ) 250 MHz
Anschluss Eingang / Ausgang RJ45-Anschlussleitung / RJ45-Anschlussleitung

Artikel 929100 wurde zum Merkzettel hinzugefügt.

Zum Merkzettel

Artikel 929100 wurde zum Warenkorb hinzugefügt.

Zum Warenkorb

DEHNpatch Class EA (Neu)

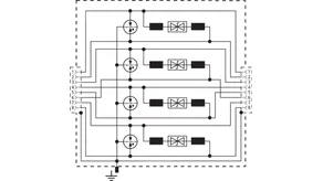
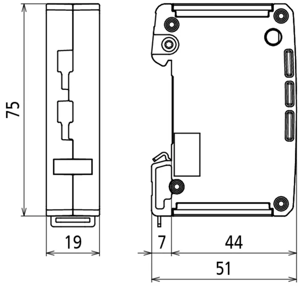
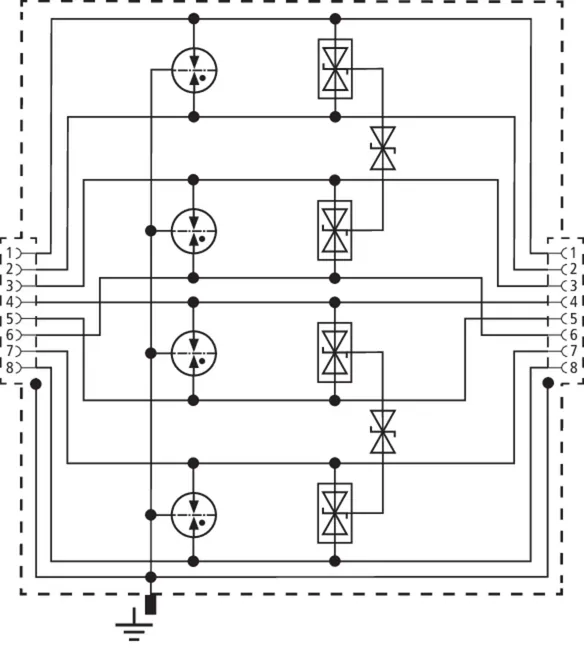
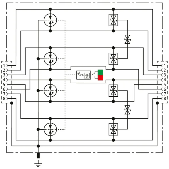
Universeller, platzsparender Kombi-Ableiter in 19 mm Baubreite und RJ45 Anschlusstechnik mit Statusanzeige für die einfache Wartung. Schutz von Anwendungen in strukturierten Verkabelungen nach Klasse EA bis 500 MHz, z.B. Industrial Ethernet, Datenverteiler, digitale Kamerasysteme, Power over Ethernet (IEEE 802.3 konform bis 4PPoE) und generell Ethernet basierte Schnittstellen. Schutz aller Adernpaare durch leistungsfähige Gasentladungsableiter und Schutzdioden zwischen den Signaladern sowie Aderpaaren. Voll geschirmte Adapterausführung mit RJ45 Buchsen für die Hutschienenmontage. Mit gehäuseseitigem, zusätzlichem Schraubanschluss für die optionale Erdanbindung.

1 Produkt

Art.-Nr. 929161 DPA CL8 EA 4PPOE

GTIN 4013364472921, Zolltarifnr. (EU): 85363010, Bruttogewicht: 188.70 g, VPE: 1.00 Stk.


Abbildungen

Weitere Information

Überspannungsschutz DEHNpatch CL8 EA 4PPOE
kompakter Kombi-Ableiter der
Übertragungsklasse EA nach ISO/IEC 11801
zum Schutz von Datenschnittstellen vor
Blitzströmen und Überspannungen in
Ethernet Anwendungen bis 10 GBit und
Power over Ethernet (bis 4PPoE)
Schutz von 4 Aderpaaren über RJ45-Buchsen
voll geschirmte Ausführung
geprüft nach EN/IEC 61643-21
Ableiterklasse Type 1/P2
Impulskategorie: D1, C1, C2, C3, B2
integrierte Statusanzeige,
Überwachung über separate FM-Einheit
platzsparend, Baubreite 19 mm
Erdung über 35 mm Hutschiene oder
über gehäuseseitigem Schraubanschluss
Höchste Dauerspannung: 3,3 V DC
Nennstrom bei 70°C: 1,5 A
Grenzfrequenz: 500 MHz
C2 Nennableitstoßstrom pro Ader (8/20): 2,5 kA
C2 Nennableitstoßstrom gesamt (8/20): 10 kA
D1 Blitzstoßstrom (10/350 µs) pro Ader: 0,5 kA
D1 Blitzstoßstrom (10/350 µs) gesamt: 4 kA
Leitungsanschluss: RJ45 Buchsen

Fabrikat: DEHN
Typ: DPA CL8 EA 4PPOE
Art.-Nr.: 929161
oder gleichwertig.

Zertifikate

 

Technische Daten

Ableiterklasse L
Höchste Dauerspannung DC (Uc ) 3,3 V
Höchste Dauerspannung DC Pa-Pa (PoE) (Uc ) 58 V
Nennstrom (IL ) 1,5 A
D1 Blitzstoßstrom (10/350 µs) pro Ader (Iimp ) 0,5 kA
C2 Nennableitstoßstrom (8/20 µs) gesamt (In ) 10 kA
Grenzfrequenz (fG ) 500 MHz
Anschluss Eingang / Ausgang RJ45-Buchse / RJ45-Buchse
Zulassungen GHMT, UL 497B

Artikel 929161 wurde zum Merkzettel hinzugefügt.

Zum Merkzettel

Artikel 929161 wurde zum Warenkorb hinzugefügt.

Zum Warenkorb

DEHNpatch Class E

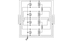
Universeller Ableiter für Industrial Ethernet, Power over Ethernet (IEEE 802.3 konform bis PoE++ / 4PPoE) und ähnliche Anwendungen in strukturierten Verkabelungen nach Klasse E bis 250 MHz. Schutz aller Adernpaare durch leistungsfähige Gasentladungsableiter und je einer abgestimmten Filtermatrix pro Adernpaar. Voll geschirmte Ausführung mit Buchsen für die Hutschienenmontage (bis 1 Gbit Ethernet).

1 Produkt

Art.-Nr. 929121 DPA M CLE RJ45B 48

GTIN 4013364118935, Zolltarifnr. (EU): 85363010, Bruttogewicht: 122.00 g, VPE: 1.00 Stk.

Vorgänger

Abbildungen

Weitere Information

Überspannungs-Ableiter Klasse E DEHNpatch DPA M CLE RJ45B 48
Überspannungs-Ableiter Klasse E
voll geschirmt
der Ableiterklasse Type 2 / P1
DEHNpatch M, geprüft nach
EN 61643-21, universell
einsetzbar nach EN 50173
für alle Datendienste bis 57 V DC
zum Schutz von 4 Adernpaaren
von Datennetzwerk-Schnittstellen
über RJ 45-Buchsen, für Verteiler-
oder Einzelplatzanwendung,
platzsparend, Baubreite 19 mm.

Fabrikat: DEHN
Typ: DPA M CLE RJ45B 48
Art.-Nr.: 929121
oder gleichwertig.

Zertifikate

 

Technische Daten

Ableiterklasse T
Höchste Dauerspannung DC (Uc ) 48 V
Höchste Dauerspannung DC Pa-Pa (PoE) (Uc ) 57 V
Nennstrom (IL ) 1 A
D1 Blitzstoßstrom (10/350 µs) pro Ader (Iimp ) 0,5 kA
C2 Nennableitstoßstrom (8/20 µs) gesamt (In ) 10 kA
Grenzfrequenz (fG ) 250 MHz
Anschluss Eingang / Ausgang RJ45-Buchse / RJ45-Buchse
Zulassungen CSA, UL 497B

Artikel 929121 wurde zum Merkzettel hinzugefügt.

Zum Merkzettel

Artikel 929121 wurde zum Warenkorb hinzugefügt.

Zum Warenkorb

DEHNpatch Class D (Neu)

Universeller, platzsparender Blitzstrom-Ableiter in 19 mm Baubreite und RJ45 Anschlusstechnik für den Blitzschutz-Potentialausgleich. Schutz von Anwendungen in strukturierten Verkabelungen nach Klasse D bis 100 MHz, z.B. Industrial Ethernet, Datenverteilern, digitalen Kamerasystemen, Power over Ethernet (IEEE 802.3 konform bis 4PPoE) und generell Ethernet basierte Schnittstellenn. Schutz aller Adernpaare durch leistungsfähige Gasentladungsableiter. Voll geschirmte Adapterausführung mit RJ45 Buchsen für die Hutschienenmontage. Mit gehäuseseitigem, zusätzlichem Schraubanschluss für die optionale Erdanbindung.

1 Produkt

Art.-Nr. 929166 DPA C8 D 4PPOE

GTIN 4013364472914, Zolltarifnr. (EU): 85363010, Bruttogewicht: 178.25 g, VPE: 1.00 Stk.


Abbildungen

Weitere Information

Überspannungsschutz DEHNpatch C8 D 4PPOE
kompakter Blitzstrom-Ableiter der
Übertragungsklasse D nach ISO/IEC 11801
zum Schutz von Datenschnittstellen vor
Blitzströmen in Ethernet Anwendungen
bis 1 GBit und Power over Ethernet (bis 4PPoE)
Schutz von 4 Aderpaaren über RJ45-Buchsen
voll geschirmte Ausführung
geprüft nach EN/IEC 61643-21
Ableiterklasse Type 1
Impulskategorie: D1, C2, C3
platzsparend, Baubreite 19 mm
Erdung über 35 mm Hutschiene oder
über gehäuseseitigem Schraubanschluss
Höchste Dauerspannung: 3,3 V DC
Nennstrom bei 70°C: 1,5 A
Grenzfrequenz: 100 MHz
C2 Nennableitstoßstrom pro Ader (8/20): 2,5 kA
C2 Nennableitstoßstrom gesamt (8/20): 10 kA
D1 Blitzstoßstrom (10/350 µs) pro Ader: 0,5 kA
D1 Blitzstoßstrom (10/350 µs) gesamt: 4 kA
Leitungsanschluss: RJ45 Buchsen

Fabrikat: DEHN
Typ: DPA C8 D 4PPOE
Art.-Nr.: 929166
oder gleichwertig.

Zertifikate

 

Technische Daten

Ableiterklasse A
Höchste Dauerspannung DC (Uc ) 3,3 V
Höchste Dauerspannung DC Pa-Pa (PoE) (Uc ) 58 V
Nennstrom (IL ) 1,5 A
D1 Blitzstoßstrom (10/350 µs) pro Ader (Iimp ) 0,5 kA
C2 Nennableitstoßstrom (8/20 µs) gesamt (In ) 10 kA
Grenzfrequenz (fG ) 100 MHz
Anschluss Eingang / Ausgang RJ45-Buchse / RJ45-Buchse
Zulassungen UL 497B

Artikel 929166 wurde zum Merkzettel hinzugefügt.

Zum Merkzettel

Artikel 929166 wurde zum Warenkorb hinzugefügt.

Zum Warenkorb

DEHNpatch Class D

Universeller Ableiter für Industrial Ethernet, Power over Ethernet (IEEE 802.3 konform bis PoE++ / 4PPoE) und ähnliche Anwendungen in strukturierten Verkabelungen nach Klasse D bis 100 MHz. Schutz aller Adernpaare durch leistungsfähige Gasentladungsableiter. Adapterausführung mit Buchsen für die Hutschienenmontage.

1 Produkt

Art.-Nr. 929126 DPA M CLD RJ45B 48

GTIN 4013364242258, Zolltarifnr. (EU): 85363010, Bruttogewicht: 102.00 g, VPE: 1.00 Stk.


Abbildungen

Weitere Information

Überspannungs-Ableiter Klasse D DEHNpatch DPA M CLD RJ45B 48
Überspannungs-Ableiter Klasse D
der Ableiterklasse Type 2 / P1
DEHNpatch M, geprüft nach
EN 61643-21, universell
einsetzbar nach EN 50173
für alle Datendienste bis 57 V DC
zum Schutz von 4 Adernpaaren
von Datennetzwerk-Schnittstellen
über RJ 45-Buchsen, für Verteiler-
oder Einzelplatzanwendung,
platzsparend, Baubreite 19 mm.

Fabrikat: DEHN
Typ: DPA M CLD RJ45B 48
Art.-Nr.: 929126
oder gleichwertig.

Zertifikate

 

Technische Daten

Ableiterklasse U
Höchste Dauerspannung DC (Uc ) 48 V
Höchste Dauerspannung DC Pa-Pa (PoE) (Uc ) 57 V
Nennstrom (IL ) 1 A
D1 Blitzstoßstrom (10/350 µs) pro Ader (Iimp ) 0,5 kA
C2 Nennableitstoßstrom (8/20 µs) gesamt (In ) 10 kA
Grenzfrequenz (fG ) 100 MHz
Anschluss Eingang / Ausgang RJ45-Buchse / RJ45-Buchse
Zulassungen UL 497B

Artikel 929126 wurde zum Merkzettel hinzugefügt.

Zum Merkzettel

Artikel 929126 wurde zum Warenkorb hinzugefügt.

Zum Warenkorb

nach oben