DEHNgap
:quality(98)/www.elvatec.ch/store/f/62257724/HDVORSCHAU/961101a1_16-9.jpg)
:quality(98)/www.elvatec.ch/store/f/62257724/HDVORSCHAU/961101a1_16-9.jpg)
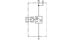
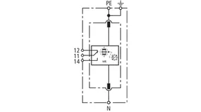
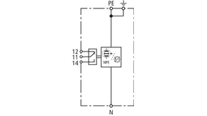
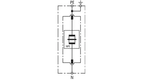
- Ableitvermögen 100 kA (10/350 µs)
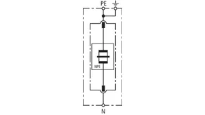
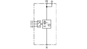
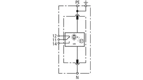
- Summenstrom-Ableiter, speziell für den Einsatz im TT-System in der 3+1- und 1+1-Schaltung nach DIN VDE 0100-534 zwischen Neutralleiter N und Schutzleiter PE
- Gleitfunkenstrecken-Technologie
- Funktions- / Defektanzeige durch grün-rote Markierung im Sichtfenster
Details
:quality(98)/www.elvatec.ch/store/f/62257725/HDVORSCHAU/900050a2_Kat.jpg)
:quality(98)/www.elvatec.ch/store/f/62257725/HDVORSCHAU/900050a2_Kat.jpg)
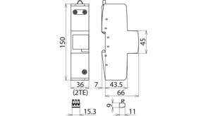
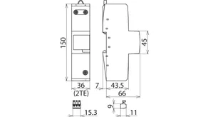
Art.-Nr. 961101 DGP M 255
GTIN 4013364118676, Zolltarifnr. (EU): 85363030, Bruttogewicht: 331.00 g, VPE: 1.00 Stk.
VorgängerTechnische Daten
SPD nach EN 61643-11 / ... IEC 61643-11 | Typ 1 / Class I |
Höchste Dauerspannung AC (UC ) | 255 V (50 / 60 Hz) |
Blitzstoßstrom (10/350 µs) (Iimp ) | 100 kA |
Schutzpegel (UP ) | ≤ 1,5 kV |
Zulassungen | VDE, KEMA, UL |
Art.-Nr. 961105 DGP M 255 FM
GTIN 4013364118683, Zolltarifnr. (EU): 85363030, Bruttogewicht: 336.00 g, VPE: 1.00 Stk.
VorgängerTechnische Daten
SPD nach EN 61643-11 / ... IEC 61643-11 | Typ 1 / Class I |
Höchste Dauerspannung AC (UC ) | 255 V (50 / 60 Hz) |
Blitzstoßstrom (10/350 µs) (Iimp ) | 100 kA |
Schutzpegel (UP ) | ≤ 1,5 kV |
Zulassungen | VDE, KEMA, UL |
FM-Kontakte / Kontaktform | Wechsler |
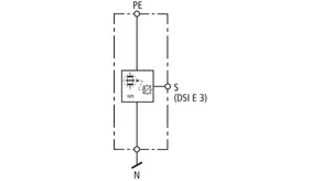
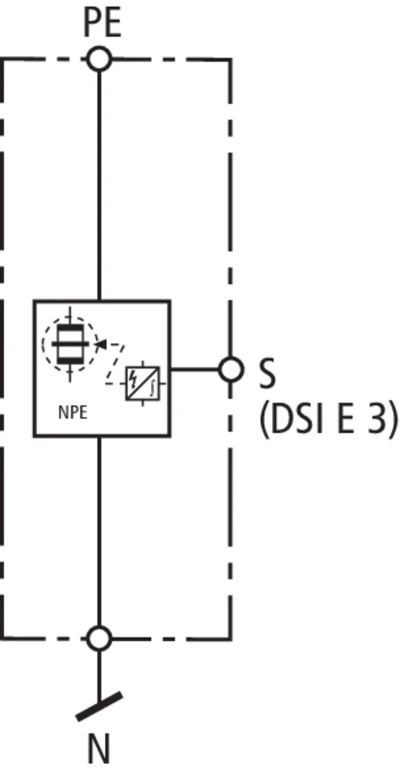
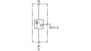
Art.-Nr. 900050 DGPM 1 255 S
GTIN 4013364107496, Zolltarifnr. (EU): 85363090, Bruttogewicht: 539.00 g, VPE: 1.00 Stk.
Technische Daten
SPD nach EN 61643-11 / ... IEC 61643-11 | Typ 1 / Class I |
Höchste Dauerspannung AC (UC ) | 255 V (50 / 60 Hz) |
Blitzstoßstrom (10/350 µs) (Iimp ) | 100 kA |
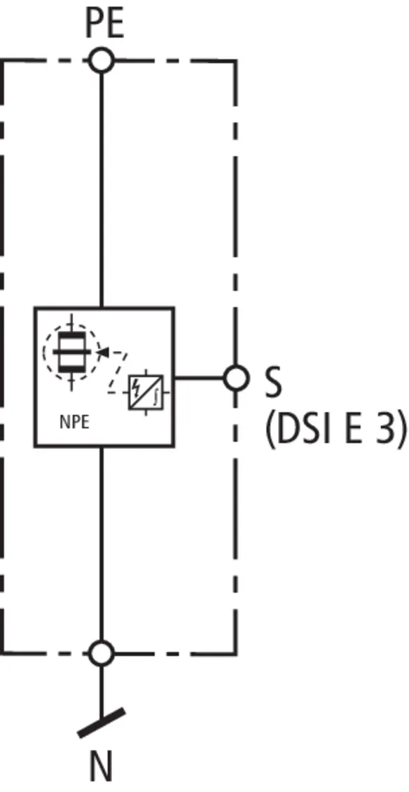
Schutzpegel (UP ) | ≤ 2,5 kV (beinhaltet 80 cm Anschlussleitung) |
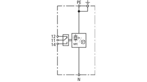
Funktionsüberwachung | über DEHNsignal DSI E 3 |
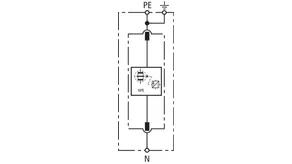
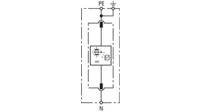
Art.-Nr. 961180 DGPM 1 255
GTIN 4013364157323, Zolltarifnr. (EU): 85363090, Bruttogewicht: 460.00 g, VPE: 1.00 Stk.
Technische Daten
SPD nach EN 61643-11 / ... IEC 61643-11 | Typ 1 + Typ 2 / Class I + Class II |
Höchste Dauerspannung AC (UC ) | 255 V (50 / 60 Hz) |
Blitzstoßstrom (10/350 µs) (Iimp ) | 100 kA |
Schutzpegel (UP ) | ≤ 1,5 kV |
Zulassungen | KEMA |
Art.-Nr. 961185 DGPM 1 255 FM
GTIN 4013364157330, Zolltarifnr. (EU): 85363090, Bruttogewicht: 460.00 g, VPE: 1.00 Stk.
Technische Daten
SPD nach EN 61643-11 / ... IEC 61643-11 | Typ 1 + Typ 2 / Class I + Class II |
Höchste Dauerspannung AC (UC ) | 255 V (50 / 60 Hz) |
Blitzstoßstrom (10/350 µs) (Iimp ) | 100 kA |
Schutzpegel (UP ) | ≤ 1,5 kV |
Zulassungen | KEMA |
FM-Kontakte / Kontaktform | Wechsler |
Art.-Nr. 961160 DGPM 440
GTIN 4013364116290, Zolltarifnr. (EU): 85363030, Bruttogewicht: 415.00 g, VPE: 1.00 Stk.
Technische Daten
SPD nach EN 61643-11 / ... IEC 61643-11 | Typ 1 / Class I |
Höchste Dauerspannung AC (UC ) | 440 V (50 / 60 Hz) |
Blitzstoßstrom (10/350 µs) (Iimp ) | 100 kA |
Schutzpegel (UP ) | ≤ 2,5 kV |
Zulassungen | UL |
Art.-Nr. 961165 DGPM 440 FM
GTIN 4013364116306, Zolltarifnr. (EU): 85363030, Bruttogewicht: 418.00 g, VPE: 1.00 Stk.
Technische Daten
SPD nach EN 61643-11 / ... IEC 61643-11 | Typ 1 / Class I |
Höchste Dauerspannung AC (UC ) | 440 V (50 / 60 Hz) |
Blitzstoßstrom (10/350 µs) (Iimp ) | 100 kA |
Schutzpegel (UP ) | ≤ 2,5 kV |
Zulassungen | UL |
FM-Kontakte / Kontaktform | Wechsler |
Art.-Nr. 961102 DGPH M 255
GTIN 4013364118690, Zolltarifnr. (EU): 85363030, Bruttogewicht: 300.00 g, VPE: 1.00 Stk.
VorgängerTechnische Daten
SPD nach EN 61643-11 / ... IEC 61643-11 | Typ 1 / Class I |
Höchste Dauerspannung AC (UC ) | 255 V (50 / 60 Hz) |
Blitzstoßstrom (10/350 µs) (Iimp ) | 100 kA |
Schutzpegel (UP ) | ≤ 4 kV |