Ihre Services im Dashboard..
Registriert nutzen Sie das komplette Angebot.

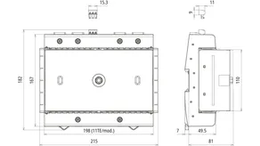
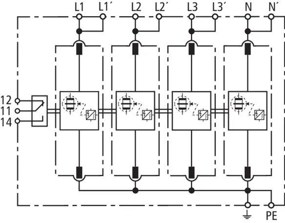
DEHNventil modular

  • Anschlussfertiger Kombi-Ableiter Typ 1 + Typ 2 + Typ 3 auf Funkenstreckenbasis, bestehend aus Basisteil und einem einzelnen gesteckten Schutzmodul
  • Leistungsstarke und endgeräteschonende RAC-Funkenstreckentechnologie
  • Ausschaltselektiv zu 20 A gG-Sicherungen bis 50 kAeff Kurzschlussstrom
  • Ableitvermögen bis 100 kA (10/350 μs)
  • Ermöglicht Endgeräteschutz
  • Funktions- / Defektanzeige durch grün-rote Markierung im Sichtfenster und Überwachung aller Schutzpfade
  • Einfacher, werkzeugloser Schutzmodulwechsel durch Modulverriegelungssystem mit Modulentriegelungstasten

Details

lorem ipsum

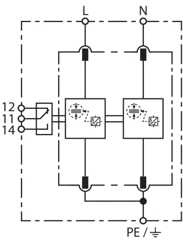
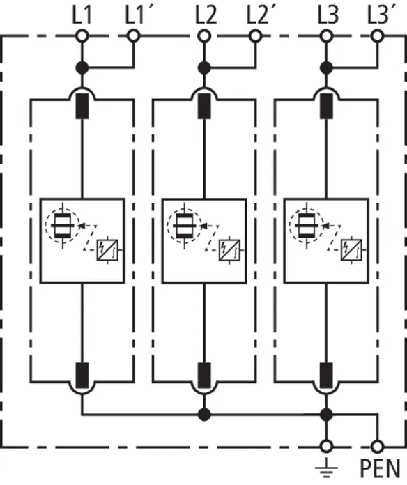
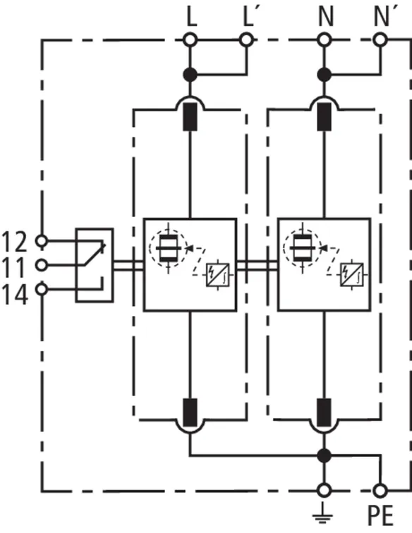
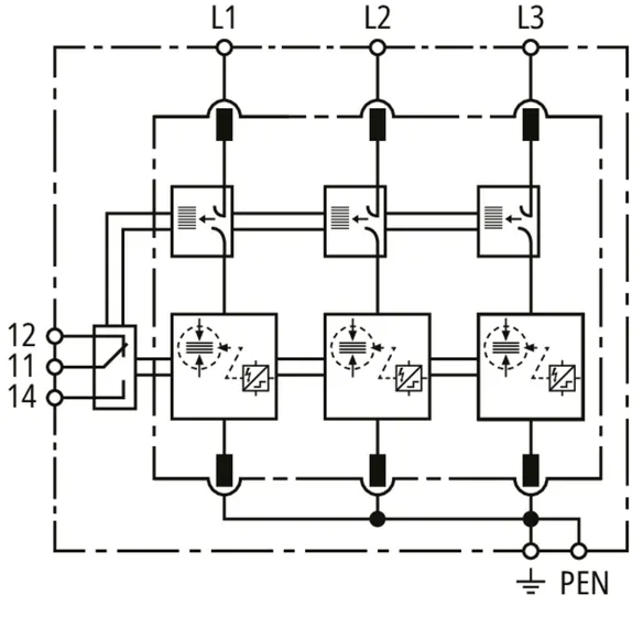
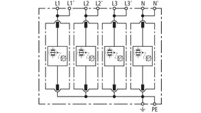
DEHNventil M2 TNC FM

Modularer Kombi-Ableiter für TN-C-Systeme.

1 Produkt

Art.-Nr. 956305 DV M2 TNC 255 FM

GTIN 4013364510586, Zolltarifnr. (EU): 85363090, Bruttogewicht: 519.19 g, VPE: 1.00 Stk.

Vorgänger

Abbildungen

Weitere Information

Modularer Kombi-Ableiter DEHNventil M2 TNC 255 FM
3-poliger, modularer, steckbarer Kombi-Ableiter für
230/400 V- TN-C-Systeme, Breite 4TE
mit Fernmeldekontakt
Ableiter Typ 1 + Typ 2 + Typ 3 nach EN 61643-11
RAC-Funkenstrecken-Technologie
zur Folgestrombegrenzung
Höchste Dauerspannung: 255 V ac
Schutzpegel: <= 1,5 kV
Blitzstoßstrom (10/350): 75 kA
Folgestromlöschfähigkeit: bis 100 kAeff.
Zertifiziert nach VDE, KEMA
Energetische Koordination nach DIN CLC/TS 61643-12
Ableiter der Red/Line-Familie, sowie direkt zum Endgerät

Fabrikat: DEHN
Typ: DV M2 TNC 255 FM
Art.-Nr.: 956305
oder gleichwertig.

Zertifikate

 

Einsatz bei 16,7 Hz

Schutzgeräte, die im Netz der DB AG eingesetzt werden, müssen, zusätzlich zu den Anforderungen der DIN EN 61643-11, für den Einsatz bei einer Frequenz von 16,7 Hz geeignet sein. Ergänzende Prüfungen bestätigen diesen Einsatz der Schutzgeräte im 16,7 Hz-Bahnstromversorgungssystem.

Technische Daten

SPD nach EN 61643-11 / ... IEC 61643-11 Typ 1 + Typ 2 + Typ 3 / Class I + Class II + Class III
Blitzstoßstrom (10/350 µs) [L1+L2+L3-PEN] (Itotal ) 75 kA
Blitzstoßstrom (10/350 µs) [L-PEN] (Iimp ) 25 kA
Schutzpegel (UP ) ≤ 1,5 kV
Max. Vorsicherung (L) bis IK = 50 kAeff 250 A gG
Zulassungen VDE, KEMA, UL
FM-Kontakte / Kontaktform ja / Wechsler
Erweiterte technische Daten: Verwendung in Schaltanlagen mit prospektiven Kurzschlussströmen größer 50 kAeff
– Max. prospektiver Kurzschlussstrom 100 kAeff (220 kApeak)

Artikel 956305 wurde zum Merkzettel hinzugefügt.

Zum Merkzettel

Artikel 956305 wurde zum Warenkorb hinzugefügt.

Zum Warenkorb

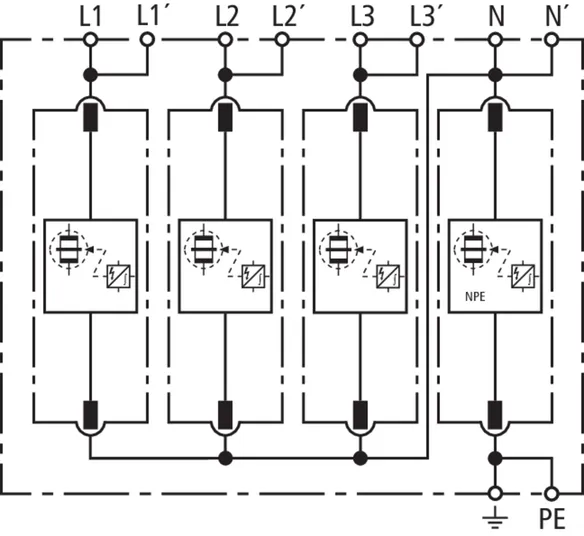
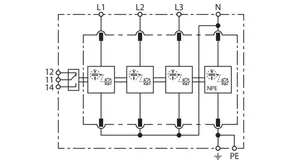
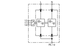
DEHNventil M2 TNS FM

Modularer Kombi-Ableiter für TN-S-Systeme.

1 Produkt

Art.-Nr. 956405 DV M2 TNS 255 FM

GTIN 4013364510562, Zolltarifnr. (EU): 85363090, Bruttogewicht: 583.68 g, VPE: 1.00 Stk.

Vorgänger

Abbildungen

Weitere Information

Modularer Kombi-Ableiter DEHNventil M2 TNS 255 FM
4-poliger, modularer, steckbarer Kombi-Ableiter für
230/400 V- TN(C)-S-Systeme, Breite 4TE
mit Fernmeldekontakt
Ableiter Typ 1 + Typ 2 + Typ 3 nach EN 61643-11
RAC-Funkenstrecken-Technologie
zur Folgestrombegrenzung
Höchste Dauerspannung: 255 V ac
Schutzpegel: <= 1,5 kV
Blitzstoßstrom (10/350): 100 kA
Folgestromlöschfähigkeit: bis 100 kAeff.
Zertifiziert nach VDE, KEMA
Energetische Koordination nach DIN CLC/TS 61643-12
Ableiter der Red/Line-Familie, sowie direkt zum Endgerät

Fabrikat: DEHN
Typ: DV M2 TNS 255 FM
Art.-Nr.: 956405
oder gleichwertig.

Zertifikate

 

Einsatz bei 16,7 Hz

Schutzgeräte, die im Netz der DB AG eingesetzt werden, müssen, zusätzlich zu den Anforderungen der DIN EN 61643-11, für den Einsatz bei einer Frequenz von 16,7 Hz geeignet sein. Ergänzende Prüfungen bestätigen diesen Einsatz der Schutzgeräte im 16,7 Hz-Bahnstromversorgungssystem.

Technische Daten

SPD nach EN 61643-11 / ... IEC 61643-11 Typ 1 + Typ 2 + Typ 3 / Class I + Class II + Class III
Blitzstoßstrom (10/350 µs) [L1+L2+L3+N-PE] (Itotal ) 100 kA
Blitzstoßstrom (10/350 µs) [L, N-PE] (Iimp ) 25 kA
Schutzpegel [L-PE]/[N-PE] (UP ) ≤ 1,5 / ≤ 1,5 kV
Max. Vorsicherung (L) bis IK = 50 kAeff 250 A gG
Zulassungen VDE, KEMA, UL
FM-Kontakte / Kontaktform ja / Wechsler
Erweiterte technische Daten: Verwendung in Schaltanlagen mit prospektiven Kurzschlussströmen größer 50 kAeff
– Max. prospektiver Kurzschlussstrom 100 kAeff (220 kApeak)

Artikel 956405 wurde zum Merkzettel hinzugefügt.

Zum Merkzettel

Artikel 956405 wurde zum Warenkorb hinzugefügt.

Zum Warenkorb

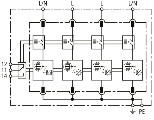
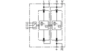
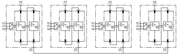
DEHNventil M2 TT FM

Modularer Kombi-Ableiter für TT- und TN-S-Systeme (3+1-Schaltung).

1 Produkt

Art.-Nr. 956315 DV M2 TT 255 FM

GTIN 4013364528963, Zolltarifnr. (EU): 85363090, Bruttogewicht: 616.00 g, VPE: 1.00 Stk.


Abbildungen

Weitere Information

Modularer Kombi-Ableiter DEHNventil M2 TT 255 FM
4-poliger, modularer, steckbarer Kombi-Ableiter für
230/400 V- TT- und TN(C)-S-Systeme, Breite 4TE
mit Fernmeldekontakt
Ableiter Typ 1 + Typ 2 + Typ 3 nach EN 61643-11
RAC-Funkenstrecken-Technologie
zur Folgestrombegrenzung
Höchste Dauerspannung: 255 V ac
Schutzpegel: <= 1,5 kV
Blitzstoßstrom (10/350): 100 kA
Folgestromlöschfähigkeit: bis 100 kAeff.
Zertifiziert nach VDE, KEMA
Energetische Koordination nach DIN CLC/TS 61643-12
Ableiter der Red/Line-Familie, sowie direkt zum Endgerät

Fabrikat: DEHN
Typ: DV M2 TT 255 FM
Art.-Nr.: 956315
oder gleichwertig.

Zertifikate

 

Einsatz bei 16,7 Hz

Schutzgeräte, die im Netz der DB AG eingesetzt werden, müssen, zusätzlich zu den Anforderungen der DIN EN 61643-11, für den Einsatz bei einer Frequenz von 16,7 Hz geeignet sein. Ergänzende Prüfungen bestätigen diesen Einsatz der Schutzgeräte im 16,7 Hz-Bahnstromversorgungssystem.

Technische Daten

SPD nach EN 61643-11 / ... IEC 61643-11 Typ 1 + Typ 2 + Typ 3 / Class I + Class II + Class III
Blitzstoßstrom (10/350 µs) [L1+L2+L3+N-PE] (Itotal ) 100 kA
Blitzstoßstrom (10/350 µs) [L-N]/[N-PE] (Iimp ) 25 / 100 kA
Schutzpegel [L-N]/[N-PE] (UP ) ≤ 1,5 / ≤ 1,5 kV
Max. Vorsicherung (L) bis IK = 50 kAeff 250 A gG
Zulassungen VDE, KEMA, UL
FM-Kontakte / Kontaktform ja / Wechsler
Erweiterte technische Daten: Verwendung in Schaltanlagen mit prospektiven Kurzschlussströmen größer 50 kAeff
– Max. prospektiver Kurzschlussstrom 100 kAeff (220 kApeak)
Ergänzende Angaben: ---------------------------------
– Schutzpegel [L-PE] (UP ) 1,8 kV

Artikel 956315 wurde zum Merkzettel hinzugefügt.

Zum Merkzettel

Artikel 956315 wurde zum Warenkorb hinzugefügt.

Zum Warenkorb

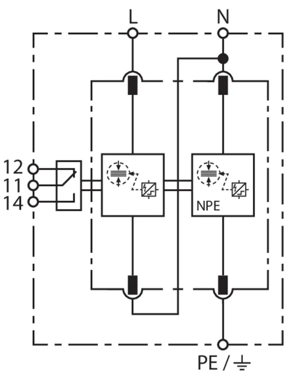
DEHNventil M2 TN FM

Modularer Kombi-Ableiter für einphasige TN-Systeme.

1 Produkt

Art.-Nr. 956205 DV M2 TN 255 FM

GTIN 4013364510579, Zolltarifnr. (EU): 85363090, Bruttogewicht: 311.29 g, VPE: 1.00 Stk.

Vorgänger

Abbildungen

Weitere Information

Modularer Kombi-Ableiter DEHNventil M2 TN 255 FM
2-poliger, modularer, steckbarer Kombi-Ableiter für
einphasige TN-Systeme, Breite 2TE
mit Fernmeldekontakt
Ableiter Typ 1 + Typ 2 + Typ 3 nach EN 61643-11
RAC-Funkenstrecken-Technologie
zur Folgestrombegrenzung
Höchste Dauerspannung: 255 V ac
Schutzpegel: <= 1,5 kV
Blitzstoßstrom (10/350): 50 kA
Folgestromlöschfähigkeit: bis 100 kAeff.
Zertifiziert nach VDE, KEMA
Energetische Koordination nach DIN CLC/TS 61643-12
Ableiter der Red/Line-Familie, sowie direkt zum Endgerät

Fabrikat: DEHN
Typ: DV M2 TN 255 FM
Art.-Nr.: 956205
oder gleichwertig.

Zertifikate

 

Einsatz bei 16,7 Hz

Schutzgeräte, die im Netz der DB AG eingesetzt werden, müssen, zusätzlich zu den Anforderungen der DIN EN 61643-11, für den Einsatz bei einer Frequenz von 16,7 Hz geeignet sein. Ergänzende Prüfungen bestätigen diesen Einsatz der Schutzgeräte im 16,7 Hz-Bahnstromversorgungssystem.

Technische Daten

SPD nach EN 61643-11 / ... IEC 61643-11 Typ 1 + Typ 2 + Typ 3 / Class I + Class II + Class III
Blitzstoßstrom (10/350 µs) [L+N-PE] (Itotal ) 50 kA
Blitzstoßstrom (10/350 µs) [L, N-PE] (Iimp ) 25 kA
Schutzpegel [L-PE]/[N-PE] (UP ) ≤ 1,5 / ≤ 1,5 kV
Max. Vorsicherung (L) bis IK = 50 kAeff 250 A gG
Zulassungen VDE, KEMA, UL
FM-Kontakte / Kontaktform ja / Wechsler
Erweiterte technische Daten: Verwendung in Schaltanlagen mit prospektiven Kurzschlussströmen größer 50 kAeff
– Max. prospektiver Kurzschlussstrom 100 kAeff (220 kApeak)

Artikel 956205 wurde zum Merkzettel hinzugefügt.

Zum Merkzettel

Artikel 956205 wurde zum Warenkorb hinzugefügt.

Zum Warenkorb

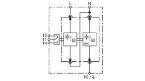
DEHNventil M2 TT 2P FM

Modularer Kombi-Ableiter für einphasige TT- und TN-Systeme (1+1-Schaltung).

1 Produkt

Art.-Nr. 956115 DV M2 TT 2P 255 FM

GTIN 4013364546929, Zolltarifnr. (EU): 85363090, Bruttogewicht: 327.00 g, VPE: 1.00 Stk.


Abbildungen

Weitere Information

Modularer Kombi-Ableiter DEHNventil M2 TT 2P 255 FM
2-poliger, modularer, steckbarer Kombi-Ableiter für
einphasige TT- und TN-Systeme, Breite 2TE
mit Fernmeldekontakt
Ableiter Typ 1 + Typ 2 + Typ 3 nach EN 61643-11
RAC-Funkenstrecken-Technologie
zur Folgestrombegrenzung
Höchste Dauerspannung: 255 V ac
Schutzpegel: <= 1,5 kV
Blitzstoßstrom (10/350): 50 kA
Folgestromlöschfähigkeit: bis 100 kAeff.
Zertifiziert nach VDE, KEMA
Energetische Koordination nach DIN CLC/TS 61643-12
Ableiter der Red/Line-Familie, sowie direkt zum Endgerät

Fabrikat: DEHN
Typ: DV M2 TT 2P 255 FM
Art.-Nr.: 956115
oder gleichwertig.

Zertifikate

 

Einsatz bei 16,7 Hz

Schutzgeräte, die im Netz der DB AG eingesetzt werden, müssen, zusätzlich zu den Anforderungen der DIN EN 61643-11, für den Einsatz bei einer Frequenz von 16,7 Hz geeignet sein. Ergänzende Prüfungen bestätigen diesen Einsatz der Schutzgeräte im 16,7 Hz-Bahnstromversorgungssystem.

Technische Daten

SPD nach EN 61643-11 / ... IEC 61643-11 Typ 1 + Typ 2 + Typ 3 / Class I + Class II + Class III
Blitzstoßstrom (10/350 µs) [L+N-PE] (Itotal ) 50 kA
Blitzstoßstrom (10/350 µs) [L-N]/[N-PE] (Iimp ) 25 / 50 kA
Schutzpegel [L-N]/[N-PE] (UP ) ≤ 1,5 / ≤ 1,5 kV
Max. Vorsicherung (L) bis IK = 50 kAeff 250 A gG
Zulassungen VDE, KEMA, UL
FM-Kontakte / Kontaktform ja / Wechsler
Erweiterte technische Daten: Verwendung in Schaltanlagen mit prospektiven Kurzschlussströmen größer 50 kAeff
– Max. prospektiver Kurzschlussstrom 100 kAeff (220 kApeak)
Ergänzende Angaben: ---------------------------------
– Schutzpegel [L-PE] (UP ) 1,8 kV

Artikel 956115 wurde zum Merkzettel hinzugefügt.

Zum Merkzettel

Artikel 956115 wurde zum Warenkorb hinzugefügt.

Zum Warenkorb

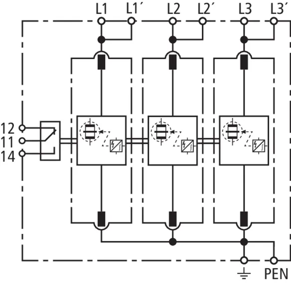
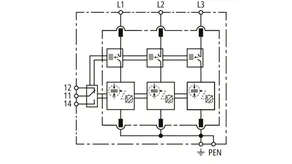
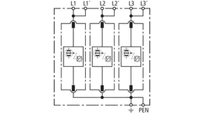
DEHNventil M TNC (FM)

Modularer Kombi-Ableiter für TN-C-Systeme mit 230 / 400 V Nennspannung (3+0-Schaltung); in der Ausführung FM mit potentialfreiem Fernmeldekontakt.

2 Produkte

Art.-Nr. 951300 DV M TNC 255

GTIN 4013364108134, Zolltarifnr. (EU): 85363090, Bruttogewicht: 1004.00 g, VPE: 1.00 Stk.

Vorgänger

Abbildungen

Weitere Information

Modularer Kombi-Ableiter DEHNventil M TNC 255
3-poliger, modularer, steckbarer Kombi-Ableiter für
230/400 V- TN-C-Systeme, Breite 6TE
Ableiter Typ 1 + Typ 2 nach EN 61643-11
RADAX-Flow-Funkenstrecken-Technologie
zur Folgestrombegrenzung
Höchste Dauerspannung: 264 V ac
Schutzpegel: <= 1,5 kV
Blitzstoßstrom (10/350): 75 kA
Folgestromlöschfähigkeit: bis 100 kAeff.
Energetische Koordination nach DIN EN 62305-4
Ableiter der Red/Line-Familie, sowie direkt zum Endgerät

Fabrikat: DEHN
Typ: DV M TNC 255
Art.-Nr.: 951300
oder gleichwertig.

Zertifikate

 

Technische Daten

SPD nach EN 61643-11 / ... IEC 61643-11 Typ 1 + Typ 2 / Class I + Class II
Blitzstoßstrom (10/350 µs) [L1+L2+L3-PEN] (Itotal ) 75 kA
Blitzstoßstrom (10/350 µs) [L-PEN] (Iimp ) 25 kA
Schutzpegel (UP ) ≤ 1,5 kV
Max. Vorsicherung (L) bis IK = 50 kAeff 315 A gG
Zulassungen KEMA, VDE, UL
Erweiterte technische Daten: Verwendung in Schaltanlagen mit prospektiven Kurzschlussströmen größer 50 kAeff
– Max. prospektiver Kurzschlussstrom 100 kAeff (220 kApeak)

Artikel 951300 wurde zum Merkzettel hinzugefügt.

Zum Merkzettel

Artikel 951300 wurde zum Warenkorb hinzugefügt.

Zum Warenkorb

Art.-Nr. 951305 DV M TNC 255 FM

GTIN 4013364108141, Zolltarifnr. (EU): 85363090, Bruttogewicht: 1020.00 g, VPE: 1.00 Stk.

Vorgänger

Abbildungen

Weitere Information

Modularer Kombi-Ableiter DEHNventil M TNC 255 FM
3-poliger, modularer, steckbarer Kombi-Ableiter für
230/400 V- TN-C-Systeme, Breite 6TE
mit Fernmeldekontakt
Ableiter Typ 1 + Typ 2 nach EN 61643-11
RADAX-Flow-Funkenstrecken-Technologie
zur Folgestrombegrenzung
Höchste Dauerspannung: 264 V ac
Schutzpegel: <= 1,5 kV
Blitzstoßstrom (10/350): 75 kA
Folgestromlöschfähigkeit: bis 100 kAeff.
Energetische Koordination nach DIN EN 62305-4
Ableiter der Red/Line-Familie, sowie direkt zum Endgerät

Fabrikat: DEHN
Typ: DV M TNC 255 FM
Art.-Nr.: 951305
oder gleichwertig.

Zertifikate

 

Technische Daten

SPD nach EN 61643-11 / ... IEC 61643-11 Typ 1 + Typ 2 / Class I + Class II
Blitzstoßstrom (10/350 µs) [L1+L2+L3-PEN] (Itotal ) 75 kA
Blitzstoßstrom (10/350 µs) [L-PEN] (Iimp ) 25 kA
Schutzpegel (UP ) ≤ 1,5 kV
Max. Vorsicherung (L) bis IK = 50 kAeff 315 A gG
Zulassungen KEMA, VDE, UL
FM-Kontakte / Kontaktform Wechsler
Erweiterte technische Daten: Verwendung in Schaltanlagen mit prospektiven Kurzschlussströmen größer 50 kAeff
– Max. prospektiver Kurzschlussstrom 100 kAeff (220 kApeak)

Artikel 951305 wurde zum Merkzettel hinzugefügt.

Zum Merkzettel

Artikel 951305 wurde zum Warenkorb hinzugefügt.

Zum Warenkorb

DEHNventil M TNS (FM)

Modularer Kombi-Ableiter für TN-S-Systeme mit 230 / 400 V Nennspannung (4+0-Schaltung); in der Ausführung FM mit potentialfreiem Fernmeldekontakt.

2 Produkte

Art.-Nr. 951400 DV M TNS 255

GTIN 4013364108158, Zolltarifnr. (EU): 85363090, Bruttogewicht: 1.40 kg, VPE: 1.00 Stk.

Vorgänger

Abbildungen

Weitere Information

Modularer Kombi-Ableiter DEHNventil M TNS 255
4-poliger, modularer, steckbarer Kombi-Ableiter für
230/400 V- TN(C)-S-Systeme, Breite 8TE
Ableiter Typ 1 + Typ 2 nach EN 61643-11
RADAX-Flow-Funkenstrecken-Technologie
zur Folgestrombegrenzung
Höchste Dauerspannung: 264 V ac
Schutzpegel: <= 1,5 kV
Blitzstoßstrom (10/350): 100 kA
Folgestromlöschfähigkeit: bis 100 kAeff.
Energetische Koordination nach DIN EN 62305-4
Ableiter der Red/Line-Familie, sowie direkt zum Endgerät

Fabrikat: DEHN
Typ: DV M TNS 255
Art.-Nr.: 951400
oder gleichwertig.

Zertifikate

 

Technische Daten

SPD nach EN 61643-11 / ... IEC 61643-11 Typ 1 + Typ 2 / Class I + Class II
Blitzstoßstrom (10/350 µs) [L1+L2+L3+N-PE] (Itotal ) 100 kA
Blitzstoßstrom (10/350 µs) [L, N-PE] (Iimp ) 25 kA
Schutzpegel [L-PE]/[N-PE] (UP ) ≤ 1,5 / ≤ 1,5 kV
Max. Vorsicherung (L) bis IK = 50 kAeff 315 A gG
Zulassungen KEMA, VDE, UL
Erweiterte technische Daten: Verwendung in Schaltanlagen mit prospektiven Kurzschlussströmen größer 50 kAeff
– Max. prospektiver Kurzschlussstrom 100 kAeff (220 kApeak)

Artikel 951400 wurde zum Merkzettel hinzugefügt.

Zum Merkzettel

Artikel 951400 wurde zum Warenkorb hinzugefügt.

Zum Warenkorb

Art.-Nr. 951405 DV M TNS 255 FM

GTIN 4013364108165, Zolltarifnr. (EU): 85363090, Bruttogewicht: 1.40 kg, VPE: 1.00 Stk.

Vorgänger

Abbildungen

Weitere Information

Modularer Kombi-Ableiter DEHNventil M TNS 255 FM
4-poliger, modularer, steckbarer Kombi-Ableiter für
230/400 V- TN(C)-S-Systeme, Breite 8TE
mit Fernmeldekontakt
Ableiter Typ 1 + Typ 2 nach EN 61643-11
RADAX-Flow-Funkenstrecken-Technologie
zur Folgestrombegrenzung
Höchste Dauerspannung: 264 V ac
Schutzpegel: <= 1,5 kV
Blitzstoßstrom (10/350): 100 kA
Folgestromlöschfähigkeit: bis 100 kAeff.
Energetische Koordination nach DIN EN 62305-4
Ableiter der Red/Line-Familie, sowie direkt zum Endgerät

Fabrikat: DEHN
Typ: DV M TNS 255 FM
Art.-Nr.: 951405
oder gleichwertig.

Zertifikate

 

Technische Daten

SPD nach EN 61643-11 / ... IEC 61643-11 Typ 1 + Typ 2 / Class I + Class II
Blitzstoßstrom (10/350 µs) [L1+L2+L3+N-PE] (Itotal ) 100 kA
Blitzstoßstrom (10/350 µs) [L, N-PE] (Iimp ) 25 kA
Schutzpegel [L-PE]/[N-PE] (UP ) ≤ 1,5 / ≤ 1,5 kV
Max. Vorsicherung (L) bis IK = 50 kAeff 315 A gG
Zulassungen KEMA, VDE, UL
FM-Kontakte / Kontaktform Wechsler
Erweiterte technische Daten: Verwendung in Schaltanlagen mit prospektiven Kurzschlussströmen größer 50 kAeff
– Max. prospektiver Kurzschlussstrom 100 kAeff (220 kApeak)

Artikel 951405 wurde zum Merkzettel hinzugefügt.

Zum Merkzettel

Artikel 951405 wurde zum Warenkorb hinzugefügt.

Zum Warenkorb

DEHNventil M TT (FM)

Modularer Kombi-Ableiter für TT- und TN-S-Systeme mit 230 / 400 V Nennspannung (3+1-Schaltung); in der Ausführung FM mit potentialfreiem Fernmeldekontakt.

2 Produkte

Art.-Nr. 951310 DV M TT 255

GTIN 4013364108172, Zolltarifnr. (EU): 85363090, Bruttogewicht: 1.31 kg, VPE: 1.00 Stk.

Vorgänger

Abbildungen

Weitere Information

Modularer Kombi-Ableiter DEHNventil M TT 255
4-poliger, modularer, steckbarer Kombi-Ableiter für
230/400 V- TT- und TN(C)-S-Systeme, Breite 8TE
Ableiter Typ 1 + Typ 2 nach EN 61643-11
RADAX-Flow-Funkenstreckentechnologie
zur Folgestrombegrenzung
Höchste Dauerspannung: 264 V ac
Schutzpegel: <= 1,5 kV
Blitzstoßstrom (10/350): 100 kA
Folgestromlöschfähigkeit: bis 100 kAeff.
Energetische Koordination nach DIN EN 62305-4
Ableiter der Red/Line-Familie, sowie direkt zum Endgerät

Fabrikat: DEHN
Typ: DV M TT 255
Art.-Nr.: 951310
oder gleichwertig.

Zertifikate

 

Technische Daten

SPD nach EN 61643-11 / ... IEC 61643-11 Typ 1 + Typ 2 / Class I + Class II
Blitzstoßstrom (10/350 µs) [L1+L2+L3+N-PE] (Itotal ) 100 kA
Blitzstoßstrom (10/350 µs) [L-N]/[N-PE] (Iimp ) 25 / 100 kA
Schutzpegel [L-N]/[N-PE] (UP ) ≤ 1,5 / ≤ 1,5 kV
Max. Vorsicherung (L) bis IK = 50 kAeff 315 A gG
Zulassungen KEMA, VDE, UL
Erweiterte technische Daten: Verwendung in Schaltanlagen mit prospektiven Kurzschlussströmen größer 50 kAeff
– Max. prospektiver Kurzschlussstrom 100 kAeff (220 kApeak)
Ergänzende Angaben: ---------------------------------
– Schutzpegel [L-PE] (UP ) 2,2 kV

Artikel 951310 wurde zum Merkzettel hinzugefügt.

Zum Merkzettel

Artikel 951310 wurde zum Warenkorb hinzugefügt.

Zum Warenkorb

Art.-Nr. 951315 DV M TT 255 FM

GTIN 4013364108189, Zolltarifnr. (EU): 85363090, Bruttogewicht: 1.32 kg, VPE: 1.00 Stk.

Vorgänger

Abbildungen

Weitere Information

Modularer Kombi-Ableiter DEHNventil M TT 255 FM
4-poliger, modularer, steckbarer Kombi-Ableiter für
230/400 V- TT- und TN(C)-S-Systeme, Breite 8TE
mit Fernmeldekontakt
Ableiter Typ 1 + Typ 2 nach EN 61643-11
RADAX-Flow-Funkenstreckentechnologie
zur Folgestrombegrenzung
Höchste Dauerspannung: 264 V ac
Schutzpegel: <= 1,5 kV
Blitzstoßstrom (10/350): 100 kA
Folgestromlöschfähigkeit: bis 100 kAeff.
Energetische Koordination nach DIN EN 62305-4
Ableiter der Red/Line-Familie, sowie direkt zum Endgerät

Fabrikat: DEHN
Typ: DV M TT 255 FM
Art.-Nr.: 951315
oder gleichwertig.

Zertifikate

 

Technische Daten

SPD nach EN 61643-11 / ... IEC 61643-11 Typ 1 + Typ 2 / Class I + Class II
Blitzstoßstrom (10/350 µs) [L1+L2+L3+N-PE] (Itotal ) 100 kA
Blitzstoßstrom (10/350 µs) [L-N]/[N-PE] (Iimp ) 25 / 100 kA
Schutzpegel [L-N]/[N-PE] (UP ) ≤ 1,5 / ≤ 1,5 kV
Max. Vorsicherung (L) bis IK = 50 kAeff 315 A gG
Zulassungen KEMA, VDE, UL
FM-Kontakte / Kontaktform Wechsler
Erweiterte technische Daten: Verwendung in Schaltanlagen mit prospektiven Kurzschlussströmen größer 50 kAeff
– Max. prospektiver Kurzschlussstrom 100 kAeff (220 kApeak)
Ergänzende Angaben: ---------------------------------
– Schutzpegel [L-PE] (UP ) 2,2 kV

Artikel 951315 wurde zum Merkzettel hinzugefügt.

Zum Merkzettel

Artikel 951315 wurde zum Warenkorb hinzugefügt.

Zum Warenkorb

DEHNventil M TN (FM)

Modularer Kombi-Ableiter für einphasige TN-Systeme mit 230 V Nennspannung (2+0-Schaltung); in der Ausführung FM mit potentialfreiem Fernmeldekontakt.

2 Produkte

Art.-Nr. 951200 DV M TN 255

GTIN 4013364108097, Zolltarifnr. (EU): 85363090, Bruttogewicht: 754.00 g, VPE: 1.00 Stk.

Vorgänger

Abbildungen

Weitere Information

Modularer Kombi-Ableiter DEHNventil M TN 255
2-poliger, modularer, steckbarer Kombi-Ableiter für
einphasige TN-Systeme, Breite 4TE
Ableiter Typ 1 + Typ 2 nach EN 61643-11
RADAX-Flow-Funkenstrecken-Technologie
zur Folgestrombegrenzung
Höchste Dauerspannung: 264 V ac
Schutzpegel: <= 1,5 kV
Blitzstoßstrom (10/350): 50 kA
Folgestromlöschfähigkeit: bis 100 kAeff.
Energetische Koordination nach DIN EN 62305-4
Ableiter der Red/Line-Familie, sowie direkt zum Endgerät

Fabrikat: DEHN
Typ: DV M TN 255
Art.-Nr.: 951200
oder gleichwertig.

Zertifikate

 

Technische Daten

SPD nach EN 61643-11 / ... IEC 61643-11 Typ 1 + Typ 2 / Class I + Class II
Blitzstoßstrom (10/350 µs) [L+N-PE] (Itotal ) 50 kA
Blitzstoßstrom (10/350 µs) [L, N-PE] (Iimp ) 25 kA
Schutzpegel [L-PE]/[N-PE] (UP ) ≤ 1,5 / ≤ 1,5 kV
Max. Vorsicherung (L) bis IK = 50 kAeff 315 A gG
Zulassungen KEMA, VDE, UL
Erweiterte technische Daten: Verwendung in Schaltanlagen mit prospektiven Kurzschlussströmen größer 50 kAeff
– Max. prospektiver Kurzschlussstrom 100 kAeff (220 kApeak)

Artikel 951200 wurde zum Merkzettel hinzugefügt.

Zum Merkzettel

Artikel 951200 wurde zum Warenkorb hinzugefügt.

Zum Warenkorb

Art.-Nr. 951205 DV M TN 255 FM

GTIN 4013364108103, Zolltarifnr. (EU): 85363090, Bruttogewicht: 698.50 g, VPE: 1.00 Stk.

Vorgänger

Abbildungen

Weitere Information

Modularer Kombi-Ableiter DEHNventil M TN 255 FM
2-poliger, modularer, steckbarer Kombi-Ableiter für
einphasige TN-Systeme, Breite 4TE
mit Fernmeldekontakt
Ableiter Typ 1 nach EN 61643-11
RADAX-Flow-Funkenstrecken-Technologie
zur Folgestrombegrenzung
Höchste Dauerspannung: 264 V ac
Schutzpegel: <= 1,5 kV
Blitzstoßstrom (10/350): 50 kA
Folgestromlöschfähigkeit: bis 100 kAeff.
Energetische Koordination nach DIN EN 62305-4
Ableiter der Red/Line-Familie, sowie direkt zum Endgerät

Fabrikat: DEHN
Typ: DV M TN 255 FM
Art.-Nr.: 951205
oder gleichwertig.

Zertifikate

 

Technische Daten

SPD nach EN 61643-11 / ... IEC 61643-11 Typ 1 + Typ 2 / Class I + Class II
Blitzstoßstrom (10/350 µs) [L+N-PE] (Itotal ) 50 kA
Blitzstoßstrom (10/350 µs) [L, N-PE] (Iimp ) 25 kA
Schutzpegel [L-PE]/[N-PE] (UP ) ≤ 1,5 / ≤ 1,5 kV
Max. Vorsicherung (L) bis IK = 50 kAeff 315 A gG
Zulassungen KEMA, VDE, UL
FM-Kontakte / Kontaktform Wechsler
Erweiterte technische Daten: Verwendung in Schaltanlagen mit prospektiven Kurzschlussströmen größer 50 kAeff
– Max. prospektiver Kurzschlussstrom 100 kAeff (220 kApeak)

Artikel 951205 wurde zum Merkzettel hinzugefügt.

Zum Merkzettel

Artikel 951205 wurde zum Warenkorb hinzugefügt.

Zum Warenkorb

DEHNventil M TT 2P (FM)

Modularer Kombi-Ableiter für einphasige TT- und TN-S-Systeme mit 230 V Nennspannung (1+1-Schaltung); in der Ausführung FM mit potentialfreiem Fernmeldekontakt.

2 Produkte

Art.-Nr. 951110 DV M TT 2P 255

GTIN 4013364108110, Zolltarifnr. (EU): 85363090, Bruttogewicht: 688.59 g, VPE: 1.00 Stk.

Vorgänger

Abbildungen

Weitere Information

Modularer Kombi-Ableiter DEHNventil M TT 2P 255
2-poliger, modularer, steckbarer Kombi-Ableiter
für einphasige TT- und TN-Systeme, Breite 4TE
Ableiter Typ 1 + Typ 2 nach EN 61643-11
RADAX-Flow-Funkenstrecken-Technologie
zur Folgestrombegrenzung
Höchste Dauerspannung: 264 V ac
Schutzpegel: <= 1,5 kV
Blitzstoßstrom (10/350): 50 kA
Folgestromlöschfähigkeit: bis 100 kAeff.
Energetische Koordination nach DIN EN 62305-4
Ableiter der Red/Line-Familie, sowie direkt zum Endgerät

Fabrikat: DEHN
Typ: DV M TT 2P 255
Art.-Nr.: 951110
oder gleichwertig.

Zertifikate

 

Technische Daten

SPD nach EN 61643-11 / ... IEC 61643-11 Typ 1 + Typ 2 / Class I + Class II
Blitzstoßstrom (10/350 µs) [L+N-PE] (Itotal ) 50 kA
Blitzstoßstrom (10/350 µs) [L-N]/[N-PE] (Iimp ) 25 / 50 kA
Schutzpegel [L-N]/[N-PE] (UP ) ≤ 1,5 / ≤ 1,5 kV
Max. Vorsicherung (L) bis IK = 50 kAeff 315 A gG
Zulassungen KEMA, VDE, UL
Erweiterte technische Daten: Verwendung in Schaltanlagen mit prospektiven Kurzschlussströmen größer 50 kAeff
– Max. prospektiver Kurzschlussstrom 100 kAeff (220 kApeak)
Ergänzende Angaben: ---------------------------------
– Schutzpegel [L-PE] (UP ) 2,2 kV

Artikel 951110 wurde zum Merkzettel hinzugefügt.

Zum Merkzettel

Artikel 951110 wurde zum Warenkorb hinzugefügt.

Zum Warenkorb

Art.-Nr. 951115 DV M TT 2P 255 FM

GTIN 4013364108127, Zolltarifnr. (EU): 85363090, Bruttogewicht: 694.38 g, VPE: 1.00 Stk.

Vorgänger

Abbildungen

Weitere Information

Modularer Kombi-Ableiter DEHNventil M TT 2P 255 FM
2-poliger, modularer, steckbarer Kombi-Ableiter für
einphasige TT- und TN-Systeme, Breite 4 TE
mit Fernmeldekontakt
Ableiter Typ 1 + Typ 2 nach EN 61643-11
RADAX-Flow-Funkenstrecken-Technologie
zur Folgestrombegrenzung
Höchste Dauerspannung: 264 V ac
Schutzpegel: <= 1,5 kV
Blitzstoßstrom (10/350): 50 kA
Folgestromlöschfähigkeit: bis 100 kAeff.
Ausschaltselektiv bis 50 kAeff: zu 20 A gG-Sicherung
Energetische Koordination nach DIN EN 62305-4
Ableiter der Red/Line-Familie, sowie direkt zum Endgerät

Fabrikat: DEHN
Typ: DV M TT 2P 255 FM
Art.-Nr.: 951115
oder gleichwertig.

Zertifikate

 

Technische Daten

SPD nach EN 61643-11 / ... IEC 61643-11 Typ 1 + Typ 2 / Class I + Class II
Blitzstoßstrom (10/350 µs) [L+N-PE] (Itotal ) 50 kA
Blitzstoßstrom (10/350 µs) [L-N]/[N-PE] (Iimp ) 25 / 50 kA
Schutzpegel [L-N]/[N-PE] (UP ) ≤ 1,5 / ≤ 1,5 kV
Max. Vorsicherung (L) bis IK = 50 kAeff 315 A gG
Zulassungen KEMA, VDE, UL
FM-Kontakte / Kontaktform Wechsler
Erweiterte technische Daten: Verwendung in Schaltanlagen mit prospektiven Kurzschlussströmen größer 50 kAeff
– Max. prospektiver Kurzschlussstrom 100 kAeff (220 kApeak)
Ergänzende Angaben: ---------------------------------
– Schutzpegel [L-PE] (UP ) 2,2 kV

Artikel 951115 wurde zum Merkzettel hinzugefügt.

Zum Merkzettel

Artikel 951115 wurde zum Warenkorb hinzugefügt.

Zum Warenkorb

DEHNventil ACI TNC FM

Modularer Kombi-Ableiter mit Advanced-Circuit Interruption (ACI) für TN-C-Systeme.

In Kürze verfügbar.

1 Produkt

Art.-Nr. 961305 DV ACI M TNC 264 FM

GTIN 4013364513440, Zolltarifnr. (EU): 85363090, Bruttogewicht: 2.42 kg, VPE: 1.00 Stk.


Abbildungen

Weitere Information

Modularer Kombi-Ableiter DEHNventil ACI M TNC 264 FM
3-poliger modularer steckbarer Kombi-Ableiter
für 230/400 V- TN-C-Systeme mit integrierter
ACI-Schalter-/Funkenstrecke, Breite 11TE
mit Fernmeldekontakt
Ableiter Typ 1 + Typ 2 + Typ 3 nach EN 61643-11
RADAX-Flow-Funkenstrecken-Technologie
zur Folgestrombegrenzung
Höchste Dauerspannung: 264 V ac
Schutzpegel: <= 1,5 kV
Blitzstoßstrom (10/350): 75 kA
Folgestromlöschfähigkeit: bis 100 kAeff.
Zertifiziert nach VDE, KEMA
Energetische Koordination nach IEC 61643-12
Ableiter der Red/Line-Familie
sowie direkt zum Endgerät

Fabrikat: DEHN
Typ: DV ACI M TNC 264 FM
Art.-Nr.: 961305
oder gleichwertig.

Zertifikate

 

Technische Daten

SPD nach EN 61673-11 / IEC 61643-11 Typ 1 + Typ 2 + Typ 3 / Class I + Class II + Class III
Blitzstoßstrom (10/350 µs) [L1+L2+L3-PEN] (Itotal ) 75 kA
Blitzstoßstrom (10/350 µs) [L-PEN] (Iimp ) 25 kA
Schutzpegel (UP ) ≤ 1,5 kV
Erweiterte technische Daten: Verwendung in Schaltanlagen mit prospektiven Kurzschlussströmen größer 50 kAeff
– Max. prospektiver Kurzschlussstrom 100 kAeff (220 kApeak)

Artikel 961305 wurde zum Merkzettel hinzugefügt.

Zum Merkzettel

Artikel 961305 wurde zum Warenkorb hinzugefügt.

Zum Warenkorb

DEHNventil ACI TNS FM

Modularer Kombi-Ableiter mit Advanced-Circuit Interruption (ACI) für TN-S-Systeme.

In Kürze verfügbar.

1 Produkt

Art.-Nr. 961405 DV ACI M TNS 264 FM

GTIN 4013364513365, Zolltarifnr. (EU): 85363090, Bruttogewicht: 2.42 kg, VPE: 1.00 Stk.


Abbildungen

Weitere Information

Modularer Kombi-Ableiter DEHNventil ACI M TNS 264 FM
4-poliger modularer steckbarer Kombi-Ableiter
für 230/400 V- TN(C)-S-Systeme mit integrierter
ACI-Schalter-/Funkenstrecke
Breite 11TE
mit Fernmeldekontakt
Ableiter Typ 1 + Typ 2 + Typ 3 nach EN 61643-11
RADAX-Flow-Funkenstrecken-Technologie
zur Folgestrombegrenzung
Höchste Dauerspannung: 264 V ac
Schutzpegel: <= 1,5 kV
Blitzstoßstrom (10/350): 100 kA
Folgestromlöschfähigkeit: bis 100 kAeff.
Zertifiziert nach VDE, KEMA
Energetische Koordination nach IEC 61643-12
Ableiter der Red/Line-Familie
sowie direkt zum Endgerät

Fabrikat: DEHN
Typ: DV ACI M TNS 264 FM
Art.-Nr.: 961405
oder gleichwertig.

Zertifikate

 

Technische Daten

SPD nach EN 61673-11 / IEC 61643-11 Typ 1 + Typ 2 + Typ 3 / Class I + Class II + Class III
Blitzstoßstrom (10/350 µs) [L1+L2+L3+N-PE] (Itotal ) 100 kA
Blitzstoßstrom (10/350 µs) [L, N-PE] (Iimp ) 25 kA
Schutzpegel [L-PE]/[N-PE] (UP ) ≤ 1,5 kV
Erweiterte technische Daten: Verwendung in Schaltanlagen mit prospektiven Kurzschlussströmen größer 50 kAeff
– Max. prospektiver Kurzschlussstrom 100 kAeff (220 kApeak)

Artikel 961405 wurde zum Merkzettel hinzugefügt.

Zum Merkzettel

Artikel 961405 wurde zum Warenkorb hinzugefügt.

Zum Warenkorb

DEHNventil M2 880 FM

Set bestehend aus steckbaren Blitz- und Überspannungsableitern inklusive isolierter Modulverdrahtungsschiene anwendbar in Wechselrichter-Systemen mit aktiver Anti-PID mit maximalen DC Offset von 750 V DC. Beschaltung der Erdungssysteme gemäß IEC 60364-4-44, Table 44.A1 - RE und Z sowie RE und RA verbunden.

1 Produkt

Art.-Nr. 961151 DV M2 880 FM

GTIN 4013364532557, Zolltarifnr. (EU): 85363090, Bruttogewicht: 1.07 kg, VPE: 1.00 Stk.


Abbildungen

Weitere Information

Modularer Kombi-Ableiter DEHNventil M2 880 FM
3-poliger, modularer, steckbarer Kombi-Ableiter für
880 V ungeerdete dreiphasige Systeme, Breite 8TE
mit Fernmeldekontakt
Ableiter Typ 1 + Typ 2 nach EN 61643-11
RAC-Funkenstrecken-Technologie
zur Folgestrombegrenzung
Höchste Dauerspannung: 880 V ac
Schutzpegel: <= 4 kV
Blitzstoßstrom (10/350): 12,5 kA
Folgestromlöschfähigkeit: bis 50 kAeff

Fabrikat: DEHN
Typ: DV M2 880 FM
Art.-Nr.: 961151
oder gleichwertig.

Zertifikate

 

Technische Daten

SPD nach EN 61643-11 / ... IEC 61643-11 Typ 1 + Typ 2 / Class I + Class II
Blitzstoßstrom (10/350 µs) [1,2-3] (Iimp ) 12,5 kA
Max. Vorsicherung (L) bis IK = 50 kAeff 160 A gG
FM-Kontakte / Kontaktform ja / Wechsler
Ergänzende Angaben: ---------------------------------
– Anti-PID Spannung (U1-3 + UPID ) 508 VAC + 750 VDC – Festigkeit

Artikel 961151 wurde zum Merkzettel hinzugefügt.

Zum Merkzettel

Artikel 961151 wurde zum Warenkorb hinzugefügt.

Zum Warenkorb

nach oben