Ihre Services im Dashboard..
Registriert nutzen Sie das komplette Angebot.

Leitungshalter für HVI power Leitung in Ex-Bereichen

Der Betreiber einer explosionsgefährdeten Betriebsstätte ist verpflichtet, diese Anlagen / -teile in die unterschiedlichen explosionsgefährdeten Bereiche einzuteilen. Für diese Anlagen ist der Blitz als potentielle Zündquelle zu beachten. Aufgrund der nationalen Betriebssicherheitsverordnung wird die Erstellung eines Explosionsschutzdokumentes gefordert. Das Explosionsschutzdokument beschreibt die unterschiedlichen explosionsgefährdeten Bereiche.

Das Produkt HVI power Leitung ist für den Einsatz in explosionsgefährdeten Bereichen der Ex-Zone 1 (Gase, Dämpfe, Nebel) sowie Ex-Zone 21 (Stäube) geeignet.
Die besonderen Installationsbedingungen stellen sicher, dass ein elektrischer Funke zu benachbarten metallenen Teilen beim Blitzstromdurchgang durch die HVI power Leitung verhindert wird.

Details

lorem ipsum
lorem ipsum

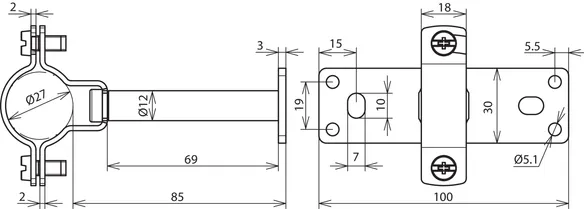
HVI power Ex W85 holder

Zur Befestigung auf metallenen Konstruktionsteilen (Fassaden) in den Ex-Zonen 1 und 21.

1 Produkt

Art.-Nr. 275450 LH ZS 27 EX W85 BP V2A

GTIN 4013364244436, Zolltarifnr. (EU): 85389099, Bruttogewicht: 179.40 g, VPE: 10.00 Stk.


Abbildungen

Weitere Information

Leitungshalter für HVI power Leitung in Ex-Bereichen NIRO
Leitungshalter für HVI power Leitung in Ex-Bereichen
mit Distanzstück 85 mm zur Befestigung auf
metallenen Konstruktionsteilen (Fassaden)
in den Ex-Zonen 1 und 21
Leitungshalter Aufnahme Rd: 27 mm
Befestigung: [4x] Ø5,1 / [2x] 7 x 10 mm
Normenbezug: DIN IEC/TS 62561-8 (VDE V 0185-561-8)

Fabrikat: DEHN
Typ: LH ZS 27 EX W85 BP V2A
Art.-Nr.: 275450
oder gleichwertig.

Zertifikate

 

Technische Daten

Werkstoff NIRO
Leitungshalter Aufnahme Rd 27 mm
Wandabstand 85 mm
Befestigung [4x] Ø5,1 / [2x] 7 x 10 mm
Normenbezug DIN IEC/TS 62561-8 (VDE V 0185-561-8)

Artikel 275450 wurde zum Merkzettel hinzugefügt.

Zum Merkzettel

Artikel 275450 wurde zum Warenkorb hinzugefügt.

Zum Warenkorb

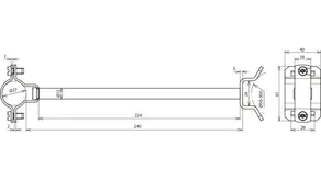
HVI power Ex W240 holder

Zur Befestigung auf metallenen Konstruktionsteilen (Fassaden) in den Ex-Zonen 1 und 21.

1 Produkt

Art.-Nr. 275451 LH ZS 27 EX W240 BP V2A

GTIN 4013364244498, Zolltarifnr. (EU): 85389099, Bruttogewicht: 291.40 g, VPE: 10.00 Stk.


Abbildungen

Weitere Information

Leitungshalter für HVI power Leitung in Ex-Bereichen NIRO
Leitungshalter für HVI power Leitung in Ex-Bereichen
mit Distanzstück 240 mm zur Befestigung auf
metallenen Konstruktionsteilen (Fassaden)
in den Ex-Zonen 1 und 21
Leitungshalter Aufnahme Rd: 27 mm
Befestigung: [4x] Ø5,1 / [2x] 7 x 10 mm
Normenbezug: DIN IEC/TS 62561-8 (VDE V 0185-561-8)

Fabrikat: DEHN
Typ: LH ZS 27 EX W240 BP V2A
Art.-Nr.: 275451
oder gleichwertig.

Zertifikate

 

Technische Daten

Werkstoff NIRO
Leitungshalter Aufnahme Rd 27 mm
Wandabstand 240 mm
Befestigung [4x] Ø5,1 / [2x] 7 x 10 mm
Normenbezug DIN IEC/TS 62561-8 (VDE V 0185-561-8)

Artikel 275451 wurde zum Merkzettel hinzugefügt.

Zum Merkzettel

Artikel 275451 wurde zum Warenkorb hinzugefügt.

Zum Warenkorb

HVI power Ex busbar 500

Für die Verlegung der HVI power Leitung mit Leitungshaltern HVI Ex W85 holder (Art.-Nr. 275 450) auf einer nichtleitenden Struktur z. B. Stein, Holz.

1 Produkt

Art.-Nr. 275498 VS EX 500 V2A

GTIN 4013364146945, Zolltarifnr. (EU): 85389099, Bruttogewicht: 320.00 g, VPE: 10.00 Stk.

Vorgänger

Abbildungen

Weitere Information

Verbindungsstrebe Ex busbar 500 für Leitungshalter NIRO
Verbindungsstrebe für die Verlegung der HVI Leitung
in Ex-Bereichen mit Leitungshaltern HVI Ex (Art.-Nr. 275 440, 275 441)
auf einer nichtleitenden Struktur z. B. Stein, Holz
Befestigung: [4x] Ø5,5 / [2x] 7 x 10 mm

Fabrikat: DEHN
Typ: VS EX 500 V2A
Art.-Nr.: 275498
oder gleichwertig.

Zertifikate

 

Technische Daten

Befestigung [4x] Ø5,5 / [2x] 7 x 10 mm

Artikel 275498 wurde zum Merkzettel hinzugefügt.

Zum Merkzettel

Artikel 275498 wurde zum Warenkorb hinzugefügt.

Zum Warenkorb

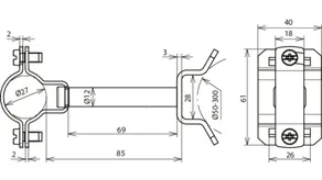
HVI power Ex P85 holder

Zur Befestigung an Rohren z. B. mit Bandrohrschelle (Art.-Nr. 106 323) in den Ex-Zonen 1 und 21.

1 Produkt

Art.-Nr. 275454 LH ZS 27 EX P85 SBB V2A

GTIN 4013364244504, Zolltarifnr. (EU): 85389099, Bruttogewicht: 188.50 g, VPE: 10.00 Stk.


Abbildungen

Weitere Information

Leitungshalter für HVI power Leitung in Ex-Bereichen NIRO
Leitungshalter für HVI power Leitung in Ex-Bereichen
mit Distanzstück 85 mm zur Befestigung an Rohren z.B.
mit Bandrohrschelle (Art.-Nr. 106 323, separat zu bestellen)
in den Ex-Zonen 1 und 21
Leitungshalter Aufnahme Rd: 27 mm
Klemmbereich Rohr: 50-300 mm
Normenbezug: DIN IEC/TS 62561-8 (VDE V 0185-561-8)

Fabrikat: DEHN
Typ: LH ZS 27 EX P85 SBB V2A
Art.-Nr.: 275454
oder gleichwertig.

Zertifikate

 

Technische Daten

Werkstoff NIRO
Leitungshalter Aufnahme Rd 27 mm
Wandabstand 85 mm
Klemmbereich Rohr 50-300 mm
Normenbezug DIN IEC/TS 62561-8 (VDE V 0185-561-8)

Artikel 275454 wurde zum Merkzettel hinzugefügt.

Zum Merkzettel

Artikel 275454 wurde zum Warenkorb hinzugefügt.

Zum Warenkorb

HVI power Ex P240 holder

Zur Befestigung an Rohren z. B. mit Bandrohrschelle (Art.-Nr. 106 323) in den Ex-Zonen 1 und 21.

1 Produkt

Art.-Nr. 275455 LH ZS 27 EX P240 SBB V2A

GTIN 4013364244535, Zolltarifnr. (EU): 85389099, Bruttogewicht: 296.30 g, VPE: 10.00 Stk.


Abbildungen

Weitere Information

Leitungshalter für HVI power Leitung in Ex-Bereichen NIRO
Leitungshalter für HVI power Leitung in Ex-Bereichen
mit Distanzstück 240 mm zur Befestigung an Rohren z.B.
mit Bandrohrschelle (Art.-Nr. 106 323, separat zu bestellen)
in den Ex-Zonen 1 und 21
Leitungshalter Aufnahme Rd: 27 mm
Klemmbereich Rohr: 50-300 mm
Normenbezug: DIN IEC/TS 62561-8 (VDE V 0185-561-8)

Fabrikat: DEHN
Typ: LH ZS 27 EX P240 SBB V2A
Art.-Nr.: 275455
oder gleichwertig.

Zertifikate

 

Technische Daten

Werkstoff NIRO
Leitungshalter Aufnahme Rd 27 mm
Wandabstand 240 mm
Klemmbereich Rohr 50-300 mm
Normenbezug DIN IEC/TS 62561-8 (VDE V 0185-561-8)

Artikel 275455 wurde zum Merkzettel hinzugefügt.

Zum Merkzettel

Artikel 275455 wurde zum Warenkorb hinzugefügt.

Zum Warenkorb

nach oben