Ihre Services im Dashboard..
Registriert nutzen Sie das komplette Angebot.

Hammereinsätze für Rohrerder

Zum Eintreiben von Rohrerdern mit Vibrationshämmern.

Details

Hammereinsätze für Tiefenerder und Rohrerder
lorem ipsum

Ausführung Fabrikat Wacker Neuson

1 Produkt

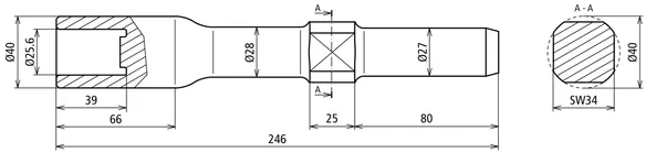
Art.-Nr. 648005 HE RE 25 R27 VH WN STBLANK

GTIN 4013364129160, Zolltarifnr. (EU): 82079099, Bruttogewicht: 1.46 kg, VPE: 1.00 Stk.


Abbildungen

Weitere Information

Hammereinsätze für Rohrerder
Hammereinsätze für Rohrerder zum Eintreiben von Tiefenerdern mit Vibrationshämmern
Typ: EH 22/400, EH 23/230, EH 24/042/200, BH 23 und BHF 30
Aufnahme: rund Ø27 x 80 mm
Werkstoff: St/blank

Fabrikat: DEHN
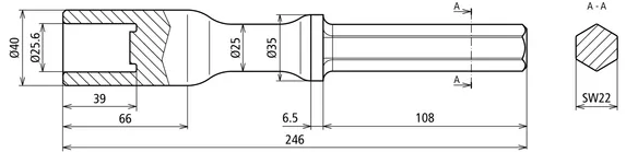
Typ: HE RE 25 R27 VH WN STBLANK
Art.-Nr.: 648005
oder gleichwertig.

 

Technische Daten

Typ EH 22/400, EH 23/230, EH 24/042/200, BH 23 und BHF 30
Aufnahme rund Ø27 x 80 mm
Werkstoff St/blank
Bohrung (d1 x l1) 25,6 x 39 mm
Länge 246 mm
Erderdurchmesser 25 mm
Tiefenerder Typ RE

Artikel 648005 wurde zum Merkzettel hinzugefügt.

Zum Merkzettel

Artikel 648005 wurde zum Warenkorb hinzugefügt.

Zum Warenkorb

Ausführung Fabrikat Atlas Copco

1 Produkt

Art.-Nr. 648007 HE RE 25 SW22 VH AC STBLANK

GTIN 4013364129177, Zolltarifnr. (EU): 82079099, Bruttogewicht: 1.46 kg, VPE: 1.00 Stk.


Abbildungen

Weitere Information

Hammereinsätze für Rohrerder
Hammereinsätze für Rohrerder zum Eintreiben von Tiefenerdern mit Vibrationshämmern
Typ: Cobra 149+248 und Pionjär 120+130
Aufnahme: sechskant SW22 x 108 mm
Werkstoff: St/blank

Fabrikat: DEHN
Typ: HE RE 25 SW22 VH AC STBLANK
Art.-Nr.: 648007
oder gleichwertig.

 

Technische Daten

Typ Cobra 149+248 und Pionjär 120+130
Aufnahme sechskant SW22 x 108 mm
Werkstoff St/blank
Bohrung (d1 x l1) 25,6 x 39 mm
Länge 246 mm
Erderdurchmesser 25 mm
Tiefenerder Typ RE

Artikel 648007 wurde zum Merkzettel hinzugefügt.

Zum Merkzettel

Artikel 648007 wurde zum Warenkorb hinzugefügt.

Zum Warenkorb

Ausführung Fabrikat SDS-max

1 Produkt

Art.-Nr. 648009 HE RE 25 SDS MAX VH STBLANK

GTIN 4013364315501, Zolltarifnr. (EU): 82079099, Bruttogewicht: 973.00 g, VPE: 1.00 Stk.


Abbildungen

Weitere Information

Hammereinsätze für Rohrerder
Hammereinsätze für Rohrerder zum Eintreiben
von Tiefenerdern mit Vibrationshämmern
Typ: Vibrations- / Schlaghämmer mit SDS-max-Aufnahme
Aufnahme: rund Ø18 x 175 mm
Werkstoff: St/blank

Fabrikat: DEHN
Typ: HE RE 25 SDS MAX VH STBLANK
Art.-Nr.: 648009
oder gleichwertig.

 

Technische Daten

Typ Vibrations- / Schlaghämmer mit SDS-max-Aufnahme
Aufnahme rund Ø18 x 175 mm
Werkstoff St/blank
Bohrung (d1 x l1) 25,6 x 39 mm
Länge 260 mm
Erderdurchmesser 25 mm
Tiefenerder Typ RE
Hinweis: Es wird empfohlen einen Hammer mit einer Schlagkraft von Minimum 26 Joule zu verwenden. Die maximale Eintreibtiefe ist von der Bodenbeschaffenheit abhängig.

Artikel 648009 wurde zum Merkzettel hinzugefügt.

Zum Merkzettel

Artikel 648009 wurde zum Warenkorb hinzugefügt.

Zum Warenkorb

Ausführung Fabrikat Bosch / Hilti / Milwaukee

1 Produkt

Art.-Nr. 648029 HE RE 25 SW28 VH BO STBLANK

GTIN 4013364236059, Zolltarifnr. (EU): 82079099, Bruttogewicht: 1.60 kg, VPE: 1.00 Stk.


Abbildungen

Weitere Information

Hammereinsätze für Rohrerder
Hammereinsätze für Rohrerder zum Eintreiben
von Tiefenerdern mit Vibrationshämmern
Typ: GSH 27, GSH 27 VC, TE 3000 AVR (bis Modell 2021), K 2628 H
Aufnahme: sechskant SW28
Werkstoff: St/blank

Fabrikat: DEHN
Typ: HE RE 25 SW28 VH BO STBLANK
Art.-Nr.: 648029
oder gleichwertig.

 

Technische Daten

Typ GSH 27, GSH 27 VC, TE 3000 AVR (bis Modell 2021), K 2628 H
Aufnahme sechskant SW28
Werkstoff St/blank
Bohrung (d1 x l1) 25,6 x 39 mm
Länge 266 mm
Erderdurchmesser 25 mm
Tiefenerder Typ RE

Artikel 648029 wurde zum Merkzettel hinzugefügt.

Zum Merkzettel

Artikel 648029 wurde zum Warenkorb hinzugefügt.

Zum Warenkorb

Ausführung Fabrikat Hilti TE-S

1 Produkt

Art.-Nr. 648031 HE RE 25 TES VH HI STBLANK

GTIN 4013364293182, Zolltarifnr. (EU): 82079099, Bruttogewicht: 1.51 kg, VPE: 1.00 Stk.


Abbildungen

Weitere Information

Hammereinsätze für Rohrerder
Hammereinsätze für Rohrerder zum Eintreiben
von Tiefenerdern mit Vibrationshämmern
Typ: Vibrations- / Schlaghämmer mit TE-S-Aufnahme
Aufnahme: Hilti TE-S
Werkstoff: St/blank

Fabrikat: DEHN
Typ: HE RE 25 TES VH HI STBLANK
Art.-Nr.: 648031
oder gleichwertig.

 

Technische Daten

Typ Vibrations- / Schlaghämmer mit TE-S-Aufnahme
Aufnahme Hilti TE-S
Werkstoff St/blank
Bohrung (d1 x l1) 25,6 x 39 mm
Länge 280 mm
Erderdurchmesser 25 mm
Tiefenerder Typ RE

Artikel 648031 wurde zum Merkzettel hinzugefügt.

Zum Merkzettel

Artikel 648031 wurde zum Warenkorb hinzugefügt.

Zum Warenkorb

nach oben