Ihre Services im Dashboard..
Registriert nutzen Sie das komplette Angebot.

DEHNguard modular E (Y)PV SCI 1500

  • Verdrahtungsfertige, modulare Kompletteinheit für Photovoltaik-Anlagen bis 1500 V, bestehend aus Basisteil und gesteckten Schutzmodulen
  • Kombinierte Abtrenn- und Kurzschließvorrichtung mit sicherer elektrischer Trennung im Schutzmodul (patentiertes SCI-Prinzip)
  • Neuartiges Design zum sicheren Einsatz in PV-Anlagen bis 1500 V
  • Geprüft nach EN 50539-11
  • Einsetzbar in allen PV-Systemen gemäß IEC 60364-7-712

Details

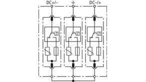
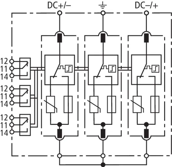
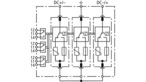
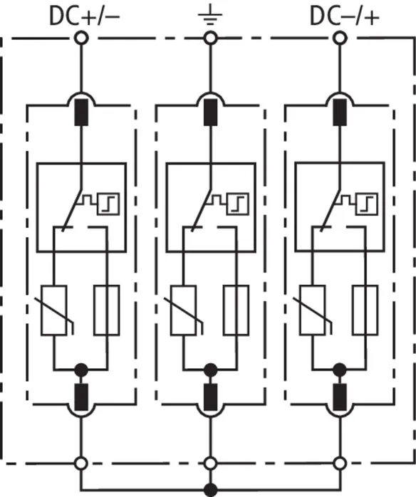
Dreistufige DC-Schalteinrichtung (patentiertes SCI-Prinzip)
lorem ipsum

DEHNguard ME YPV SCI 1500 (FM)

Mehrpoliger, modularer Überspannungs-Ableiter mit dreistufiger Gleichspannungs-Schaltvorrichtung für PV-Anlagen.

2 Produkte

Art.-Nr. 952520 DG ME YPV SCI 1500

GTIN 4013364149069, Zolltarifnr. (EU): 85354000, Bruttogewicht: 535.70 g, VPE: 1.00 Stk.


Abbildungen

Weitere Information

Überspannungs-Ableiter DEHNguard ME YPV SCI 1500
Mehrpoliger, modularer, steckbarer Photovoltaik-Ableiter bis 1500 V DC
mit 3-stufiger DC-Schalteinrichtung, Breite 4,5TE
Defektanzeige
Typ 2 nach EN 50539-11
Einsetzbar gemäß IEC 60364-7-712
Sichere elektrische Trennung im Schutzmodul
Maximale PV-Spannung: <= 1500 V DC
Gesamtableitstoßstrom: 25 kA
Schutzpegel: <= 6 kV
Kurzschlussfestigkeit Iscpv: 10 kA

Fabrikat: DEHN
Typ: DG ME YPV SCI 1500
Art.-Nr.: 952520
oder gleichwertig.

Zertifikate

 

SCI-Technologie

Mit der von DEHN patentierten SCI-Technologie mit ihrer aktiven Lichtbogenlöschung wird ein eventuell auftretender Schaltlichtbogen im Überlastfall aktiv, schnell und sicher gelöscht. Die im Kurzschlusspfad integrierte PV-Sicherung löst sofort nach Erlöschen des Lichtbogens aus und stellt dann die sichere elektrische Trennung (Interruption) her. Damit realisieren alle PV-Ableiter von DEHN Überspannungs-, Brand-, und Personenschutz in einem Gerät.

Technische Daten

SPD nach EN 61643-31 / ... IEC 61643-31 Typ 2 / Class II
Max. PV-Spannung (UCPV ) 1500 V
Kurzschlussfestigkeit (ISCPV ) 10 kA
Gesamtableitstoßstrom (8/20 µs) (Itotal ) 25 kA
Nennableitstoßstrom (8/20 µs) [(DC+/DC-) --> PE] (In ) 12,5 kA
Schutzpegel (UP ) ≤ 6 kV
Zulassungen KEMA, UL

Artikel 952520 wurde zum Merkzettel hinzugefügt.

Zum Merkzettel

Artikel 952520 wurde zum Warenkorb hinzugefügt.

Zum Warenkorb

Art.-Nr. 952525 DG ME YPV SCI1500 FM

GTIN 4013364149076, Zolltarifnr. (EU): 85354000, Bruttogewicht: 556.00 g, VPE: 1.00 Stk.


Abbildungen

Weitere Information

Überspannungs-Ableiter DEHNguard ME YPV SCI 1500 FM
Mehrpoliger, modularer, steckbarer Photovoltaik-Ableiter bis 1500 V DC
mit 3-stufiger DC-Schalteinrichtung, Breite 4,5TE
Defektanzeige, mit Fernmeldekontakt
Typ 2 nach EN 50539-11
Einsetzbar gemäß IEC 60364-7-712
Sichere elektrische Trennung im Schutzmodul
Maximale PV-Spannung: <= 1500 V DC
Gesamtableitstoßstrom: 25 kA
Schutzpegel: <= 6 kV
Kurzschlussfestigkeit Iscpv: 10 kA

Fabrikat: DEHN
Typ: DG ME YPV SCI1500 FM
Art.-Nr.: 952525
oder gleichwertig.

Zertifikate

 

SCI-Technologie

Mit der von DEHN patentierten SCI-Technologie mit ihrer aktiven Lichtbogenlöschung wird ein eventuell auftretender Schaltlichtbogen im Überlastfall aktiv, schnell und sicher gelöscht. Die im Kurzschlusspfad integrierte PV-Sicherung löst sofort nach Erlöschen des Lichtbogens aus und stellt dann die sichere elektrische Trennung (Interruption) her. Damit realisieren alle PV-Ableiter von DEHN Überspannungs-, Brand-, und Personenschutz in einem Gerät.

Technische Daten

SPD nach EN 61643-31 / ... IEC 61643-31 Typ 2 / Class II
Max. PV-Spannung (UCPV ) 1500 V
Kurzschlussfestigkeit (ISCPV ) 10 kA
Gesamtableitstoßstrom (8/20 µs) (Itotal ) 25 kA
Nennableitstoßstrom (8/20 µs) [(DC+/DC-) --> PE] (In ) 12,5 kA
Schutzpegel (UP ) ≤ 6 kV
Zulassungen KEMA, UL
FM-Kontakte / Kontaktform Wechsler

Artikel 952525 wurde zum Merkzettel hinzugefügt.

Zum Merkzettel

Artikel 952525 wurde zum Warenkorb hinzugefügt.

Zum Warenkorb

nach oben