Ihre Services im Dashboard..
Registriert nutzen Sie das komplette Angebot.

DEHNguard SE CI mit integrierter Vorsicherung

  • Im Schutzmodul integrierte Ableitervorsicherung
  • Einsatz bei höheren Bemessungsspannungen
  • Energetisch koordiniert innerhalb der Red/Line-Produktfamilie
  • Hohes Ableitvermögen
  • Hohe Gerätesicherheit durch Ableiterüberwachung "Thermo-Dynamik-Control"
  • Einfacher, werkzeugloser Schutzmodulwechsel durch Modulverriegelungssystem mit Modulentriegelungstaste
  • Vibrations- und schockgeprüft nach EN 60068-2

DEHNguard SE CI 440 FM

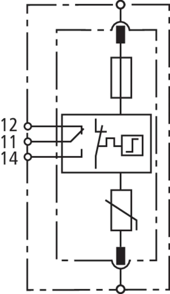
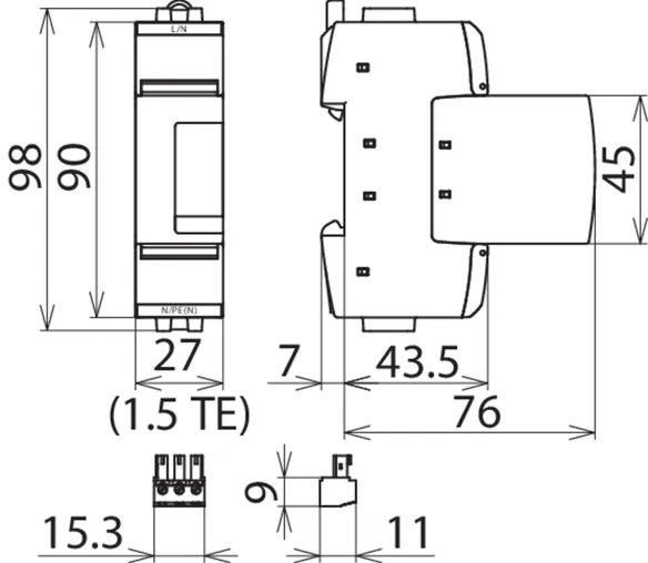
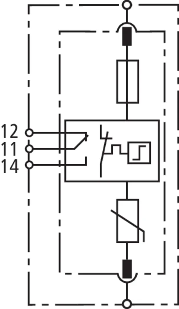
Einpoliger, teilbarer Überspannungs-Ableiter, bestehend aus Basisteil und gestecktem Schutzmodul; mit integrierter Vorsicherung und Fernmeldekontakt für Überwachungseinrichtung (potentialfreier Wechsler).

1 Produkt

Art.-Nr. 952920 DG SE CI 440 FM

GTIN 4013364322622, Zolltarifnr. (EU): 85363030, Bruttogewicht: 178.00 g, VPE: 1.00 Stk.


Abbildungen

Weitere Information

Überspannungs-Ableiter DEHNguard SE CI 440 FM
1-poliger modularer, steckbarer Überspannungs-Ableiter
mit integrierter Vorsicherung, Breite 1,5TE
mit Fernmeldekontakt
Ableiter Typ 2 nach EN 61643-11
mech. Defektanzeige für Ableiter und integrierter Sicherung
Höchste Dauerspannung: 440 V ac
Schutzpegel: <= 2 kV
Nennableitstoßstrom: 12,5 kA
Vorsicherungsfrei zu betreiben in Anlagen bis zu einem
max. Kurzschlussstrom von 25 kAeff
Energetische Koordination nach DIN EN 62305-4
Ableiter der Red/Line-Familie

Fabrikat: DEHN
Typ: DG SE CI 440 FM
Art.-Nr.: 952920
oder gleichwertig.

Zertifikate

 

Integrierte Vorsicherung

Hier ist die Vorsicherung bereits integriert. Das bedeutet: Reduzierter Platzbedarf, geringere Montagekosten, schnellere Verdrahtungszeiten und kürzere Anschlussleitungslängen. Dieses Konzept ist in den Produktfamilien DEHNvenCI, DEHNbloc Maxi S, DEHNguard ... CI und V(A) NH zu finden.

Technische Daten

SPD nach EN 61643-11 / ... IEC 61643-11 Typ 2 / Class II
Höchste Dauerspannung AC (UC ) 440 V (50 / 60 Hz)
Nennableitstoßstrom (8/20 µs) (In ) 12,5 kA
Schutzpegel (UP ) ≤ 2 kV
Max. netzseitiger Überstromschutz nicht notwendig
FM-Kontakte / Kontaktform Wechsler

Artikel 952920 wurde zum Merkzettel hinzugefügt.

Zum Merkzettel

Artikel 952920 wurde zum Warenkorb hinzugefügt.

Zum Warenkorb

DEHNguard SE CI WE 440 FM

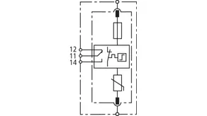
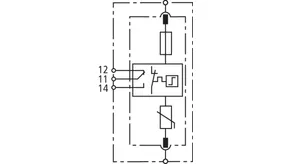
Einpoliger, teilbarer Überspannungs-Ableiter mit Varistor-Bemessungsspannung Umov = 750 V AC, bestehend aus Basisteil und gestecktem Schutzmodul; mit integrierter Vorsicherung und Fernmeldekontakt für Überwachungseinrichtung (potentialfreier Wechsler).

1 Produkt

Art.-Nr. 952923 DG SE CI WE 440 FM

GTIN 4013364322639, Zolltarifnr. (EU): 85363030, Bruttogewicht: 184.00 g, VPE: 1.00 Stk.


Abbildungen

Weitere Information

Überspannungs-Ableiter DEHNguard SE CI WE 440 FM
1-poliger modularer, steckbarer Überspannungs-Ableiter
mit integrierter Vorsicherung, Breite 1,5TE
mit Fernmeldekontakt
Ableiter Typ 2 nach EN 61643-11
mech. Defektanzeige für Ableiter und integrierter Sicherung
Höchste Dauerspannung: 440 V ac
Varistor-Bemessungsspannung: 750 V ac
Schutzpegel: <= 3 kV
Nennableitstoßstrom: 12,5 kA
Vorsicherungsfrei zu betreiben in Anlagen bis zu einem
max. Kurzschlussstrom von 25 kAeff
Energetische Koordination nach DIN EN 62305-4
Ableiter der Red/Line-Familie

Fabrikat: DEHN
Typ: DG SE CI WE 440 FM
Art.-Nr.: 952923
oder gleichwertig.

Zertifikate

 

Integrierte Vorsicherung

Hier ist die Vorsicherung bereits integriert. Das bedeutet: Reduzierter Platzbedarf, geringere Montagekosten, schnellere Verdrahtungszeiten und kürzere Anschlussleitungslängen. Dieses Konzept ist in den Produktfamilien DEHNvenCI, DEHNbloc Maxi S, DEHNguard ... CI und V(A) NH zu finden.

Technische Daten

SPD nach EN 61643-11 / ... IEC 61643-11 Typ 2 / Class II
Höchste Dauerspannung AC (UC ) 440 V (50 / 60 Hz)
Varistor-Bemessungsspannung AC (Umov ) 750 V
Nennableitstoßstrom (8/20 µs) (In ) 12,5 kA
Schutzpegel (UP ) ≤ 3 kV
Max. netzseitiger Überstromschutz nicht notwendig
FM-Kontakte / Kontaktform Wechsler

Artikel 952923 wurde zum Merkzettel hinzugefügt.

Zum Merkzettel

Artikel 952923 wurde zum Warenkorb hinzugefügt.

Zum Warenkorb

nach oben